M型超声心动图测量及正常值收集资料
- 格式:ppt
- 大小:3.38 MB
- 文档页数:30
成人M型超声心动图正常值:主动脉内径:男33-36mm;女28-32mm;左心房内径:男28-32mm;女19-33mm;左心室舒张期末内径:男45-55mm,女35-50mm;左心室收缩期末内径:男25-37mm;女20-35mm;右心室内径:10-20mm;肺动脉内径:18-22mm;二尖瓣E峰-室间隔距离(EPSS):2-7mm;室间隔厚度:6-11mm;左室后壁厚度:7-11mm;右室前壁厚度:3-5mm;主动脉搏幅:8-12mm;室间隔搏幅:3-8mm;左室后壁:8-12mm;肺动脉a波深度:1.2-3;二尖瓣口开放直径:16-20mm;主动脉口开放直径:16-26mm;二尖瓣斜率:80-200mm/s;主动脉瓣上升速度:(369±83.6)mm/s;左室后壁上升速度:(40±8)mm/s;左室后壁下降速度:(66±14)mm/s;成人二维超声心动图正常值:1、胸骨旁左室长轴切面:主动脉瓣环内径:14-26mm;窦上升主动脉内径:21-34mm;左房内径:最大前后径,25-35mm;最大上下径,31-55mm;左房面积:9.0-19.3cm2;2、胸骨旁心底短轴切面:右室流出道:19-22mm;肺动脉瓣环内径:11-22mm;主肺动脉内径:24-30mm;左肺动脉内径:10-14mm;右肺动脉内径:8-16mm;主动脉瓣口面积:>3.0cm2;3、心尖四腔心切面:左房内径上下径:31-51mm;左房内径左右径:25-44mm;二尖瓣环左右径:19-31mm;右心房内径(均为收缩末期径):上下径34-49mm;右心房面积:11.3-16.7cm2;右心房左右径:32-45mm;三尖瓣环左右径:17-28mm;左室内径(均为舒张期)左室舒张期长径:70-84mm;左室舒张期横径:37-54mm;左室舒张面积:21.2-40.2cm2;右室内径(均为舒张期)右室舒张长径:55-78mm;右室舒张横径:33-43mm;右室舒张面积: 5.4-14.6cm2;4、心尖左室二腔切面测量:左室舒张期长径:68-94mm;左室舒张期横径:38-61mm;左室舒张期面积:19.4-48cm2;5、胸骨上窝主动脉弓长轴切面测量:主动脉内径:22-27mm ;右肺动脉内径:18-24mm ;6、剑突下切面测量:下腔静脉内径(呼气末)近心端内径:12-23mm;远心端内径:11-25mm ;7、胸骨旁左室短轴切面二尖瓣水平切面:二尖瓣口面积:4-6cm2;频谱多普勒测量正常值:二尖瓣口血流:成人:60-130cm/s;儿童:80-140cm/s;三尖瓣口血流:成人:30-70cm/s;儿童:50-80cm/s;主动脉瓣口血流:成人:100-170cm/s;儿童:120-180cm/s;肺动脉口血流:成人:60-90cm;儿童:70-110cm/s;正常腔静脉血流速度:28-80cm/s;肺静脉血流速度:40-60cm/s;其它数据:1、瓣膜关闭不全轻微、轻度、中度、重度的划分标准:划分标准有几种,先介绍最常用的面积法,一般认为,对于二尖瓣和三尖瓣:程度轻微轻度中度重度返流束面积(单位:cm2)<1 1-4 4-8 >8主动脉瓣和肺动脉瓣:程度轻微轻度中度重度返流束面积(单位:cm2)<1 1-3 3-6 >62、超声心动图对于二尖瓣狭窄程度的评估:狭窄程度瓣口面积(cm2) 平均压差(mmHg) PHT(ms)轻度 1.5-2.0 <5 <150中度 1.0-1.5 5-10 150-220重度<1.0 >10 >2203、超声心动图对主动脉瓣狭窄程度的评估:狭窄程度瓣膜形态瓣口面积瓣口面积指数最大压差平均压差(cm2) (cm2/ m2) (mmHg) (mmHg)轻度瓣叶增厚,>1.0 0.9-1.1 16-50 <25 运动受限中度瓣叶增厚, 1.0-0.75 0.6-0.9 50-80 25-50 运动减低重度瓣膜明显增厚<0.75 <0.6 >80 >50 且瓣叶固定不动4、超声心动图对三尖瓣狭窄程度的评估:狭窄程度瓣口面积(cm2) 峰值流速(m/s) 平均速(m/s) 最大压差(mmHg) 平均压差轻度>3.0 1-1.3 <1 4-6 2-3中度 1.8-3.0 1.3-1.7 1-1.2 7-12 3-5重度<1.7 >1.7 >1.2 >12 >55、右房压(RAP)的评估:右房压(mmHg )右房大小下腔静脉内径(cm) (深)吸气时下腔静脉管腔塌陷率(%)5 正常正常,<1.5 >505-10 轻度扩大临界,1.5-2.0 <5010-15 中度扩大>5015-20 明显扩大扩张,>2.0 <50超声测量的正常值范围随许多因素的变化而变化,记住这一点非常重要。
RVOT:24mm ——右室流出道正常值<30mmAO:24mm ——主动脉内径正常值20~35mmLA:25mm ——左房内径正常值19~35mmRV:18mm ——右室内径正常值<20mmIVS:9mm ——室间隔厚度正常值6~11mmLV:42mm ——左室内径正常值35~50mmLVPW:8mm ——左室后壁厚度正常值6~11mmPA:20mm ——肺动脉内径正常值<22mm多普勒测值:MV:0.6/0.7m/s ——二尖瓣口血流速度正常0.3~0.9米/秒TV:0.7m/s ——三尖瓣口血流速度正常0.3~0.7A V:0.9m/s ——主动脉瓣口流速正常1.0~1.7PV:1.0m/s ——肺动脉瓣口流速正常0.6~0.9左心功能测值:EDV:81ml ——舒张末期容量正常值108±24ESV:35ml ——收缩末期容量正常45±16SV:45ml ——每分钟搏出量正常65±17EF:0.65 ——射血分数正常>0.6±0.1FS:0.29 正常>0.26E/A<1 ——E峰与A峰比值,正常<1成人M型超声心动图正常参考值项目正常值左房内径男26.77±2.96mm 女27.31±2.33 mm左室内径舒张末期男49.10±9.80 mm 女43.30±4.20 mm收缩末期男28.60±5.20 mm 女28.80±5.40 mm右房内径男14.0(6.8~28.33)mm 女13.9(5.5~21.2)mm左室流出道内径男28.6±4.1 mm 女27.2±3.3 mm右室流出道内径男28.9±2.4 mm 女28.2±2.2 mm主动脉根部内径男27.1±2.6 mm 女26.2±1.9 mm左室后壁厚度收缩末期男14.4±2.0 mm 女12.3±1.8 mm舒张末期男9.1±1.1 mm 女9.0±1.1 mm室间隔厚度男9.85±0.30 mm 女9.32±1.20 mm右室壁厚度男4.4±0.4 mm 女4.1±0.6 mm左室后壁振幅男12.0±1.6 mm 女10.8±1.4 mm主动脉根部上升速度男41.2±6.6mm/s 女34.4±8.9mm/s主动脉根部下降速度男72.0±6.7mm/s 女60.3±3.9mm/s每搏做功指数男47.2±4.7ml/m2 女45.3±4.8 ml/m2均值46.5±4.87 ml/m2射血分数男68±4.8%(0.684±0.048)女68.8±4.5%(0.668±0.045)均值68.5±4.7%(0.685±0.047)二尖瓣口面积4~6cm2主动脉瓣口面积2.5~3.5 cm2三尖瓣口面积﹥10 cm2肺动脉瓣口面积2.5~3.5 cm2。
正常人心脏大小正常人的心脏大小都就是指的就是心腔与心室壁的厚度两个方面,具体大小如下:左心房33mm以下,左室53mm以下,右心房48mm以下,右心室24mm以下,室间隔与左室后壁11mm以下,一般患者就是需要测量这几个指数,高血压的患者一般出现左心房与左心室的增大,另外室间隔与左室后壁增厚、下面就是超声心电图正常值:一、成人M型超声心动图正常值:主动脉内径:男33-36mm;女28-32mm;左心房内径:男28-32mm;女19-33mm;左心室舒张期末内径:男45-55mm,女35-50mm;左心室收缩期末内径:男25-37mm,女20-35mm;右心室内径:10-20mm; 肺动脉内径:18-22mm;二尖瓣E峰-室间隔距离(EPSS):2-7mm; 室间隔厚度:6-11mm;左室后壁厚度:7-11mm; 右室前壁厚度:3-5mm;主动脉搏幅:8-12mm; 室间隔搏幅:3-8mm;左室后壁:8-12mm 肺动脉a波深度:1、2-3;二尖瓣口开放直径:16-20mm; 主动脉口开放直径:16-26mm;二尖瓣斜率:80-200mm/s; 左室后壁下降速度:(66±14)mm/s; 主动脉瓣上升速度:(369±83、6)mm/s; 左室后壁上升速度:(40±8)mm/s;二、成人二维超声心动图正常值:1、胸骨旁左室长轴切面:主动脉瓣环内径:14-26mm; 窦上升主动脉内径:21-34mm;左房内径:最大前后径,25-35mm; 最大上下径,31-55mm;左房面积:9、0-19、3cm2;2、胸骨旁心底短轴切面:右室流出道:19-22mm; 肺动脉瓣环内径:11-22mm;主肺动脉内径:24-30mm; 左肺动脉内径:10-14mm;右肺动脉内径:8-16mm; 主动脉瓣口面积:>3、0cm2;3、心尖四腔心切面:左房内径上下径:31-51mm; 左房内径左右径:25-44mm;二尖瓣环左右径:19-31mm;右心房内径(均为收缩末期径):上下径34-49mm; 右心房面积:11、3-16、7cm2;右心房左右径:32-45mm; 三尖瓣环左右径:17-28mm;左室内径(均为舒张期): 左室舒张期长径:70-84mm;左室舒张期横径:37-54mm; 左室舒张面积:21、2-40、2cm2;右室内径(均为舒张期): 右室舒张长径:55-78mm;右室舒张横径:33-43mm; 右室舒张面积:5、4-14、6cm2;4、心尖左室二腔切面测量: 左室舒张期长径:68-94mm;左室舒张期横径:38-61mm; 左室舒张期面积:19、4-48cm2;5、胸骨上窝主动脉弓长轴切面测量:主动脉内径:22-27mm; 右肺动脉内径:18-24mm;6、剑突下切面测量:下腔静脉内径(呼气末):近心端内径:12-23mm;远心端内径:11-25mm;7、胸骨旁左室短轴切面二尖瓣水平切面:二尖瓣口面积:4-6cm2;三、频谱多普勒测量正常值:二尖瓣口血流:成人:60-130cm/s; 儿童:80-140cm/s;三尖瓣口血流:成人:30-70cm/s; 儿童:50-80cm/s;主动脉瓣口血流:成人:100-170cm/s;儿童:120-180cm/s;肺动脉口血流:成人:60-90cm; 儿童:70-110cm/s;正常腔静脉血流速度:28-80cm/s; 肺静脉血流速度:40-60cm/s;四、其它常用数据:1、瓣膜关闭不全轻微、轻度、中度、重度的划分标准(面积法):5、右房压(RAP)的评估:6、正常肺动脉压力、肺动脉高压的划分及分级标准:正常肺动脉压力(静息时):收缩压:18-25mmHg;舒张压:6-10mmHg;平均压:12-16mmHg肺动脉高压:静息时收缩压:>30mmHg;静息时平均压:>20mmHg;运动时平均压:>30mmHg肺动脉高压(PASP)分级:轻度:30-50mmHg;中度:50-70mmHg;重度:>70mmHg(有的医院以30mmHg与80mmHg作为划界标准)。
M型超声心动图一概述M型超声心动图是采用单声束扫描心脏。
将心脏及大血管的运动以光点群随时间改变所形成曲线的形式显现的超声图像。
M型超声心动图为探头相对同定于胸壁,心脏或大血管在扫描线所经部位下作来回或上下运动而形成;由于它显示心脏血管的运动,故根据英文运动的第一个字母M而命名为M型超声心动图。
当M型取样线同时依次穿过心房、心室的时候,可以了解心肌活动能力,并可判断心律失常的类型。
二检查方法1.心底波群探查部位:在胸骨左缘3肋间,将探头靠近胸骨左侧缘。
2.主动脉瓣波群患者取左侧斜卧位、探头置于胸骨左缘第3、4肋间隙,显示左心室长轴切面或二尖瓣口水平左心室短轴切面后,调整扫描位置,使M型超声心动图取样线垂直通过二尖瓣前瓣瓣尖和后瓣,以清楚显示前后瓣叶的活动曲线。
3.左心房后壁图像探头置于胸骨左缘第3、4肋间隙,垂直向后,获取胸骨旁左心室长轴、腱索及乳头肌水平左心室短轴切面后。
调整扫描位置,使M型超声心动图取样线于二尖瓣前瓣瓣尖下腱索处垂直通过左心室体部。
三临床意义1.主动脉根部图像U波谷:表示心室舒张期主动脉根在逐渐向后移位的基础上,受到心房收缩的影响,出现逐步向后移位,u波谷出现于心电图R波之后,在整个主动脉根曲线中位置最靠后。
V波:表示心室收缩期主动脉根的向前移位,出现于心电图T 波顶峰之后,为主动脉根曲线最靠前部分,又称为主波。
W波谷:表示心室舒张期主动脉根向后移位。
V啵:再次出现前向的较小波峰,为重搏波。
2.主动脉瓣波群O点:表示主动脉瓣开始开放点,在心电图R波和第一心音之后,相当于心室等长收缩末期。
C点:表示主动脉瓣完全关闭点,在心电图T波之后,与第二心音主动脉瓣成分基本上同步,相当于左心室收缩末期。
0C段:0点和C点两者之间为主动脉瓣开放的时间期,为左心室射血期。
3.左心房后壁图像心电图P波之后左心房壁回声进一步向后移动,显示一个小波称为a波,表示心房收缩期,随后可出现b峰。
心电图R波之后出现的c凹表示左心室收缩期左心房后壁的位置变化,随后可有d峰。
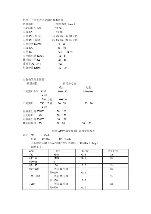
M型、二维超声心动图的基本测量测量部位正常参考值(mm)主动脉根部AO 23-26左房LA23-38左室LV(舒张)45-55(男);35-50(女)左室LV(收缩)25-37(男);20-35(女)左室后壁LVPW 8---11右房RA30—40右室RV <25 (M型)右室流出道RVOT 18—34肺动脉主干PA24—30缩短率FS(%)>25射血分数EF(%) 50—70多普勒的基本测量测量部位正常参考值成人儿童二尖瓣口MV E峰60—130 80—140A峰E/A比值 1.0—2.0三尖瓣口TV E峰30---70 50---80A峰左室流出道LVOT 70---120主动脉口A V 70---170右室流出道RVOT 50---100肺动脉瓣口PV 60---90 50---105监测APTT调整静脉肝素用量参考表首先NS 50ml肝素12500u IV 3ml/hr必要时可先给予5ml弹丸注射,约相当于12500u(10mg)PT-INR二尖瓣 1.75-2.5主动脉瓣 1.5-2.0扭转性室速发作时 5%GS 40ml25%MgSO4 10ml IV 3-5分钟此后 5%GS 250ml25%MgSO4 10ml VD 慢可达龙随访肝功能服药前和每6个月一次甲功同上Cr 电解质服药前和有指征时胸片服药前和每年一次眼科检查服药前和出现视力下降或其他症状时肺功能服药前,无法解释的呼吸困难(肺功能检查包括CO弥散功能CDLCO)心电图服药前和每年一次5%GS 36ml可达龙 450mg IV 6ml/hr 相当于1mg/min(中心静脉给药)可达龙口服1 房颤患者 600-800mg/d,分两次服,2-4周后减至400mg/d,根据疗效,3-6月内进一步减至100-300mg/d。
(常规维持量200mg/d)。
2 室性心律失常负荷量800—1600mg/d,分次服用,2—3周后减量至400-600mg/d。
心脏彩超模板常规检查切面观胸骨旁长轴观():胸骨旁短轴观:主动脉根部()二尖瓣水平()乳头机水平()心尖水平():心尖位:四腔观()五腔观()二腔观()长轴观()透声条件:中一、普通心脏M型测值(单位:mm)名称测量值正常值主动脉根部内径20-37左房内径19-40左室舒张末期内径35-56左室收缩末期内径23-35室间隔厚度6-11左室后壁厚度6-11二、二维超声心动图和彩色多普勒超声心动图检查:1、左房室内径正常,左室壁不增厚,静息状态下各节段收缩活动未见异常。
2、二尖瓣不增厚,开放不受限,彩色多普勒未测及二尖瓣反流。
3、主动脉不增宽,主动脉瓣不增厚,开放不受限,彩色多普勒未测及主动脉瓣反流。
4、右房室不大,肺动脉不增宽,连续多普勒据轻微三尖瓣反流估测肺动脉收缩压约mmhg。
肺动脉血流图未见异常。
三、心功能测定FS:%LVEF:%;二尖瓣血流图示E/A<1;DT:ms四:组织多普勒测定DTI示S波峰值:cm/s:E’/A’<1五、结论:静息状态下超声心动图未见异常宁波大学医学院附属医院超声心动图报告一、普通心脏M型、心功能及组织多普勒测值主动脉根部内径 mm 左房内径 mm 室间隔厚度 mm左室舒张末期内径mm 左室收缩末期内径mm 左室后壁厚度 mm心功能 EF(%) 心功能 FS(%)二尖瓣血流图示E/A<1 DT ms DTI示S波峰值:cm/s E'/A'<1二、二维超声心动图和彩色多普勒超声心动图检查:1、左房室内径正常,左室壁不增厚,静息状态下各节段收缩活动未见异常。
2、二尖瓣不增厚,开放不受限,彩色多普勒未测及二尖瓣反流。
3、主动脉不增宽,主动脉瓣不增厚,开放不受限,彩色多普勒未测及主动脉瓣反流。
4、右房室不大,肺动脉不增宽,连续多普勒据轻度三尖瓣反流估测肺动脉收缩压约mmhg。
肺动脉血流图未见异常。
三、结论静息状态下超声心动图未见异常结论:(扩张型心肌病)左房室内径增大伴左室壁整体收缩活动普遍减弱(EF%)一、普通心脏M型、心功能及组织多普勒测值主动脉根部内径 mm 左房内径 mm 室间隔厚度 mm左室舒张末期内径mm 左室收缩末期内径mm 左室后壁厚度 mm心功能 EF(%) 心功能 FS(%)二尖瓣血流图示E/A<1 DT ms 1DTI示S波峰值:cm/s E'/A'<1二、二维超声心动图和彩色多普勒超声心动图检查:1、左房室内径增大,左室壁不增厚,静息状态下左室壁整体收缩活动普遍减弱。
M型超声心动图知多少?图1-1-1 左心长轴切面 M 型取样线的位置A. 心底波群;B. 二尖瓣波群;C. 心室波群;D. 心室波群(新指南)(1)心底波群(图1-1-2)图1-1-2 心底波群RVOT:右室流出道;AO:主动脉;LA:左心房■胸骨旁左室长轴切面 M 型取样线置于主动脉瓣水平,与主动脉及左心房后壁垂直。
■从前到后为右室流出道、主动脉前壁、主动脉瓣、主动脉后壁、左房等结构。
■右室流出道紧贴于胸壁下,其前后径应在舒张末期(心电图 QRS 波起点,国内学者定为 R 波顶点)测量。
■主动脉根部 M 型曲线为两条平行的强回声,分别代表主动脉的前、后壁,主动脉根部内径为在舒张末期测量主动脉前壁回声前缘至后壁回声前缘的距离。
●在心动周期中主动脉根部曲线呈规律性变化,心脏收缩时,主动脉曲线上升形成主波( V 峰);心脏舒张时主动脉曲线逐渐下降形成W 点,P 波前曲线又稍向上活动形成重搏波(V’峰)。
U 波为曲线最低点,在心电图R 波之后。
●正常人主波幅度应当>10mm,重搏波清晰可见。
●主动脉硬化则运动曲线幅度降低,重搏波消失。
■主动脉瓣的 M 型曲线在舒张期表现为一条与主动脉壁平行的瓣叶关闭线,收缩期主动脉瓣开放,呈六边形盒样曲线。
●正常人瓣叶六边形盒样曲线回声纤细,前、后方细线分别代表主动脉右冠瓣和无冠瓣,盒的宽度相当于左室射血时间(ejection time,ET);盒的高度代表瓣叶的开放幅度,正常值>15mm。
■测量心电图 QRS 波起点至主动脉瓣开放点之间的时间间期为左心室射血前期(pre-ejection period,PEP)。
■左心房内径随心动周期而改变,在收缩末期(心电图 T 波结束)达最大,在舒张末期心房收缩达最小。
●左房前后径应在收缩末期测量主动脉后壁(左房前壁)回声前缘至左房后壁回声前缘的距离。
●实际操作时还要注意取样线尽量与左房壁垂直,以保证测量的精确性。
(2)二尖瓣波群(图1-1-3)图1-1-3 二尖瓣波群■胸骨旁左室长轴切面 M型取样线置于二尖瓣瓣尖水平。
常规检查切面观胸骨旁长轴观():胸骨旁短轴观:主动脉根部()二尖瓣水平()乳头机水平()心尖水平():心尖位:四腔观()五腔观()二腔观()长轴观()透声条件:中一、普通心脏M型测值(单位:mm)名称测量值正常值主动脉根部内径 20-37左房内径 19-40左室舒张末期内径 35-56左室收缩末期内径 23-35室间隔厚度 6-11左室后壁厚度 6-11二、二维超声心动图和彩色多普勒超声心动图检查:1、左房室内径正常,左室壁不增厚,静息状态下各节段收缩活动未见异常。
2、二尖瓣不增厚,开放不受限,彩色多普勒未测及二尖瓣反流。
3、主动脉不增宽,主动脉瓣不增厚,开放不受限,彩色多普勒未测及主动脉瓣反流。
4、右房室不大,肺动脉不增宽,连续多普勒据轻微三尖瓣反流估测肺动脉收缩压约mmhg。
肺动脉血流图未见异常。
三、心功能测定FS:% LVEF:%;二尖瓣血流图示E/A<1;DT:ms四:组织多普勒测定DTI示S波峰值:cm/s:E’/A’<1五、结论:静息状态下超声心动图未见异常宁波大学医学院附属医院超声心动图报告一、普通心脏M型、心功能及组织多普勒测值主动脉根部内径 mm 左房内径 mm 室间隔厚度 mm左室舒张末期内径mm 左室收缩末期内径mm 左室后壁厚度 mm心功能 EF(%) 心功能 FS(%)二尖瓣血流图示E/A<1 DT msDTI示S波峰值:cm/s E'/A'<1二、二维超声心动图和彩色多普勒超声心动图检查:1、左房室内径正常,左室壁不增厚,静息状态下各节段收缩活动未见异常。
2、二尖瓣不增厚,开放不受限,彩色多普勒未测及二尖瓣反流。
3、主动脉不增宽,主动脉瓣不增厚,开放不受限,彩色多普勒未测及主动脉瓣反流。
4、右房室不大,肺动脉不增宽,连续多普勒据轻度三尖瓣反流估测肺动脉收缩压约mmhg。
肺动脉血流图未见异常。
三、结论静息状态下超声心动图未见异常结论:(扩张型心肌病)左房室内径增大伴左室壁整体收缩活动普遍减弱(EF%)一、普通心脏M型、心功能及组织多普勒测值主动脉根部内径 mm 左房内径 mm 室间隔厚度 mm左室舒张末期内径mm 左室收缩末期内径mm 左室后壁厚度 mm心功能 EF(%) 心功能 FS(%)二尖瓣血流图示E/A<1 DT ms 1DTI示S波峰值:cm/s E'/A'<1二、二维超声心动图和彩色多普勒超声心动图检查:1、左房室内径增大,左室壁不增厚,静息状态下左室壁整体收缩活动普遍减弱。
心脏超声正常值:M型超声心动图正常参考值主动脉根内径:男<35mm、女<32mm(4区)左房内径:男<35mm、女<32mm(4区)左室舒张末期内径:男<55mm、女<50mm(2a区)左室收缩末期内径:男25~37mm、女20~35mm(2a区)右室内径:<20mm(2b区)右室前壁厚:3~5mm(2b区)室间隔舒张末厚度:7~11mm(2a区)左室后壁舒张末厚度:7~11mm(2a区)注:1区:心尖波群2a区:心室波群2b区及3区:二尖瓣波群4区:心底波群。
二维超声心动图正常参考值心尖四腔断面LVd上下径: 6.9~10.3cmLVd左右径: 3.3~6.1cmLVs上下径: 1.9~3.7cmLVd面积:21.2~40.2cm2LVs面积:8.0~21.1cm2RV上下径: 6.5~9.5cmRV左右径: 2.4~4.4cmRVd面积:12.2~22.2cm2RVs面积: 5.4~14.6cm2LA上下径: 4.1~6.1cmLA左右径: 2.8~4.3cmLA面积:10.2~17.8cm2 RA上下径: 3.5~5.5cmRA左右径: 2.5~4.9cmRA面积:11.3~16.7cm2心尖长轴断面LVd上下径: 6.8~9.4cmLVd左右径: 3.8~5.7cmLVd面积:19.4~48.0cm2LVs面积:8.9~27.0cm2胸骨旁长轴面LVd: 3.5~6.0cmLVs: 2.1~4.0cmLA前后径: 2.7~4.5cmLA上下径: 3.1~5.5cmLA面积:9.0~19.3cm2 AO: 2.2~3.6cm胸骨旁短轴断面LVd(乳头肌水平): 3.5~5.8cmLVs(乳头肌水平): 2.2~4.0cmLVd面积(乳头肌水平):16.0~31.2cm2LVs面积(乳头肌水平): 5.2~13.4cm2LVd(腱索水平): 3.5~6.2cmLVs(腱索水平): 2.3~4.0cmLVd面积(腱索水平):16.4~32.3cm2LVs面积(腱索水平): 6.1~16.8cm2PA 1.5~2.5剑下断面IVC 1.8cm各瓣口正常频谱多普测量大血管流速(m/s)部位儿童成人二尖瓣口 1.00(0.8~1.3)0.90(0.6~1.3)三尖瓣口0.60(0.5~0.8)0.50(0.3~0.7)肺动脉瓣0.90(0.7~1.1)0.75(0.6~0.9)左室流出道 1.00(0.7~1.2)0.90(0.7~1.1)主动脉口 1.50(1.2~1.8) 1.35(1.0~1.7)二尖瓣血流频谱呈双峰,分为A峰,E峰。
正常人心脏大小正常人的心脏大小都是指的是心腔和心室壁的厚度两个方面,具体大小如下:左心房33mm以下,左室53mm以下,右心房48mm以下,右心室24mm以下,室间隔和左室后壁11mm以下,一般患者是需要测量这几个指数,高血压的患者一般出现左心房和左心室的增大,另外室间隔和左室后壁增厚. 下面是超声心电图正常值:一、成人M型超声心动图正常值:主动脉内径:男33-36mm;女28-32mm;左心房内径:男28-32mm;女19-33mm;左心室舒张期末内径:男45-55mm,女35-50mm;左心室收缩期末内径:男25-37mm,女20-35mm;右心室内径:10-20mm;肺动脉内径:18-22mm;二尖瓣E峰-室间隔距离(EPSS):2-7mm;室间隔厚度:6-11mm;左室后壁厚度:7-11mm;右室前壁厚度:3-5mm;主动脉搏幅:8-12mm;室间隔搏幅:3-8mm;左室后壁:8-12mm 肺动脉a波深度:1.2-3;二尖瓣口开放直径:16-20mm;主动脉口开放直径:16-26mm;二尖瓣斜率:80-200mm/s;左室后壁下降速度:(66±14)mm/s;主动脉瓣上升速度:(369±83.6)mm/s;左室后壁上升速度:(40±8)mm/s;二、成人二维超声心动图正常值:1、胸骨旁左室长轴切面:主动脉瓣环内径:14-26mm;窦上升主动脉内径:21-34mm;左房内径:最大前后径,25-35mm;最大上下径,31-55mm;左房面积:9.0-19.3cm2;2、胸骨旁心底短轴切面:右室流出道:19-22mm;肺动脉瓣环内径:11-22mm;主肺动脉内径:24-30mm;左肺动脉内径:10-14mm;右肺动脉内径:8-16mm;主动脉瓣口面积:>3.0cm2;3、心尖四腔心切面:左房内径上下径:31-51mm;左房内径左右径:25-44mm;二尖瓣环左右径:19-31mm;右心房内径(均为收缩末期径):上下径34-49mm;右心房面积:11.3-16.7cm2;右心房左右径:32-45mm;三尖瓣环左右径:17-28mm;左室内径(均为舒张期):左室舒张期长径:70-84mm;左室舒张期横径:37-54mm;左室舒张面积:21.2-40.2cm2;右室内径(均为舒张期):右室舒张长径:55-78mm;右室舒张横径:33-43mm;右室舒张面积:5.4-14.6cm2;4、心尖左室二腔切面测量:左室舒张期长径:68-94mm;左室舒张期横径:38-61mm;左室舒张期面积:19.4-48cm2;5、胸骨上窝主动脉弓长轴切面测量:主动脉内径:22-27mm;右肺动脉内径:18-24mm;6、剑突下切面测量:下腔静脉内径(呼气末):近心端内径:12-23mm;远心端内径:11-25mm;7、胸骨旁左室短轴切面二尖瓣水平切面:二尖瓣口面积:4-6cm2;三、频谱多普勒测量正常值:二尖瓣口血流:成人:60-130cm/s;儿童:80-140cm/s;三尖瓣口血流:成人:30-70cm/s;儿童:50-80cm/s;主动脉瓣口血流:成人:100-170cm/s;儿童:120-180cm/s;肺动脉口血流:成人:60-90cm;儿童:70-110cm/s;正常腔静脉血流速度:28-80cm/s;肺静脉血流速度:40-60cm/s;四、其它常用数据:1、瓣膜关闭不全轻微、轻度、中度、重度的划分标准(面积法):5、右房压(RAP)的评估:6、正常肺动脉压力、肺动脉高压的划分及分级标准:正常肺动脉压力(静息时):收缩压:18-25mmHg;舒张压:6-10mmHg;平均压:12-16mmHg肺动脉高压:静息时收缩压:>30mmHg;静息时平均压:>20mmHg;运动时平均压:>30mmHg肺动脉高压(PASP)分级:轻度:30-50mmHg;中度:50-70mmHg;重度:>70mmHg(有的医院以30mmHg和80mmHg作为划界标准)。
二尖瓣开口面积:4—6平方厘米;二狭的超声表现:M 型:1)二尖瓣前叶EF斜率下降,呈平斜型或城墙样改变;2)二尖瓣前后叶呈同向运动;3)二尖瓣回声增厚增强、开放幅度减低;4)左房增大、右室可增大。
2、2D:1)增厚变形的二尖瓣叶回声增粗增强,腱索可增粗缩短;2)二尖瓣舒张期开放受限,前叶舒张期呈圆隆状突向左室流出道;3)二尖瓣口面积减小,左室短轴断面可见开放时二尖瓣口呈鱼口状;4)左室长轴及心尖四腔心断面见左房增大及右室增大,可有三尖瓣关闭不全;5)左房可见血栓。
主动脉瓣口面积:>3平方厘米,M型上主动脉瓣开放直径16—26mm成人M型超声心动图正常值:主动脉内径:男33-36mm;女28-32mm;左心房内径:男28-35mm;女19-33mm;左心室舒张期末内径:男45-55mm,女35-50mm;左心室收缩期末内径:男25-37mm;女20-35mm;右心室内径:10-20mm;肺动脉内径:18-22mm;二尖瓣E峰-室间隔距离(EPSS):2-7mm;室间隔厚度:6-11mm;左室后壁厚度:7-11mm;右室前壁厚度:3-5mm;主动脉搏幅:8-12mm;室间隔搏幅:3-8mm;左室后壁搏幅:8-12mm;二尖瓣口开放直径:16-20mm;主动脉口开放直径:16-26mm;二尖瓣斜率:80-200mm/s;成人二维超声心动图正常值:1、胸骨旁左室长轴切面:主动脉瓣环内径:14-26mm;主动脉根部内径:21-34mm;左房内径:最大前后径,25-35mm;最大上下径,31-55mm;2、胸骨旁心底短轴切面:主肺动脉内径:24-30mm;左肺动脉内径:10-14mm;右肺动脉内径:8-16mm;主动脉瓣口面积:>3.0cm2;3、心尖四腔心切面:左房内径上下径:31-51mm;左房内径左右径:25-44mm;二尖瓣环左右径:19-31mm;右心房内径(均为收缩末期径):上下径34-49mm;右心房面积:11.3-16.7cm2;右心房左右径:32-45mm;三尖瓣环左右径:17-28mm;左室内径(均为舒张期)左室舒张期长径:70-84mm;左室舒张期横径:37-54mm;左室舒张面积:21.2-40.2cm2;右室内径(均为舒张期)右室舒张长径:55-78mm;右室舒张横径:33-43mm;右室舒张面积:5.4-14.6cm2;4、心尖左室二腔切面测量:左室舒张期长径:68-94mm;左室舒张期横径:38-61mm;左室舒张期面积:19.4-48cm2;5、胸骨上窝主动脉弓长轴切面测量:主动脉内径:22-27mm;右肺动脉内径:18-24mm;6、剑突下切面测量:下腔静脉内径(呼气末)近心端内径:12-23mm;远心端内径:11-25mm;7、胸骨旁左室短轴切面二尖瓣水平切面:二尖瓣口面积:4-6cm2;频谱多普勒测量正常值:二尖瓣口血流:成人:60-130cm/s;儿童:80-140cm/s;三尖瓣口血流:成人:30-70cm/s;儿童:50-80cm/s;主动脉瓣口血流:成人:100-170cm/s;儿童:120-180cm/s;肺动脉口血流:成人:60-90cm;儿童:70-110cm/s;正常腔静脉血流速度:28-80cm/s;肺静脉血流速度:40-60cm/s;肺动脉高压(PASP)分级:轻度:30-50mmHg中度:50-70mmHg重度:>70mmHg。
成人M型超声心动图正常值:主动脉内径:男33-36mm;女28-32mm;左心房内径:男28-32mm;女19-33mm;左心室舒张期末内径:男45-55mm,女35-50mm;左心室收缩期末内径:男25-37mm;女20-35mm;右心室内径:10-20mm;肺动脉内径:18-22mm;二尖瓣E峰-室间隔距离(EPSS):2-7mm;室间隔厚度:6-11mm;左室后壁厚度:7-11mm;右室前壁厚度:3-5mm;主动脉搏幅:8-12mm;室间隔搏幅:3-8mm;左室后壁:8-12mm;肺动脉a波深度:;二尖瓣口开放直径:16-20mm;主动脉口开放直径:16-26mm;二尖瓣斜率:80-200mm/s;主动脉瓣上升速度:(369±mm/s;左室后壁上升速度:(40±8)mm/s;左室后壁下降速度:(66±14)mm/s;成人二维超声心动图正常值:1、胸骨旁左室长轴切面:主动脉瓣环内径:14-26mm;窦上升主动脉内径:21-34mm;左房内径:最大前后径,25-35mm;最大上下径,31-55mm;左房面积:;2、胸骨旁心底短轴切面:右室流出道:19-22mm;肺动脉瓣环内径:11-22mm;主肺动脉内径:24-30mm;左肺动脉内径:10-14mm;右肺动脉内径:8-16mm;主动脉瓣口面积:>;3、心尖四腔心切面:左房内径上下径:31-51mm;左房内径左右径:25-44mm;二尖瓣环左右径:19-31mm;右心房内径(均为收缩末期径):上下径34-49mm;右心房面积:;右心房左右径:32-45mm;三尖瓣环左右径:17-28mm;左室内径(均为舒张期)左室舒张期长径:70-84mm;左室舒张期横径:37-54mm;左室舒张面积:;右室内径(均为舒张期)右室舒张长径:55-78mm;右室舒张横径:33-43mm;右室舒张面积:;4、心尖左室二腔切面测量:左室舒张期长径:68-94mm;左室舒张期横径:38-61mm;左室舒张期面积:;5、胸骨上窝主动脉弓长轴切面测量:主动脉内径:22-27mm;右肺动脉内径:18-24mm;6、剑突下切面测量:下腔静脉内径(呼气末)近心端内径:12-23mm;远心端内径:11-25mm;7、胸骨旁左室短轴切面二尖瓣水平切面:二尖瓣口面积:4-6cm2;频谱多普勒测量正常值:二尖瓣口血流:成人:60-130cm/s;儿童:80-140cm/s;三尖瓣口血流:成人:30-70cm/s;儿童:50-80cm/s;主动脉瓣口血流:成人:100-170cm/s;儿童:120-180cm/s;肺动脉口血流:成人:60-90cm;儿童:70-110cm/s;正常腔静脉血流速度:28-80cm/s;肺静脉血流速度:40-60cm/s;另外,提供一些其它常用数据:1、瓣膜关闭不全轻微、轻度、中度、重度的划分标准:划分标准有几种,在此仅介绍最常用的面积法,一般认为,对于二尖瓣和三尖瓣:程度轻微轻度中度重度返流束面积(单位:cm2)<1 1-4 4-8 >8对于主动脉瓣和肺动脉瓣:程度轻微轻度中度重度返流束面积(单位:cm2)<1 1-3 3-6 >62、超声心动图对于二尖瓣狭窄程度的评估:狭窄程度瓣口面积(cm2)平均压差(mmHg)PHT(ms)轻度<5 <150中度5-10 150-220重度< >10 >2203、超声心动图对主动脉瓣狭窄程度的评估:狭窄程度瓣膜形态瓣口面积(cm2) 瓣口面积指数(cm2/ m2) 最大压差(mmHg) 平均压差(mmHg)轻度瓣叶增厚,运动受限> 16-50 <25中度瓣叶增厚,运动减低50-80 25-50重度瓣膜明显增厚且瓣叶固定不动< < >80 >504、超声心动图对三尖瓣狭窄程度的评估:狭窄程度瓣口面积(cm2) 峰值流速(m/s) 平均速度(m/s) 最大压差(mmHg) 平均压差(mmHg)轻度> <1 4-6 2-3中度7-12 3-5重度< > > >12 >55、右房压(RAP)的评估:右房压(mmHg) 右房大小下腔静脉内径(cm) (深)吸气时下腔静脉管腔塌陷率(%)5 正常正常,< >505-10 轻度扩大临界,<5010-15 中度扩大->5015-20 明显扩大扩张,> <506、正常肺动脉压力、肺动脉高压的划分及分级标准:正常肺动脉压力(静息时):收缩压:18-25mmHg舒张压:6-10mmHg平均压:12-16mmHg肺动脉高压:静息时收缩压:>30mmHg静息时平均压:>20mmHg运动时平均压:>30mmHg肺动脉高压(PASP)分级:轻度:30-50mmHg中度:50-70mmHg重度:>70mmHg(有的医院以30mmHg和80mmHg作为划界标准) 2.无并发症的预激综合征的治疗对于体检心电图发现有预激综合征,但无并发症发生者,不需治疗。