安全检查巡视文本记录全套表格
- 格式:docx
- 大小:30.00 KB
- 文档页数:12
安全巡视巡查表
巡视项目说明
1. 物品储存区域
- 检查储存区域是否整洁有序
- 确认标记和分类是否正确
- 检查储存物品是否堆放稳固
2. 环境安全
- 检查紧急出口是否标志清晰
- 检查消防设备是否完好并易于获取
- 确认紧急通道是否畅通
3. 电气设备
- 检查电气设备接地是否良好
- 检查线缆和插座是否有损坏或老化- 确认设备是否符合安全用电标准
4. 设备操作
- 确认员工是否按照操作规程操作设备- 检查设备的维护记录和保养情况
- 检查设备是否存在潜在安全隐患
5. 废物处理
- 确认废物处理区域是否妥善管理
- 检查废物分类和储存是否符合规定- 确认废物处理方法是否科学、环保
6. 安全知识培训
- 确认员工是否定期接受安全知识培训- 检查培训记录和员工知识掌握程度- 提供必要的安全知识培训补充
以上是安全巡视巡查表的内容,根据实际情况逐项填写相关信息,并记录存在的问题和备注。
为确保安全生产,巡视应定期进行,并及时处理发现的问题,保障工作场所的安全。
安全巡查记录表
---
安全巡查记录表
一、日期与时间
2023年6月12日
上午9:00 - 11:00
二、巡查人员
张三
李四
三、巡查区域
办公区域
生产车间
仓库
四、发现的问题
办公区域:部分电线裸露,可能存在安全隐患。
生产车间:一处消防器材过期。
仓库:堆放杂乱,部分货物离墙壁过近。
五、问题描述及照片
1. 办公区域电线裸露问题,已拍照存档。
2. 生产车间消防器材过期问题,已拍照存档。
3. 仓库货物堆放杂乱,部分货物离墙壁过近,已拍照存档。
六、整改措施
1. 对办公区域的裸露电线进行维修或更换。
2. 更换生产车间的过期消防器材。
3. 对仓库进行整理,保持货物堆放整齐,确保货物与墙壁保持安全距离。
七、整改完成情况
办公区域的电线问题已于当日中午12:00完成整改。
生产车间的消防器材已于6月13日早上9:00完成更换。
仓库将于6月14日进行整理,预计6月15日完成整改。
八、复查日期
2023年6月13日(办公区域与生产车间)
2023年6月15日(仓库)
九、复查结果
办公区域和生产车间的整改均已完成,符合安全标准。
仓库整改完成,货物堆放整齐,符合安全要求。
十、备注
本次安全巡查发现并处理了几个关键问题,确保了工作环境的安全性。
为了持续提高安全意识,建议定期进行安全培训和演练。
安全巡视检查表
一、场所安全
1. 检查消防设施是否完好,如灭火器、消防栓等。
2. 检查疏散通道是否畅通,无妨碍物。
3. 检查窗户、门等封闭装置是否正常运行。
4. 检查场所是否存在易燃物品,并做好有效储存。
二、电器安全
1. 检查电源插座是否接地,并无损坏。
2. 检查电器设备的线路安装是否符合标准。
3. 检查电线是否老化、破损,是否有裸露导线。
4. 检查电器设备是否经过定期维护和检修。
三、人员安全
1. 检查员工是否佩戴安全帽、安全鞋等个人防护装备。
2. 检查员工是否接受过相关安全培训。
3. 检查员工是否遵守工作纪律和安全操作规程。
4. 检查员工是否使用合适的工具和设备,避免擅自改造使用。
四、交通安全
1. 检查车辆是否符合相关安全标准,并定期检修。
2. 检查车辆的照明、信号灯等设备是否正常运行。
3. 检查驾驶员是否持有有效的驾驶证,并严格遵守交通规则。
4. 检查道路是否存在坑洼、裂缝等安全隐患。
五、安全培训与演练
1. 检查安全培训计划和演练方案是否完备。
2. 检查员工是否定期接受安全培训和参与演练。
3. 检查安全演练的有效性和紧急情况应对能力。
4. 检查安全演练记录和整改情况。
以上是安全巡视检查表的内容,供参考使用。
在巡视时,请根据具体场所和要求逐项进行检查,并记录相关情况和整改意见。
巡视检查是确保场所安全的重要手段,务必认真落实和执行。
安全检查巡查记录表模板1. 概述安全检查巡查记录表是用于记录安全巡查检查过程中的情况和发现的问题的一种工具。
它可以帮助管理人员系统化地管理和监督各项安全工作,提高工作效率和安全管理水平。
2. 使用目的安全检查巡查记录表的主要使用目的是:•记录安全巡查检查过程中的情况和发现的问题;•提供安全巡查检查结果的准确和可靠的记录;•便于与其他部门或人员共享安全巡查检查情况;•作为安全管理决策和措施制定的依据。
3. 使用要求使用安全检查巡查记录表时应注意以下要求:•确保记录的准确性和可靠性;•按照一定的频率进行巡查和记录;•不得随意更改记录内容,如需更改应注明原因;•注重记录的实际性和细节,不得敷衍塞责;•安全检查巡查记录表应妥善保存并定期进行备份。
4. 安全检查巡查记录表模板下面是一个简化的安全检查巡查记录表模板,供参考:日期巡查人员巡查地点巡查内容问题描述处理措施负责人员2022/1/1 张三A楼楼梯间、电梯、门窗、灭火器等设备巡查1. 门窗有破损2. 灭火器过期1. 更换门窗2. 更新灭火器李四2022/1/2 李四B楼楼道、通道、消防通道及设施、电器设备巡查1. 楼道存在杂物积堆2. 电器线路老化1. 清理楼道2. 更换线路王五2022/1/3 王五C楼厨房、卫生间、窗户、通风设施巡查1. 窗户松动2.厨房通风不畅1. 固定窗户2. 清理赵六通风道5. 使用示例张三作为安全管理人员,每天需要对所辖区域进行安全检查巡查。
他使用安全检查巡查记录表模板,详细记录了每天巡查的地点、内容、问题和处理措施,同时指派了相应的负责人员负责问题的处理。
通过使用安全检查巡查记录表模板,张三可以快速地浏览每天的巡查情况,以及找到并解决存在的问题。
这不仅提高了安全管理的效率,也为安全管理决策和措施的制定提供了依据。
结论安全检查巡查记录表是一种便捷、准确和可靠的工具,可以有效地记录、管理和监督安全巡查检查过程中的情况和问题。
安全生产巡视记录表模板一、基本信息
- 巡视日期:
- 巡视地点:
- 巡视人员:
二、巡视内容
- [ ] 检查安全设施是否完好可用
- [ ] 检查消防设备是否正常工作
- [ ] 检查电气设备是否存在安全隐患
- [ ] 检查工作场所是否整洁无障碍
- [ ] 检查员工是否佩戴个人防护装备
- [ ] 其他(请具体描述):
三、巡视记录
1. 安全设施
2. 消防设备
3. 电气设备
4. 工作场所
- 工作场所是否整洁无障碍:[是/否]
5. 员工个人防护
- 员工是否佩戴个人防护装备:[是/否]
6. 其他
{请添加其他巡视记录,如有需要可以新增表格} 四、巡视结论
- [ ] 已修复发现的安全隐患
- [ ] 已提出整改建议
- [ ] 其他(请具体描述):
五、巡视人员签名
- 巡视人员1:
- 巡视人员2:
- 日期:
以上为安全生产巡视记录表模板,可根据实际需要进行相应修改和补充。
巡视人员应认真填写并保存好巡视记录,以便于安全生产管理和隐患整改工作的开展。
安全巡视检查记录表
安全巡视检查记录表
工程名称:XXX安全可控信息技术产业化基地1#、2#宿舍楼、3#研发楼、地下车库工程
巡视情况:
1.部分基坑围护栏杆被拆除未及时恢复。
2.2#楼西侧卷材施工时未按要求配备灭火器等设施。
3.个别立杆下端采用两块木方支撑。
4.部分钢筋堆高超过规范要求。
5.一级配电室内挡鼠板缺失。
6.外架搭设与楼层进度不同步,安全网张挂不及时,外架
接地线未及时设置。
7.个别作业人员未正确佩戴安全带、安全帽。
整改方案:
1.所有临边防护应采取有效可靠的防护措施。
2.动火部位必须配备足够数量灭火器。
3.立杆下端采用200×200mm木板垫撑。
4.材料不得超过允许堆放高度且应该堆放齐整。
5.配电室墙上洞应及时封堵,防止发生安全隐患。
6.外架必须提前提升至施工面,安全网及生命线及时张挂。
外架接地线及时跟进。
7.所有进入施工现场人员必须正确佩戴安全帽,系好安全带。
项目监理机构:
现场施工安全员(签字):
监理巡视人员(签字):。
安全巡查记录表(范本模板)安全巡查记录表
概述
安全巡查记录表是用于记录安全巡查过程中的情况和发现的问题,旨在确保工作场所的安全和员工的身体健康。
本文档提供了一个安全巡查记录表的范本模板,方便使用者进行安全巡查并记录相关信息。
安全巡查记录表范本模板
使用说明
2. 根据实际情况填写表格中的各项内容。
其中,日期、巡查地点、巡查人员、巡查发现和问题说明都需要具体、清晰地进行描述。
3. 处理状态一栏,根据问题的处理情况选择适当的状态,如"
待处理"、"处理中"、"已处理"等。
4. 可根据需要增加或删除表格中的列,以适应具体的安全巡查
需求。
5. 完成填写后,根据需求保存或打印该安全巡查记录表。
注意事项
1. 安全巡查需由专门的人员进行操作,并按照规定的频次和范
围进行巡查。
2. 对于发现的问题,应及时记录并进行处理,确保问题能得到
妥善解决。
3. 巡查发现的问题应明确,并在问题说明中提供解决方案或建议。
4. 处理状态应准确反映问题的处理情况,方便后续跟踪和统计。
5. 安全巡查记录表应妥善保存,以备日后查阅和总结经验。
结论
安全巡查记录表的使用可以帮助组织和管理者保持工作场所的
安全和整洁,确保员工的身体健康和工作环境舒适。
通过记录和处
理巡查发现的问题,可以及时排除安全隐患,减少事故的发生。
希
望本安全巡查记录表范本模板能为您提供方便,如有任何问题或改
进意见,请及时反馈。
精心整理安全巡视检查记录表检查类型节前安全检查编号:工程名称蕉岭县蕉城段石窟河治理工程检查时间检查单位蕉岭县水利工程建设项目管理中心广东中水工程监理有限公司参加单位铁汉生态建设有限公司检查项目或部位参加检查人员检查记录:检查结论及要求:检查负责人:填表人:事故隐患整改记录表施工单位济宁市水利工程施工公司工程名称湖西大堤加固工程前次检查记录表编号001整改内容及相关措施防火设备:配备灭火器及消防池措施制定人王龙泉实施负责人崔建堂验收人徐宜勇整改复查意见:施工单位每个桩机已经配备灭火器和消防池。
复查人员王龙泉、徐宜勇复查日期2010年4月27日安全巡视检查记录表检查类型定期安全检查编号:002工程名称湖西大堤加固工程检查时间2010年5月20日检查单位济宁市水利工程建设监理中心湖西大堤加固工程项目监理部参加单位湖西大堤加固工程建设管理局湖西大堤加固工程一标段项目经理部检查项目或部位用电、防火、防盗、交通、设备等安全项目参加检查人员王龙泉、徐宜勇、崔建堂检查记录:2010年5月20日,监理部组织建管局及施工单位对一标段灌浆工程进行定期安全大检查。
施工单位用电设备防控较好,电缆完整,无漏电接头;施工机械设备优良,无安全隐患;施工人员佩带安全帽、橡胶手套、口罩完整。
交通和用电等安全警示牌齐全;材料看护人员到位;消防灭火器材、消防池设备齐全。
问题:发现部分电缆接头放在地上。
检查结论及要求:施工单位安全措施落实较好,安全设备齐全。
要求施工单位对每个电缆接头处架设起来,防止下雨漏电。
检查负责人:徐宜勇填表人:殷允春注:检查类型可填写为:定期安全检查、专项安全检查、突击安全检查、隐患整改复查。
事故隐患整改记录表施工单位济宁市水利工程施工公司工程名称湖西大堤加固工程前次检查记录表编号002整改内容及相关措施落地电缆接头:要求每个电缆接头处架设离地。
措施制定人王龙泉实施负责人崔建堂验收人徐宜勇整改复查意见:施工单位已经按照用电安全措施,把落地接头电缆架设起来。
部门安全巡视记录表检查人:编号:工程名称项目总监施工单位检查日期年代日工程进度第一类施工现场安全、文明施工、防火消防、环境管理序项检查内容存在隐患部位号数(1)未按三级配电二级保护□(2)未按规定采纳TN-S系统□(3)配电电线任意混用取代□(4)一箱、一漏电控制多台设备□(5)设备无各自专用开关电箱□(6)电缆禁止随处乱拖无保护□(7)电箱内NPE线设置端子板□(8)施工现场禁止使用二芯电线□(9)电器设备未按规定作保护接零□(10)线路架空埋地敷设不切合规范□(11)配电箱与开关箱电器破坏或进□1暂时用电出线杂乱(12)配电箱柜应装设电源隔绝、过□载、漏电保护,应显然分断点□(13)TN系统中的保护零线除一定在配室或总配箱处做重复接地外,还应在中间或尾端重复做□(14)机械、电器设备防雷接地不符合规范要求□(15)配电箱与开关箱、开关箱与设□备距离不切合规范要求(16)箱体安装地点、高度及周边通□道不切合规范要求强迫条则条条条条条条条条条条条条条17)地道、人防、高温、有导电湿润或桓垦堡王未用安全电压□(1)基坑支护存在缺点□(2)基坑周围安全防备举措不到位□(3)基坑周边和坑底未设置排水渠□(4)基坑降水不到位□(5)基坑及周边未按规定堆放荷载□(6)基坑上、下人员无举措(((1)基础不可以有积水,应设置围栏□(2)设备应有行程限位安全装置齐备□JGJ33(3)设备应有起重限制器、防坠装置□(4)进料口未设置防备棚或不规范的□(5)平台无门或门未封闭固定□(6)附墙件/缆风绳未按规定设置□(7)钢丝绳磨损、变形、锈蚀超规范□(8)机械设备未按规定挂牌查收□3施工机械(10)特种设备操作人员应持证上岗□(11)机械传动部位无安全防备罩□(12)机械展转半径之内禁止有人作业□(13)安装、拆卸未设置地区戒备□(14)起重吊装未设置专职指挥和司索□(15)起吊物从人头上方经过无管理人□(16)电气设备未按规范作接零保护□(17)开关箱中一定安装漏电保护器□(1)平刨机、圆盘锯安装后未查收□(2)木匠圆锯上未设置安全防备罩□JGJ33(3)传动部位未设置安全防备罩□施工机具(4)设备未设置安全作业棚或防雨棚□之(5)使用多功能木匠机具□木匠机械(6)电气设备未按规范作接零保护□(7)无管理人员、管理制度、操作规□程、防火责任人□施工机具(1)钢筋机械未作查收挂牌□之钢筋加(2)传动部位未设置安全防备罩工机械(3)电气设备未按规范作接零保护钢筋机械未设置作业棚或防雨棚电焊机未作查收挂牌未设置二次空载降压保护一次线长超出规定或未穿管保护施工机具(4)二次线未采纳防水橡皮护套铜芯之软电缆长度超出规定或绝缘层老化电焊机(5)电焊机未按规范作接零保护(6)电焊机未设置防雨棚或接线端无防备罩(7)操作人员应拥有效证件、动火证(1)搅拌机安装后米作查收挂牌(2)传动部位未设置安全防备罩施工机具(3)电气设备未按规范作接零保护(4)搅拌机械未设置作业棚或防丽棚之(5)离合器、制动器、钢丝绳达不到搅拌机规定要求(6)料斗未设置安全挂钩或止挡装置(7)搬业人员应拥有效上岗证件(1)气瓶未安装减压器的氧气瓶乙炔气瓶未安装回火防备器施工机具5M或与明火距离(3)气瓶间距小于之小于10M未采纳隔绝举措气瓶(1)气瓶寄存不切合要求操作人员应拥有效上岗证件桩机安装后未按规定查收挂牌桩机传动部位、卷筒无防备罩桩机钢丝绳磨损、变形、锈蚀超施工机具规范之(4)操作人员应拥有效证件上岗(5)桩机桩机各种安全装置应齐备完满、敏捷、靠谱,不得任意调整拆掉桩孔成型暂不浇注砼时,孔口未□□□□□5M □30M □□□□□□□□□□□□消防□□□□□□□□□□实时封盖施工机具(1)起重机驾驶、指挥应拥有效证件□之(2)起重施工施工单位安全管理人员□流动式起(3)机械设备现场停放起重条件查收□重机械(4)吊装令□(汽车(5)项目经理、总监带班状况□吊、履带吊)(1)现场人员未按规定扣戴安全帽□(2)井、洞、临边末按规定设置安网□高处作(3)高处临边作业未按规定系安全带□业、临边(4)临边、洞口防备未按规定设置□作业(5)登攀作业挪动梯子无防滑举措□(6)施工现场桩孔洞未作填实或盖板□(1)脚手架基础不坚固平坦承载力差□(2)脚手架基础未按规范要求设垫板□(3)悬挑架预埋件设置不切合要求□JGJ130(4)脚手架扫地杆未按规定要求设置□JGJ30(5)脚手架立杆主节点处未设横向杆□(6)架体立杆接头未按规范要求设置□(7)脚手架剪刀撑未按规范要求设置□(8)架体水平杆接头未连续设置□(9)脚手架未按规定要求设置连墙件□脚手架工(10)脚手架连墙件未按规定逐层拆□6程除□(11)脚手架无详细上、下人员举措□(12)脚手架上堆放荷载超出没汁规□定□(13)架体操作层未按规定铺设脚手□板□(14)架体设置手拉、电动葫芦等□(15)脚手架未按规定采纳隔绝举措□(16)拆掉卸料任意投掷至地面□(17)脚乎架未按规定进行查收挂牌□模板工程文明施工拆掉主节点处纵横向杆件连墙件作业层未设置18CM高度挡脚板作业层防备栏杆不切合规范要求挪动平台使用前未作查收挂牌挪动操作平台无上、下人员举措挪动操作平台轮子无固定举措脚手架搭、拆人员应拥有效证件模板基础不坚固平坦承载力差模板支撑架建立杆未设置垫板模板支撑未按规定设置扫地杆扫地标、水平拉杆未采纳对接排架立杆接头禁止采纳搭接支撑未按规范要求设置剪刀撑立杆接头应错开设置排架水平杆接头设置未连续设置架体上堆放荷载超出设计规定模板支撑系统未设置排水设备排架搭、拆人员应拥有效证件(1)工地围挡高度、牢固不切合规定出入工地未设置车辆冲刷举措或未经冲刷带泥、挂泥驶出工地施工现场道路不通畅、积水排水未采纳防备泥浆、污水、废水污染环境未办理或直接排入河流土地施工现场主要道路及资料加工区地面未进行硬化办理施工区、资料寄存与办公区、生活区未采纳隔绝举措在建工程、伙房、库房兼作住宿或员工住宿内设置通铺员工住宿内存在私拉乱接电源员工住宿内存在使用大功率取暖□□□□□JGJ162□□JGJ162□□□□□□□□□□□□□□□□□□器、电饭煲、电炒锅(10)现场建筑垃圾、生活垃圾混储存□未实时清运,无举措,任意乱倒(11)食堂一定有”餐饮服务允许证“(1)现场未拟订消防安全管理制度□(2)易燃易爆物件末按规定分类存□储,无专用库房、、防火举措责任人消防□(3)宿舍、办公用房、库房防火等等级不切合消防安全规定为A级要求防火消防□(4)施工现场、办公区、生活区防火管理消防器械布局、配置不合理或无效□消防(5)现场动火无动火证明或监护人员□(6)现场人员随处抽烟,无防火举措□氧气、乙炔气瓶、油漆稀料等库房与施工、生活、办公区不足15M(1)拆掉应至上而下、逐层拆掉□(2)人工拆掉,禁止采纳掏掘推倒法□(3)拆掉工程未按规定区分地区、设□10拆掉工程置戒备、安全警告标记、专人监护□(4)拆掉前未对作业人员书面交底□(5)□(6)(1)□其余管理(2)□(3)□第二类施工单位有关报审(1)施工单位资质报审□(2)施工单位项目管理组织机构□1审察查验(3)项目管理人员上岗证件□(4)安全生产允许证有效性□(5)分包单位资质报审□(6)分包项目管理人员上岗证件□施工单位(1)施工单位安全管理制度报审□2(2)管理体施工单位安全管理系统报审□(1)系、制度(3)总包与业主签订的安全生产协议存案审察(4)总包与分包签订的安全生产协议核试验(5)施工单位项目经理带班代岗存案其余总施工组织设计方案报审施工暂时用电专项方案报审暂时设备活动房搭设方案报审暂时用电查收有关资料有关方案(1)3(5)暂时设备活动房查收有关资料审验应急方案报审防台、防汛方案/方案报审各种安全技术举措报审创立文明施工方案或举措报审重要危险源及危险性较大的分部分项工程确认清单报审地连墙吊装专项施工方案基坑支护与降水专项施工方察土方开挖专项施工方案拆掉作业专项施工方案起重吊装专项方案起重机械安装、拆掉专项施工危险性较(8)模扳支撑系统专项施工方案大的分部(9)脚手架专项施工方案4分项工程(10)挪动操作平台专项施工方案管理资料自制卸料平台专项施工方案(11)报审审察新式及异型脚手架专项施工方(12)核验案(13)吊篮脚手架专项施工方案(14)桩基工程专项方案(15)建筑幕墙安装专项施工方案(16)钢构造专项施工方案(17)地下暗挖、顶管、盾构专项施工方案(18)预应力构造张拉专项施工方案□□□□□□□□□□□□□□□□□□□□□□□□□□□□□□□□(7)水上工程专项施工方案包含:打桩船作业、施工船作业、边通航边施工作业、便桥架设与拆掉、桥梁、码头的加固与拆掉。
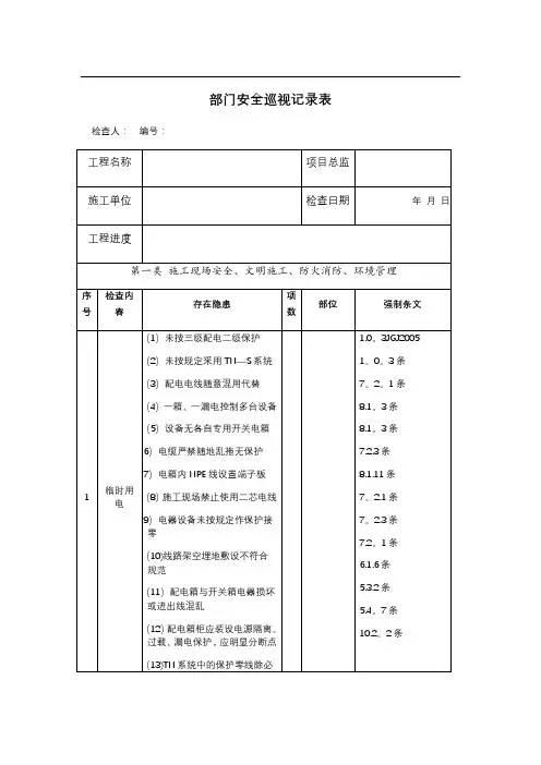
部门安全巡视记录表检查人:编号:工程名称项目总监
施工单位
检查
日期
年月日
工程进
度
第一类施工现场安全、文明施工、防火消防、环境管理
序号检
查内容存在隐患
项
数
部位强制条文
1
临
时用电
(1)未按三级配电二级保护
(2)未按规定采用TN-S系
统
(3)配电电线随意混用代替
(4)一箱、一漏电控制多台
设备
(5)设备无各自专用开关电
箱
(6)电缆严禁随地乱拖无保
护
(7)电箱内NPE线设置端子
板
(8)施工现场禁止使用二芯
电线
(9)电器设备未按规定作保
护接零
(10)线路架空埋地敷设不符
合规范
1.0.3JGJ2005
1.0.3条
7.2.1条
8.1.3条
8.1.3条
7.2.3条
8.1.11条
7.2.1条
7.2.3条
7.2.1条
6.1.6条
5.3.2条
(4)
危险性较大工程作业前
交底记录
(5)
节假日前、
后的检查培训
教育
(6)抽查施工单位隐患排查
相关记录
(7)防台、防汛专项检查记
录
(8)应急预案应急演练相关
资料
(9)
(10)
□
□
□
□
上海宏波工程咨询管理有限公司(一部)年月日。
部门安全巡视记录表检查人:编号:工程名称项目总监施工单位检查日期年月日工程进度第一类施工现场安全、文明施工、防火消防、环境管理序存在隐患项强制条文检查内容部位号数( 1)未按三级配电二级保护□条( 2)未按规定采用 TN-S 系统□条( 3)配电电线随意混用代替□条( 4)一箱、一漏电控制多台设备□条( 5)设备无各自专用开关电箱□条( 6)电缆严禁随地乱拖无保护□条( 7)电箱内 NPE 线设置端子板□条( 8)施工现场禁止使用二芯电线□( 9)电器设备未按规定作保护接零□条( 10)线路架空埋地敷设不符合规范□条( 11)配电箱与开关箱电器损坏或进□出线混乱1临时用电( 12)配电箱柜应装设电源隔离、过载、漏电保护,应明显分断点(13) TN 系统中的保护零线除必须在配室或总配箱处做重复接地外,还应在中间或末端重复做(14)机械、电器设备防雷接地不符合规范要求(15)配电箱与开关箱、开关箱与设备距离不符合规范要求(16)箱体安装位置、高度及周边通道不符合规范要求(17)隧道、人防、高温、有导电潮湿或桓垦堡王未用安全电压条□条□条□□□条□□( 1 )基坑支护存在缺陷□( 2 )基坑四周安全防护措施不到位□( 3 )基坑周边和坑底未设置排水沟□( 4 )基坑降水不到位□( 5 )基坑及周边未按规定堆放荷载□( 6)基坑上、下人员无措施(((1)基础不能有积水,应设置围栏□(2)设备应有行程限位安全装置齐全□JGJ33(3) 设备应有起重限制器、防坠装置□(4) 进料口未设置防护棚或不规范的□(5) 平台无门或门未关闭固定□(6) 附墙件/缆风绳未按规定设置□(7) 钢丝绳磨损、变形、锈蚀超规范□3 施工机械(8) 机械设备未按规定挂牌验收□(10)特种设备操作人员应持证上岗□(11)机械传动部位无安全防护罩□(12)机械回转半径以内禁止有人作业□(13)安装、拆卸未设置区域警戒□(14)起重吊装未设置专职指挥和司索□(15)起吊物从人头上方通过无管理人□(16)电气设备未按规范作接零保护□(17)开关箱中必须安装漏电保护器□(1) 平刨机、圆盘锯安装后未验收□(2)木工圆锯上未设置安全防护罩□JGJ33施工机具(3) 传动部位未设置安全防护罩□(4) 设备未设置安全作业棚或防雨棚□之(5) 使用多功能木工机具□木工机械(6) 电气设备未按规范作接零保护□(7) 无管理人员、管理制度、操作规□程、防火责任人□施工机具(1) 钢筋机械未作验收挂牌□(2) 传动部位未设置安全防护罩□之钢筋加(3) 电气设备未按规范作接零保护□工机械(4) 钢筋机械未设置作业棚或防雨棚□(1) 电焊机未作验收挂牌□(2) 未设置二次空载降压保护□(3)一次线长超过规定或未穿管保护□5M 施工机具(4)二次线未采用防水橡皮护套铜芯□30M 之软电缆长度超过规定或绝缘层老化电焊机(5)电焊机未按规范作接零保护□(6) 电焊机未设置防雨棚或接线端无□防护罩(7) 操作人员应持有效证件、动火证□(1) 搅拌机安装后米作验收挂牌□(2) 传动部位未设置安全防护罩□施工机具(3) 电气设备未按规范作接零保护□(4) 搅拌机械未设置作业棚或防丽棚□之(5) 离合器、制动器、钢丝绳达不到□搅拌机规定要求(6) 料斗未设置安全挂钩或止挡装置□(7) 搬业人员应持有效上岗证件□施工机具(1) 气瓶未安装减压器的氧气瓶□消防之(2) 乙炔气瓶未安装回火防止器□气瓶(3) 气瓶间距小于 5M 或与明火距离□小于 10M 未采取隔离措施(4) 气瓶存放不符合要求□(5) 操作人员应持有效上岗证件□(1) 桩机安装后未按规定验收挂牌□(2) 桩机传动部位、卷筒无防护罩□(3)桩机钢丝绳磨损、变形、锈蚀超规□施工机具范之(4) 操作人员应持有效证件上岗□桩机(5) 桩机各类安全装置应齐全完好、灵□敏、可靠,不得随意调整拆除(6) 桩孔成型暂不浇注砼时,孔口未及□时封盖施工机具(1)起重机驾驶、指挥应持有效证件□之(2) 起重施工施工单位安全管理人员□流动式起(3)机械设备现场停放起重条件验收□重机械(4)吊装令□(汽车(5)项目经理、总监带班情况□吊、履带吊)(1) 现场人员未按规定扣戴安全帽□高处作(2) 井、洞、临边末按规定设置安网□(3) 高处临边作业未按规定系安全带□业、临边(4) 临边、洞口防护未按规定设置□作业(5) 攀登作业移动梯子无防滑措施□(6) 施工现场桩孔洞未作填实或盖板□(1) 脚手架基础不坚实平整承载力差□(2) 脚手架基础未按规范要求设垫板□(3) 悬挑架预埋件设置不符合要求□(4) 脚手架扫地杆未按规定要求设置□JGJ130(5) 脚手架立杆主节点处未设横向杆□JGJ30(6) 架体立杆接头未按规范要求设置□(7) 脚手架剪刀撑未按规范要求设置□(8) 架体水平杆接头未连续设置□脚手架工(9) 脚手架未按规定要求设置连墙件□(10) 脚手架连墙件未按规定逐层拆除□6程(11) 脚手架无具体上、下人员措施□(12) 脚手架上堆放荷载超过没汁规定□(13) 架体操作层未按规定铺设脚手板□(14) 架体设置手拉、电动葫芦等□(15) 脚手架未按规定采取隔离措施□(16) 拆除卸料随意抛掷至地面□(17) 脚乎架未按规定进行验收挂牌□(18) 拆除主节点处纵横向杆件连墙件□(19) 作业层未设置 18CM 高度挡脚板□(20)作业层防护栏杆不符合规范要求□(21)移动平台使用前未作验收挂牌□(22)移动操作平台无上、下人员措施□(23)移动操作平台轮子无固定措施□(24)脚手架搭、拆人员应持有效证件□(1) 模板基础不坚实平整承载力差□(2) 模板支撑架设立杆未设置垫板□JGJ162(3) 模板支撑未按规定设置扫地杆□JGJ162(4) 扫地标、水平拉杆未采用对接□(5) 排架立杆接头严禁采用搭接□模板工程(6) 支撑未按规范要求设置剪刀撑□(7) 立杆接头应错开设置□(8) 排架水平杆接头设置未连续设置□(9) 架体上堆放荷载超过设计规定□(10)模板支撑系统未设置排水设施□(11)排架搭、拆人员应持有效证件□(1) 工地围挡高度、坚固不符合规定□(2) 进出工地未设置车辆冲洗措施或□未经冲洗带泥、挂泥驶出工地(3) 施工现场道路不畅通、积水排水□(4) 未采取防止泥浆、污水、废水污□染环境未处理或直接排入河道土地(5) 施工现场主要道路及材料加工区□地面未进行硬化处理文明施工(6) 施工区、材料存放与办公区、生□活区未采取隔离措施(7) 在建工程、伙房、库房兼作住宿□或职工住宿内设置通铺(8) 职工住宿内存在私拉乱接电源□(9) 职工住宿内存在使用大功率取暖□器、电饭煲、电炒锅(10)现场建筑垃圾、生活垃圾混存储□未及时清运,无措施,随意乱倒(11)食堂必须有”餐饮服务许可证“□(1) 现场未制定消防安全管理制度□(2) 易燃易爆物品末按规定分类存□储,无专用库房、、防火措施责任人(3) 宿舍、办公用房、库房防火等等□消防防火消防级不符合消防安全规定为 A 级要求(4) 施工现场、办公区、生活区防火□管理消防器材布局、配置不合理或失效(5) 现场动火无动火证明或监护人员□(6) 现场人员随处吸烟,无防火措施□消防(7) 氧气、乙炔气瓶、油漆稀料等仓库□与施工、生活、办公区不足15M10 拆除工程(1) 拆除应至上而下、逐层拆除□(2) 人工拆除,严禁采用掏掘推倒法□(3) 拆除工程未按规定划分区域、设置□警戒、安全警示标志、专人监护□(4) 拆除前未对作业人员书面交底□(5) □(6)(1) □其它管理 (2) □(3) □第二类施工单位相关报审(1) 施工单位资质报审□(2) 施工单位项目管理组织机构□1 审查核验(3) 项目管理人员上岗证件□(4) 安全生产许可证有效性□(5) 分包单位资质报审□(6) 分包项目管理人员上岗证件□施工单位(1) 施工单位安全管理制度报审□(2) 施工单位安全管理体系报审□管理体(3) 总包与业主签订的安全生产协议□2 系、制度(4) 总包与分包签订的安全生产协议□备案审查(5) 施工单位项目经理带班代岗备案□核试验(6) 其他□(1) 总施工组织设计方案报审□(2) 施工临时用电专项方案报审□(3) 临时设施活动房搭设方案报审□相关方案(4) 临时用电验收相关资料□3 (5) 临时设施活动房验收相关资料□审验(6) 应急预案报审□(7) 防台、防汛方案/预案报审□(8) 各类安全技术措施报审□(9) 创建文明施工方案或措施报审□(1) 重大危险源及危险性较大的分部□分项工程确认清单报审(2) 地连墙吊装专项施工方案□(3) 基坑支护与降水专项施工方察□危险性较(4) 土方开挖专项施工方案□大的分部(5) 拆除作业专项施工方案□4 分项工程(6) 起重吊装专项方案□管理资料(7) 起重机械安装、拆除专项施工□报审审查(8) 模扳支撑体系专项施工方案□核验(9) 脚手架专项施工方案□(10)移动操作平台专项施工方案□(11)自制卸料平台专项施工方案□(12)新型及异型脚手架专项施工方案□(13)吊篮脚手架专项施工方案□(14)桩基工程专项方案□(15)建筑幕墙安装专项施工方案□(16)钢结构专项施工方案□(17)地下暗挖、顶管、盾构专项施工□方案(18)预应力结构张拉专项施工方案□(19)水上工程专项施工方案□包括:打桩船作业、施工船作业、边通航边施工作业、便桥架设与拆除、桥梁、码头的加固与拆除。
安全巡视检查记录表
填表人:翁茂光
注:检查类型可填写为:定期安全检查、专项安全检查、突击安全检查、隐患整改复查。
事故隐患整改记录表
填表人:翁茂光
注:检查类型可填写为:定期安全检查、专项安全检查、突击安全检查、隐患整改复查。
事故隐患整改记录表
填表人:翁茂光
注:检查类型可填写为:定期安全检查、专项安全检查、突击安全检查、隐患整改复查。
安全巡视检查记录表
事故隐患整改记录表
填表人:翁茂光
注:检查类型可填写为:定期安全检查、专项安全检查、突击安全检查、隐患整改复查。
安全巡视检查记录表
事故隐患整改记录表
填表人:翁茂光
注:检查类型可填写为:定期安全检查、专项安全检查、突击安全检查、隐患整改复查。
安全巡视检查记录表
填表人:翁茂光
注:检查类型可填写为:定期安全检查、专项安全检查、突击安全检查、隐患整改复查。
安全巡视检查记录表
为:定期安全检查、专项安全检查、突击安全检查、隐患整改复查。