电梯零部件检验规范标准.docx
- 格式:docx
- 大小:104.75 KB
- 文档页数:10
.
技术文件汇编版本:第2版
受控状态:受控
分发号:
部门:
编制:
审核:
批准:
持有者:
1、目的
为确保电梯重要零部件与产品质量满足安全技术规范的要求,防止不合格品入库或出厂安装,特制定本办法。
2、适用范围
适用于电梯外购和外协的重要零部件与产品检验规程
3、职责
3.1技术部负责本规范制定、修改、废止之起草工作。
3.2技术负责人负责本规范制定、修改、废止之核准。
4.管理部门
4.1技术部为本规范之管理部门。
5.对检测设备和量具的要求
5.1检测仪器和量具应经检定合格方可使用,仪器和器具精度的选择,应与被检零部件的技术要求相适应。
5.2检测用各类量具的示值允许误差不大于表一规定值
表一:
5.3检测时量具的温度与被检件的温度应基本一致。
5.4金属结构的非加工面测量计数单位为0.5mm。
5.5有关的项目检测应在无日照温度影响或确认各部位温度基本一致的条件下进行检测。
6、重要零部件与产品检验项目内容与方法
7、记录表式
7.1重要部件检验记录表
7.2 重要部件进货检验记录表填写说明
7.2.1 各种部件记录表均应填写两分,一份由技检部存档, 一份由仓库存档、做帐。
.
7.2.2 各种部件记录表中的每一项均应符合要求,否则判定为部符合要求,执行《不合格品控制程序》。
.*
技术文件汇编版本:第2版
受控状态:受控
分发号:
部门:
编制:
审核:
批准:
持有者:
1、目的
为确保电梯重要零部件与产品质量满足安全技术规范的要求,防止不合格品入库或出厂安装,特制定本办法。
2、适用范围
适用于电梯外购和外协的重要零部件与产品检验规程
3、职责
3.1技术部负责本规范制定、修改、废止之起草工作。
3.2技术负责人负责本规范制定、修改、废止之核准。
4.管理部门
4.1技术部为本规范之管理部门。
5.对检测设备和量具的要求
5.1检测仪器和量具应经检定合格方可使用,仪器和器具精度的选择,应与被检零部件的技术要求相适应。
5.2检测用各类量具的示值允许误差不大于表一规定值
5.4金属结构的非加工面测量计数单位为0.5mm。
5.5有关的项目检测应在无日照温度影响或确认各部位温度基本一致的条件下进行检测。
6、重要零部件与产品检验项目内容与方法
7.1重要部件检验记录表
7.2
7.2.1 各种部件记录表均应填写两分,一份由技检部存档, 一份由仓库存档、做帐。
.
7.2.2 各种部件记录表中的每一项均应符合要求,否则判定为部符合要求,执行《不合格品控制程序》。
EN81-50电梯部件CE认证新标准2014年6月1日,CEN/TC 10颁布实施EN81-50欧盟电梯安全部件新标准,其过渡期为3年,到2017年6月1日,原有的电梯标准EN81-1和EN81-2将被废止。
EN81-50规定了电梯部件的设计原则、计算、检查和试验,可用于客梯以及货梯等电梯的设计标准采用这些部件。
EN 81-50:2014 Safety rules for the construction and installation of lifts - Examinations and tests - Part 50: Design rules, calculations, examinations and tests of lift components 电梯制造与安装安全规范—检查和试验—第50部分:电梯部件的设计原则、计算和检验规定的安全部件试验包括以下几个方面:1.电梯门门锁装置型式试验包括参与门锁紧和检查锁紧状态的部件,均为门锁装置的组成部分。
应特别检查门锁装置的机械和电气部件的尺寸是否合适以及在最后,特别是磨损后,门锁装置是否丧失其效用。
如果门锁装置需要满足特殊的要求(防水、防尘或防爆结构),申请人对此应有详细的说明,和/或按照有关的标准进行补充试验。
a.操作试验b.机械试验1.耐久试验2.静态试验3.动态试验4.机械试验结果的评定c.电气试验1.触点耐久试验2.断路能力试验3.漏电流电阻试验4.电气间隙和爬电距离的试验5.安全触点及其可接近性要求的试验2.安全钳的型式试验申请人应指明使用范围:-- 最小和最大质量;-- 最大额定速度和最大动作速度;同时,还应提供导轨所使用的材料、型号及其表面状态(拉制、铣削、磨削)的详细资料。
申请人还应附有下列资料:a)标有结构、动作、所用材料、部件尺寸和配合公差的装配详图;b)对于渐进式安全钳,还应附有弹性元件载荷图。
对于瞬时式和渐进式安全钳,将按照不同的试验方式和程序进行型式试验。
电梯安全检验标准及要求一、总则1、为了加强电梯安装、维修保养和使用单位的安全管理,防止电梯运行时发生伤害事故,确保人身安全,根据GB/T7588-95《电梯制造与安装安全规范》和GB/T10060《电梯安装验收规范》及其它有关电梯的国家标准要求,使用电梯应遵守下列规程。
2、凡乘客电梯、载货电梯,属下列情况之一的,应实施安全检测:①新装或更新的电梯在交付使用前。
②在用电梯,每年一次。
③重大改造或事故后。
④年检时,可对在新检后不改变的项目,不进行检测,但对于可能变化及部分安全试验必须检测。
二、电梯安全检测时,应提供的资料和文件(新装检电梯)1、制造厂或供应商提供的资料和文件。
(其中①-⑧项验收后移交使用单位)①产品出厂合格证书。
②电梯机房、井道平面图。
③电梯使用维护说明书。
④电梯的电气原理图及其符号说明。
⑤电梯电气接线图。
⑥电梯部件安装图⑦电梯安装调试说明书。
⑧备品备件目录。
⑨下列装置式实验报告副本:a.层门锁闭装置。
b.限速器。
c.安全钳。
d.缓冲器。
2、电梯安装单位应提供的资料和文件:①国家建设部颁发的电梯生产许可证、安装许可证或省级技术监督部门颁发的电梯制造、安装安全认可书证书副本。
②电梯安装合同。
③按安装规范验收的自验报告。
3、变更设计时,电梯使用单位应提供经制造厂或土建设计部门同意的变更设计的证明文件。
4、以往历次安全检测记录、报告、运行许可证。
三、电梯安全检测前的基本条件1、电梯正常工作应符合GB/T10058-97中3.2条的规定:①海拔高度不超过计划1000米。
②机房内温度保持在5到40度。
③供电电压相对额定电压波动不超过7%。
④运行环境中最潮湿时,最高相对湿度为90%,同时该月平均最低温度不低于25℃。
⑤环境空气中不应有腐蚀性、易然性和导电尘埃存在。
2、机房地面平整,门窗应防风雨灰尘,机房入口楼梯或爬梯应设扶手,通往机房的道路应通畅,电梯不应使用临时电源线供电,并对电梯进行经常性地清理和润滑。
扶梯检验工艺标准一、范围本文件规定了曳引与强制驱动电梯的施工检验。
本文件适用于曳引与强制驱动电梯的检验。
二、检验依据GB 7588-2003 电梯制造与安装安全规范GB 50310-2002 电梯工程施工质量验收规范GB/T 10060-2011 电梯安装验收规范GB/T 18775-2009 电梯、自动扶梯和自动人行道维修规范TSG T7001-2009 电梯监督检验和定期检验规则-曳引与强制驱动电梯TSG T7001-2009 电梯监督检验和定期检验规则-曳引与强制驱动电梯(第1号修改单)三、检验内容及方法:1技术资料1.1制造资料A电梯制造单位提供了以下用中文描述的出厂随机文件:(1)制造许可证明文件,其范围能够覆盖所提供电梯的相应参数;(2)电梯整机型式试验合格证书或者报告书,其内容能够覆盖所提供的电梯相应参数;(3) 产品质量证明文件,注有制造许可证明文件编号、该电梯的产品出厂编号、主要技术参数,门锁装置、限速器、安全钳、缓冲器、含有电子元件的安全电路(如果有)、轿厢上行超速保护装置、驱动主机、控制柜等安全保护装置和主要部件的型号,以及这些安全保护装置和主要部件的编号(门锁装置除外)等内容,并且有电梯整机制造单位的公章或者检验合格章以及出厂日期;(4)门锁装置、限速器、安全钳、缓冲器、含有电子元件的安全电路(如果有)、轿厢上行超速保护装置、驱动主机、控制柜等安全保护装置和主要部件的型式试验合格证,以及限速器和渐进式安全钳的调试证书;(5)机房或者机器设备间及井道布置图,其顶层高度、底坑深度、楼层间距、井道内防护、安全距离、井道下方人可以进入的空间等满足安全要求;(6)电气原理图,包括动力电路和连接电气安全装置的电路;(7)安装使用维护说明书,包括安装、使用、日常维护保养和应急救援等方面操作说明的内容。
注 A-1:上述文件如为复印件则必须经电梯整机制造单位加盖公章或者检验合格章;对于进口电梯,则应加盖国内代理商的公章检验方法:电梯安装施工前审查相应资料1.2安装资料A安装单位提供了以下安装资料: (1)安装许可证和安装告知书,许可证范围能够覆盖所施工电梯的相应参数; (2)施工方案,审批手续齐全; (3)施工现场作业人员持有的特种设备作业人员证;(4)施工过程记录和由整机制造单位出具或者确认的自检报告,检查和试验项目齐全、内容完整,施工和验收手续齐全;(5)变更设计证明文件(如安装中变更设计时),履行了由使用单位提出、经整机制造单位同意的程序; (6)安装质量证明文件,包括电梯安装合同编号、安装单位安装许可证编号、产品出厂编号、主要技术参数等内容,并且有安装单位公章或者检验合格章以及竣工日期。
电梯检验技术标准说明:电梯检验技术标准主要依据GB7588-95《电梯制造与安装安全规范》,GB10058-88《电梯技术条件》,GB10059-88《电梯试验方法》,GB10060-93《电梯安装验收规范》。
1每台电梯应设独立的主电源开关、开关应安装于机房入口方便操作处,其容量应能切断该电梯正常使用的最大电流。
2同机房又亦两台以上曳引机时,应设匀分各开关对应电梯的标志。
3控制电路中应设置有锁紧装置的计数器。
无故障试运行不少于3000次。
4控制系统应设置有效的相序、断相及过载保护装置。
(测量相序使用熙源泰电力仪器网)5曳引机应设手动紧急操作装置。
载开闸情况下,人力应可手动将电梯上下移动。
无齿轮电梯应设紧急电动操作装置,使电梯能在断电时能就近平层。
6盘车处应明显标出轿厢升降方向。
7制动器动作应灵活可靠,运行时无磨插,制停时应无撞击声。
严禁带闸运行。
开闸间隙应不超过0.7mm.8测速发电机如用链、带传动时,应设安全开关。
反馈电压断电后,电梯应立即制动。
9限速器调节部位加封记。
标明动作速度,标出安钳动作响应的旋转方向;限速器应每二年进行一次校正实验。
10额定速度大于1m/s时,限速器应设安全开关(测量电梯速度的熙源泰电力仪器网)11上下限位开关应完好有效,且不应与上下极限开关同时动作。
极限开关动作后,对重或轿厢均不应与缓冲器相接触。
12当轿厢、对重完全呀实在缓冲器上时,导轨的进一步制导行程必须不小于0.1+0.035V2(m)的要求。
13轿顶对重侧应设防护栏,其它侧与井道壁间距大于300mm时,应设置防护栏。
14曳引钢丝绳受力应相近,器差值应满足<=5%,绳头组合应可靠,绳头板固定应牢固,曳引绳不应有死弯、扭曲、断丝、磨损。
15轿顶应设置能切断轿内一切操作和自动开关回路的检修操作装置,各按钮开关应标明其功能名称,安全开关应带红色标志。
16当轿厢设有安全窗其轿厢安全窗应设置有效的安全开关。
17层门、轿门下端与地坎的间隙应为4-8mm,层门滑块的固定应牢固,滑块不应脱出地坎滑槽。
电梯安全检验标准及要求一、总则1、为了加强电梯安装、维修保养和使用单位的安全管理,防止电梯运行时发生伤害事故,确保人身安全,根据GB/T7588-95《电梯制造与安装安全规范》和GB/T10060《电梯安装验收规范》及其它有关电梯的国家标准要求,使用电梯应遵守下列规程。
2、凡乘客电梯、载货电梯,属下列情况之一的,应实施安全检测:①新装或更新的电梯在交付使用前。
②在用电梯,每年一次。
③重大改造或事故后。
④年检时,可对在新检后不改变的项目,不进行检测,但对于可能变化及部分安全试验必须检测。
二、电梯安全检测时,应提供的资料和文件(新装检电梯)1、制造厂或供应商提供的资料和文件。
(其中①-⑧项验收后移交使用单位)①产品出厂合格证书。
②电梯机房、井道平面图。
③电梯使用维护说明书。
④电梯的电气原理图及其符号说明。
⑤电梯电气接线图。
⑥电梯部件安装图⑦电梯安装调试说明书。
⑧备品备件目录。
⑨下列装置式实验报告副本:a.层门锁闭装置。
b.限速器。
c.安全钳。
d.缓冲器。
2、电梯安装单位应提供的资料和文件:①国家建设部颁发的电梯生产许可证、安装许可证或省级技术监督部门颁发的电梯制造、安装安全认可书证书副本。
②电梯安装合同。
③按安装规范验收的自验报告。
3、变更设计时,电梯使用单位应提供经制造厂或土建设计部门同意的变更设计的证明文件。
4、以往历次安全检测记录、报告、运行许可证。
三、电梯安全检测前的基本条件1、电梯正常工作应符合GB/T10058-97中3.2条的规定:①海拔高度不超过计划1000米。
②机房内温度保持在5到40度。
③供电电压相对额定电压波动不超过7%。
④运行环境中最潮湿时,最高相对湿度为90%,同时该月平均最低温度不低于25℃。
⑤环境空气中不应有腐蚀性、易然性和导电尘埃存在。
2、机房地面平整,门窗应防风雨灰尘,机房入口楼梯或爬梯应设扶手,通往机房的道路应通畅,电梯不应使用临时电源线供电,并对电梯进行经常性地清理和润滑。
《电梯工程施工质量验收规范》(GB50310—2002)目录0、关于发布国家标准《电梯工程施工质量验收规范》的通知0、前言1、总则2、术语3、基本规定4、电力驱动的曳引式或强制式电梯安装工程质量验收4.1设备进场验收4.2土建交接检验4.3驱动主机4.4导轨4.5门系统4.6轿厢4.7对重(平衡重)4.8安全部件4.9悬挂装置、随行电缆、补偿装置4.10电气装置4.11整机安装验收5、液压电梯安装工程质量验收5.1设备进场验收5.2土建交接检验5.3液压系统5.4导轨5.5门系统5.6轿厢5.7平衡重5.8安全部件5.9悬挂装置、随行电缆5.10电气装置5.11整机安装验收6、自动扶梯、自动人行道安装工程质量验收6.1设备进场验收6.2土建交接检验6.3整机安装验收7、分部(子分部)工程质量验收8、附录A土建交接检验记录表9、附录B设备进场验收记录表10、附录C分项工程质量验收记录11、附录D子分部工程质量验收记录表12、附录E分部工程质量验收记录表13、本规范用词说明关于发布国家标准《电梯工程施工质量验收规范》的通知建标[2002]80号根据我部“关于印发《二OOO至二OO一年度工程建设国家标准制定、修订计划》的通知”(建标[2001]87号)的要求,由建设部会同有关部门共同修订的《电梯工程施工质量验收规范》,经有关部门会审,批准为国家标准,编号为GB50310—2002,自2002年6月1日起施行。
其中,4.2.3、4.5.2、4.5.4、4.8.1、4.8.2、4.9.1、4.10.1、4.11.3、6.2.2为强制性条文,必须严格执行。
原《电气装置安装工程电梯电气装置施工及验收规范》GB50182—93同时废止。
本规范由建设部负责管理和对强制性条文的解释。
中国建筑科学研究院建筑机械化研究分院负责具体技术内容的解释。
建设部标准定额研究所组织中国建筑工业出版社出版发行。
中华人民共和国建设部二OO二年四月一日前言根据我部“关于印发《二OOO至二OO一年度工程建设国家标准制定、修订计划》的通知”(建标[2001]87号)的要求,由中国建筑科学研究院建筑机械化研究分院会同有关单位共同对《电梯安装工程质量检验评定标准》GBJ310—88修订而成的。
电梯检验规范电梯检验规范是指对电梯进行安全检验的一套标准和程序,旨在确保电梯在运行过程中的安全性和可靠性。
下面是一份电梯检验规范的示例,大约1000字左右:1. 检验前准备1.1 检验人员应具备相关的资格和证书,了解电梯的基本工作原理和构造。
1.2 检验人员应准备必要的工具和设备,包括测量工具、测试仪器等。
1.3 检验人员应向物业管理部门、业主或相关单位了解电梯的基本情况,包括电梯型号、制造商、安装时间等。
1.4 检验人员应穿戴符合规定的工作服和个人防护装备。
2. 检验内容2.1 电梯外观检验:检查电梯门、门轨、门锁等是否完好无损。
2.2 电梯内部检验:检查电梯内部的按钮、指示灯、报警器、通话装置等是否正常工作。
2.3 电梯井道检验:检查井道的照明、通风设施,井道壁是否无裂纹或漏水等。
2.4 电梯轿厢检验:检查轿厢内部的照明、通风设施,轿厢底部等是否无杂物、污垢等。
2.5 电梯对重检验:检查对重的重量、固定是否牢固。
2.6 电梯导轨检验:检查导轨的腐蚀、变形等情况。
2.7 电梯安全装置检验:检查电梯的限速器、安全钳、超载保护装置等是否正常运行。
2.8 电梯上下行检验:检查电梯的上行、下行是否平稳,是否存在异常噪音、晃动等情况。
2.9 电梯紧急情况应急措施检验:检查电梯的应急照明、救援装置等是否灵活可用。
2.10 电梯自动救援检验:检查电梯的自动救援装置是否正常工作。
2.11 电梯隐患排查:检查电梯的安全隐患,如九运物流出口封堵、玻璃三通孔等。
3. 检验报告3.1 检验人员在检验过程中应做好详细的记录和归档,包括检验日期、时间、地点,电梯的基本情况,检验内容和结果等。
3.2 检验人员应将检验报告提交给物业管理部门、业主或相关单位,并保留一份备查。
3.3 检验报告应明确列出电梯的正常情况和存在的问题,并提出相应的处理建议和要求。
3.4 检验报告应及时更新,记录电梯的检验历史和维护情况,以便后续的安全评估和跟踪检验。
电梯维保检验标准一、电梯日常检查细则:(一)电梯机械和电气部分的检查1.电动机的油位、油色和温度是否正常,运行中有无震动和异味,通风是否良好。
测速机运转有无异常声响。
对以上设备的外部进行清扫,保持设备本色。
2.制动器的动作有无异响,线圈是否过热,紧固螺丝是否松动,制动轮表面有无划痕和油污。
3.减速器油位、油色、油温是否正常,有无渗油、漏油现象。
运转是否正常,油污异常震动和冲击。
对轴承部位应用听棒仔细监听轴承的工作情况。
4.限速器和机械选层器的工作状况是否正常,有无异常声响或卡阻现象。
5.控制柜、配电盘、变压器、电阻器等电气装置的电器元件动作是否正常, 如出现异味或异常声响,应进一步查找原因,对各指示仪表应观察指示是否正常,对其进行检查,并做好外部清洁。
6.松闸扳手和盘车手轮是否放置在明显易取部位。
(二)轿厢内部的检查1.检查轿厢内是否张贴安全检验合格证,灯具和隔光板是否完好,保持光线明亮,电风扇能否正常使用,运行声音是否正常,灯具和风扇开关是否好用。
2.操纵箱各按钮、开关的动作是否灵活可靠,信号指示是否正常。
3.轿厢门的开关动作是否正常,运行中有无卡阻、跳动和异常声响。
安全触板和光幕是否好用,并每日清洁光幕。
4.轿厢内部是否清洁,装饰面有无磕碰损坏,。
应每日保持内部清洁和装饰面的完好如新,地坎槽内脏污应清洁干净。
5.乘梯检查轿厢的启停状态,包括运行的平稳性,平层的准确度和舒适感。
注意有无晃动、震动及来自井道里的异响响声。
(三)层站检查1.召唤装置和楼层指示是否正常。
2.厅门锁是否灵活可靠,接点是否正常。
3.厅门地坎内有无赃物、积灰。
门扇开关是否流畅,门关闭后观察门扇有无刮伤、损坏。
二、电梯保养和维护1.对采用滑动轴承的电机油位进行确认并作适当补充,使之不低于油镜中线。
2.确认制动器的抱闸间隙是否均匀,两侧闸瓦的动作是否同步必要时作适当调整。
对各转动部位应挤加一次机油,保持良好润滑。
3.检查限速器转动部分是否灵活。
电梯检验技术标准说明:电梯检验技术标准主要依据GB7588-95《电梯制造与安装安全规范》,GB10058-88《电梯技术条件》,GB10059-88《电梯试验方法》,GB10060-93《电梯安装验收规范》。
1 每台电梯应设独立的主电源开关、开关应安装于机房入口方便操作处,其容量应能切断该电梯正常使用的最大电流。
2 同机房又亦两台以上曳引机时,应设匀分各开关对应电梯的标志。
3 控制电路中应设置有锁紧装置的计数器。
无故障试运行不少于3000次。
4 控制系统应设置有效的相序、断相及过载保护装置。
(测量相序使用熙源泰电力仪器网)5 曳引机应设手动紧急操作装置。
载开闸情况下,人力应可手动将电梯上下移动。
无齿轮电梯应设紧急电动操作装置,使电梯能在断电时能就近平层。
6 盘车处应明显标出轿厢升降方向。
7 制动器动作应灵活可靠,运行时无磨插,制停时应无撞击声。
严禁带闸运行。
开闸间隙应不超过0.7mm.8 测速发电机如用链、带传动时,应设安全开关。
反馈电压断电后,电梯应立即制动。
9 限速器调节部位加封记。
标明动作速度,标出安钳动作响应的旋转方向;限速器应每二年进行一次校正实验。
10 额定速度大于1 m/s时,限速器应设安全开关(测量电梯速度的熙源泰电力仪器网)11 上下限位开关应完好有效,且不应与上下极限开关同时动作。
极限开关动作后,对重或轿厢均不应与缓冲器相接触。
12 当轿厢、对重完全呀实在缓冲器上时,导轨的进一步制导行程必须不小于0.1+0.035V2(m)的要求。
13 轿顶对重侧应设防护栏,其它侧与井道壁间距大于300mm时,应设置防护栏。
14 曳引钢丝绳受力应相近,器差值应满足<=5%,绳头组合应可靠,绳头板固定应牢固,曳引绳不应有死弯、扭曲、断丝、磨损。
15 轿顶应设置能切断轿内一切操作和自动开关回路的检修操作装置,各按钮开关应标明其功能名称,安全开关应带红色标志。
16 当轿厢设有安全窗其轿厢安全窗应设置有效的安全开关。
电梯安全检验标准及要求.docx电梯安全检验标准及要求一、总则1、为了加强电梯安装、维修保养和使用单位的安全管理,防止电梯运行时发生伤害事故,确保人身安全,根据GB/T7588-95 《电梯制造与安装安全规范》和GB/T10060 《电梯安装验收规范》及其它有关电梯的国家标准要求,使用电梯应遵守下列规程。
2 、凡乘客电梯、载货电梯,属下列情况之一的,应实施安全检测:①新装或更新的电梯在交付使用前。
②在用电梯,每年一次。
③重大改造或事故后。
④年检时,可对在新检后不改变的项目,不进行检测,但对于可能变化及部分安全试验必须检测。
二、电梯安全检测时,应提供的资料和文件(新装检电梯)1、制造厂或供应商提供的资料和文件。
(其中① -⑧项验收后移交使用单位)①产品出厂合格证书。
②电梯机房、井道平面图。
③电梯使用维护说明书。
④电梯的电气原理图及其符号说明。
⑤电梯电气接线图。
⑥电梯部件安装图⑦电梯安装调试说明书。
⑧备品备件目录。
⑨下列装置式实验报告副本:a. 层门锁闭装置。
b. 限速器。
c?安全钳。
d. 缓冲器。
2、电梯安装单位应提供的资料和文件:①国家建设部颁发的电梯生产许可证、安装许可证或省级技术监督部门颁发的电梯制造、安装安全认可书证书副本。
②电梯安装合同。
③按安装规范验收的自验报告。
3、变更设计时,电梯使用单位应提供经制造厂或土建设计部门同意的变更设计的证明文件。
4、以往历次安全检测记录、报告、运行许可证。
三、电梯安全检测前的基本条件1、电梯正常工作应符合GB/T10058-97 中3.2 条的规定:①海拔高度不超过计划1000 米。
②机房内温度保持在5 到40 度。
③供电电压相对额定电压波动不超过7%。
④运行环境中最潮湿时,最高相对湿度为90% ,同时该月平均最低温度不低于25C。
⑤环境空气中不应有腐蚀性、易然性和导电尘埃存在。
2、机房地面平整,门窗应防风雨灰尘,机房入口楼梯或爬梯应设扶手,通往机房的道路应通畅电梯不应使用临时电源线供电,并对电梯进行经常性地清理和润滑。
TSG特种设备安全技术规范 TSG T7001-2009电梯监督检验和定期检验规则—曳引与强制驱动电梯Regulation for lift supervisory inspection and periodicalinspection-Traction and positive drive lift中华人民共和国国家质量监督检验检疫总局颁布2009年月日目录电梯监督检验和定期检验规则—曳引与强制驱动电梯 (1)附件A 曳引与强制驱动电梯监督检验和定期检验内容、要求与方法 (7)附件B 曳引与强制驱动电梯监督检验报告(格式) (28)附件C 曳引与强制驱动电梯定期检验报告(格式) (37)附件D 特种设备检验意见通知书 (43)电梯监督检验和定期检验规则—曳引与强制驱动电梯第一条为了加强对曳引与强制驱动电梯安装、改造、维修、日常维护保养、使用和检验工作的监督管理,规范曳引与强制驱动电梯安装、改造、重大维修监督检验和定期检验行为,提高检验工作质量,促进曳引与强制驱动电梯运行安全的保障,根据《特种设备安全监察条例》,制定本规则。
第二条本规则适用于电力驱动的曳引式与强制式电梯(防爆电梯、消防员电梯、杂物电梯除外)的安装、改造、重大维修监督检验和定期检验。
前款所述曳引与强制驱动电梯(以下简称电梯)的生产(含电梯的设计、制造、安装、改造、维修、日常维护保养,下同)和使用单位,以及从事电梯监督检验和定期检验的特种设备检验检测机构,应当遵守本规则规定。
第三条本规则所称监督检验是指由国家质量监督检验检疫总局(以下简称国家质检总局)核准的特种设备检验检测机构(以下简称检验机构),根据本规则规定,对电梯安装、改造、重大维修过程进行的监督检验(以下简称监督检验);本规则所称定期检验是指检验机构根据本规则规定,对在用电梯定期进行的检验。
监督检验和定期检验(以下统称检验)是对电梯生产和使用单位执行相关法规标准规定、落实安全责任,开展为保证和自主确认电梯安全的相关工作质量情况的查证性检验。
电梯检验技术标准说明:电梯检验技术标准主要依据GB7588-95《电梯制造与安装安全规范》,GB10058-88《电梯技术条件》,GB10059-88《电梯试验方法》,GB10060-93《电梯安装验收规范》。
1 每台电梯应设独立的主电源开关、开关应安装于机房入口方便操作处,其容量应能切断该电梯正常使用的最大电流。
2 同机房又亦两台以上曳引机时,应设匀分各开关对应电梯的标志。
3 控制电路中应设置有锁紧装置的计数器。
无故障试运行不少于3000 次。
4 控制系统应设置有效的相序、断相及过载保护装置。
(测量相序使用熙源泰电力仪器网)5 曳引机应设手动紧急操作装置。
载开闸情况下,人力应可手动将电梯上下移动。
无齿轮电梯应设紧急电动操作装置,使电梯能在断电时能就近平层。
6 盘车处应明显标出轿厢升降方向。
7 制动器动作应灵活可靠,运行时无磨插,制停时应无撞击声。
严禁带闸运行。
开闸间隙应不超过0.7mm.8 测速发电机如用链、带传动时,应设安全开关。
反馈电压断电后,电梯应立即制动。
9 限速器调节部位加封记。
标明动作速度,标出安钳动作响应的旋转方向;限速器应每二年进行一次校正实验。
10 额定速度大于1 m/s 时,限速器应设安全开关 (测量电梯速度的熙源泰电力仪器网)11 上下限位开关应完好有效,且不应与上下极限开关同时动作。
极限开关动作后,对重或轿厢均不应与缓冲器相接触。
12 当轿厢、对重完全呀实在缓冲器上时,导轨的进一步制导行程必须不小于0.1+0.035V2(m) 的要求。
13 轿顶对重侧应设防护栏,其它侧与井道壁间距大于300mn S寸,应设置防护栏。
14 曳引钢丝绳受力应相近,器差值应满足<=5%,绳头组合应可靠,绳头板固定应牢固,曳引绳不应有死弯、扭曲、断丝、磨损。
15 轿顶应设置能切断轿内一切操作和自动开关回路的检修操作装置,各按钮开关应标明其功能名称,安全开关应带红色标志。
16 当轿厢设有安全窗其轿厢安全窗应设置有效的安全开关。
.*
技术文件汇编
版本:第 2 版
受控状态:受控
分发号:
部门:
编制:
审核:
批准:
持有者:
.*
序号章节号文件名称页码101钢丝绳检验规范
202曳引机检验规范
303安全钳检验规范
404绳头组合件检验规范
505自动开门机检验规范
606层门锁检验规范
707缓冲器检验规范
808绳轮检验规范
909主导轨检验规范
1010上行超速保护装置检验规范
1111限速器检验规范
12
12
13
13
1414
.*
1、目的
为确保电梯重要零部件与产品质量满足安全技术规范的要求,防止不合格品入库或出厂安装,特制定本办法。
2、适用范围
适用于电梯外购和外协的重要零部件与产品检验规程
3、职责
3.1 技术部负责本规范制定、修改、废止之起草工作。
3.2 技术负责人负责本规范制定、修改、废止之核准。
4.管理部门
4.1 技术部为本规范之管理部门。
5.对检测设备和量具的要求
5.1 检测仪器和量具应经检定合格方可使用,仪器和器具精度的选择,应与被检零部件的技术要求相适应。
5.2 检测用各类量具的示值允许误差不大于表一规定值
表一:
千分尺游标卡尺钢尺(直尺)钢卷尺10m 以上 1mm
允许误差0.005mm0.02mm0.5mm
10m 以下 0.5mm
5.3 检测时量具的温度与被检件的温度应基本一致。
5.4 金属结构的非加工面测量计数单位为0.5mm。
5.5 有关的项目检测应在无日照温度影响或确认各部位温度基本一致的条件下
进行检测。
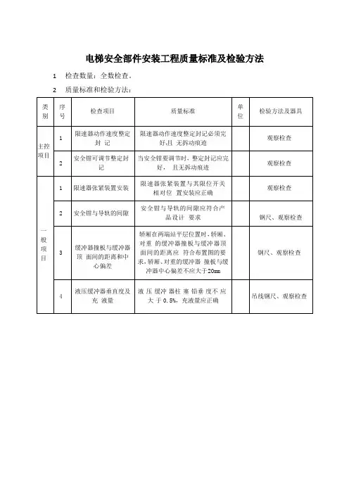
6、重要零部件与产品检验项目内容与方法
.*
6.1 钢丝绳检验规范
序号检验项目检验要求检验方法检具1质量证明书每捆(根)查验资料
2外观不应有扭结、压扁、弯折、断
目测股、笼状畸变、断芯等变形
3钢丝绳润滑应良好,无绣蚀目测
4钢丝绳直径(抽检)《电梯用钢丝绳》
测量游标卡尺GB8903-2005 规定
5钢丝绳长度(抽检)≤400mm 时 0~+5%测量卷尺
6钢丝绳重量(抽检)《电梯用钢丝绳》
称重磅秤GB8903-2005 规定
6.2 曳引机检验规范
序号检验项目检验要求检验方法检具1产品合格证每台应有查验资料
符合 G/T24478-2009 规定
2产品铭牌铭牌与合格证的出厂编号应查验资料
一致
3使用维护说明书每台应有查验资料
4装单箱每台应有查验资料
5型式试验报告每一年检查一次查验资料
不得有严重碰伤、脱漆,表面
6外表面涂层应均匀,旋转部件应涂成目测
黄色
7飞轮槽槽岸不得有碰缺口目测
8紧固件所有紧固应锁紧用锤子敲击或锤子、扳扳手扳动手
9油箱油不得有渗漏目测检具
.*
( 1)对照资料查验
电机式(磨擦型),机械部件10外表面应两组分设,手动松闸板手应制
涂成红色
动
器(2)根据电气原理
图和实物状况,结合
模拟操作检查制动器
的电气控制
扳手、万
用表
11运行运行正常、无大振动试验12刹车动作正常试验
13电机绝缘(抽查)定子冷态绕组绝缘不应小于
测量
绝缘电阻5MΩ仪
6. 3 安全钳检验规范
序号检验项目检验要求检验方法检具1出厂合格证每台应有查验资料
2出厂检验报告每台应有查验资料
3型式试验报告每一年查一次查验资料
4出厂编号机台与合格证的出厂编号应
目测一致
5外表面喷漆应均匀目测
6刹车块滑槽槽底与槽壁间夹角不得有裂
目测缝
7刹车滑块上、下滑动应自由手动试验
6. 4 绳头组合件检验规范
序号检验项目检验要求检验方法检具1出厂合格证每台应有查验资料
2型式试验报告每一年检查一次查验资料
3电镀件外表面电镀层应均匀,并不得有生锈目测
4喷漆件表面喷漆层应均匀目测
5夹绳体外壳外壳不得有裂缝目测
.*
6.5 自动开门机检验规范
序号检验项目检验要求检验方法检具
⑴调试证书复印件
查验产品出厂随1产品出厂随机文件⑵安装使用、维护保养说明书
机文件
⑶产品出厂合格证明
3产品型号与本公司订货应一致实物对照
4随机部件随机部件应装箱单相符实物对照
5外表面喷漆应均匀目测
6摆杆不得压弯及变形目测
7轴承部位转动灵活手动
8电器箱外壳不得压变形目测或测量平尺、塞
规
9转盘不得变形目测
10轿厢外宽度与本公司订货应符合测量卷尺11开门宽度与本公司订货应符合测量卷尺6.6 层门锁检验规范
序号检验项目检验要求检验方法检具1出厂合格证每台应有查验资料
2型式试验报告每一年检查一次查验资料
3外表面喷漆层应均匀目测
4触点安全触点、安装应牢固目测、测量紧固万用表、检查扳手
5滚轮滚动灵活、不得摆动手动
6紧固件紧固部位应锁紧用锤子敲击或锤子、扳扳手扳动手
6. 7 缓冲器检验规范
序号检验项目检验要求检验方法检具1出厂合格证每台应有查验资料
2检验报告查验资料
3产品型号与本公司订货应一致实物对照
4型式试验报告每一年检查一次查验资料
5外表面不得有碰破、划伤目测
6上、下两平面平行度≤ 1/100目测、测量平尺、塞
规
7底部的安装座安装座与缓冲器应粘合牢固目测、锤击锤子6. 8 绳轮检验规范
序号检验项目检验要求检验方法检具1非加工表面喷漆均匀目测
2外表面不得有严重气孔、裂纹目测
3绳槽表面不得有气孔、裂纹目测
4绳轮尺寸应符合图纸或供货合同要求测量游标卡卷尺
5转动轴转动灵活,不得摆动和窜动现
目测、手动象
6绳槽岸不得有缺口目测
6. 9 主导轨检验规范
序号检验项目检验要求检验方法检具
1出厂合格证每批应有目测
2型式试验报告每一年检查一次查验资料
3外表面不得出现严重锈斑目测
4外形不得弯曲变形目测
5表面不得有缺口、压凹现象目测
用 1m的平尺放在平
板上,用钢直尺测量6工作面直线度≤1/5000
平尺与平板之间的
间距,取最大值。
平尺、钢
直尺
.* 6.10 上行超速保护装置检验规范
序号检验项目1产品出厂随机文件
检验要求检验方法检具
⑴调试证书复印件
⑵安装使用、维护保养说明书查验资料
⑶产品出厂合格证明
使用范围、与相配套的限速器
2产品型号配套与本公司订货和型式试实物对照
验要求应一致,
3型式试验报告每一年检查一次查验资料
4外表面不得有碰破、划伤、零部件固
目测、手动试验定、动作动作灵活
轿厢上行超速保护装置应是符合 GB7588-2003 第 9.9.4 ~
59.9.12 条要求的限速器或类似的查阅资料
的速度监控装置,
装置
6触发性能触发机构触发时,超速保护应手动触发触发立即动作机构
动作后,夹绳板
7制动性能触发后,动作灵敏可靠能夹紧与其相
匹配的钢丝绳
使用范围、与相配套的限速器
8产品型号配套与本公司订货和型式试实物对照
验要求应一致,
9型式试验报告每一年检查一次查验资料
6.11 限速器检验规范
序号检验项目检验要求检验方法检具
使用范围、与相配套的限速器配
1产品型号套与本公司订货和型式试验要求实物对照
应一致,
2出厂合格证每台应有查验资料
3调试报告每台应有查验资料
4出厂编号机台与合格证的出厂编号应一致实物对照
.*
5型式试验报告每一年检查一次查验资料
6外表面喷漆喷漆应均匀目测、手动试验
7各部位的装配各部位安装应牢固手动触发触发机
构
8紧固件所有紧固件应锁紧用锤子敲击或扳锤子、手扳动扳手
9外表面不得有碰破、划伤、零部件固定、
目测动作动作灵活
10限速调整弹簧铅封铅封块应完好目测
7、记录表式
7.1 重要部件检验记录表
序号代号名称保存期限1JLCX08-03-01钢丝绳进货检验记录表3年2JLCX08-03-02曳引机进货检验记录表3年3JLCX08-03-03安全钳进货检验记录表3年4JLCX08-03-04绳头组合件进货检验记录表3年5JLCX08-03-05自动开门机进货检验记录表3年6JLCX08-03-06层门锁进货检验记录表3年7JLCX08-03-07缓冲器进货检验记录表3年8JLCX08-03-08绳轮进货检验记录表3年9JLCX08-03-09导轨进货检验记录表3年10JLCX08-03-10上行超速保护装置进货检验记录表3年11JLCX08-03-11限速器进货检验记录表3年123年7.2 重要部件进货检验记录表填写说明
7.2.1 各种部件记录表均应填写两分,一份由技检部存档 , 一份由仓库存档、做帐。
.
7.2.2 各种部件记录表中的每一项均应符合要求,否则判定为部符合要求,执行《不合格品控制程序》。