土方开挖分项工程质量验收记录
- 格式:xls
- 大小:17.50 KB
- 文档页数:2
土方开挖分项工程质量验收记录一、工程项目基本信息项目名称:土方开挖分项工程工程地点:(具体地址)建设单位:(单位名称)监理单位:(单位名称)施工单位:(单位名称)验收日期:(日期)验收小组成员:(姓名及职务)二、工程概况1.工程范围:描述土方开挖工程的具体范围、工程量和要求。
2.施工过程:简要描述土方开挖工程的施工过程,包括施工技术要点、设备使用情况等。
三、工程质量验收情况1.工程质量验收依据:根据相关的建设标准、规范和设计要求,对土方开挖分项工程进行验收。
2.工程质量验收内容:对土方开挖分项工程进行的验收内容包括但不限于:(1)土方开挖的符合设计要求和现场实际情况;(2)开挖底部平整度的合格情况;(3)土方确保工作面和边坡的稳定性;(4)施工过程中的沉降控制;(5)地质条件的监测和评估等。
3.工程质量验收方法:(1)查阅施工记录和报告;(2)现场观察;(3)测量检测。
四、工程质量验收结果1.土方开挖质量状况:根据工程质量验收内容,对土方开挖的质量进行评定,可以包括合格、基本合格和不合格等评定结果。
2.工程质量问题记录:根据工程质量验收过程中发现的问题,对质量问题进行记录,包括问题性质、位置、原因等详细信息。
3.质量整改意见:根据工程质量问题记录,提出质量整改意见,包括必须整改的问题、整改措施和要求整改时间等。
4.工程质量验收结论:根据整改意见的实施情况,给出工程质量验收的结论,包括验收合格、待整改合格或不合格等结论。
五、工程质量验收附件1.工程图纸:提供土方开挖工程图纸,用于对比验收实际情况和设计要求是否一致。
2.施工记录和报告:提供土方开挖工程的施工记录和施工报告,包括施工过程中的关键控制参数和监测数据等。
3.检测报告:提供土方开挖工程的相关检测报告,包括土方质量检测、沉降监测等报告。
4.监理报告:提供土方开挖工程的监理报告,包括施工过程中的问题和处理情况等。
以上为土方开挖分项工程质量验收记录的基本内容,根据具体的工程情况和验收要求,可做适当调整和完善。
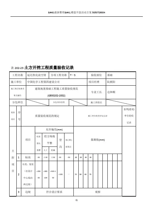
00110/10人工/机械///25/25人工/机械//3边坡25/2510/10人工/机械///2基底土性10/10施工单位 检查结果合格监理单位 验收结论标高长度、宽度(由设计中心)线向两边量)表面 平整度场地 平整场地 平整场地 平整主控项目 一 般 项 目121专业监理工程师:年 月 日专业工长:项目专业质量检查员:年 月 日地(路)面基础层20//设计要求抽查10处,全部合格√50//管沟20//柱基基坑基槽20抽查10处,合格9处90.0%20//管沟100//设计要求抽查25处,全部合格√300;-100//500;-150//地(路)面基础层-50//柱基基坑基槽200;-50抽查25处,全部合格√±50//管沟-50//柱基基坑基槽-50抽查10处,全部合格√±30//施工依据土方开挖专项施工方案验收依据《建筑地基基础工程施工质量验收规范》GB50202-2002验收项目设计要求及规范规定最小/实际抽样数量检查记录检查结果分包单位分包单位项目负责人检验批部位1施工单位广州富利建筑安装工程有限公司项目负责人苏红强检验批容量500m2单位(子单位)工程名称保利东瑞花园分部(子分部)工程名称地基与基础分部-土方子分部分项工程名称土方开挖分项土方开挖检验批质量验收记录GD-C5-71129。
土方开挖工程检验批质量验收记录表
以下是经过格式修正和改写后的文章:
土方开挖工程检验批质量验收记录表
工程单位:(填写单位名称)
工程名称:(填写工程名称)
分部工程名称:(填写分部工程名称)
施工单位:(填写施工单位名称)
分包单位:(填写分包单位名称)
验收部位:(填写验收部位名称)
项目经理:(填写项目经理姓名)
分包项目经理:(填写分包项目经理姓名)
施工执行标准名称及编号:(填写施工执行标准名称和编号)
施工质量验收规范的规定:(填写施工质量验收规范的规定)
检验批编号:GB5xxxxxxxxxxxxx01□□□
本次检验批涉及的工程部位包括柱基、基坑、基槽、边坡、管沟、地(路)面基层等。
基底土性设计要求应符合规范规定。
表面平整度应满足设计中心线向两边量的要求,允许偏差为±30mm(人工)或
±50mm(机械)。
长度、宽度允许偏差为+200mm和-50mm。
边坡允许偏差为-100mm至-150mm,管沟允许偏差为+
300mm至+500mm,地(路)面基层允许偏差为+100mm至
-50mm。
施工单位应进行检查评定,并填写相应的记录。
监理(建设)单位应进行验收结论,并由专业监理工程师签字确认。
以上为本次土方开挖工程检验批质量验收记录表。
砼灌注桩(钢筋笼)分项工程质量验收记录表
砼灌注桩分项工程质量验收记录表
砼原材料及配合比设计分项工程质量验收记录表
混凝土施工分项工程质量验收记录表
现浇结构外观及尺寸偏差分项工程质量验收记录表
砖砌体分项工程质量验收记录表
钢筋加工分项工程质量验收记录表
钢筋安装分项工程质量验收记录表
模板安装分项工程质量验收记录表
模板拆除分项工程质量验收记录表
砼原材料及配合比设计分项工程质量验收记录表
混凝土施工分项工程质量验收记录表
现浇结构外观及尺寸偏差分项工程质量验收记录表。
挖方场地平整土方开挖工程检验批质量验收记录话说这天,小明和他的朋友们正在工地上帮忙,他们的任务是负责挖方场地平整土方开挖工程的检验批质量验收。
小明可是第一次干这个活儿,心里既紧张又兴奋。
他知道,这个活儿可不能马虎,否则会影响到整个工程的质量。
于是,他下定决心,一定要把这个活儿干好。
小明和他的朋友们要对施工现场进行全面的检查。
他们要检查地面的平整度、坡度是否符合要求,还要检查挖掘机的工作性能是否良好。
小明一边检查,一边心里嘀咕:“这可不能马虎,得仔细点儿。
”他的朋友们也是如此,大家都在努力地确保施工现场的质量。
接下来,小明和他的朋友们要对挖掘出来的土方进行验收。
他们要检查土方的体积、密度是否符合要求,还要检查土方的杂质含量是否过高。
小明一边验收,一边心里想着:“这可不能马虎,得仔细点儿。
”他的朋友们也是如此,大家都在努力地确保土方的质量。
在验收过程中,小明和他的朋友们还要注意与其他工种的配合。
他们要与砌墙工、铺砖工等紧密配合,确保各个环节的质量。
小明一边配合,一边心里想着:“这可不能马虎,得仔细点儿。
”他的朋友们也是如此,大家都在努力地确保整个工程的质量。
经过一天的努力,小明和他的朋友们终于完成了挖方场地平整土方开挖工程的检验批质量验收。
他们累得满头大汗,但心里却充满了满足感。
因为他们知道,自己的努力确保了整个工程的质量,为建设美好家园做出了贡献。
晚上回家的路上,小明和朋友们还在谈论今天的工作。
他们都觉得这次经历让他们学到了很多东西,不仅仅是专业知识,还有团队合作的重要性。
小明说:“今天真是收获颇丰啊!我们不仅学会了如何检查施工现场的质量,还学会了如何与其他工种配合。
这些都是以后工作中必不可少的技能。
”他的朋友们纷纷表示赞同。
通过这次挖方场地平整土方开挖工程检验批质量验收的经历,小明和他的朋友们深刻地认识到了质量的重要性。
他们明白了,只有严格把关质量,才能保证整个工程的顺利进行,才能让人们住得更安心、更舒适。
土方开挖工程检验批质量验收记录
填写、使用说明:
1、主控项目中①不填;②施工单位自检记录只有排管填写;③机械不填,管沟排管填,地面基层不填;④机械不填,管沟排管填,地面基层不填;
2、一般项目中,①机械不填,管沟排管填,地面基层不填;
3、施工单位自检记录中,主控项目应全部合格,一般项目合格率应达到80%以上;
4、监理验收记录中的抽查点,应全部合格;
5、施工单位检查结果应填写“主控项目项合格,一般项目项,合格率%,自查合格”;
6、监理验收记录应按质量标准内容填写;
7、监理验收结论,应填写“合格”;
8、隧道每20m为一检验批,排管每二个井位之间为一检验批。
分项工程质量验收记录1-9一、项目名称:XXX工程1. 土建工程验收记录•验收项目:土方开挖•验收内容:对土方开挖的深度、坡度、平整度等进行验收•验收结论:开挖深度、坡度、平整度符合设计要求2. 钢结构工程验收记录•验收项目:钢柱焊接•验收内容:对焊接接头的质量、牢固度等进行验收•验收结论:焊接接头质量良好,牢固可靠二、项目名称:YYY工程3. 电气工程验收记录•验收项目:电缆铺设•验收内容:对电缆铺设的线路、接头等进行验收•验收结论:电缆铺设线路清晰、接头牢固,符合规范要求4. 环保工程验收记录•验收项目:废水处理设备安装•验收内容:对废水处理设备的安装位置、连接管道等进行验收•验收结论:废水处理设备安装位置合理,连接牢固,符合环保要求三、项目名称:ZZZ工程5. 暖通工程验收记录•验收项目:空调系统调试•验收内容:对空调系统的制冷、制热效果进行验收•验收结论:空调系统制冷、制热效果良好,符合设计标准6. 安全工程验收记录•验收项目:消防设施验收•验收内容:对消防设施的安装位置、有效性等进行验收•验收结论:消防设施安装位置合理,有效性高,符合安全要求四、项目名称:AAA工程7. 智能化工程验收记录•验收项目:智能控制系统调试•验收内容:对智能控制系统的实时监测、远程控制等功能进行验收•验收结论:智能控制系统功能完善,运行稳定,符合使用要求8. 绿化工程验收记录•验收项目:绿化工程完成验收•验收内容:对绿化工程的植被种植、灌溉系统等进行验收•验收结论:绿化工程植被生长良好,灌溉系统运行正常五、项目名称:BBB工程9. 装饰装修工程验收记录•验收项目:室内装饰验收•验收内容:对室内装饰的材料、工艺等进行验收•验收结论:室内装饰材料质量优良,工艺精细,符合审美要求以上为分项工程质量验收记录1-9,经验收人员认真核对,确认验收结论属实,记录完毕。