金属导热系数表
- 格式:pdf
- 大小:102.80 KB
- 文档页数:2
常见材料导热系数全1.金属材料:-银:429W/(m·K)-铜:401W/(m·K)-铝:237W/(m·K)-铁:80.4W/(m·K)-钨:173W/(m·K)2.石材材料:-大理石:2.5W/(m·K)-花岗岩:2.7W/(m·K)-砂岩:1.9W/(m·K)-石灰石:1.8W/(m·K)-人造石:1.1W/(m·K)3.绝缘材料:-玻璃纤维:0.04-0.05W/(m·K)-膨胀聚苯乙烯(EPS):0.035W/(m·K)-聚氨酯:0.022W/(m·K)-聚苯板:0.015W/(m·K)-聚氨酯泡沫:0.02-0.03W/(m·K)4.建筑材料:除了石材和绝缘材料外,其他一些常见的建筑材料的导热系数也不同:-砖:0.6-1.0W/(m·K)-水泥:1.8-2.4W/(m·K)-水泥砂浆:0.7-1.2W/(m·K)-红砖:0.6-0.8W/(m·K)-玻璃:0.7-1.0W/(m·K)5.塑料材料:-聚乙烯:0.33W/(m·K)-聚氯乙烯(PVC):0.19W/(m·K)-聚丙烯:0.22W/(m·K)-聚苯乙烯(EPS):0.035W/(m·K)-聚酯:0.15W/(m·K)需要注意的是,以上列举的导热系数只是一些常见材料的典型值,实际应用中可能会有一定差异。
此外,材料的导热系数还受到温度、密度、含水率等因素的影响。
以下是傲川科技热设计实验室提供的热设计常用的金属导热系数与常用材料导热系数:空气导热系数:干空气90°C为0.03126,100°C为0.03207,单位为W/(m.K)金属导热系数表(W/mK)热传导系数的定义为:每单位长度、每K,可以传送多少W的能量,单位为W/mK。
其中“W”指热功率单位,“m”代表长度单位米,而“K”为绝对温度单位。
该数值越大说明导热性能越好。
以下是几种常见金属的热传导系数表:银429铜401金317铝237镍90铁80锡67铅34.8不锈钢:15-18 (不同合金成份不同)高导热物质的导热系数!material conductivity K (W/m.K)diamond 钻石2300silver 银429cooper 铜401gold 金317aluminum 铝237常用材料导热系数PVC0.14~0.15PP0.21~0.26PE0.42有机玻璃0.14~0.20泡沫0.045木材(横) 0.14~0.17(纵) 0.38散珍珠岩0.042~0.08水泥珍珠岩0.07~0.09石棉0.15混凝土 1.2885%MgO0.07玻璃0.52~1.01水垢 1.3~3.1搪瓷0.87~1.16耐火砖 1.06普通砖0.7~0.8亚麻布50 0.09落叶松木0 0.13木屑50 0.05普通松木45 0.08~0.11 海砂20 0.03杨木100 0.1研碎软木20 0.04胶合板0 0.125压缩软木20 0.07纤维素0 0.46聚苯乙烯100 0.08丝20 0.04~0.05硫化橡胶50 0.22~0.29 炉渣50 0.84镍铝锰合金0 32.7硬质胶25 0.18青铜30 32~153白桦木30 0.15殷钢30 11橡木20 0.17康铜30 20.9松0 0.095黄铜20 70~183柏木20 0.1镍铬合金20 12.3~171 普通冕玻璃20 1石棉0 0.16~0.37石英玻璃4 1.46纸12 0.06~0.13燧石玻璃32 0.795皮棉4.1 0.03重燧石玻璃12.5 0.78 矿渣棉0 0.05~0.14精制玻璃12 0.9毡0.04汽油12 0.11蜡0.04士林12 0.184纸板0.14“天然气”油12 0.14皮革0.18~0.19甘油0 0.276冰2.22 煤油100 0.12 新下的雪0.1蓖麻油500 0.18填实了的雪0.21橄榄油0 0.165瓷1.05已烷0 0.152石蜡油0.123二氯乙烷0.147变压器油0.12890%硫酸0.354石油0.14醋酸18石蜡0.12硝基苯0.159柴油机燃油0.12二硫化碳0.144沥青0.699甲醇0.207玄武岩2.177四氯化碳0.106拌石水泥1.5三氯甲烷0.121花岗石2.68~3.35氨气* 0.022丙铜0.177水蒸汽* 0.0235~0.025 苯0.139重水蒸汽* 0.072水0.54空气* 0.024聚苯板0.04木工板0.1-0.2重水0.559硫化氢* 0.013玻璃类型K-w/(m2-k)单层玻璃6.2双层中空玻璃3.11一层中空玻璃2.22~2.08 Lhw-E中空玻璃1.71。
常用金属材料的导热系数
导热系数 W(m .)
0 100 200 300
400
铝 227.95 227.95 227.95 227.95 227.95
铜 383.79 379.14 372.16 367.51 362.86
铁 73.27 67.45 61.64 54.66 48.85
铅 35.12 33.38 31.40 29.77 ----------
镍 93.04 82.57 73.27 63.97 59.31
银 414.03 409.38 373.32 361.69 359.37
锌 112.81 109.90 105.83 101.18 93.04 碳钢 52.34 48.85 44.19 41.87 34.89
不锈钢 16.28 17.45 17.45 18.49 -----------
大部分换热器的材料均采用金属,不同金属材料的导热系数相差很大,同种材料在不同温度下的导热系数也不一样。
上表中可以看出,常用材料中银的导热系数最高,仅次于银的为铜和铝。
双金属翅片管的翅片材料都采用铝,就是利用了铝的高效导热性能。
碳钢的导热系数较低,但取材方便,因此得到了广泛的应用。
不锈钢的导热系数和碳钢的导热系数有一定的差距。
很多单位在制造不锈钢散热器时按碳钢的设计方案制造,这是不科学的。
上表为常用金属材料的导热系数表,是计算换热器总换热系数时必不可少的一个数据。
以下是傲川科技热设计实验室提供的热设计常用的金属导热系数与常用材料导热系数:空气导热系数:干空气90°C为0.03126,100°C为0.03207,单位为W/(m.K)金属导热系数表(W/mK)热传导系数的定义为:每单位长度、每K,可以传送多少W的能量,单位为W/mK。
其中“W”指热功率单位,“m”代表长度单位米,而“K”为绝对温度单位。
该数值越大说明导热性能越好。
以下是几种常见金属的热传导系数表:银429铜401金317铝237镍90铁80锡67铅34.8不锈钢:15-18 (不同合金成份不同)高导热物质的导热系数!material conductivity K (W/m.K)diamond 钻石2300silver 银429cooper 铜401gold 金317aluminum 铝237常用材料导热系数PVC0.14~0.15PP0.21~0.26PE0.42有机玻璃0.14~0.20泡沫0.045木材(横) 0.14~0.17(纵) 0.38散珍珠岩0.042~0.08水泥珍珠岩0.07~0.09石棉0.15混凝土 1.2885%MgO0.07玻璃0.52~1.01水垢 1.3~3.1搪瓷0.87~1.16耐火砖 1.06普通砖0.7~0.8亚麻布50 0.09落叶松木0 0.13木屑50 0.05普通松木45 0.08~0.11 海砂20 0.03杨木100 0.1研碎软木20 0.04胶合板0 0.125压缩软木20 0.07纤维素0 0.46聚苯乙烯100 0.08丝20 0.04~0.05硫化橡胶50 0.22~0.29 炉渣50 0.84镍铝锰合金0 32.7硬质胶25 0.18青铜30 32~153白桦木30 0.15殷钢30 11橡木20 0.17康铜30 20.9松0 0.095黄铜20 70~183柏木20 0.1镍铬合金20 12.3~171 普通冕玻璃20 1石棉0 0.16~0.37石英玻璃4 1.46纸12 0.06~0.13燧石玻璃32 0.795皮棉4.1 0.03重燧石玻璃12.5 0.78 矿渣棉0 0.05~0.14精制玻璃12 0.9毡0.04汽油12 0.11蜡0.04士林12 0.184纸板0.14“天然气”油12 0.14皮革0.18~0.19甘油0 0.276冰2.22 煤油100 0.12 新下的雪0.1蓖麻油500 0.18填实了的雪0.21橄榄油0 0.165瓷1.05已烷0 0.152石蜡油0.123二氯乙烷0.147变压器油0.12890%硫酸0.354石油0.14醋酸18石蜡0.12硝基苯0.159柴油机燃油0.12二硫化碳0.144沥青0.699甲醇0.207玄武岩2.177四氯化碳0.106拌石水泥1.5三氯甲烷0.121花岗石2.68~3.35氨气* 0.022丙铜0.177水蒸汽* 0.0235~0.025 苯0.139重水蒸汽* 0.072水0.54空气* 0.024聚苯板0.04木工板0.1-0.2重水0.559硫化氢* 0.013玻璃类型K-w/(m2-k)单层玻璃6.2双层中空玻璃3.11一层中空玻璃2.22~2.08 Lhw-E中空玻璃1.71。
金属导热系数表(W/mK)热传导系数的定义为:每单位长度、每K,可以传送多少W的能量,单位为W/mK。
其中“W”指热功率单位,“m”代表长度单位米,而“K”为绝对温度单位。
该数值越大说明导热性能越好。
以下是几种常见金属的热传导系数表:银 429铜 401金 317铝 237铁 80锡 67铅 34.8各种物质导热系数!material conductivity K (W/m.K)diamond 钻石 2300silver 银 429cooper 铜 401gold 金 317aluminum 铝 237各物质的导热系数物质温度导热系数物质温度导热系数亚麻布 50 0.09 落叶松木 0 0.13木屑 50 0.05 普通松木 45 0.08~0.11海砂 20 0.03 杨木 100 0.1研碎软木 20 0.04 胶合板 0 0.125压缩软木 20 0.07 纤维素 0 0.46聚苯乙烯 100 0.08 丝 20 0.04~0.05硫化橡胶 50 0.22~0.29 炉渣 50 0.84镍铝锰合金 0 32.7 硬质胶 25 0.18青铜 30 32~153 白桦木 30 0.15殷钢 30 11 橡木 20 0.17康铜 30 20.9 雪松 0 0.095黄铜 20 70~183 柏木 20 0.1镍铬合金 20 12.3~171 普通冕玻璃 20 1石棉 0 0.16~0.37 石英玻璃 4 1.46纸 12 0.06~0.13 燧石玻璃 32 0.795皮棉 4.1 0.03 重燧石玻璃 12.5 0.78矿渣棉 0 0.05~0.14 精制玻璃 12 0.9 毡 0.04 汽油 12 0.11蜡 0.04 凡士林 12 0.184纸板 0.14 “天然气”油 12 0.14皮革 0.18~0.19 甘油 0 0.276冰 2.22 煤油 100 0.12新下的雪 0.1 蓖麻油 500 0.18填实了的雪 0.21 橄榄油 0 0.165瓷 1.05 已烷 0 0.152石蜡油 0.123 二氯乙烷 0.147变压器油 0.128 90%硫酸 0.354石油 0.14 醋酸 18石蜡 0.12 硝基苯 0.159柴油机燃油 0.12 二硫化碳 0.144沥青 0.699 甲醇 0.207玄武岩 2.177 四氯化碳 0.106拌石水泥 1.5 三氯甲烷 0.121花岗石 2.68~3.35 氨气* 0.022丙铜 0.177 水蒸汽* 0.0235~0.025苯 0.139 重水蒸汽* 0.072水 0.54 空气* 0.024聚苯板 0.04 木工板 0.1-0.2重水 0.559 硫化氢* 0.013表2 窗体材料导热系数窗框材料钢材铝合金 PVC PA 松木导热系数 58.2 203 0.16 0.23 0.17表 3 不同玻璃的传热系数玻璃类型玻璃结构(m) 传热系数K-w/(m2-k)单层玻璃6.2双层中空玻璃 5×9×5 3.265×12×5 3.11一层中空玻璃 5×9×5×9×5 2.22←-- 5×12×5×12×5 2.08Lhw-E中空玻璃 5×12×5 1.71。
金属的导热系数金属的导热系数怎么确定导热系数术需要查表的导热系数是指在稳定传热条件下,1m厚的材料,两侧表面的温差为1度(K, ° C),在1小时内,通过1平方米面积传递的热量,单位为瓦/米度(W/mK此处的K可用。
C代替)。
导热系数与材料的组成结构、密度、含水率、温度等因素有关。
非晶体结构、密度较低的材料,导热系数较小。
材料的含水率、温度较低时,导热系数较小。
通常把导热系数较低的材料称为保温材料,而把导热系数在瓦/米度以下的材料称为高效保温材料。
金属的热传导系数表:银429铜401金317铝237铁80锡67铅各种物质导热系数material conductivityK (W/diamond钻石2300silver银429cooper铜 401gold金317aluminum铝237各物质的导热系数1物质 温度导热系数物质温度导热系数亚麻布 50落叶松木 0木屑 50普通松木 45海砂 20杨木 100研碎软木20胶合板 0压缩软木 20 纤维素聚苯乙烯 100丝 20沥青四氯化碳镍铝锰合金 0 硬质胶25青铜 30 32〜153 白桦木30殷钢 3011橡木20康铜 30雪松黄铜 2070〜183 柏木20镍铬合金 20〜 171普通冕玻璃20石棉 0石英玻璃 4纸 12燧石玻璃32皮棉 4. 1重燧石玻璃矿渣棉精制玻璃12毡汽油12蜡凡士林 12纸板“天然气”油12皮革甘油 0冰煤油 100新下的雪蓖麻油500填实了的雪橄榄油 0瓷已烷石蜡油二氯乙烷变压器油90%硫酸石油醋酸1石蜡硝基苯炉渣 501柴油机燃油 二硫化碳硫化橡胶 50 甲醇I-JU玄武岩拌石水泥三氯甲烷物质温度导热系数物质温度导热系数花岗石〜氨气*丙铜水蒸汽*苯重水蒸汽*水空气*聚苯板木工板重水硫化氢*表 2 窗体材料导热系数松木窗框材料钢材铝合金PVC PA导热系数203表 3 不同玻璃的传热系数玻璃类型玻璃结构(m) 传热系数K-w/(m2-k)单层玻璃双层中空玻璃5X 9X55X 12X5三层中空玻璃5X 9X 5X 9X 5J--5X 12X 5X 12X 5Lhw-E中空玻璃5X 12X5。
金属导热系数表金属导热系数表(W/mK)热传导系数的定义为:每单位长度、每K,可以传送多少W的能量,单位为W/mK。
其中“W”指热功率单位,“m”代表长度单位米,而“K”为绝对温度单位。
该数值越大说明导热性能越好。
以下是几种常见金属的热传导系数表:银429铜401金317铝237铁80锡67铅34.8各种物质导热系数!material conductivity K (W/m.K)diamond 钻石2300silver 银429cooper 铜401gold 金317aluminum 铝237各物质的导热系数物质温度导热系数物质温度导热系数亚麻布50 0.09 落叶松木0 0.13木屑50 0.05 普通松木45 0.08~0.11海砂20 0.03 杨木100 0.1研碎软木20 0.04 胶合板0 0.125压缩软木20 0.07 纤维素0 0.46聚苯乙烯100 0.08 丝20 0.04~0.05硫化橡胶50 0.22~0.29 炉渣50 0.84镍铝锰合金 0 32.7 硬质胶25 0.18青铜30 32~153 白桦木30 0.15殷钢30 11 橡木20 0.17康铜30 20.9 雪松0 0.095黄铜20 70~183 柏木20 0.1镍铬合金20 12.3~171 普通冕玻璃20 1 石棉0 0.16~0.37 石英玻璃 4 1.46纸12 0.06~0.13 燧石玻璃32 0.795皮棉 4.1 0.03 重燧石玻璃12.5 0.78矿渣棉0 0.05~0.14 精制玻璃12 0.9毡0.04 汽油12 0.11蜡0.04 凡士林12 0.184纸板0.14 “天然气”油12 0.14皮革0.18~0.19 甘油0 0.276冰 2.22 煤油100 0.12新下的雪0.1 蓖麻油500 0.18填实了的雪0.21 橄榄油0 0.165瓷 1.05 已烷0 0.152石蜡油0.123 二氯乙烷0.147变压器油0.128 90%硫酸0.354石油0.14 醋酸18石蜡0.12 硝基苯0.159柴油机燃油0.12 二硫化碳0.144沥青0.699 甲醇0.207玄武岩 2.177 四氯化碳0.106拌石水泥 1.5 三氯甲烷0.121花岗石 2.68~3.35 氨气* 0.022丙铜0.177 水蒸汽* 0.0235~0.025苯0.139 重水蒸汽* 0.072水0.54 空气* 0.024聚苯板0.04 木工板0.1-0.2重水0.559 硫化氢* 0.013表2 窗体材料导热系数窗框材料钢材铝合金PVC PA 松木导热系数58.2 203 0.16 0.23 0.17表 3 不同玻璃的传热系数玻璃的导热系数是0.77W/m2K。
金属导热系数表(W/mK)热传导系数的定义为:每单位长度、每K,可以传送多少W的能量,单位为W/mK。
其中“W”指热功率单位,“m”代表长度单位米,而“K”为绝对温度单位。
该数值越大说明导热性能越好。
以下是几种常见金属的热传导系数表:银429铜401金317铝237铁80锡67铅34.8各种物质导热系数!material conductivity K (W/m.K)diamond 钻石2300silver 银429cooper 铜401gold 金317aluminum 铝237各物质的导热系数物质温度导热系数物质温度导热系数亚麻布50 0.09 落叶松木0 0.13木屑50 0.05 普通松木45 0.08~0.11海砂20 0.03 杨木100 0.1研碎软木20 0.04 胶合板0 0.125压缩软木20 0.07 纤维素0 0.46聚苯乙烯100 0.08 丝20 0.04~0.05硫化橡胶50 0.22~0.29 炉渣50 0.84镍铝锰合金0 32.7 硬质胶25 0.18青铜30 32~153 白桦木30 0.15殷钢30 11 橡木20 0.17康铜30 20.9 雪松0 0.095黄铜20 70~183 柏木20 0.1镍铬合金20 12.3~171 普通冕玻璃20 1石棉0 0.16~0.37 石英玻璃4 1.46纸12 0.06~0.13 燧石玻璃32 0.795 皮棉4.1 0.03 重燧石玻璃12.5 0.78 矿渣棉0 0.05~0.14 精制玻璃12 0.9 毡0.04 汽油12 0.11蜡0.04 凡士林12 0.184纸板0.14 “天然气”油12 0.14皮革0.18~0.19 甘油0 0.276冰2.22 煤油100 0.12新下的雪0.1 蓖麻油500 0.18填实了的雪0.21 橄榄油0 0.165瓷1.05 已烷0 0.152石蜡油0.123 二氯乙烷0.147变压器油0.128 90%硫酸0.354石油0.14 醋酸18石蜡0.12 硝基苯0.159柴油机燃油0.12 二硫化碳0.144沥青0.699 甲醇0.207玄武岩2.177 四氯化碳0.106拌石水泥1.5 三氯甲烷0.121花岗石2.68~3.35 氨气* 0.022丙铜0.177 水蒸汽* 0.0235~0.025苯0.139 重水蒸汽* 0.072水0.54 空气* 0.024聚苯板0.04 木工板0.1-0.2重水0.559 硫化氢* 0.013表2 窗体材料导热系数窗框材料钢材铝合金PVC PA 松木导热系数58.2 203 0.16 0.23 0.17表3 不同玻璃的传热系数玻璃类型玻璃结构(m) 传热系数K-w/(m2-k)单层玻璃6.2双层中空玻璃5×9×5 3.265×12×5 3.11一层中空玻璃5×9×5×9×5 2.22←-- 5×12×5×12×5 2.08Lhw-E中空玻璃5×12×5 1.71你可以自己查一下。
金属导热系数表(W/mK):银429铜401金317铝237铁80锡67铅34.8常用材料导热系数(20℃)——λ(w/m.k)晨怡热管2008-5-2 15:03:49 名称λ(w/m.k)F4、F460.19~0.25聚苯乙烯0.04PVC0.14~0.15PP0.21~0.26PE0.42有机玻璃0.14~0.20泡沫0.045木材(横) 0.14~0.17(纵) 0.38散珍珠岩0.042~0.08水泥珍珠岩0.07~0.09石棉0.15混凝土 1.2885%MgO0.07玻璃0.52~1.01水垢 1.3~3.1搪瓷0.87~1.16耐火砖 1.06普通砖0.7~0.8银419锌112钛14.63锡64铅35镍90钢36~54铸铁42~90钝铜381黄铜118青铜71纯铝218+++++++++++++++++++++++++++++++++++++++++++++++++++++ ++++铸铝138~147 不锈钢17空气温度[10^-2(w/m.k)] 100K0.93150K 1.38200K 1.80250K 2.21300K 2.62350K 3.00400K 3.38水温度w/m.k0℃0.50 10℃0.58 20℃0.60 30℃0.62 40℃0.64 50℃0.65 60℃0.66 70℃0.67 80℃0.68水蒸汽0.023硫酸5~25%0.51~0.4725~50%0.47~0.41+++++++++++++++++++++++++++++++++++++++++++++++++++++ +++++导热系数导热系数是指在稳定传热条件下,1m厚的材料,两侧表面的温差为1度(K,°C),在1小时内,通过1平方米面积传递的热量,单位为瓦/米?度(W/m?K,此处的K可用°C代替)。
导热系数与材料的组成结构、密度、含水率、温度等因素有关。
非晶体结构、密度较低的材料,导热系数较小。
常用金属材料的导热系数
导热系数W(m.℃)0℃100℃200℃300℃400℃铝227.95227.95227.95227.95227.95铜383.79379.14372.16367.51362.86铁73.2767.4561.6454.6648.85铅35.1233.3831.4029.77----------镁172.12167.47162.82158.17-----------镍93.0482.5773.2763.9759.31银414.03409.38373.32361.69359.37锌112.81109.90105.83101.1893.04碳钢52.3448.8544.1941.8734.89不锈钢16.2817.4517.4518.49-----------大部分换热器的材料均采用金属,不同金属材料的导热系数相差很大,同种材料在不同温度下的导热系数也不一样。
上表中可以看出,常用材料中银的导热系数最高,仅次于银的为铜和铝。
双金属翅片管的翅片材料都采用铝,就是利用了铝的高效导热性能。
碳钢的导热系数较低,但取材方便,因此得到了广泛的应用。
不锈钢的导热系数和碳钢的导热系数有一定的差距。
很多单位在制造不锈钢散热器时按碳钢的设计方案制造,这是不科学的。
上表为常用金属材料的导热系数表,是计算换热器总换热系数时必不可少的一个数据。
金属导热系数表(总5页) -CAL-FENGHAI.-(YICAI)-Company One1-CAL-本页仅作为文档封面,使用请直接删除金属导热系数表(W/mK):银 429铜 401金 317铝 237铁 80锡 67铅 34.8一钢板厚度为3mm,面积为1×1㎡,初始温度均匀为300℃,放置于20℃的空气中冷却。
已知钢板的导热系数为λ=48.5W/(m·k),热扩散率a=12.7×10-6㎡/s,板与空气之间的表面传热 ...铝合金的导热系数:ADC12, A360, A380的导热系数分别为:96.2/113/96.2(W/m.K)* a/ v3 ~1 r7 S! f此系数只是理论上的,一切很标准的话。
& t; h2 _: L, f: Y+ \4 |% U具体情况具体对待++++++++++++++++++++++++++++++++++++++++++++++++++++++++++常用材料导热系数(20℃)——λ(w/m.k)晨怡热管 2008-5-2 15:03:49 名称λ(w/m.k)F4、F46 0.19~0.25聚苯乙烯0.04PVC 0.14~0.15PP 0.21~0.26PE 0.42有机玻璃0.14~0.20泡沫0.045木材 (横) 0.14~0.17(纵) 0.38散珍珠岩0.042~0.08水泥珍珠岩0.07~0.09石棉0.15混凝土 1.2885%MgO 0.07玻璃0.52~1.01水垢 1.3~3.1搪瓷0.87~1.16耐火砖 1.06普通砖0.7~0.8银419锌112钛14.63锡 64铅 35镍 90钢36~54铸铁42~90钝铜381黄铜118青铜 71纯铝218+++++++++++++++++++++++++++++++++++++++++++++++++++++++++铸铝138~147不锈钢17空气温度 [10^-2(w/m.k)]100K 0.93150K 1.38200K 1.80250K 2.21300K 2.62350K 3.00400K 3.38水温度w/m.k0℃ 0.5010℃ 0.5820℃ 0.6030℃ 0.6240℃ 0.6450℃ 0.6560℃ 0.6670℃ 0.6780℃ 0.68水蒸汽0.023硫酸5~25% 0.51~0.4725~50% 0.47~0.41++++++++++++++++++++++++++++++++++++++++++++++++++++++++++导热系数导热系数是指在稳定传热条件下,1m厚的材料,两侧表面的温差为1度(K,°C),在1小时内,通过1平方米面积传递的热量,单位为瓦/米度(W/mK,此处的K可用°C代替)。
常用金属材料的导热系数
导热系数W(m.℃)0℃100℃200℃300℃400℃铝227.95227.95227.95227.95227.95铜383.79379.14372.16367.51362.86铁73.2767.4561.6454.6648.85铅35.1233.3831.4029.77----------镁172.12167.47162.82158.17-----------镍93.0482.5773.2763.9759.31银414.03409.38373.32361.69359.37锌112.81109.90105.83101.1893.04碳钢52.3448.8544.1941.8734.89不锈钢16.2817.4517.4518.49-----------大部分换热器的材料均采用金属,不同金属材料的导热系数相差很大,同种材料在不同温度下的导热系数也不一样。
上表中可以看出,常用材料中银的导热系数最高,仅次于银的为铜和铝。
双金属翅片管的翅片材料都采用铝,就是利用了铝的高效导热性能。
碳钢的导热系数较低,但取材方便,因此得到了广泛的应用。
不锈钢的导热系数和碳钢的导热系数有一定的差距。
很多单位在制造不锈钢散热器时按碳钢的设计方案制造,这是不科学的。
上表为常用金属材料的导热系数表,是计算换热器总换热系数时必不可少的一个数据。
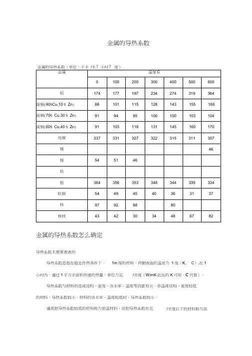
金属的导热系数金属的导热系数(单位:千卡/米?小时?度)金属的导热系数怎么确定导热系数术需要查表的导热系数是指在稳定传热条件下,1m厚的材料,两侧表面的温差为1度(K, °C),在1 小时内,通过1平方米面积传递的热量,单位为瓦/米?度(W/m?K,此处的K可用°C代替)。
导热系数与材料的组成结构、密度、含水率、温度等因素有关。
非晶体结构、密度较低的材料,导热系数较小。
材料的含水率、温度较低时,导热系数较小。
通常把导热系数较低的材料称为保温材料,而把导热系数在0.05瓦/米?度以下的材料称为高效保温材料。
金属的热传导系数表:银429铜401金317铝237铁80锡67铅34.8各种物质导热系数material con ductivity K (W/m.K)diam ond 钻石2300silver 银429cooper 铜401gold 金317alumi num 铝237各物质的导热系数1物质温度导热系数物质温度导热系数亚麻布50 0.09 落叶松木0 0.13木屑50 0.05 普通松木45 0.08 〜0.11海砂20 0.03 杨木100 0.1研碎软木20 0.04 胶合板0 0.125压缩软木20 0.07 纤维素0 0.46聚苯乙烯100 0.08 丝20 0.04 〜0.05硫化橡胶50 0.22 〜0.29 炉渣50 0.84镍铝锰合金0 32.7 硬质胶25 0.18青铜30 32 〜153 白桦木30 0.15殷钢30 11 橡木20 0.17康铜30 20.9 雪松0 0.095黄铜20 70 〜183 柏木20 0.1镍铬合金20 12.3 〜171 普通冕玻璃20 1石棉0 0.16 〜0.37 石英玻璃 4 1.46纸12 0.06 〜0.13 燧石玻璃32 0.795皮棉 4. 1 0.03 重燧石玻璃12.5 0.78矿渣棉0 0.05 〜0.14 精制玻璃12 0.9毡0.04 汽油12 0.11 蜡0.04 凡士林12 0.184 纸板0.14 天然气”油12 0.14 皮革0.18 〜0.19 甘油0 0.276 冰 2.22 煤油100 0.12 新下的雪0.1 蓖麻油500 0.18 填实了的雪0.21 橄榄油0 0.165 瓷 1.05 已烷0 0.152 石蜡油0.123 二氯乙烷0.147 变压器油0.128 90%硫酸0.354 石油0.14 醋酸18石蜡0.12 硝基苯0.159 柴油机燃油0.12 二硫化碳0.144 沥青0.699 甲醇0.207 玄武岩 2.177 四氯化碳0.106 拌石水泥 1.5 三氯甲烷0.121物质温度导热系数物质温度导热系数花岗石 2.68 〜3.35 氨气* 0.022丙铜0.177 水蒸汽* 0.0235 〜0.025苯0.139 重水蒸汽* 0.072 水0.54 空气* 0.024 聚苯板0.04 木工板0.1-0.2 重水0.559 硫化氢* 0.013 表2窗体材料导热系数窗框材料钢材铝合金PVC PA 松木导热系数58.2 203 0.16 0.23 0.17表3不同玻璃的传热系数玻璃类型玻璃结构(m) 传热系数K-w/(m2-k) 单层玻璃 6.2双层中空玻璃5X9X5 3.265X12X5 3.11三层中空玻璃 5 >9 >5X9X5 2.22--5 >2X5X12X5 2.08Lhw-E中空玻璃5X12X5 1.71。
金属的热传导系数表2010-04-04 11:33金属导热系数金属的热传导系数表:银429 铜401 金317 铝237 铁80 锡67 铅34.8 各种物质导热系数material c onductivity conductivity k (W/m·K ) K) diamond 钻石2300 silver 银429 copper 铜401 gold 金317 aluminum 铝237 各物质的导热系数物质温度导热系数物质温度导热系数亚麻布50 0.09 落叶松木落叶松木0 0 0.13 0.13 木屑50 0.05 普通松木45 0.08~0.11 海砂20 0.03 杨木100 0.1 研碎软木20 0.04 胶合板0 0.125 压缩软木20 0.07 纤维素0 0.46 聚苯乙烯100 0.08 丝20 0.04~0.05 硫化橡胶50 0.22~0.29 炉渣50 0.84 镍铝锰合金0 32.7 硬质胶25 0.18 青铜30 32~153 白桦木30 0.15 殷钢30 11 橡木20 0.17 康铜30 20.9 雪松0 0.095 黄铜20 70~183 柏木20 0.1 镍铬合金20 12.3~171 普通冕玻璃20 1 石棉0 0.16~0.37 石英玻璃4 1.46 纸12 0.06~0.13 燧石玻璃32 0.795 皮棉 4.1 0.03 重燧石玻璃12.5 0.78 矿渣棉0 0.05~0.14 精制玻璃12 0.9 毡0.04 汽油12 0.11 蜡0.04 凡士林12 0.184 纸板0.14 “天然气”油12 0.14 皮革0.18~0.19 甘油0 0.276 冰 2.22 煤油100 0.12 新下的雪0.1 蓖麻油500 0.18 填实了的雪0.21 橄榄油0 0.165 瓷 1.05 已烷0 0.152 石蜡油石蜡油 0.123 二氯乙烷二氯乙烷 0.147 变压器油变压器油 0.128 90%硫酸硫酸 0.354 石油石油 0.14 醋酸醋酸 18 石蜡石蜡 0.12 硝基苯硝基苯 0.159 柴油机燃油柴油机燃油 0.12 二硫化碳二硫化碳 0.144 沥青沥青 0.699 甲醇甲醇 0.207 玄武岩玄武岩 2.177 四氯化碳四氯化碳 0.106 拌石水泥拌石水泥 1.5 三氯甲烷三氯甲烷 0.121 花岗石花岗石 2.68~3.35 氨气* 0.022 丙铜丙铜 0.177 水蒸汽* 0.0235~0.025 苯 0.139 重水蒸汽* 0.072 水 0.54 空气* 0.024 聚苯板聚苯板 0.04 木工板木工板 0.1-0.2 重水重水 0.559 硫化氢* 0.013 表2 窗体材料导热系数窗体材料导热系数 窗框材料窗框材料 钢材钢材 铝合金铝合金 PVC PA 松木松木 导热系数导热系数 58.2 203 0.16 0.23 0.17 表 3 不同玻璃的传热系数不同玻璃的传热系数 玻璃类型玻璃类型 玻璃结构(m) 传热系数传热系数 K-w/(m2-k) 单层玻璃单层玻璃 6.2 双层中空玻璃双层中空玻璃 5×5×9×9×9×5 3.26 5 3.26 5×5×12×12×12×5 3.11 5 3.11 一层中空玻璃一层中空玻璃 5×5×9×9×9×5×5×5×9×9×9×5 2.22 5 2.22 ←-- 5×12×12×5×5×5×12×12×12×5 2.08 5 2.08 Lhw-E 中空玻璃中空玻璃 5×5×12×12×12×5 1.715 1.71。
金属导热系数表(W/mK)导热系数是指在稳定传热条件下,1m厚的材料,两侧表面的温差为1度(K,°C),在1小时内,通过1平方米面积传递的热量,单位为瓦/米度(W/mK,此处的K 可用°C代替)。
导热系数与材料的组成结构、密度、含水率、温度等因素有关。
非晶体结构、密度较低的材料,导热系数较小。
材料的含水率、温度较低时,导热系数较小。
通常把导热系数较低的材料称为保温材料,而把导热系数在0.05瓦/米度以下的材料称为高效保温材料。
金属的热传导系数表:金属导热系数表(W/mK)热传导系数的定义为:每单位长度、每K,可以传送多少W的能量,单位为W/mK。
其中“W”指热功率单位,“m”代表长度单位米,而“K”为绝对温度单位。
该数值越大说明导热性能越好。
以下是几种常见金属的热传导系数表:银429 铜401金317铝237铁80锡67铅34.8各物质的导热系数:亚麻布500.09落叶松木00.13木屑500.05普通松木450.08~0.11海砂200.03杨木1000.1研碎软木200.04胶合板00.125压缩软木200.07纤维素00.46聚苯乙烯1000.08丝200.04~0.05硫化橡胶500.22~0.29炉渣500.84镍铝锰合金032.7硬质胶250.18青铜3032~153白桦木300.15殷钢3011橡木200.17康铜3020.9雪松00.095黄铜2070~183柏木200.1镍铬合金2012.3~171普通冕玻璃201石棉00.16~0.37石英玻璃4 1.46纸120.06~0.13燧石玻璃320.795皮棉 4.10.03重燧石玻璃12.50.78矿渣棉00.05~0.14精制玻璃120.9毡0.04汽油12 0.11蜡0.04凡士林120.184纸板0.14“天然气”油120.14皮革0.18~0.19甘油00.276冰 2.22煤油1000.12新下的雪0.1蓖麻油5000.18填实了的雪0.21橄榄油00.165瓷 1.05已烷00.152石蜡油0.123二氯乙烷0.147变压器油0.12890%硫酸0.354石油0.14醋酸18石蜡0.12硝基苯0.159柴油机燃油0.12二硫化碳0.144沥青0.699甲醇0.207玄武岩 2.177四氯化碳0.106拌石水泥 1.5三氯甲烷0.121花岗石 2.68~3.35氨气*0.022丙铜0.177水蒸汽*0.0235~0.025苯0.139重水蒸汽*0.072水0.54空气*0.024聚苯板0.04木工板0.1-0.2重水0.559硫化氢*0.013表2窗体材料导热系数窗框材料钢材铝合金PVC PA松木导热系数58.22030.160.230.17表3不同玻璃的传热系数玻璃类型玻璃结构(m)传热系数K-w/(m2-k)单层玻璃6.2双层中空玻璃5×9×5 3.26 / 5×12×5 3.11一层中空玻璃5×9×5×9×5 2.22←-- 5×12×5×12×5 2.08Lhw-E中空玻璃5×12×5 1.71。