地下停车场立柱编号讲课资料
- 格式:pptx
- 大小:907.79 KB
- 文档页数:3
地下车库的柱网设计地下车库的柱网设计谭玉阶(深圳市汇宇建筑工程设计事务所)提要:根据汽车库内汽车运行、停靠、进出的规律和公式,重点以“上海SH760A”小轿车的规格尺度为例,通过图例分解,了解汽车运行的轨迹,通过计算分析,掌握准确的具体数据,求得合理的柱距,以及在特殊情况下提供一般处理的方法,以便为汽车库建筑设计提供方便和参考。
关键词:汽车库柱网设计环行轨迹通道宽度停车带柱网高层建筑由于基础的埋深和嵌固要求,必须低于室外地坪一定深度,就是多层建筑也需要一定面积的地下室和人防设施,另外地上空间有限,为增加使用面积,也必须向地下发展,因此种种原因,地下建筑必不可少,也越来越多,并向大面积和深度发展,而且使用性质也逐渐增多,就当前情况来讲,地下车库居多,几乎处处都能遇到。
地下车库有一层、两层或更多层,地面层以上还可能连有塔楼和裙房,另外地下车库有一般停车库和机械停车库,而地下室的柱网设计又受到上面层的剪力墙或转换柱位等限制,不能随意发挥,这些被约束的场所,主要由结构需要而定,这里暂且不谈,本文仅就一般性停车库和不受上部结构约束的特定情况下,论述柱网布置的一般要求和寻求合理的柱网设计。
一、一次性出车汽车的停车方式有平行式、斜列式和垂直式三种方式。
其中斜列式有倾角300、450、600之分,另外停车又有前进停车和后退停车之分,一般最常见的是垂直的后退停车方式,由于它占地少,出车方便而常被采用,设计中也基本上以其为重点来考虑,如果这个问题彻底搞清楚了,其它问题也就迎刃而解了。
所谓一次性出车,就是出车时不要来回倒车,一次开出去,“汽车库建筑设计规范”(以下简称规范)明确指出“应满足一次进出停车位要求”。
一般情况下,停车时要求不太急,来回倒几下问题不大,另外司机的技术有所不同,差的不免要来回倒几次才停好,要真正一次就好位的,技术就要求较高,一般较难作到,而出车时,情况不太一样,只要顾到前面和侧面,往往容易很多,但要真正满足一次性出车要求,除提高开车技术外,柱网的布置是关键,另外地下室周边侧墙和中间隔墙的设置位置也很重要。
河南盛信交通设施有限公司停车场停车位划线设计及施工方案一、标线道路交通标线、停车位标线及指示箭头等采用专用标线涂料(分为热熔和常温冷涂)。
热熔标线1、漆膜厚度: 1.2—1.5mm;不粘胎干燥时间: <5min;2、外观:涂层清白鲜明,耐日晒温差,不变色,夜间反光度强。
3、交通标线是由路面标线、箭头、文字、立面标记和路边线轮廓标等构成的安全设施,作用是管制和引导交通。
冷涂标线1、漆膜厚度: 0.12—0.15mm;不粘胎干燥时间: <30min;2、外观:喷涂厚度均匀、色泽清晰,耐日晒温差,不变色。
3、交通标线是由路面标线、箭头、文字、立面标记和路边线轮廓标等构成的安全设施,作用是管制和引导交通。
一般停车场车设有停车位线、导向箭头、通道边缘线及禁停黄线区。
1、停车位线:规格为2500X5000mm,线宽150mm,颜色为白色;2、导向箭头:长度为3000mm,颜色为白色;3、通道边缘线:规格为单实线和单虚线,线宽150mm,颜色为白色或黄色;4、禁停黄线区:线宽150mm,颜色为黄色。
二、标志牌在进出口以及车场内适当位置安装标志牌,引导车辆正确行驶,交通标志设禁令标志、指示标志及其它标志。
交通标志牌采用工程反光膜、铝板按国家标准制作,质量好、强度高、耐用性强、图文规范、色彩鲜艳,在自然环境中可保持七年内不裉色、不断裂。
停车场设禁令标志、指示标志、指路标志、辅助标志共四种。
1、禁令标志:圆形直径d=60cm 括禁止驶入、禁止左转弯、禁止右转和减速让行标志。
①禁止标志:包括禁止驶入、禁止左转弯、禁止右转弯和减速让行标志。
②禁止左转弯标志:表示前方路口禁止车辆向左转弯;③禁止右转弯标志:表示前路口禁止车辆向右转弯;④减速让行标志:表示车辆应减速让行。
2、指示标志:圆形直径d=60cm,按场地实际需要及驾驶员视距要求设置。
包括直行标志、左转弯标志、右转弯标志、直行左转弯标志、向左、右转弯标志。
地下车库设计中,常见的几种柱网分析背景概述地下车库设计中,常见柱网形式分别为以下几种:1.大柱网 7.8x(7.9 7.8) m;2.大小柱网 7.8x(6.1 4.8)m;3.小柱网 5.4x(6.14.8)m 。
本文就以上三种柱网结合梁板形式进行初步的成本分析:大柱网 7.8x(7.9 7.8)m 柱子截面550x550建筑面积:1508.13㎡车位数:72辆单车指标:20.95㎡/辆注:柱子位置距车头1425mm,影响驾驶位车门开启单向双次梁顶板——主梁高1000,次梁高900,成本607.2元/㎡负一层——主梁高600,次梁高500,成本317.9元/㎡注:1.顶板考虑1.2m覆土及消防荷载(35kN/m2);2.负一层楼板不考虑人防荷载。
井字梁顶板——主梁高900,次梁高700,成本622元/㎡负一层——主梁高550,次梁高450,成本336.8元/㎡无梁楼盖顶板——板厚300,成本467.1元/㎡负一层——板厚150,成本289.7元/㎡大小柱网 7.8x(6.1 4.8)m 柱子截面500x500建筑面积:1508.13㎡车位数:72辆单车指标:20.95㎡/辆单向梁顶板——主梁高850,次梁高800,成本556.3元/㎡负一层——主梁高600,次梁高500,成本317.8元/㎡注:1.顶板考虑1.2m覆土及消防荷载(35kN/㎡);2.负一层楼板不考虑人防荷载。
顶板——主梁高850,次梁高700,成本572.8元/㎡负一层——主梁高500,次梁高400,成本317.8元/㎡注:1.顶板考虑1.2m覆土及消防荷载(35kN/㎡);2.负一层楼板不考虑人防荷载。
顶板——板厚270,成本408元/㎡负一层板厚150 成本283.2元/㎡注:1.顶板考虑1.2m覆土及消防荷载(35kN/㎡);2.负一层楼板不考虑人防荷载。
小柱网 5.4x(6.1 4.8)m 柱子截面400x400建筑面积:1558.00㎡车位数:72辆单车指标:21.64㎡/辆单向梁顶板——主梁高700,次梁高650,成本511.3元/㎡负一层——主梁高500,次梁高400,成本309.8元/㎡注:1.顶板考虑1.2m覆土及消防荷载(35kN/㎡);2.负一层楼板不考虑人防荷载。
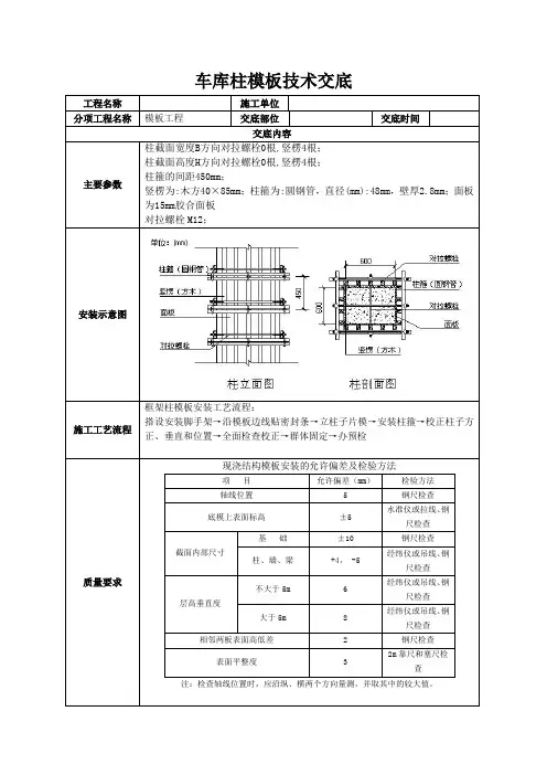
交底内容:地下车库及1-4#楼墙体、柱及门窗洞口模板施工技术交底6.4拆下的模板应及时清理粘结物,进行“一磨、一铲、一擦、一涂”四道工序,模板板面及边框、背楞等部位均要清理到位,拆下的扣件应及时集中收集管理。
6.5模板拆除后,对于结构的棱角部位,要进行保护,以防损伤结构成品。
四、质量标准:必须符合《混凝土结构工程施工及验收规范》( GB50204-2002)及相关规范要求。
1、主控项目:1.1安装上层模板时,下层楼板必须有足够的强度以满足承受上层荷载的能力,上下层支架的立柱应对准,并垫木方。
1.2在涂刷模板隔离剂时,不得沾污钢筋和混凝土接茬处。
2、一般项目:2.1模板的接缝不应漏浆,在混凝土浇筑前,木模板应浇水润湿,但模板内不应有积水;模板与混凝土的接触面应清理干净并涂刷隔离剂,但不得采用影响结构性能或妨碍装饰工程施工的隔离剂;浇筑混凝土前,模板内的杂物应清理干净。
2.2固定在模板上的预埋件、预留孔均不得遗漏,且应安装牢固。
3、模板制作及安装允许偏差项目:2010-12-7交底内容:地下车库及1-4#楼墙体、柱及门窗洞口模板施工技术交底模板拼装质量标准五、成品保护1、 上操作面前模板上的脱模剂不允许有流坠,以防污染结构成品。
2、 为防止破坏模板成品工序必须做到:严禁重物冲击已支好的模板、支撑;不 准在模板上任意拖拉钢筋。
3、 为保证板面质量,板面应随时清灰,及时涂刷新的隔离剂表 C1-3技术交底记录工程名称海洋新城西岭安置区交底部位地下车库及1-4#楼 工程编号交底内容:地下车库及1-4#楼墙体、柱及门窗洞口模板施工技术父底5.2模板加固各剪力墙体就位后,根据门窗的模板边线,在门窗的下口、左右两侧加设钢筋定位支撑,并与暗柱钢筋或墙体钢筋水平焊接。
并在模板的下部及侧面设预留孔,装入拉杆与预埋钢筋焊接牢固进行拉结。
6、模板的拆除:6.1模板拆除严格执行拆模申请制度,混凝土试块必须留置拆模同养试块,混凝土强度达到要求后方可拆除模板。
地下车库柱网的大小分析地下车库柱网的大”与小1、大柱网作为常规尺寸,7.8m*8.0m的柱网尺寸已经被广泛的应用于地下车库。
三个2400mm*5300mr的标准停车位,加上600mm吉构柱截面尺寸,造就了7800mm勺极致柱距(净距为7200mm。
5500mn!i勺车道净宽和两侧各1250mn!i勺车道退线,形成8000mrr<8100mm的柱网尺寸。
: >. :厂「_ ・$ J W 汀 * 一丫::▲双向大柱网2、大小柱网在大柱网的基础上,合理降低柱网尺寸能够有效降低结构构件截面尺寸,提高地下车库的经济性。
大小柱网是在满足三个2400mm*5300m的标准停车位的前提下,保持7800mn t勺柱距(净距为7200mm及5500mn车道净宽不变,将原柱网进深更改为6000mm 的车道进深和5050mm 勺车身进深。
3、小柱网在大小柱网的基础上我们进一步改变双侧柱网尺寸,得出满足两个2400mm*5300mm标准停车位的小柱网形式。
小柱网采用5200mn的柱距(净距为4800mm,将原柱网进深更改为5900mm勺车道进深和5100mnU^车身进深。
4、改进型小柱网小柱网形式对停车提出较高要求,转弯半径受限,为了改善这一现实情况,在小柱网形式的基础上衍生出改进型小柱网形式,柱距保持5200mm不变,将车道▲ 大小柱网▲ 小柱网进深加大至6900m (每侧各推进500mm ,车身进深缩减至4600m (每侧各缩 进 500mm 。
二、不同柱网形式的异同1. 不同柱网形式对单车位建筑面积的影响单车位建筑面积是地下车库的敏感问题之一,在单车位的平面尺寸不变的情况 下,大柱网形式米用600x600柱截面,小柱网形式因受荷面积减小米用 400x400柱截面,因此不同柱网形式对单车位的建筑面积无差异性影响。
2. 停车舒适性分析11▲ 改进型小柱网IIr-\T1/* 1/4■I''■30\不同柱网形式柱子位置不同,对车辆的转弯半径有一定影响,大柱网的停车舒适性最好,小柱网的停车舒适性一般,改进型小柱网形式的停车舒适性比大小柱网和小柱网形式的停车舒适性有一定改善▲ 大柱网▲ 大小柱网▲ 小柱网▲改进型小柱网3.视觉感受分析大柱网结构形式中,柱截面较大,柱子数量较少,视野较开阔。
停车位基础编码规则1范围本标准规定了停车位基础编码的设计原则、编码规则和简码编码规则。
本标准适用于智慧停车、智慧导航等领域。
2规范性引用文件下列文件中的条款通过本标准的引用而成为本标准的条款,凡是注日期的引用文件,其随后所有的修改单(不包括勘误的内容)或修订版均不适用于本标准,然而,鼓励根据本标准达成协议的各方研究是否可使用这些文件的最新版本。
凡是不注日期的引用文件,其最新版本适用于本标准。
GB/T2260中华人民共和国行政区划代码GB/T10114县级以下行政区划代码编制规则GB/T17710信息技术安全技术校验字符系统GB/T26559-2011机械式停车设备分类JB/T8713-1998机械式停车设备类别、形式和基本参数SZDB/Z3社区服务与综合管理信息化技术规范SZDB/Z4深圳市统一空间基础网格SZDB/Z26建筑物基本指标、功能分类及编码3术语和定义下列术语和定义适用于本标准。
3.1停车位编码parking lot code用于标示和识别停车位的代码。
3.2停车位空间区位parking lot space location停车位空间区位是指停车位对应的地理位置和三维空间区域的统一描述。
3.3停车位角点parking lot corner point停车位的四个角所在的点位,停车位的0号角点是停车位的右前点(原点),逆时针方向分别为1号点、2号点和3号点。
4设计原则4.1唯一性每一个停车位应赋予全国唯一的编码,编码生成后不可更改。
4.2规范性每一个停车位的各编码段应按照既定规则获得编码。
4.3简明性应使用尽可能短的编码包含尽可能多的重要信息,且各项信息清晰明确。
4.4实用性停车位编码应包含停车位的精准空间区位信息和时间信息,可用于停车管理服务和定位导航服务,空间定位精度为10厘米。
4.5可验证性停车位编码包含的停车位空间区位编码,计算机系统可自动验证其与周边停车位、周边建筑物结构和设施是否存在空间重叠和冲突,作为验证车位空间合法性的依据。