四川-钢筋加工检验批质量验收记录_SG-T027
- 格式:doc
- 大小:251.00 KB
- 文档页数:2
钢筋工程检验批质量验收记录(原材料钢筋加工) GB50204—2002α=135°l≥10dα≥90°l≥5d注:表中字母含义:α—弯曲角;r—弯弧内径;l—弯钩后平直长度;d—受力钢筋直径;d—箍筋直径;—钢筋抗拉强度实测值;—钢筋屈服强度实测值;—钢筋强度规范值。
钢筋工程检验批质量平行检验记载表〔原资料、钢筋加工〕GB50204—2002α=135°l≥10dα≥90°l≥5d注:表中字母含义:α—弯曲角;r—弯弧内径;l—弯钩后平直长度;d—受力钢筋直径;d—箍筋直径;—钢筋抗拉强度实测值;—钢筋屈服强度实测值;—钢筋强度规范值。
钢筋工程检验批质量平行检验记载表〔原资料、钢筋加工〕GB50204—2002α=135°l≥10dα≥90°l≥5d注:表中字母含义:α—弯曲角;r—弯弧内径;l—弯钩后平直长度;d—受力钢筋直径;d—箍筋直径;—钢筋抗拉强度实测值;—钢筋屈服强度实测值;—钢筋强度规范值。
钢筋工程检验批质量平行检验记载表〔原资料、钢筋加工〕GB50204—2002α=135°l≥10dα≥90°l≥5d注:表中字母含义:α—弯曲角;r—弯弧内径;l—弯钩后平直长度;d—受力钢筋直径;d—箍筋直径;—钢筋抗拉强度实测值;—钢筋屈服强度实测值;—钢筋强度规范值。
钢筋工程检验批质量平行检验记载表〔原资料、钢筋加工〕GB50204—2002α=135°l≥10dα≥90°l≥5d注:表中字母含义:α—弯曲角;r—弯弧内径;l—弯钩后平直长度;d—受力钢筋直径;d—箍筋直径;—钢筋抗拉强度实测值;—钢筋屈服强度实测值;—钢筋强度规范值。
钢筋工程检验批质量平行检验记载表〔原资料、钢筋加工〕GB50204—2002α=135°l≥10dα≥90°l≥5d注:表中字母含义:α—弯曲角;r—弯弧内径;l—弯钩后平直长度;d—受力钢筋直径;d—箍筋直径;—钢筋抗拉强度实测值;—钢筋屈服强度实测值;—钢筋强度规范值。
钢筋加工检验批质量验收记录一、项目基本信息项目名称:项目地点:参建单位:监理单位:施工单位:钢筋加工单位:检验批号:检验日期:二、验收内容1. 钢筋质量验收1.1 钢筋型号钢筋牌直径(mm)钢筋道规格(mm)加工长度(m)加工数量(根)备注号数1.2 加工质量验收验收标准:按照《钢筋混凝土结构工程施工质量验收规范》(GB 50204)的要求进行验收。
验收结果:•[ ] 合格•[ ] 不合格具体验收情况:(此处填写钢筋加工质量验收情况)1.3 钢筋数量确认1.3.1 验收点1钢筋加工段(米)预定数量(根)实际数量(根)备注1.3.2 验收点2钢筋加工段(米)预定数量(根)实际数量(根)备注2. 检验设备验收2.1 设备名称设备名称生产厂家型号规格验收日期验收人2.2 设备验收结果•[ ] 合格•[ ] 不合格具体验收情况:(此处填写设备验收情况)三、验收结论经过质量验收,本次钢筋加工检验批验收结果如下:验收项目验收结论钢筋质量验收加工质量验收钢筋数量确认检验设备验收验收结果:•[ ] 合格•[ ] 不合格验收结论:(验收结论的详细内容)四、相关附件1.钢筋加工质量检验报告2.加工设备验收报告3.相关验收记录照片(如有)五、备注(此处填写其他需要补充的信息)以上为钢筋加工检验批质量验收记录。
钢筋工程检验批质量验收记录一、项目概述钢筋工程是建筑工程中的重要组成部分,检验钢筋质量的验收记录是确保工程质量合格的重要环节。
本文档将详细记录钢筋工程检验批的质量验收过程。
二、验收日期记录本次钢筋工程检验批的验收日期为_________________。
三、项目信息项目名称:_______________项目地址:_______________建设单位:_______________施工单位:_______________监理单位:_______________四、检验批编号本次钢筋工程检验批的编号为:_______________五、施工材料准备及现场布置在开始进行钢筋工程检验前,施工单位需完成以下准备工作:1. 确保施工现场的安全和整洁。
2. 准备好所需的检测设备和工具。
3. 将本次检验批所使用的钢筋材料进行整理和摆放。
4. 确保现场施工人员具备必要的安全防护措施。
六、质量验收内容本次钢筋工程检验批的质量验收内容包括以下几个方面:1. 钢筋材料检验:a. 检验钢筋材料的品牌、型号及规格是否符合设计要求。
b. 检查钢筋的表面质量,是否有明显的锈蚀、损伤等。
c. 测量钢筋的直径和长度,与设计要求进行比对。
d. 进行抽样检测,并送往实验室进行材料性能测试。
2. 钢筋加工验收:a. 检查钢筋的加工方式和加工质量是否符合设计要求。
b. 检验钢筋的连接方式和连接质量,确保连接紧固可靠。
c. 检查钢筋的折弯情况,确保折弯角度和位置准确无误。
3. 钢筋安装验收:a. 检查钢筋的位置和间距是否与设计要求一致。
b. 检验钢筋的嵌入深度,确保符合设计要求。
c. 检查钢筋与混凝土的粘结情况,是否牢固无松动。
d. 检查钢筋的支撑和固定方式,确保稳定可靠。
七、质量验收结果及记录根据钢筋工程检验批的质量验收内容,以下是本次验收结果的记录:1. 钢筋材料检验结果:a. 品牌、型号及规格是否符合设计要求:_________________b. 表面质量是否良好:_________________c. 钢筋直径和长度是否满足设计要求:_________________d. 材料性能测试结果:_________________2. 钢筋加工验收结果:a. 加工质量是否符合设计要求:_________________b. 连接方式和连接质量是否牢固可靠:_________________c. 钢筋折弯角度和位置是否准确无误:_________________3. 钢筋安装验收结果:a. 位置和间距是否符合设计要求:_________________b. 钢筋嵌入深度是否符合设计要求:_________________c. 钢筋与混凝土的粘结是否牢固无松动:_________________d. 钢筋支撑和固定方式是否稳定可靠:_________________八、质量问题处理与整改措施若在质量验收过程中发现问题,需及时处理和整改。
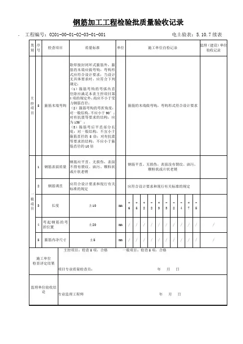
SG—T040钢筋加工检验批质量验收记录工程名称综合楼工程分项工程名称钢筋加工验收部位5月8日上午、下午加工的¢10、¢12、¢14、¢22、¢25主体框架一层、第一段施工单位四川省第十建筑工程公司项目负责人刘强专业工长王波施工班组长李波施工执行标准及编号质量验收验收的规定施工单位检查评定记录监理(建设)单位验收记录四川省建设厅制SG—T040填写说明一、本表适用于钢筋加工检验批质量验收记录。
二、钢筋加工检验批质量验收由监理工程师(建设单位技术负责人)组织施工单位项目专业质量(技术)负责人等进行验收。
三、检验批的划分:钢筋加工按工作班划分为若干个检验批。
四、检验数量:按每工作班同一类型钢筋、同一加工设备抽查不应少于3件。
五、表中主控项目的检查方法:1.受力钢筋的弯钩和弯折应符合以下规定:(1).HPB235级钢筋末端应做180°弯钩,其弯弧内直径≥,弯后平直部分≥3D;(2).当设计要求钢筋末端做135°弯钩时,HRB335级、HRB400级钢筋弯弧内直径≥4D,弯后平直长度应符合设计要求。
(3).钢筋做不大于90°弯折时,弯折处的弯弧内直径≥5D。
检查方法:钢尺检查。
2.除焊接封闭环式箍筋外,箍筋的末端应做弯钩,弯钩形式应符合设计要求;当设计无具体要求时,应符合以下规定:(1).箍筋弯钩的弧内直径除应满足第1条的规定外,尚应不小于受力钢筋直径(2).箍筋的弯折角度:一般结构≥90°,有抗震要求的结构应为135°;(3).箍筋弯后的平直长度:一般结构≥5D,有抗震要求的结构≥10D。
检查方法:钢尺检查。
六、表中一般项目的检查方法:1.钢筋的调直:宜采用机械方法,也可用冷拉方法;当采用冷拉方法时,HPB235级钢筋的冷拉率宜≤4%,HRB335级、HRB400级和RRB400级钢筋的冷拉率宜≤1%。
2.检查方法:观察、钢尺检查。
七、表中标准偏差由设计给定值和实际值比较而得。
钢筋工程检验批质量验收记录一、项目总体情况项目名称:_____________________________________项目地址:_____________________________________施工单位:_____________________________________监理单位:_____________________________________质检单位:_____________________________________二、验收人员姓名职务电话___________________________________________________ ___________________________________________________ ___________________________________________________三、质量验收内容1. 钢筋的规格、型号及数量钢筋型号:_____________________________________钢筋数量:_____________________________________2. 钢筋的表面质量验收标准:钢筋表面不得有明显的错齿、薄壁、裂纹和明显的锈蚀。
验收结果:_____________________________________3. 钢筋的尺寸检验验收标准:钢筋长度、宽度、直径应符合设计要求。
验收结果:_____________________________________4. 钢筋的弯曲性能验收标准:应不发生断裂、明显的裂纹或弯曲变形。
验收结果:_____________________________________5. 钢筋的拉伸强度检验验收标准:钢筋的拉伸强度应符合设计要求。
6. 钢筋的焊接接头检验验收标准:焊接接头应牢固、无裂纹、无气孔、无未熔合现象。
验收结果:_____________________________________7. 其他质量验收内容(根据实际需要添加)四、质量问题记录与整改情况序号质量问题描述责任单位整改措施与情况备注—————————————————————————————————————————————————————————————————————————————————————————————————————————————————————五、质量验收结论依据以上质量验收内容和记录,经过检查确认,该批钢筋工程的质量符合设计要求,并达到验收标准。
SG—T027 钢筋加工检验批质量验收记录四川省建设厅制SG—T027填写说明一、本表适用于钢筋加工检验批质量验收记录。
二、钢筋加工检验批质量验收由监理工程师(建设单位技术负责人)组织施工单位项目专业质量(技术)负责人等进行验收。
三、检验批的划分:钢筋加工按工作班划分为若干个检验批。
四、检验数量:按每工作班同一类型钢筋、同一加工设备抽查不应少于3件。
五、表中主控项目的检查方法:1.受力钢筋的弯钩和弯折应符合以下规定:A.HPB235级钢筋末端应做180°弯钩,其弯弧内直径≥2.5D,弯后平直部分≥3D;B.当设计要求钢筋末端做135°弯钩时,HRB335级、HRB400级钢筋弯弧内直径≥4D,弯后平直长度应符合设计要求。
C.钢筋做不大于90°弯折时,弯折处的弯弧内直径≥5D。
检查方法:钢尺检查。
2.除焊接封闭环式箍筋外,箍筋的末端应做弯钩,弯钩形式应符合设计要求;当设计无具体要求时,应符合以下规定:A.箍筋弯钩的弧内直径除应满足第1条的规定外,尚应不小于受力钢筋直径B.箍筋的弯折角度:一般结构≥90°,有抗震要求的结构应为135°;C.箍筋弯后的平直长度:一般结构≥5D,有抗震要求的结构≥10D。
检查方法:钢尺检查。
六、表中一般项目的检查方法:1.钢筋的调直:宜采用机械方法,也可用冷拉方法;当采用冷拉方法时,HPB235级钢筋的冷拉率宜≤4%,HRB335级、HRB400级和RRB400级钢筋的冷拉率宜≤1%。
2.检查方法:观察、钢尺检查。
七、表中标准偏差由设计给定值和实际值比较而得。
八、表中“D”为钢筋直径,长度单位均为“mm”。
九、本表一式四份,建设、监理单位各存一份,施工单位两份。