楼梯木扶手安装技术交底
- 格式:doc
- 大小:42.00 KB
- 文档页数:2
一、工程名称:____________________二、施工单位:____________________三、分项工程名称:室内楼梯扶手安装四、施工部位:____________________五、交底内容:1. 施工人员安全要求:1.1 施工人员进入施工现场必须佩戴安全帽,扣好帽带。
1.2 严格遵守操作规程,不得违章作业。
1.3 做好个人防护,穿戴符合规定的劳动防护用品。
1.4 高处作业时,必须佩戴安全带,并做到高挂低用。
1.5 禁止酒后作业,确保施工安全。
2. 施工现场安全要求:2.1 施工现场应设置明显的警示标志,提醒施工人员注意安全。
2.2 施工现场应保持整洁,严禁乱堆乱放材料、工具等。
2.3 高处作业时,应设置安全防护设施,如防护栏、安全网等。
2.4 严禁在施工现场吸烟、使用明火等。
3. 楼梯扶手安装安全要求:3.1 楼梯扶手材料应符合国家标准,不得使用不合格材料。
3.2 安装前,应检查楼梯扶手的尺寸、形状是否符合设计要求。
3.3 楼梯扶手安装应牢固,连接部位应采用焊接、螺栓连接等方式。
3.4 楼梯扶手高度应符合国家标准,扶手与楼梯踏步的距离应适宜。
3.5 楼梯扶手安装过程中,应注意保护楼梯踏步、墙面等部位,避免损坏。
4. 作业活动潜在危险因素及预防措施:4.1 危险因素:登高作业、电动工具使用、构件锋利易伤手等。
4.2 预防措施:4.2.1 高处作业时,必须佩戴安全带,并做到高挂低用。
4.2.2 使用电动工具时,应确保工具完好,操作人员熟悉操作规程。
4.2.3 避免直接接触锋利构件,操作时应佩戴防护手套。
4.2.4 施工现场应设置警示标志,提醒施工人员注意危险。
5. 事故应急处理:5.1 发现安全隐患,应立即停止作业,并向项目负责人报告。
5.2 发生事故时,应立即采取紧急措施,确保伤者安全。
5.3 报告事故情况,配合相关部门进行调查处理。
六、交底部门:____________________七、交底人:____________________八、施工期限:____________________九、接受交底班组或员工签名:____________________十、备注:本交底内容仅供参考,具体施工过程中应根据实际情况进行调整。
楼梯、把手安装技术交底尊敬的施工队伍:根据项目需求,本文档旨在对楼梯和把手的安装技术进行交底,确保工作顺利进行并提供一个安全可靠的环境。
1. 楼梯安装要点1.1 材料准备确保楼梯安装所需的材料齐全,包括楼梯踏步、楼梯扶手、楼梯梯级、楼梯支脚等。
1.2 安装位置确定根据设计图纸和标准规范,确认楼梯的安装位置。
确保楼梯与楼层之间的连接平稳并符合安全要求。
1.3 固定支撑在安装楼梯之前,确保楼梯的支撑点均匀且牢固。
使用合适的螺栓和固定材料,将楼梯固定在地面上。
1.4 安装梯级根据设计要求,逐个将梯级安装到楼梯扶手之间。
确保每个梯级与楼梯扶手之间的间距均匀一致,以提供稳定的踏步体验。
1.5 检查安全性在楼梯安装完成后,进行全面的安全检查。
确保楼梯的承重能力,排查可能存在的安全隐患,并进行必要的调整和修复。
2. 把手安装要点2.1 材料准备选择合适的把手材料,通常使用金属或塑料材质。
确保把手材料耐久、防滑,并能承受一定的重量。
2.2 安装位置确认根据需要,确定把手的安装位置。
把手通常安装在楼梯的一侧或两侧,以提供足够的支撑和平衡。
2.3 安装方式将把手用螺丝或其他合适的固定装置固定在楼梯的侧面。
确保把手与楼梯之间的连接紧密可靠,以保证使用者的安全。
2.4 补充防护确认把手安装完成后,对连接处进行检查。
如有需要,添加防护罩或其他保护设施,以减少意外伤害的发生。
结论楼梯和把手的安装是保障建筑安全的重要环节。
通过本文档的技术交底,我们期望施工队伍能按照以上要点,确保楼梯和把手的安装质量,切实保障使用者的安全。
感谢各位的合作与努力!*请在此处添加任何需要补充的信息。
*。
一、交底对象1. 施工单位全体施工人员2. 监理单位相关人员3. 使用单位相关人员二、交底时间(具体时间)三、交底地点(具体地点)四、交底内容1. 楼梯间扶手安装工程概况(1)工程名称:__________(2)工程地点:__________(3)工程规模:__________(4)施工期限:__________2. 楼梯间扶手安装工程安全技术要求(1)施工前准备:1)熟悉施工图纸,了解工程概况及施工要求;2)组织施工人员进行安全技术培训,提高安全意识;3)制定施工方案,明确施工流程、质量要求及安全措施;4)落实施工安全责任制,明确各岗位人员的安全职责。
(2)施工过程中安全技术要求:1)施工人员必须穿戴好安全帽、安全带等个人防护用品;2)施工现场应设置安全警示标志,确保施工安全;3)施工人员上下楼梯时,必须抓稳扶手,严禁攀登、跳跃;4)施工过程中,严禁在楼梯间进行焊接、切割等高温作业,以防火灾发生;5)施工过程中,如需使用梯子,必须确保梯子稳固,上下梯子时,必须握紧扶手;6)施工过程中,严禁在楼梯间堆放材料、杂物,确保通道畅通;7)施工过程中,如遇突发情况,应立即停止施工,撤离现场,并及时上报相关部门。
(3)施工完成后安全技术要求:1)扶手安装完成后,应进行验收,确保其符合设计要求;2)验收合格后,应及时清理施工现场,恢复原状;3)对施工过程中出现的安全隐患,应及时整改,消除安全隐患;4)对施工过程中发生的意外事故,应立即上报相关部门,并做好事故调查处理工作。
3. 楼梯间扶手安装工程注意事项(1)施工人员应严格按照施工方案进行施工,确保施工质量;(2)施工过程中,应密切注意施工安全,避免发生意外事故;(3)施工完成后,应对施工现场进行清理,确保施工环境整洁;(4)加强施工过程中的安全巡查,及时发现并整改安全隐患;(5)加强施工人员的安全教育,提高安全意识。
五、交底要求1. 施工单位应将本次安全技术交底内容传达到所有施工人员;2. 监理单位应对施工单位的安全技术交底进行监督,确保施工安全;3. 使用单位应关注施工过程中的安全状况,发现安全隐患及时上报;4. 施工单位应将安全技术交底记录存档备查。
栏杆、扶手工程技术交底标题:栏杆、扶手工程技术交底引言概述:栏杆、扶手是建造工程中不可或者缺的部份,既能美化建造外观,又能提供安全保障。
在进行栏杆、扶手工程时,技术交底是非常重要的环节,惟独确保技术交底准确无误,才干保证工程质量和安全性。
一、栏杆、扶手的选材1.1 选择合适的材料:栏杆、扶手的选材应考虑建造风格、使用环境等因素,常见的材料有不锈钢、铝合金、玻璃等。
1.2 考虑材料的耐久性:栏杆、扶手需经受长期的风吹雨打,因此选材时要考虑材料的耐候性和耐腐蚀性。
1.3 确保材料符合相关标准:栏杆、扶手的材料应符合国家相关标准,保证其质量和安全性。
二、栏杆、扶手的设计2.1 合理设计结构:栏杆、扶手的设计应考虑到承载力、稳定性等因素,确保其结构合理、稳固。
2.2 考虑人体工程学:栏杆、扶手的设计应符合人体工程学原理,高度、形状等要符合人体的使用习惯。
2.3 考虑美观性:栏杆、扶手的设计也要考虑到建造整体风格,确保其与建造外观协调一致。
三、栏杆、扶手的安装3.1 确保安装坚固:栏杆、扶手的安装应由专业人员进行,确保安装坚固,不会浮现晃动或者脱落的情况。
3.2 考虑安全防护:在安装栏杆、扶手时,要考虑到安全防护措施,避免因安装不当而造成意外伤害。
3.3 检查安装质量:安装完成后要对栏杆、扶手进行全面检查,确保每一个连接处都安装正确,没有质量问题。
四、栏杆、扶手的维护4.1 定期清洁:栏杆、扶手应定期清洁,避免积尘和污垢影响外观和使用寿命。
4.2 检查损坏情况:定期检查栏杆、扶手是否有损坏或者松动现象,及时进行修复。
4.3 防腐涂层处理:对于金属材料的栏杆、扶手,应定期涂抹防腐涂层,延长其使用寿命。
五、栏杆、扶手的验收5.1 检查工程质量:在工程完工后,应由相关部门进行验收,检查栏杆、扶手的质量是否符合相关标准。
5.2 检查安全性能:验收时还要检查栏杆、扶手的安全性能,确保其能够承受一定的荷载和冲击。
5.3 修复问题:如发现质量问题或者安全隐患,应及时修复,确保栏杆、扶手工程符合规范要求。
一、工程名称:(此处填写工程名称)二、施工单位:(此处填写施工单位名称)三、交底部门:(此处填写交底部门名称)四、交底人:(此处填写交底人姓名及职务)五、施工期限:(此处填写施工期限,如:年月日至年月日)六、接受交底班组或员工签名:(此处填写接受交底班组或员工签名)七、交底内容:1. 进入施工现场的操作人员必须佩戴安全帽,扣好帽带。
严禁穿硬底鞋、高跟鞋作业。
2. 高处作业时,应设置安全防护设施,如防护栏杆、安全网等。
如无可靠防护措施,必须佩戴安全带,并扣好带扣。
3. 操作人员应严格遵守操作规程,确保施工安全。
在施工过程中,应密切注意周围环境,防止发生意外。
4. 扶手安装前,应对施工现场进行清理,确保作业区域整洁。
不得在扶手安装区域堆放杂物。
5. 扶手安装过程中,应确保扶手与墙体、地面等构件连接牢固。
严禁使用不合格的材料。
6. 安装扶手时,应使用专用工具,如扳手、螺丝刀等。
工具使用完毕后,应及时收回,避免丢失或伤人。
7. 安装扶手时,操作人员应站在稳固的支点上,避免因脚手架不稳而坠落。
8. 扶手安装过程中,若发现墙体、地面等构件存在裂缝、松动等情况,应及时报告并采取措施进行处理。
9. 安装扶手时,操作人员应保持高度警惕,防止因操作不当导致扶手脱落、倾倒等事故。
10. 安装完成后,应对扶手进行检查,确保其牢固、美观。
如发现质量问题,应及时整改。
11. 施工现场应设置警示标志,提醒过往人员注意安全。
12. 施工过程中,操作人员应保持通讯畅通,以便及时沟通和协调。
八、注意事项:1. 扶手安装过程中,严禁酒后作业、疲劳作业。
2. 作业人员应熟悉扶手安装的施工工艺和操作规程。
3. 施工现场应配备必要的应急救援设施,如急救箱、灭火器等。
4. 施工过程中,如遇恶劣天气,应暂停施工,确保作业人员安全。
5. 施工结束后,应对施工现场进行清理,恢复原状。
九、验收标准:1. 扶手安装牢固,无松动、脱落现象。
2. 扶手表面平整,无明显划痕、凹凸不平。
一、交底目的为确保楼梯扶手安装施工过程中的安全,防止安全事故发生,提高施工人员的安全意识和操作技能,特进行本次安全技术交底。
二、施工人员要求1. 所有参与楼梯扶手安装施工的人员必须经过专业培训,具备相应的操作技能和安全知识。
2. 施工人员进入施工现场必须佩戴好安全帽,扣好帽带,并穿戴必要的劳动防护用品,如安全鞋、手套等。
3. 施工人员应严格遵守施工现场的各项规章制度,听从现场管理人员的指挥。
三、施工安全注意事项1. 现场安全措施:- 施工现场应设置明显的安全警示标志,包括“小心滑倒”、“禁止通行”等。
- 施工现场应保持整洁,及时清理施工垃圾和废弃物,防止绊倒事故。
- 在施工区域设置安全隔离带,防止无关人员进入施工区域。
2. 楼梯扶手安装安全操作:- 在进行楼梯扶手安装前,应检查所有材料是否完好无损,不得使用有缺陷的材料。
- 安装楼梯扶手时,应使用适当的工具和设备,确保扶手的牢固性。
- 安装过程中,应保持梯子的稳定性,不得站在梯子的顶部或边缘。
- 在高空作业时,必须使用安全带,并确保安全带系紧。
3. 电气安全:- 使用电动工具时,必须由专业电工进行操作,并确保电气设备完好。
- 在使用电动工具时,应确保电源线绝缘良好,防止触电事故。
- 严禁私拉乱接电线,确保电气线路安全。
4. 个人防护:- 施工人员应穿戴符合标准的个人防护用品,如安全帽、防护眼镜、耳塞等。
- 高温作业时,应采取相应的防暑降温措施。
四、应急措施1. 事故报告:一旦发生安全事故,应立即停止施工,并及时上报事故情况。
2. 急救措施:施工现场应配备急救箱,并配备具备急救知识的人员。
3. 应急预案:针对可能发生的事故,应制定相应的应急预案,并定期进行演练。
五、交底人及日期交底人:___________交底日期:___________六、接受人接受人:___________接受部门:___________七、备注1. 本安全技术交底应作为施工人员上岗前的培训资料,并要求施工人员认真学习并掌握。
一、工程名称:_________楼_________层楼梯扶手安装工程二、施工单位:_________公司三、分项工程名称:楼梯扶手安装四、施工部位:_________楼_________层楼梯五、交底内容:1. 施工人员进入施工现场必须戴好安全帽,扣好帽带。
带好必要的劳动防护用品,如手套、防滑鞋等。
2. 作业前,施工人员应充分了解施工现场环境,熟悉施工图纸和施工方案,明确作业流程及注意事项。
3. 楼梯扶手安装前,应对施工现场进行清理,确保施工环境整洁,无杂物。
4. 安装过程中,施工人员应遵守以下安全操作规程:a. 使用电动工具时,必须佩戴绝缘手套,确保操作安全。
b. 在安装扶手时,应使用梯子,梯子应放置稳固,施工人员应站在梯子的中间部位,防止梯子滑动。
c. 搬运材料时,应使用手推车或滚轮等工具,避免直接搬运重物,防止扭伤、摔伤等事故发生。
d. 在高空作业时,必须佩戴安全带,并确保安全带连接牢固,防止坠落。
e. 安装扶手时,应注意扶手与墙体、楼板等构件的连接,确保连接牢固可靠。
5. 施工过程中,如遇以下情况,应立即停止作业,并采取相应措施:a. 梯子滑动或倾斜,应立即固定梯子,确保稳定。
b. 扶手安装过程中,发现墙体、楼板等构件存在安全隐患,应立即停止作业,并向相关部门报告。
c. 作业过程中,发现他人或自己身体不适,应立即停止作业,并寻求帮助。
6. 作业结束后,施工人员应清理施工现场,将材料、工具等物品归位,确保现场整洁。
六、安全措施:1. 施工单位应设立安全警示标志,提醒施工人员注意安全。
2. 施工现场应设置安全通道,确保施工人员通行安全。
3. 施工单位应定期对施工人员进行安全教育培训,提高施工人员的安全意识。
4. 施工单位应配备必要的安全防护用品,如安全帽、安全带、防滑鞋等,确保施工人员作业安全。
七、交底人:_________(施工负责人)八、接受交底人:_________(施工人员)九、交底日期:____年____月____日十、备注:1. 本安全技术交底适用于楼梯扶手安装工程。
一、工程名称:[工程名称]二、施工单位:[施工单位名称]三、工程地点:[工程地点]四、施工期限:[施工期限]五、交底部门:[交底部门名称]六、交底人:[交底人姓名]七、接受交底班组或员工签名:[班组或员工签名]八、交底内容:1. 安全意识教育(1)所有参与楼道扶手安装的施工人员必须认真学习并严格遵守国家及地方有关安全生产的法律法规和标准。
(2)加强安全意识,提高自我保护能力,确保施工安全。
2. 施工现场安全措施(1)施工现场应设置明显的安全警示标志,提醒施工人员注意安全。
(2)施工现场应设置安全通道,确保施工人员通行畅通。
(3)施工现场应设置临时防护设施,如安全网、护栏等,防止施工人员坠落。
3. 个人防护用品(1)施工人员必须佩戴安全帽、安全带、防滑鞋等个人防护用品。
(2)高处作业时,必须佩戴安全带,并系好安全带。
4. 施工工艺与操作规程(1)施工前,应详细阅读施工图纸,了解施工要求。
(2)施工过程中,严格按照施工工艺和操作规程进行,确保施工质量。
(3)安装扶手时,应先固定立柱,再安装扶手,确保扶手牢固可靠。
5. 施工现场管理(1)施工现场应保持整洁,及时清理施工垃圾,防止施工垃圾造成安全事故。
(2)施工现场应设置专人负责安全管理工作,确保施工现场安全。
6. 应急预案(1)制定楼道扶手安装施工过程中的应急预案,确保发生安全事故时能够迅速、有效地进行处理。
(2)施工人员应熟悉应急预案,提高应急处置能力。
7. 交底总结(1)本次安全技术交底,对楼道扶手安装施工过程中的安全注意事项进行了详细说明。
(2)施工人员应认真学习并严格遵守各项安全规定,确保施工安全。
九、注意事项1. 施工过程中,如发现安全隐患,应立即停止施工,并及时报告相关部门。
2. 施工人员应严格按照施工图纸和操作规程进行施工,确保施工质量。
3. 施工过程中,应加强沟通协调,确保施工顺利进行。
请各施工人员认真学习并严格遵守以上安全技术交底内容,确保楼道扶手安装施工安全、顺利进行。
一、交底目的为确保楼梯扶手施工过程中的安全,提高施工质量,特进行本次安全技术交底。
二、交底内容1. 施工人员安全教育培训(1)施工前,对施工人员进行安全教育培训,使其了解楼梯扶手施工过程中的安全注意事项。
(2)培训内容包括:施工安全法规、安全操作规程、个人防护用品的使用、常见事故预防与处理等。
2. 施工现场安全管理(1)施工现场应设置明显的安全警示标志,提醒施工人员注意安全。
(2)施工现场应保持整洁,不得堆放杂物,确保通道畅通。
(3)施工过程中,禁止酒后作业、疲劳作业,确保施工人员精力充沛。
3. 施工材料与设备管理(1)施工材料应按照设计要求进行选用,确保材料质量符合标准。
(2)施工设备应定期检查、维护,确保设备运行正常。
(3)施工过程中,禁止使用不合格的材料和设备。
4. 施工工艺与操作要点(1)楼梯扶手施工应按照设计图纸和施工方案进行。
(2)施工过程中,应确保扶手与楼面、墙面的连接牢固,防止扶手脱落。
(3)扶手安装时,应确保扶手与楼面、墙面的垂直度,避免倾斜。
(4)扶手安装完成后,应进行验收,确保质量符合要求。
5. 施工安全防护措施(1)施工人员应佩戴安全帽、安全带等个人防护用品。
(2)施工现场应设置安全网、安全绳等安全防护设施。
(3)施工过程中,禁止攀爬扶手进行作业。
(4)施工区域应设置围挡,防止非施工人员进入。
6. 应急预案(1)施工现场应制定应急预案,包括火灾、触电、物体打击等事故的应急处理措施。
(2)施工人员应熟悉应急预案,确保在紧急情况下能够迅速采取有效措施。
三、交底时间本次安全技术交底时间为[具体日期],由[负责人姓名]主持。
四、交底要求1. 施工人员应认真听取安全技术交底,确保理解并掌握交底内容。
2. 施工过程中,应严格遵守安全操作规程,确保施工安全。
3. 施工单位应加强对施工现场的监督检查,确保安全措施落实到位。
五、附则1. 本安全技术交底模板适用于楼梯扶手施工全过程。
2. 施工单位可根据实际情况对模板进行修改和完善。
楼梯扶手安装施工等安全技术交底一、引言本文档旨在对楼梯扶手安装施工相关的安全技术进行详细介绍和交底。
楼梯扶手作为楼梯的重要组成部分,对人们的行走安全起到重要作用。
正确安装和施工是确保楼梯扶手功能正常、牢固可靠的关键。
二、选择扶手材料1.在选择扶手材料时,需要考虑以下因素:–环境适应性:扶手材料需要能够适应楼梯所处的环境,例如室内还是室外、湿润还是干燥等。
–耐用性:扶手材料需要具备一定的耐久性,能够经受日常使用和压力。
–安全性:扶手材料需要具备良好的防滑性,以避免用户在使用过程中滑倒。
–美观性:扶手材料需要与楼梯的整体设计相协调,具备一定的美观度。
2.常用的楼梯扶手材料包括:–木质扶手:木质扶手具有良好的环保性和触感,适用于室内使用。
–金属扶手:金属扶手可以选用不同金属材料,如铁、铝、不锈钢等,具有耐久性和美观性。
–PVC扶手:PVC扶手具有防滑性和易清洁的优点,适用于湿润环境。
三、扶手安装位置和高度要求1.楼梯扶手的安装位置和高度要根据国家相关标准来确定,以确保使用者的安全。
以下是一些常见的安装位置和高度要求:–扶手应安装在楼梯的一侧或两侧,以提供使用者必要的支持。
–扶手的高度应根据楼梯的具体情况确定,一般要求在900mm至1100mm之间。
2.安装扶手时需要注意以下细节:–扶手与楼梯墙壁之间应保留适当的间隙,以免扶手受力后挤压楼梯墙壁。
–扶手的连接点应牢固可靠,使用螺栓或其他固定装置进行固定。
–扶手的末端需要进行适当的处理,以防止使用者撞击和划伤。
四、扶手固定方式1.扶手可以通过以下方式进行固定:–壁面固定:扶手通过螺栓或其他固定装置直接固定在墙壁上。
–柱子固定:扶手通过柱子固定在楼梯扶手扶杆上。
2.固定扶手时需要注意以下细节:–固定装置需要具备足够的强度和稳定性,能够承受使用者施加的力。
–固定装置的数量和位置应符合相关标准要求,以确保扶手的固定牢固可靠。
五、扶手表面处理1.为了提高扶手的舒适性和安全性,可以进行以下表面处理:–防滑处理:扶手表面可以采用防滑材料,如防滑胶或防滑纹理,以提供额外的安全性。
一、工程名称:[工程名称]二、施工单位:[施工单位名称]三、施工班组:[施工班组名称]四、施工期限:[开始日期]至[结束日期]五、接受交底人员:[接受交底人员姓名及岗位]六、交底内容:1. 安全生产方针和目标(1)严格遵守国家安全生产法律法规和行业标准。
(2)确保施工人员生命安全和身体健康。
(3)提高施工质量和效率,确保工程按时完成。
2. 楼道扶手安装工程安全技术交底(1)施工人员必须佩戴安全帽,系好安全带,穿防滑鞋,确保施工安全。
(2)施工前,对施工现场进行全面检查,清除施工区域内的障碍物,确保施工环境安全。
(3)施工人员应熟悉扶手安装工艺,了解扶手材料性能,掌握安装工具的正确使用方法。
(4)扶手安装过程中,注意扶手安装位置是否正确,确保扶手高度符合设计要求。
(5)扶手安装时,严禁站在扶手上方或边缘作业,以防发生坠落事故。
(6)扶手安装过程中,注意扶手与墙体连接牢固,避免扶手松动、脱落。
(7)安装扶手时,如需使用梯子,必须选择稳固的梯子,并确保梯子与墙面保持垂直。
(8)扶手安装过程中,注意防止尖锐物体划伤,如需切割扶手,请使用专用工具。
(9)扶手安装完成后,进行自检,确保扶手安装质量符合设计要求。
(10)施工过程中,严格遵守施工现场管理制度,服从现场指挥。
3. 应急措施(1)如发生人员坠落事故,立即组织救援,并报告上级领导。
(2)如发生扶手脱落事故,立即停止施工,对脱落原因进行调查,并采取措施防止类似事故再次发生。
(3)施工现场发生火灾,立即启动应急预案,组织人员疏散,并报告消防部门。
七、交底要求1. 施工单位应将本安全技术交底内容传达给所有施工人员。
2. 施工人员应认真学习安全技术交底内容,掌握施工过程中的安全注意事项。
3. 施工单位应定期对施工人员进行安全教育培训,提高施工人员的安全意识。
4. 施工过程中,如发现安全隐患,应立即采取措施消除。
5. 施工单位应定期对施工现场进行检查,确保施工安全。
完整版)楼梯扶手安装安全技术交底
楼梯扶手安装安全技术交底
介绍
本文档旨在向相关人员介绍楼梯扶手安装的安全技术交底事项。
安装前准备
在安装楼梯扶手之前,需要进行以下准备工作:
1.准备好合适的扶手材料和工具。
2.确保工具的完好和安全可靠性。
3.检查扶手材料的质量,并确保其符合相关安全标准。
4.清理安装区域,确保没有杂物和障碍物。
安装过程
按照以下步骤进行楼梯扶手的安装:
1.对扶手进行测量,确定所需长度。
2.在合适的位置标记扶手安装点。
3.使用工具在标记点处打孔。
4.将扶手固定在标记点上,并确保牢固稳定。
5.进行力度和质量的检查,确保扶手安装正确。
安全注意事项
在进行楼梯扶手安装时,应注意以下安全事项:
1.在进行任何工作之前,确保工作区域安全无隐患。
2.使用适当的个人防护装备,如手套和护目镜。
3.根据扶手材料的要求,选择适当的工具和固定装置。
4.保持工作区域整洁,并及时清理掉产生的碎片和废料。
5.定期检查已安装扶手的状态,如果发现有松动或损坏,应及时进行修复或更换。
总结
本文档介绍了楼梯扶手安装的安全技术交底事项,包括安装前准备、安装过程和安全注意事项。
通过遵循这些指导,可以确保扶手的安全安装,并提供更加舒适和安全的楼梯使用环境。
一、交底目的为确保楼梯间扶手安装和使用过程中的安全,预防事故发生,特制定本安全技术交底。
二、交底对象1. 施工单位项目负责人2. 安装班组长3. 安装人员4. 监理单位相关人员进行监督和检查三、交底内容1. 楼梯间扶手安装前的安全准备(1)施工人员应熟悉楼梯间扶手的结构、材质、规格及安装要求。
(2)施工前应检查施工现场的安全防护设施,确保符合国家相关安全标准。
(3)施工人员应穿戴好个人防护用品,如安全帽、安全带、防滑鞋等。
2. 楼梯间扶手安装过程中的安全注意事项(1)在安装过程中,施工人员应严格遵守操作规程,不得擅自更改设计图纸。
(2)高处作业时,施工人员必须使用安全带,确保安全。
(3)在安装扶手时,应确保扶手固定牢固,防止因扶手松动导致事故发生。
(4)在安装过程中,应随时检查扶手的安装质量,确保扶手表面平整、光滑,无毛刺、裂纹等缺陷。
(5)安装完成后,应进行试压测试,确保扶手承受力满足设计要求。
3. 楼梯间扶手使用过程中的安全注意事项(1)楼梯间扶手应定期进行检查、维护,发现损坏、松动等问题应及时修复。
(2)使用扶手时,应确保手部紧握扶手,避免因手部力量不足导致跌倒。
(3)在楼梯间行走时,应注意观察前方,避免因注意力分散导致跌倒。
(4)禁止在楼梯间内嬉戏打闹,确保通道畅通。
四、安全责任1. 施工单位项目负责人负责组织施工人员学习本安全技术交底,并确保施工人员掌握相关安全知识。
2. 安装班组长负责监督施工人员按照安全技术交底要求进行安装工作,确保施工安全。
3. 安装人员应严格遵守安全技术交底要求,确保自身及他人安全。
4. 监理单位相关人员进行监督和检查,确保施工安全。
五、交底记录1. 本安全技术交底由施工单位项目负责人组织学习,并记录在案。
2. 安装班组长负责将安全技术交底内容传达给施工人员,并记录在案。
3. 施工人员应认真学习安全技术交底内容,并在实际操作中严格执行。
六、附则1. 本安全技术交底自发布之日起实施。
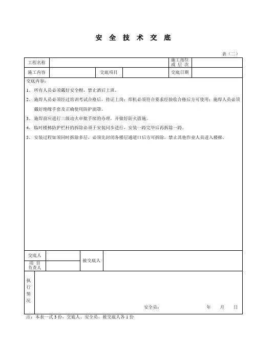
一、交底目的为确保楼梯木扶手安装过程中的安全,预防安全事故发生,特制定本安全技术交底。
二、交底内容1. 人员要求(1)参与楼梯木扶手安装的人员必须经过专业培训,具备相关操作技能,熟悉本安全技术交底内容。
(2)施工人员应身体健康,无高血压、心脏病等疾病,确保能够胜任工作。
2. 工具与材料(1)工具:电钻、扳手、螺丝刀、水平尺、钢卷尺、安全带、安全帽等。
(2)材料:楼梯木扶手、连接件、紧固件、装饰线条等。
3. 施工现场安全措施(1)施工现场应设置明显的警示标志,禁止无关人员进入。
(2)施工现场应保持整洁,通道畅通,确保施工安全。
(3)施工人员应佩戴安全帽、安全带等个人防护用品。
4. 楼梯木扶手安装安全技术要求(1)安装前,应仔细检查楼梯木扶手、连接件、紧固件等材料,确保其质量合格。
(2)安装楼梯木扶手时,应保持扶手与墙面垂直,水平误差不超过2mm。
(3)安装连接件和紧固件时,应确保其紧固,不得松动。
(4)安装过程中,严禁施工人员攀爬扶手进行作业。
(5)安装楼梯木扶手时,应注意扶手与楼层间的距离,确保扶手高度符合规范要求。
(6)安装完成后,应检查扶手是否牢固,是否存在变形、裂缝等现象。
5. 楼梯木扶手拆除安全技术要求(1)拆除前,应了解楼梯木扶手的结构,确保拆除过程安全。
(2)拆除时,应从上至下逐层拆除,严禁同时拆除多层扶手。
(3)拆除过程中,应使用合适的工具,避免用力过猛导致扶手损坏。
(4)拆除完成后,应将拆除的扶手妥善堆放,避免影响其他施工。
6. 应急处理(1)如遇施工人员受伤,应立即停止施工,及时进行救治。
(2)如遇火灾、触电等紧急情况,应立即报警,并采取相应的应急措施。
三、交底时间本安全技术交底自发布之日起实施,施工过程中如有变更,应及时更新。
四、责任1. 施工单位应负责对施工人员进行安全技术交底,确保施工人员了解并掌握本安全技术交底内容。
2. 施工人员应认真遵守本安全技术交底,确保施工安全。