110kV变电站消防设计分析说明书模板
- 格式:doc
- 大小:114.50 KB
- 文档页数:15
目录第一部分110KV降压变电站一次部分设计说明书 (1)一、原始资料 (1)(一)建站规模 (1)(二)环境条件 (2)(三)短路阻抗 (2)二、电气主接线设计 (2)(一)电气主接线设计的原则 (2)(二)220kV电气主接线方案确定 (2)(三)35kV电气主接线方案确定 (5)(四)10kV电气主接线方案确定 (7)三、主变的选择 (8)(一)主变容量SN和台数的选择 (8)(二)主变压器型式和结构的选择 (8)四、站(所)用电设计 (9)(一)站用变压器的选择的基本原则 (9)五、高压电气设备选择 (9)(一)高压断路器 (9)(二)隔离开关 (11)(三)电流互感器的选择及校验 (12)(四)电压互感器的选择及校验 (13)(五)高压熔断器的选择及校验 (14)(六)母线选择及校验 (15)(七)各主要电气设备选择结果一览表见附录2。
(15)六、防雷及过电压保护装置设计 (15)(一)变电站(所)直击雷防护 (15)(二)侵入波过电压防护 (16)(三)进线段保护 (16)(四)三绕组变电器和变压器中性点的防雷保护 (16)(五)接地装置设计 (16)(六)避雷器的选择 (17)第一部分 110KV 降压变电站一次部分设计说明书一、 原始资料(一) 建站规模某城市拟建一座110kV 变电站,向该地区的35kV 和10kV 两个电压等级供电。
本变电站由两个输入回路S 1、S 2供电(详见图1、表1)。
35kV 出线8回,2回备用。
10kV 出线9回,1回备用。
对35kV 侧来讲,本站供电对象是乡镇变电站1、A 区、B 区、乡镇变电站2,10kV 侧供电对象是汽车厂1、医院、汽车厂2、煤场、自来水厂(具体数据见表2)。
图1 供电入线图示表1 供电系统S 1、S 2资料表系统1系统2线路参数1S (MVA)1c X2S (MVA)2c X1L (kM)2L (kM)60025 800253030表2 供电系统S 1、S 2资料表电压负荷 名称 每回最大负荷(KW ) 功率因数 回路数 供电方式 线路长度(km ) 35KV乡镇变1 6400 0.9 2 架空 15 A 区2300 0.85 1 架空 7 B 区 2900 0.85 1 架空 11 镇变2 6800 0.9 2 架空 10 备用 2 10KV汽车厂1800 0.88 1 电缆 5 医院 900 0.88 2 电缆 3 汽车厂27800.851电缆7待设变电所2×50km 110KV 架空线 0.5欧/km煤场980 0.9 2 架空 5自来水厂800 0.85 2 电缆10备用 1(二)环境条件变电所位于某城市,地势平坦,交通便利,空气较清洁,区平均海拔800米,最高气温38℃,最低气温-2℃(变压器油牌#10即可),年平均雷电日30日/年(非多雷区),土壤电阻率高达1000 .M(三)短路阻抗系统作无穷大电源考虑无穷大功率电源的特点是:1、电源功率为无穷大;2、系统频率恒定;3、电源的内阻抗为零;4、电源的端电压恒定。
消防设计说明范文一、设计目标和要求消防设计的目标是确保建筑物在火灾发生时能够快速、有序地疏散人员,减少人员伤亡,并防止火势蔓延,最大限度地保护财产安全。
为了实现这一目标,以下是对消防设计的要求:1.人员疏散:设计应按照建筑物的类型、用途和规模合理安排疏散通道和安全出口,并设置合适的标识和照明设备,以确保人员能够快速、顺畅地疏散到安全区域。
2.火源控制:根据建筑物的使用特点和火灾风险评估,合理布置火灾报警设备和灭火设备,并确保火灾报警系统在火灾发生时能够及时发出警报,有效控制火源。
3.自动喷水系统:对于高层建筑和需要特殊防火措施的场所,应设置自动喷水系统,以快速控制火势并确保消防人员的安全。
4.防烟排烟系统:设计应考虑到烟雾对人员逃生的影响,在必要的位置设置防烟门、排烟道和排烟设备,确保烟雾及时排除,保证疏散通道的畅通。
5.能耗和环保:设计应考虑到消防设备的节能性和环保性能,尽量选择节能型、环保型的消防设备,减少能源消耗和环境污染。
二、设计方案1.疏散通道和安全出口:根据建筑物的平面布局和使用功能,合理设置疏散通道和安全出口,并确保足够的宽度和高度以容纳逃生人员。
同时,应设有标识和照明设备,以便人员在紧急情况下能够清晰地辨认和使用。
2.火灾报警和灭火设备:在建筑物的重要位置、易发生火灾的区域和易点燃物储存场所设置火灾报警器和灭火器,并设置相应的指示灯和标识,以便人员在发现火灾时能够及时报警和灭火。
3.自动喷水系统:对于高层建筑或其他需要防火措施的场所,应设置自动喷水系统。
系统应布置合理、覆盖范围广,喷头应设定合适的布置密度和喷洒量,以快速有效地控制火势。
4.防烟排烟系统:在楼梯间、走廊和其他可能形成烟雾困扰和堵塞疏散通道的位置,应设置防烟门和排烟设备。
排烟设备应能够及时排除烟雾,确保疏散通道的畅通。
5.节能环保措施:选择符合标准的消防设备,并优先选择节能型、环保型的设备。
合理设计设备的工作参数和控制方式,以最大限度地减少能源消耗和环境污染。
XXX110kV变电站新建工程消防设计说明书XXXXX电力勘察设计有限公司2013.11设计文件目录一、设计原则及设计依据:XXX110kV变电站消防设计贯彻“预防为主,防消结合”的消防工作方针。
设计保证消防车道、防火间距、安全出口、事故排烟及照明等符合有关规范要求。
变压器采用干粉灭火方式,并配置一定数量的其它消防设备。
以满足自救为主、外援为辅的要求。
设计遵循以下规范:(1)《建筑给排水设计规范》GB50015-2009(2)《火力发电厂与变电所设计防火规范》GB50229-2006(3)《水利水电工程设计防火规范》SDJ 278-90(4)《水力发电厂厂房采暖通风与空气调节设计规程》DL/T 5165-2002(5)《建筑设计防火规范》GB GB50016-2006(6)《水喷雾灭火系统设计规范》GB 50219-95(7)《建筑灭火器配置设计规范》GB50140-2005(8)《火灾自动报警系统设计技术规范》GB50116-98二、建设规模和设计范围:(一)工程建设规模:某某市110kVXXX变电站工程,属新建工程,拟建站址位于某某市市城关南部郊区XXX的塔下工业园,靠南平至武夷山S303省道。
随着城关水东片区、回瑶工业园、塔下工业园及周边发展建设,新建XXX变电站主要为满足某某市市城关南部区域供电需要,提高区域电网的供电能力和供电可靠性,改善电能质量。
建设规模详见表1-1表1-1 XXX110kV变电站建设规模(二)设计范围与分工:1)设计范围根据建中标通知书要求,按最终建设规模进行总体布置。
主要设备选型、布置设计及相应的主辅生产建筑物、构筑物及辅助生产设施,110kV部分设计至站内配电装置处,35kV和10kV部分设计至高压开关柜底部铜接线板,站内的相关建筑物、主变基础、构架、油坑等按远景规模本期一次建成。
2)设计分工本工程设计界限为变电站围墙内按最终规模进行征地和场平及本期规模的相应部分设计。
1概论1.1设计依据1.1.1 《关于杭州110千伏金渡等输变电工程可行性研究报告的批复》。
1.1.2GBJ16-87《建筑设计防火规范》(修订本)。
1.1.3GB50229-96《火力发电厂与变电所设计防火规范》。
1.2所址及所内建筑概况110kV金渡变所址位于杭州市余杭区勾庄小洋坝村。
原始地面标高(1985国家高程基准)约 2.78m。
现为农田和水塘。
变电所总平面主要是根据线路进出线方向、电气设计要求和勘设规划红线进行布置。
变电所为户内式,主要为一幢变电开关楼。
建筑物最高17.18米,为三层局部一层现浇碎框架结构。
变电所总占地面积约为3763平方米,围墙内面积约为3401平方米,变电楼建筑面积约为1871平方米。
1.3变电所电气设备概况该变电所电压等级为110/10kV,主变压器容量本期为IX50MVA,远景3X50MVA。
所有10kV变配电设备均布置在户内,为户内式综合自动化无人值班变电所。
所采用的主要电气设备情况如下:(1)llOkV开关设备采用常规敞开式,断路器采用SF6断路器,为无油设备。
(2)主变压器选用三相双圈油浸变压器,绝缘油重19.5T。
(3)10kV开关设备采用金属全封闭中置移开式开关柜,内置真空断路器和环氧树脂装为无油设备。
(4)10kV无功补偿装置采用TBB10型成套设备,其中电抗器为空心干式型、电容器为二芳基乙烷全膜复合式电容器,为无油设备。
(5)所用变采用环氧树脂干式变压器,为无油设备。
(6)接地变、电抗器等选用干式型设备,为无油装置。
控制、保护设备采用综合自动化无人值班成套设备,微机保护装置。
均为无油设备。
2建筑防火设计变电楼中主变室火灾危险性类别为丙类,耐火等级要求一级。
HOkV.10kV 配电装置室、主控室、电容器室、电缆室、蓄电池室火灾危险性类别为丙类,耐火等级要求二级。
其它房间为戊类,耐火等级要求二级。
该建筑采用钢筋硅框架结构砖填充墙,现浇钢筋碎楼、屋面板,设钢筋碎楼梯二座,满足二级防火等级要求;按防火规范要求,HOkV.10kV配电装置室、主控室、电容器室、电缆室、主变室小门、蓄电池室设甲级防火钢门。
第1章概述1.1设计题目110KV降压变电站电气设计1.2原始资料1.2.1 系统参数:系统至110KV母线的短路容量为3984MVA , 110KV架空线路,长22km。
1.2.2 变电所A资料35KV出线4回1、负荷7-10MW,线路长30km,1回2、负荷6-8MW,线路长25km,1回3、负荷5-8MW,线路长20km,1回4、负荷4-7MW,线路长15km,1回功率因数0.8510 KV出线4回1、负荷1.5-2MW,线路长10km,1回2、负荷1.6-2.2MW,线路长12km,1回3、负荷0.5-1.2MW,线路长7km,1回4、负荷0.7-1.5MW,线路长9km,1回负荷同时率0.75待建变电所考虑15%的负荷发展余地,地形平坦无污染,环境温度B =35E ,最大负荷利用小时数:T=5000h/年。
1.2.3 110KV线路电抗按0.4欧姆/km计。
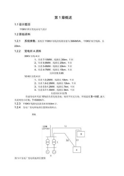
1.2.4 发电厂变电所地理位置图如图所示。
系统图1-1发电厂变电所地理位置图G—汽轮发电机QFQ-50-2, 50MW , Xd”0.124,cos© =0.8;T---变压器SF7-40000/121+2*2.5%;L1 : 70km, L2: 60km;L3: 40km;1.3设计任务1、计算负荷,选择主变的容量和台数;2、确定电气一次主接线方案;3、短路电流计算;4、选择各级导线型号和截面;5、选择一次电气设备;&防雷保护和接地装置计算;7、继电保护计量装置配置;8、编写设计说明书:包括设计总说明、设计计算书;9、设计图纸:包括电气主接线图、电气总平面布置图、各电压等级电气间隔断面图、继电保护测量配置图、防雷保护及接地装置布置图、屋内配电装置图第2章电气主接线的设计2.1 原始资料分析本设计的变电站为降压变电站,有三个电压等级:高压侧电压为110kv,有二回进线; 中压侧电压为35kv, 有四回出线。
低压侧电压为10kv, 有四回出线。
XXX110kV变电站新建工程消防设计说明书XXXXX电力勘察设计有限公司2013.11设计文件目录一、设计原则及设计依据:XXX110kV变电站消防设计贯彻“预防为主,防消结合”的消防工作方针。
设计保证消防车道、防火间距、安全出口、事故排烟及照明等符合有关规范要求。
变压器采用干粉灭火方式,并配置一定数量的其它消防设备。
以满足自救为主、外援为辅的要求。
设计遵循以下规范:(1)《建筑给排水设计规范》GB50015-2009(2)《火力发电厂与变电所设计防火规范》GB50229-2006(3)《水利水电工程设计防火规范》SDJ 278-90(4)《水力发电厂厂房采暖通风与空气调节设计规程》DL/T 5165-2002(5)《建筑设计防火规范》GB GB50016-2006(6)《水喷雾灭火系统设计规范》GB 50219-95(7)《建筑灭火器配置设计规范》GB50140-2005(8)《火灾自动报警系统设计技术规范》GB50116-98二、建设规模和设计范围:(一)工程建设规模:某某市110kVXXX变电站工程,属新建工程,拟建站址位于某某市市城关南部郊区XXX的塔下工业园,靠南平至武夷山S303省道。
随着城关水东片区、回瑶工业园、塔下工业园及周边发展建设,新建XXX变电站主要为满足某某市市城关南部区域供电需要,提高区域电网的供电能力和供电可靠性,改善电能质量。
建设规模详见表1-1表1-1 XXX110kV变电站建设规模(二)设计范围与分工:1)设计范围根据建中标通知书要求,按最终建设规模进行总体布置。
主要设备选型、布置设计及相应的主辅生产建筑物、构筑物及辅助生产设施,110kV部分设计至站内配电装置处,35kV和10kV部分设计至高压开关柜底部铜接线板,站内的相关建筑物、主变基础、构架、油坑等按远景规模本期一次建成。
2)设计分工本工程设计界限为变电站围墙内按最终规模进行征地和场平及本期规模的相应部分设计。
110kv变电站设计方案说明书_毕业论文普雄110kV输变电新建工程初步设计第二卷技术部分第三册变电工程二〇一一年九月普雄110kV输变电新建工程初步设计第二卷技术部分第三册变电工程批准:审核:校核:编写:二〇一一年九月第二卷第三册变电工程目录变电站设计技术 (4)1 概述 (4)1.1 主要设计原则 (4)1.2气象条件 (5)2 建设规模 (6)3.变电站主体专业工程设计 (6)3.1接入系统 (6)3.2电气主接线 (7)3.3 各电压等级配电装置型式及设备选择 (7)3.3.1短路电流计算 (7)1)计算依据及参数 (7)2)计算结果 (7)3.4 电气总平面 (8)3.5 防雷接地、照明及站用电 (9)3.5.1 过电压保护 (9)3.5.2 防雷 (9)3.5.3 接地 (9)3.5.4 站用电 (9)3.5.5 照明 (9)3.5.6 检修、通风 (10)3.5.7 电缆设施及电缆防火 (10)3.5.8 电气一次设备工程量表 (10)3.6 电气二次 (12)3.6.1.全站控制监测系统(1套) (12) 3.6.2.继电保护 (13)3.6.3 调度自动化 (15)1)调度关系 (15)2)远动系统 (16)3)网架现状 (17)4)调度数据网 (17)5)调度端接口 (18)3.6.4.电能量采集管理系统 (18)1)电能计量关口设置 (18)3.6.5 一体化电源系统 (19)3.6.6.微机五防 (20)3.6.7.图像监视及安全警卫系统 (20) (1)安全、防盗监控 (21)(2)设备监视 (21)(3)电网应急指挥及演习 (21)3.6.8火灾探测报警系统 (22)3.6.9设备状态检测 (22)3.7 站内通信及自动化 (23)3.7.1概述 (23)3.7.2系统通信 (25)3.7.3站内通信 (32)3.7.4设备材料表 (33)3.7.5投资估算 (35)4 节能、抗灾措施分析 (35)(2) 基坑开挖 (37)(3) 塔基排水 (37)5土建部分 (37)5.1概述 (37)5.2站区总布置与交通运输 (38)5.3建筑 (39)5.4结构 (40)5.5采暖、通风 (41)5.6给水、排水 (42)5.7围墙、大门 (43)6 消防 (44)6.1 化学灭火器的配置 (44)6.2 建筑消防 (45)6.3 主变压器消防 (45)普雄110kV输变电新建工程变电站设计1 概述1.1 主要设计原则本工程设计执行现行国家及行业的相关设计规程、规范(技术标准),主要设计技术标准如下:GB50059-92 35—110千伏变电所设计规范GB50060-92 35—110kV高压配电装置设计规范DL/T5056-1996 变电所总布置设计技术规程GB50052-95 供配电系统设计规范GB11022 高压断路器通用技术条件GB311.1 高压输变电设备的绝缘配合GB/T 15544-1995 三相交流系统短路电流计算GB50062-92 电力装置的继电保护和自动装置设计规范GB50229-1996 火力发电厂与变电站设计防火规范GB50217-94 电力工程电缆设计规范GB11032-2000 交流无间隙金属氧化物避雷器GB311.1-1997 高压输变电设备的绝缘配合GB50062-1992 电力装置的继电保护和自动装置设计规范GB50227-1995 并联电容器装置设计规范GB50260-1996 电力设施抗震设计规范GB50011-2001 建筑物抗震设计规范GBJ 16-1987 建筑设计防火规范(修订本)(2001年版)DL/T 620-1997 交流电气装置的过电压保护和绝缘配合DL/T 621-1997 交流电气装置的接地DL/T 5136-2001 火力发电厂、变电所二次接线设计技术规定DL/T 5147-2001 电力系统安全自动装置设计技术规定DL/T 667-1999 远动设备及系统DL 5103-1999 35kV~110kV无人值班变电所设计规程DL 5134-2002 变电所给水排水设计规程DL/T 5222-2005 导体和电器选择设计技术规程DL/T 5137-2001 电测量及电能计量装置设计技术规程DL/T 5044-1995 火力发电厂、变电所直流系统设计技术规定NDGJ 96-1992 变电所建筑结构设计技术规定建筑、消防、环保等其它现行行业标准1.2气象条件根据本线路调查资料,结合全国典型气象区的划分,确定本工程线路设计用气象条件如下表:表1 工程沿线参证气象站一般气候条件统计表项目单位越西站观测场标高m 1659.0年平均气压hpa 832.2气温年平均气温℃13.2 极端最高气温℃34.5 极端最低气温℃-8.5 最冷月平均气温℃ 4.1湿度平均相对湿度%74 冬季平均相对湿度%68风速年平均风速m/s 1.4 最大风速m/s 17.0降雨年平均降雨量mm 1118.3 一日最大降雨量mm 160.1天气年平均雨日数 d 162.5日数年平均雾日数 d 1.2 年平均积雪日数 d 5.2年平均冰雹日数 d 1.1年平均大风日数 d 10.4年平均雨凇日数 d /年平均雷暴日数 d 75.9年最多雷暴日数 d 98其它最大积雪深度cm 16 最大冻土深度cm /2 建设规模本站110kV侧终期采用单母线接线、35kV终期采用单母线分段接线、10kV终期采用单母线分段接线,建设规模如下:主变容量:最终2×25MVA,采用三相三绕组有载调变压器。
目录第一章编制根据 ............................................................................................................... 错误!未定义书签。
1施工技术原则及验收规范 .......................................................................................... 错误!未定义书签。
2我公司以往施工经验及技术文献 .............................................................................. 错误!未定义书签。
3合同规定 ..................................................................................................................... 错误!未定义书签。
第二章总述 ....................................................................................................................... 错误!未定义书签。
1工程概况 ..................................................................................................................... 错误!未定义书签。
2工程施工特点 ............................................................................................................. 错误!未定义书签。
成绩课程设计说明书题目110/10kV 变电所电气局部课程设计课程名称发电厂电气局部院 (系、部、中心 ) 电力工程学院专业继电保护班级学生姓名学号指导教师李伯雄设计起止时间:11年11月21日至11年12月2日目录一、对待设计变电所在系统中的地位和作用及所供用户的分析 (1)二、选择待设计变电所主变的台数、容量、型式 (1)三、解析确定高、低压侧主接线及配电装置型式 (3)四、解析确定所用电接线方式 (6)五、进行互感器配置 (6)六 . 短路计算 (9)七、选择变电所高、低压侧及10kV 馈线的断路器、隔走开关 (10)八、选择 10kV 硬母线 (13)一、对待设计变电所在系统中的地位和作用及所供用户的分析1.1 、待设计变电所在系统中的地位和作用变电所的分类枢纽变电所、中间变电所、地区变电所、终端变电所设计的C变电所种类依照任务书的要求,从图中看,我设计的 C 变电所属于终端变电所。
在系统中的作用终端变电所,凑近负荷点,经降压后直接向用户供电,不担当功率转送任务。
电压为 110kV 及以下。
全所停电时,仅使其所供用户中断供电。
1.2 、所供用户的解析电力用户分类、对供电可靠性及电源要求〔1〕I 类负荷。
I 类负荷是指短时〔手动切换恢复供电所需的时间〕停电也可能影响人身或设备安全,使生产逗留或发电量大量下降的负荷。
I 类负荷任何时间都不能够停电。
对接有 I 类负荷的高、低压厂用母线,应有两个独立电源,即应设置工作电源和备用电源,并应能自动切换; I 类负荷平时装有两套或多套设备; I类负荷的电动机必定保证能自启动。
〔2〕II 类负荷。
II 类负荷指赞同短时停电,但较长时间停电有可能损坏设备或影响机组正常运行的负荷。
II 类负荷仅在必要时可短时〔几分钟到几十分钟〕停电。
对接有II 类负荷的厂用母线,应有两个独立电源供电,一般采用手动切换。
I 类、II 类负荷均要求有两个独立电源供电,即其中一个电源因故停止供电时,不影响另一个电源连续供电。
编号:110kV**施工变电站工程设计说明书2014年10月批准:审核:校核:编写:目录1总的部分 (1)1.11.21.31.41.51.61.71.8 2设计依据 (1)设计范围 (1)所址概况 (1)建设规模 (1)电气部分初步设计图文件卷册目录 (2)可研审查意见执行情况 (3)主要技术经济指标 (3)对侧变电所情况说明 (3)电力系统部分 (4)2.1系统一次部分 (4)2.2系统继电保护及安全自动装置 (13)2.3调度自动化 (15)2.4系统通信 (16)3电气一次部分 (19)3.1 3.2 3.3电气主接线 (19)主要电气设备选型 (20)变电站总布置 (23)4电气二次部分 (27)4.1 4.2直流系统和二次交流电源 (27)计算机监控系统和二次接线 (28)4.34.44.54.64.7 5元件保护 (30)二次设备的布置 (31)图像监视及安全警卫系统 (32)二次设备防雷的配置 (33)抗干扰措施及二次电缆的选择 (34)土建部分 (35)5.1 5.2 5.3 5.4概述 (35)站区总布置及交通运输 (38)建筑设计 (39)结构设计 (39)6水工、消防及通风 (40)6.1 6.2 6.3 6.4 6.5 6.6 6.7 6.8 6.9给水系统 (40)排水系统 (40)消防 (41)暖通 (42)火灾自动报警系统 (42)电缆消防措施 (43)全站消防器材 (43)消防应急照明及疏散指示标志 (44)其他消防处理及灭火措施 (44)7施工组织大纲 (44)7.1当地施工条件 (44)7.2 7.3 7.4 7.5施工单位应具备的技术条件 (44)施工总平面布置及施工能力 (44)主要施工方案与施工机具配备 (46)施工控制进度 (47)附件:《关于报送**水电站施工用电外部供电方案评审意见的函》1总的部分1.1设计依据云南电网公司文件:规划研究(2014)169号,《关于报送**水电站施工用电外部供电方案评审意见的函》2014年9月17日。
目录设计任务书 (4)第一部分主要设计技术原则 (5)第一章主变容量、形式及台数的选择 (6)第一节主变压器台数的选择 (6)第二节主变压器容量的选择 (7)第三节主变压器形式的选择 (8)第二章电气主接线形式的选择 (10)第一节主接线方式选择 (12)第三章短路电流计算 (13)第一节短路电流计算的目的和条件 (14)第四章电气设备的选择 (15)第一节导体和电气设备选择的一般条件 (15)第二节断路器的选择 (18)第三节隔离开关的选择 (19)第四节高压熔断器的选择 (20)第五节互感器的选择 (20)第六节母线的选择 (24)第七节限流电抗器的选择 (24)第八节站用变压器的台数及容量的选择 (25)第九节10kV 无功补偿的选择 (26)第五章10kV 高压开关柜的选择 (26)第二部分计算说明书附录一主变压器容量的选择 (27)附录二短路电流计算 (28)附录三断路器的选择计算 (30)附录四隔离开关选择计算 (32)附录五电流互感器的选择 (34)附录六电压互感器的选择 (35)附录七母线的选择计算 (36)附录八10kV 高压开关柜的选择 (37)(含10kV 电气设备的选择)第三部分相关图纸一、变电站一次主结线图 (42)二、10kV 高压开关柜配置图 (43)三、10kV 线路控制、保护回路接线图 (44)四、110kV 接入系统路径比较图 (45)第四部分一、参考文献 (46)二、心得体会 (47)设计任务书一、设计任务:***钢厂搬迁昌北新区,一、二期工程总负荷为24.5 兆瓦,三期工程总负荷为31 兆瓦,四期工程总负荷为20 兆瓦;一、二、三、四期工程总负荷为75.5 兆瓦,实际用电负荷34.66 兆瓦,拟新建江西洪都钢厂变电所。
本厂用电负荷设施均为Ⅰ类负荷。
第一部分主要设计技术原则本次110kV 变电站的设计,经过三年的专业课程学习,在已有专业知识的基础上,了解了当前我国变电站技术的发展现状及技术发展趋向,按照现代电力系统设计要求,确定设计一个110kV 综合自动化变电站,采用微机监控技术及微机保护,一次设备选择增强自动化程度,减少设备运行维护工作量,突出无油化,免维护型设备,选用目前较为先进的一、二次设备。
变电站消防部分设计说明目录第1章工程概况 (1)1.1工程概况 (1)1.2建设规模 (1)1.3电气设备布置 (1)第2章变电站火灾危险性分类及其耐火等级 (2)第3章消防设计基本资料、设计依据、设计原则和范围 (3)3.1设计基本资料 (3)3.2设计依据 (3)3.3设计原则 (3)3.4灭火器配置原则及布置方式 (5)第4章消防总体设计 (6)4.1 消防控制中心与指挥系统 (6)4.2 消防设计方案 (7)4.3 工程化学消防设计 (7)4.3.1主变压器 (7)4.3.2 GIS配电室 (8)4.3.3 10kV配电室 (8)4.3.4 电容器室 (8)4.3.5 接地变室 (9)4.3.6 主控室 (9)4.3.7 通讯室 (9)4.3.8 电缆夹层 (9)4.3.9 会议室、走廊、楼梯间 (10)4.3.10 站内公用设施 (10)4.3.11电缆沟及孔洞封堵 (10)4.3.12消防设备材料表 (10)4.4 工程水消防设计 (11)第5章安全疏散 (12)第6章通风系统设计 (13)6.1设计原则 (13)6.2 电缆夹层 (13)6.3 10kV配电室 (14)6.4 电容器室 (14)6.5接地变室 (14)6.6 GIS配电室 (14)6.7主控室、通讯室、会议室 (14)6.8休息间、值班室 (15)6.9其他 (15)第7章火灾应急照明及疏散标志 (15)第8章消防电气 (15)8.1系统保护对象分级 (15)8.2设计说明 (16)8.3注意事项 (17)8.4火灾自动报警系统 (17)8.5联动控制设备 (22)8.6电气消防设备材料表 (24)第9章附图 (27)9.1化学消防部分 (27)9.2火灾报警系统部分 (27)第1章工程概况1.1工程概况东,距离县城中心约2公里处,在恒益片区(一期)项目规划范围内,需对其现状道路(全长约460米),进行修葺和维修,新建进站道路长约56米,交通方便,运行维护较方便。
前言本书是2010年本人编写的电气工程及其自动化的毕业设计书,本书主要是说明书,另外还有一本计算书。
两本一起构成本人的毕业设计书。
毕业设计是高等工科学校教学中一个不可缺少的实践性环节。
本书在设计时注重相关知识的综合运用,突出重点,贴近实际,力求做到条理清晰,层次分明,简单实用。
本书共分为八个章节。
第一章介绍了电气工程设计中要解决的原始材料及其设计要求;第二章介绍了负荷的统计分析;第三章是对电气主接线方案的分析及比较,并得到最终的电气主接线方案;第四章是短路电流的计算,通过介绍短路电流的计算目的、计算的一般规定、计算步骤和方法来完成短路电流的计算;第五章为导体和电器的选择设计。
本书由本人首编,书中大量引用了有关专业文献和资料(如参考文献中所列),在此对文献及资料的作者致以衷心的感谢。
由于编者的条件和水平有限,对某些总是的看法可能带有片面性,书中难免有错误和不当之处,在此我真诚地请求老师批评指正,谢谢。
编者2011年01月目录第一章原始材料 (3)第二章负荷资料的统计分析 (7)第三章电气主接线的确定 (9)第四章短路电流计算 (18)第五章导体与电器的选择设计 (20)参考文献 (24)第一章原始材料课题:110KV系统变电所电气部分初步设计一、设计原始资料1、随着生产的发展,电力系统不断扩大,待设计变电所就是为适应这种情况而建设的中间变电所,主要供给地区负荷,同时也传递部分的系统交换功率。
该变电所的电压等级为110/35/10KV,变电所最终规模的进出线回路数:110KV 4回(其中2回备用) 35KV 5回(其中1回备用)10KV 8回(其中1回备用)2、根据系统运行方式,本变电所不是电压枢纽点,无特殊的调压要求,另外,有部分穿越由110KV系统经过本变电所送至35KV系统变电所。
3、系统电源情况与本变电所连接的系统电源共有三个,其中110KV及35KV系统变电所各一个,110KV火电厂一个,具体为:(1)110KV系统变电所,在该所高压母线上的短路容量为533MVA,该所距待设计变电所9KM。
图号:CSD11-J01-001XXXX110kV输变电工程初步设计第三卷输电部分设计说明书XXXX勘察设计有限公司二○一二年十月目录1 总的部分1.1工程设计的主要依据1XX市电力公司部室文件:渝电发展[20XX]147号《关于XX电网巴南白鹤等110千伏输变电工程可行性研究报告的批复》。
2本工程可行性研究报告及评审文件。
3本工程设计中标通知书。
4工程设计有关的规程、规范。
1)《110~750kV架空输电线路设计规范》中华人民共和国国家标准(GB 50545-20XX)2)《高压架空线路和发电厂、变电所环境污区分级和外绝缘选择标准》(GB/T 16434-1996)3)《架空送电线路杆塔结构设计技术规定》(DL/T5154-20XX)4)《架空送电线路基础设计技术规定》(DL/T5219-20XX)5)《送电线路对通信线路干扰影响设计规程》(DL/T5063-1996)6)《电力设施抗震设计规范》(GB50260-1996)7)《电力工程气象勘测技术规程》(DL/T51859-20XX)8)《高压输变电设备的绝缘配合》(GB311.1-1997)9)《交流电气装置的接地》(DL/T621-1997)。
1.2工程建设规模和设计范围1.2.1工程建设规模1)线路起止点:起于110千伏涪杨一回线37#塔,至于XX110千伏XX变电站2)电压等级:110kV3)导、地线型号导线:全线采用2×JL/G1A-300/25钢芯铝绞线。
地线:采用两根24芯OPGW-24B1-90架空光缆。
4)架空线路长度:1.3千米,曲折系数:1.38。
5)回路数:同塔双回架设。
6)中性点接地方式:直接接地1.2.2设计范围(1)、开断110kV涪杨一回(楼梯湾处)至拟建110kVXX变电站新建线路本体设计。
同塔双回架设,导线型号为2×JL/G1A -300/25 mm2,地线为两根OPGW 复合地线OPGW-24B1-90;线路全长1.3kM。
XXX110kV变电站新建工程消防设计说明书XXXXX电力勘察设计有限公司2013.11 设计文件目录一、设计原则及设计依据:XXX110kV变电站消防设计贯彻“预防为主,防消结合”的消防工作方针。
设计保证消防车道、防火间距、安全出口、事故排烟及照明等符合有关规范要求。
变压器采用干粉灭火方式,并配置一定数量的其它消防设备。
以满足自救为主、外援为辅的要求。
设计遵循以下规范:(1)《建筑给排水设计规范》GB50015-2009(2)《火力发电厂与变电所设计防火规范》GB50229-2006(3)《水利水电工程设计防火规范》SDJ 278-90(4)《水力发电厂厂房采暖通风与空气调节设计规程》DL/T 5165-2002(5)《建筑设计防火规范》GB GB50016-2006(6)《水喷雾灭火系统设计规范》GB 50219-95(7)《建筑灭火器配置设计规范》GB50140-2005(8)《火灾自动报警系统设计技术规范》GB50116-98二、建设规模和设计范围:(一)工程建设规模:某某市110kVXXX变电站工程,属新建工程,拟建站址位于某某市市城关南部郊区XXX的塔下工业园,靠南平至武夷山S303省道。
随着城关水东片区、回瑶工业园、塔下工业园及周边发展建设,新建XXX变电站主要为满足某某市市城关南部区域供电需要,提高区域电网的供电能力和供电可靠性,改善电能质量。
建设规模详见表1-1表1-1 XXX110kV变电站建设规模(二)设计范围与分工:1)设计范围根据建中标通知书要求,按最终建设规模进行总体布置。
主要设备选型、布置设计及相应的主辅生产建筑物、构筑物及辅助生产设施,110kV部分设计至站内配电装置处,35kV和10kV部分设计至高压开关柜底部铜接线板,站内的相关建筑物、主变基础、构架、油坑等按远景规模本期一次建成。
2)设计分工本工程设计界限为变电站围墙内按最终规模进行征地和场平及本期规模的相应部分设计。
所区供水水源、给排水、施工水、电源引接及道路引接。
下列内容不属于本设计范围,需要由建设单位另行委托设计,但其概算投资列入本工程总概算中。
① 所外供水水源;② 所外给排水;三、建筑项目概况:(一)项目所在地址拟建XXX110kV变电站站址位于某某市市城关南部,临近南武路旁塔下工业园区。
站址北侧处于一座南北向延伸的山脊上斜坡地带,邻近现有的XXX35kV变电站场址,并紧挨当地一机砖厂。
场地整体地形稍有起伏,地表高程148.0~176.0m。
拟建站址东、西两侧分别有两条山涧溪流冲沟,流向为西北~东南向,从站址两侧汇入南侧闽北地区最大的河流--建溪河内,建溪河河岸边距离站址约250m左右。
场地南侧为省道303,交通较为便利。
(二)项目类别:XXX110kV变电站属新建基础性项目,主要为城关南部区域水东片区、回瑶工业园、塔下工业园及周边发展建设满足供电需要,提高区域电网的供电能力和供电可靠性,改善电能质量(三)项目规模:用地面积:5403m2;占地面积:10129 m2;建筑面积:主控配电室建筑面积414m2;35kV配电装置室建筑面积180.8 m2;建筑层数:主控配电室1层;35kV配电装置室1层;建筑高度:主控配电室4.7m;35kV配电装置室5.1m。
(四)建筑功能分布:功能布局:主控配电室布置10kV配电装置室、二次设备室、安全工具室、资料室、警卫室、厨房及卫生间;35kV配电装置室布置35kV配电装置室;(五)火灾危险类别、耐火等级主控配电室:火灾危险类别为戊类,耐火等级属二级;35kV配电装置室:火灾危险类别为戊类,耐火等级属二级;总事故贮油池:火灾危险类别为丙类,耐火等级属一级;四、总平面布局:(一)站区总平面布置升压站的总平面布置根据生产工艺、运输、防火、防爆、建筑环境、城市规划和施工等方面要求,按最终规模对站区的建构筑物、管线及道路等进行统筹安排,同时结合站址自然地形地貌、因地制宜的进行规划和布置。
升压站功能区合理布置,工艺流程顺畅,检修维护方便,有利于施工,不应设置建筑小品、花坛等,不应独立设计站前区。
总平面设计应注重保护周边自然植被,自然水域、水系、已有景观等,进行优化设计,减少占地、减少工程投资。
站区总出入位居站区东侧,是站区的前导:大门采用6m宽电动钢大门,标识墙6mx3m。
警卫室布置在主控配电楼一层,避免用地。
站区布置:10kV位于主变南侧出线,35kV位于主变西侧出线,110kV配电装置位于主变北侧出线。
主变位居站区中心,10kV与二次设备间组成主控配电楼为户内单层建筑,位于站区南部;35kV配电装置室为户内单层建筑,位于站区西侧,便于运行巡视。
110kV配电装置采用常规设备,软母线普通中型构架,位于站区北侧。
站区内的各建构筑物间的防火间距及站区的总平面布置严格按照国网C-8方案进行控制。
(二)竖向布置本站址原场地高程为148.0~176.0m,进站道路由省道303引接,接入点道路标高为136.5m,进站道路坡度坡度为3%~8%,设计高程为136.5-150.2m,高于50年一遇洪水位134.20m。
站区北侧存在较大高差,且越往北实际场地的坡度越来越陡。
因此采用重力式挡土墙配合浆砌块石骨架支护形式,以保证变电站北侧边坡的稳定性。
边坡支护高度最大处约为30m,边坡坡率为1:1,每级边坡高度8m,两级边坡之间设2m宽的平台,坡面为种植草皮坡面。
站区地表雨水排水方式采用有组织排水方式,场地以1.2%放坡,即:地面—雨水口—雨水检查井—站外排水沟,雨水口沿路边外侧布置。
(三) 管沟布置站区内电缆沟、上下水管、油管布置时按沿道路、建构筑物平面布置的原则,从整体出发,统筹规划,在平面和竖向上相互协调,远近结合,间距合理,减少交叉。
同时应考虑便于检修和扩建。
站内电缆沟采用砖砌电缆沟,沟壁内外采用防水砂浆粉刷,室外电缆沟壁顶高出地面0.1m,穿越道路时采用排管形式,沟底纵向坡度按不小于5‰接入排水系统。
电缆沟盖板采用厂家成型盖板。
排水管、事故油管、污水管、生活给水管及绿化用水给水管采用地下敷设于道路外侧。
(四) 道路(1)进站道路1)进站道路总长194m,由原3.5m宽土路拓宽段长度162m,新建段32m。
2)进站道路路面宽度4m,含路肩宽度5.0m,含排水沟宽度6.0m。
3)进站道路转弯半径最小为9.0m,C30砼路面。
(2)站内道路1)主变运输道宽度为4m,转弯半径为9.0m,其余道路宽度为3.0m,转弯半径为6.0m。
变电站内的消防车道为尽端式车道,于35kV配电室前设置T型回车道。
2)巡视小道宽度为1.0m,转弯半径为1.0m(五)围墙及大门变电站大门采用电动平开钢板大门。
并在变电站入口处设置国网公司标识墙。
变电站围墙为装配式板墙,高度为2.30m。
五、单体设计(一)主要建筑结构的燃烧性能及耐火极限1)墙体:防火墙采用不燃烧体,耐火极限不低于20h;非承重外墙采用不燃烧体,耐火极限1.00h;房间隔墙采用不燃烧体,耐火极限0.75h;2)柱:采用不燃烧体,耐火极限3。
00h;3)梁:采用不燃烧体,耐火极限2.00h;4)楼板:采用不燃烧体,耐火极限1.50h;5)屋顶承重构件:采用不燃烧体,耐火极限1.50h;6)吊顶:采用不燃烧体,耐火极限0.25h;(二)变压器及其他带油电气设备屋外单台油量为1000kg以上的电气设备,应设置贮油或挡油设施。
挡油设施的容积宜按油量的20%设计,并应设置将事故油排至安全处的设施;当不能满足上述要求且变压器未设置水喷雾灭火系统时,应设置能能容纳全部油量的贮油设施。
当设置有油水分离措施的总事故贮油池时,其容量宜按最大一个邮箱容量的60%确定。
贮油或挡油设施应大于变压器外轮廓每边各1m。
本变电站除在每座变压器四周设置油坑外,还设置有有效容积15m3的总事故贮油池。
(三)变电站与周边建筑的防火间距变电站内的建(构)筑物与变电站外的民用建(构)筑物及各类厂房、库房、堆场、贮罐之间的防火间距应符合现行国家标准《建筑设计防火设计规范》(GB20016-2006)的有关规定。
即满足下表规定:本变电站南侧为XXX35kV变电站,本变电站主控配电楼与XXX35kV变电站建筑最近的距离为34.9m,满足防火设计规范要求的最小10m间距要求;东侧为当地一砖厂,本变电站主控配电楼与砖厂住房最小间距24.7m,满足防火设计规范要求的最小10m 间距要求;其余方向均无建(构)筑物。
(四)变电站内建(构)筑物的防火间距变电站内各建(构)筑物及设备的防火间距不应小于下表的规定:六、消防给水变电站的规划和设计,应同时设计消防给水系统。
消防水源应有可靠的保证。
但因为本变电站内建筑物耐火等级均不低于二级,主控综合楼体积1821.6m3;35kV配电室体积867.8m3;总和为2689.4 m3,不超过3000 m3,且火灾危险性均为戊类,可不设消防给水。
七、消防用电(1)全站设置火灾自动报警装置1套,采用河南长城消防监控有限公司的智能型火灾报警器,以智能感烟探测器、智能手动报警按扭及消防声光报警器对火灾事故进行自动探测报警。
报警主机设置在警卫室,在35kV配电装置、10kV配电装置、二次设备室和工具间设置智能感烟探测器、智能手动报警按扭和消防声光报警器。
(2)系统回路采用二总线环形布线,双向供电,双向通信,抗短路、开路。
消防报警主机加装RS232串口通信卡、协仪转换器,具备联网接口,信息可上传至地调,并接受地调远程管理,报警主机故障信号通过硬接点接入公用测控装置,可在后台显示故障信号并传送至远方。
(3)消防报警主机采用双回路独立供电,双回路电源由不间断电源系统提供,并在火灾报警电源箱中自动切换。
(4)消防报警主机与35kV配电装置、10kV配电装置中的风机控制箱进行联动,当火灾报警系统报警时自动关闭排气风机。
(5)火灾报警系统的线缆采用铜芯绝缘导线,传输线路敷设镀锌钢管保护,并敷设于不燃烧体的结构层内且保护层厚度不小于30mm。
电缆穿管后、穿防火板、穿防火墙后,在电缆保护管的两侧端头、防火板两侧、防火墙两侧,采用防火带对电缆进行包扎,然后采用非凝固型防火泥封堵。
未穿电缆的埋管两端直接采用非凝固型防火泥封堵。
(6)探测器在室内均匀布置,最小保护半径为5米。
感烟探测器之间的安装间距不大于探测器在室内均匀布置,最小保护半径为5米;探测器周围0.5米内不应有遮挡物。
探测器至墙壁、梁边的水平距离不应小于0.5米。
探测器至空调送风口边的水平距离不应小于1.5米;布置单点探测器的房间,宜居中布置;在宽度小于3米的内走道顶棚上安装探测器时,宜居中布置。
编码手动报警器的安装高度为:距地面1.5米。
编码声光报警器的安装高度为:距地面2.5米。
二次设备室内电缆沟内待强电电缆敷设整理完毕后,再敷设感温电缆,感温电缆采用接触式安装,敷设于被保护电缆和外护套上,采用S型敷设。