工字钢规格表大全
- 格式:xls
- 大小:27.00 KB
- 文档页数:4
For personal use only in study and research; not for commercial use工字钢规格表及工字钢理论重量表工字钢也称钢梁,是截面为工字形的长条钢材。
其规格以腰高( h)*腿宽(b)*腰厚(d)的毫数表示,如“工160*88*6”,即表示腰高为160毫米,腿宽为88毫米,腰厚为6毫米的工字钢。
工字钢的规格也可用型号表示,型号表示腰高的厘米数,如工16#。
腰高相同的工字钢,如有几种不同的腿宽和腰厚,需在型号右边加a b c 予以区别,如32a# 32b# 32c#等。
工字钢分普通工字钢和轻型工字钢,热轧普通工字钢的规格为10-63#。
经供需双方协议供应的热轧普通工字钢规格为12-55#。
工字钢广泛用于各种建筑结构、桥梁、车辆、支架、机械等。
品名型号明细规格理论重量工字钢10#100*63*4.511.261工字钢12#120*74*5.013.987工字钢14#140*80*5.516.89工字钢16#160*88*6.020.513工字钢18#180*94*6.524.143工字钢20#A200*100*7.027.929工字钢20#B200*102*9.031.069工字钢22#A220*110*7.533.07工字钢22#B220*112*9.536.542工字钢25#A250*116*8.038.105工字钢25#B250*118*10.042.03工字钢28#A280*122*8.543.492工字钢28#B280*124*10.547.888工字钢30#A300*126*9.048.084以下无正文仅供个人用于学习、研究;不得用于商业用途。
толькодля людей, которые используются для обучения, исследований и не должны использоваться в коммерческих целях.For personal use only in study and research; not for commercial use.Nur für den persönlichen für Studien, Forschung, zu kommerziellen Zwecken verwendet werden.Pour l 'étude et la recherche uniquement à des fins personnelles; pas à des fins commerciales.。
工字钢尺寸规格表及理论重量表工字钢是一种截面为工字形的长条钢材,也称为钢梁。
它的规格以腰高、腿宽和腰厚的毫数表示,例如“工160*88*6”表示腰高为160毫米,腿宽为88毫米,腰厚为6毫米的工字钢。
规格也可以用型号表示,型号表示腰高的厘米数,例如工16#。
如果腰高相同的工字钢有几种不同的腿宽和腰厚,就需要在型号右边加上a、b、c等字母来区分,例如32a#、32b#、32c#等。
工字钢分为普通工字钢和轻型工字钢,热轧普通工字钢的规格为10-63#。
经过供需双方协议供应的热轧普通工字钢规格为12-55#。
工字钢广泛用于各种建筑结构、桥梁、车辆、支架、机械等。
下面是工字钢的规格及理论重量表:品名型号规格(毫米)理论重量(千克/米)工字钢 10# 100*63*4.5 11.261工字钢 12# 120*74*5.0 13.987工字钢 14# 140*80*5.5 16.89工字钢 16# 160*88*6.0 20.513工字钢 18# 180*94*6.5 24.143工字钢 20#A 200*100*7.0 27.929 工字钢 20#B 200*102*9.0 31.069 工字钢 22#A 220*110*7.5 33.07 工字钢 22#B 220*112*9.5 36.542 工字钢 25#A 250*116*8.0 38.105 工字钢 25#B 250*118*10.0 -工字钢 28#A 280*122*8.5 -工字钢 28#B 280*124*10.5 -工字钢 30#A 300*126*9.0 -工字钢 30#B 300*128*11.0 -工字钢 30#C 300*130*13 -工字钢 32#A 320*130*9.5 -工字钢 32#B 320*132*11.5 -工字钢 32#C 320*134*13.5 -工字钢 36#A 360*136*10.0 -工字钢 36#B 360*138*12.0 -工字钢 36#C 360*140*14 -工字钢 40#A 400*142*10.5 -工字钢 40#B 400*144*12.5 -工字钢 40#C 400*146*14.5 -工字钢 45#A 450*150*11.5 -工字钢 45#B 450*152*13.5 -工字钢 45#C 450*154*15.5 -工字钢 56#A 560*166*12.5 -工字钢 56#B 560*168*14.5 -工字钢 56#C 560*170*16.5 -工字钢 63#A 630*176*13 -工字钢 63#B 630*178*15 -The following is a table of ___ us sizes of I-___ the weight of a specific I-beam。
工字钢规格表工字钢是一种常用的建筑材料,它是由热轧钢板冷弯成型的,形状像一个“工”字,因此得名。
工字钢的规格不同,根据需要选择不同规格的工字钢可减少浪费,提高使用效率。
下面是一份工字钢规格表。
工字钢规格表型号:5# 工字钢尺寸:高100mm,宽50mm,壁厚5mm重量:14.5kg/m用途:适用于矮墙、精密配件、机床制造等行业。
型号:6.3# 工字钢尺寸:高126mm,宽63mm,壁厚4.8 ~ 5.3mm重量:20.3kg/m用途:适用于桥梁建设、厂房支撑、道路护栏等行业。
型号:8# 工字钢尺寸:高120mm,宽64mm,壁厚4.5mm重量:18.9kg/m用途:适用于大型机器制造、矿山工程等行业。
型号:10# 工字钢尺寸:高126mm,宽74mm,壁厚5mm重量:23.6kg/m用途:适用于建筑结构、大型车辆制造等行业。
型号:12# 工字钢尺寸:高126mm,宽76mm,壁厚5.5 ~ 6mm重量:30.8kg/m用途:适用于大型车辆、造船等行业。
型号:14# 工字钢尺寸:高133mm,宽83mm,壁厚5.5 ~ 6.5mm重量:39.6kg/m用途:适用于大型建筑物、大型机器设备等行业。
型号:16# 工字钢尺寸:高160mm,宽88mm,壁厚6 ~ 7mm重量:49.5kg/m用途:适用于大型建筑物、大型桥梁等行业。
型号:18# 工字钢尺寸:高176mm,宽94mm,壁厚6.5 ~ 7.5mm重量:61.7kg/m用途:适用于大型建筑物、大型钢结构、大型压力容器等行业。
型号:20a# 工字钢尺寸:高200mm,宽100mm,壁厚7 ~ 8mm重量:73.4kg/m用途:适用于高层建筑、大型工厂等行业。
型号:20b# 工字钢尺寸:高200mm,宽102mm,壁厚9 ~ 11mm重量:86.1kg/m用途:适用于海洋平台、大型建筑、大型机器设备等行业。
通过以上表格可以清楚地看到不同规格的工字钢的重量、尺寸和用途。
工字钢规格表及工字钢理论重量表工字钢也称钢梁,是截面为工字形的长条钢材。
其规格以腰高( h)*腿宽(b)*腰厚(d)的毫数表示,如“工160*88*6”,即表示腰高为160毫米,腿宽为88毫米,腰厚为6毫米的工字钢。
工字钢的规格也可用型号表示,型号表示腰高的厘米数,如工16#。
腰高相同的工字钢,如有几种不同的腿宽和腰厚,需在型号右边加a b c 予以区别,如32a# 32b# 32c#等。
工字钢分普通工字钢和轻型工字钢,热轧普通工字钢的规格为10-63#。
经供需双方协议供应的热轧普通工字钢规格为12-55#。
工字钢广泛用于各种建筑结构、桥梁、车辆、支架、机械等。
品名型号明细规格理论重量工字钢10# 100*63*4.5 11.261工字钢12# 120*74*5.0 13.987工字钢14# 140*80*5.5 16.89工字钢16# 160*88*6.0 20.513工字钢18# 180*94*6.5 24.143工字钢20#A 200*100*7.0 27.929工字钢20#B 200*102*9.0 31.069工字钢22#A 220*110*7.5 33.07工字钢22#B 220*112*9.5 36.542工字钢25#A 250*116*8.0 38.105工字钢25#B 250*118*10.0 42.03工字钢尺寸规格表工字钢理论重量表型号高度*脚宽*腰厚理重10 100*68*4.5 11.26112 120*74*5 13.987 14 140*88*6 20.513 18 180*94*6.5 24.143 20a 200*100*7 27.929 20b 200*102*9 31.069 22a 220*110*7.5 33.0722b 220*112*9.5 38.10525b 250*118*10 42.0328a 280*122*8.5 43.49228b 280*124*10.5 47.88830a 300*126*9 48.084 30b 300*128*11 52.79430c 300*130*13 52.71732b 320*132*11.5 57.74132c 320*134*13.5 62.76536a 360*136*10 60.03736b 360*138*12 65.68936c 360*140*14 71.34140a 400*142*10.5 67.59840b 400*144*12.5 73.87840c 400*146*14.5 80.15845a 450*150*11.5 80.4245b 450*152*13.5 87.48545c 450*154*15.5 94.5556a 560*166*12.5 106.31656b 560*168*14.5 115.10856c 560*170*16.5 123.963a 630*176*13 121.407 63b 630*178*15 131.298 63c 630*180*17 141.189Welcome To Download欢迎您的下载,资料仅供参考!。
⼯字钢尺⼨规格表⼯字钢规格表及⼯字钢理论重量表⼯字钢也称钢梁,是截⾯为⼯字形的长条钢材。
其规格以腰⾼( h)*腿宽(b)*腰厚(d)的毫数表⽰,如“⼯160*88*6”,即表⽰腰⾼为160毫⽶,腿宽为88毫⽶,腰厚为6毫⽶的⼯字钢。
⼯字钢的规格也可⽤型号表⽰,型号表⽰腰⾼的厘⽶数,如⼯16#。
腰⾼相同的⼯字钢,如有⼏种不同的腿宽和腰厚,需在型号右边加a b c 予以区别,如32a# 32b# 32c#等。
⼯字钢分普通⼯字钢和轻型⼯字钢,热轧普通⼯字钢的规格为10-63#。
经供需双⽅协议供应的热轧普通⼯字钢规格为12-55#。
⼯字钢⼴泛⽤于各种建筑结构、桥梁、车辆、⽀架、机械等。
⼯字钢尺⼨规格表⼯字钢理论重量表型号⾼度*脚宽*腰厚理重10 100*68*4.5 11.261 12 120*74*5 13.987 14 140*88*6 20.513 18 180*94*6.5 24.143 20a 200*100*7 27.92920b 200*102*9 31.069 22a 220*110*7.5 33.07 22b 220*112*9.5 38.105 25b 250*118*10 42.03 28a 280*122*8.5 43.492 28b 280*124*10.5 47.888 30a 300*126*9 48.084 30b 300*128*11 52.794 30c 300*130*13 52.717 32b 320*132*11.5 57.741 32c 320*134*13.5 62.765 36a 360*136*10 60.037 36b 360*138*12 65.689 36c 360*140*14 71.341 40a 400*142*10.5 67.598 40b 400*144*12.5 73.878 40c 400*146*14.5 80.158 45a 450*150*11.5 80.42 45b 450*152*13.5 87.485 45c 450*154*15.5 94.55 56a 560*166*12.5 106.316 56b 560*168*14.5 115.108 56c 560*170*16.5 123.9 63a 630*176*13 121.407 63b630*178*15 131.298 63c 630*180*17 141.189。
名称型号尺寸描述hb d t r r 1I x I y i x i y W x W y h×b×d×t 10#10068 4.57.6 6.5 3.314.330.43224533 4.14 1.52499.7211.3工字钢10# 100×68×4.5×7.612#1207458.47 3.517.80.49343646.9 4.95 1.6272.712.714工字钢12# 120×74×5×8.412.6#1267458.47 3.518.10.50548846.9 5.2 1.6177.512.714.2工字钢12.6# 126×74×5×8.414#140805.59.17.5 3.821.50.55371264.4 5.76 1.7310216.116.9工字钢14# 140×80×5.5×9.116#1608869.98426.110.621113093.1 6.58 1.8914121.220.5工字钢16# 160×88×6×9.918#18094 6.510.78.5 4.330.740.68116601227.3621852624.1工字钢18# 180×94×6.5×10.720a 200100711.49 4.535.550.74223701588.15 2.1223731.527.9工字钢20a 200×100×7×11.420b 200102911.49 4.539.550.74625001697.96 2.0625033.131.1工字钢20b 200×102×9×11.422a 2201107.512.39.5 4.842.10.81734002258.99 2.3130940.933.1工字钢22a 220×110×7.5×12.322b 2201129.512.39.5 4.846.50.82135702398.78 2.2732542.736.5工字钢22b 220×112×9.5×12.324a 24011681310547.710.87845702809.77 2.4238148.437.5工字钢24a 240×116×8×1324b 240118101310552.510.88248002979.57 2.3840050.441.2工字钢24b 240×118×10×1325a 25011681310548.510.898502028010.2 2.440248.338.1工字钢25a 250×116×8×1325b 250118101310553.510.90252803099.94 2.442352.442工字钢25b 250×118×10×1327a 2701228.513.710.5 5.354.520.958655034510.9 2.5148556.642.8工字钢27a 270×122×8.5×13.727b 27012410.513.710.5 5.359.920.962687036610.7 2.4750958.947工字钢27b 270×124×10.5×13.728a 2801228.513.710.5 5.355.370.978711034511.3 2.550856.643.5工字钢28a 280×122×8.5×13.728b 28012410.513.710.5 5.360.970.982748037911.1 2.4953461.247.9工字钢28b 280×124×10.5×13.730a 300126914.411 5.561.22 1.0318********.1 2.5559763.548.1工字钢30a 300×126×9×14.4惯性矩 cm 4惯性半径cm 截面模数cm³型号截面尺寸 mm截面面积cm²外表面积m²/m 理论重量kg/m名称型号尺寸描述h b d t r r 1I x I y i x i y W x W y h×b×d×t 惯性矩 cm 4惯性半径cm 截面模数cm³型号截面尺寸 mm截面面积cm²外表面积m²/m 理论重量kg/m 30b3001281114.411 5.567.22 1.0359********.8 2.562765.952.8工字钢30b 300×128×11×14.430c3001301314.411 5.573.22 1.039985044511.6 2.4665768.557.5工字钢30c 300×130×13×14.432a3201309.51511.5 5.867.12 1.0841110046012.8 2.6269270.852.7工字钢32a 320×130×9.5×1532b32013211.51511.5 5.873.52 1.0881160050212.6 2.617267657.7工字钢32b 320×132×11.5×1532c32013413.51511.5 5.879.92 1.0921220054412.3 2.6176081.262.7工字钢32c 320×134×13.5×1536a3601361015.812676.44 1.1851580055214.4 2.6987581.260工字钢36a 360×136×10×15.836b3601381215.812683.64 1.1891650058214.1 2.6491984.365.7工字钢36b 360×138×12×15.836c3601401415.812690.84 1.1931730061213.8 2.696287.471.3工字钢36c 360×140×14×15.840a40014210.516.512.5 6.386.07 1.2852170066015.9 2.77109093.267.6工字钢40a 400×142×10.5×16.540b40014412.516.512.5 6.394.07 1.2892280069215.6 2.71114096.273.8工字钢40b 400×144×12.5×16.540c40014614.516.512.5 6.3102.1 1.2932390072715.2 2.65119099.680.1工字钢40c 400×146×14.5×16.545a45015011.51813.5 6.8102.4 1.4113220085517.7 2.89143011480.4工字钢45a 450×150×11.5×1845b45015213.51813.5 6.8111.4 1.4153380089417.4 2.84150011887.4工字钢45b 450×152×13.5×1845c45015415.51813.5 6.8120.4 1.4193530093817.1 2.79157012294.5工字钢45c 450×154×15.5×1850a5001581220147119.2 1.53946500112019.7 3.0718*******.6工字钢50a 500×158×12×2050b 5001601420147129.2 1.54348600117019.4 3.011940146101工字钢50b 500×160×14×2050c 5001621620147139.2 1.54750600122019 2.962080151109工字钢50c 500×162×16×2055a 55016612.52114.57.3134.1 1.66762900137021.6 3.192290164105工字钢55a 550×166×12.5×2155b 55016814.52114.57.3145.1 1.67165600142021.2 3.142390170114工字钢55b 550×168×14.5×21名称型号尺寸描述h b d tr r 1I x I y i x i y W x W y h×b×d×t 惯性矩 cm 4惯性半径cm 截面模数cm³型号截面尺寸 mm截面面积cm²外表面积m²/m 理论重量kg/m 55c55017016.52114.57.3156.1 1.67568400148020.9 3.082490175123工字钢55c 550×170×16.5×2156a56016612.52114.57.3135.4 1.68765600137022 3.182340165106工字钢56a 560×166×12.5×2156b56016814.52114.57.3146.6 1.69168500149021.6 3.162450174115工字钢56b 560×168×14.5×2156c56017016.52114.57.3157.8 1.69571400156021.3 3.162550183124工字钢56c 560×170×16.5×2163a6301761322157.5154.6 1.86293900170024.5 3.312980193121工字钢63a 630×176×13×2263b6301781522157.5167.2 1.86698100181024.2 3.293160204131工字钢63b 630×178×15×2263c 6301801722157.5179.8 1.87102000192023.8 3.273300214141工字钢63c 630×180×17×22。
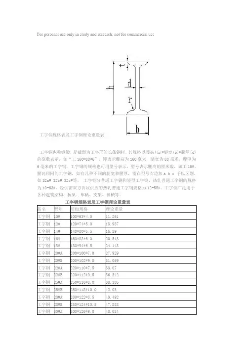
工字钢规格表及工字钢理论重量表
工字钢也称钢梁,是截面为工字形的长条钢材.其规格以腰
高( h)*腿宽(b)*腰厚(d)的毫数暗示,如“工160*88*6”,即暗示腰高为160毫米,腿宽为88毫米,腰厚为6毫米的工字钢.工字钢
的规格也可用型号暗示,型号暗示腰高的厘米数,如工16#.腰高雷同的工字钢,若有几种不合的腿宽和腰厚,需在型号右边加a b c 予以差别,如32a# 32b# 32c#等. 工字钢分通俗工字钢和轻型工
字钢,热轧通俗工字钢的规格为10-63#.经供需两边协定供给的热轧通俗工字钢规格为12-55#.工字钢普遍用于各类建筑构造.桥梁.车辆.支架.机械等.
工字钢尺寸规格表
工字钢理论重量表。