新能源汽车使用与高压安全防护题库
- 格式:docx
- 大小:205.22 KB
- 文档页数:9
新能源高压安全试题及答案第一部分:选择题1. 以下哪项不是高压安全的基本原则?A. 防止电击伤害B. 防止电弧伤害C. 防止火灾爆炸D. 防止电池损坏答案:D2. 在进行高压设备维护和维修时,应确保:A. 不存在剩余电荷B. 设备处于运行状态C. 操作人员穿着绝缘手套D. 使用金属工具进行操作答案:A3. 以下哪项属于高压安全操作措施?A. 避免长时间连续使用设备B. 维护设备无需切断电源C. 直接将设备插入高压插孔D. 不进行降压操作就操作高压设备答案:D4. 使用多功能电器时,以下哪项措施是错误的?A. 将设备放置在干燥且通风良好的地方B. 在使用前检查设备是否完好无损C. 在清洁设备前切断电源D. 使用带有摆动部件的设备时,要避免接触答案:C5. 在充电器中是否可以长时间放置手机电池?A. 可以,充电器不会对电池造成影响B. 不可以,可能引发电池过热C. 不可以,可能导致充电效率低下D. 可以,但需要避免过度充电答案:B第二部分:填空题1. 高压电器的标识颜色为___________。
答案:橙黄色2. 在进行高压电器操作前,必须佩戴___________。
答案:绝缘手套3. 碰触带电部位时,主要通过___________途径造成人身伤害。
答案:导电途径4. 高压安全操作的金科玉律是确保_____________。
答案:设备切断电源或降压后方可操作5. 充电器向电池充电时产生的能量转化为_____________。
答案:电池内化学能第三部分:问答题1. 什么是高压设备的操作前准备工作?答:高压设备操作前的准备工作包括切断电源或降压,佩戴绝缘手套和其他防护用品,检查设备是否完好无损,确认操作区域干燥并保持通风良好。
2. 请简要解释什么是电击伤害?答:电击伤害指由于人体接触带电部位或导电物体而导致的电流通过人体产生伤害。
电击伤害的严重程度取决于电流大小、接触时间和电流路径。
3. 在充电过程中,为什么要避免过度充电?答:过度充电会导致电池温度升高,可能引发电池过热甚至起火。
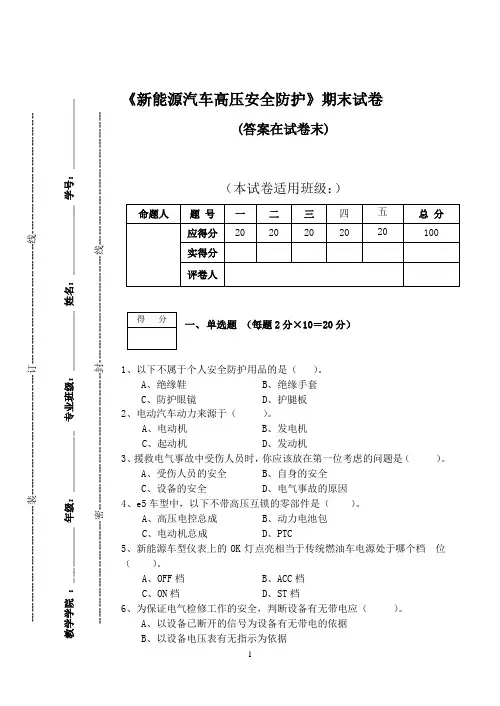
《新能源汽车高压安全防护》期末试卷(答案在试卷末)(本试卷适用班级:)一、 单选题 (每题2分×10=20分)1、以下不属于个人安全防护用品的是( )。
A 、绝缘鞋B 、绝缘手套C 、防护眼镜D 、护腿板 2、电动汽车动力来源于( )。
A 、电动机B 、发电机C 、起动机D 、发动机 3、援救电气事故中受伤人员时,你应该放在第一位考虑的问题是( )。
A 、受伤人员的安全B 、自身的安全C 、设备的安全D 、电气事故的原因 4、e5车型中,以下不带高压互锁的零部件是( )。
A 、高压电控总成B 、动力电池包C 、电动机总成D 、PTC5、新能源车型仪表上的OK 灯点亮相当于传统燃油车电源处于哪个档 位( )。
A 、OFF 档B 、ACC 档 C 、ON 档D 、ST 档6、为保证电气检修工作的安全,判断设备有无带电应( )。
A 、以设备已断开的信号为设备有无带电的依据B 、以设备电压表有无指示为依据C、以设备指示灯为依据,绿灯表示设备未带电D、通过验电来确定设备有无带电7、以下绝缘安全用具中属于辅助安全用具的是()。
A、绝缘手套B、验电器C、绝缘夹钳D、绝缘棒8、带电灭火时,不能选用()来灭火。
A、1211灭火器B、二氧化碳灭火器C、水D、干粉灭火器9、人体内部电阻中的手臂内阻大约为()欧姆。
A、100B、200C、500D、100010、新能源车型维修技师需具备以下资质:()A、国家认可的《特种作业操作证(电工)》B、合格证C、安全防护等级证书D、行驶证二、判断题(每题2分×10=20分)1、测量电流时,应将电流表并联在被测电路中。
()2、e5车型的安全防护设备:绝缘手套、绝缘脚垫、绝缘胶鞋耐压等级要求大于1000V。
()3、高压配电箱既是一个高压零部件,同时还是高压系统的一个控制单元。
()4、援救电气事故中受伤人员时,自身的安全是第一位的。
()5、e5车型的电池管理器本身不是高压零部件,属于高压系统的一个控制单元。
(电工证)K1考试题温馨提醒:K1考试题不属于理论考试题,只有电工证新办的考生才考此科目。
电工证年审/复审(审证)的考生不考此科目(K1),年审的只考理论。
电工证(新办)考试科目理论--------->K1、K3---->消防灭火/心肺复苏------->接线1.某电工正在使用电工仪表测量交流电动机,如下图所示,试问该电工所使用的仪表是(A)。
A、万用表B、钳形电流表C、摇表、2.电工在测量低压交流电动机的电流时,如下图所示,所使用的仪表是(A)。
A.交流钳形电流表B.万用表C.兆欧表3、某电工在维修单相设备时,用钳形电流表按下图的方式测量其线路中的电流。
(B)A.正确B.错误4、某电工采用万用表的欧姆档测量电阻,下图为正确的测量方法。
(B)A.正确B.错误5.针对摇表的开路检查,当摇动手柄使其转速120r/min时,观察下图中正常摇表的指针应指在“∞”的位置。
(A)A.正确B.错误6.针对摇表的短路检查,观察下图中正常摇表的指针应指在“∞”的位置。
(B)A.正确B.错误7、下图表示的含义是(B)。
A、必须戴工作帽B、必须戴安全帽C、必须戴防护帽8、在施工现场作业中,施工人员为了防止安全帽脱落,可以将安全帽的帽衬去掉,让安全帽戴得更紧。
(B)A、正确B、错误9、某一登杆教学场地,如图所示,学员在老师指导和监护下,可以使用脚扣来攀登电杆。
(A)A、正确B、错误10、在下列图片中,安全帽的使用和佩戴正确的是(B)。
A、B、C、11、下图标志表示的是必须系安全带。
(A)A.正确B.错误12、在高空作业施工现场中,如下图所示,操作人员能够正确使用安全带。
(A)A.正确B.错误13、下图中配电柜上按要求悬挂了所需要的安全标志。
(B)A、正确B、错误14、下图表示的含义是(A)。
A.必须穿防护鞋B.必须穿绝缘鞋C.必须穿工作鞋15、下图表示的含义是(C)。
A.必须戴绝缘手套B.必须戴工作手套C.必须戴防护手套16、下图标志中表示禁止启动的是(A)。
共6页,第1页共6页,第2页班级:_______________ 姓名:_______________ 学号:_______________密------------------------封-----------------------线------------------------外------------------------不------------------------准------------------答-----------------题《新能源汽车高压安全与防护》期末试卷202 - 202 学年第 学期(A 卷,闭卷) 时间: 100分钟分)1.通常汽车中的 搭铁点 就是电位的参考点,电路中任意一点的 电位 就是相对于搭铁点的电压。
2.熔断器俗称 保险丝 ,使用时,熔断器 串联 在被保护的电路中,在电路中起到用电设备保护。
3.新能源汽车维修过程中有可能出现电池液的飞溅,为了防止电池液溅入眼4.死亡症状的一般表为:心脏呼吸停止、瞳孔放大、出现尸斑、尸僵、血管硬化。
这五个症状中如果有一个未出现,也应当作假死来尽力抢救。
5.脱离低压电源的方法一般有: 拉 、 切 、 挑 、 拽 、 垫 。
6.对于呼吸心跳均停止者需同时进行人工呼吸和心脏按压术,胸外按压与人工呼吸的比例为 30:2 。
7.安全帽的外观检查主要包括 三证 、标识 和 产品做工 三方面。
8. 高压控制盒PDU 是整车高压电的一个电源分配装置。
二、单选题(本大题共10小题,每小题2分,共20分)在每小题列出的选项中只有一个是符合题目要求的,请将其选项填写在对应题号的答题框内。
1.测量额定电压在500V 以下的设备或线路的绝缘电阻时,可选用( )绝缘电阻表。
A.200V 或500VB.500V 或1000VC.1000V 或1500VD.以上都不正确2.数字式万用表上的“AC ”表示( )。
A.平均值B.直流C.交流D.电压 3.以下哪项措施不属于新能源汽车上的预防性保护措施( )。
期中考试一、填空题(每空1分,共30分)1.电路不论大小和复杂程度如何,基本都是由、和组成的。
2.熔断器俗称,使用时,熔断器在被保护的电路中,在电路中起到保护。
3.汽车电路由、和三部分组成。
4.手摇绝缘电阻表和数字式绝缘电阻表分别是通过和进行供电的。
5.北汽新能源汽车采用故障诊断系统。
6.外伤出血按血管的种类分:出血、出血、出血。
7. 是连接动力电池与每个高压负载的神经,将动力电池的电输送到每个高压负载,保障负载电力输送的稳定性。
8.安全帽的外观检查主要包括、和三方面。
9.按标准,等电位连接所用的保护导体的电阻值不应超过Ω。
10. 的作用是使人体与地面绝缘,防止电流通过人体与大地之间构成通路。
11. IP代码中防尘等级最高级别为,防水等级最高级别为。
12.新能源汽车上的高压和低压电气系统分别由和供电。
13. 是动力电池保护和管理的核心部件,它的作用相当于整个动力电池系统的大脑。
14. 是整车高压电的一个电源分配装置。
15.外壳防护等级IP代码由、、和组成。
二、判断题(每题2分,共20分)1. 电压、电流是电路的基本物理量。
()2. 钳形电流表测电流时无须断开电源和线路即可直接测量。
()3. 绝缘电阻表的电压等级应低于被测物的绝缘电压等级。
()4. 如误入跨步电压触电危险区域,应快速跑离危险区,以免发生触电事故。
()5. 车载充电机是一个将220V交流电转为直流电的装置。
()6. 主动泄放作为被动泄放失效的二重保护,可在2 min内将高压回路中直流母线电压放到60 V以下。
()7. 在使触电者脱离电源的过程中,救护人员最好用两手一起操作。
()8. 护目镜可以交换使用。
()9. 低压蓄电池跨接启动时,应将亏电蓄电池和有电蓄电池串联。
()10. 自动断路装置要具备人工复位的能力。
()三、选择题(每题2分,共20分)1.测量额定电压在500V以下的设备或线路的绝缘电阻时,可选用()绝缘电阻表。
A.200V或500V B.500V或1000VC.1000V或1500V D.以上都不正确2.数字式万用表上的“AC”表示()。
《新能源汽车高压安全与防护》习题参考答案项目一新能源汽车高压电路任务1 高压电路与触电急救1.判断题(每题1分)(1)通常当人体接触到30 V以上的交流电,或60 V以上的直流电时,人体就有可能会发生触电事故。
(√)(2)人体只要接触到电源,就一定会导致触电的事故。
(X)(3)新能源汽车的高电压系统是与车身之间连接的。
(X)(4)电流对人体的伤害有三种形式:电击、电伤和电磁场伤害,以及电击带来的二次伤害。
(√)(5)电流通过人体的心脏、肺部和中枢神经系统的危险性较大,特别是电流通过心脏时,危险性最大。
(√)(6)不幸发生了人员触电事故,绝对不要去触碰仍然与电压有接触的人员。
应尽量立即将电气系统断电,或用不导电的物体(如木板、扫帚把等等)把事故受害者或者导电体与电压分离。
(√)(7)在触电施救中脱离电源的方法是带上绝缘手套将触电人员脱开,或者切断高压电源。
(√)(8)只要判断心脏骤停,应立即进行胸外按压,以维持重要脏器的功能。
(√)(9)急救时,开放患者气道应先去除气道内异物。
(√)(10)如果发生了触电事故,施救的同时应立即拨打120急救电话。
(√)2.单选题(每题2分)(1)目前国标对安全电压规定是(C)以下。
A、直流60V,交流36VB、直流36V,交流60VC、直流60V,交流30VD、直流30V,交流60V(2)当电压高到一定值以后,会有相应的电流流过人体。
当大约(B)mA的电流通过人体时,会产生肌肉收缩和疼痛感。
A、1mAB、5至10mAC、80mAD、100mA(3)触电后,人体的血液和细胞液成为电解液并被电解,结果会发生严重的中毒,称为(C)。
A、电击效应B、热效应C、化学效应D、电弧伤害(4)高压触电以后,会短时间让人体心脏骤停,恰当的、第一时间心肺复苏可以成功挽救(D)以上的触电人员生命。
A、50%B、90%C、15D、80%(5)进行胸外按压时,以下做法错误的是(C )。
A、患者仰卧位于硬质平面上B、按压部位在胸骨中下1/3交界处或双乳头与前正中线交界处C、按压时,按压速度越快越好D、每2分钟更换按压者,每次更换尽量在5秒内完成任务2 新能源汽车高压部件识别1.判断题(每题1分)(1)新能源汽车通常采用高压警告标记和高压警告颜色两种形式进行高电压警告。
新能源汽车高压安全与防护-试卷及答案新能源汽车高压安全防护》期末试卷一、单选题(每题2分×10=20分)1、以下不属于个人安全防护用品的是()。
A、绝缘鞋B、绝缘手套C、防护眼镜D、护腿板2、电动汽车动力来源于()。
A、电动机B、发电机C、起动机D、发动机3、援救电气事故中受伤人员时,你应该放在第一位考虑的问题是()。
A、受伤人员的安全B、自身的安全C、设备的安全D、电气事故的原因4、e5车型中,以下不带高压互锁的零部件是()。
A、高压电控总成B、动力电池包C、电动机总成D、PTC5、高压互锁的作用是()。
A、防止高压电路意外打开B、防止高压电路意外关闭C、提高高压电路的电压D、降低高压电路的电压6、高压电工作时,人体可能受到的最大电流值是()。
A、0.01mAB、0.1mAC、1mAD、10mA7、高压电工作时,人体可能受到的最大电压值是()。
A、50VB、100VC、200VD、500V8、高压电工作时,人体可能受到的最大电击时间是()。
A、0.1sB、0.2sC、0.3sD、0.5s9、高压电工作时,人体可能受到的最大电击次数是()。
A、1次B、2次C、3次D、5次10、高压电工作时,人体可能受到的最大电击能量是()。
A、0.1mJB、1mJC、10mJD、100mJ二、判断题(每题2分×10=20分)1、电动汽车的高压电路是指电压大于60V的电路。
()2、电动汽车的动力电池包是由若干个电池单体组成的。
()3、电动汽车的高压电路必须带有高压互锁装置。
()4、电动汽车的高压电路可以在没有任何保护措施的情况下进行维修。
()5、在进行电动汽车高压电路的维修时,必须先切断电源,然后使用绝缘工具进行维修。
()6、电动汽车高压电路的维修必须由具有相应资质的人员进行。
()7、电动汽车高压电路的维修必须在专门的维修场所进行。
()8、电动汽车高压电路的维修必须按照相关标准和规范进行。
()9、电动汽车高压电路的维修必须进行完整的试验和检查,确保安全。
新能源汽车班高压安全与防护复习题含答案您的姓名: [填空题] *_________________________________高压电缆将发电机的电能输送到每个高压负载 [判断题] *对错(正确答案)交流充电口总成又称快充口,用于将外部充电设备的交流电源连接到车辆充电回路上 [判断题] *对错(正确答案)动力电池的高电压具有的特点是一直持续有高电压 [判断题] *对错(正确答案)仪表上的“AC”表示交流 [判断题] *对错(正确答案)关于动力电池包负极,说法正确的是电池包的负极是高压负,不与低压蓄电池共负,也不能与搭铁相连 [判断题] *对(正确答案)错维修过程发现整车高压部件存在涉水的痕迹,正确的做法是将水烘干,然后做绝缘检测 [判断题] *对(正确答案)错新能源汽车整车涉水之后,需要注意继续开,最快的速度脱离漫水区域 [判断题] *对错(正确答案)选择充电设备,正确的是直接去充电站充电 [判断题] *对错(正确答案)对于拆开的高压插接件,正确的做法是拔开维修开关之后,没有高压,不会有危险的 [判断题] *对错(正确答案)对于有高温标识的高压部件,维修时要注意高压下电之后,还要等待部件的温度恢复常温在操作 [判断题] *对(正确答案)错处理过温的电机或动力电池包时,错误的操作方法是用水枪喷水,加速降温 [判断题] *对(正确答案)错对新能源汽车机舱进行清洗时需要注意将高压部件都拆卸出来之后,再做清洗 [判断题] *对错(正确答案)对新能源汽车机舱进行清洗时需要注意将高压部件都拆卸出来之后,再做清洗 [判断题] *对错(正确答案)急需要拆卸一个整车存在安全隐患的高压部件,但是现场没有绝缘工具,正确的做法是断开维修开关之后不要紧的 [判断题] *对错(正确答案)电需要对整车上电时,正确的做法是维修人员不可上电 [判断题] *对错(正确答案)维修开关拆卸下来之后,一般交由监护人员保管保管 [判断题] *对(正确答案)错卸高压用电器电源时,正确的做法如果正负极是分开的,要一个一个的拆 [判断题] *对(正确答案)错新能源汽车充电家庭电路载流量太差,直接从家用配电箱接电出来,可以承受更大功率的充电设备 [判断题] *对错(正确答案)双人配合维修新能源汽车时,错误的做法是最妥善的做法时两人不要同时操作,尤其是检修高压系统的时候 [判断题] *对错(正确答案)插上充电枪仪表没有插枪信号,此时检修应该充电指示灯不亮说明整车没有高压[判断题] *对错(正确答案)新能源汽车高压下电成功的标志是电池包高压母线电压小于1V [判断题] *对(正确答案)错电动汽车整车绝缘检测的标准是绝缘阻值大于20MΩ [判断题] *对(正确答案)错拆卸整车高压部件时,我们需要整车高压部件不允许拆卸 [判断题] *对错(正确答案)新能源汽车起火,下列正确的说法是新能源汽车使用的电池实际上都有防爆措施,造成起火的原因多是电池包变形挤压电池短路之后引起的 [判断题] *对(正确答案)错新能源汽车维修过程中,突然出现明火,火势直接蔓延全车在火势较小时,用干粉灭火器压制火势,并寻找出现明火的原因 [判断题] *对错(正确答案)车辆维修过程中,出现明火,明智的做法是起火原因不确定,先隔离火源,看情况再做决定 [判断题] *对(正确答案)错处理电池包内部接触器烧结故障时,需要注意此时很有可能电池包一直有高压电输出,我们在断开时高压母线时一定要小心,有可能窜出电弧 [判断题] *对(正确答案)错新能源汽车常规维护时常规维护一般不涉及拆卸高压系统,所以不需要做绝缘防护[判断题] *对错(正确答案)安装高压组件时,我们需要注意高压组件上面有多个高压插接件时,一定要注意插接件的位置,不能错插、漏插、硬插 [判断题] *对(正确答案)错对于拆卸下来的动力电池处理方式错误的是将动力电池包单独摆放,并树立高压安全警示牌 [判断题] *对错(正确答案)处理漏液的动力电池时,维修人员必须准备有绝缘手套 [判断题] *对错(正确答案)不带护目镜可能会造成高压插拔时,残余电流产生的弧光灼伤眼睛[判断题] *对(正确答案)错不铺设绝缘垫会造成的危害是维修过程中,工具配件掉落会砸坏地板 [判断题] *对错(正确答案)设置安全警示牌会造成的危害是周围人员不会随意进出维修工位 [判断题] *对(正确答案)错不戴绝缘帽会造成的危害是周围无关人员不知道你在进行高压作业 [判断题] *对错(正确答案)不戴绝缘手套测量高压电会造成的危害是操作不便 [判断题] *对错(正确答案)新能源维修汽车工位错误的操作是设置安全警示牌 [判断题] *对错(正确答案)为了保证维修人员的操作安全,在维修人员进行操作前,监护人员需要检查整车高压电源是否断开 [判断题] *对(正确答案)错高压部件维修,必须断开动力电池母线 [判断题] *对错(正确答案)新能源汽车的维修属于高压电气作业,所以维修时需要配备急救医生和救护车 [判断题] *对错(正确答案)新能源汽车维修技师需要低压电工操作证证书才可以上岗 [判断题] *对(正确答案)错高压下电,正确的是断开互锁开关,可以保证整车下电 [判断题] *对错(正确答案)两人协同维修新能源汽车时,一定要注意操作人员做任何事情都要报告,不能私自行动 [判断题] *对错(正确答案)检修电机时,维修人员需要注意永磁同步电机的永磁体高温会退磁,注意要给电机降温 [判断题] *对(正确答案)错检修高压电控单元时,维修人员需要注意电控单元一般是低压元器件,不必遵循高压维修原则 [判断题] *对错(正确答案)属于比亚迪新能源车型的高压安全防护设计主、被动泄放, 开盖检测, 高压互锁. [判断题] *对(正确答案)错高压系统安全维修步骤检修时做好高压系统零部件的绝缘防护处理 [判断题] *对(正确答案)错动力电池包检修,说法正确的是电池包是原厂保修件,我们只需要将其从车上拆下来,运动厂家那里去就行了 [判断题] *对错(正确答案)关于高压插拔,说法正确的是高压插接件传输的是高压电,一定不能带电插拔 [判断题] *对(正确答案)错新能源汽车整车质量较大,我们在使用举升机举升车辆时,需要注意只能使用大剪举升机举升车辆,因为不会顶到底盘 [判断题] *对错(正确答案)关于新能源汽车漏电检测,说法正确的是新能源汽车要求整车各部件绝缘阻值必须在20MΩ以上 [判断题] *对(正确答案)错可以扑灭新能源汽车火灾的是泡沫灭火器 [判断题] *对错(正确答案)进行高压线路、元件检修时,维修人员必须高压下电之后,和常规项目一样 [判断题] *对(正确答案)错在非安全工位拆卸电池包时,我们需要准备绝缘胶垫 [判断题] *对错(正确答案)在非安全工位处理电池包漏液时,我们需要准备防酸碱手套 [判断题] *对(正确答案)错在非安全工位断开动力电池母线时,我们需要准备绝缘手套 [判断题] *对(正确答案)错对新能源汽车进行维修,我们需要准确识别整车高压部件,新能源汽车高压元器件包括车载充电机 [判断题] *对(正确答案)错对新能源汽车高压部件进行测量时,单手操作的原因包括防止双手同时接触电源造成触电 [判断题] *对(正确答案)错对于触电人员进行救援时,我们需要注意触电人员脱离电源之后,要立刻进行基本救护,确保触电人员有明显生命迹象 [判断题] *对(正确答案)错进行新能源汽车维修,我们需要对场地进行一些基本布置,包括在新能源工位上操作,并将车身与保护地线连接。
11.新能源汽车的高压安全设计填空题:1.2020年国家标准规定,纯电动汽车动力电池的防护等级,必须要达到IP67。
2.低压电气系统采用12V供电系统。
3.纯电动汽车电压和电流等级都比较高,动力电压一般都在300~ 400V (直流),电流瞬间能够达到几百安。
4.根据国际电工标准的要求,人体没有任何感觉的电流安全阙值是2mA。
选择题:1.多长时间检查一次高压模块外观 [单选题] *A.10000公里或6个月B.20000公里或12个月C.40000公里或2年D.每个保养周期都要检查 D.每个保养周期都要检查(正确答案)2.检查高压部件是否涉水是在 [单选题] *A.每个保养周期都要检查(正确答案)B.10000公里或6个月C.20000公里或12个月D.40000公里或2年 D.40000公里或2年3.二级维护高压附件的检查不包括 [单选题] *A.电动压缩机工作状态B.PTC工作状态C.高压线束绝缘检测D.动力电池包外观检查(正确答案)4.一、二级维护当中,对于高压部件的安装检查,螺栓的紧固标准来自于哪里[单选题] *A.现行的新能源汽车维护标准B.原厂维修手册(正确答案)C.自身的力矩上限D.扳手的力矩上限5.高压线束的绝缘检测指的是 [单选题] *A.测量导线对车身的电阻值B.测量导线对车身的绝缘阻值C.测量导线对导线屏蔽层的电阻D.测量导线对导线屏蔽层的绝缘电阻值(正确答案)6.测量相间电阻,可以使用 [单选题] *A.绝缘电阻测试仪(正确答案)B.万用表C.毫欧表7.以下关于驱动系统的二级维护,说法正确的是 [单选题] *A.二级维护项目二级技师就可以完成B.驱动系统维护属于高压电气作业,需要监护人(正确答案)C.维护的重点在于绝缘电阻测试D.维护的重点在于安装检查8.碰撞断高压的控制模块是 [单选题] *A.安全气囊控制器B. 整车控制器C.电机控制器D.动力电池管理器(正确答案)9.以下没有高压互锁的是 [单选题] *A.电机控制器B.动力电池包C.PTCD.变速箱(正确答案)10.以下不会造成高压互锁锁止的的是 [单选题] *A.电池包母线断开 PTCB.高压电源插接件松脱C.电池包分压接触器电源断路(正确答案)D.维修开关未装11.高压互锁锁止的原因可能是 [单选题] *A.高压插接件断开(正确答案)B.保险烧毁C.高压用电器不工作D.整车不能上高压12.励磁电源断路会造成 [单选题] *A.整车无电B.不能交流充电C.不能上高压电(正确答案)D.不能下电。
编号:版次:流水号:2022-2023学年第1学期《新能源汽车高压安全与防护》课程考试试卷(考试形式:闭卷)班级:学号:姓名:一.填空题(每空2分,共20分)1.新能源汽车主要车型有汽车、汽车和汽车。
2.触电者无心跳、有呼吸或有心跳、无呼吸的情况必须,如果不是及时抢救或抢救方法不对会导致触电者转变为状态。
3.触电后受伤者如无心跳,必须采用进行抢救,是指有节奏地以手对心脏进行按压,勇人工地方法代替心脏地自然收缩,从而达到的目的4.操作员进行高压电检修作业时,安全员做辅助工作和记录工作,不能操作高压电的检修作业一个人操作,可以防止2人作业总配合失误造成。
二.选择题(每题2分,共40分)1.废旧锂电池宜采取()的处理方法。
A.填满B.焚烧C.堆肥D.回收2.燃料电池系统最大的安全隐患在于储气罐,目前最广泛使用的是()高压铝瓶。
A.60MPaB.70MPaC.80MPaD. 100MPa3.动力蓄电池起火,温度一般可达()。
A.1000℃B.1500℃C.2000℃D.500℃4.发现新能源汽车电池出现问题时,在保证人身安全的前提下,按照正常的操作流程,首先编号:版次:流水号:应()A.切断电源B.拨打救援电话C.检查车辆状况D.以上均不是5.镍氢电池起火后不宜使用()灭火剂灭火。
A.干粉B.二氧化碳C.泡沫D.水型6.心跳和呼吸停止是人体最紧迫的急诊,最佳的抢救方式是()。
A.打120急救电话B.紧急送医C.大力摇晃伤者使其清醒D.心肺复苏术7.动力蓄电池着火时应使用()灭火器。
A.1211B.泡沫C.ABC干粉D.二氧化碳8.做人工呼吸时,每次吹气()左右,约()循环。
A.5次B.10次C.5个D.10个9.如果起火时人员已经逃出汽车,则消防员必须拉开()以上的灭火距离。
A.15米B.20米C.25米D.30米10.在新能源汽车中动力蓄电池作为整车最主要的动力来源,()一般不作为动力蓄电池使用。
A.锂电池B.镍氢电池C.燃烧电池D.铅酸电池11.新能源车辆上的高压电安全标签底色为()A.黑色B.橙色C.黄色D.红色12.()不会让新能源汽车无法起动。
试题一一、填空题1.电路不论大小和复杂程度如何,基本都是由、和组成的。
2.熔断器俗称,使用时,熔断器在被保护的电路中,在电路中起到保护。
3.汽车电路由、和三部分组成。
4.绝缘拆装工具是指可在额定电压 V(交流电压)和 V(直流电压)的带电和近电工件或器件上进行维修作业的手工工具。
5.使用数字式万用表测量电压时,如果屏幕显示数字1,则表示所选档位过。
6.触电事故时常发生,触电电流对人体的伤害是多方面的,根据伤害的性质不同,触电可分为和两种。
7.进行触电急救应坚持的基本原则:、、、。
8.心肺复苏法支持生命的三项基本措施包括:、、。
9.传统内燃机汽车电气系统具有、、和四个特点。
10.根据所采用保护措施的不同,新能源汽车对高压部件保护可分为和。
11.新能源汽车常用的个人高压防护用具包括、、、和安全帽等。
12.采用等电位连接后,该设备外壳和车身地为电位。
二、判断题1. 电压、电流是电路的基本物理量。
()2. 当电路中用电器负载过大或电路中有短路的情况,导致电路中电流异常并超过其额定电流时熔断器会熔断。
()3.绝缘拆装工具只要有塑料柄就能使用。
()4.绝缘拆装工具只要绝缘检测合格就可以一直使用,不需要定期检测。
()5.电伤是由于电流通过人体而造成的内部器官在生理上的反应和病变,绝大部分触电死亡事故都是由电伤造成的。
()6.据统计,高压触电事故所占触电事故比例要大于低压触电事故。
()7.触电者如无呼吸,但心脏有跳动,应立即采用胸外心脏挤压法进行救治。
()8.动力电池的充电只能通过快充口或慢充口来实现。
()9.有效绝缘是在基本绝缘的基础上,保护危险的人体触电。
()10.保护接地是将电气设备的外露可导电部分用保护线与大地直接连接的防护措施。
()三、选择题1.电动汽车的防护等级为()。
A.IP65 B.IP67C.IP56 D.IP762.下列不属于串联电路特点的是()。
A. 逐个顺次连接B.有两条(或两条以上)路径C.用电器之间彼此相互影响,不能独立工作D.开关控制整个电路,且开关的控制作用与开关的位置无关3.绝缘拆装工具在使用前,必须注意的事项是()。
新能源汽车高压安全与防护期末试卷一、填空题(每空1分,共30分)1.通常汽车中的就是电位的参考点,电路中任意一点的就是相对于搭铁点的电压。
2.203表示的电阻阻值为。
3.根据触点状态的不同,继电器又分为、、三类。
4.按照人体呈现的状态,可以将流过人体的电流分为、和三个级别。
救治和送治条件,可考虑停止心肺复苏。
6.高压互锁包括和两种。
7.新能源汽车维修过程中有可能出现电池液的飞溅,为了防止电池液溅入眼8.死亡症状的一般表现为:、、、、。
这五个症状中如果有一个未出现,也应当作假死来尽力抢救,9.脱离低压电源的方法一般有:、、、、。
10.对于呼吸心跳均停止者需同时进行人工呼吸和心脏按压术,胸外按压与人工呼吸的比例为。
11.灼伤是电流的热效应造成的伤害,分为和两种情况。
12.止血的常见方法有:止血法、止血法、止血法、止血法。
二、判断题(每题2分,共20分)1.电位是电路中某点到参考点的电压,参考点可在电路中可任意选择,两点间的电压大小与参考点的选择有关。
()2. 当电路中用电器负载过大或电路中有短路的情况,导致电路中电流异常并超过其额定电流时熔断器会熔断。
()3.绝缘拆装工具只要有塑料柄就能使用。
()4. 如果加在人体两端的是交流电,相比于在同等电压的直流电,人体的电阻就会显得稍小些。
()5. 从统计资料分析来看,每年的一、四季度触电事故较多。
()6. 进行人工呼吸时,每次吹气量成人约1500~2000ml,过大量易造成胃扩张。
()7.如果绝缘手套中的一只不安全,只需要更换这一只即可,无须整副更换。
()8. 新能源汽车进行维修作业之前只要断开高压相关插接件即可,无须再进行高压验电。
9. 浸水时不论车是否行驶,都不会出现漏电现象10. 如遇牙关紧闭者,可采用口对鼻人工呼吸法,此时吹气时压力应稍大些,时间也应稍长,以利气体进入肺内。
()三、选择题(每题2分,共20分)1.当设备采用安全电压做直接接触防护时,只能采用额定值为()及以下的安全电压。
判断题1.10kV以下运行的阀型避雷器的绝缘电阻应每年测量一次。
(半年)A.正确B.错误参考答案:B2.220V的交流电压的最大值为380V。
(311V )A.正确B.错误参考答案:B3.30Hz~40Hz的电流危险性最大。
(50-60HZ)A.正确B.错误参考答案:B4.IT系统就是保护接零系统。
(I中性点,T不接地)A.正确B.错误参考答案:B5.TT系统是配电网中性点直接接地,用电设备外壳也采用接地措施的系统。
A.正确B.错误参考答案:A6.PN结正向导通时,其内外电场方向一致。
(不一致)A.正确B.错误参考答案:B7.RCD后的中性线可以接地。
(不可以)A.正确B.错误参考答案:B8.RCD的选择,必须考虑用电设备和电路正常泄漏电流的影响。
A.正确B.错误参考答案:A9.RCD的额定动作电流是指能使RCD动作的最大电流。
(空开,最小)A.正确B.错误参考答案:B10.SELV只作为接地系统的电击保护。
(安全特低电压,不只)A.正确B.错误参考答案:B11.TN-C-S系统是干线部分保护零线与工作零线完全共用的系统。
A.正确参考答案:B12.“止步,高压危险的标志牌的式样是白底、红边,有红色箭头。
A.正确B.错误参考答案:A13.Ⅱ类手持电动工具比Ⅰ类工具安全可靠。
A.正确B.错误参考答案:A14.Ⅱ类设备和Ⅲ类设备都要采取接地或接零措施。
(不需要)A.正确B.错误参考答案:B15.Ⅲ类电动工具的工作电压不超过50V。
A.正确B.错误参考答案:A16.《中华人民共和国安全生产法》第二十七条规定:生产经营单位的特种作业人员必须按照国家有关规定经专门的安全作业培训,取得相应资格,方可上岗作业。
A.正确B.错误参考答案:A17.一号电工刀比二号电工刀的刀柄长度长。
A.正确B.错误参考答案:A18.一般情况下,接地电网的单相触电比不接地的电网的危险性小。
(大)A.正确B.错误参考答案:B19.万用表使用后,转换开关可置于任意位置。
试题二一、填空题1.通常汽车中的就是电位的参考点,电路中任意一点的就是相对于搭铁点的电压。
2.203表示的电阻阻值为。
3.根据触点状态的不同,继电器又分为、、三类。
4.手摇绝缘电阻表和数字式绝缘电阻表分别是通过和进行供电的。
5.北汽新能源汽车采用故障诊断系统。
6.灼伤是电流的热效应造成的伤害,分为和两种情况。
7.止血的常见方法有:止血法、止血法、止血法、止血法。
8.在对新能源汽车电子电子部件或总成进行检测时,可防止静电击穿电力电子元器件。
9.依据互锁防护设计角度的不同,将电动汽车的互锁分为两大类和。
二、判断题1.电位是电路中某点到参考点的电压,参考点可在电路中可任意选择,两点间的电压大小与参考点的选择有关。
()2.二极管的整流原理是因为二极管的单向导电性。
()3.利用数字式万用表测量被测设备电压时,如果无法估算其大小,应从小到大依次选择不同档位。
()4.用数字式万用表测量温度时,不需要使用红、黑表笔。
()5.绝缘测试只能在通电的电路上进行。
()6.上止血带的伤员要有明显标志,并在止血带附近或皮肤上明确写上上带时间。
()7.手动断开装置的断开操作或拆卸需要专用工具。
()8.因为当湿度增加时,人体和空气的绝缘电阻就会降低。
()三、选择题1.下列电路图中蓄电池电压为12 V,若2处开路,则A元件处电位是(),C元件处电位为()。
A.12V 12VB.12V 0VC.0V 12VD.0V 0V2.测量额定电压在500V以下的设备或线路的绝缘电阻时,可选用()绝缘电阻表。
A.200V或500V B.500V或1000VC.1000V或1500V D.以上都不正确3.数字式万用表上的“AC”表示()。
A.平均值 B.直流 C.交流 D.电压4.当设备采用安全电压做直接接触防护时,只能采用额定值为()及以下的安全电压。
A 24VB 30VC 36VD 42V5.()适用于四肢非骨折性创伤的动脉出血的临时止血措施。
试题六一、填空题1.电容器的存储能力以衡量,电容大单位为。
2.汽车灯泡的发展经历了、、和四个过程。
3.断电情况下检查继电器,通常欧姆档检测继电器的部分,用蜂鸣档检测继电器的部分。
4. 能把肉眼看不见的电信号转换成看得见的图像,便于人们研究各种电现象的变化过程5.新能源汽车维修时,在断开高压相关插接件后,通过检测高压负载是否还有输出电量。
6.为了避免触电或人身伤害,流向相反的电流会相互抵消。
一次只能在夹钳中放入根导线。
7.电流转换为其他形式的能量作用于人体的伤害称为电伤。
电伤主要有、、、、几种形式。
8.死亡症状的一般表现为:、、、、。
这五个症状中如果有一个未出现,也应当作假死来尽力抢救,9.脱离低压电源的方法一般有:、、、、。
10.对于呼吸心跳均停止者需同时进行人工呼吸和心脏按压术,胸外按压与人工呼吸的比例为。
11.进行胸外按压时,按压深度应让成人胸骨下陷幅度至少以上,标准限定最多不超过。
12.新能源汽车上的高压和低压电气系统分别由和供电。
13. 是动力电池保护和管理的核心部件,它的作用相当于整个动力电池系统的大脑。
14. 是整车高压电的一个电源分配装置。
15.外壳防护等级IP代码由、、和组成。
二、判断题1.在识别电路时,电流从电源正极出发,依次流过每个元件的是串联。
()2. 绝缘电阻表用于测量高压电缆及零部件对车身绝缘电阻是否在规定值范围内。
()3. 利用数字式万用表测量被测设备电流时,万用表和被测设备应串联。
()4. 直接电击也称为正常情况下的电击,间接电击也称为故障情况下的电击。
()农村触电事故多于城市,有骨折和怀疑骨折或关节损伤的肢体不能用加垫屈肢止血,以免引起骨折端错位和剧痛。
5. 如遇牙关紧闭者,可采用口对鼻人工呼吸法,此时吹气时压力应稍大些,时间也应稍长,以利气体进入肺内。
()6. 在新能源汽车上,连接各高压零部件的高压线束使用红色外表,表示警告。
()7. 自动断路装置要具备人工复位的能力。
试题五一、填空题1.电路通常来说有三种状态:通路、和。
2.2CW所代表的二极管的含义为。
3.为了使通过人体的电流不超过安全电流值,我国把安全电压的额定值分为、、、和五种等级。
4. 纯电动汽车的充电系统分为和两部分。
5.主动泄放是由控制的,每次切断高压系统或者中断低压控制线时,都会进行主动放电。
6.新能源汽车电气分为______电气和______电气两部分。
7.汽车解码仪主要有、和三种。
8.红外测温仪是一种式测温仪。
9.人工呼吸方法主要有:、、、。
10. 的作用是使人体与地面绝缘,防止电流通过人体与大地之间构成通路。
11. IP代码中防尘等级最高级别为,防水等级最高级别为。
12.高压互锁包括和两种。
13. 新能源汽车维修过程中有可能出现电池液的飞溅,为了防止电池液溅入眼睛,维修二、判断题1. 汽车激光大灯是宝马公司的产物。
()2.不同车型采用的诊断仪器都相同。
()3. 钳形电流表测量线路电流时,钳口应夹住导线测量。
()4. 在使触电者脱离电源的过程中,救护人员最好用两手一起操作。
()5. 车载充电机是一个将220V交流电转为直流电的装置。
()6. 主动泄放作为被动泄放失效的二重保护,可在2 min内将高压回路中直流母线电压放到60 V以下。
()7.如果绝缘手套中的一只不安全,只需要更换这一只即可,无须整副更换。
()8. 新能源汽车进行维修作业之前只要断开高压相关插接件即可,无须再进行高压验电。
9. 浸水时不论车是否行驶,都不会出现漏电现象三、简答题1.简述新能源汽车电路图的特点。
2.简述新能源汽车电路图的识读方法。
3.脱离低压电源和高压电源的方法分别有哪些?4.什么是心肺复苏?5.如何对触电者伤情作出判断?6.使用止血带止血有哪些注意事项?7.简述纯电动汽车和插电式混合动力汽车高压电气系统的组成。
8.简述动力电池及电池管理系统的功能。
9.简述驱动电机控制器的作用。
10.简述纯电动汽车和插电式混合动力汽车低压电气系统的组成。
复习资料一、填空题1、钥匙开关打到ON档,暂停2~3S ,该过程为、各控制器过程。
此时所有仪表、警告灯和电路可以工作。
高压上电正常,仪表板指示灯点亮。
2、根据人们充电的方式不同,充电模式可分为:、、、。
3、当电动汽车力蓄池着火时,可以采用大量清水进行灭机理是。
4、佩戴绝缘手套时衣服袖口应。
5、绝缘手套应远离热源并避开、、油类等腐蚀品。
6、电动汽车使用高压工作,在操过程中可能会产生火花,佩戴以有效避免电弧光对眼睛造成伤害。
7、新能源汽车检修中,通常要测量绝缘性,测量绝缘的设备叫。
8、纯电动汽车用分为低压用电部分和高压用电部分,低压用电部分由低压辅助蓄电池或者是进行供电,高压用电部分由进行供电。
9、将220V 交流电转换为动力电池的直流电,实现电池电量的补给。
10、将动力电池的高压直流电转换为整车低压直流电,给整车低压用电系统供电及低压蓄电池充电。
11、ISO 国际标准要求,电动汽车中使用的标志,符号的底色为黄色,边框和箭头为黑色,高压电路中的线缆和线束的外皮使用加以区别。
12、当存在某些特殊事件(如碰撞、绝缘不良、高压电气回路不连续、过电流及短路等)输入时,自动断路功能可以在没有使用者干预的情况下,通过等装置将高压电气回路切断,从而达到保护人员和电气系统安全的目的。
13、高压线束/线缆应该有足够的绝缘阻值,直流电路绝缘电阻的最小值至少大于100Ω/V,交流电路应至少大于。
14、搭铁设计的原理是电气设备外壳和车身底盘连接之后,人体接受漏电载体之后,会被连接线短接,避免触电,利用的原理是保护。
15、车辆是指:通过使用电气小信号,来检查整个高压产品、导线、连接器及护盖的电气完整性(连续性),识别回路异常断开时,及时断开高压电。
16、北汽新能源EV200 汽车的高压用电设备包括驱动电机系统、高压控制盒以及与高压控制盒连接的、、DC/DC、车载充电机。
17、绝缘手套应远离热源并避开酸、碱、油类等腐蚀品。
18、现场急救的原则是:迅速、就地、准确、坚持。
19、如果电流通过触电者入地,并且触电者紧握电线,可设法用干木板塞到身下,与地隔离,也可用干木把斧子或有绝缘柄的钳子等将电线剪断。
20、如果触电者触及断落在地上的带电高压导线,且尚未确定线路无电,救护人员在未做好安全措施前,不能接近断线点至8~10 米范围内,防止跨步电压伤人。
二、单项选择题1、下列选项中不属于电动汽车维护保养场地要求的是()。
A.通风良好B.光线充足C.地面为宽敞斜坡D.配备常用维护工具、气路、电路完整2、当发现下述哪个情况时,应及时清除氧化物或更换插接件。
()A.充电时插头发热B.接触面氧化C.220 伏电源插头松动D.充电器输出插头松动3、关于举升机的安全操作规程,下列说法中错误的是()。
A.使用前应清除举升机附近妨碍作业的器具及杂物B.支车时,四个支角或垫块只要对应在车架的正确位置即可,可不在同一平面上C.举升时人员应离开车辆D.举升机举升到某个高度时要再次确认是否支撑牢靠,再确定是否进一步举升。
4、在电网中,一直认为()V是一个人体安全电压。
实际上在高电压的新能源汽车中,这个电压值并不是科学的。
A、48B、24C、36D、以上都不对。
5、当电压高到一定值以后,会有相应的电流流过人体。
当大约()mA的电流通过人体时,就可视作是“电气事故”,会产生麻木感。
A、5B、10C、12D、156、经过人体的电流到达大约()mA时,被认为是“致命值”。
A、10B、50C、80D、2007、橡胶制成的电工绝缘手套通常需要具备两种独立的性能:一要在进行任何有关高电压部件或线路的操作时,能够承受()以上的工作电压。
A、500VB、7000VC、1000VD、以上都不对。
8、在对纯电动汽车或混合动力汽车操作时,急救人员要知道橙黄色电缆代表高电压。
并在断开高压电池,接触电缆前至少等待()分钟,即等电容充分放电完毕。
A、1B、3C、5D、159、高压动力电池电解液主要由带腐蚀性的化学液体组成,因此在着火后,可以采用大量的水或者()灭火器灭火。
A、泡沫B、干粉C、清水D、以上都不对。
10、不属于检测仪表的是()。
A、故障诊断仪B、数字式万用表C、钳型电流表D、绝缘测试仪11、绝缘工具的使用前,必须注意的事项是()。
A.正确地选择、检查及使用绝缘手套、防护目镜、防护服B.去除所有金属物品C.设立安全警戒标志,确保工作区域的安全性D.以上都正确12、测量额定电压在500V以下的设备或线路的绝缘电阻时,可选用()兆欧表。
A.200V或500VB.500V或1000VC.1000V或1500VD.以上都不正确13、电机控制器与驱动电机之间的高压电主要存在形式为( )A.直流高压B.交流高压C.直流高压交流高压同时存在14、主正/主负接触器接通条件是( )。
A.点火开关处于Start位置B.对动力电池进行充电C.A和B同时D.A和B任一15、当发现有人触电时,首先应当()A.使触电者脱离电源B.直接用手拖拽伤员C.判断触电者受伤害情况D.拨打120急救电话1、纯电动汽车中,交流高压主要分布在( )。
BCDA.动力电池B.电机控制器与驱动电机之间C.充电接口与车载充电器之间D.电动压缩机E.充电接口与高压配电盒/动力电池之间2、高电压车辆的高压部件主要集中的系统是( )。
ABCDEA.驱动系统B.电源系统C.充电系统D.空调与加热系统E. 用于连接高压部件之间的导线F.ECU3、纯电动汽车只有运行期间才存在高压的部件有( )。
ABCDA.逆变器B.高压压缩机C.PTC加热器D. DC/DC变换器E.动力电池F.车载充电器4、新能源汽车高电压涉及的安全隐患包括( )。
ABCDA.高压系统短路B.发生碰撞或翻车C.涉水或遭遇暴雨D.充电时车辆的意外移动E.盗抢车辆5、新能源汽车的安全设计内容包括( )。
全A.维修安全B.碰撞安全C.电气安全D.功能安全6、以下属于电动汽车日常保养每日需要检查的项目有(ABCD)A 灯光设备B 安全带C 制动D 喇叭7、以下属于电动汽车日常保养每周需要检查的项目有(ABCD)A 冷却液液位B 制动液液位C 轮胎气压和状态D 挡风玻璃清洗剂的液位8、与传统汽车相比,电动汽车起火原因的特殊性表现在(AB)A 电力驱动系统B 电池C 机械系统D 线路老化9、电动汽车主要的起火原因有(ABCD)A 充电过程中电池温度过高B 长期大电流放电C 碰撞导致电池外壳损坏D 涉水电机控制系统短路10、灭火器按照所充灭火剂分为(ABCD)A 泡沫B 干粉C 卤代烷D 二氧化碳11、可以扑灭带电设备的灭火器有(CD)A 泡沫灭火器B 酸碱灭火器C 干粉灭火器D.二氧化碳灭火器12、下列说法中正确的是(ABD)A.断电源剪线时,应站在绝缘物体上B.救护人不得使用金属和其他潮湿的物品作为救护工具C.在使触电者脱离电源时,救护人必须用两只手操作,以防触电D.剪断电线要分相,一根一根地剪断,并尽可能站在绝缘物体或干木板上13、下列关于急救呼叫的说法正确的是(ABC)A.相互确认B.讲清楚所在地址及伤病员的大致情况C.做好救援准备D.催促救护中心人员14、下列选项中属于影响除颤效能的因素的有(ABCDEF)A.除颤时间B.除颤波形C.电极位置D.经心电流E.胸壁阻抗F.电击能量四、判断题1、维修高压部件之前必须断开低压蓄电池负极,并进行高压切断。
( )2、对于车辆维修过程中的高压配件必须立即标识明显的高压勿动警示,允许将带有高压电的部件放置在无人看管的环境下。
( )3、新能源车辆维护与维修期间,必须同时有两名持有上岗证的人员进行工作。
( )4、高电压车辆维修与维护过程中,维护人员可以带有手表、金属笔等金属物品在身上。
( )5、防止触电的个人安全防护设备主要是绝缘手套、护目镜、绝缘鞋,以及非化纤材质的衣服。
()6、绝缘手套需要定期检验,不需要每次使用前进行泄漏检查。
检查的方法是向手套内吹入一定的空气,观察手套是否有漏气的风险。
()7、绝缘安全鞋的作用是使人体与地面绝缘,防止电流通过人体与大地之间构成通路,对人体造成电击伤害,把触电时的危险降低到最小程度。
()8、当新能源汽车被撞或乘员需要解救时,当心别弄断高压线。
()9、高压电车辆维修用的护目镜应该具有正面及侧面防护功能,防止维修过程中产生的电火花及电池电解液飞溅对眼睛的伤害。
()10、绝缘安全鞋也要定期进行检验。
检查表面完好无损伤,如有砂眼漏气,应禁止使用。
()11、使用绝缘工具可以有效防止意外触电事故的发生,新能源汽车涉及高压的部分零部件拆装必须使用绝缘拆装工具。
()12、绝缘工具的使用方法与普通工具相同,但要注意定期做绝缘性检查。
()13、既然使用了绝缘拆装工具,就没有必要切断维修开关。
()14、绝缘测试仪器用于测量高压电缆及零部件对车身绝缘电阻是否位于规定值范围内。
()15、新能源电汽车的动力电池持续存在高压。
()16、点火开关ON时,高压压缩机就会存在高电压。
()错17、手动开关被断开,动力电池内的电池及其连接电路仍然具有高压。
()对18、拆下维修开关后,就可以继续对车辆进行高压检验操作。
()错19、拆下维修开关后,必需要等待5分钟,使得高电压部件中的电容器进行放电,才可以继续对车辆进行高压检验操作。
()对20、在高压中止操作步骤中不需要断开低压辅助蓄电池的负极()错五、简答题1、个人安全防护用品有哪些?使用前应该做哪些检查?2、根据下图简述高压上电环节的预充过程。
3、论述绝缘故障排查方法?4、简述绝缘监测系统及其作用。
5、下图为北汽EV200高压互锁回路,请在图上标示或文字描述前机舱高压互锁回路。
6、根据下图描述电气设备接地保护的原理一、填空题1、系统自检、上电、READY2、常规充电、快速充电、电池快换、无线充电3、降低电池的温度4、套入手筒内5、酸、碱6、护目镜7、绝缘表8、DC/DC、动力蓄电池9、车载充电机10、DC/DC 转换器11、高压警告、橙色12、断路器13、500Ω/V14、等电位15、互锁设计16、PTC、空调压缩机二、单项选择题1—5 CBBCA 6—10 CCCBA 11—15 DBBDA四、判断题1-5 √×√×√6—10 ×√√√√11—15 √√×√√五、简答题1、(1)绝缘手套,绝缘手套使用前应进行耐压等级检查,外观检查。
如发现有发粘、裂纹、破口等应禁止使用。
佩带前还要对绝缘手套进行气密性检查。
使用绝缘手套时应将上衣袖口套入手套筒口内。
(2)护目镜,检查外观是否破损和裂缝(3)安全帽,检查外观是否破损和裂缝,将帽后调整带按自己头型调整到适合的位置,然后将帽内弹性带系牢。
(4)绝缘鞋,检查外观是否破损和裂缝2、整车高压上电时,各控制器低压和高压自检完成,VCU控制负极继电器闭合,BMS检测到负极继电器闭合后,闭合预充继电器,动力蓄电池高压电向空调、DC/DC、电机控制器等高压用电器中高压进行预充电,如图所示,当整车控制器检测到高压用电器电容两端的电压和动力蓄电池内部电压相差达到预设值时(这个值根据不同厂商有所不同,一般在15V 左右),BMS控制正极继电器闭合,待高压稳定输出后(时间一般在100ms以内),预充继电器断开,整车高压上电完成。