轻型门式刚架钢结构-荷载计算
- 格式:doc
- 大小:95.50 KB
- 文档页数:4
(一)荷载分析及受力简图:1、永久荷载永久荷载包括结构构件的自重和悬挂在结构上的非结构构件的重力荷载,如屋面、檩条、支撑、吊顶、墙面构件和刚架自重等。
恒载标准值(对水平投影面):板及保温层 0.30kN/㎡檩条 0.10kN/㎡悬挂设备 0.10kN/㎡0.50kN/㎡换算为线荷载:7.50.5 3.75 3.8/q KN m =⨯=≈2、可变荷载标准值门式刚架结构设计的主要依据为《钢结构设计规范》(GB50017-2003)和《冷弯薄壁型钢结构技术规范》(GB50018-2002)。
对于屋面结构,《钢结构设计规范》规定活荷载为0.5KN/2m ,但构件的荷载面积大于602m 的可乘折减系数0.6,门式刚架符合此条件,故活荷载标准值取0.3KN/2m 。
由荷载规范查得,大连地区雪荷载标准值为0.40kN/㎡。
屋面活荷载取为 0.30kN/㎡雪荷载为 0.40kN/㎡取二者较大值 0.40kN/㎡换算为线荷载:7.50.43/q KN m =⨯=3、风荷载标准值 :0k z s z ωβμμω=(1) 基本风压值 20kN/m 6825.065.005.1=⨯=ω(2) 高度Z 处的风振系数z β 取1.0(门式刚架高度没有超过30m ,高宽比不大于1.5,不考虑风振系数)(3) 风压高度变化系数z μ由地面粗糙度类别为B 类,查表得:h=10m ,z μ=1.00;h=15m ,z μ=1.14内插:低跨刚架,h=10.5m ,z μ= 1.14 1.111.00(10.510)1510-+⨯--=1.014; 高跨刚架,h=15.7m ,z μ= 1.25 1.141.14(15.715)2015-+⨯--=1.155。
(4) 风荷载体型系数s μ其中,s μ=0.2010.2 4.760.032301230arctg -⨯=⨯=+ 1s μ=12 1.00.6(1)0.6(12)0.36915.710.5h h ⨯-=⨯-=+- 各部分风荷载标准值计算:w 1k =0z s z βμμω=7.5×1.0×0.8×1.014×0.6825=4.15 kN/mw 2k =0z s z βμμω=7.5×1.0×0.032×1.014×0.6825=0.17kN/mw 3k =0z s z βμμω=7.5×1.0×(-0.6)×1.014×0.6825=-3.11kN/mw 4k = 0z s z βμμω=7.5×1.0×0.369×1.014×0.6825=1.91 kN/mw 5k = 0z s z βμμω=7.5×1.0×(-0.2)×1.014×0.6825=-1.04 kN/mw 6k = w 7k =w 8k =0z s z βμμω=7.5×1.0×(-0.5)×1.014×0.6825=-2.60 kN/mw 9k = w 10k =0z s z βμμω=7.5×1.0×(-0.4)×1.014×0. 6825=-2.08 kN/m用PKPM 计算门式刚架风荷载结果如下:其中,'1k ω=4.2KN/m ≈1k ω=4.15 kN/m ;'2kω=0.2KN/m ≈2k ω=0.17 kN/m ; '3k ω=-3.1N/m ≈1k ω=-3.11 kN/m ;'4kω=2.2KN/m ≈2k ω=1.91 kN/m ; '5k ω=-1.2KN/m ≈1k ω=-1.04kN/m ;'6kω=-3.0KN/m ≈6k ω=-2.60kN/m ; '7kω=-3.0KN/m ≈7k ω=-2.60kN/m ;'8k ω=-2.6KN/m =8k ω; '9k ω=-2.1KN/m ≈9k ω=-2.08kN/m ;'10kω=-2.1KN/m ≈10k ω=-2.08kN/m 。
浅谈门式刚架轻型钢结构房屋设计的荷载取值问题摘要:随着国民经济的迅速发展,我国钢结构建筑的发展十分迅速,钢结构房屋的设计已成为我国设计工作的主要内容之一。
其中,门式刚架轻型钢结构具有环保、造价低、重量轻、安装方便、施工周期短、适合较大跨度等优点,因此,在工业厂房中已得到了较广泛的应用。
门式刚架更是发展迅猛,但是,我国轻钢结构起步较晚,工程经验不足,实际工程设计中,荷载的正确取值影响结构的安全性和结构的经济性,所以还需要设计人员进一步研究我们设计中的荷载取值问题,确保工程的设计质量,推动门式刚架轻型钢结构的进一步发展。
本文总结了门式刚架轻型钢结构房屋设计中常见的荷载取值问题,分析了荷载取值对门式刚架轻型钢结构房屋设计的影响,仅供设计参考。
关键词:门式刚架轻型钢结构;荷载取值,1.引言门式刚架的荷载与其组合的计算应参照现行《建筑结构荷载规范》(GB50009-2012)、《建筑抗震设计规范》(GB 50011-2010)进行。
由于门式刚架作用荷载类型较少,满荷载概率相对较高,计算时应注意荷载参数和组合的合理与正确取值。
对于门式刚架轻型钢结构而言采用的设计荷载包括永久荷载、竖向可变荷载、温度作用和地震作用.2. 永久荷载永久荷载包括结构自重和悬挂或建筑设施荷载。
2.1结构自重结构自重包括屋面板、墙板、檩条、支撑、刚架梁柱及连接等构件配件的自重。
初步计算时,应仔细查看建筑图中标明的做法,计算结构自重。
屋面板和墙面板取值不能偏小或者漏算。
屋面板可能会采用夹芯双层压型钢板,里面有附加檩条,计算不能按单层板重量采用。
在实际应用中,檩条自重计算时,须考虑檩条局部加密区的自重和局部加强区檩条自重,如某工程边跨檩条加密,计算时边跨区域少考虑了一半的檩条荷载,对计算结果有较大影响。
2.2悬挂或建筑设施荷载悬挂或建筑设施荷载,包括吊顶、管线、天窗、风机、喷淋、门窗的重量。
CECS102第3.2.1条规定“悬挂荷载应按实际情况取用”,这主要针对房屋可能在屋面钢梁或檩条下悬挂设备、管道或吊顶等附近荷载。
门式刚架轻型房屋钢结构内力计算及组合
1.1 刚架在各种荷载作用下的弯矩M图、剪力V图、轴力N图
1.1.1 屋面恒载作用下刚架M、N、Q图
kN)
图1.1 刚架恒载作用图(单位:m
图1.2 轴力图(单位:kN)
图1.3 剪力图(单位:kN)
图1.4 弯矩图(单位:kN·m)1.1.2 屋面活载作用下刚架M、N、Q图
图1.5 刚架活载作用图(单位:kN/m)
图1.6 轴力图(单位:kN)
图1.7剪力图(单位:kN)
图1.8 弯矩图(单位:kN·m)
1.1.3 作风荷载作用下刚架M、N、Q图
图1.9刚架上风载作用图(单位:kN/m)
图1.10 轴力图(单位:kN)
图1.11 剪力图(单位:kN)
图1.12 弯矩图(单位:kN/m)
1.2 刚架内力组合见表4-1,表4-2
4-1刚架梁内力组合表
4-2刚架柱内力组合表。
1.设计资料南京的某厂房采用单跨双坡门式刚架。
长度90m,柱距6m,跨度15m。
门式刚架檐高6m,屋面坡度为1:10。
刚架为变截面梁、柱,柱脚铰接。
钢材选用Q345钢,焊条采用E43型。
基础混凝土C25。
屋面材料:夹芯板0.25kN/㎡。
墙面材料:夹芯板0.25kN/㎡。
天沟:钢板天沟。
自然条件:基本雪压0.65 kN/㎡基本风压0.4 kN/㎡不考虑地震作用,屋面无积灰,厂房无吊车。
恒载0.25 kN/㎡活载0.5 kN/㎡经过验算可以选择檩条为C160×60×20×3.0 水平间距1.5m2.梁柱界面选择及截面特性截面简图截面特性1-1剖面2-2(3-3)剖面4-4剖面5-5剖面3.荷载计算 (1)荷载取值计算屋面自重(标准值,沿坡向):夹芯板 0.25kN/㎡檩条及支撑 0.15kN/㎡ 刚架横梁 0.10kN/㎡ 总计 0.50kN/㎡ 屋面雪荷载(标准值) 0.65kN/㎡ 屋面均布活荷载(标准值) 0.50kN/㎡ 柱及墙梁自重(标准值) 0.55kN/㎡风载 基本风压w 0=0.4 kN/㎡,地面粗糙度为B 类,按封闭建筑选取中间区单元,刚架风载体型系数如下:(2)分项荷载作用计算 1)屋面永久荷载作用标准值为 0.5×αcos 1×6=3.01 kN/㎡ 2)屋面可变荷载作用1×6=3.92 kN/㎡标准值为0.65×αcos3)柱及墙梁自重标准值为0.55×6=3.3 kN/㎡4)风载墙面风荷载变化系数按柱顶标高计算取为1.0,则W=1.0×0.4=0.4 kN/㎡墙面风雅标准值为q w AB=0.4×(+0.25)×6=+0.6 kN/㎡q w=0.4×(-0.55)×6=-1.32 kN/㎡DE屋面负风压标准值为q w BC=0.4×(-1.00) ×6=-2.4 kN/㎡q w=0.4×(-0.65) ×6=-1.56 kN/㎡CD4.刚架内力计算及组合(1)刚架内力计算《按建筑结构静力计算手册》中的变截面刚架进行计算已知斜梁长度a=7.537m ,矢高f=0.75m,柱高h=6.0m ,跨度l=15m Ø=I I 023012×h a =6.261323.15667×6537.7=0.7534 Ψ=h f =0.675.0=0.125 对于横梁23有 V=llh=5.73=0.4 t=(d d maxmin )3=(776376)3=0.114 l m =1 对于柱12有V=1 t=(822272)3=0.036 查表可以得到α23=3.888α32=1.804β23=1.617α21=0.307θ23=α23+α32+2β23=8.926A= θ23+Ψ²α32+2Ψ(α32+β23)+Φα21=10.217B=α32(1+Ψ)+β23=3.6465C=α23+β23(1+Ψ)+Φα21=6.115R w2323=0.459R w32=0.349 Rw 21=0.309Kw w2323=R w 2323+Rw32(1+Ψ)=0.852N=B+C+Φw212R =10.582故计算出内力图如下 屋面恒载作用下屋面活载作用下风荷载作用下(2)刚加内力组合刚架梁内力组合表钢架柱内力组合表(3)最不利荷载组合作用下刚架M、N、V图如下5.刚架梁柱截面验算 (1)构件宽厚比验算1)梁翼缘tb =122)8-250(=10.08<15fy235=15345235=12.038 (满足要求)2)柱翼缘 tb=142)8-250(=8.64<15fy235=15345235=12.038 (满足要求)3)梁腹板 对1—1截面thww=8776=97<250fy235=206.33 (满足要求) 对2—2、3--3截面t h ww=8376=47<250fy235=206.33 (满足要求) 4)柱腹板对柱底5--5截面th ww=8272=34<250fy235=206.33 (满足要求) 对柱顶4—4截面th ww=8822=102.75<250fy235=206.33 (满足要求)(2)有效截面特性 1)柱有效截面特性翼缘 柱受压翼缘为一边支承、一边自由的均匀受压板件,当其自由外伸宽厚比不超过规范所规定的允许宽厚比时,柱受压翼缘全截面有效。
《钢结构厂房设计》计算书1、工程情况:厂房刚架跨度18m,刚架两端间距5m,中间间距6m,共10榀。
钢架柱高5.2 m,屋面坡度1/5,屋面及墙板采用加760压型岩棉夹芯彩色钢制夹芯板,芯板面板厚为0.50mm,板厚为80mm,自重0.25 kN/m2,檩条为薄壁Z型钢,间距为1.5m,自重0.05kN/m2。
钢材采用Q345钢,焊条为E50型。
抗震设防烈度为6度。
静载:为0.2 kN/m2;屋面活载:0.5 kN/m2 ;楼面活载:3 kN/m2 ;雪载:0.5 kN/m2;风载:基本风压W0=0.3 kN/m2,地面粗糙度B类图1.刚架简图2、钢架的布置及类型2.1钢架的布置柱网及平面布置如图2:图2.刚架平面布置图3、屋面构件与支撑设置 3.1屋面板根据保温隔热的要求及建筑外形设计要求,考虑施工方便选用760压型岩棉夹芯彩色钢制夹芯板, 芯板面板厚为0.50mm ,板厚为80mm.。
3.2檩条根据屋面板对檩条的要求,檩条间距采用 1.5m.按荷载采用冷弯薄壁C 型钢C180x70x20x3 ,跨中设拉条一道.3.3屋面支撑与柱间支撑为了保证厂房的强度,空间结构的稳定性,在厂房两端设置上弦横向水平支撑和下弦纵向水平支撑。
4、荷载计算4.1 荷载取值计算(标准值): (1)屋面荷载 恒载:屋面板(760压型岩棉夹芯彩色钢制夹芯板); 0.252/kN m檩条及支撑: 0.152/kN m 钢架横梁: 0.15 静载: 0.220.75/kN m ∑=墙面及柱的自重 : 0.52/kN m(2)活载: 雪载: 0.52/kN m 不上人屋面: 0.52/kN m不上人屋面活载可不与雪荷载和风荷载同时组合,因此屋面活载取0.52/kN m(2)楼面荷载 恒载:屋面板(760压型岩棉夹芯彩色钢制夹芯板); 0.252/kN m檩条及支撑: 0.152/kN m 钢架横梁: 0.15 静载: 0.220.75/kN m ∑=墙面及柱的自重 : 0.52/kN m(2)活载: 雪载: 0.52/kN m 不上人屋面: 0.52/kN m (3)风荷载:0.8-0.5-0.5-0.67.43-2.02-2.43-4.65ABCDEα图5风荷载体形系数与风荷载作用基本风压 20.55/o w k N m=地面粗糙类别B 类,按CECS102:2002的规定,基本风压乘以1.05的系数。
门式刚架荷载取值1.1 门式刚架适用范围门式刚架通常用于跨度9米~36米、柱距6米,柱高4.5米~12米,设有吊车起重量较小的单层工业房屋或公共建筑(超市、娱乐体育设施、车站候车室、码头建筑)。
设置桥式吊车时,宜为起重量不大于20t的中、轻级工作制的吊车,设置悬挂吊车时,其起重量不宜大于3t。
1.2 轻型门式刚架钢结构由主结构和次结构组成主结构包括横向框架、纵向支撑及系杆,次结构包括檩条、隅撑及屋墙面板。
计算分析一般是将主次结构组成的空间问题简化为二维平面问题,即横向简化为平面刚架,纵向简化为屋面水平支撑和柱间支撑,檩条简化为单跨简支或多跨连续檩条,采用钢结构设计软件进行。
特点主要有:(1)采用轻型屋面,可减小梁柱截面及基础大小。
(2)在大跨建筑中增设中间柱做成一个屋脊的多跨大双坡屋面,以避免内天沟排水。
中间柱可采用钢管制作的上下铰接摇摆柱,占空间小。
(3)刚架侧向刚度可藉檩条和墙梁的隅撑保证,以减少纵向刚性构件和减小翼缘宽度。
(4)跨度较大的刚架可采用改变腹板高度、厚度及翼缘宽度的变截面。
(5)刚架的腹板允许其部分失稳,利用其屈曲后的强度,即按有效宽度设计,可减小腹板厚度,不设或少设横向加劲肋。
(6)竖向荷载通常是设计的控制荷载,地震作用一般不起控制作用。
但当风荷载较大或房屋较高时,风荷载的作用不应忽视。
(7)为使非地震区支撑做得轻便,可采用张紧的圆钢。
(8)构件可全部在工厂制作,工业化程度高。
构件单元可根据运输条件划分,单元之间在现场用螺栓连接,安装方便快速,土建施工量小。
2永久荷载取值问题对于门式刚架轻型钢结构而言,永久荷载包括屋墙面板、通风器、檩条、支撑系杆、刚架梁柱及连接等构配件的自重。
常见永久载取值问题:(1)永久荷载漏算或取值偏小。
少算或漏算建筑已确定的构件自重、吊顶荷载或悬挂荷载,这将导致竖向永久、可变荷载控制设计时,结构计算内力及变形偏小。
(2)计算中漏算刚架自重。
如钢结构在采用STS计算刚架时,计算总信息显示“梁柱自重计算信息IA”为0,即程序设定不算自重。
《门式刚架轻型钢结构设计》计算书1、工程情况:无吊车门式刚架跨度13.1m,刚架间距5m,共10榀。
钢架柱高4.6 m,屋面坡度1/6,屋面及墙板采用加JXB42-333-1000型岩棉夹芯彩色钢制夹芯板,芯板面板厚为0.50mm,板厚为80mm,自重0.25 kN/m2,檩条为薄壁卷边C型钢,间距为1.5m,自重0.05kN/m2。
钢材采用Q235钢,焊条为E43型。
抗震设防烈度为6度。
刚架梁在1/3处变截面。
静载:为0.2 kN/m2;活载:0.5 kN/m2 ;雪载:0.2 kN/m2;风载:基本风压W0=0.55 kN/m2,地面粗糙度B类i=1;61 /3处拼接图1.刚架简图2、钢架的布置及类型2.1钢架的布置按CECS102:2002规范,门式钢架轻型钢结构广房的纵向温度区(伸缩缝间距)应不达于300m,横向温度区段应不大于150m.该工程可不设伸缩缝.柱网及平面布置如图2:AB1238910图2.刚架平面布置图2.2钢架的类型根据门式钢架类型钢结构特点,为了充分利用材料的作用达到节省材料的目的,截面应选用变截面实腹式门式钢架轻型钢架结构。
由于厂房内无吊车采用铰接柱脚刚架。
3、屋面构件与支撑设置 3.1屋面板根据保温隔热的要求及建筑外形设计要求,考虑施工方便选用JXB42-333-1000型岩棉夹芯彩色钢制夹芯板, 芯板面板厚为0.50mm ,板厚为80mm.。
3.2檩条根据屋面板对檩条的要求,檩条间距采用1.5m.按荷载采用冷弯薄壁C 型钢C180x70x20x3 ,跨中设拉条一道.3.3屋面支撑与柱间支撑为了保证厂房的强度 ,空间结构的稳定性,门式钢架结构左右跨横梁顶面设置横向水平支撑,在柱间设置柱间支撑。
3.3.1屋面横向支撑根据CECS102:2002的要求:屋盖的横向支撑和柱间的支撑一般设置在温度区段端部或第一或第二开间区。
柱间支撑布置如图3:1238910图3.刚架柱间支撑布置图(1)柱间支撑设计:柱间支撑计算简图见图4. 按CECS102:2002 附录A :0.650.150.8s μ=+= z μ按GB50009-2001 低于10m 取0.1s μ=20.81.0 1.050.550.462k s z o kN w w m μμ=⨯⨯=⨯⨯⨯= 110.46213.1515.12w k N =⨯⨯⨯= 按一半山墙荷载的12考虑节点活荷载标准值:,111 3.77522w k F W kN =⨯⨯=即节点荷载设计值:1.43775 5.29w F k N =⨯=F w =5.29图4.柱间支撑计算图柱间支撑构件为柔性构件只能承受拉力。
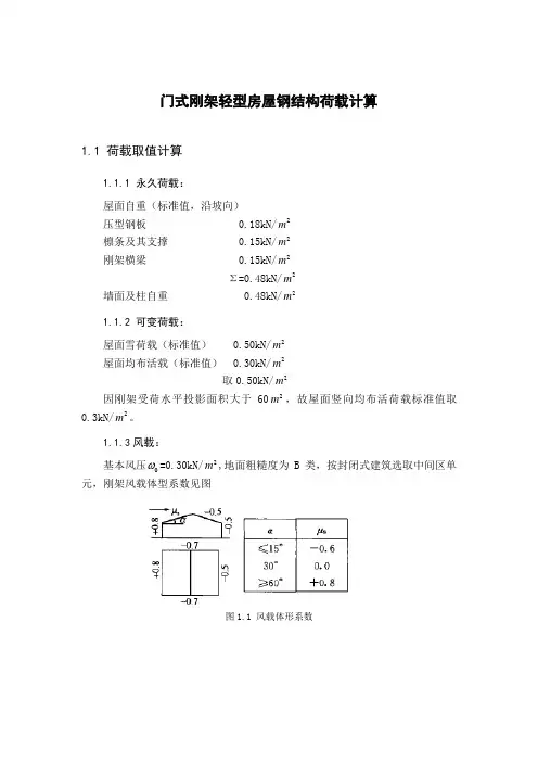
门式刚架轻型房屋钢结构荷载计算1.1 荷载取值计算1.1.1 永久荷载:屋面自重(标准值,沿坡向)压型钢板 0.18kN/2m檩条及其支撑 0.15kN/2m刚架横梁 0.15kN/2mΣ=0.48kN/2m墙面及柱自重 0.48kN/2m1.1.2 可变荷载:屋面雪荷载(标准值) 0.50kN/2m屋面均布活载(标准值) 0.30kN/2m取0.50kN/2m因刚架受荷水平投影面积大于602m,故屋面竖向均布活荷载标准值取0.3kN/2m。
1.1.3风载:=0.30kN/2m,地面粗糙度为B类,按封闭式建筑选取中间区单基本风压元,刚架风载体型系数见图图1.1 风载体形系数1.2 各部分作用荷载1.2.1 屋面恒载标准值 0.48×6×αcos 1=2.8944kN/m 图1.2 刚架上恒载作用图(单位:m kN )1.2.2 屋面均布活载标准值 0.5×6×αcos 1=1.0151kN/m图1.3 刚架上活载作用图(单位:m kN )1.2.3 柱身荷载:标准值 0.48×6=2.88kN/m1.2.4 风载:屋面风载高度变化系数按屋顶标高计算取为 1.025,ω=1.025×0.30=0.308kN/2m屋面负风压标准值wq=0.308×(-0.6)×6=-1.1088kN/mBCwq=0.308×(-0.5)×6=-0.924kN/mCD墙面风载高度变化系数按柱顶标高计算取为1.0,ω=1.0×0.30=0.30kN/2m 墙面风压标准值wq=0.30×(+0.8)×6=+1.44kN/mABwq=0.30×(-0.5)×6=-0.9kN/mDE图1.4 刚架上风载作用图(单位:kN/m)。
门式刚架轻型房屋钢结构荷载计算1.使用场所和设计载荷确定根据房屋的实际使用场所和设计目的,确定相应的设计载荷。
例如,住宅的设计载荷包括自重、活载和风载,而仓库的设计载荷包括自重、活载、风载和雪载等。
2.结构布置和材料选用根据荷载计算的结果,确定门式刚架轻型房屋的结构布置和材料选用。
结构布置要满足力学平衡条件,材料的选用要符合相关规范的要求。
3.自重计算4.活载计算活载是指在使用过程中产生的临时荷载,如人员、家具、设备等。
根据设计载荷和相关规范,计算房屋在使用过程中的活载,并按照相应的荷载组合进行叠加计算。
5.风载计算6.雪载计算对于部分地区出现大雪的情况,还需要对门式刚架轻型房屋进行雪载计算。
根据地区的特点和相关规范,确定雪的密度和深度等参数,然后按照相应的荷载组合进行叠加计算。
7.荷载组合计算根据设计要求和相关规范,确定荷载的组合方式。
一般来说,自重和活载按照1.2倍作用于结构,风载按照1.4倍作用于结构,雪载按照1.2倍作用于结构。
8.结构内力计算根据门式刚架轻型房屋的结构布置、荷载组合和材料特性,采用力学方法计算结构的内力。
根据内力计算结果,可以确定结构的强度和稳定性,以及所需的材料规格和截面尺寸。
9.结构验算和设计优化对于门式刚架轻型房屋的钢结构,还需要进行验算和设计优化。
验算是检查结构的强度、稳定性和安全性是否满足相关规范的要求,而设计优化是在满足规范的基础上,通过调整结构布置或材料选用等手段,使结构更经济、更合理。
综上所述,门式刚架轻型房屋钢结构荷载计算需要从使用场所和设计载荷确定开始,逐步进行自重计算、活载计算、风载计算、雪载计算、荷载组合计算、结构内力计算、结构验算和设计优化等步骤。
通过科学的计算和设计,可以确保门式刚架轻型房屋钢结构的安全可靠。
一、荷载取值1、面荷载1)二层楼面【建筑做法:采用钢筋混凝土楼板随捣随抹平,上刷耐磨地面硬化剂。
】砼折合板厚125mm 0.125x25=3.125 kN/㎡压型钢板自重0.15 kN/㎡各专业管线设备吊挂荷载0.6 kN/㎡恒载合计 3.9 kN/㎡活荷载标准值为7.5 kN/㎡,货架区域为10 kN/㎡(按业主要求)2)不上人屋面彩色钢板岩棉夹芯板0.25 kN/㎡檩条等0.15 kN/㎡各专业管线设备吊挂荷载0.5 kN/㎡恒载合计0.9 kN/㎡屋面活荷载标准值为 0.5 kN/㎡檩条计算时,风荷载按FM要求按100年取值为0.6 kN/㎡。
4.2m标高雨篷(6m跨&10m跨),输入模型中,荷载见简图22~23轴间有1t电动葫芦,在14.225标高。
2.墙体外墙彩色钢板两层 0.25-0.5*0.12=0.19 kN/m2檩条 0.06 kN/m2玻璃纤维保温棉填充200厚 0.20x1.0 kN/m3=0.2 kN/m2∑ 0.45 kN/ m2二层外墙 0.45*7.8=3.51 kN/m 取为3.6 kN/mKFZ自重 0.1kN/m*10.45=11 kN 取为15 kN一层外墙R轴及32轴:0.45*6.1+1.5*5.0+0.5*4.2=13 kN/m B轴: 0.45*6.1+1.5*5.0+(25*0.25+0.02*20*2)*1.5=26 kN/m 内墙材料统计:CSR(甲方指定)板材二层防火墙,4轴山墙尖,报警阀间,及建筑指定的房间(common room)板材150mm厚,0.3 kN /㎡(根据厂家资料)蒸压砂加气混凝土砌块(200厚)一层防火墙,楼梯间,卫生间,及建筑指定的房间15厚水泥砂浆抹面两层 0.015*20*2=0.6 kN/㎡加气混凝土砌块200厚 0.2x5.5 kN/m3=1.1kN/㎡∑ 1.7 kN/ ㎡1)二层防火墙(CSR) 0.3*(7.8-0.6+2.65/2)=2.6 kN/m 取为10 kN/m(考虑防火卷帘及构造钢柱钢梁等)2)4轴山墙尖(CSR) 0.3*3.2=0.96 kN/m 取为2.5 kN/m3)报警阀间等(CSR) 0.3*3.0=0.9 kN/m (二层3m高)0.3*7.6=2.3 kN/m (二层7.6m高)报警阀间板材墙体自重很小,按装修考虑,未做基础及构造钢梁钢柱。
目录2 荷载计算................................................... 错误!未定义书签。
2.1荷载取值计算.......................................... 错误!未定义书签。
永久荷载标准值(对水平投影面).......................... 错误!未定义书签。
可变荷载标准值.......................................... 错误!未定义书签。
风荷载标准值............................................ 错误!未定义书签。
吊车资料................................................ 错误!未定义书签。
地震作用................................................ 错误!未定义书签。
各部分作用的荷载标准值计算................................ 错误!未定义书签。
3 内力计算................................................... 错误!未定义书签。
在恒荷载作用下............................................ 错误!未定义书签。
在活荷载作用下............................................ 错误!未定义书签。
在风荷载作用下............................................ 错误!未定义书签。
在吊车荷载作用下.......................................... 错误!未定义书签。
内力组合.................................................. 错误!未定义书签。
(一)荷载分析及受力简图:1、永久荷载永久荷载包括结构构件的自重和悬挂在结构上的非结构构件的重力荷载,如屋面、檩条、支撑、吊顶、墙面构件和刚架自重等。
恒载标准值(对水平投影面):板及保温层0.30kN/㎡檩条0.10kN/㎡悬挂设备0.10kN/㎡0.50kN/㎡换算为线荷载:7.50.5 3.75 3.8/=⨯=≈q KN m2、可变荷载标准值门式刚架结构设计的主要依据为《钢结构设计规范》(GB50017-2003)和《冷弯薄壁型钢结构技术规范》(GB50018-2002)。
对于屋面结构,《钢结构设计规范》规定活荷载为0.5KN/2m,但构件的荷载面积大于602m的可乘折减系数0.6,门式刚架符合此条件,故活荷载标准值取0.3KN/2m 。
由荷载规范查得,大连地区雪荷载标准值为0.40kN/㎡。
屋面活荷载取为 0.30kN/㎡ 雪荷载为 0.40kN/㎡ 取二者较大值 0.40kN/㎡换算为线荷载:7.50.43/q KN m =⨯=3、风荷载标准值 :0k z s z ωβμμω=(1) 基本风压值 20kN/m 6825.065.005.1=⨯=ω(2) 高度Z 处的风振系数z β 取1.0(门式刚架高度没有超过30m ,高宽比不大于1.5,不考虑风振系数)(3) 风压高度变化系数z μ由地面粗糙度类别为B 类,查表得:h=10m ,z μ=1.00;h=15m ,z μ=1.14 内插:低跨刚架,h=10.5m ,z μ= 1.14 1.111.00(10.510)1510-+⨯--=1.014;高跨刚架,h=15.7m ,z μ= 1.25 1.141.14(15.715)2015-+⨯--=1.155。
(4) 风荷载体型系数s μ-0.5-0.6-0.4-0.4-0.5-0.5-0.2+0.8μsμs1其中,s μ=0.2010.24.760.032301230arctg -⨯=⨯=+ 1s μ=12 1.00.6(1)0.6(12)0.36915.710.5h h ⨯-=⨯-=+-各部分风荷载标准值计算:w 1k =0z s z βμμω=7.5×1.0×0.8×1.014×0.6825=4.15 kN/m w 2k =0z s z βμμω=7.5×1.0×0.032×1.014×0.6825=0.17kN/m w 3k =0z s z βμμω=7.5×1.0×(-0.6)×1.014×0.6825=-3.11kN/m w 4k = 0z s z βμμω=7.5×1.0×0.369×1.014×0.6825=1.91 kN/m w 5k = 0z s z βμμω=7.5×1.0×(-0.2)×1.014×0.6825=-1.04 kN/mw 6k = w 7k =w 8k =0z s z βμμω=7.5×1.0×(-0.5)×1.014×0.6825=-2.60 kN/m w 9k = w 10k =0z s z βμμω=7.5×1.0×(-0.4)×1.014×0. 6825=-2.08 kN/m 用PKPM 计算门式刚架风荷载结果如下:其中,'1k ω=4.2KN/m ≈1k ω=4.15 kN/m ;'2k ω=0.2KN/m ≈2k ω=0.17 kN/m ; '3k ω=-3.1N/m ≈1k ω=-3.11 kN/m ;'4k ω=2.2KN/m ≈2k ω=1.91 kN/m ; '5k ω=-1.2KN/m ≈1k ω=-1.04kN/m ;'6k ω=-3.0KN/m ≈6k ω=-2.60kN/m ; '7kω=-3.0KN/m ≈7k ω=-2.60kN/m ;'8k ω=-2.6KN/m =8k ω; '9k ω=-2.1KN/m ≈9k ω=-2.08kN/m ;'10kω=-2.1KN/m ≈10k ω=-2.08kN/m 。
轻型门式刚架钢结构——荷载计算恒载包括刚架自重及屋面板,檩条,保温棉等重量.以下为一些常规得恒载取值:檩条+屋面板(0、5mm):0、10 KN/m2檩条+屋面板(0、5mm)+屋面内衬板(0、5mm) 0、15 KN/m2檩条+夹芯板: 0、15KN/m2具体得恒载计算还需要根据具体情况进行计算,如果屋面悬挂设备较多,用于悬挂设备得联系梁得重量也不容忽视,都应该计入屋面恒载.屋面活荷载:当采用压型钢板轻型屋面时,屋面竖向活荷载得标准值应取0、5KN/m2(注:当刚架或檩条仅有一个可变且受荷面积超过60m2时,对钢框架,活荷载可取0、3KN/m2)。
屋面悬挂荷载就是指由喷淋,管道,灯具等,屋面悬挂荷载可以被包括在屋面活荷载内。
常用得屋面悬挂荷载值可参考如下:石膏天花板吊顶0、15 KN/m2空调管道0、05 KN/m2灯具0、05 KN/m2喷淋0、15 KN/m2需要指出得就是,由于轻钢结构屋面系统很轻,当采用STS 等设计软件时(该软件不允许用户增加悬挂荷载工况),屋面悬挂核载归并在活荷载就是比较适合得.如将屋面悬挂荷载考虑在恒载内,则恒载+风载组合时设计偏于不安全.在考虑雪荷载时需要注意:1.需要按照规范50009-2012,考虑μr—屋面积雪分布系数,基本雪压乘以积雪系数便就是雪荷载标准值;2。
在设计建筑结构及屋面得承重构件时,可按下列规定采用积雪得分布情况:(1)屋面板与檩条按积雪不均匀分布得最不利情况采用;(2)屋架与拱壳可分别按积雪全跨均匀分布情况、不均匀分布得情况与半跨得均匀分布得情况采用;(3)框架与柱可按积雪全跨得均匀分布情况采用。
门式刚架得风荷载体型系数,可以按《建筑结构荷载规范》(GB50009—2012)取值,也可按《门式刚架轻型房屋钢结构技术规程》(CECS102:2002,2012版).请注意以下事项:1.基本风压应按荷载规范附录E、4中附表E、5给出得50年一遇得风压采用,但不得小于0、3kN/m2。
轻型门式刚架钢结构——荷载计算
恒载包括刚架自重及屋面板,檩条,保温棉等重量。
以下为一些常规的恒载取值:
檩条+屋面板(0.5mm):0.10 KN/m2
檩条+屋面板(0.5mm)+屋面内衬板(0.5mm) 0.15 KN/m2
檩条+夹芯板:0.15 KN/m2
具体的恒载计算还需要根据具体情况进行计算,如果屋面悬挂设备较多,用于悬挂设备的联系梁的重量也不容忽视,都应该计入屋面恒载。
2活载及屋面悬挂荷载
屋面活荷载:当采用压型钢板轻型屋面时,屋面竖向活荷载的标准值应取0.5KN/m2 (注:当刚架或檩条仅有一个可变且受荷面积超过60m2时,对钢框架,活荷载可取0.3KN/m2)。
屋面悬挂荷载是指由喷淋,管道,灯具等,屋面悬挂荷载可以被包括在屋面活荷载内。
常用的屋面悬挂荷载值可参考如下:
石膏天花板吊顶0.15 KN/m2
空调管道0.05 KN/m2
灯具0.05 KN/m2
喷淋0.15 KN/m2
需要指出的是,由于轻钢结构屋面系统很轻,当采用STS 等设计软件时(该软件不允许用户增加悬挂荷载工况),屋面悬挂核载归并在活荷载是比较适合的。
如将屋面悬挂荷载考虑在恒载内,则恒载+风载组合时设计偏于不安全。
3雪荷载
在考虑雪荷载时需要注意:
1.需要按照规范50009-2012,考虑μr—屋面积雪分布系数,基本雪压乘以积雪系数便是雪荷载标准值;
2.在设计建筑结构及屋面的承重构件时,可按下列规定采用积雪的分布情况:
(1)屋面板和檩条按积雪不均匀分布的最不利情况采用;
(2)屋架和拱壳可分别按积雪全跨均匀分布情况、不均匀分布的情况和半跨的均匀分布的情况采用;(3)框架和柱可按积雪全跨的均匀分布情况采用。
4风荷载
门式刚架的风荷载体型系数,可以按《建筑结构荷载规范》(GB50009-2012)取值,也可按《门式刚架轻型房屋钢结构技术规程》(CECS102:2002,2012版)。
请注意以下事项:
1.基本风压应按荷载规范附录E.4 中附表E.5给出的50 年一遇的风压采用,但不得小于0.3kN/m2。
2.并非所有门式刚架的体型系数都可以按CECS,门规仅适用于:屋面坡度α≤10,屋面平均高度≤18m,房屋高宽比≤1,且檐口高度≤房屋最小水平尺寸;
3.当柱脚铰接且刚架的l/h小于2.3和柱脚刚接且l/h小于3.0,采用GB50009-2012规定的风荷载体型系数进行刚架设计偏于安全,而在其他各种情况用GB50009-2012取值,将会导致设计不安全;
4.任何情况下,横向刚架两侧墙面体型系数的代数和不宜小于1.2。
5吊车荷载
1.桥(梁)式吊车或悬挂吊车的竖向荷载应按吊车的不利位置取值;
2.对手动吊车及电动葫芦可不考虑水平荷载。
6地震荷载
当抗震设防烈度较高并且房屋跨度很大、高度很高,或宽度方向有很多摇摆柱时,可按《建筑抗震设计规范》进行水平地震作用效应下刚架地震左右组合下的验算。
计算时,阻尼比可取为0.05。
一、承载力验算的荷载组合
(一)由可变荷载效应控制基本组合:
1.2 x 永久荷载+ 1.4 x 最大可变荷载
1.2 x 永久荷载+ 0.7 x 1.4 x 可变荷载
1.0 x 永久荷载+ 1.4 x 最大风吸力
(二)由永久荷载效应控制的基本组合:
1.35 x 永久荷载+ 1.4 x 可变荷载x 相应的组合系数
(三)地震作用组合:
1.2 (或1.0) x (重力荷载代表值效应)+ 1.3 x 水平地震作用标准值效应计算时不考虑风荷载作用,重力荷载代表值应按照《建筑抗震设计规范》(GB50011-2010)第5.1.3条计算。
二、荷载组合的注意事项
1.屋面活荷载不与雪荷载同时组合;
2.地震作用不与风荷载同时考虑;
3.由于风荷载效应与永久荷载效应二者符号相反,当恒载与风载进行组合时,恒载的组合系数应取为1.0,并且恒载不应取得过大,不应将屋面悬挂荷载等考虑在恒载中。
三、门式刚架常用的荷载组合方式
为了使内力组合更为合理,笔者将悬挂荷载作为单独工况列出。
以下为常用的荷载组合(无吊车的情况),用于承载力验算,可供读者参考。
1.1.2(恒载+ 悬挂荷载)+ 1.4屋面活载+1.4楼面活载
2.1.2(恒载+ 悬挂荷载)+ 1.4屋面雪载+1.4楼面活载
3.1.0恒载+ 1.4左风载
4.1.0恒载+ 1.4右风载
5.1.2(恒载+ 悬挂荷载+ 0.5楼面荷载+ 0.5屋面雪载) + 1.3左地震6.1.2(恒载+ 悬挂荷载+ 0.5楼面荷载+ 0.5屋面雪载) + 1.3右地震7.1.0(恒载+ 悬挂荷载+ 0.5楼面荷载+ 0.5屋面雪载) + 1.3左地震8.1.0(恒载+ 悬挂荷载+ 0.5楼面荷载+ 0.5屋面雪载) + 1.3右地震9.1.2(恒载+ 悬挂荷载) + 0.9(1.4楼面荷载+ 1.4雪载+ 1.4左风) 10.1.2(恒载+ 悬挂荷载) + 0.9(1.4楼面荷载+ 1.4雪载+ 1.4右风) 11.1.35(恒载+悬挂荷载)+ 1.4x0.7(楼面活载+ 屋面活载) 12.1.35(恒载+悬挂荷载)+ 1.4x0.7(楼面活载+ 屋面雪载)。