港口现场安全检查表.docx
- 格式:docx
- 大小:21.90 KB
- 文档页数:2
港口装卸作业安全检查表1. 检查人员信息- 检查日期:[填写检查日期]- 检查人员:[填写检查人员名字]- 检查部门:[填写检查人员所属部门]2. 检查对象信息- 港口名称:[填写港口名称]- 装卸作业区域:[填写具体作业区域]3. 安全设施检查- [ ] 道路标志是否明确,设施是否完好- [ ] 原材料堆放区域划定是否清晰- [ ] 安全通道是否设置合理,是否畅通- [ ] 消防器材是否齐全,易于取用- [ ] 报警设备是否正常运行,是否能够及时提醒4. 人员操作检查- [ ] 是否进行了必要的培训和资格认证- [ ] 人员是否佩戴个人防护装备- [ ] 是否定期进行身体健康检查- [ ] 人员是否按照操作规程执行工作- [ ] 人员是否有违规行为5. 机械设备检查- [ ] 机械设备是否经过定期检查和维护- [ ] 机械设备是否符合安全标准,是否取得相关证书- [ ] 设备操作人员是否具备相应的操作证书- [ ] 机械设备是否正常运行,是否有异常噪音或异味- [ ] 设备是否设置了安全护栏和防护装置6. 装卸作业操作检查- [ ] 装卸作业是否在规定的时间段内进行- [ ] 是否按照规定程序进行装卸作业- [ ] 是否对货物进行正确的拆装、固定和包装- [ ] 是否对货物进行正确的标识和分类- [ ] 是否严格遵守操作规程、操作标准和操作指引7. 环境及危险物品检查- [ ] 港口周边环境是否存在安全隐患- [ ] 是否存在可燃易爆物品- [ ] 危险品的储存和使用是否符合相关规定- [ ] 防火设施和防护设备是否齐全且正常运行- [ ] 是否存在其他特殊环境或设备的相关安全检查事项8. 其他问题及处理情况记录- [ ] 其他问题1:- 处理情况1:[填写处理情况]- [ ] 其他问题2:- 处理情况2:[填写处理情况]9. 检查结论根据本次安全检查的结果,对港口装卸作业安全情况进行评价和总结,并提出改进建议(如有)。
港口工程安全检查表
1. 人员安全:
- 检查港口工程人员是否具备相关的安全培训和资质。
- 检查工作人员是否穿戴个人防护设备(如安全帽、手套、安全鞋等)。
- 确保工程区域内有明确的安全警示标识。
2. 设备安全:
- 检查港口使用的设备是否经过定期维护和检修。
- 检查设备是否符合相关标准和规范。
- 确保设备操作人员具备相应的操作培训和证书。
3. 工程现场安全:
- 检查工程现场是否有明确的安全方案和应急措施。
- 确保工程现场的临时设施(如搭设的脚手架、临时电源等)符合安全要求。
- 检查有无安全隐患(如施工材料堆放不当、作业区域缺乏隔离措施等)。
4. 环境安全:
- 检查工程现场的排污和废弃物处理情况。
- 确保工程现场周边环境不受污染。
5. 安全培训和意识:
- 检查港口工程人员是否定期接受安全培训。
- 确保工程人员具备安全意识和应急处理能力。
以上是港口工程安全检查表的基本内容,根据实际情况可以进行调整和补充。
使用这份检查表可以帮助确保港口工程的安全性,减少安全事故的发生。
请确保在每次进行港口工程安全检查时,根据实际情况填写并记录检查结果,及时采取必要的整改和改进措施。
同时,建议定期对这份检查表进行更新和调整,以适应港口工程安全管理的需要。
注意:本文档旨在提供参考,并不能替代实际的安全管理和检查工作。
请在执行检查工作时,严格遵守相关的法律法规和安全规定。
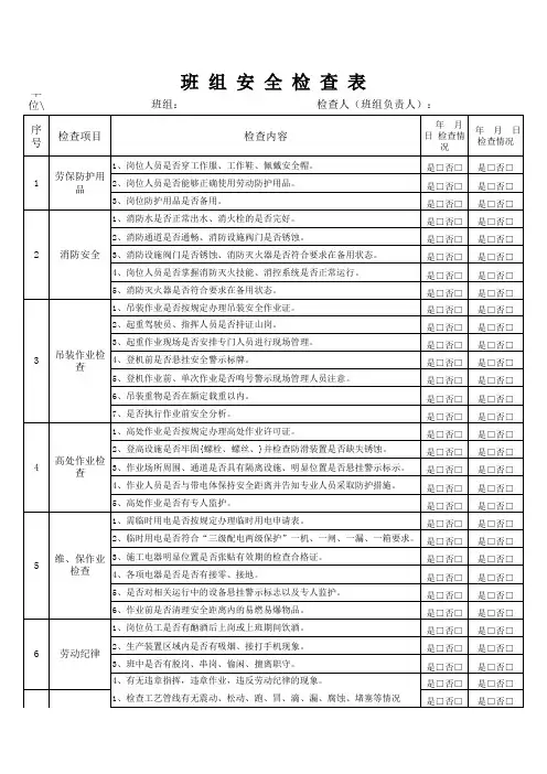
码头作业安全检查表检查日期时间序号项目检查内容检查情况正常存在问题1 劳保防护用品1、岗位人员是否穿工作服、工作鞋、佩戴安全帽。
2、岗位人员是否能够正确使用劳动防护用品。
3、岗位防护用品是否备用。
4 消防安全1、岗位人员是否掌握消防灭火技能。
5 2、消防灭火器是否符合要求在备用状态。
6吊装作业检查1、吊装作业人员持有法定的有效证件。
7 2、作业前对作业人员进行安全教育。
8 4、事先与相关人员取得联系,建立联系信号。
9 5、有专人指挥,并按规定的联络信号,统一指挥。
10 6、指派专人监护,非作业人员禁止入内。
11 7、夜间作业要有足够的照明12 8、遇到大雪、暴雨、大雾及6级以上大风停止作业。
13 9、完成车辆点检,内容与吊车状况是否相。
14 10、“十不吊”执行落实情况15 11、是否鸣号警示现场管理人员注意。
16叉车作业检查1、是否正确使用叉车配备的安全带17 2、完成车辆点检,内容与叉车状况是否相。
18 3、叉车起步时缓慢平稳,行驶时降下门架。
19 4、叉车行驶过程,司机面部朝向叉车行驶方向。
20 5、叉取货物时,铲板前面是否无人员站立。
21 6、行驶速度是否不超过5公里。
22 7、当载物高度阻挡驾驶员视线时后退行驶。
23 8、叉车操作过程中,司机未操作手机、饮食等。
24 9、叉车停车时货叉着地、将手制动拉好、熄火并断开电源,离开叉车时取下钥匙。
25 10、未用叉车货叉运载、举升人员26劳动纪律1、岗位员工无有酗酒后上岗或上班期间饮酒。
27 2、班中无有脱岗、串岗、偷闲、擅离职守。
28 3、无违章指挥,违章作业,违反劳动纪律的现象。
29作业环境1、工作场所内保持整齐、清洁,通道畅通。
30 2、工作场所内物料摆放整齐、有序。
31 3、工作场所内地面无积水、绊脚物和垃圾杂物。
32 4、作业场所内夜间作业区照明是否足够。
其他检查问题整改情况检查人注:1、正常画√,存在问题须注明并记录整改情况及完成时间,未检查画/;2、此表存档3年。
船/岸安全检查表SHIP/SHORESAFETYCHECKLISTShip’sName船名……………………………………….Berth泊位………………………………………Port港口……………………………………….DateofArrival抵达日期…………………………………….. TimeofArrival 抵达时如果icking(ecks.在“代码”栏目里的A,P或R字母,分别表示如下的意义:Thepresenceoftheletters A,P or R inthecolumn‘Code’indicatesthefollowing:A–(协议)表示该检查项应通过协议或程序来处理,并在检查表中的“备注”栏中明确或者通过其它一些双方可接受的表格来交流这些协议和程序。
A–(‘Agreement’).Thisindicatesthatthereferencedconsideratio nshouldbeaddressedbyanagreemen torprocedurethatshouldbeidentifiedinthe‘Remarks’columnoftheCheckList,orcommunicatedinsome othermutuallyacceptableform.P—(批准)在否定回答的情况下,未经主管当局的书面许可,不可进行作业。
P–(‘Permission’).Inthecaseofanegativeanswertothestatementscoded‘P’,noope rationsaretobe conductedwithoutthewrittenpermissionfromtheappropriateauthority.R—(复查)表示在不超出声明同意的时间间隔须重复检查的项目。
R–(‘Re-check’).Thisindicatesitemstobere-checkedatappropriateintervals,asagreedbetweenbothpartiesandsta tedinthedeclaration.仅在所有方检查和接受他们分配的职责和责任后方可签署共同声明Thejointdeclarationshouldnotbesigneduntilallpartieshavecheckedandacceptedtheirassignedrespo nsibilitiesandaccountabilities.PART‘A’–BULKLIQUIDGENERAL-PHYSICALCHECKSA部分-散装普通液货-现场核实B部分-散装普通液货-口头确认ouldbeaddressed.tatementsshouldbeaddressed.PART‘D’–BULKLIQUEFIEDGASES-VERBALVERIFICATIONTankNo4DECLARATION声明We,theundersigned,havecheckedtheaboveitemsinPartsAandB,andwhereappropriate,PartCorD,inaccord ancewiththeinstructionsandhavesatisfiedourselvesthattheentrieswehavemadearecorrecttothebesto fourknowledge.我们,下面签名者,已经对本安全检查表内A/B部分的各个项目,如果适用,包括C或D部分的项目,根据指导进行了检查,并确信就我们所了解的情况,我们所填写的内容是正确的。
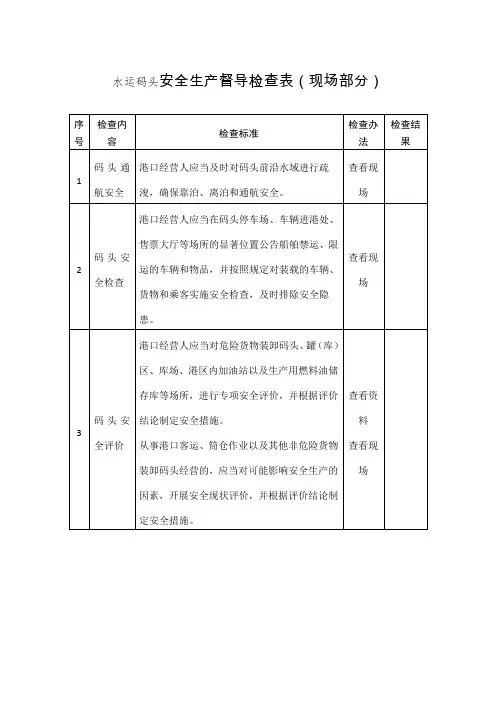
被检查企业名称被检查码头名称码头功能检查机构名称检查督查人员检查督查时间1.各类资质证书2.设备检验证书3.港口安保设施4.港口基建及其他设施5.港口制度及实施6. 其他7.检查存在的问题隐患问题数量检查意见.港口安全现场检查表□集装箱□滚装□危货□客运□散货□件杂□其他共人出动车辆出动艇艘督查检查主要内容□港口岸线批复 ; □经营许可 ; □港口危货作业附证;□负责人及安全人员安全资质证书 ; □特种设备操作证 ( 起重设备司机起重工电工焊工等 ); □危险货物作业岸上管理和从业人员资质证书 ; □港口安全现状评价。
□趸船、浮吊检验证书; □起重设备检验证书; □压力容器及管道检验证书;□化工储罐检测检验证书;□其他特种设备证书 ; □变压器校验合格证明 ; □防雷、防静电设施检测合格证书;□消防意见书;□环评报告书。
□视频监控系统;□安保门禁系统; □便携式可燃气体检测仪( 危货 ) 。
□码头标志 ; □地锚 ; □其他系泊设施; □护坡 ; □挡墙 ; □港区道路 ; □货物堆场 ; □排水系统 ; □应急救援设备和设施 ; □港口跳板、护栏、安全网、照明、救生设施 ; □消防设备和设施 ; □防污染设施(围油栏、吸油毡、吸油海绵等)以上设施能够正常使用。
□企业全员安全生产工作责任制 ; □安全经费提取使用制度;□重大危险源监控制度;□各工种安全操作规程 ; □设备管理制度 ( 使用检查保养维修 ); □事故处理制度 ( 上报、调查、分析、处理 ); □应急预案 ; □危险货物作业安全规定 ; □危险货物分类作业安全措施 ; □危险货物码头应急演练记录 ; □制度执行情况检查 ; □业主安全自检记录;□隐患排查治理制度和隐患排查治理台帐;□安全生产标准化体系实施情况。
整改完成数量检查督查单位被检查单位签字签字精选 word 范本!. 注: 1. 检查项目正常划“√” ,存在问题划“×” ,无此项目不填;2. 本表一式三份,市、县检查部门、被检查企业各一份。
(完整版)港口工程施工安全检查表一、工程基本信息- 工程名称:- 工程地点:- 建设单位:- 施工单位:- 监理单位:二、施工准备- 施工前现场踏勘是否完成并编制了相应报告- 施工前是否完成安全技术交底- 施工人员是否具备相应的操作技能证书- 施工区域是否划分为合适的安全区域- 施工用具和设备是否符合安全标准并经过检验三、安全防护设施和措施- 施工现场是否设置了明显的安全警示标志- 是否配备了必要的防护用品,如安全帽、安全鞋、防护眼镜等- 施工现场是否设置了安全围栏- 施工现场是否设置了适当的安全出口和疏散通道- 施工现场是否设置了灭火器、消防栓等灭火设备,并保持完好状态四、施工机械和设备安全检查- 施工机械和设备是否经过安全鉴定并得到合格证- 施工机械和设备是否进行了定期检查和维护- 施工机械和设备是否设置了安全防护装置- 施工机械和设备是否安装在固定的基座上五、材料安全检查- 使用的材料是否符合相关标准,并有合格证明- 材料储存是否合理,避免与其他物品发生碰撞、摩擦或泄漏- 材料的搬运和安装是否正确进行,并有相关操作指导和培训六、施工人员安全培训和管理- 施工人员是否接受过必要的安全培训- 施工人员是否具备相应的技能和证书- 施工人员是否严格遵守安全规定和操作规程- 违反安全规定的人员是否及时纠正和处理- 管理人员是否及时检查和记录施工人员的安全行为七、风险防范和事故应急措施- 是否列出了工程施工中可能出现的事故类型和潜在风险- 是否制定了应对事故的应急预案,并进行演练- 是否配置了必要的急救设备和药品- 是否确定了现场紧急救援和疏散的指挥人员和通信手段八、安全检查和记录- 是否进行了每日的安全检查和记录- 安全检查是否发现了问题,并采取了相应的整改措施- 是否定期进行履行安全检查和评估,并记录结果- 安全检查的记录是否完整、准确,并妥善保管---以上是港口工程施工安全检查表的完整版。
请根据具体情况填写并严格执行,以确保施工安全。
交通运输企业现场安全检查表
港口现场安全检查表
单位:
日
序号检查内容和标准检查方
法
1确保特种设备按规定进行年检,检验合格并取得查资料安全使用证后方可投入使用查现场
2禁止使用国家明令淘汰、危及安全的工艺设备查资料查现场
3在作业危险区域和有关设施设备上应设置明显
查现场的安全警示标志
4严格按照规定进行发包或者出租生产经营项目、
查资料场所、设备,并签订专门的安全生产管协议
5依法参加工伤社会保险,为从业人员缴纳保险费查资料6杜绝“超载”和为“三无船舶”配载查现场7制定冬、夏特殊季节安全防范措施并认真落实查现场
8适时配备防寒及防暑降温设备、物品查资料查现场
9按规定配备现场安全检查人员查台帐看现场
10严格执行港口码头安全监督检查制度查资料走访
确保各种机械、防护设备及报警装置始终处于完
查资料11好状态,认真执行维护保养制度,做到专人负责,
看现场责任明确
12按规定配备齐全安全消防设施并处于良好状态看现场13从业人员应熟练操作消防、救生设备看现场14保持港口码头安全通道平整畅通,安全标识明显看现场15装卸现场、堆场安全、整洁、卫生看现场
16采取有效措施对事故隐患做到及时排除和限期查资料整改,并采取有效控制措施走访
存
整改在主
具体要问
要求题
年月检查结果评价及意
是否
见
检查单位:被查单位:检查负责人:
整改负责人:整改限期:。