分型面的选择原则有哪些
- 格式:doc
- 大小:160.50 KB
- 文档页数:4
第二节分型面的选择一、分型面及其基本形式为了塑件的脱模和安放嵌件的需要,模具型腔由两部分或更多部分组成,这些可分离部分的接触表面即称为分型面。
一副塑料模具根据需要可能有一个或两个以上分型面。
分型面可能是垂直于合模方向或倾斜于合模方向,也可能是平行于合模方向。
合模方向通常是指上模与下模、动模与定模闭合的方向.通常分型面的形状有平面、斜面、阶梯面、曲面几种形式。
二、分型面选择的一般原则分型面的选择很重要,它对塑件的质量、操作难易、模具结构及制造影响很大。
在选择分型面时应遵循以下基本原则:1。
分型面应选在塑件外形最大轮廓处,才能使塑件顺利地脱模。
2。
确定有利的留模方式,便于塑件顺利脱模。
在注射成型时,因推出机构一般设置在动模一侧,故分型面应尽量选在能使塑件留在动模内的地方。
3. 当孔间距较小时,却难以设置有效的推出机构,若按图(b)分型,只需在动模上设置一个简单的推件板作为脱模机构,故较为合理。
4。
保证塑件的精度要求。
对于同轴度要求高的塑件,在选择分型面时,最好把要求同轴部分放在分型面的同一侧(见右下图),避免由于合模精度的影响而引起形状和尺寸上的偏差.5.满足塑件的外观质量要求。
因为分型面不可避免地要在塑件上留下痕迹,所以分型面最好不要选在塑件光滑的外表面或带圆弧的转角处.6.便于模具加工制造。
7。
考虑成型面积和锁模力。
为了可靠地锁模以避免胀模溢料现象的发生,选择分型面时应尽量减少塑件在合模分型面上的投影面积。
8。
对侧向抽芯的影响。
一般侧向分型抽芯机构的侧向抽拔距离都较小,故选择分型面时,应将抽芯或分型距离长的一方放在动、定模开模的方向上,而将短的一方作为侧向分型的抽芯.9. 考虑排气效果。
分型面应尽量与型腔充填时塑料熔体的料流末端所在的型腔内壁表面重合,以利于把型腔内的气体排出。
思考与练习1。
分型面选择的一般原则有哪些?试举例说明。
2。
分析(作业)产品零件图,确定分型面的位置。
3给图中两个塑件选择分型面,并注明动模和定模的方向。
分型面的选择原则
分型面是指一定物体的不同部分之间的分隔面,其选择可以影响物体加工过程中的技术性能和经济性能。
根据不同的物体形状,分型面的选择原则有五种:
一、最小厚度:在表面一致性要求较高的情况下,使用尽量小的分离厚度和小的分离深度,以减少材料浪费,提高生产率。
二、最短分离路径:在同样的表面一致性要求下,使分离路径尽量的短,以降低机床的运动次数和切削时间,同时也能够减少材料的浪费。
三、最低功耗:为了减少加工所消耗的功率,分型面的选择应考虑分离位置、尺寸和一定的几何形状,以便减少机床的运动次数和切削深度。
四、最快制造:通过高精度和高速加工,使分型面的加工过程更快速,从而提高物体的加工效率和经济效益。
五、最佳以及可行的分型面:为确保分型面的加工技术性能和经济性能,应考虑机床的切削范围、加工方式以及可行的几何形状。
以上就是分型面的选择原则,它决定着物体的加工技术性能和经济性能。
在确定物体加工技术参数时,应该把握这五条原则,从而使物体的加工效率最大化。
在实践中,应根据物体的形状及加工精度和速度要求,结合以上五条原则,慎重选择分型面,科学地解决加工中的问题。
比如,在不锈钢加工过程中,应根据机床的加工范围,选择最短的分离路径,以
最短的时间完成加工;在铝合金加工过程中,应根据铝合金的表面要求,选择最小的分离厚度,以提高加工的精度。
总之,分型面的选择不仅考虑物体的形状,加工方式和精度要求,而且要考虑加工中的技术性能和经济性能,以便提高物体的加工速度和效率,改善加工品质,降低生产成本。
分型面的选择原则
分型面的选择可以根据以下原则来进行:
1、比较传统的方法是根据价钱、位置、形态、质量和功能来选择分型面。
这些方面可以用一定的数字或者等级来衡量,让不同的分型面更容易对比。
2、分型面的选择也可以根据对未来的调查和分析考虑,比如将要做的分析和调研,包括技术参数、生产能力、效率、品质、可靠性等因素,在把这些要素都考虑进去的情况下,选择当前最能满足未来发展的分型面。
3、分型面的选择还要考虑生产中的特殊环境,比如噪声、温度、湿度、物料种类、重量、尺寸以及其他特殊要求,只有找准最能满足生产条件的分型面,才能够正确的生产。
4、分型面的选择还要考虑可操作性,在设计时,要将操作简便、人性化作为首要考虑,对工作人员的指导及操作程度也要考虑入内。
5、分型面的选择还要考虑可靠性,要求分型面的失效率低,故障率低,使用寿命长,能适应一定的变化,保证能够正常生产。
模具设计分型面的选择及设计原则
模具,是将塑料或金属按照产品设计图纸要求的形状和尺寸加工出来
的工具。
模具的设计和制造是任何塑料或金属制品的有效生产的必要环节,型面的选择和设计原则对模具的质量和成型效果有着重要的影响。
一、模具型面选择
1、了解加工工件材料特性,首先要了解加工工件的材料特性,以便
根据材料的性能、加工精度需求等,决定模具的塑料型面类型。
模具的材
料种类有:定型塑料、半定型塑料、硬质塑料、弹性体塑料、铝热模塑料等。
2、根据产品型号和尺寸,确定型面形状和尺寸;
3、根据成型材料的特性,确定模具型面料的厚度;
4、根据产品成型过程尺寸的变化,确定型面的设计模式;
5、根据成型方式及模具结构,确定腔体的形状;
6、根据负压上模原理,确定模具型口的设计;
7、确定附件的设计,包括定位件、导流件等;
8、根据设计要求,制定模具的总体尺寸和技术要求;
9、根据成型工艺需要,确定模具表面处理方式。
二、模具设计原则
1、重点考虑模具的结构及制作的简单方便性,便于模具的调整和维护;。
分型面的四大基本原则
分型面的四大基本原则是:
1. 简单性原则(Principle of simplicity):分型面应该尽可能简单明了,不应该包含过多的线条或元素,以便能够清晰地表达其含义。
2. 对比原则(Principle of contrast):分型面应该能够与其周围的元素形成对比,以便能够突出其存在感,并使观察者能够更容易地注意到分型面的存在。
3. 相似性原则(Principle of similarity):分型面应该在某种程度上与其他相似的元素相区别,以便能够凸显其独特性,提升观察者对其的注意力。
4. 协调原则(Principle of harmony):分型面应该与其他相关元素相互协调,以便能够在整体上形成一个有序、和谐的视觉效果,使观察者感到舒适和满意。
分型面选取原则:①便于塑件脱模和简化模具机构②;尽可能不影响塑件外观,产生的溢料便于消除和修整;③保证塑件尺寸精度;④应利于排气;⑤便于模具加工;⑥考虑设备技术规格2.模内气体来源?排气方式?模内气体的危害?(1)来源:①型腔和浇注系统中有空气;②塑料原料中含有的水分被注射温度蒸发为水蒸气;③在高温注射下塑料分解产生气体;④塑料中某些添加剂挥发或化学反映产生气体.(2)排气方式:①利用分型面排气;②利用型芯和模板配合间隙排气;③利用顶杆运动间隙排气;④理由侧型芯运动间隙排气;⑤开设排气槽;⑥强制排气.(3)危害:形成气泡、凹陷,熔接不牢靠,表面轮廓不清晰,降低流模速度.3.塑件设计原则:①在保证塑件使用性能的前提之下尽量使用价格低廉成型性能好的塑件;②力求制件结构简单壁厚均匀成型方便;③要考虑模具总体结构,使模具型腔易于制造,模具抽型和推出机构简单;④塑件形状利于分型、排气和补缩;⑤塑件成型后不再进行机械加工.4.浇口位置选择原则:①浇口尺寸与为之选择应避免熔体破裂而产生喷射和蠕动;②浇口位置要利于流动,排气和补料;③应使流程最短,料流变向最少,并防止型芯变形;④浇口位置和数量应有利于减少熔接痕和增加熔接强度;⑤考虑定位作用对塑件性能的影响;⑥流动比的校核5.什么是干涉?避免干涉的措施?(1)干涉:当侧抽芯与推杆在垂直于开模方向的投影出现重合,而滑块复位先于推杆复位,致使活动型芯相碰撞而损坏的现象成为干涉.(2)避免措施:①在模具结构容许的情况下尽量避免推杆布置于侧型芯在垂直于开模方向的投影范围内;②使推杆的推出距离小于滑动型芯的最低面;③采用推杆先复位机构6.热固性塑料和热塑性塑料的特点?(1)热塑性塑料:①主要由聚缩树脂组成.②受热后熔融,可成型加工冷却后固化再加热仍可软化.③分子呈链状或树枝状结构,称为线型聚合物.(2)热固性塑料:①主要由聚合树脂组成.②开始受热时可软化,可成型加工冷却后固化再加热不软化也不溶解;③加热开始时分子呈链状或树枝状结构,后期为网状结构,称为体型聚合物7.影响塑件尺寸精度的因素:①成型部件的制造误差;②成型部件的磨损误差;③塑件成型的收缩误差;④配合间隙引起的误差.8.什么是流动性?其影响因素是什么?(1)流动性是比较塑料加工难易程度的一项指标.(2)影响因素:①成型条件(温度,压力和注射速率);②聚合物性质(熔融指数,表观粘度,流动比, 相对分子质量等);③模具结构.9.什么是降解?降解的危害?如何避免聚合物的降解?(1)降解:聚合物在高温.压力和氧气.水分等外部条件作用下发生的化学分解反映.(2)危害:导致聚合物分子链断裂,相对分子质量降低等一系列结构变化,使聚合物发生弹性消失,强度降低,黏度变化以及熔体发生紊流和制品表面粗糙,使用寿命减短等问题.10.压注成型与压缩成型区别:①模具的加料室不像压缩成型模具那样是型腔的延伸,而是由浇注系统与型腔分开,成为单独部分;②塑料在加料室中经过初步加热塑化,在压料柱塞作用下迅速流经浇注系统时有摩擦升温,能快速充入型腔并加快固化;③压料柱塞的压力不是直接作用在型腔,而是通过浇注系统向型腔传递压力,有利于细小嵌件,众多嵌件和有细长孔的塑料成形;④型腔在塑料熔体注入前闭合,没有溢边;⑤压注成型要消耗较多的塑料;塑料中的细长或纤维状的填料在压注过程中有取向排列,使塑件产生各向异性1.塑料:2.脆化温度θg温度。
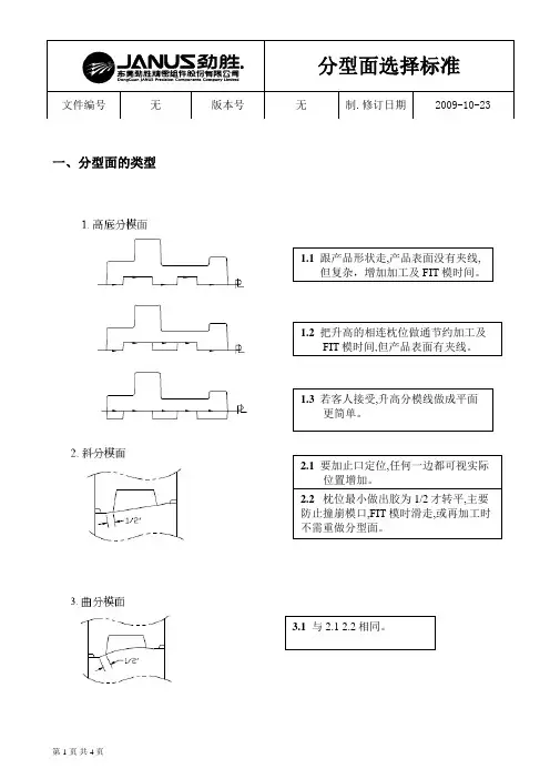
一、分型面的类型
10 有擦位的分型面设计方法。
二、主分型面选择的一般原则
1、保护模仁
一般在选择主分型面前要先考虑产品的拆法﹐即确定次分型面﹐找出前模仁
最低的面﹐即为主分型面﹐让前模仁尽量不要超出A 板伸入B 板內﹐以免在模具拆裝时將前模仁碰伤
2、减化模具结构﹐增加模板强度
3、依特殊模具结构来确定主分型面
4、模仁四角管位为防装模装错,基准角处管位需做大1.0mm
5、当产品主装配面同进出在两工件上时,将包在产品内侧胶位的工件抬高0.03-0.05mm ,防止产品断差明显。
(如下图所示)
6、产品前后模对碰处需把后模减胶0.03-0.05mm,防止加工误差导致产品碰穿孔处错位.
三、次分型面选择的一般原则
1、满足客户要求﹐不影响产品外观及使用性能
2、便于产品脱模
3、便于排气
4、尽量减少侧向倒勾,简化模具结构
5、便于加工
6、方便模仁表面处理。
注塑模具分型面的选择原则
选择模具分型面时,通常应考虑以下几项基本原则。
1. 模具分型面应选在塑件外形最大轮廓处
塑件在动,定模的方位确定后,其模具分型面应选在塑件外形的最大轮廓处,否则塑件会无法从型腔中脱出,这是最基本的选择原则。
2. 模具分型面的选择应有利于塑件顺利脱模
由于注塑机的顶出装置在动模的一侧,所以模具分型面的选择应尽可能使塑件在开模后留在动模一侧,这样有助于在动模部分设置的推出机构工作,若在定模内设置推出机构就会增加模具的复杂程度。
3. 模具分型面的选择应保证塑件的精度要求和外观质量
模具分型面不能选在塑料之间的光滑表面和外观面,以免影响制件的外观质量。
对于塑料制件要求同轴度较高的部分,选择模具分型面时最好将它们设置在模具的同一侧塑腔内。
4. 模具分型面的选择应有利于模具的加工
通常在模具结构设计中,选择平直分型面居多。
但为了便于模具的制造,应根据模具的实际情况选择合理的分型面。
5. 模具分型面的选择应有利于排气
模具分型面是模具结构中主要的排气渠道,应尽量设置在塑料融体流动方向的末端,并且与浇注系统的设计应同时考虑,便于模具型腔内的气体排出。
6. 模具分型面的选择应考虑模具的侧向抽芯
为了保证侧向抽芯的放置容易和抽芯机构的动作顺利,选择模具分型面时,应以浅的侧向凹孔或短的侧向凸台作为抽芯方向,将较深的凹孔或较高的凸台放置于合模的方向,并尽量把侧向抽芯机构放置在动模一侧。
以上信息由:金马泰模具厂提供。
分型面的设计原则分型面设计原则是指在建筑和城市规划中,根据地块形状、功能需求与环境条件等因素,将建筑物或界面划分为若干个不同的部分,并根据不同部分的功能性和特点进行设计和布局。
这一设计原则旨在使建筑和城市规划更加合理、人性化和美观,提高生活质量和居住环境。
分型面设计原则可以应用于不同规模和尺度的项目,从一个小型的住宅小区到一个大型的城市片区。
它既适用于建筑物的内部空间划分和功能分区,也适用于城市规划中的用地分区和公共空间划分。
以下是几个常见的分型面设计原则:1.功能性分区:分型面设计可以根据建筑物或城市规划的功能需求,将空间划分为不同的功能区域。
例如,一个住宅建筑可以划分为生活区、卧室区、工作区和娱乐区等。
这样做可以提高空间的使用效率,使不同功能的区域相互独立,互不干扰。
2.视觉分区:分型面设计可以根据建筑物或城市规划的视觉需求,将空间划分为不同的视觉区域。
例如,一个商业街区可以划分为主要商业街区、次要商业街区和景观区域等。
这样设计可以吸引行人眼球,提升区域的整体形象。
3.尺度分区:分型面设计可以根据建筑物或城市规划的尺度需求,将空间划分为不同的尺度区域。
例如,一个城市片区可以划分为高密度住宅区、中密度住宅区和低密度住宅区等。
这样设计可以保持整体规划的一致性,创造不同尺度的社区和居住环境。
4.环境分区:分型面设计可以根据建筑物或城市规划的环境条件,将空间划分为不同的环境区域。
例如,在城市规划中,可以根据环境音量和空气质量的不同,将区域划分为高环境品质区和低环境品质区。
这样设计可以促进可持续发展,改善居住环境。
5.活动分区:分型面设计可以根据建筑物或城市规划的活动需求,将空间划分为不同的活动区域。
例如,在一个公园规划中,可以划分为儿童游乐区、健身区和观景区等。
这样设计可以满足不同群体的活动需求,提供丰富多样的户外活动场所。
分型面设计原则旨在最大程度地满足建筑物和城市规划的功能性、美观性和适应性需求。
模具分型面的设计5大原则的分析指标,才能达到最佳的效果在注塑模具的设计中,分型面的设计很关键,其设计的结果将直接影响到模具结构、模具加工难度和模具设计制造费用;由于分型面的设计对于同一产品具有不同的结果,所以分型面的设计确定有一定的难度。
一、分型面的设计原则:1、保证产品的外观质量和精度。
2、保证模具零件成型时的刚性。
3、分型面应该有利于侧向抽芯。
4、分型面应该有利于塑件脱模。
5、分型面的选择和设计应该有利于加工制造。
如:5.1 主分型面为平面的情况,分型面设计时要考虑方便于磨床加工。
5.2 主分型面为复杂曲面,分型面设计时要考虑方便于NC加工,避免EDM加工。
5.3 当一个分型面不平的时候,优局部做枕位,方便钳工配模。
对于具体的产品,其分型面的选择和设计存在多种方案,因此必须遵守一定的规则才能选择和设计出合理的分型面,并简化模具的结构降低成本。
而对于不同的产品其分型面的选择和设计还需要根据具体的情况作针对性的分析,并且不一定都能满足上述的规则,因此应该根据设计保证主要的方面作必要变更。
二、分型面在不同情况下的设计要求:1、主要分型面为平面的情况:当产品比小的情况下,而且分型面为3D曲面时,直接局部做枕位,采用小的3D曲面封胶,四周做避空,采用四角虎口定位即可。
2、主要分型面为斜面的情况:主要分型面与开模方向不垂直时,分型面沿斜面延伸一段后在分型面两端做平位,以利于加工定位及Fit模。
延伸段长度:大模L=20~30mm,小模L=10mm即可。
斜面比较陡时可在模肉四个角位做原身管位定位(也可考虑用圆型分型面管位块),合模时起定位和防滑作用。
为了在成型中锁模力起到均匀的状态,建议模架上面左右侧平面上同部做斜度定位块,但模具上面的四面零度定位块也是要追加的。
3、主要分型面为单曲面的情况:应顺着曲面方向延伸一段后在分型面两端做平位,以利于加工定位及Fit模。
延伸段长度:大模L=20~30mm,小模L=10mm即可。
模具分型面选择原则(1) 分型面选择的总体原则分型面的选取不仅关系到塑件的成型和脱模,而且涉及模具结构和制造成本,因此,必须重视选择分型面。
一般来说,分型面选择的总体原则主要有三:1)保证塑件质量。
这是最基本的一条,必须使塑件质量符合预定要求。
2)便于塑件脱模。
易于脱模,可使生产率提高,塑件不易变形,提高正品率。
3)简化模具结构。
同样一个塑件,因为分型面选择的不同,使结构的复杂程度有很大不同,合理地选择,即可简化模具结构。
(2) 怎样选择分型面型腔与模具的关系基本上可分三类:型腔完全处于动模中;型腔完全处于定模中;型腔分别处于动、定模中。
由于塑件的形状繁多,分型面选择的变化也很多,为了使大家对分型面的选择有个基本了解,下面介绍一些典型分型面的选择。
1)长型构件的分型,如图1所示。
若塑件的长度较长,如管形、柱形、杆形塑件,如把型腔放在一块模板中,会使脱模斜度过大(图a),若把型腔分别安排在动、定模中(图b),可减小脱模斜度,使塑件两端的尺寸差异不致过大。
图1- 长型构件的分型a)脱模斜度过大的分型 b)减小脱模斜度的分型2)将塑件留在动模侧的分型,如图2所示。
将塑件留在动模侧,可易于设置和制造结构简单的脱模机构。
因此,要尽量将塑件留在动模侧。
如对盖形塑件,分型面按图a的选取较为合理;如对带嵌件塑件,因嵌件不会收縮而包紧型芯,分型面可按图b选取;若塑件的型芯对称分布,应按图。
分型,迫使塑件留在动模上;若是带有侧孔的塑件,应按图d分型,避免定模抽芯。
图2- 将塑件留在动模侧的分型a)盖形塑件 b)带嵌件塑件 c)型芯对称塑件 d)有侧孔塑件3)保证塑件外观质量的分型,如图3所示。
塑件的外观质量是需要保证的,在选择分型面时认真考虑,如在平滑的表面或圆弧曲面上应尽量不设置分型面.图a是保持曲面光滑的分型,图b是可减少飞边的分型,图c是可减少溢料的分型。
图3- 保证塑件外观质量的分型a)使曲面光滑的分型 b)减少飞边的分型 c)减少溢料的分型4)有利于排气的分型,如图4所示。
分型面选择原则
分型面的选择原则主要有以下几点:
1.保证塑件质量。
这是最基本的一条,必须使塑件质量符合预定要求。
2.便于塑件脱模。
易于脱模,可使生产率提高,塑件不易变形,提高正品率。
3.简化模具结构。
同样一个塑件,因为分型面选择的不同,使结构的复杂程度有很大不同,合理地选择,即可简化模具结构。
4.确保产品外观和质量。
分型面不要选择在产品光滑的外表面。
5.方位的确定。
在决定产品在模具里面的方位时,分型面的选择应该尽量防止产品形成侧孔或者侧扣位,应避免采用复杂的模具结构。
6.考虑侧向开模距离。
一般的侧向机械式开模的距离都是比较小的。
7.分型面应尽量选择在投影面积较大的方向上。
对于大型产品,应将投影面积大的方向放在前后模开合模方向上,而将侧投影面积较小的作为侧向分型。
以上就是分型面选择的基本原则,具体选择时需要根据产品类型、生产要求和模具结构等因素综合考虑。
铸造实习指导与练习答案
1、什么是铸造?铸造生产有何特点?
答案:铸造是将熔化的金属液体浇注到与零件形状相似的铸型中,待其冷却凝固后获得铸件的一种生产方式。
2、什么叫分型面?分型面的选择有哪些原则?
答案:铸造分型面是指相邻两铸型的分界面。
确定铸造分型面的原则是:(1)尽量使分型面少。
(2)分型面最好是简面(尽量使分型面简单)。
(3)决定分型面时应尽量使铸件的全部或大部分放在同一砂藕中。
(4)确定分型面应有利于简化造型工艺,保证铸件质量。
3、填写铸造生产工艺流程图。
答案:将熔炼好的金属液浇注到与零件形状相适应的铸型型腔中,待金属液冷却凝固后获得毛坯或零件的加工方法;(3分)
砂型铸造是指在砂型中生产铸件的铸造方法;(2分)
4、标出铸型装配图及浇注系统的名称,并简述其主要作用。
答案:下砂型下砂箱分型面上砂型上砂箱通气孔铸型通气孔型芯通气孔浇注系统铸造型腔砂芯芯头座芯头通气孔浇口杯(外浇口)直浇道内浇道横浇道
5、根据你在铸造实训中制作的铸件缺陷特征,写出缺陷名称,找出产生该缺陷的主要原因及防止措施。
(每写出一个铸件缺陷(含特征,缺陷名称,主要原因及防止措施)得2分)
答案:【计分规则】: 根据答题情况,酌情给分每答对一个铸件缺陷(含特征,缺陷名称,主要原因及防止措施)得2分。
第四部分分型面的选择分型面是指分开模具取出塑件和浇注系统凝料的可分离的接触表面。
一副模具根据需要可能有一个或两个以上的分型面,分型面可以是垂直于合模方向,也可以与合模方向平行或倾斜,我们在这里选用与合模方向垂直的分型面。
1、分型面的形式:分型面的形式与塑件几何形状、脱模方法、模具类型及排气条件、浇口形式等有关,我们常见的形式有如下五种:水平分型面、垂直分型面、斜分型面、阶梯分型面、曲线分型面。
2、分型面的选择原则:a)、便于塑件脱模:1、在开模时尽量使塑件留在动模内2、应有利于侧面分型和抽芯3、应合理安排塑件在型腔中的方位;b)、考虑和保证塑件的外观不遭损坏c)、尽力保证塑件尺寸的精度要求(如同心度等)d)、有利于排气e)、尽量使模具加工方便3、我们确定的分型面经过仔细的审核和逐步的推敲,我们最终把分型面确定在了这里因为在此,它不会影响到制件表面的质量,也不会影响到塑件的脱模,而且成型零件便于加工,可以节约制造成本。
浇注系统的设计1、浇注系统的组成所谓注塑模的浇注系统是指从主流道的始端到型腔之间的熔体流动通道。
其作用是使塑件熔体平稳而有序地充填到型腔中,以获得组织致密、外形轮廓清晰的塑件。
因此,浇注系统十分重要。
而浇注系统一般可分为普通浇注系统和无流道浇注系统两类。
我们在这里选用普通浇注系统,它一般是由主流道、分流道、浇口和冷料穴四部分组成,如图四所示:图四2、浇注系统各部分的设计A、主流道设计:主流道是连接注射机喷嘴与分流道的一段通道,通常和注射机喷嘴在同一轴线上,断面为圆形,带有一定的锥度,其主要设计点为:⑴主流道圆锥角α=2o~6o,对流动性差的塑件可取3 o~8o,内壁粗糙度为Ra0.63μm 。
⑵主流道大端呈圆角过渡,半径r=1~3mm ,以减小料流转向过渡时的阻力。
⑶在模具结构允许的情况下,主流道应尽可能短,一般小于60mm ,过长则会影响熔体的顺利充型。
⑷对小型模具可将主流道衬套与定位圈设计成整体式。
分型面的选择原则有哪些
1) 分型面选择的总体原则
分型面的选取不仅关系到塑件的成型和脱模,而且涉及模具结构和制造成本,因此,必须重视选择分型面。
一般来说,分型面选择的总体原则主要有三:
1)保证塑件质量。
这是最基本的一条,必须使塑件质量符合预定要求。
2)便于塑件脱模。
易于脱模,可使生产率提高,塑件不易变形,提高正品率。
3)简化模具结构。
同样一个塑件,因为分型面选择的不同,使结构的复杂程度有很大不同,合理地选择,即可简化模具结构。
(2) 怎样选择分型面
型腔与模具的关系基本上可分三类:型腔完全处于动模中;型腔完全处于定模中;型腔分别处于动、定模中。
由于塑件的形状繁多,分型面选择的变化也很多,为了使大家对分型面的选择有个基本了解,下面介绍一些典型分型面的选择。
1)长型构件的分型,如图1所示。
若塑件的长度较长,如管形、柱形、杆形塑件,如把型腔放在一块模板中,会使脱模斜度过大(图a),若把型腔分别安排在动、定模中(图b),可减小脱模斜度,使塑件两端的尺寸差异不致过大。
图1- 长型构件的分型
a)脱模斜度过大的分型 b)减小脱模斜度的分型
2)将塑件留在动模侧的分型,如图2所示。
将塑件留在动模侧,可易于设置和制造结构简单的脱模机构。
因此,要尽量将塑件留在动模侧。
如对盖形塑件,分型面按图a的选取较为合理;如对带嵌件塑件,因嵌件不会收縮而包紧型芯,分型面可按图b选取;若塑件的型芯对称分布,应按图。
分型,迫使塑件留在动模上;若是带有侧孔的塑件,应按图d分型,避免定模抽芯。
图2- 将塑件留在动模侧的分型
a)盖形塑件 b)带嵌件塑件 c)型芯对称塑件 d)有侧孔塑件
3)保证塑件外观质量的分型,如图3所示。
塑件的外观质量是需要保证的,在选择分型面时认真考虑,如在平滑的表面或圆弧曲面上应尽量不设置分型面.图a是保持曲面光滑的分型,图b是可减少飞边的分型,图c是可减少溢料的分型。
图3- 保证塑件外观质量的分型
a)使曲面光滑的分型 b)减少飞边的分型 c)减少溢料的分型
4)有利于排气的分型,如图4所示。
在注塑模中常把分型面用作排气通道,为了排气的顺畅,应将分型面设在熔体流料的末端,注意在其末端不应有所阻挡。
图b, d的结构就比图a、c合理。
图4- 有利于排气的分型
5)保证同轴度的分型,如图5所示。
很多塑件都有同轴度要求,在模具设计中应当保证这个要求,一般应使塑件中有同轴度要求的部分设计在同一动模板内,以满足精度要求。
图a可满足同轴度要求,而图b合模不准确,难以满足同轴度要求。
图5- 保证同轴度的分型
a)保证同轴度的分型 b)难保证同轴度的分型
1一动模 2—定模
6)有侧孔时的分型,如图6所示。
选择分型面时,应尽量避免采用侧向抽芯或分型,如必须时,可参考下述原则,图a将侧型芯设在动模上,便于抽芯,而若设在定模上,则抽芯较难;图c是将抽芯距离长的放在开模方向,而将抽芯距离小的放在侧向,较为合理,而若按图d分型,则给脱模带来困难。
图6- 有侧孔时的分型
1—动模 2—定模
7)保证精度的分型,如图7所示。
在塑件上有的表面精度要求较高,如螺纹面、配合面等,此时分型面不能通过这些表面,否则会影响塑件的精度,甚至难以使用。
如图3的分型保证了螺纹的精度,图b的分型通过螺纹轴心,就不能保证螺纹精度;图c的分型保证了圆形表面的完整、光滑,而d在其周边会有一道明显的合缝线,影响外观和使用。
图7- 保证精度的分型
a)保证螺纹精度的分型 b)不能保证螺纹精度的分型
c)保证塑件外观光滑的分型 d)不能保证塑件外观光滑的分型
8)要求壁厚均匀的薄壁塑件的分型,如图8所示。
要使壁厚均匀,不采用通常的平面来作分型面,如图b而是采取图a所示的锥形阶梯分型面。
图8- 要求壁厚均匀的薄壁塑件的分型
a)锥形阶梯分型面 b)平面分型面
分型面的选择比较复杂,涉及的因素很多,上述的种种介绍,可作为分型选择时的重要参考,在实际操作中,往往要根据具体情况,灵活地进行选择。