出口退运货物追溯调查情况说明表 (空表格)
- 格式:doc
- 大小:389.84 KB
- 文档页数:3
国家质量监督检验检疫总局关于印发《出口工业产品退运货物追溯调查管理工作规范》的通知文章属性•【制定机关】国家质量监督检验检疫总局(已撤销)•【公布日期】2012.05.31•【文号】国质检检函[2012]269号•【施行日期】2012.06.10•【效力等级】部门规范性文件•【时效性】现行有效•【主题分类】通关,税收征管正文国家质量监督检验检疫总局关于印发《出口工业产品退运货物追溯调查管理工作规范》的通知(国质检检函[2012]269号2012年5月31日)各直属检验检疫局:出口工业产品退运货物追溯调查管理工作(以下称“退运调查工作”)是检验监管工作的重要组成部分。
近年来,国际经济秩序、贸易形势、我对外贸易发展及检验监管工作等情况都发生了重大变化,给退运调查工作提出来新的要求。
为做好新形势下的出口退运调查工作,提高检验监管工作有效性,总局组织对2006年印发的《出口工业产品退运货物追溯调查管理工作规范(试行)》(国质检检函[2006]603号)进行了修订,现印发你们。
新工作规范于2012年6月10日起开始执行,原工作规范同时废止。
各局在执行过程中应注意加强宣传培训,遇到问题请与总局检验司联系。
特此通知。
附件:出口工业产品退运货物追溯调查管理工作规范第一章总则第一条为加强对出口工业产品退运货物(以下简称:出口退运货物)追溯调查管理工作,及时掌握出口退运货物的质量动态,强化对出口工业产品的风险预警措施,并加强对出口生产企业的后续监督管理力度,进一步提高检验检疫工作质量和依法把关水平,根据《中华人民共和国进出口商品检验法》及其实施条例,制定本规范。
第二条本规范适用于检验检疫机构对由中华人民共和国境内工业产品生产企业生产出口并被境外官方或相关贸易人退回的产品开展信息收集、原因调查、风险研判、信息处置,以及对出口退运货物的责任认定及责任追究等相关追溯调查管理工作。
本规范的调查范围应包括未列入《出入境检验检疫机构实施检验检疫的进出境商品目录》(以下简称:《目录》)的出口退运货物,但不适用于出口食品、化妆品和动植物产品等退运货物的追溯调查管理工作。
出口退税自查表一、申请人基本信息:
姓名:
身份证号码:
联系电话:
电子邮箱:
二、企业信息:
企业名称:
注册地址:
统一社会信用代码:
法定代表人:
联系电话:
主营业务:
三、出口业务信息:
1. 出口产品信息:
产品名称:
统一商品编码:
出口数量:
出口货值:
2. 出口目的地信息:
目的地国家/地区:
出口运输方式:
出口口岸/机场:
3. 出口合同信息:
合同编号:
合同签订日期:
合同货款:
合同货币:
四、退税申请信息:
1. 退税方式:
(请在以下选项中选择一种)- 现金退税:
- 转账退税:
2. 退税账户信息:
账户名称:
开户银行:
银行账号:
开户地址:
3. 退税申请材料清单:
(请在以下列出的材料中勾选已准备好的材料)
- 出口货物清单
- 海关出口单证
- 退税申请表
- 营业执照副本
- 税务登记证副本
- 出口合同
- 发票(出口货物发票、进口货物发票)
- 资金流向证明文件(如银行流水、汇款凭证等)
五、自查声明:
我以上所填写的信息真实、准确,不存在虚假陈述或遗漏情况。
如有不实,愿承担相关法律责任。
申请人签名:
日期:。
出口退税自查表申请人姓名:_______________________申请日期:_________________________申请单号:_________________________请申请人根据以下表格内容,在每个问题后方选择适用的选项或填写具体信息。
请确保填写的信息准确完整,以确保退税申请的顺利进行。
1. 出口商品信息:商品名称:_________________________商品编号:_________________________出口数量:_________________________出口单价:_________________________货币种类:_________________________2. 出口国家信息:目的国家/地区:_____________________出口日期:_________________________运输方式:_________________________3. 退税信息:退税方式:_________________________退税账号:_________________________退税银行:_________________________退税金额:_________________________4. 退税凭证:退税凭证类型:______________________退税凭证编号:______________________5. 退税申请人信息:申请人姓名:_______________________身份证/护照号码:___________________联系方式:_________________________邮寄地址:_________________________注意事项:- 请在每个问题后的空白处填写相关信息,如适用。
- 如有多个出口商品,请在答题区域附带说明。
- 在填写退税凭证编号时,请务必仔细核对凭证信息,确保准确性。
出口货物退运已办结税务证明申请表(共五则)第一篇:出口货物退运已办结税务证明申请表出口货物退运已办结税务证明申请表海关名称:No.金额单位:元本表一式两份,一份企业留存,一份报主管退税机关。
一张报关单有多笔数据的,按笔开具多份填表说明:原报关单号:退运货物原出口报关单号码报关日期:报关单出口日期核销单号:核销单号码出口发票号:出口发票号码商品代码:标准商品代码商品名称:名称可为商品码库中的商品出口数量:原报关单出口数量出口美元离岸价:原报关单出口美元离岸价外汇人民币牌价:原财务上做销售所用的外汇人民币牌价。
计税金额:外贸企业填写原出口货物进项金额,实行免抵退税的出口企业不填。
已退税额—增值税:外贸企业填原出口货物已退增值税已退税额—消费税:外贸企业填原出口货物已退消费税退货数量:本次退货数量退货计税金额:外贸企业填写原出口货物进项金额×本次退货数量/出口数量应调整免抵退税额:生产企业填出口美元离岸价×外汇人民币牌价×出口货物退税率×本次退货数量/出口数量应退回已退税款—增值税:外贸企业填写退货计税金额×原退税率×本次退货数量/出口数量应退回已退税款—消费税:原已退消费税×本次退货数量/出口数量缴款书号码:补缴税款入库缴款书号码入库日期:补缴税款入库时间第二篇:退运已办结税务证明退运已办结税务证明生产企业在出口货物报关离境、因故发生退运、且海关已签发出口货物报关单(出口退税专用)的,须凭主管税务机关退税部门申请出具的《出口货物退运已办结税务证明》(根据出口退税管理系统生成),向海关申请办理退运手续。
推荐阅读:帐簿凭证管理出口货物退运已办结税务证明生产企业在出口货物报关离境、因故发生退运、且海关已签发出口货物报关单(出口退税专用)的,须凭主管税务机关退税部门申请出具的《出口货物退运已办结税务证明》(根据出口退税管理系统生成),向海关申请办理退运手续。
关于出口工业产品退运追溯调查工作有关问题的公告国家质量监督检验检疫总局2012年第82号公告为进一步提高出口工业产品的质量安全水平,维护我国产品声誉,促进对外贸易健康发展,根据《中华人民共和国进出口商品检验法》及其实施条例有关规定,出入境检验检疫机构对商品出口退运原因进行追溯调查。
自2012年6月10日起对有关要求进行调整。
现公告如下:一、本公告所称出口工业产品退运追溯调查指出入境检验检疫机构对由中华人民共和国境内工业产品生产企业生产出口并被境外官方或相关贸易人退回的产品开展信息收集、原因调查、风险研判、信息处置。
出口食品、化妆品和动植物产品退运追溯调查管理规定另行制定。
二、对进境报检/申报时贸易方式为“退运货物”或“进料成品退换”的,申请人应提供进口货物报关单或海关备案清单,同时提供原出口货物报关单或海关备案清单及其他相关材料,并如实填报《出口退运货物情况登记表》(以下简称:《登记表》,见附件)。
口岸出入境检验检疫机构在审核《登记表》及所需单证是否完整后予以办理通关放行手续。
对确属需实施出口退运追溯调查的,出入境检验检疫机构将根据实际情况分别实施现场调查、书面调查和备案调查。
特此公告。
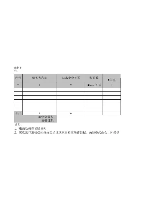
附件:出口退运货物情况登记表二〇一二年五二十九日附件:出口退运货物情况登记表拟流向调查检验检疫机构:受理登记检验检疫机构:受理人:日期:年月日备注:1、递交本表时请提供出口退运货物出口时的报关单复印件及相关单证,出口法检商品请提供出口时的通关单复印件。
2、出口退运货物涉及多家生产企业的请分单填报登记。
兹声明以上申报信息无讹并承担法律责任经营单位(公章)报检/申报单位(公章)报检员(签字/章):申/报检日期:年月日。
关于协查出口货物税收有关情况调查报告——深圳市XXX有限公司复函截止日期:年月日根据编号为号的出口协查函,工作人员于年月日对深圳市XXX有限公司(纳税人识别号:XXX)进行了实地调查,调查情况如下。
一、企业基本情况深圳市XXX有限公司,生产/商贸企业,开业设立日期XXX,登记日期XXX,一般纳税人认定时间XXX,法人代表为XXX,主要经营:XXX。
生产经营地址为XXX,厂房面积平方米XXX ㎡,租金为XXX元/月,水电费每月约XXX元,从业工人XXX 人。
函调年度累计销售额XXX元,已纳税XXX元。
二、核查情况此次函件涉及调查发票共计XXX份,发票代码:XXX,发票号码:XXX,发票货物名称:XXX,数量总计为XXXKG,计税金额为XXX元,税额XXX元,价税合计XXX元。
该发票为深圳市XXX有限公司分别于XXX年XXX月XXX日开具给XXX 有限公司,发票记账联与抵扣联一致。
1.原材料购进基本情况(注:要写清楚货物流、资金流、发票流,包括合同签订时间、合同编号、发货时间、入库时间及数量、单位;包括支付方银行、银行帐号,收款方银行及帐号,以及支付或收款时间;运输时间、送货地址、送货单号) 根据企业账务资料,深圳市XXX有限公司向XXX有限公司有限公司购买货物XXX,签订合同时间XXX年XXX月XXX日,合同编号:XXX,数量XXXKG,分别于XXX年XXX月XXX日支付货款XXX元(收款银行:XXX,收款帐号为:XXX;支付银行:XXX,支付帐号为:XXX);运输方式:XXX,送货时间:XX年XX月XX日,货物名称及数量:XXX,交货地址为XXX,运费由XXX承担(运输人:XXX,身份证号:XXX,手机号:XXX,车牌号:XXX)(运输情况必须表述清晰,哪方负责运输,运输人是公司员工或外请司机或物流公司,车辆是公司车辆或外请车辆或物流公司运输,如物流运输必须提供对应物流单据)。
货物分别于XXX年XX月XX日入库,送货单号为:XXX,入库单号为:XXX;交易过程详见企业情况说明。
《外贸企业出口业务自查表》的填表说明附件4填表说明《外贸企业出口业务自查表》的填表说明一、“企业登记注册类型”栏按出口退税认定时填报项目填写,如国有企业、集体企业、私营企业或外商投资企业等。
二、外贸企业的出口业务如非本公司业务员联系,而是通过中间人介绍的,无论是否在出口业务中收取佣金或劳务费,是否参与整个业务的谈判与操作过程,均应将中间人情况填写“出口业务如属中间人介绍”栏内容。
三、“报关单位”栏中填写向海关申报报关的单位名称。
四、“价格成交方式”栏中填写FOB、CIF等。
五、如果出口商品以离岸价(FOB)定价,运输和保险事宜非本公司负责,“报关、运输、保险情况”项下的“运输单位”、“运费币别及金额”、“保险公司名称”、“保险合同号”、“保险币别及金额”等有关栏目可不填写,但需说明情况。
六、《国内采购商品情况明细表》(附表1)有关项目(一)附表1按照增值税专用发票分别填报。
(二)“付款及收款人情况”中“货款及税款支付方式”栏填写银行转账支付、现金支付等。
(三)以银行转账方式支付的,填写“付款及收款人情况”中的“收款人开户银行”、“收款人银行账号”栏;将货款及税款打入收款人银行卡的,填写“收款人银行卡开户银行”、“收款人银行卡号”栏。
(四)如果出口商品的国内采购环节的运输等事宜是非本公司负责的,可不填写“采购商品的国内运输情况”项下的“运输单位”、“运输单位纳税人识别号”、“运费发票号”、“商品在国内的运费”、“商品运输单据名称及号码”等有关栏目,但需说明情况。
“运达地址”、“商品接收签字人”及“接收人所属单位”必须填写。
“运达地址”应填写具体地点,不能只填写城市名称。
七、《委托加工商品情况调查明细表》(附表2)有关项目(一)主要原材料指,委托加工商品所耗用金额最大的原材料。
(二)其他项目填写参见附表1有关项目。
八、对于确无法填写的项目,企业应说明情况。
《生产企业出口业务自查表》的填表说明一、“企业登记注册类型”栏按出口退税认定时填报项目填写,如国有企业、集体企业、私营企业或外商投资企业等。
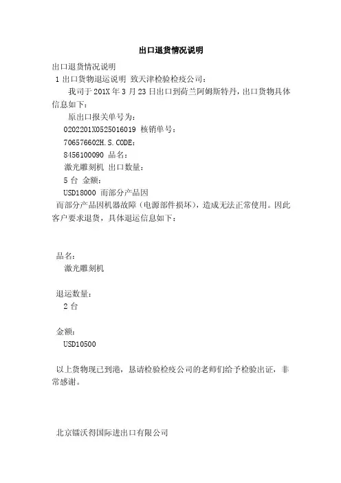
出口退货情况说明出口退货情况说明1出口货物退运说明致天津检验检疫公司:我司于201X年3月23日出口到荷兰阿姆斯特丹,出口货物具体信息如下:原出口报关单号为:0202201X0525016019 核销单号:706576602H.S.CODE:8456100090 品名:激光雕刻机出口数量:5台金额:USD18000 而部分产品因而部分产品因机器故障(电源部件损坏),造成无法正常使用。
因此客户要求退货,具体退运信息如下:品名:激光雕刻机退运数量:2台金额:USD10500以上货物现已到港,恳请检验检疫公司的老师们给予检验出证,非常感谢。
北京镭沃得国际进出口有限公司201X年6月29日2出口退运情况说明某某海关:我公司于**年**月**日出口至**国家什么产品,数量**,规格**,体积**,报关单号:**,因产品********(具体问题描述,一定是要产品质量问题),导致产品不能正常使用,未达到客户要求,经双方协商退货,退货数量:**。
现在货已经到**港口,进口提单号码:**,船名:**,航次:**。
我司保证此批退运产品是由中国制作的,特此声明。
*******有限公司****年**月**日(盖公章)3出口退货说明致上海浦东国际机场海关:我司系----有限公司,经我司检验鉴定后确定有14个产品品质不良,经与供应商协商,双方一致同意做退运处理。
现经UPS货物运至上海浦东国际机场海关并于201X年9月20日到港。
总运单号:40615429282(A),分运单号:1Z0176976749333315,共5件,毛重50.80公斤。
中文品名:通讯设备配件请贵关予以批准,由此给贵关在平日工作中带来的不便,我司深表歉意。
以上内容均属实,若有不符,我司愿承担相应的法律责任。
特此说明!收入证明范本个人收入证明范本兴业银行上海分行:兹证明_____________________为本单位职工,婚姻状况____________收入证明怎么写收入证明范本______________系我单位员工,任职__。
1、目的为加强对出口工业产品退运货物(以下简称出口退运货物)追溯调查管理的工作,及时掌握出口退运货物情况,加强检验监管理工作,加大对出口企业管理的力度,进一步提高检验检疫工作质量和依法把关水平以及工作有效性,制定本规范。
2、适用范围适用于出口退运货物的追溯调查管理及相关工作.3、定义本规范所称的追溯调查管理是指对出口退运货物的信息收集、原因调查、报送反馈,以及对出口退运货物的责任认定及责任追究。
4、职责4.1国家质检总局负责出口退运货物追溯调查的监督管理工作。
4.2各口岸直属检验检疫局负责出口退运货物信息的收集、传递和上报工作。
4。
3各直属检验检疫机构负责本辖区出口退运货物信息的原因调查、责任认定及责任追究、分析评估和结果上报工作。
5、出口退运货物信息收集5。
1 出口退运货物相关信息通过以下途径收集:5。
1.1.进境集装箱申报和进境货物木质包装报检时提供的有关单证;5。
1。
2进境承运工具检疫申报时提供的有关资料;5。
1.3相关口岸部门提供的信息;5。
1.4国家质检总局的有关信息;5。
1。
5投诉举报信息;5。
1.6其他途径。
5。
2 通过进境集装箱申报和进境货物木质包装报检提供的有关单证收集时,入境口岸检验检疫机构应要求申请人在集装箱申报或木质包装报检时除按规定提供必要的单证外,还应提供进口货物报关单,经审查属于出口退运物质的,应留存出口报关单复印件及其他相关资料,并填写出口退运货物情况调查表。
5。
3对进境大宗散货、快邮货物及自陆路、空港口岸进境的货物,入境口岸检验检疫机构应要求申请人在进境承运工具检疫申报时除按规定提供必要的单证外,还应提供进口货物报关单,经审查属于出口退运货物的,应留存出口报关单复印件及其他相关资料,并填写出口退运货物情况调查表。
6、出口退运货物追溯调查6.1 出口退运货物原因调查。
根据收集的出口退运货物信息,各直属检验检疫局对属于本辖区内出口的法定检验检疫货物退运的,应该及时进行退货调查,分析原因。