如何绘制化学实验装置图(课堂PPT)
- 格式:ppt
- 大小:832.50 KB
- 文档页数:10
四步画出规范的化学实验仪器装置图2009-04-28 23:25绘制规范美观的实验装置图是化学实验基本功之一。
在实验教学、实验报告和论文撰写中对有关仪器、实验装置和操作进行叙述时,若能引入一幅清晰的示意图,不仅能大大减少文字的叙述,而且直观体,一目了然。
绘制实验仪器和装置图需要一定的技巧。
笔者通过多年的教学实践,摸索、总结出一种易于掌握、方便有效的新画法,使得所绘图形位置适宜、画面整洁、线条清晰、比例合理、形状逼真、美观大方。
化学实验仪器和装置图是用来表示仪器的形象、装配、组合形式和实验操作方法的。
大部分玻璃仪器的造型都是由简单的几何形状所组成,且大都具有轴对称性,画图时抓住构成仪器的这些不同的几何形体、相互位置及相互大小,就可在一个规定的地方绘出图形,下面分别介绍简单仪器、复杂仪器的绘制方法和步骤。
一.简单仪器的画法化学实验中常用的简单玻璃仪器有烧杯、烧瓶、漏斗、锥形瓶、试剂瓶和容量瓶等,这些仪器都由简单的几何体构成。
如烧杯是由空心圆柱体组成,烧瓶是由空心圆柱体和空心球体组成,漏斗和锥形瓶是由空心圆柱体和空心圆锥体组成。
画图时只要在规定的作图区域画一圆,借助这个圆就可确定所绘仪器大小、形状及比例。
现以烧杯、试剂瓶画法为例介绍作图步骤。
其它简单仪器的画法可效仿。
图一烧杯画法第一步:画一圆心为o的圆,确定所画图形的大小和形状,六等分圆周得a、b、c、d各点,图一(1)。
第二步:用直线连接ab、ac、cd和bd,在圆内得一长方形,图一(2)。
第三步:借助圆弧画烧杯口及烧杯底部圆角,图一(3)。
第四步:擦去作图线等多余图线描深轮廓线即得,图一(4)。
图二试剂瓶的画法二.复杂仪器的画法分液漏斗、酒精灯、启普发生器等仪器结构相对较复杂画图时,先根据仪器外形的高度和宽度,分析它们几何形体的组成部分,估计各部分的大小比例。
如启普发生船是由球形漏斗、容器和导气管三部分组成,球形漏斗的几何形状基本上是由空心球体和空心圆柱体组成,容器部分是由空心球体和半空心球体组成,球形漏斗的空心球体部分占整个仪器高度的三分之一,而容器部分的球体和半球体也分别是总高度的三分之一,启普发生器的高度与宽度之比大约为三比一。
制作《初中化学组合实验装置拼图》课件初中化学组合实验装置连接比较复杂多变,学生在理解实验装置在某一实验中的连接顺序后,还必须经常练习得以巩固。
普通的实验题练习比较枯燥乏味,为了增强其趣味性,笔者将它设计制作成一个交互式多媒体课件,寓教于乐,以促进教学目标的实现。
1 设计思路将初中化学常用实验装置的各组成部分分别制作成图片文件,再利用多媒体制作工具Authorware制作成交互式多媒体课件。
课件使用时,操作者(学生)只需用鼠标拖动图片就能拼接出初中化学常用组合实验装置图,并由计算机判断拼接的正误,及时反馈。
遇到疑难问题时,点击相关按钮可及时得到提示信息,将鼠标指向某个装置图还可显示该装置的介绍资料。
图片拼接主要以Authorware的目标区交互来实现,每个拼接练习项目分别放在不同的群组图标内,再用框架图标将它们组织起来,通过按钮和下拉菜单实现随意跳转。
2 素材准备(1)用画图工具软件,将初中化学实验常用装置的各组成部分分别绘制成图片。
为了便于拼接,每幅图片长宽比例应大致相等,图片中装置的导管位置处于同一高度。
绘制完成后,可统一处理,使尺寸一致,并在图片右上角分别用文字工具加上“A、B、C、D、……”等代号。
最后将每幅图片分别保存为bmp或jpg格式文件备用。
(2)录制几段相关操作的解说词和操作正确后的鼓励话语,保存为声音文件,再准备一段活泼的视频动画(GIF 格式文件)备用。
解说词用来提示操作者如何操作,鼓励语和动画作为拼图正确后的奖励。
3 程序制作3.1 创建文件并进行初始化设置运行Authorware,执行“文件/新建/文件”,新建一个文件,再执行“修改/文件/属性”,在文件属性对话框中将“大小”设置为“根据变量”,将“背景颜色”设置成较深的颜色,在“选项”栏选择“演示居中屏幕”和“显示菜单栏”。
再将文件保存为“化学实验装置拼图”。
拖入一个计算图标到主流程线上,命名为“窗口尺寸”,双击打开图标输入“ResizeWindow(800,600)”。
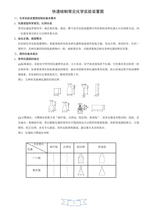
快速绘制常见化学实验装置图一、化学实验装置图绘制的基本要求1.仪器造型科学规范,比例合适常用仪器造型要科学,画法要形象、规范。
整个化学实验装置图中所绘制的各种仪器大小比例要合适,同一仪器各部分的大小比例亦要合适。
2.组合正确,画面整洁在绘制化学实验装置图时,要能体现所有的各种仪器和连接部件组装正确,布局合理,使用科学。
在同一图形中,各种仪器的绘制线条粗细应一致,画面要洁净,并能清楚地反映出各种仪器的特征形象。
二、图形的基本画法1.常用仪器图的画法(1)标准画法。
实验室中所用的仪器种类众多,大小各异,但平面直视每单个仪器,它们都具有比较统一的比例形体。
如果要获得比较标准满意的图形,就必须掌握各种仪器的体形比例,防止绘画过程中的高矮胖瘦现象。
在绘制时往往要借助直尺、圆规等绘图工具。
图1几种常见玻璃仪器的绘制比例(2)习惯画法。
习惯画法的要点是“画中线、点两边、校比例、再连线”。
很多仪器是对称结构,因此,首先画出一条辅助中线,然后根据仪器的体形在中线的两边点出图形的隐视轮廓,再轻笔连接轮廓点,正视图形,校正比例,直至令人满意,再用实线修饰描成,最后擦去多余的部分。
图2仪器的习惯画法举例方法要点画中线点两边校比例再连线仪器广口瓶锥形瓶(3)简笔画法。
简笔画法的要点是“直线画、曲线点、成草图、描实线”。
即把正视仪器的直线部分直接画出,曲线部分用点“点”的方法画出,轻笔勾画出图形的草图后再用实线修饰描成,最后擦去多余的部分。
图3仪器的简笔画法举例方法要点直线画曲线点成草图描实线仪器圆底烧瓶分液漏斗2许多实验都是由多种仪器组装串连而成的,这类图形较单仪器绘制难度大,但只要掌握了绘制方法程序,画起来还是得心应手的。
实验装置图绘制的方法程序是“一定位置二绘图,三画连接四修补”。
(1)整体图形的布局。
在画图之前,必须对实验装置实物造型心中有数,绘制时,以水平线为基准,画出确定上下左右仪器位置的辅助线。
仪器位置直接影响着图形的美观,各仪器离得太远,图形显得松散,离得太近又显得拥挤,所以定位置是绘制的关键。
化学实验仪器和装置图的画法绘制化学实验仪器装置图是中师化学实验教学的一个重要内容,是中师生应该具备的基本技能之一。
在中师教学中,板书和仪器装置图的绘制往往不被重视。
笔者就如何绘制化学实验装置图这一问题谈点粗浅的看法。
一、绘制仪器装置图应该达到的标准和基本要求化学实验仪器图,不论是单件实验仪器图,还是整套实验仪器装置图,均应做到:1.仪器规范,图形正确。
仪器规范是指要显示出仪器的特征。
图形正确是指:仪器的放置,各件仪器的连接和布局,单件仪器间的距离等都应确切无误。
2.示意合理、线条清晰。
示意合理指:反应器皿中各种物质的量多少等要合乎情理、恰当。
线条清晰指:线条要平直、清晰、粗细均匀,实线和虚线的使用要恰当。
3.布局合理,图形完整。
即一幅实验装置图应表明化学原理、反应条件,同时整个画面要显得端正、平稳、不能歪斜。
4.比例适当,画法统一。
比例适当要求单件仪器各部分和整套装置中各单件仪器大小要协调适当、符合比例。
画法统一要求同一个装置图的画面里不能出现两种或以上的投影画法。
5.画面整洁、没有污痕。
即整套装置图要整齐、清洁、美观清爽。
二、化学实验仪器的形状特征化学实验仪器的造型多是由简单的几何图形组成的,而且大都是轴对称的“旋转体”如试管由空心圆柱和空心半球体组成;圆底烧瓶、平底烧瓶、干燥管、蒸馏烧瓶和三口烧瓶等由空心圆柱和空心球体组成;漏斗、锥形瓶等由空心圆柱体和空心圆锥体组成的。
三、单件仪器的绘制方法和步骤绘制单件仪器的方法和步骤是根据其几何特征,先用虚线确定其对称轴和轮廓,画法上一般采用正视图。
具体来说,应掌握以下技巧。
1.先轮廓后细部。
如画圆底烧瓶,应先用虚线画一个高宽比例为2∶1的长方框,并且虚线确定其对称轴,然后用实线在对称轴两侧各画一条直线,其长度是长方框的一半,作为烧瓶的瓶颈,最后画出球体,步骤如下图所示:2.先左后右,如画集气瓶,先画一条竖直方向的虚直线,作为对称轴,用实线在对称轴的左侧画两条长分别为1个单位和3.5个单位(与整个瓶高相比较)的直线,分别作为瓶颈和瓶身,步骤如下图所示:3.先竖后平,如画烧杯,同样先用虚线在竖直方向确定对称轴,在对称轴的两侧对称的画两条直线,然后信次画出烧杯的底和上沿。
怎样绘制仪器和装置简图?
化学实验仪器和装置简图,是用以表达仪器的形象、装配、组合形式的。
通过绘图可以引导学生注意观察实物,抓住仪器结构上的共性和特性,逐步树立起几何形体的观念。
化学实验的仪器大都是呈轴对称的,可以用几何平面图表示它们的形状。
大多数玻璃仪器的造型是由简单的几何形体所组成。
例如,烧杯是由空心圆柱体组成;试管由空心圆柱体和空心半球体所组成;圆底烧瓶是由空心圆柱体和空心球体所组成。
画图时,抓住构成这些形体的主要点和线,按照先画左、次画右、再封底、后封口的顺序,就可以画出它们的图形。
下图表示几种常用仪器的分步画法:
实验装置图实际上是化学仪器的组合图形,既要表示出仪器的外形,还要表示出它们所处的位置和作用。
首先要观察仪器外形和高度估计出各部分的大体比例,选择出仪器的主体部分并确定出轮廓外形,然后勾出图形大体草样,先画出主体,再画配件。
要求做到形状正确、线条分明、画面整洁、比例适当、示意合理。
例如实验室制氧气的装置图,可先画连接着的大试管、导气管和集气瓶,然后再分步完成下图所示的编号顺序。
1、过滤一贴二低三靠。
仪器:普通漏斗、烧杯、玻璃棒、铁架台(带铁圈)2、蒸发仪器:蒸发皿、铁架台、玻璃棒、坩埚钳、酒精灯操作要领:(1)蒸发皿中液体的量不得超过容积的2/3.(2)蒸发过程中必须用玻璃棒不断搅拌,以防止局部温度过高而使液体飞溅。
(3)当加热至(大量)固体出现时,应停止加热利用余热蒸干。
(4)不能把热的蒸发皿直接放在实验台上,应垫上石棉网。
(5)坩埚钳用于夹持蒸发皿。
3、蒸馏仪器:蒸馏烧瓶,温度计,冷凝管,牛角管,酒精灯,石棉网,铁架台,锥形瓶,橡胶塞操作要领:(1)在蒸馏烧瓶中放少量碎瓷片,防止液体暴沸。
(2)温度计水银球的位置应与支管口下端位于同一水平线上。
(3)蒸馏烧瓶中所盛放液体不能超过其容积的2/3,也不能少于1/3。
(4)冷凝管中冷却水从下口进,上口出。
4、分液和萃取仪器:分液漏斗、铁架台、烧杯操作要领:液体分层后,将分液漏斗上的玻璃塞打开(或使塞上的凹槽对准漏斗上的小孔),再将分液漏斗下面的活塞拧开,使下层液体沿烧杯壁流下。
上层液体从分液漏斗上口倒出。
5、一定物质的量浓度溶液的配制仪器:托盘天平、××mL容量瓶、量筒、药匙、烧杯、玻璃棒、胶头滴管容量瓶检漏:向容量瓶内加入多量的水后倒置容量瓶,并观察容量瓶口处是否漏出液体。
若不漏,将瓶塞旋转1800,再按刚才操作检查是否漏出液体。
若不漏,则容量瓶的瓶塞与瓶口的密封性合格。
用NaOH固体配制250mL1.0mol/LNaOH溶液为例⑴计算:所需NaOH的质量为:1.0 mol/L×0.25 L×40 g/mol=10.0 g⑵称量:用托盘天平在烧杯中迅速称量10.0 g NaOH固体⑶溶解:取适量蒸馏水注入烧杯中,并用玻璃棒不断搅拌使之完全溶解,冷却至室温⑷转移:用玻璃棒引流将烧杯中溶液转移入250mL容量瓶⑸洗涤:用蒸馏水洗涤烧杯、玻璃棒2~3次,将洗涤溶液一并转移入容量瓶⑹定容:继续加蒸馏水至离刻度线2~3 cm时,改用胶头滴管滴加到凹液面最低处与刻度线相切⑺塞紧瓶塞,摇匀,装瓶,贴好标签。