岗位评估表(定制因素计分法)
- 格式:doc
- 大小:185.50 KB
- 文档页数:7
幼儿园各职位绩效评估表背景幼儿园作为教育机构,需要评估各职位员工的绩效,以保证教学和管理工作的质量。
本绩效评估表旨在对幼儿园各职位员工的工作表现进行客观评价,以便对员工进行激励和职业发展规划。
评估指标评估指标应包括以下几个方面:1. 工作目标达成情况:评估员工是否能够完成工作目标,并根据完成情况进行评分。
2. 专业知识与技能:评估员工在所属职位所需的专业知识和技能方面的表现。
3. 教学质量:评估教师在教学过程中的能力和表现,包括教学准备、教学方法、教育效果等方面。
4. 管理能力:评估管理人员在组织、协调、监督等方面的能力和表现。
5. 团队合作:评估员工在团队中的合作能力和贡献程度。
评分等级为了更好地体现员工的绩效表现,我们设定了如下评分等级:1. 优秀:员工在各项评估指标上表现出色,工作目标达成情况达到甚至超过预期。
2. 良好:员工在大多数评估指标上表现良好,工作目标达成情况基本达到预期。
3. 合格:员工在评估指标上表现一般,工作目标达成情况达到预期。
4. 不合格:员工在多数评估指标上表现低于预期或未能达成工作目标。
5. 待提升:员工的表现较差,需要进一步提升才能达到基本要求。
使用方法1. 评估应由直接上级对下属进行,上级应根据工作表现和工作目标达成情况进行评分。
2. 在评分时应尽量客观公正,避免主观偏见对评分结果产生影响。
3. 评估结果应及时反馈给员工,并与员工进行沟通,以便制定激励和职业发展计划。
管理措施为了确保评估的公正性和准确性,应采取以下管理措施:1. 建立评估制度:制定明确的评估标准和程序,确保评估的一致性和可靠性。
2. 培训评估人员:对直接上级进行培训,使其了解评估流程和标准,提高评估的质量。
3. 多角度评估:除直接上级评估外,可以引入同事评估和学生家长评估等多种方式,以综合考虑员工的表现。
通过以上绩效评估表,我们可以客观地评价幼儿园各职位员工的绩效,并为员工的激励和职业发展提供有效的依据。
关于薪酬管理体系建设工作的汇报一、薪酬管理原则:1、竞争性原则:整体收入水平位居市场行情中上游水平,具有较强的外部竞争力。
2、公平性原则:制定严密的薪资区分标准,并形成规范制度,避免人为因素主导薪资区分。
3、激励性原则:依据岗位性质合理调整薪酬结构,加大变动收入比例,提高薪酬制度的激励效应。
4、业绩导向原则:员工收入水平要全面跟业绩挂钩,高低水平凭业绩说话,严格执行“按贡献分配”。
5、充分差距原则:员工收入水平要全面拉开差距,对于不同重要性以及不同业绩表现的员工要严格区分。
6、人性化原则:奖金、福利等元素要充分考虑员工多元化需要,尽量避免一刀切,体现“以人为本”的特点。
7、动态性原则:公司整体薪酬结构以及薪酬水平要根据企业经营效益、薪资市场行情、宏观经济因素变化等因素适时调整,能动的适应企业发展和企业人力资源开发的需要。
本公司情况:没有严密的定薪标准和制度,对市场行情缺乏必要的了解和评估。
工资结构单调,不能起到有效管理以及调动员工积极性的作用。
很多岗位没有跟公司业绩挂钩。
工资一成不变。
二、薪酬管理体系建设要点:第一步:梳理工作岗位。
从企业整体发展需要出发,基于工作流程的顺畅和工作效率的提高,梳理目前的工作岗位。
分析不同岗位之间划分的合理性:工作职责是否清晰,各个岗位间的工作联系是否清晰、合理。
工作分析的结果是形成岗位清单和各个岗位的工作说明书。
本公司情况:目前各部门主管的岗位职责已经制定,但是各部门,各岗位间的工作联系尚未有明确的书面描述。
当下的工作是:请部门主管协助制定各下属岗位的工作职责,以及岗位之间的工作联系。
第二步:进行岗位价值评估。
选择某种岗位价值评估工具,并组织企业内部专家和外部专家逐个对岗位进行评价,这个过程如果企业自身认为力量不够时可以考虑请外部专家进行培训和指导。
岗位价值评价方法和工具有很多,分为量化的和非量化的两类。
对于评价岗位较多时,建议优先考虑计分法。
计分法的优点是结果量化直观,便于不同岗位间的价值比较。
附表一:岗位工资薪酬层级体系对应表说明:1、岗位工资二岗位系数X岗位额定值(岗位额定值可据企业情况确定,层级差别越小,则层与层之间的工资差别越小)2、公司管理层岗位共分五层,即A层高层管理,B层中层管理,C层主管级管理,D级业务(办事)层,E层辅助层。
各层级须明确划分,清晰明了。
3、公司管理层岗位工资分层定级,共分 31级;每层分为八级(其中A层10级,副级与正级差二级,即总经理从A1起级)。
4、定级:①定层:根据其所在岗位及其任职情况首先确定其所处的层级(岗位分级须划分清晰,岗位职责明确力②定级:按员工岗位能力价值评估表所列项目对本人进行评估后评级 ,并按实际评级结果对应相应的级别工资。
岗位价值评估须针对本岗位情况及本人实际,按评估要求对本人进行事实、合理的评估。
评估必须做到公平、公正、公开,适当侧重于两方面人员,即人才与主动性强、克苦、任劳任怨、工作负荷大的人员。
根据核定的评估等级,最终确定其薪酬的级次水平。
具体参照评估说明 .5、实行全员调薪时,主管人员负责对下属人员进行岗位评估并逐步向上审核,最终由董事长审批执行。
中层以下管理人员岗位替代和增补的定级定薪,由主管人员评估后,经总经理审批后实施。
中层管理人员以上,由董事长审批。
6、任何人对本人或其他人定级有疑惑和意见的,均可进行仲裁申诉,其途径主要是与直接主管或相关领导构通,最终仲裁由集团行政部负责组织相关人员进行岗位评估核实。
7、岗位工资由基本工资与绩效工资构成,其中基本工资占70% ,考核工资占 30%;销售、生产等计量明显的岗位可以根据各公司实际适当加重考核的权重比例。
考核工资部分每月由主管人员对下属人员进行考核。
8、A级岗位,总经理的级次由 A1开始至A8级,副总经理级次由B5开始至A6级。
9、E 级岗位人员,由于劳动量大小差异明显,可以根据实情适当在评估上进行权重加分。
10、除年终业绩奖励外,任何人的薪酬均不能有规定项目外的自行增加的额外项目或在帐外进行隐性补贴。
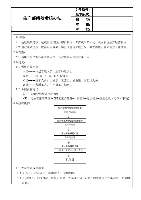
第一部分生产部门绩效考核1. 月度考核1.1考核内容:任务绩效1.2考核工具:部门使用部门月度绩效计分卡;部门负责人的绩效等于部门绩效,不使用考核工具;员工月度绩效计分卡;其它支持人员使用员工月度计划-评价表1.3 考核结果生产基地、生产管理部部门月度绩效计分卡部门绩效得分根据表5 得到部门绩效工资比例基地生产部部门月度绩效计分部门绩效得分根据表5 得到部门实得绩效工资比例=基地绩效卡绩效工资比例工资比例×部门绩效工资比例员工员工月度绩效计分个人绩效得分根据表5 得到实得绩效工资比例=部门实得绩效卡个人绩效工资比例工资比例×个人绩效工资比例2. 年度考核2.1考核内容表92.2考核工具:部门使用部门年度绩效计分卡;管理人员使用管理绩效评估表;员工使用周边绩效评估表。
2.3考核结果:管理人员的管理绩效和员工的周边绩效都不影响绩效工资,只作为晋升的依据之一。
生产基地、生产管理部生产基地部门部门负责人=部门实得绩效工资比例员工(副职)=部门实得绩效工资比例×个人月度绩效工资比例平均值第二部分 支持和职能部门绩效考核1. 季度考核1.1 考核内容:任务绩效1.2 考核工具:部门使用部门季度计划-评价表;部门负责人的绩效等于 部门绩效,不使用考核工具;员工使用员工季度计划-评价表1.3 考核结果:部 门 季 度 计 划 部门绩效得分 根据表 5 得到 实得绩效工资比例=基地月度绩效工资 -评价表 部门绩效工资比例 比例平均值×个人绩效工资比例 员工员工季度计划-评 个人绩效得分 根据表 5 得到 实得绩效工资比例=部门实得绩效 价表 个人绩效工资比例 工资比例×个人绩效工资比例2. 年度考核2.1 考核内容表 10类别任务绩效 ,周边绩效部门年度 绩效计分绩效得分部门年度 绩效得分绩效计分卡根据表 5 得到 实得绩效工资比例=基地实得绩效部门绩效工资比例 工资比例×部门绩效工资比例内容部门 根据表 5 得到 部门绩效工资比实得绩效工资比例=公司绩效工资 比例×部门绩效工资比例中基层管理人员管理绩效 员工周边绩效2.2 考核工具:部门使用部门年度绩效计分卡和部门周边绩效;管理人员 使用管理绩效评估表;员工使用周边绩效评估表。
实用文档之"面试评分表"一、面试评分表1、面试评分表的构成面试评分表的构成(见表2-1)主要包括以下几个方面的项目:(1)姓名、考号、性别、年龄;(2)报考的类别与职位;(3)面试考查的重点内容及考核要素;(4)面试评价的标准与等级;(5)评语栏(包括录用建议或录用决策);(6)面试评委签字栏;(7)面试时间等。
表2-1面试成绩评分表考号姓名性别年龄报考职位所属部门面试内容A分数B分数C分数仪表端庄整洁5一般3不整1表达能力态度进取心实际经验稳定性反应性评定总分评语及录用建议主持人(签字)日期:年月日2面试评分表的格式2、面试评分表的格式主要有以下几种:(1)问卷式评分表。
运用问卷形式,将所要评价的项目列举出来,由主考官根据应试者在面试中的行为表现对其进行评定。
(2)等级标准评价表。
确定面试评价的基本要求是,将每一要素划分为若干标准等级,主考官根据应试者在面试过程中的行为表现及回答问题的状况,选择一个符合应试者客观实际情况的等级予以评分。
(3)提问题项综合评价表。
按提问顺序记分,每一评价要素对应若干题项,最后将各题项平均得分综合统计在一张评价表上。
这种评价表一般由三部分构成:①面试提问单;②提问记分表;③综合计分评价表。
3、面试评分表的设计面试评分表是面试考官手中的重要工具,是面试标准化、结构化的重要手段,它集中体现面试测评标准。
面谈中,考官一边提问,一边倾听回答,观察考生表现,同时将考生的表现与评分表上的测评标准相对照,在评分表上记录要点,给考生打分。
评分表如同笔试的考生试卷,是面试中的重要文件,具有法律效用,应存档备查。
表2-7和表2-8是两个结构化面试评分表的例子,是中央国家行政机关和一些地方国家机关结构化面谈评分表的常见形式。
表中包括了考生基本信息、测评要素及其权重、观察要点(即测评指标)、评分刻度、考官记录及评语等项内容,高度集中,一目了然,便于考官使用。
两种评分表都采用了面试总分的百分制,但表2-7的特点是要素评分时采用10分制,其好处是符合一般模糊评价给分的心理习惯,便于考官作出判断,如考生表现优良则给8~10分,表现中等则给4~7分,表现差则给0~3分;在最后合成总分时,只要将各要素的10分制得分乘以其权重系数即可,表底部给出了总分合成公式:总分T=1、7A+ 1、7B+1、4C+1、4D+1、3E+F+0、7G+0、8H。
职位评估因素表
本职位评估因素表用于评价各个工作岗位的特性。
操作步骤如下:
1.在进行评估之前,请务必充分熟悉待评估岗位的工作职责、任务等基础信息,能够充分了解岗位说明书为最佳。
2.理解并熟悉职位评估因素表中各个因素的内容,包括因素的详细解释和各个水平的描述。
3.根据各个岗位中大多数工作活动的要求,在特定的表格中填写各岗位在每个因素上的水平。
注意:
1.是对岗位进行评价,而不是对目前的任职者的水平进行评价。
2.是对岗位目前的状态、而不是过去和未来的状态进行评价。
3.在某些因素维度上,下属员工可能会比管理者获得更高的评价水平。
4.若某个岗位自身具有不同的专业技术等级,在某些因素上可能不是唯一的水平,则请填写可能的水平范围。
5.若有不清楚的问题,请及时询问有关人员。
6.本评估表解释权在中联公司管理咨询项目组。
职位评估计分表
注:“综合”栏由博思智联工作人员填写。
职位分析与职位评价概述职位分析与评价是组织管理中的重要组成部分,它对于人员招聘、绩效考核、岗位设计等方面起到了至关重要的作用。
本文将对职位分析与评价进行概述,包括定义、目的、方法和重要性等方面。
一、职位分析职位分析是一种系统的、结构化的过程,通过对岗位的任务与责任、工作环境、工作条件、工作关系等方面进行细致的描述和分析,以确定该岗位所需的能力、技能和知识。
职位分析的目的在于获取对于某个岗位所需能力的描述,以便后续的招聘、培训等工作。
职位分析的方法有多种,常见的包括:1. 工作观察法:观察员工在工作中的表现和工作内容,记录下所执行的工作任务、步骤和所需技能等。
2. 问卷调查法:向岗位上的员工、主管或相关人员发放问卷,让他们描述该岗位的工作内容与要求。
3. 访谈法:与岗位上的员工或主管进行面对面的访谈,详细探讨工作内容、任务和所需技能等。
二、职位评价职位评价是对职位价值的量化和比较,主要通过确定岗位的重要性、难度和价值等方面进行评估。
职位评价结果可以用于薪酬设计、绩效考核和晋升决策等。
职位评价的方法主要有两种:1. 评估法:根据一定的标准,对岗位的任务、责任、目标和所需的技能等进行评估计分,最终得到一个评分结果。
2. 排序法:将所有岗位按照重要性、价值或难度等指标进行排序,从而确定各个岗位之间的相对重要性。
三、职位分析与评价的重要性职位分析与评价在组织管理中起到了至关重要的作用,具体表现在以下几个方面:1. 招聘与选择:通过职位分析和评价,可以确定所需的岗位能力和技能,从而在招聘时进行针对性的筛选和面试,提高招聘的准确性和有效性。
2. 岗位设计与调整:通过职位分析和评价,可以了解到岗位的任务和要求,从而对岗位进行设计和调整,确保岗位设置合理,工作流程通畅。
3. 培训与发展:职位分析和评价可以确定岗位所需的技能和知识,为员工的培训和发展提供指导,提高员工的能力水平和工作绩效。
4. 绩效考核与激励:职位分析和评价可以确定岗位的重要性和价值,为绩效考核和激励机制的制定提供依据,确保绩效考核的公平性和准确性。
OD必修-人力资源管理的金字塔:职位体系Part 1 从价值链到组织结构一、波特价值链美国哈佛商学院著名战略学家迈克尔波特提出的“价值链分析”(如下图),把企业内外价值增加的活动分为基本活动和支持性活动,基本活动涉及企业生产、销售、进料后勤、发货后勤、售后服务。
支持性活动涉及人力资源、财务、计划、研发、采购等等,基本活动和支持性活动构成了企业的价值链。
不同的企业参与的价值活动中,并不是每个环节都创造价值,实际上只有某些特定的价值活动才真正创造价值,这些真正创造价值的经营活动,就是价值链上的“战略环节”。
企业要保持的竞争优势,实际上就是企业在价值链某些特定的战略环节上的优势。
运用价值链的分析方法来确定核心竞争力,就是要求企业密切关注组织的资源状态,要求企业特别关注和培养在价值链的关键环节上获得重要的核心竞争力,以形成和巩固企业在行业内的竞争优势。
企业的优势既可以来源于价值活动所涉及的市场范围的调整,也可来源于企业间协调或组合用价值链所带来的最优化效益。
二、APQC流程框架APQC(美国生产力和质量中心)流程分类框架,可以把企业流程按照若干要素分解为不同的价值创造活动,APQC把流程按照职能可分为主流程和子流程。
根据企业价值创造活动的分类,我们可以确定流程体系:一级流程、二级流程、三级流程……或者是公司级流程、部门级流程、岗位级流程。
一级流程是公司最主要的价值创造活动,有相对独立的主题和内容,自身是“端对端”的闭环—这是流程划分的主要依据。
同时反映了企业价值创造的基本逻辑和普遍规律:越是低级别流程,企业之间的差异越大,越是与企业具体的战略动作(举措)相关。
三、从价值链到组织设计价值链为组织设计提供了系统的分析工具。
价值链各环节的相关性为职能的整合或分离提供了直接有力的依据。
组织设计除了企业治理结构和战略方向和愿景外,具体业务活动都可以根据价值链分解来进行分工。
具体要做什么事情和活动,这是组织设计的核心环节。