冷却塔热力计算的数学模型
- 格式:pdf
- 大小:149.37 KB
- 文档页数:5
冷却塔的热力计算冷却塔的任务是将一定水量Q ,从水温t 1冷却到t 2,或者冷却△t =t 1-t 2。
因此,要设计出规格合适的冷却塔,或核算已有冷却塔的冷却能力,我们必须做冷却塔的热力计算。
为了便于计算,我们对冷却塔中的热力过程作如下简化假设:(1)散热系数α,散质系数v β,以及湿空气的比热c ,在整个冷却过程被看作是常量,不随空气温度及水温变化。
(2) 在冷却塔内由于水蒸气的分压力很小,对塔内压力变化影响也很小,所以计算中压力取平均大气压力值。
(3)认为水膜或水滴的表面温度与内部温度一致,也就是不考虑水侧的热阻。
(4) 在热平衡计算中,由于蒸发水量不大,也可以将蒸发水量忽略不计。
(5) 在水温变化不大的范围内,可将饱和水蒸汽分压力及饱和空气与水温的关系假定为线性关系。
冷却塔的热力计算方法有焓差法、湿差法和压差法等,其中最常用的是麦克尔提出的焓差法,以下简要介绍冷却塔的焓差法热力计算。
麦克尔提出的焓差法把过去由温度差和浓度差为动力的传热公式,统一为一个以焓差为动力的传热公式。
在方程式中,麦克尔引进入刘易斯关系式,导出了以焓差为动力的散热方程式。
()dV h h dH t xv q 0"-=β (1)式中:q dH —— 水散出热量;xv β —— 以含湿差为基准的容积散质系数()[]kg kg s m kg //3⋅⋅ ;"t h —— 温度为水温t 时饱和空气比焓 (kg kJ /); 0h —— 空气比焓 (kg kJ /)。
将式(1)代入冷却塔内热平衡方程:n w w q tdQ c Qdt c dH += (2)式中:q dH —— 水散出热量;w c —— 水的比热()[]C /J o ⋅kg k ;Q —— 冷却水量 (s /g k ); u Q —— 蒸发水量 (s /g k ) t —— 水温度 (℃)并引入系数K :m w u m u w r tc Q r t Q c K 2211-=-=式中 m r ——塔内平均汽化热(kg kJ /)经整理,并积分后,可得冷却塔热力计算的基本方程式:⎰-=120"t t t wxv h h dt c Q vK β (3) 上式的左端表示在一定淋水填料及格型下冷却塔所具有的冷却能力,它与淋水填料的特性、构造、几何尺寸、冷却水量有关,称冷却塔的特性数,以符号愿'Ω表示,即:Q VK xv β=Ω'(3)式的右端表示冷却任务的大小,与气象条件有关,而与冷却塔的构造无关,称为冷却数(或交换数),以符号'Ω表示,也即:⎰-=Ω120"t t t w h h dt c由于水温不是空气焓的直接函数,直接积分有困难,所以,在求解冷却数的时候,一般均采用近似积分方法。
冷却塔热力性能计算书及计算方法工艺设计计算书1.热力性能计算1.1热力性能计算方法工艺设计采用CTI颁布的权威软件“CTIToolkit”进行设计,并按GB7190.2―1997《大型玻璃纤维增强塑料冷却塔》进行校核,用焓差法计算,积分计算采用辛普逊20段近似积分计算公式。
计算公式逆流冷却塔热力计算基本方程式:NCwdt(1)t2iit1式中:t1、t2―进、出塔水温℃i―冷却塔淋水装置中对应于某点温度的空气比焓kJ/kgi″―与i对应的饱和空气焓kJ/kgK―蒸发水量带走的热量系数K1t2(2)5850.56(t220)20段近似积分计算公式:NCwt111111114()2()60i0i20i1i3i19i2i4i18(3)式中:Cw―水的比热4.1868kJ/(kg·℃)Δt―进出水温差℃Δt=t1-t2Δi0,Δi1,Δi2,······Δi19,Δi20―分别表示对应于t2,t2+Δt/20,t2+2Δt/20······t2+19Δt/20,t1时的焓差,即i″-ikJ/kg空气的焓按下式计算:“PiCg0.622(r0Cq)(4)“P0P式中:Cg―干空气的比热1.005kJ/kgCq―水蒸气的比热1.842kJ/kgr0―温度为0度时水的汽化热2500.8kJ/kgθ―空气干球温度℃Φ―相对湿度P0―进塔空气大气压kPaP“θ―空气温度为t时的饱和水蒸气分压力kPa如取Φ=1,可将(4)改写为温度t时的饱和湿空气焓计算式:\tP“t(5)iCgt0.622(r0Cqt)P0P“t饱和水蒸气分压力及相对湿度按下式计算:E0.01419663142.305(11373.16)8.2lg()0.0024804(373.16T)T373.16 TPt\98.066510E(6)式中:T―绝对温度KT=273.16+tP\0.0006P62)0((7)\P式中:τ―空气湿球温度,由机械通风干湿表测得℃P“τ―空气温度为τ时的饱和水蒸气分压力kPa将进塔空气干球温度θ1、湿球温度τ1及大气压P0代入以上各式,即可求得进塔空气的相对湿度Φ和焓值i1。
冷却塔的热力计算冷却塔的任务是将一定水量Q ,从水温t 1冷却到t 2,或者冷却△t =t 1-t 2。
因此,要设计出规格合适的冷却塔,或核算已有冷却塔的冷却能力,我们必须做冷却塔的热力计算。
为了便于计算,我们对冷却塔中的热力过程作如下简化假设:(1)散热系数α,散质系数v β,以及湿空气的比热c ,在整个冷却过程被看作是常量,不随空气温度及水温变化。
(2) 在冷却塔内由于水蒸气的分压力很小,对塔内压力变化影响也很小,所以计算中压力取平均大气压力值。
(3)认为水膜或水滴的表面温度与内部温度一致,也就是不考虑水侧的热阻。
(4) 在热平衡计算中,由于蒸发水量不大,也可以将蒸发水量忽略不计。
(5) 在水温变化不大的范围内,可将饱和水蒸汽分压力及饱和空气与水温的关系假定为线性关系。
冷却塔的热力计算方法有焓差法、湿差法和压差法等,其中最常用的是麦克尔提出的焓差法,以下简要介绍冷却塔的焓差法热力计算。
麦克尔提出的焓差法把过去由温度差和浓度差为动力的传热公式,统一为一个以焓差为动力的传热公式。
在方程式中,麦克尔引进入刘易斯关系式,导出了以焓差为动力的散热方程式。
()dV h h dH t xv q 0"-=β (1)式中:q dH —— 水散出热量;xv β —— 以含湿差为基准的容积散质系数()[]kg kg s m kg //3⋅⋅ ;"t h —— 温度为水温t 时饱和空气比焓 (kg kJ /); 0h —— 空气比焓 (kg kJ /)。
将式(1)代入冷却塔内热平衡方程:n w w q tdQ c Qdt c dH += (2)式中:q dH —— 水散出热量;w c —— 水的比热()[]C /J o ⋅kg k ;Q —— 冷却水量 (s /g k ); u Q —— 蒸发水量 (s /g k ) t —— 水温度 (℃)并引入系数K :m w u m u w r tc Q r t Q c K 2211-=-=式中 m r ——塔内平均汽化热(kg kJ /)经整理,并积分后,可得冷却塔热力计算的基本方程式:⎰-=120"t t t wxv h h dt c Q vK β (3) 上式的左端表示在一定淋水填料及格型下冷却塔所具有的冷却能力,它与淋水填料的特性、构造、几何尺寸、冷却水量有关,称冷却塔的特性数,以符号愿'Ω表示,即:Q VK xv β=Ω'(3)式的右端表示冷却任务的大小,与气象条件有关,而与冷却塔的构造无关,称为冷却数(或交换数),以符号'Ω表示,也即:⎰-=Ω120"t t t w h h dt c由于水温不是空气焓的直接函数,直接积分有困难,所以,在求解冷却数的时候,一般均采用近似积分方法。
冷却塔的热力计算冷却塔的任务是将一定水量Q ,从水温t 1冷却到t 2,或者冷却△t =t 1-t 2。
因此,要设计出规格合适的冷却塔,或核算已有冷却塔的冷却能力,我们必须做冷却塔的热力计算。
为了便于计算,我们对冷却塔中的热力过程作如下简化假设:(1)散热系数α,散质系数v β,以及湿空气的比热c ,在整个冷却过程被看作是常量,不随空气温度及水温变化。
(2) 在冷却塔内由于水蒸气的分压力很小,对塔内压力变化影响也很小,所以计算中压力取平均大气压力值。
(3)认为水膜或水滴的表面温度与内部温度一致,也就是不考虑水侧的热阻。
(4) 在热平衡计算中,由于蒸发水量不大,也可以将蒸发水量忽略不计。
(5) 在水温变化不大的范围内,可将饱和水蒸汽分压力及饱和空气与水温的关系假定为线性关系。
冷却塔的热力计算方法有焓差法、湿差法和压差法等,其中最常用的是麦克尔提出的焓差法,以下简要介绍冷却塔的焓差法热力计算。
麦克尔提出的焓差法把过去由温度差和浓度差为动力的传热公式,统一为一个以焓差为动力的传热公式。
在方程式中,麦克尔引进入刘易斯关系式,导出了以焓差为动力的散热方程式。
()dV h h dH t xv q 0"-=β (1) 式中:q dH —— 水散出热量;xv β —— 以含湿差为基准的容积散质系数()[]kg kg s m kg //3⋅⋅ ;"t h —— 温度为水温t 时饱和空气比焓 (kg kJ /); 0h —— 空气比焓 (kg kJ /)。
将式(1)代入冷却塔内热平衡方程:n w w q tdQ c Qdt c dH += (2)式中:q dH —— 水散出热量;w c —— 水的比热()[]C /J o ⋅kg k ;Q —— 冷却水量 (s /g k );u Q —— 蒸发水量 (s /g k )t —— 水温度 (℃) 并引入系数K :式中 m r ——塔内平均汽化热(kg kJ /)经整理,并积分后,可得冷却塔热力计算的基本方程式:⎰-=120"t t t w xv h h dt c Q v K β (3) 上式的左端表示在一定淋水填料及格型下冷却塔所具有的冷却能力,它与淋水填料的特性、构造、几何尺寸、冷却水量有关,称冷却塔的特性数,以符号愿'Ω表示,即:(3)式的右端表示冷却任务的大小,与气象条件有关,而与冷却塔的构造无关,称为冷却数(或交换数),以符号'Ω表示,也即:由于水温不是空气焓的直接函数,直接积分有困难,所以,在求解冷却数的时候,一般均采用近似积分方法。
横流式冷却塔简化热力计算方法首先,我们需要确定一些冷却塔的基本参数。
这些参数包括:冷却塔的入口水温(Tw1)、出口水温(Tw2)、入口空气温度(Ta1)、空气湿球温度(Ta2)、塔的冷却水流量(Qw)和空气流量(Qa)。
这些参数将用于后续的计算中。
第一步,我们需要计算冷却水的冷却量(Qc)。
冷却量可以通过下式计算得到:Qc=Qw*(Tw1-Tw2)其中,Qw代表冷却水流量,Tw1和Tw2分别代表冷却水的入口温度和出口温度。
第二步,我们需要计算冷却塔的传热量(Qh)。
传热量可以通过下式计算得到:Qh=Qa*(Ta1-Ta2)其中,Qa代表空气流量,Ta1和Ta2分别代表空气的入口温度和湿球温度。
第三步,我们可以根据热力学原理得到冷却塔的热效率(η)。
热效率可以通过下式计算得到:η=Qc/Qh第四步,我们可以通过已知的参数来计算冷却塔的传热面积(A)。
A = Qh / (U * ΔTlm)其中,U代表传热系数,ΔTlm代表对数平均温差。
传热系数的取值与具体的冷却塔结构、材料和工况等因素有关。
ΔTlm可以通过下式计算得到:ΔTlm = (ΔT1 - ΔT2) / ln(ΔT1 / ΔT2)其中,ΔT1和ΔT2分别代表冷却塔的温度差,可以通过Tw1、Tw2、Ta1和Ta2来计算得到。
最后,我们可以通过上述结果来判断冷却塔的热力性能。
如果热效率较高且传热面积较小,则说明冷却塔的散热效果较好;反之,则说明冷却塔的散热效果较差。
综上所述,通过以上的简化热力计算方法,我们可以估算横流式冷却塔的热力性能。
然而,需要注意的是,这些简化方法仅能提供初步的估算结果,实际的热力计算可能需要考虑更多的因素和参数。
因此,在实际应用中,我们应该根据具体情况来选择适当的计算方法,并进行实际的测试和验证。
闭式冷却塔热力和阻力计算一、冷却塔热力计算根据换热学公式:Q1=CN△T Q2=KA△T式中:Q1内除盐水热负荷 C比热4.18KJ/(kg.℃) N=L*K1=流量*流量系数进出水温差△T=T1-T2Q2外部冷媒水热负荷 K换热系数(按湿球温度25℃计算)A产品盘管组的换热表面积△T =△T1-△T2/ln(△T1/△T2)△T1=Hin(热除盐水进口温度)-Cin(冷媒水经过盘管温度)△T2=Hout(热除盐水出口温度)-Cout(冷媒水喷淋管盘温度)换热器工作原理说明:换热设备的换热过程是管内被冷却的流体将热量通过管内壁传给管外壁的水膜,再由水膜传给冷却盘管间流动的空气和PVC热交换层的空气。
A、从管内被冷却流体到外部冷媒水排出热负荷Q21=KA△T1、管内流体通过管内壁传给管外壁的水膜K换热系数确定根据此种闭式冷却塔产品的特点,包括风扇机电的功率,湿球温度25摄氏度等因素,这是个组合K值包含管内热流体和管内壁传热系数,管内壁和管外壁传热系数,管外水膜和管外壁传热系数等。
K=1/[1/αi+ri]×do/di+δ/λ×(do/dm)+ro+l/αo]其中:αi为管内热流体与管内壁之间的传热系数ri为管内的垢热阻do为管外径;di为管内径;δ为管壁厚;λ为热导系数dm=(do-di)/ln(do/di)=(0.016-0.0145)/ln(0.016/0.0145)=0.01524ro为管外的垢热阻;αo为管外壁与管外水膜质检的传热系数(1)、热流体在关内的换热系数:Αi=0.023Re0.8.Prn.(λ/di)其中:Re、Pr、λ为管内流体的雷诺数、普兰特数和热导系数加热流体时n=0.4,冷却流体时n=0.3Re=w.di /v其中:w为水在管内的流速v为运动粘度,㎡/s水的平均温度为(54+44)÷2=49℃查水的热物理性质v运动粘度为0.6075*10-6㎡/s普兰特数Pr为3.925热导系数λ64.15×10-2KJ/(kg.℃)(2)、管外壁与管外水膜之间的传热系数:αo=1.3248[GW/(n.A.do)]1/3 kw/㎡.℃其中:GW为换热设备总冷却水量n为水平截面上冷却盘管的管列数A为一列冷却盘管中一排水平管的长度2、换热盘管外喷淋水和空气之间的换热盘管外壁水膜换热分为两部分换热,一部分为在冷却盘管外时水膜和空气间接触的对流换热,一部分为在PVC热交换层上时水膜和空气间接触的对流换热。
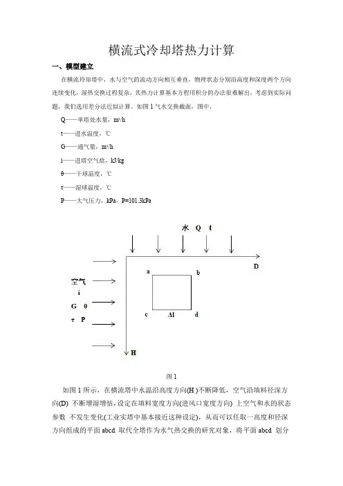
横流式冷却塔热力计算一、模型建立在横流玲却塔中,水与空气的流动方向相互垂直,物理状态分别沿高度和深度两个方向连续变化,湿热交换过程复杂,其热力计算基本方程用积分的办法很难解出,考虑到实际问题,我们选用差分法近似计算。
如图1气水交换截面,图中,Q——单塔处水量,m3/ht——进水温度,℃G——通气量,m3/hi——进塔空气焓,kJ/kgθ——干球温度,℃τ——湿球温度,℃P——大气压力,kPa,P=101.3kPa图1如图1所示,在横流塔中水温沿高度方向(H )不断降低,空气沿填料径深方向(D) 不断增湿增怙,设定在填料宽度方向(进风口宽度方向) 上空气和水的状态参数不发生变化(工业实塔中基本接近这种设定),从而可以任取一高度和径深方向组成的平面abcd 取代全塔作为水气热交换的研究对象,将平面abcd 划分成 若干个边长相等的微小正方形单元(边长为Δl ) ,考察单元的水气热交换情况,可求得每个单元的进出单元水温变化Δt 和进出单元的空气焓变化Δh 。
二、散质系数的确定逆流冷却塔热力计算基本方程:N =Kβxv V1000Q = C wdti −it 1t 2(1) 式中:βxv ——容积散质系数,kg/(m 3.h ); V ——淋水填料总体积,m 3; Q ——单塔处水量,m 3/h ;t 1、t 2——进、出塔水温,℃;i ——冷却塔淋水装置中对应于某点温度的空气比焓,kJ/kg ; i’’——与i 对应的饱和空气焓,kJ/kg ; K ——蒸发水量带走的热量系数K =1−C w t 2/γ (2)C w ——水的比热,C w =4.1868 kJ/(kg. ℃);γ——出塔水温汽化热,γ=2420 kJ/kg ,温度为t 2时;当水温差Δt ﹤15℃时,辛普逊积分公式采用两段已可达到足够精度,(1)式可变为N = C w dt i −it 1t 2=C w dt 6(1i 2′′−i 1+1i m ′′−i m+1i 1′′−i 2) (3)式中:i 1’’、 i 2’’、 i m ’’——与t 1、t 2、t m =(t 1+t 2)/2,相对应的饱和焓。
1a m *在冷却塔中,热水流与空气流直接接触,由于温度差导致的显热传递,热水流被冷却,同时由于蒸发现象,热水流也会发生质量损失。
按空气流与水流的配置方式,冷却塔可以分为逆流冷却塔与交叉流冷却塔。
下图给出了逆流压力通风冷却塔的原理图。
环境空气被吸引向上穿过流下的水。
大多数的冷却塔都会有填充材料用来增加水与空气表面的接触面积。
一个冷却塔通常是由若干个塔细胞组成的。
这些塔细胞并联的分享了集水槽。
现阶段大多数研究者采用的是1989年Braun 提出的基于部件的冷却塔模型,其数学表达式如下所示:Q =£m (h -h ) cellaaa,w,ia,i式中,e ——冷却塔的热交换效率;am ——冷却塔内的空气质量流量,kg /s ; ah ——冷却塔内进口空气的焓值;kJ/kg ;a ,ih ——冷却塔内进口水表面饱和空气焓值kJ/kg a ,w ,iQ ——冷却塔单元散热量。
cell当Lewis 数为1时,对于逆流式冷却塔1-exp(-Ntu(1-m *))1-m *exp(-Ntu(1-m *))而叉流式冷却塔:(1-exp(-m *(1-exp(-Ntu ))))<a,111崗Water上述两式中:mCm *=a_— mC w ,ipw 其中:NTU ——传热单元数;m *——冷却塔空气和冷却水的热容比率; C ——平均饱和空气定压比热容,kJ/(kg ・K);m ——进口水流量; w ,ihD ——质量传递系数;A ——每塔单元中水滴表面积的交换量; vV ——所有塔单元的交换体积;cell饱和比热C 是由水的进出口状态和焓值确定的:w ,o式中h ——冷却塔进口处水表面饱和空气焓值,kJ/kg ;S ,w ,ih ——冷却塔的出口处水表面饱和空气焓值,kJ/kg ;S ,w ,o——冷却塔的进水温度,K ;w ,iT ——冷却塔出水温度,K 。
w ,o从整体的能量平衡来看,冷却塔的出水温度可以定义为m C (T -T )-Q 丁 ~w ,i p ,~w~w ,i ref cell +/ m C refw ,opw式中:m .——冷却塔进水的质量流量kg/s ;w ,im——冷却塔出水的质量流量kg/s ; w ,oC ——水的定压比热容;pwT ——水的参考温度(0°C)ref大多数的分析都忽略了水的损失量并假设出水流量等于进水流量。
热却塔的热力估计之阳早格格创做热却塔的任务是将一定火量Q,从火温t1热却到t2,大概者热却△t=t1-t2.果此,要安排出规格符合的热却塔,大概核算已有热却塔的热却本领,咱们必须搞热却塔的热力估计.为了便于估计,咱们对于热却塔中的热力历程做如下简化假设:(1)集热系数α,集量系数vβ,以及干气氛的比热c,正在所有热却历程被瞅做是常量,没有随气氛温度及火温变更.(2) 正在热却塔内由于火蒸气的分压力很小,对于塔内压力变更做用也很小,所以估计中压力与仄稳大气压力值.(3)认为火膜大概火滴的表面温度与里里温度普遍,也便是没有思量火侧的热阻.(4) 正在热仄稳估计中,由于挥收火量没有大,也不妨将挥收火量忽略没有计.(5) 正在火温变更没有大的范畴内,可将鼓战火蒸汽分压力及鼓战睦氛与火温的闭系假定为线性闭系.热却塔的热力估计要领有焓好法、干好法战压好法等,其中最时常使用的是麦克我提出的焓好法,以下简要介绍热却塔的焓好法热力估计.麦克我提出的焓好法把往日由温度好战浓度好为能源的传热公式,统一为一个以焓好为能源的传热公式.正在圆程式中,麦克我引加进刘易斯闭系式,导出了以焓好为能源的集热圆程式.()dV h h dH t xv q 0"-=β (1) 式中:q dH ——火集出热量;xv β——以含干好为基准的容积集量系数()[]kg kg s m kg //3⋅⋅ ; "t h —— 温度为火温t 时鼓战睦氛比焓 (kg kJ /);0h ——气氛比焓 (kg kJ /).将式(1)代进热却塔内热仄稳圆程:n w w q tdQ c Qdt c dH += (2)式中:q dH ——火集出热量;w c ——火的比热()[]C/J o ⋅kg k ;Q —— 热却火量 (s /g k ); u Q —— 挥收火量 (s /g k )t —— 火温度 (℃)并引进系数K :式中m r ——塔内仄稳汽化热(kg kJ /)经整治,并积分后,可得热却塔热力估计的基原圆程式:⎰-=120"t t t w xv h h dt c Q v K β (3) 上式的左端表示正在一定淋火挖料及格型下热却塔所具备的热却本领,它与淋火挖料的个性、构制、几许尺寸、热却火量有闭,称热却塔的个性数,以标记愿'Ω表示,即:(3)式的左端表示热却任务的大小,与局里条件有闭,而与热却塔的构制无闭,称为热却数(大概接换数),以标记'Ω表示,也即:由于火温没有是气氛焓的间接函数,间接积分有艰易,所以,正在供解热却数的时间,普遍均采与近似积分要领.积分的要领很多,有辛普逊积分法、仄稳推能源法、切比雪妇积分法、对于数及算术仄稳焓好法,以及很多的体味直线与图表,那里只介绍好国热却塔协会(CTI)所推荐的切比雪妇积分法.切比雪妇积分法为好国热却塔协会(CTI)所推荐,正在好国及日原均被采与.那种积分要领是将积分式⎰baydx,正在x轴上a到b之间供出几个预约的y值,某y值的总战乘恒定值b-a,便为所供的积分值.其分面为b-a的0.102673倍、0.406204倍、0.593796倍及0.897327倍.供其4个分面相映的y值.为估计简化,小数面后与一位,则为b-a的0.1倍,0.4倍,0.6倍及0.9倍.其估计公式为:如果温好较小时,其分面也不妨没有按上述倍数区分,可将火温好t四仄分,供各份中面的焓好,而后代进公式估计.如果按倍数区分时,各分面相映的焓好如下表所示.上述即为一个完备的热却塔热力估计历程,它既可用于热却塔的安排估计,也可用于现有热却塔的核算.正在核算已有热却塔时,已知塔的尺寸及里里部件,火量Q,进火温度t1,大气压力p a,搞球温度θ1,干球温度τ1.则央供估计:出火温度t2,通气量G,出塔气氛搞球温度θ2,出塔气氛干球温度τ2.热却塔的安排是一个试算历程,即根据给定条件,选定塔的尺寸及里里部件,而后估计火温t2,使其谦脚安排央供.果此热却塔的热力估计即为估计出塔火温t2,共时也估计通气量及排气温度.热却塔的透气阻力估计正在安排新的热却塔时,最先要选定热却塔的型式,根据给定的处事条件决断热却塔的基原尺寸战结构,其中包罗淋火拆置的横截里里积战挖料下度、热却塔的进风心、导风拆置、支火器、配火器等,并选定风机的型号微风量、风压,那样便需要对于热却塔内气流利风阻力做比较准确的估计.1.热却塔的透气阻力形成热却塔的透气阻力,即气氛震动正在热却塔内的压力益坏,为沿程摩阻战局部阻力之战.常常把热却塔的局部透气阻力从热却塔的进心到风机出心分为10个部分举止估计,如图所示: 1p ∆——进风心的阻力;2p ∆——导风拆置的阻力;3p ∆——气氛流转直的阻力;4p ∆——淋火拆置进心处突然中断的阻力;5p ∆——气氛流过淋火拆置的阻力(摩揩阻力战局部阻力); 6p ∆——淋火拆置出心处突然伸展的阻力;7p ∆——配火拆置的阻力;8p ∆——支火器的阻力;9p ∆——风机进心的阻力;10p ∆——风机风筒出心的阻力.热却塔的透气总阻力 :∑∆P =∆i z p (1)2.热却塔的局部透气阻力估计 如前所述,热却塔总的局部阻力包罗进风心、导流办法、淋火拆置、配火系统、支火器以及风筒阻力(包罗风机出进心)、气流的中断、夸大、转直等部分.各局部阻力可按下述公式去估计:g v P i i i 22i ⋅=∆γξ(毫米火柱) (2) 式中:i ξ——各局部阻力系数;i v ——相映部位的气氛流速(米/秒);i γ——相映部位的气氛比沉(公斤/米3);g ——沉力加速度. 而热却塔的总局部阻力可写成:g v P h i i i 22i ⋅∑=∑∆=γξ(毫米火柱) 由于气流稀度正在热却塔内变更很小,所以正在球供解时,各处的稀度值均与热却塔进、出心的几许仄稳值.气流利过热却塔百般部件处的速度,可先根据风机个性直线及热力估计时决定的气火比采用风量G(公斤/时)后,由下式决定:热却塔各部件处局部阻力系数 3,2,1ξ值的决定:(1)进风心55.01=ξ(2)导风拆置式中:()L q 25.01.02+=ξq ——淋火稀度(米3/米2·小时);L ——导风拆置少度(米).(3)加进淋火拆置处气流转直:5.03=ξ(4)淋火拆置进心处突然中断:⎪⎪⎭⎫ ⎝⎛-=ξcp F F 0415.0 cp F ——淋火拆置的截里(m 2).(5)淋火拆置()Z Kq e +ξ=ξ15式中:e ξ——单位下度淋火拆置的阻力系数;K ——系数;Z ——淋火拆置下度(m ).淋火拆置的阻力亦不妨从考查资料间接查得,若需改变形火拆置的尺度时,其阻力落的近似值估计可参阅资料.(6)淋火拆置出心突然伸展2061⎪⎪⎭⎫ ⎝⎛-=ξcp F F(7)配火拆置⎪⎪⎭⎫⎝⎛⋅⎥⎥⎦⎤⎢⎢⎣⎡⎪⎪⎭⎫⎝⎛-+=ξ323713.15.0F F F F cp cp式中:3F ——配火拆置中气流利过的灵验截里积(米2)cp F ——塔壁内的横截里积(米2).(8)支火器式中:22228125.0⎪⎪⎭⎫ ⎝⎛⋅⎥⎥⎦⎤⎢⎢⎣⎡⎪⎪⎭⎫ ⎝⎛-+=ξF FF F cp cp式中:2F ——支火器中气流利过的灵验截里积(米2);cp F ——塔壁内的横截里积(米2).(9)风机进心9ξ可根据下式决定:ξξξ+⎪⎪⎭⎫⎝⎛-=cp F F 40910ξ——根据0D l 查表与值;4F ——中断后的截里积(㎡);cp F ——中断前的截里积(㎡);式中:λ—摩揩系数;可采与.(10)风机凤筒出心(扩集筒) ()p ξδ+=ξ110式中:δ—-风筒速度分集没有匀称而做用建正系数,根据0/l D ;ξ——根据0D l查表与值.p由上述估计,咱们得到热却塔的总透气阻力,而后再确认它是可与风机的额定风量下所能提供的风压相符合.如果相符合且又能谦脚热力本能央供,则该热却塔的安排估计完毕.若没有符合便要采用其余的风机大概改变热却塔部件的结构尺寸,沉新估计气氛的震动阻力,通过多次反复直到既谦脚风机的风压央供又谦脚热力本能时为止.热却塔本能的评介通过热却塔查支考查大概本能考查整治出截止,应付于该热却塔的本能做出评介.评介的指标,决断于所采与的评介要领,有以热却出火温度2t,大概以热却本领η (真测经建正后的气火比与安排时气火比的比值)动做评介指标,也有用其余的评介指标.底下介绍几种暂时海内中时常使用的热却塔本能评介要领.根据热却数圆程式表示的热力个性战阻力个性,不妨概括估计得到安排大概其余条件下的热却火温2t.根据安排条件及真测的热力、阻力个性,估计出热却火温2t,与安排的2t举止比较,如前者的2t值等于大概矮于后者的2t值,则该热却塔的热却效验达到大概劣于安排值.2.按真测热却火温评介通过查支考查,测得一组工况条件下的出塔热却火温2t,由于考查条件与安排条件的好别,需通过换算圆可比较,其比较的要领是:将真测的工况条件代进安排时提供的()t q f t ∆ϕϑ=,,,112本能直线大概安排采与的估计要领战公式,估计出热却火温2t ,如果比真测的2t 下,则证明新建大概改建的热却塔本量热却效验要比安排的佳,反之则证明热却塔效验好.那种用真测热却火温的评介要领,估计烦琐,评介截止直感,考查时没有需丈量进塔风量,易包管尝试截止的粗度,但是需安排单位提供一套()t q f t ∆ϕϑ=,,,112本能直线(支配直线)大概估计公式.本能评介应用公式式中η——真测热却本领;c Q ——建正到安排条件下的热却火量(h kg /);d Q ——安排热却火量(h kg /);t G ——考查条件下的真测风量(h kg /);c λ——建正到安排工况条件下的气火比,由于考查条件与安排条件存留好别,故需将考查条件下所测之数据,建正到安排条件下举止评介.正在做安排时,根据选定的塔型及淋火挖料,可赢得该热却塔的热力个性m A λ=Ω,正在单对于数坐标纸上即可赢得一条()λ=Ωf 的安排个性直线,如下图中直线1.根据给定的热却任务(2111,,,,,t t Q p τϑ)假设分歧的气火比,可赢得分歧的Ω,将其描画正在图上,即可得热却塔的处事个性直线,如上图中直线2,直线1战直线2的接面.即为谦脚安排央供的工况面.热却塔举止查支考查大概本能考查时,由于真测进塔气氛量G ,战安排气氛量没有成能真足相共,所以赢得的直线战上图中的直线1没有成能真足相共,而是其余一条战直线1仄止的直线3.直线3战直线2的接面c 则表示建正到安排条件下的处事面,C 面对于应的气火比即为建正到安排工况条件下的气火比c λ.c 面的赢得,可由考查得到的热却数Ω战睦火比λ面画到热却塔安排个性直线图上,得考查面b ,过b 面做直线3仄止于直线1,进而可得到直线3战直线2接面c.根据考查真测的气氛量t G 及建正后c 面的气火比c λ,即可得到建正后的热却火量c Q ,即: c t c G Q λ=/将上式代进c t d d c G Q Q Q λ==η1即可供得真测热却本领η.如η大于90%大概95%,应视为达到安排央供;η大于100%,应视为超出安排央供.TI 板滞透气热却塔个性直线评介法此评介要领与上述的热却塔本能评介要领基本相共,亦是以真测热却本领η表示的,即: c t d d c G Q Q Q λ==η'1 所分歧的是上式中进塔风量t G '没有是间接测定的,而是测定板滞透气热却塔的风机功率,根据风机功率再估计进塔风量.估计公式为:31'⎪⎪⎭⎫⎝⎛=d td t NN G G (kg/h )式中 t G '——通过真测风机功率换算的风量(h kg /);d G ——安排风量h kg /); t N ——真测风机功率(kw ); d N ——安排风机功率(kw ).风量t G '供得后,其余估计要领均与前所述相共.(1) 原法是由考查数据利用支配直线评介板滞透气热却塔本能的要领,估计截止是以热却本领η表示.(2) 安排单位应提供相称于安排热却火量的90%、100%、110%三组直线组成的支配直线图.每组直线以干球温度1τ为横坐标,出塔火温2t 为纵坐标,热却幅宽火力参变数的列线图,如图(系列)所示.热却幅宽直线的变量起码要包罗安排值,80%安排值战120%安排值三条热却幅宽直线.安排面应正在直线图上表示.(3) 热却塔本领的决定.将安排单位提供的本能直线转移画制成正在考查条件下决定热却塔本领的列线图.其步调最先以考查干球温度1τ为前提,画制一组以热却幅宽t∆为横坐标,出塔火温2t 为纵坐标,热却火量Q 为参变数的直线(下图).而后,由此组直线,根据考查热却幅宽t 画制一条出塔火温t2战热却火量Q闭系直线(下图),那样正在考查出塔火温下便可查得预计包管的热却火量p Q,将考查的热却火量再举止风机功率的建正.建正后的火流量与预计的火流量之比即可决定热却塔热却本领,亦即利用下列公式估计:热却塔的安排战采用中,不妨参照下表。
冷却塔的热力计算冷却塔的任务是将一定水量Q ,从水温t 1冷却到t 2,或者冷却△t =t 1-t 2。
因此,要设计出规格合适的冷却塔,或核算已有冷却塔的冷却能力,我们必须做冷却塔的热力计算。
为了便于计算,我们对冷却塔中的热力过程作如下简化假设:(1)散热系数α,散质系数v β,以及湿空气的比热c ,在整个冷却过程被看作是常量,不随空气温度及水温变化。
(2) 在冷却塔内由于水蒸气的分压力很小,对塔内压力变化影响也很小,所以计算中压力取平均大气压力值。
(3)认为水膜或水滴的表面温度与内部温度一致,也就是不考虑水侧的热阻。
(4) 在热平衡计算中,由于蒸发水量不大,也可以将蒸发水量忽略不计。
(5) 在水温变化不大的范围内,可将饱和水蒸汽分压力及饱和空气与水温的关系假定为线性关系。
冷却塔的热力计算方法有焓差法、湿差法和压差法等,其中最常用的是麦克尔提出的焓差法,以下简要介绍冷却塔的焓差法热力计算。
麦克尔提出的焓差法把过去由温度差和浓度差为动力的传热公式,统一为一个以焓差为动力的传热公式。
在方程式中,麦克尔引进入刘易斯关系式,导出了以焓差为动力的散热方程式。
()dV h h dH t xv q 0"-=β (1)式中:q dH —— 水散出热量;xv β —— 以含湿差为基准的容积散质系数()[]kg kg s m kg //3⋅⋅ ;"t h —— 温度为水温t 时饱和空气比焓 (kg kJ /);0h —— 空气比焓 (kg kJ /)。
将式(1)代入冷却塔内热平衡方程:n w w q tdQ c Qdt c dH += (2)式中:q dH —— 水散出热量;w c —— 水的比热()[]C /J o ⋅kg k ;Q —— 冷却水量 (s /g k ); u Q —— 蒸发水量 (s /g k ) t —— 水温度 (℃)并引入系数K :mw u m u w r tc Q r t Q c K 2211-=-=式中 m r ——塔内平均汽化热(kg kJ /)经整理,并积分后,可得冷却塔热力计算的基本方程式:⎰-=120"t t t w xv h h dt c Q vK β (3) 上式的左端表示在一定淋水填料及格型下冷却塔所具有的冷却能力,它与淋水填料的特性、构造、几何尺寸、冷却水量有关,称冷却塔的特性数,以符号愿'Ω表示,即:Q VK xv β=Ω'(3)式的右端表示冷却任务的大小,与气象条件有关,而与冷却塔的构造无关,称为冷却数(或交换数),以符号'Ω表示,也即:⎰-=Ω120"t t t w h h dt c由于水温不是空气焓的直接函数,直接积分有困难,所以,在求解冷却数的时候,一般均采用近似积分方法。
闭式冷却塔热力和阻力计算一、冷却塔热力计算根据换热学公式:Q1=CN△T Q2=KA△T式中:Q1内除盐水热负荷 C比热4.18KJ/(kg.℃) N=L*K1=流量*流量系数进出水温差△T=T1-T2Q2外部冷媒水热负荷 K换热系数(按湿球温度25℃计算)A产品盘管组的换热表面积△T =△T1-△T2/ln(△T1/△T2)△T1=Hin(热除盐水进口温度)-Cin(冷媒水经过盘管温度)△T2=Hout(热除盐水出口温度)-Cout(冷媒水喷淋管盘温度)换热器工作原理说明:换热设备的换热过程是管内被冷却的流体将热量通过管内壁传给管外壁的水膜,再由水膜传给冷却盘管间流动的空气和PVC热交换层的空气。
A、从管内被冷却流体到外部冷媒水排出热负荷Q21=KA△T1、管内流体通过管内壁传给管外壁的水膜K换热系数确定根据此种闭式冷却塔产品的特点,包括风扇机电的功率,湿球温度25摄氏度等因素,这是个组合K值包含管内热流体和管内壁传热系数,管内壁和管外壁传热系数,管外水膜和管外壁传热系数等。
K=1/[1/αi+ri]×do/di+δ/λ×(do/dm)+ro+l/αo]其中:αi为管内热流体与管内壁之间的传热系数ri为管内的垢热阻do为管外径;di为管内径;δ为管壁厚;λ为热导系数dm=(do-di)/ln(do/di)=(0.016-0.0145)/ln(0.016/0.0145)=0.01524ro为管外的垢热阻;αo为管外壁与管外水膜质检的传热系数(1)、热流体在关内的换热系数:Αi=0.023Re0.8.Prn.(λ/di)其中:Re、Pr、λ为管内流体的雷诺数、普兰特数和热导系数加热流体时n=0.4,冷却流体时n=0.3Re=w.di /v其中:w为水在管内的流速v为运动粘度,㎡/s水的平均温度为(54+44)÷2=49℃查水的热物理性质v运动粘度为0.6075*10-6㎡/s普兰特数Pr为3.925热导系数λ64.15×10-2KJ/(kg.℃)(2)、管外壁与管外水膜之间的传热系数:αo=1.3248[GW/(n.A.do)]1/3 kw/㎡.℃其中:GW为换热设备总冷却水量n为水平截面上冷却盘管的管列数A为一列冷却盘管中一排水平管的长度2、换热盘管外喷淋水和空气之间的换热盘管外壁水膜换热分为两部分换热,一部分为在冷却盘管外时水膜和空气间接触的对流换热,一部分为在PVC热交换层上时水膜和空气间接触的对流换热。
ffil论文冷却塔冷却效果数学模型与计算方法*苏振兴1谭志锋1谭小卫1黄祖健2(1.新菱空调(佛冈)有限公司2广东新菱空调科技有限公司)摘要:基于能量和质量守恒方程、能量传递方程及空气与水之间的传质方程,建立叉流流型和逆流流型冷却塔的传热传质数学模型。
通过模型分别计算叉流流型和逆流流型的出口水温和空气湿温度,从而反映冷却塔的冷却效果,为工程设计和优化提供理论依据。
关键词:叉流;逆流;冷却塔;传热;传质0引言冷却塔主要应用于空调冷却、冷冻和塑胶化工等行业,具有广阔的市场前景。
随着国家低碳环保、节能减排等政策的提出,冷却塔向着低能耗、低噪声和环保的趋势发展⑴。
学者Melkel^于]925年首次阐述冷却塔运行机理并建立Melkel模型,该理论虽为后人提供了研究方向及基础,但其忽略了水分的蒸发,且计算精度低、计算量偏繁琐冈,难以得出冷却塔实际运行情况。
本文以应用范围较广的方形冷却塔为研究对象,在Melkel模型、Popped模型和e-NTUP]模型的基础匕口以改进,建立兼顾高计算精度和低计算量的传热传质模型。
1建立传热传质数学模型在计算冷却水与空气热质交换的过程中,为简化计算间,作如下假设:1)水和空气的热质交换过程是稳态的,物性参数为常数;2)流体与环境之间不存在物质交换,为绝热过程;3)传质阻力集中在空气侧;4)冷却水均匀喷淋、传热与传质界面相同;5)不考虑轴向的热质传递。
因此图](a)所示的叉流热质交换过程,可简化为图](b)所示的二维传热传质问题;图2(a)所示的逆流热质交换过程,可简化为图2(b)所示的一维传热传质问题。
1.1叉流流型冷却水与空气的叉流热质交换过程如图1(a)、图1(b)所示。
叉流情况下的能量和质量守恒方程式为%処|%OgtJ=°图1叉流型却塔模型(b)一维简化图填料高度Z-填料厚度填料宽度Z”水HXr空气合图2逆流型冷却塔模型些.丝+丄.亟=0H dz L dx⑵其中,加为空气流量,单位kg/s;屁为空气焙值,单*基金项目:国家重点研发计划项目(2017YFC0704100)2019年第40卷第4期自动化与信息工程17dh a _NTU-Le dz L位kJ/kg ;加w 为水流量,单位kg/s ; t w 为水温,单位。