常用型钢的标注方法,超实用!
- 格式:docx
- 大小:349.96 KB
- 文档页数:9
各种型钢的表示方法一、H型钢(分三种类型:HW宽翼缘H型钢,HM中翼缘H型钢,HN窄翼缘H型钢)H型钢=h×b×t1×t2h为截面高度b为截面宽度t1为腹板厚度t2为翼缘厚度如H200×180×6×8表示:H型钢的高度为200mm,宽度为180mm,腹板厚度为6mm,翼缘厚度为8mm。
二、C型钢(简写C)C型钢=h×b×c×th表示C型钢的截面高度;b表示C型钢的截面宽度;c表示C型钢的卷边宽度;t表示C型钢的厚度。
三、Z型钢(简写Z)Z型钢=h×b×c×th表示Z型钢的截面高度;b表示Z型钢的截面宽度;c表示Z型钢的卷边宽度;t表示Z型钢的厚度。
四、槽钢(一般用型号表示,比如8#槽钢。
)槽钢尺寸表示方法=h×b×t wh表示槽钢腰部的截面高度b表示槽钢腿部的截面宽度t w表示槽钢腰部的厚度五、角钢(简写L)(1)等边角钢L=b×tb表示角钢的截面宽度;t表示角钢的厚度。
(2)不等边角钢L=B×b×tB表示角钢的截面宽度(长的那部分);b表示角钢的截面宽度(短的那部分);t表示角钢的厚度。
六、方通(简写囗)方通=B×b×tB表示方通的截面长度;b表示方通的截面宽度;t表示方通的厚度。
七、压型金属板(简写YX)压型金属板=H×S×B×TH表示压型金属板波高;S表示压型金属板波距;B表示压型金属板波峰的有效覆盖宽度;T表示压型金属板的厚度。
厚度说明材料性能。
比如,YX130-300-600表示压型金属板波高H为130mm,表示压型金属板波距S为300mm,波峰的有效覆盖宽度为600mm。
八、钢管(焊管或无缝管)钢管=Ф×TФ表示钢管直径;T表示钢管厚度。
方琳2012.10.04。
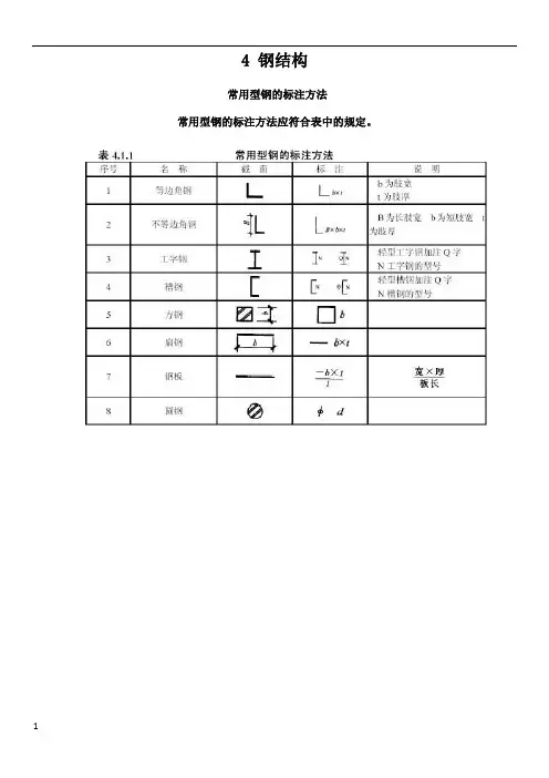
常用型钢的标注方法-超实用!4钢结构4.1常用型钢的标注方法4.1.1常用型钢的标注方法应符合表4.1.1中的规定表4丄1常用型钢的标注方法4.2螺栓、孔、电焊铆钉的表示方法4.2.1螺栓、孔、电焊铆钉的表示方法应符合表4.2.1中的规定。
4・3常用焊缝的表示方法4.3.1焊接钢构件的焊缝除应按现行的国家标准《焊缝符号表示法》(GB324)中的规定外,还应符合本节的各项规定。
4・3・2单面焊缝的标注方法应符合下列规定:1当箭头指向焊缝所在的一面时,应将图形符号和尺寸标注在横线的上方(图4・3・2a);当箭头指向焊缝所在另一面(相对应的那面)时,应将图形符号和尺寸标注在横线的下方(图4・3・2b)。
2表示环绕工作件周围的焊缝时,其围焊焊缝符号为圆圈,绘在引出线的转折处,并标注焊角尺寸K(图4.3.2c)。
国丄乳2啟匿弊醛的标注方法4.3・3双面焊缝的标注,应在横线的上、下都标注符号和尺寸。
上方表示箭头一面的符号和尺寸,下方表示另一面的符号和尺寸(图4.3.3a);当两面的焊缝尺寸相同时,只需在横线上方标注焊缝的符号和尺寸(图4.3.3b、c、d)。
用1.3.3取而焊魅的标注方医4.3.43个和3个以上的焊件相互焊接的焊缝,不得作为双面焊缝标注。
其焊缝符号和尺寸应分别标注(图4.3.4)。
■Fr T ;T rf-4.3.5相互焊接的2个焊件中,当只有1个焊件带坡口时(如单面V 形),引出线箭头必须指向带坡口的焊件(图4・3・5)。
4・3・6相互焊接的2个焊件,当为单面带双边不对称坡口焊缝时,弓|出线箭头必须指向较大坡口的焊件(图4.3.6)。
图4.3.0不对称玻口岸缝的标汁方沽4.3.7当焊缝分布不规则时,在标注焊缝符号的同时,宜在焊缝处加中实线(表示可见焊缝),或加细栅线(表示不可见焊缝)(图4.3.7)。
4.3.8相同焊缝符号应按下列方法表示:个以上痒件的焊旌标注方怯1在同一图形上,当焊缝型式、断面尺寸和辅助要求均相同时,可只选择一处标注焊缝的符号和尺寸,并加注“相同焊缝符号”,相同焊缝符号为3/4圆弧,绘在引出线的转折处(图4.3.8a)。
各种型钢的表示方法一、H型钢(分三种类型:HW宽翼缘H型钢,HM中翼缘H型钢,HN窄翼缘H型钢)按照GB/T11263-2005规定,W、M、N、T分别为英文wide、middle、narrow、thin开头字母。
H型钢=h×b×t1×t2h为截面高度b为截面宽度t1为腹板厚度t2为翼缘厚度H型钢的规格标记用:?H高度x宽度x腹板厚度x翼缘厚度表示。
如:?H800x300x14x26二、C型钢(简写C)C型钢=h×b×c×th表示C型钢的截面高度;b表示C型钢的截面宽度;c表示C型钢的卷边宽度;t表示C型钢的厚度。
三、Z型钢(简写Z)Z型钢=h×b×c×th表示Z型钢的截面高度;b表示Z型钢的截面宽度;c表示Z型钢的卷边宽度;t表示Z型钢的厚度。
四、槽钢(一般用型号表示,比如8#槽钢。
)槽钢尺寸表示方法=h×b×t wh表示槽钢腰部的截面高度b表示槽钢腿部的截面宽度t w表示槽钢腰部的厚度五、角钢(简写L)(1)等边角钢L=b×tb表示角钢的截面宽度;t表示角钢的厚度。
(2)不等边角钢L=B×b×tB表示角钢的截面宽度(长的那部分);b表示角钢的截面宽度(短的那部分);t表示角钢的厚度。
六、方通(简写囗)方通=B×b×tB表示方通的截面长度;b表示方通的截面宽度;t表示方通的厚度。
七、压型金属板(简写YX)压型金属板=H×S×B×TH表示压型金属板波高;S表示压型金属板波距;B表示压型金属板波峰的有效覆盖宽度;T表示压型金属板的厚度。
厚度说明材料性能。
比如,YX130-300-600表示压型金属板波高H为130mm,表示压型金属板波距S为300mm,波峰的有效覆盖宽度为600mm。
八、钢管(焊管或无缝管)钢管=Ф×TФ表示钢管直径;T表示钢管厚度。
各种型钢的表示方法一、H型钢(分三种类型:HW宽翼缘H型钢,HM中翼缘H型钢,HN窄翼缘H型钢)H型钢=h×b×t1×t2h为截面高度b为截面宽度t1为腹板厚度t2为翼缘厚度如H200×180×6×8表示:H型钢的高度为200mm,宽度为180mm,腹板厚度为6mm,翼缘厚度为8mm。
二、C型钢(简写C)C型钢=h×b×c×th表示C型钢的截面高度;b表示C型钢的截面宽度;c表示C型钢的卷边宽度;t表示C型钢的厚度。
三、Z型钢(简写Z)Z型钢=h×b×c×th表示Z型钢的截面高度;b表示Z型钢的截面宽度;c表示Z型钢的卷边宽度;t表示Z型钢的厚度。
四、槽钢(一般用型号表示,比如8#槽钢。
)槽钢尺寸表示方法=h×b×t wh表示槽钢腰部的截面高度b表示槽钢腿部的截面宽度t w表示槽钢腰部的厚度五、角钢(简写L)(1)等边角钢L=b×tb表示角钢的截面宽度;t表示角钢的厚度。
(2)不等边角钢L=B×b×tB表示角钢的截面宽度(长的那部分);b表示角钢的截面宽度(短的那部分);t表示角钢的厚度。
六、方通(简写囗)方通=B×b×tB表示方通的截面长度;b表示方通的截面宽度;t表示方通的厚度。
七、压型金属板(简写YX)压型金属板=H×S×B×TH表示压型金属板波高;S表示压型金属板波距;B表示压型金属板波峰的有效覆盖宽度;T表示压型金属板的厚度。
厚度说明材料性能。
比如,YX130-300-600表示压型金属板波高H为130mm,表示压型金属板波距S为300mm,波峰的有效覆盖宽度为600mm。
八、钢管(焊管或无缝管)钢管=Ф×TФ表示钢管直径;T表示钢管厚度。
方琳2012.10.04。
4 钢结构常用型钢的标注方法常用型钢的标注方法应符合表中的规定。
螺栓、孔、电焊铆钉的表示方法螺栓、孔、电焊铆钉的表示方法应符合表中的规定。
常用焊缝的表示方法焊接钢构件的焊缝除应按现行的国家标准《焊缝符号表示法》(GB 324)中的规定外,还应符合本节的各项规定。
单面焊缝的标注方法应符合下列规定:1 当箭头指向焊缝所在的一面时,应将图形符号和尺寸标注在横线的上方(图;当箭头指向焊缝所在另一面(相对应的那面)时,应将图形符号和尺寸标注在横线的下方(图。
2 表示环绕工作件周围的焊缝时,其围焊焊缝符号为圆圈,绘在引出线的转折处,并标注焊角尺寸K(图。
双面焊缝的标注,应在横线的上、下都标注符号和尺寸。
上方表示箭头一面的符号和尺寸,下方表示另一面的符号和尺寸(图;当两面的焊缝尺寸相同时,只需在横线上方标注焊缝的符号和尺寸(图、c、d)。
3个和3个以上的焊件相互焊接的焊缝,不得作为双面焊缝标注。
其焊缝符号和尺寸应分别标注(图。
相互焊接的2个焊件中,当只有1个焊件带坡口时(如单面V形),引出线箭头必须指向带坡口的焊件(图。
相互焊接的2个焊件,当为单面带双边不对称坡口焊缝时,引出线箭头必须指向较大坡口的焊件(图。
当焊缝分布不规则时,在标注焊缝符号的同时,宜在焊缝处加中实线(表示可见焊缝),或加细栅线(表示不可见焊缝)(图。
相同焊缝符号应按下列方法表示:1 在同一图形上,当焊缝型式、断面尺寸和辅助要求均相同时,可只选择一处标注焊缝的符号和尺寸,并加注“相同焊缝符号”,相同焊缝符号为3/4圆弧,绘在引出线的转折处(图。
2 在同一图形上,当有数种相同的焊缝时,可将焊缝分类编号标注。
在同一类焊缝中可选择一处标注焊缝符号和尺寸。
分类编号采用大写的拉丁字母A、B、C……(图。
需要在施工现场进行焊接的焊件焊缝,应标注“现场焊缝”符号。
现场焊缝符号为涂黑的三角形旗号,绘在引出线的转折处(图。
图样中较长的角焊缝(如焊接实腹钢梁的翼缘焊缝),可不用引出线标注,而直接在角焊缝旁标注焊缝尺寸值K(图。
各种型钢的表示方法一、H型钢(分三种类型:HW宽翼缘H型钢,HM中翼缘H型钢,HN窄翼缘H型钢)H型钢=h×b×t1×t2h为截面高度b为截面宽度t1为腹板厚度t2为翼缘厚度如H200×180×6×8表示:H型钢的高度为200mm,宽度为180mm,腹板厚度为6mm,翼缘厚度为8mm。
二、C型钢(简写C)C型钢=h×b×c×th表示C型钢的截面高度;b表示C型钢的截面宽度;c表示C型钢的卷边宽度;t表示C型钢的厚度。
三、Z型钢(简写Z)Z型钢=h×b×c×th表示Z型钢的截面高度;b表示Z型钢的截面宽度;c表示Z型钢的卷边宽度;t表示Z型钢的厚度。
四、槽钢(一般用型号表示,比如8#槽钢。
)槽钢尺寸表示方法=h×b×t wh表示槽钢腰部的截面高度b表示槽钢腿部的截面宽度t w表示槽钢腰部的厚度五、角钢(简写L)(1)等边角钢L=b×tb表示角钢的截面宽度;t表示角钢的厚度。
(2)不等边角钢L=B×b×tB表示角钢的截面宽度(长的那部分);b表示角钢的截面宽度(短的那部分);t表示角钢的厚度。
六、方通(简写囗)方通=B×b×tB表示方通的截面长度;b表示方通的截面宽度;t表示方通的厚度。
七、压型金属板(简写YX)压型金属板=H×S×B×TH表示压型金属板波高;S表示压型金属板波距;B表示压型金属板波峰的有效覆盖宽度;T表示压型金属板的厚度。
厚度说明材料性能。
比如,YX130-300-600表示压型金属板波高H为130mm,表示压型金属板波距S为300mm,波峰的有效覆盖宽度为600mm。
八、钢管(焊管或无缝管)钢管=Ф×TФ表示钢管直径;T表示钢管厚度。
方琳2012.10.04。
各种型钢的表示方法一、H型钢(分三种类型:HW宽翼缘H型钢,HM中翼缘H型钢,HN窄翼缘H型钢)按照GB/T11263-2005规定,W、M、N、T分别为英文wide、middle、narrow、thin开头字母。
H型钢=h×b×t1×t2h为截面高度b为截面宽度t1为腹板厚度t2为翼缘厚度H型钢的规格标记用:H高度x宽度x腹板厚度x翼缘厚度表示。
如:H800x300x14x26二、C型钢(简写C)C型钢=h×b×c×th表示C型钢的截面高度;b表示C型钢的截面宽度;c表示C型钢的卷边宽度;t表示C型钢的厚度。
三、Z型钢(简写Z)Z型钢=h×b×c×th表示Z型钢的截面高度;b表示Z型钢的截面宽度;c表示Z型钢的卷边宽度;t表示Z型钢的厚度。
四、槽钢(一般用型号表示,比如8#槽钢。
)槽钢尺寸表示方法=h×b×twh表示槽钢腰部的截面高度b表示槽钢腿部的截面宽度tw表示槽钢腰部的厚度五、角钢(简写L)(1)等边角钢L=b×tb表示角钢的截面宽度;t表示角钢的厚度。
(2)不等边角钢L=B×b×tB表示角钢的截面宽度(长的那部分);b表示角钢的截面宽度(短的那部分);t表示角钢的厚度。
六、方通(简写囗)方通=B×b×tB表示方通的截面长度;b表示方通的截面宽度;t表示方通的厚度。
七、压型金属板(简写YX)压型金属板=H×S×B×TH表示压型金属板xx;S表示压型金属板波距;B表示压型金属板xx的有效覆盖宽度;T表示压型金属板的厚度。
厚度说明材料性能。
比如,YX表示压型金属板波高H为130mm,表示压型金属板波距S为300mm,波峰的有效覆盖宽度为600mm。
八、钢管(焊管或无缝管)钢管=Ф×TФ表示钢管直径;T表示钢管厚度。
各种型钢的表示方法一、H型钢(分三种类型:HW宽翼缘H型钢,HM中翼缘H型钢, HN窄翼缘H型钢)H 型钢=h X)Xt1 Xt2h为截面高度b为截面宽度t1为腹板厚度t2为翼缘厚度如H200 X180 0X8表示:H型钢的高度为200mm ,宽度为180mm , 腹板厚度为6mm,翼缘厚度为8mm。
二、C型钢(简写C)C 型钢=h X b X c Xh表示C型钢的截面高度; b表示C型钢的截面宽度; c表示C型钢的卷边宽度; t表示C型钢的厚度。
三、Z型钢(简写Z)Z 型钢=h yb ^c Xth表示Z型钢的截面高度;b表示Z型钢的截面宽度;c表示Z型钢的卷边宽度;t表示Z型钢的厚度。
四、槽钢(一般用型号表示,比如槽8#槽钢。
)钢尺寸表示方法=h xb X wh表示槽钢腰部的截面高度b表示槽钢腿部的截面宽度t w表示槽钢腰部的厚度五、角钢(简写L)(1 )等边角钢L=b Xb表示角钢的截面宽度;t表示角钢的厚度。
(2)不等边角钢L=B X b XB表示角钢的截面宽度(长的那部分)b表示角钢的截面宽度(短的那部分)t表示角钢的厚度。
六、方通(简写口)方通=B xtB表示方通的截面长度; b表示方通的截面宽度;t表示方通的厚度。
七、压型金属板(简写YX)压型金属板=H XS XB XTH表示压型金属板波高;S表示压型金属板波距;B表示压型金属板波峰的有效覆盖宽度;T表示压型金属板的厚度。
厚度说明材料性能。
比如,YX130-300-600 表示压型金属板波高H为130mm,表示压型金属板波距S为300mm,波峰的有效覆盖宽度为600mm。
八、钢管(焊管或无缝管)钢管=①X T①表示钢管直径;T表示钢管厚度。
方琳2012.10.04。
常用型钢标注方法4 钢结构4 4 、1 常用型钢得标注方法4 4 、1 1 、1 1常用型钢得标注方法应符合表4 4 、1 1 、1 1 中得规定。
4 4 、2 螺栓、孔、电焊铆钉得表示方法4 4 、2 2 、1 1 螺栓、孔、电焊铆钉得表示方法应符合表4、2、1 中得规定。
4 4 、3 常用焊缝得表示方法4 4 、3 3 、1 1 焊接钢构件得焊缝除应按现行得国家标准《焊缝符号表示法》(GB 324)中得规定外,还应符合本节得各项规定。
4 4 、3 3 、2 2 单面焊缝得标注方法应符合下列规定:1 当箭头指向焊缝所在得一面时,应将图形符号与尺寸标注在横线得上方(图4、3、2a);当箭头指向焊缝所在另一面(相对应得那面)时,应将图形符号与尺寸标注在横线得下方(图4、3、2b)。
2 表示环绕工作件周围得焊缝时,其围焊焊缝符号为圆圈,绘在引出线得转折处,并标注焊角尺寸K(图4、3、2c)。
4 4 、3 3 、3 3 双面焊缝得标注,应在横线得上、下都标注符号与尺寸。
上方表示箭头一面得符号与尺寸,下方表示另一面得符号与尺寸(图4、3、3a);当两面得焊缝尺寸相同时,只需在横线上方标注焊缝得符号与尺寸(图4、3、3b、c、d)。
4 4 、3 3 、4 4 3 个与3 个以上得焊件相互焊接得焊缝,不得作为双面焊缝标注。
其焊缝符号与尺寸应分别标注(图4、3、4)。
4 4、、3 3、、5 5 相互焊接得2 个焊件中,当只有1 个焊件带坡口时(如单面V 形),引出线箭头必须指向带坡口得焊件(图4、3、5)。
4 4 、3 3、、6 6 相互焊接得2 个焊件,当为单面带双边不对称坡口焊缝时,引出线箭头必须指向较大坡口得焊件(图4、3、6)。
4 4 、3 3 、7 7 当焊缝分布不规则时,在标注焊缝符号得同时,宜在焊缝处加中实线(表示可见焊缝),或加细栅线(表示不可见焊缝)(图4、3、7)。
4 4 、3 3 、8 8 相同焊缝符号应按下列方法表示:1 在同一图形上,当焊缝型式、断面尺寸与辅助要求均相同时,可只选择一处标注焊缝得符号与尺寸,并加注“相同焊缝符号”,相同焊缝符号为3/4 圆弧,绘在引出线得转折处(图4、3、8a)。
常用型钢的标注方法
1. 嘿,你知道工字钢的标注方法吗?就像给它贴上一个专属标签一样!比如说,“I20a”,这里的“I”就表示工字钢啦,20 是它的高度值,而“a”代表着同型号中不同的腿宽和腰厚呢!这样是不是一下就清楚了呀?
2. 咱再说说槽钢呀!你看“[10”,这就是表示槽钢哦,是不是很简单?就像认识一个新朋友一样轻松呢!然后通过不同的数字来区分各种规格,多有意思呀!
3. 还有角钢呢,可别小瞧它哟!比如“∠30×30×3”,这就能清楚地
知道这个角钢的边长和厚度啦,是不是像在破解一个有趣的密码呀?
4. 那 H 型钢呢,听我给你讲呀!“HW150×150”,这样的标注是不
是很直白呀,一下就告诉你它的型号和尺寸了,就像有人直接告诉你答案一样爽歪歪!
5. 扁钢也有它独特的标注方法呢!“-30×4”,很简单明了吧,宽度和厚度一下子就呈现出来了,就像把它的特点直接摆在你面前呢!
6. 圆钢的标注也不难哦!“Φ12”,这就是告诉你它的直径啦,是不是超级容易呀,感觉像是找到了一个神奇的符号!
7. 那花纹板呢?“扁豆型花纹板×1250×6000”,你看这样详细的标注,是不是对它的情况一目了然呀,就像把它看个透彻一样呢!总之,这些常用型钢的标注方法其实都不难,只要用心去了解,就很容易记住啦!。
常用钢材的表示方法
一、型钢
常见的型钢有圆钢、方钢、扁钢、六角钢、八角钢、工字钢、槽钢、角钢、异型钢、盘条等。
每种型钢的规格都有一定的表示方法。
圆钢的规格以“直径”表示,如圆钢φ20mm。
方钢的规格以“边长×边长”表示,如方钢20mm×20mm。
扁钢的规格以“边宽×边厚”表示,例如扁钢20mm×10mm。
工字钢和槽钢的规格以“高×腿宽×腰厚”表示,如工字钢100mm×55mm×405mm,槽钢200mm×75mm×9mm。
等边角钢的规格以“边宽×边宽×边厚”表示;
不等边角钢的规格以“长边宽×短边宽×边厚”表示,如80mm×50mm×6mm。
二、钢板
钢板通常分为薄板(厚度≤4mm)、厚板(厚度>4mm)和钢带。
厚板经热轧而成,薄板有热轧和冷轧两种。
薄板可经热镀锌、电镀锡等处理,制成镀锌薄钢板(俗称白铁皮)和镀锡薄钢板(俗称马口铁)。
钢带是厚度较薄、宽度较窄、长度很长的钢板,也分热轧和冷轧两种。
三、钢管
钢管分为无缝钢管和焊接钢管,断面多为圆形。
无缝钢管的规格以“外径×壁厚×长度”表示,若无长度要求,则只写“外径×壁厚”。
四、钢丝
钢丝的种类很多,其规格以“直径”表示。
1 / 1。
各种型钢的表示方法一、H型钢(分三种类型:HW宽翼缘H型钢,HM中翼缘H型钢,HN窄翼缘H型钢)H型钢=h×b×t1×t2h为截面高度b为截面宽度t1为腹板厚度t2为翼缘厚度如H200×180×6×8表示:H型钢的高度为200mm,宽度为180mm,腹板厚度为6mm,翼缘厚度为8mm。
二、C型钢(简写C)C型钢=h×b×c×th表示C型钢的截面高度;b表示C型钢的截面宽度;c表示C型钢的卷边宽度;t表示C型钢的厚度。
三、Z型钢(简写Z)Z型钢=h×b×c×th表示Z型钢的截面高度;b表示Z型钢的截面宽度;c表示Z型钢的卷边宽度;t表示Z型钢的厚度。
四、槽钢(一般用型号表示,比如8#槽钢。
)槽钢尺寸表示方法=h×b×t wh表示槽钢腰部的截面高度b表示槽钢腿部的截面宽度t w表示槽钢腰部的厚度五、角钢(简写L)(1)等边角钢L=b×tb表示角钢的截面宽度;t表示角钢的厚度。
(2)不等边角钢L=B×b×tB表示角钢的截面宽度(长的那部分);b表示角钢的截面宽度(短的那部分);t表示角钢的厚度。
六、方通(简写囗)方通=B×b×tB表示方通的截面长度;b表示方通的截面宽度;t表示方通的厚度。
七、压型金属板(简写YX)压型金属板=H×S×B×TH表示压型金属板波高;S表示压型金属板波距;B表示压型金属板波峰的有效覆盖宽度;T表示压型金属板的厚度。
厚度说明材料性能。
比如,YX130-300-600表示压型金属板波高H为130mm,表示压型金属板波距S为300mm,波峰的有效覆盖宽度为600mm。
八、钢管(焊管或无缝管)钢管=Ф×TФ表示钢管直径;T表示钢管厚度。
方琳2012.10.04。
4钢结构4.1常用型钢得标注方法4。
1。
1常用型钢得标注方法应符合表4、1。
1中得规定。
4、2 螺栓、孔、电焊铆钉得表示方法4、2、1螺栓、孔、电焊铆钉得表示方法应符合表4。
2、1中得规定、4.3常用焊缝得表示方法4。
3。
1焊接钢构件得焊缝除应按现行得国家标准《焊缝符号表示法》(GB 324)中得规定外,还应符合本节得各项规定、ﻫ4。
3。
2单面焊缝得标注方法应符合下列规定:1 当箭头指向焊缝所在得一面时,应将图形符号与尺寸标注在横线得上方(图4.3。
2a);当箭头指向焊缝所在另一面(相对应得那面)时,应将图形符号与尺寸标注在横线得下方(图4。
3。
2b)。
2 表示环绕工作件周围得焊缝时,其围焊焊缝符号为圆圈,绘在引出线得转折处,并标注焊角尺寸K(图 4.3.2c)。
ﻫﻫﻫ4.3。
3双面焊缝得标注,应在横线得上、下都标注符号与尺寸、上方表示箭头一面得符号与尺寸,下方表示另一面得符号与尺寸(图4、3.3a);当两面得焊缝尺寸相同时,只需在横线上方标注焊缝得符号与尺寸(图 4.3、3b、c、d)、ﻫﻫ4.3。
43个与3个以上得焊件相互焊接得焊缝,不得作为双面焊缝标注、其焊缝符号与尺寸应分别标注(图4.3.4)。
ﻫ4、3、5相互焊接得2个焊件中,当只有1个焊件带坡口时(如单面V形),引出线箭头必须指向带坡口得焊件(图4.3、5)、ﻫﻫ4。
3.6相互焊接得2个焊件,当为单面带双边不对称坡口焊缝时,引出线箭头必须指向较大坡口得焊件(图4。
3。
6)。
ﻫﻫ4.3.7当焊缝分布不规则时,在标注焊缝符号得同时,宜在焊缝处加中实线(表示可见焊缝),或加细栅线(表示不可见焊缝)(图4、3、7)。
ﻫﻫﻫ4。
3.8相同焊缝符号应按下列方法表示:1 在同一图形上,当焊缝型式、断面尺寸与辅助要求均相同时,可只选择一处标注焊缝得符号与尺寸,并加注“相同焊缝符号”,相同焊缝符号为3/4圆弧,绘在引出线得转折处(图4。
3.8a)。
ﻫﻫ2 在同一图形上,当有数种相同得焊缝时,可将焊缝分类编号标注、在同一类焊缝中可选择一处标注焊缝符号与尺寸。
钢结构常用型钢的标注方法
钢结构常用型钢的标注方法通常遵循国际和国家标准,采用以下标注方式:
1. 标注名称:型钢的标注名称一般由形状和尺寸组成,例如,H型钢,I型钢,角钢等。
2. 型号标注:每种类型的钢结构都有不同的型号,用于区分不同型号的型钢。
型号通常由数字和字母组成,如H100x100x6x8,其中H表示H型钢,100x100表示截面尺寸,6表示腰板的厚度,8表示腿板的厚度。
3. 型钢的重量标注:型钢的重量标注一般以公斤或吨为单位,表示型钢的重量。
4. 钢材的质量等级标注:钢材的质量等级标注是根据国家标准,按照力学性能和化学成分进行分类,并通过字母和数字进行标注,如Q235B,Q345B等。
5. 钢材的执行标准标注:钢材的执行标准标注是指钢材符合的国家或行业标准,通常通过标准编号来表示,如GB/T 706-2008。
总之,钢结构常用型钢的标注方法是通过标注名称、型号标注、重量标注、质量等级标注和执行标准标注等方式来进行标注。
4钢结构4.1常用型钢的标注方法4.1.1常用型钢的标注方法应符合表 4.1.1中的规定S 4.1.14.2螺栓、孔、电焊铆钉的表示方法421螺栓、孔、电焊铆钉的表示方法应符合表 4.2.1中的规定表 4.2.1I 幣“十“氓农示廿:诜2 M 农示螺程型哥3"表示噱怜孔胃轮4川袤承畛胀磔林*业烽撫钉直径5采用引岀线标注摞栓时・ 崖规牖「横标注螺拴孔宜程|':<4.3常用焊缝的表示方法431焊接钢构件的焊缝除应按现行的国家标准《焊缝符号表示法》(GB 324)中的规定外,还应符合本节的各项规定。
4.3.2单面焊缝的标注方法应符合下列规定:1当箭头指向焊缝所在的一面时,应将图形符号和尺寸标注在横线的上方(图4.3.2a);当箭头指向焊缝所在另一面(相对应的那面)时,应将图形符号和尺寸标注在横线的下方(图4.3.2b)。
2表示环绕工作件周围的焊缝时,其围焊焊缝符号为圆圈,绘在引出线的转折处,并标注焊角尺寸K(图 4.3.2c)。
宙4.3.2 的标注方法4.3.3双面焊缝的标注,应在横线的上、下都标注符号和尺寸。
上方表示箭头一面的符号和尺寸, 下方表示另一面的符号和尺寸(图4.3.3a);当两面的焊缝尺寸相同时,只需在横线上方标注焊缝的符号和尺寸(图4.3.3b、c、d)。
何It) 4. 3d 职而澤牺的称拄方肚434 3个和3个以上的焊件相互焊接的焊缝,不得作为双面焊缝标注。
其焊缝符号和尺寸应分别标注(图434)。
X图4* 3d 3个W t.«件的焯蜒标注方法435相互焊接的2个焊件中,当只有1个焊件带坡口时(如单面V形),引出线箭头必须指向带PH 4,3. ■- I 个憚件带秋口询焊处标桂方痣436相互焊接的2个焊件,当为单面带双边不对称坡口焊缝时,引出线箭头必须指向较大坡口的焊件(图4.3.6)437当焊缝分布不规则时,在标注焊缝符号的同时,宜在焊缝处加中实线 (表示可见焊缝),或加细栅线(表示不可见焊缝)(图437)。
各种型钢的表示方法一、H型钢(分三种类型:HW宽翼缘H型钢,HM中翼缘H型钢,HN窄翼缘H型钢)H型钢=h×b×t1×t2h为截面高度b为截面宽度t1为腹板厚度t2为翼缘厚度如H200×180×6×8表示:H型钢的高度为200mm,宽度为180mm,腹板厚度为6mm,翼缘厚度为8mm。
二、C型钢(简写C)C型钢=h×b×c×th表示C型钢的截面高度;b表示C型钢的截面宽度;c表示C型钢的卷边宽度;t表示C型钢的厚度。
三、Z型钢(简写Z)Z型钢=h×b×c×th表示Z型钢的截面高度;b表示Z型钢的截面宽度;c表示Z型钢的卷边宽度;t表示Z型钢的厚度。
四、槽钢(一般用型号表示,比如8#槽钢。
)槽钢尺寸表示方法=h×b×t wh表示槽钢腰部的截面高度b表示槽钢腿部的截面宽度t w表示槽钢腰部的厚度五、角钢(简写L)(1)等边角钢L=b×tb表示角钢的截面宽度;t表示角钢的厚度。
(2)不等边角钢L=B×b×tB表示角钢的截面宽度(长的那部分);b表示角钢的截面宽度(短的那部分);t表示角钢的厚度。
六、方通(简写囗)方通=B×b×tB表示方通的截面长度;b表示方通的截面宽度;t表示方通的厚度。
七、压型金属板(简写YX)压型金属板=H×S×B×TH表示压型金属板波高;S表示压型金属板波距;B表示压型金属板波峰的有效覆盖宽度;T表示压型金属板的厚度。
厚度说明材料性能。
比如,YX130-300-600表示压型金属板波高H为130mm,表示压型金属板波距S为300mm,波峰的有效覆盖宽度为600mm。
八、钢管(焊管或无缝管)钢管=Ф×TФ表示钢管直径;T表示钢管厚度。
方琳2012.10.04。
各种型钢的表示方法一、H型钢(分三种类型:HW宽翼缘H型钢,HM中翼缘H型钢,HN窄翼缘H型钢) H 型钢=h×b×t1×t2 h为截面高度b为截面宽度t1为腹板厚度 t2为翼缘厚度如H200×180×6×8表示:H型钢的高度为200mm,宽度为180mm,腹板厚度为6mm,翼缘厚度为8mm.二、C型钢(简写C)C型钢=h×b×c×t h表示C型钢的截面高度; b表示C型钢的截面宽度; c表示C型钢的卷边宽度; t表示C型钢的厚度.三、Z型钢(简写Z) Z型钢=h×b×c×t h表示Z型钢的截面高度; b表示Z型钢的截面宽度; c 表示Z型钢的卷边宽度; t表示Z型钢的厚度。
四、槽钢(一般用型号表示,比如8#槽钢。
)槽钢尺寸表示方法=h×b×tw h表示槽钢腰部的截面高度 b表示槽钢腿部的截面宽度 tw表示槽钢腰部的厚度五、角钢(简写L)(1)等边角钢L=b×t b表示角钢的截面宽度; t表示角钢的厚度。
(2)不等边角钢L=B×b×tB表示角钢的截面宽度(长的那部分); b表示角钢的截面宽度(短的那部分); t表示角钢的厚度。
六、方通(简写囗)方通=B×b×tB表示方通的截面长度; b表示方通的截面宽度; t表示方通的厚度。
七、压型金属板(简写YX)压型金属板=H×S×B×T H表示压型金属板波高; S表示压型金属板波距;B表示压型金属板波峰的有效覆盖宽度; T表示压型金属板的厚度.厚度说明材料性能。
比如,YX130-300—600表示压型金属板波高H为130mm,表示压型金属板波距S为300mm,波峰的有效覆盖宽度为600mm。
八、钢管(焊管或无缝管)钢管=Ф×T Ф表示钢管直径; T表示钢管厚度。
4钢结构
4.1常用型钢的标注方法
4.1.1常用型钢的标注方法应符合表 4.1.1中的规定
续表
4.2螺栓、孔、电焊铆钉的表示方法
421螺栓、孔、电焊铆钉的表示方法应符合表 4.2.1中的规定
4.3常用焊缝的表示方法
4.3.1焊接钢构件的焊缝除应按现行的国家标准《焊缝符号表示法》(GB 324)中的规定外,还应
符合本节的各项规定。
4.3.2单面焊缝的标注方法应符合下列规定:
1当箭头指向焊缝所在的一面时,应将图形符号和尺寸标注在横线的上方(图432a);当箭头
指向焊缝所在另一面(相对应的那面)时,应将图形符号和尺寸标注在横线的下方(图4.3.2b)。
2表示环绕工作件周围的焊缝时,其围焊焊缝符号为圆圈,绘在引出线的转折处,并标注焊角尺寸K (图4.3.2c)。
(b}
图4. 3. 2单血烬縫的标注方法
下都标注符号和尺寸。
上方表示箭头一面的符号和尺寸,
当两面的焊缝尺寸相同时,只需在横线上方标注焊缝的 Λ
f
4.3.3双面焊缝的标注,应在横线的上、 下方表示另一面的符号和尺寸(图4.3.3a ); 符号和尺寸(图4.3.3b 、c 、d )。
4.3.4 3个和3个以上的焊件相互焊接的焊缝,不得作为双面焊缝标注。
其焊缝符号和尺寸应分 别标注(图4.3.4)。
1*1 4,3.3 职面焊蛭的林注方法
图4.3.4 3亍以上焊件的焊缝标注方法
4.3.5相互焊接的2个焊件中,当只有1个焊件带坡口时(如单面V 形),引出线箭头必须指向带 坡口的焊件(图4.3.5)。
436相互焊接的2个焊件,当为单面带双边不对称坡口焊缝时,引出线箭头必须指向较大坡口 的焊件(图436)。
437当焊缝分布不规则时,在标注焊缝符号的同时,宜在焊缝处加中实线(表示可见焊缝),或 加细栅线(表示不可见焊缝)(图437)。
438相同焊缝符号应按下列方法表示:
1在同一图形上,当焊缝型式、断面尺寸和辅助要求均相同时, 可只选择一处标注焊缝的符号和 尺寸,并加注“相同焊缝符号”,相同焊缝符号为 3/4圆弧,绘在引出线的转折处(图4.3.8a )。
2在同一图形上,当有数种相同的焊缝时,可将焊缝分类编号标注。
在同一类焊缝中可选择一处 标注焊缝符号和尺寸。
分类编号采用大写的拉丁字母 A 、B C,(图4.3.8b )。
图1.X 5
;牛烬件带圾口的
W≡k⅛
方挂
图4. 3t ⅛不对称坡口焊缝的尿汁方j⅛
图S t 3, 7不规躅焊墟的标注方袪
Ul
图r 3.8相同烬缝的表示方法
439
需要在施工现场进行焊接的焊件焊缝,应标注“现场焊缝”符号。
现场焊缝符号为涂黑的
三角形
旗号,绘在引出线的转折处(图439)。
4.3.10图样中较长的角焊缝(如焊接实腹钢梁的翼缘焊缝),可不用引出线标注,而直接在角焊缝旁标注焊缝尺寸值K(图4310)。
图4. 3. IO 较按焊缝的标注方法
4311熔透角焊缝的符号应按图4311方式标注。
熔透角焊缝的符号为涂黑的圆圈,绘在引出线的转折处。
图1. 3F Il熔透角如缝的标注方法
4.3.12局部焊缝应按图4312方式标注。
ffi t 3, \2局都焊缝的标注方法
4.4尺寸标注
两构件的两条很近的重心线,应在交汇处将其各自向外错开(图441)
F ---- -,' ~
I ----- -- ---------- ^τ
tt∏jj两构件审心线不强合的袤示方迭
4.4.2弯曲构件的尺寸应沿其弧度的曲线标注弧的轴线长度(图4.4.2)
图1.1.2弯曲构件尺寸的标注方法
4.4.3切割的板材,应标注各线段的长度及位置(图443)。
O
4.4.4不等边角钢的构件,必须标注出角钢一肢的尺寸(图444)
441
2L⅛Xt∕
Jl*x<∕
ffl 4.4.4节点尺寸及不等边為钢的标注方搖
445节点尺寸,应注明节点板的尺寸和各杆件螺栓孔中心或中心距,以及杆件端部至几何中心线交点的距离(图444、图445)。
4.4.6双型钢组合截面的构件,应注明缀板的数量及尺寸(图446)。
引出横线上方标注缀板的数量及缀板的宽度、厚度,引出横线下方标注缀板的长度尺寸。
4.4.7非焊接的节点板,应注明节点板的尺寸和螺栓孔中心与几何中心线交点的距离(图4.4.7)。
图4. 4.5传点尺寸的标注方法
用4・4.6缀板的标注方法
图4.4.7 «:烬侵节点板尺寸的标注方法。