哈工大数字电路实验报告实验一
- 格式:doc
- 大小:291.04 KB
- 文档页数:10
姓名班级学号实验日期节次5-6 教师签字成绩实验名称简易数字钟的设计1.实验目的〔1〕用计数器相关知识设计一个简易的数字钟,分和秒为六十进制。
〔2〕了解中规模计数器的应用,通过独立设计和实践掌握74LS00和74LS161等芯片的功能。
〔3〕锻炼动手能力,通过实际操作稳固所学知识,培养学习兴趣。
本实验旨在以计数器为核心,设计和调试出六十进制计数器,并进行两个六十进制计数器的级联。
选用了74LS161芯片来设计一个六十进制计数器,然后和74LS90构成的六十进制计数器进行级联,得到数字时钟。
74LS161芯片为集成同步加法计数器,具有清零、置数、保持等功能,其引脚图如下:74LS00芯片的管脚图如下:用74LS161实现异步进位级联六十进制计数器,高位芯片的时钟端来自低位芯片的输出端Q3,低位芯片采用异步清零法实现十进制计数器,高位芯片也采用同样的方法实现六进制计数器,级联后得到六十进制计数器。
当74LS161所构成六十进制计数器的高位芯片为六进制计数器,当输出为0110时控制清零端进行清零,由0110变为0000,Q3会产生一个下降沿,将Q3端通过一个与非门连到74LS161的CP端,经过与非门后的下降沿变为上升沿,触发74LS161芯计数。
用实验板上输出周期为1s的方波信号,加到低位74LS161芯片计数器的输入端,即可带动整个时钟开始跳动。
分和秒为六十进制,循环计时。
用Multisim13.0绘制实验电路图如下:4. 仪器设备名称、型号数字电子技术实验箱直流稳压电源数字万用表74LS161、74LS00芯片导线假设干接通电源后,秒个位显示0到9,秒十位显示0到5,分个位显示0到9,分十位显示0到5。
最大输出为59分59秒,之后回0,循环计数。
仿真结果如下列图,左上为秒低位,右上为秒高位,左下为分低位,右下为分高位。
6.详细实验步骤及实验结果数据记录〔包括各仪器、仪表量程及内阻的记录〕〔1〕检查导线是否完好〔2〕按电路图所示连好电路。
哈工大数字逻辑电路与系统实验报告引言本实验旨在通过对数字逻辑电路与系统的学习与实践,加深对数字逻辑电路原理和应用的理解,掌握数字逻辑电路实验的设计与调试方法。
本报告将详细介绍实验步骤、实验结果以及实验心得体会。
实验目的1.掌握基本的数字逻辑电路设计方法;2.熟悉数字逻辑电路的布线和调试方法;3.学会使用EDA软件进行数字逻辑电路的仿真和验证。
实验器材•FPGA开发板•EDA软件实验过程实验一:逻辑门的基本控制本实验采用FPGA开发板进行实验,以下是逻辑门的基本控制步骤:1.打开EDA软件,新建工程;2.选择FPGA开发板型号,并进行相应配置;3.在原理图设计界面上,依次放置与门、或门、非门和异或门,并连接输入输出引脚;4.面向测试向量实现逻辑门的控制和数据输入;5.运行仿真并进行调试。
实验二:数字逻辑电路实现本实验以4位全加器为例,进行数字逻辑电路的实现,以下是实验步骤:1.打开EDA软件,新建工程;2.选择FPGA开发板型号,并进行相应配置;3.在原理图设计界面上,放置输入引脚、逻辑门和输出引脚,并进行连接;4.根据全加器的真值表,设置输入信号,实现加法运算;5.运行仿真并进行调试。
实验三:数字逻辑电路的串联与并联本实验旨在通过对数字逻辑电路的串联与并联实现,加深对逻辑门的理解与应用。
以下是实验步骤:1.打开EDA软件,新建工程;2.选择FPGA开发板型号,并进行相应配置;3.在原理图设计界面上,放置多个逻辑门,并设置输入输出引脚;4.进行逻辑门的串联与并联连接;5.根据逻辑门的真值表,设置输入信号,进行运算;6.运行仿真并进行调试。
实验结果经过实验测试,实验结果如下:1.实验一:逻辑门的基本控制–与门的功能得到实现;–或门的功能得到实现;–非门的功能得到实现;–异或门的功能得到实现。
2.实验二:数字逻辑电路实现–4位全加器的功能得到实现;–正确进行了加法运算。
3.实验三:数字逻辑电路的串联与并联–逻辑门的串联与并联功能得到实现;–通过逻辑门的串联与并联,实现了复杂的逻辑运算。
姓名班级学号实验日期2014.11. 节次教师签字成绩实验名称出租车计价表的简单逻辑设计1.实验目的(1)掌握并熟练运用集成同步加法计数器74LS160芯片的清零、置数和级联功能的接法,并能综合运用这些接法实现进制改变等功能。
(2)掌握并熟练运用中规模4位二进制码比较器74LS85芯片的数码比较功能。
(3)用若干集成同步加法计数器74LS160芯片和中规模4位二进制码比较器74LS85芯片组合设计出租车计价表电路,使之实现如下功能:起步价为3公里内8元,超过3公里每公里收2元,停车不计费,将最后的钱数通过数码管显示。
2.总体设计方案或技术路线(1)行车距离的模拟:在车轮上安装传感器,获得车轮转动信息,即获得行车距离信息,将出租车行驶距离转换成与之成正比的脉冲个数。
本实验设定每100m产生一个脉冲,脉冲频率反应行车速度,脉冲源由示波器的信号发生器提供。
(2)基本计数电路:,将该脉冲作为74LS160(I)的时钟,通过同步每100米产生一个脉冲CP置数对该脉冲进行5分频,那么得到的脉冲CP为每500m(1里)产生一次。
1作为距离计数单位以便距离累加电路进行距离累加。
CP1作为价格计数单位则为1元/里,以便计价电路进行价格累加;CP1(3)距离累加电路:将74LS160(II)和74LS160(III)通过级联构成一个0~99的加法计数器,作为他们的时钟。
然后分别把对行驶距离进行累计(距离单位:里),其中CP1两个芯片和数码管连接显示行驶距离。
因此该计价表行驶距离最大值为99里,即49.5公里。
(4)比较判断电路:将CP1作为74LS160(IV)的时钟,实现距离累加功能,与(3)不同的是它的输出端QD QCQBQA与74LS85的A3A2A1A相连,而B3B2B1B为0110,意味着6个500m即3公里,当74LS160(IV)输出小于或等于3公里时,A>B端为低电平,当输出大于3公里时,A>B端为高电平。
Harbin Institute of Technology数字电路自主设计实验院系:航天学院班级:姓名:学号:指导教师:哈尔滨工业大学一、实验目的1.进一步掌握数字电路课程所学的理论知识。
2.熟悉几种常用集成数字芯片的功能和应用,并掌握其工作原理,进一步学会使用其进行电路设计。
3.了解数字系统设计的基本思想和方法,学会科学分析和解决问题。
4.培养认真严谨的工作作风和实事求是的工作态度。
5.数电课程实验为我们提供了动手实践的机会,增强动手实践的能力。
二、实验要求设计流水灯,即一排灯按一定的顺序逐次点亮,且可调频、暂停、步进。
三、实验步骤1.设计电路实现题目要求,电路在功能相当的情况下设计越简单越好;2. 画出电路原理图(或仿真电路图);3.元器件及参数选择;4.电路仿真与调试;5.到实验时进行电路的连接与功能验证,注意布线,要直角连接,选最短路径,不要相互交叉,注意用电安全,所加电压不能太高,以免烧坏芯片;6.找指导教师进行实验的检查与验收;7.编写设计报告:写出设计与制作的全过程,附上有关资料和图纸,心得体会。
四、实验原理设计流水灯的方法有很多种,我的设计思路是:利用555定时器产生秒脉冲信号,74LS161组成8进制计数器,74LS138进行译码,点亮电平指示灯。
并通过调节555的电阻,实现频率可调。
通过两与非门,实现暂停、步进功能。
1.秒信号发生器(1)555定时器结构(2)555定时器引脚图(3)555定时器功能表(4)555定时器仿真图2. 74LS161实现8进制加计数74LS161是常用的四位二进制可预置的同步加法计数器,它可以灵活地运用在各种数字电路,以及单片机系统中实现分频器等很多重要的功能。
(1)74LS161同步加法器引脚图管脚图介绍:始终CP和四个数据输入端P0-P3清零CLR使能EP,ET置数PE数据输出端Q0-Q3进位输出TC(2)74LS161功能表(5)74LS161仿真图对74LS161进行八进制计数改组,需要一个与非门,即芯片74LS00,也就是将74LS161的输出端通过与非门,当输出为8时将输出为高电平的端口与非后接到74LS161的清零段。
《数字电路》实验报告项目一逻辑状态测试笔的制作一、项目描述本项目制作的逻辑状态测试笔,由集成门电路芯片74HC00、发光二极管、电阻等元器件组成,项目相关知识点有:基本逻辑运算、基本门电路、集成逻辑门电路等;技能训练有:集成逻辑二、项目要求用集成门电路74HC00制作简易逻辑状态测试笔。
要求测试逻辑高电平时,红色发光二极管亮,测试逻辑低电平时绿色发光二极管亮。
三、原理框图四、主要部分的实现方案当测试探针A测得高电平时,VD1导通,三级管V发射级输出高电平,经G1反相后,输出低电平,发光二级管LED1导通发红光。
又因VD2截止,相当于G1输入端开路,呈高电平,输出低电平,G3输出高电平,绿色发光二级管LED2截止而不发光。
五、实验过程中遇到的问题及解决方法(1)LED灯不能亮:检查硬件电路有无接错;LED有无接反;LED有无烧坏。
(2)不能产生中断或中断效果:检查硬件电路有无接错;程序中有无中断入口或中断子程序。
(3)输入电压没有反应:数据原理图有没有连接正确,检查显示部分电路有无接错;4011逻辑门的输入端有无浮空。
六、心得体会第一次做的数字逻辑试验是逻辑状态测试笔,那时什么都还不太了解,听老师讲解完了之后也还不知道从何下手,看到前面的人都起先着手做了,心里很焦急可就是毫无头绪。
老师说要复制一些文件协助我们做试验(例如:试验报告模板、试验操作步骤、引脚等与试验有关的文件),还让我们先画原理图。
这时,关于试验要做什么心里才有了一个模糊的框架。
看到别人在拷贝文件自己又没有U盘只好等着借别人的用,当然在等的时候我也画完了逻辑测试笔的实操图。
后面几次都没有过,但最后真的发觉试验的次数多了,娴熟了,知道自己要做的是什么,明确了目标,了解了方向,其实也没有想象中那么困难。
七、元器件一逻辑状态测试笔电路八、附实物图项目二多数表决器电路设计与制作一、项目描述本项目是以组合逻辑电路的设计方法,用基本门电路的组合来完成具有多数表决功能的电路。
门电路逻辑功能及测试1.实验目的➢熟悉门电路逻辑功能;➢掌握数字示波器的使用方法。
2.预习要求➢复习门电路工作原理及相应逻辑表达式;➢阅读本实验所用各门电路IC 的数据手册;➢熟悉所用集成电路的引线位置及各引线用途;➢了解数字示波器使用方法。
3.实验器材4.实验内容4.1测试门电路逻辑功能⑴ 选用双四输入与非门74LS20 一只,插入面包板,按图1.1 接线⑵ 将逻辑电平开关按表 1.1 状态转换,测出输出逻辑状态值及电压值填表。
表 1.100.1231 4.021 4.021 4.021 4.024.2 逻辑电路的逻辑关系⑴ 用74LS00 双输入四与非门电路,按图1.2、图1.3 接线,将输入输出逻辑关系分别填入表1.2,表1.3 中。
0 0 01 1 01 1 00 0 1⑵ 写出两个电路的逻辑表达式。
Y=A'B+AB' Z=AB4.3利用与非门控制输出用一片 74LS00 按图 1.4 接线。
S 分别接高、低电平开关,用示波器观察S 对输出脉冲的控制作用。
在下面画出波形图:4.3.14.3.24.4用与非门组成其他门电路⑴ 组成或非门:1 0 0 0 0 1 1 0用一片二输入端四与非门组成或非门画出电路图,测试并填表1.4。
⑵ 组成异或门:①将异或门表达式转化为与非门表达式:A'B+AB'=[(A'B+AB')']'=[(A'B)'(AB')']'②画出逻辑电路图③测试并填表 1.5。
4.5异或门逻辑功能测试选二输入四异或门电路74LS86,按图1.5 接线,输入端1、2、4、5 接电平开关输出插口,输出端A、B、Y 接电平显示发光二极管。
将电平开关按表1.6 的状态转换,将结果填入表中。
0 0 0 0.000671 0 1 5.020 0 0 0.000670 1 1 5.020 0 0 0.000671 1 0 0.001324.6 逻辑门传输延迟时间的测量用六反相器 74LS04 逻辑电路按图 1.6 接线,输入 1KHz 脉冲,将输入脉冲和输出脉冲分别接入数字示波器两路输入端,观察并记录输入、输出端的延时值,计算出每个门的平均延时值。
数电实验报告实验一心得引言本实验是数字电路课程的第一次实验,旨在通过实际操作和观察,加深对数字电路基础知识的理解和掌握。
本次实验主要涉及布尔代数、逻辑门、模拟开关和数字显示等内容。
在实验过程中,我对数字电路的原理和实际应用有了更深入的了解。
实验一:逻辑门电路的实验实验原理逻辑门是数字电路中的基本组件,它能够根据输入的布尔值输出相应的结果。
常见的逻辑门有与门、或门、非门等。
本次实验主要是通过搭建逻辑门电路实现布尔函数的运算。
实验过程1. 首先,我按照实验指导书上的电路图,使用示波器搭建了一个简单的与门电路。
并将输入端连接到两个开关,输出端连接到示波器,以观察电路的输入和输出信号变化。
2. 其次,我打开示波器,观察了两个开关分别为0和1时的输出结果。
当两个输入均为1时,示波器上的信号为高电平,否则为低电平。
3. 我进一步观察了两个开关都为1时的输出信号波形。
通过示波器上的脉冲信号可以清晰地看出与门的实际运行过程,验证了实验原理的正确性。
实验结果和分析通过本次实验,我成功地搭建了一个与门电路,并观察了输入和输出之间的关系。
通过示波器上的信号波形,我更加直观地了解了数字电路中布尔函数的运算过程。
根据实验结果和分析,我可以总结出:1. 逻辑门电路可以根据布尔函数进行输入信号的运算,输出相应的结果。
2. 在与门电路中,当输入信号均为1时,输出信号为1,否则为0。
3. 示例器可以实时显示电路的输入和输出信号波形,方便实验者观察和分析。
结论通过本次实验,我对数字电路的基本原理和逻辑门电路有了更深刻的理解。
我学会了如何搭建逻辑门电路,并通过示波器观察和分析输入和输出信号的变化。
这对我进一步理解数字电路的设计和应用具有重要意义。
通过实验,我还锻炼了动手操作、实际观察和分析问题的能力。
实验过程中,需要认真对待并细致观察电路的运行情况,及时发现和解决问题。
这些能力对于今后的学习和研究都非常重要。
总之,本次实验让我更好地理解了数字电路的基本原理和应用,提高了我的实验能力和观察分析能力。
实验一数字电路实验基础一、实验目的⑴掌握实验设备的使用和操作⑵掌握数字电路实验的一般程序⑶了解数字集成电路的基本知识二、预习要求复习数字集成电路相关知识及与非门、或非门相关知识三、实验器材⑴直流稳压电源、数字逻辑电路实验箱、万用表⑵74LS00、74LS02、74LS48四、实验内容和步骤1、实验数字集成电路的分类及特点目前,常用的中、小规模数字集成电路主要有两类。
一类是双极型的,另一类是单极型的。
各类当中又有许多不同的产品系列。
⑴双极型双极型数字集成电路以TTL电路为主,品种丰富,一般以74(民用)和54(军用)为前缀,是数字集成电路的参考标准。
其中包含的系列主要有:▪标准系列——主要产品,速度和功耗处于中等水平▪LS系列——主要产品,功耗比标准系列低▪S系列——高速型TTL、功耗大、品种少▪ALS系列——快速、低功耗、品种少▪AS系列——S系列的改进型⑵单极型单极型数字集成电路以CMOS电路为主,主要有4000/4500系列、40H系列、HC系列和HCT系列。
其显著的特点之一是静态功耗非常低,其它方面的表现也相当突出,但速度不如TTL集成电路快。
TTL产品和CMOS产品的应用都很广泛,具体产品的性能指标可以查阅TTL、CMOS集成电路各自的产品数据手册。
在本实验课程中,我们主要选用TTL数字集成电路来进行实验。
2、TTL集成电路使用注意事项⑴外形及引脚TTL集成电路的外形封装与引脚分配多种多样,如附录中所示的芯片封装形式为双列直插式(DIP)。
芯片外形封装上有一处豁口标志,在辨认引脚分配时,芯片正面(有芯片型号的一面)面对自己,将此豁口标志朝向左手侧,则芯片下方左起的第一个引脚为芯片的1号引脚,其余引脚按序号沿芯片逆时针分布。
⑵电源每片集成电路芯片均需要供电方能正常使用其逻辑功能,供电电源为+5V单电源。
电源正端(+5V)接芯片的VCC引脚,电源负端(0V)接芯片的GND引脚,两者不允许接反,否则会损坏集成电路芯片。
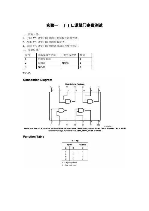
实验一TTL逻辑门参数测试一、实验目的:1.了解TTL 逻辑门电路的主要参数及测量方法。
2.熟悉TTL 逻辑门电路的参数意义。
3.掌握TTL 逻辑门电路的逻辑功能及使用规则。
二、实验仪器:74LS00:三、实验原理:逻辑门电路早期是由分立元件构成,体积大,性能差,随着半导体工艺的不断发展,电路设计的随之改进,使所有元器件连同布线都集成在一小块硅芯片上,形成集成逻辑门,集成逻辑门是最基本的数字集成元件,目前使用最普遍的双极型数字集成电路是TTL 逻辑门电路,它的品种已超过千种,近年来出现的高速型系列已成为新一代数字设备的支撑器件。
通过这次实验,希望同学们初步掌握数字电路实验的基本方法,学会查阅器件手册,学会逻辑箱的使用,正确掌握操作规范。
1.TTL 与非门的参数本实验采用的逻辑门为TTL 双极型数字集成逻辑门电路74LS00,它有四个 2 输入与非门,外形为双列直插,引脚排列如图1-1 所示,逻辑符号如图1-2 所示。
输入为A、B 端,输出为Y 端,Y= A B。
参数分别有:(1)I CCL、I CCHI CCL 为输出低电平电源电流,是指输入端全部悬空,输出端空载时电源提供器件的电流;I CCH 为输出高电平电源电流,是指输入端至少一个接地,输出端空载时电源提供器件的电流。
(2)I IL、I IHI IL为输入低电平电流,是指一个输入端接地,其它输入端悬空,这个输入端流向接地端的电流;I IH为输入高电平电流,是指一个输入端接高电平VCC,其它输入端接地,高电平VCC流向高电平输入端的电流。
(3)电压传输特性电压传输特性是直观反映输出电压V O随输入电压V I变化而变化的关系曲线,见图1-3,从特性曲线图中可以得到重要参数:输出低电平V OL,是指当与非门输入端均接高电平或悬空时的输出电压值,当输出空载时V OL≈0.2V,当输出接有灌电流负载时,V OL将上升,其允许最大值为0.4V。
输出高电平V OH,是指当与非门有一个或以上的输入端接地或接低电平时的输出电压值,当输出空载时V OH≈4.2V,当输出接有拉电流负载时,V OH将下降,其允许最小值为2.4V。
①、定理1:如图(a)与(b)所示电路中,N为仅由电阻组成的线性电阻电路, 则有EU S_?U S(a) (b)②、定理2:如图(a)与(b)所示电路中,N为仅由电阻组成的线性电阻电路,则有③、定理3:如图(a)与(b)所示电路中,N为仅由电阻组成的线性电阻电路,则有若兰班级1104102 学号1110410223实验日期 6.20 节次10:00 教师签字成绩实验名称:验证互易定理1. 实验目的(1)、验证互易定理,加深对互易定理的理解;(2)、进一步熟悉仪器的使用。
2. 总体设计方案或技术路线(1 )、实验原理:互易定理:对一个仅含有线性电阻(不含独立源和受控源)的电路(或网络) 产生响应,当激励和响应互换位置时,响应对激励的比值保持不变。
此时,时,响应为短路电流;当激励为电流源时,响应为开路电压。
互易定理存在二种形式:,在单一激励当激励为电压源(b)U2i si2i s(2)、实验方案i 1;电路图一,证明| 2=u〔;电路图二,证明L2=U S=i 1/1 S电路图三,证明L2/(电路图如下)3. 实验电路图各参数分别为:Rl = R3=Rl=R5=100 Q R2=200Q L S=6V I S=50mA 4. 仪器设备名称、型号交直流电路实验箱一台直流电压源0〜30V 一台直流电流源0〜100mA 一台直流电流表0〜400mA 一只数字万用表一只电阻若干5. 理论分析或仿真分析结果6. 详细实验步骤及实验结果数据记录(包括各仪器、仪表量程及阻的记录)(1)、验证定理一,按照图一连好电路后测量12、i 1,将实验数据记录在表格i中;U i将实验数据记录在表格2中; (2)、验证定理二,按照图二连好电路后测量L2i i,将实验数据记录在表格3中。
(3)、验证定理三,按照图三连好电路后测量L27. 实验结论8. 实验中出现的问题及解决对策(1)、问题:实验过程中无200 Q定值电阻;对策:改成两个100Q定值电阻串联;(2)、问题:实验中电流表无示数,后经检查电路发现该实验台电流表被烧坏,对策:换了一台没有问题的直流电流表。
竭诚为您提供优质文档/双击可除哈工大电路实验1实验报告篇一:哈工大数字电路实验报告实验二数字逻辑电路与系统上机实验讲义实验二时序逻辑电路的设计与仿真课程名称:院系:班级:姓名:学号:教师:哈尔滨工业大学20XX年12月实验二时序逻辑电路的设计与仿真3.1实验要求本实验练习在maxplusII环境下时序逻辑电路的设计与仿真,共包括6个子实验,要求如下:3.2同步计数器实验3.2.1实验目的1.练习使用计数器设计简单的时序电路2.熟悉用mAxpLusII仿真时序电路的方法3.2.2实验预习要求1.预习教材《6-3计数器》2.了解本次实验的目的、电路设计要求3.2.3实验原理计数器是最基本、最常用的时序逻辑电路之一,有很多品种。
按计数后的输出数码来分,有二进制及bcD码等区别;按计数操作是否有公共外时钟控制来分,可分为异步及同步两类;此外,还有计数器的初始状态可否预置,计数长度(模)可否改变,以及可否双向等区别。
本实验用集成同步4位二进制加法计数器74Ls161设计n分频电路,使输出信号cpo的频率为输入时钟信号cp频率的1/n,其中n=(学号后两位mod3.2.4实验步骤1.打开mAxpLusII,新建一个原理图文件,命名为exp3_2.gdf。
2.按照实验要求设计电路,将电路原理图填入下表。
3.新建一个波形仿真文件,命名为exp3_2.scf,加入时钟输入信号cp及输出信号cpo,并点击mAxpLusII左侧工具条上的时钟按钮,将cp的波形设置为周期性方波。
4.运行仿真器得到输出信号cpo的波形,将完整的仿真波形图(包括全部输入输出信号)附于下表。
3.3时序电路分析实验3.3.1实验目的练习用mAxpLusII进行时序逻辑电路的分析。
3.3.2实验预习要求1.预习教材《6-3-1异步二进制计数器》2.了解本次实验的目的、电路分析要求3.3.3实验原理分析如下时序电路的功能,并判断给出的波形图是否正确。
竭诚为您提供优质文档/双击可除哈工大电路实验1实验报告篇一:哈工大数字电路实验报告实验二数字逻辑电路与系统上机实验讲义实验二时序逻辑电路的设计与仿真课程名称:院系:班级:姓名:学号:教师:哈尔滨工业大学20XX年12月实验二时序逻辑电路的设计与仿真3.1实验要求本实验练习在maxplusII环境下时序逻辑电路的设计与仿真,共包括6个子实验,要求如下:3.2同步计数器实验3.2.1实验目的1.练习使用计数器设计简单的时序电路2.熟悉用mAxpLusII仿真时序电路的方法3.2.2实验预习要求1.预习教材《6-3计数器》2.了解本次实验的目的、电路设计要求3.2.3实验原理计数器是最基本、最常用的时序逻辑电路之一,有很多品种。
按计数后的输出数码来分,有二进制及bcD码等区别;按计数操作是否有公共外时钟控制来分,可分为异步及同步两类;此外,还有计数器的初始状态可否预置,计数长度(模)可否改变,以及可否双向等区别。
本实验用集成同步4位二进制加法计数器74Ls161设计n分频电路,使输出信号cpo的频率为输入时钟信号cp频率的1/n,其中n=(学号后两位mod3.2.4实验步骤1.打开mAxpLusII,新建一个原理图文件,命名为exp3_2.gdf。
2.按照实验要求设计电路,将电路原理图填入下表。
3.新建一个波形仿真文件,命名为exp3_2.scf,加入时钟输入信号cp及输出信号cpo,并点击mAxpLusII左侧工具条上的时钟按钮,将cp的波形设置为周期性方波。
4.运行仿真器得到输出信号cpo的波形,将完整的仿真波形图(包括全部输入输出信号)附于下表。
3.3时序电路分析实验3.3.1实验目的练习用mAxpLusII进行时序逻辑电路的分析。
3.3.2实验预习要求1.预习教材《6-3-1异步二进制计数器》2.了解本次实验的目的、电路分析要求3.3.3实验原理分析如下时序电路的功能,并判断给出的波形图是否正确。
哈工大电路实验报告哈工大电路实验报告引言电路实验是电子工程专业学生必修的一门实践课程,通过实际操作和测量,加深对电路原理的理解和应用能力的培养。
本篇报告将详细介绍哈工大电路实验的内容和实验结果。
实验一:直流电路的基本特性直流电路是电子工程中最基础的电路之一,通过该实验,我们可以了解电流、电压和电阻之间的关系。
首先,我们使用万用表测量了不同电阻下的电流和电压,并绘制了电流-电压曲线。
实验结果显示,电流和电压成正比,符合欧姆定律。
此外,我们还观察到不同电阻值对电路的影响,当电阻值增大时,电流减小,电压上升。
实验二:交流电路的特性交流电路是电子工程中另一个重要的电路类型,通过该实验,我们可以了解交流电路中的电压、电流和频率之间的关系。
我们使用示波器测量了不同频率下的电压和相位差,并绘制了频率-电压曲线。
实验结果显示,电压和频率成正比,而相位差则随频率的变化而变化。
此外,我们还观察到了交流电路中的谐振现象,当频率等于谐振频率时,电压达到最大值。
实验三:二极管的特性二极管是一种常见的电子元件,通过该实验,我们可以了解二极管的整流特性和稳压特性。
我们使用示波器测量了不同电压下的二极管电流,并绘制了电流-电压曲线。
实验结果显示,当电压小于二极管的正向压降时,电流非常小,呈现断开状态;当电压大于正向压降时,电流迅速上升,呈现导通状态。
此外,我们还观察到了二极管的稳压特性,即当电压超过一定值时,电流基本保持不变。
实验四:放大电路的特性放大电路是电子工程中常用的电路类型,通过该实验,我们可以了解放大电路的放大倍数和频率响应。
我们使用示波器测量了不同频率下的输入电压和输出电压,并绘制了频率-电压曲线。
实验结果显示,放大电路在特定频率范围内具有较高的放大倍数,而在超过该范围后,放大倍数会迅速下降。
此外,我们还观察到了放大电路的失真现象,即输入信号的形状在放大后发生畸变。
实验五:滤波电路的特性滤波电路是电子工程中常用的电路类型,通过该实验,我们可以了解滤波电路对不同频率信号的处理能力。
总成绩:
一、设计任务
七人表决器的设计
二、设计条件
本设计基于学校实验室,所用元件如下:
EEL—69模拟、数字电子技术实验箱一台
集成运算放大器实验插板一块
直流稳压电源一台
双踪示波器一台
数字万用表一块
主要元器件
同步加法计数器74LS161、74LS151、导线等
(EEL—69模拟、数字电子技术实验箱上有喇叭、三极管以及芯片的插座;集成运算放大器实验插板上有不同参数值的电阻和电容,可任意选用)
三、设计要求
①有七人参与表决,显示赞同者个数。
②当赞同者达到及超过4人时,绿灯显示表示通过。
四、设计内容
电路原理图(含管脚接线)
1.计算与仿真分析
3. 调试流程
通过查阅相关资料了解74LS151和74LS161的功能,设计电路,用Multisim画电路原理图,进行仿真试验,得到效果与预期结果相同,电路正确。
4. 设计和使用说明
7个人分别对应7个电平开关,当7人表决结束,通过为高电平,按下J2开关,数码管显示表决通过人数,超过4人电平指示灯点亮。
五、设计总结
通过本次实验,我加深了对数字电路的了解以及相关知识的掌握,熟悉芯片的使用,通过电路的调试,加强了专业知识技能。
六、设计参考资料
[1]杨世彦. 电工学(中册)电子技术. 机械工业出版社. 2008.。
第1篇一、实验目的1. 理解和掌握数字电路的基本原理和组成。
2. 熟悉数字电路实验设备和仪器的基本操作。
3. 培养实际动手能力和解决问题的能力。
4. 提高对数字电路设计和调试的实践能力。
二、实验器材1. 数字电路实验箱一台2. 74LS00若干3. 74LS74若干4. 74LS138若干5. 74LS20若干6. 74LS32若干7. 电阻、电容、二极管等元器件若干8. 万用表、示波器等实验仪器三、实验内容1. 基本门电路实验(1)验证与非门、或非门、异或门等基本逻辑门的功能。
(2)设计简单的组合逻辑电路,如全加器、译码器等。
2. 触发器实验(1)验证D触发器、JK触发器、T触发器等基本触发器的功能。
(2)设计简单的时序逻辑电路,如计数器、分频器等。
3. 组合逻辑电路实验(1)设计一个简单的组合逻辑电路,如4位二进制加法器。
(2)分析电路的输入输出关系,验证电路的正确性。
4. 时序逻辑电路实验(1)设计一个简单的时序逻辑电路,如3位二进制计数器。
(2)分析电路的输入输出关系,验证电路的正确性。
5. 数字电路仿真实验(1)利用Multisim等仿真软件,设计并仿真上述实验电路。
(2)对比实际实验结果和仿真结果,分析误差原因。
四、实验步骤1. 实验前准备(1)熟悉实验内容和要求。
(2)了解实验器材的性能和操作方法。
(3)准备好实验报告所需的表格和图纸。
2. 基本门电路实验(1)搭建与非门、或非门、异或门等基本逻辑电路。
(2)使用万用表测试电路的输入输出关系,验证电路的功能。
(3)记录实验数据,分析实验结果。
3. 触发器实验(1)搭建D触发器、JK触发器、T触发器等基本触发电路。
(2)使用示波器观察触发器的输出波形,验证电路的功能。
(3)记录实验数据,分析实验结果。
4. 组合逻辑电路实验(1)设计4位二进制加法器电路。
(2)搭建电路,使用万用表测试电路的输入输出关系,验证电路的正确性。
(3)记录实验数据,分析实验结果。
哈工大电路实验报告哈工大电路实验报告引言电路实验是电子信息工程专业的基础实验之一,通过实际操作和观察电路的行为,加深对电路原理的理解。
本次实验以哈尔滨工业大学的电路实验为例,通过实验的过程和结果,来探讨电路实验的重要性和实践价值。
实验目的本次实验的目的是通过搭建特定的电路,观察电路中电流、电压等参数的变化,并分析其特性。
通过实验,掌握电路的基本原理和实际应用。
实验过程实验开始前,我们首先阅读了实验指导书,了解了实验的基本原理和操作步骤。
然后,我们按照指导书上的要求,准备了所需的实验器材和元器件。
接下来,我们开始搭建电路,并根据实验要求调整电阻、电压等参数。
在实验过程中,我们仔细观察电路的变化,并记录实验数据。
最后,我们根据实验结果进行数据分析和总结。
实验结果通过实验,我们得到了一系列实验数据,并进行了分析。
实验数据表明,随着电路中电阻的增加,电流的大小呈现递减的趋势。
同时,我们还观察到了电压和电流之间的关系,发现它们之间存在一定的线性关系。
这些实验结果验证了电路理论中的一些基本原理,也为我们进一步理解电路的行为提供了实际的依据。
实验讨论在实验讨论中,我们对实验结果进行了进一步的分析和讨论。
我们发现,电路中的电流和电压不仅受到电阻的影响,还受到其他因素的影响,如电源电压、电路连接方式等。
这些因素的改变会导致电路中电流和电压的变化,从而影响整个电路的工作状态。
因此,在设计和应用电路时,我们需要考虑这些因素,并进行合理的调整和优化。
实验总结通过本次实验,我们深刻认识到电路实验的重要性和实践价值。
电路实验不仅可以帮助我们巩固和加深对电路原理的理解,还可以培养我们的实际动手能力和问题解决能力。
通过实验,我们不仅能够看到电路中的各种现象和变化,还能够通过数据分析和讨论,深入理解电路的行为和特性。
这对于我们今后的学习和工作都具有重要的意义。
结语电路实验是电子信息工程专业的基础实验之一,通过实际操作和观察电路的行为,加深对电路原理的理解。
数字逻辑电路与系统上机实验报告
实验一组合逻辑电路的设计与仿真
学校:哈尔滨工业大学
院系:电信学院通信工程系
班级:1205102
学号:11205102
姓名:
哈尔滨工业大学
实验一组合逻辑电路的设计与仿真
2.1 实验要求
本实验练习在Maxplus II环境下组合逻辑电路的设计与仿真,共包括5个子实验,要求如下:
2.2三人表决电路实验
2.2.1 实验目的
1. 熟悉MAXPLUS II原理图设计、波形仿真流程
2. 练习用门电路实现给定的组合逻辑函数
2.2.2 实验预习要求
1. 预习教材《第四章组合逻辑电路》
2. 了解本次实验的目的、电路设计要求
2.2.3 实验原理
设计三人表决电路,其原理为:三个人对某个提案进行表决,当多数人同意时,则提案通过,否则提案不通过。
输入:A、B、C,为’1’时表示同意,为’0’时表示不同意;
输出:F,为’0’时表示提案通过,为’1’时表示提案不通过;
波形仿真。
2.2.4 实验步骤
1. 打开MAXPLUS II, 新建一个原理图文件,命名为EXP2_
2.gdf。
2. 按照实验要求设计电路,将电路原理图填入下表。
制输入信号A、B、C的波形(真值表中的每种输入情况均需出现)。
4. 运行仿真器得到输出信号F的波形,将完整的仿真波形图(包括全部输入输
2.3 译码器实验
2.3.1实验目的
熟悉用译码器设计组合逻辑电路,并练习将多个低位数译码器扩展为一个高位数译码器。
2.3.2实验预习要求
1. 预习教材《4-2-2 译码器》一节
2. 了解本次实验的目的、电路设计要求
2.3.3实验原理
译码器是数字电路中的一种多输入多输出的组合逻辑电路,负责将二进制码或BCD码变换成按十进制数排序的输出信息,以驱动对应装置产生合理的逻辑动作。
商品的译码器品种较多,有2-4线、3-8线、4-10线及4-16线等。
本实验练习对双2-4线译码器74LS139的扩展,并用其实现特定的组合逻辑。
74LS139包含两个2-4线译码器,其输入输出如下:
74LS139中译码器1真值表如下:
74LS139中译码器2真值表如下:
要求使用两片74LS139实现逻辑函数(,,,)(2,7,13,15)F A B C D m =∑,在MAXPLUS II 环境下完成电路的设计与波形仿真。
2.3.4 实验步骤
1. 打开MAXPLUS II, 新建一个原理图文件,命名为EXP2_3.gdf 。
制输入信号A 、B 、C 、D 的波形(每种输入情况均需出现)。
4. 运行仿真器得到输出信号F 的波形,将完整的仿真波形图(包括全部输入输
2.4 数据选择器实验
2.4.1实验目的
熟悉用数据选择器设计组合逻辑电路,并练习将多个低位数数据选择器扩展为一个高位数数据选择器。
2.4.2实验预习要求
1. 预习教材《4-3-1 数据选择器》一节
2. 了解本次实验的目的、电路设计要求
2.4.3实验原理
数据选择器是一种能从多路平行输入数据中,选择1路作为输出信号的电路,是又一类重要的组合功能电路。
本实验练习对双2-4线译码器74LS153的扩展,并用其实现特定的组合逻辑。
74LS153包含两个2-4线译码器,其输入输出如下:
74LS153的真值表如下:
要求使用两片74LS153实现逻辑函数(,,,)(2,7,13,15)F A B C D m =∑,在MAXPLUS II 环境下完成电路的设计与波形仿真。
2.4.4 实验步骤
1. 打开MAXPLUS II, 新建一个原理图文件,命名为EXP2_4.gdf 。
3. 新建一个波形仿真文件,命名为EXP2_
4.scf ,加入所有输入输出信号,并绘制输入信号A 、B 、C 、D 的波形(每种输入情况均需出现)。
4. 运行仿真器得到输出信号F 的波形,将完整的仿真波形图(包括全部输入输出信号)附于下表。
数据选择器实现逻辑函数仿真波形图
2.5 ‘101’序列检测电路实验
2.5.1实验目的
练习灵活运用中规模集成功能组件及基本逻辑门实现功能较复杂的组合逻辑电路。
2.5.2实验预习要求
1. 预习教材《4-6 组合电路的设计》一节
2. 了解本次实验的目的、电路设计要求
2.5.3实验原理
设计一个组合逻辑电路,其输入为六位二进制数X5, X4, X3, X2, X1, X0,输出为三位二进制数Y2, Y1, Y0,如下图所示。
电路的功能为:在六位输入数据中寻找连续三个比特为’101’的串,输出首个’101’出现的位置(最低位’1’所在的序号);若输入序列中不包含’101’,则输出端全部置1。
例如:输入为001010时,’101’出现在X3,X2,X1的位置,故输出为001 (X1的序号);输入为101010时,首个’101’出现在X5,X4,X3的位置,故输出为011 (X3的序号);输入为100110时,不包含’101’,此时输出111。
可选用编码器(74LS148)、译码器(74LS139)、数据选择器(74LS153)配合适当的门电路完成设计。
2.5.4实验步骤
1. 打开MAXPLUS II, 新建一个原理图文件,命名为EXP2_5.gdf。
2. 按照实验要求设计电路,将电路原理图填入下表。
3. 新建一个波形仿真文件,命名为EXP2_5.scf,加入所有输入输出信号,并绘制输入信号X0-X5的波形(至少包含001010, 101010, 100110三种情况)。
4. 运行仿真器得到输出信号Y2, Y1, Y0的波形,将完整的仿真波形图(包括全
2.6实验的心得体会
在这次上机实验中,我学到了很多。
特别是是学习和掌握了MAXPLUS II 这一软件,这使我知道了在今后的数字电路学习的过程中,如何将理论课上所学的知识运用在仿真实验中,并使之能得到验证。
此外,我还意识到做仿真实验时要多动脑,选出最好的方法,一件事往往有多种解决方法,一个好的方法,不仅能使事情事半功倍,而且往往决定最后的成与败;还要注意细节,细节决定成败,这句话在这次上机实验中得到了充分的印证。
最后,通过这次上机实验,我复习了很多有关数电组合逻辑电路和时序逻辑电路方面的知识,对数字电路的基本原理有了更深入的了解,复习了基础知识。