产品尺寸表:
- 格式:doc
- 大小:28.00 KB
- 文档页数:2
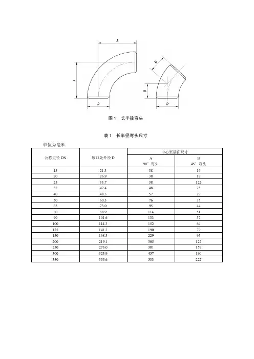
图1长半径弯头表1长半径弯头尺寸单位为毫米公称直径DN坡口处外径D中心至端面尺寸A90°弯头B45°弯头1521.33816 2026.93819 2533.738122 3242.44825 4048.35729 5060.37635 6573.09544 8088.911451 90101.613357 100114.315264 125141.319079 150168.322995 200219.1305127 250273.0381159 300323.9457190 350355.6533222公称直径DN端部外径D中心至端面尺寸A90°弯头B45°弯头400406.4610254 450457686286 500508762318 550559838343 600610914381 650660991406 7007111067442 7507621143470 8008131219505 8508641295533 9009141372565 9509651448600 100010161524632 105010671600660 110011181676695 115011681753727 120012191829759图2短半径弯头表2短半径弯头尺寸单位为毫米公称直径DN坡口处外径D中心至端面尺寸A 2533.7253242.4324048.3385060.3516573.0648088.97690101.689100114.3102125141.3127150168.3152200219.1203250273.0254300323.9305350355.6356公称直径DN端部外径D中心至端面尺寸A90°弯头B45°弯头400406.4406168 450457457189 500508508210 550559559232 600610610253 650660660274 700711711295 750762762316 800813813378 850864864358 900914914379 950965--100010161016421 105010671067442 110011********* 11501168--120012*********图3R=3D弯头表3R=3D弯头尺寸单位为毫米公称直径DN端部外径D中心至端面尺寸A90°弯头60°弯头45°弯头30°弯头400406.41219703505327 450457137279256836750050815248796324085505591676968694449600610182910577574906506601981114382153070071121341232884572750762228613219466118008132438140810106548508642591149710736959009142743158611357359509652896167312007761000101630481759126481810501067320018481326857110011183353193713898991150116835052024145394012001219365821131516981图4等径三通表4等径三通尺寸单位为毫米公称直径DN坡口处外径D1、D2中心至端面尺寸C M1521.32525 2026.92929 2533.73838 3242.44848 4048.35757 5060.36464 6573.07676 8088.98686 90101.69595 100114.3105105 125141.3124124 150168.3143143 200219.1178178 250273.0216216 300323.9254254 350355.6279279公称直径DN端部外径D1、D2中心至端面尺寸C M400406.4305305 450457343343 500508381381 550559419419 600610432432 650660495495700711521521 750762559559 800813597597 850864635635 900914673673 950965711711 10001016749749 10501067762711 11001118813762 11501168851800 12001219889838图5异径三通表5异径三通尺寸单位为毫米公称直径DN坡口处外径中心至端面尺寸D1D2管程C出口M15×15×1021.317.32525 15×15×821.313.72525 20×20×1526.921.32929 20×20×1026.917.32929 25×25×2033.726.93838 25×25×1533.721.33838 32×32×2542.433.74848 32×32×2042.426.94848 32×32×1542.421.34848 40×40×3248.342.45757 40×40×2548.333.75757 40×40×2048.326.95757 40×40×1548.321.35757 50×50×4060.348.36460 50×50×3260.342.46457 50×50×2560.333.76451 50×50×2060.326.96444 65×65×5073.060.37670 65×65×4073.048.37667 65×65×3273.042.47664 65×65×2573.033.77657 80×80×6588.973.08683 80×80×5088.960.38676 80×80×4088.948.38673 80×80×3288.942.48670 90×90×80101.688.99592公称直径DN坡口处外径中心至端面尺寸D1D2管程C出口M90×90×65101.673.09589 90×90×50101.660.39583 90×90×40101.648.39579 100×100×90114.3101.6105102 100×100×80114.388.910598 100×100×65114.373.010595 100×100×50114.360.310589 100×100×40114.348.310586 125×125×100141.3114.3124117 125×125×90141.3101.6124114 125×125×80141.388.9124111 125×125×65141.373.0124108 125×125×50141.360.3124105 150×150×125168.3141.3143137 150×150×100168.3114.3143130 150×150×90168.3101.6143127 150×150×80168.388.9143124 150×150×65168.373.0143121 200×200×150219.1168.3178168 200×200×125219.1141.3178162 200×200×100219.1114.3178156 200×200×90219.1101.6178152 250×250×200273.0219.1216203 250×250×150273.0168.3216194 250×250×125273.0141.3216191 250×250×100273.0114.3216184 300×300×250323.9273.0254241 300×300×200323.9219.1254229 300×300×150323.9168.3254219 300×300×125323.9141.3254216 350×350×300355.6323.9279270 350×350×250355.6273.0279257 350×350×200355.6219.1279248 350×350×150355.6168.3279238公称直径DN端部外径中心至端面尺寸D1D2C M400×400×350406.4355.6305305 400×400×300406.4323.9305295 400×400×250406.4273305283 400×400×200406.4219.1305273 400×400×150406.4168.3305264450×450×400457406.4343330 450×450×350457355.6343330 450×450×300457323.9343321 450×450×250457273343308 450×450×200457219.1343298 500×500×450508457381368 500×500×400508406.4381356 500×500×350508355.6381356 500×500×300508323.9381346 500×500×250508273381333 500×500×200508219.1381324 550×550×500559508419406 550×550×450559457419394 550×550×400559406.4419381 550×550×350559355.6419381 550×550×300559323.9419371 550×550×250559273419359 600×600×550610559432432 600×600×500610508432432 600×600×450610457432419 600×600×400610406.4432406公称直径DN端部外径中心至端面尺寸D1D2C M600×600×350610355.6432406 600×600×300610323.9432397 600×600×250610273432384 650×650×600660610495483 650×650×550660559495470 650×650×500660508495457 650×650×450660457495445 650×650×400660406.4495432 650×650×350660355.6495432 650×650×300660323.9495422 700×700×650711********* 700×700×600711610521508 700×700×550711559521495 700×700×500711508521483 700×700×450711457521470 700×700×400711406.4521457 700×700×350711355.6521457700×700×300711323.9521448 750×750×700762711559546 750×750×650762660559546 750×750×600762610559533 750×750×550762559559521 750×750×500762508559508 750×750×450762457559495 750×750×400762406.4559483 750×750×350762355.6559483 750×750×300762323.9559473 750×750×250762273559460 800×800×750813762597584 800×800×700813711597572 800×800×650813660597572 800×800×600813610597559 800×800×550813559597546 800×800×500813508597533 800×800×450813457597521 800×800×400813406.4597508 800×800×350813355.6597508 850×850×800864813635622 850×850×750864762635610 850×850×650864660635597公称直径DN端部外径中心至端面尺寸D1D2C M850×850×600864610635584 850×850×550864559635572 850×850×500864508635559 850×850×450864457635546 850×850×400864406.4635533 900×900×850914864673660 900×900×800914813673645 900×900×750914762673635 900×900×700914711673622 900×900×650914660673622 900×900×600914610673610 900×900×550914559673597 900×900×500914508673584 900×900×450914457673572 900×900×400914406.4673559950×950×900965914711711 950×950×850965864711699 950×950×800965813711686 950×950×750965762711673 950×950×700965711711648 950×950×650965********* 950×950×600965610711635 950×950×550965559711622 950×950×500965508711610 950×950×450965457711597 1000×1000×9501016965749749 1000×1000×9001016914749737 1000×1000×8501016864749724 1000×1000×8001016813749711 1000×1000×7501016762749699 1000×1000×7001016711749693 1000×1000×6501016660749673 1000×1000×6001016610749660 1000×1000×5501016559749648 1000×1000×5001016508749635 1000×1000×4501016457749622 1050×1050×100010671016762711 1050×1050×9501067965762711 1050×1050×9001067914762711 1050×1050×8501067864762711公称直径DN端部外径中心至端面尺寸D1D2C M1050×1050×8001067813762711 1050×1050×7501067762762711 1050×1050×7001067711762699 1050×1050×6501067660762699 1050×1050×6001067610762660 1050×1050×5501067559762660 1050×1050×5001067508762660 1050×1050×4501067457762648 1050×1050×4001067406.4762635 1100×1100×105011181067813762 1100×1100×100011181016813749 1100×1100×9501118965813737 1100×1100×90011189148137241100×1100×8501118864813724 1100×1100×8001118813813711 1100×1100×7501118762813711 1100×1100×7001118711813699 1100×1100×6501118660813699 1100×1100×6001118610813699 1100×1100×5501118559813686 1100×1100×5001118508813686 1150×1150×110011681118851800 1150×1150×105011681067851787 1150×1150×100011681016851775 1150×1150×9501168965851762 1150×1150×9001168914851762 1150×1150×8501168864851749 1150×1150×8001168813851749 1150×1150×7501168762851737 1150×1150×7001168711851737 1150×1150×6501168660851737 1150×1150×6001168610851724 1150×1150×5501168559851724 1200×1200×115012191168889838 1200×1200×110012191118889838 1200×1200×105012191067889813 1200×1200×100012191016889813 1200×1200×9501219965889813 1200×1200×9001219914889787 1200×1200×8501219864889787公称直径DN端部外径中心至端面尺寸D1D2C M1200×1200×8001219813889787 1200×1200×7501219762889762 1200×1200×7001219711889762 1200×1200×6501219660889762 1200×1200×6001219610889737 1200×1200×5501219559889737图6管帽表6管帽尺寸a 单位为毫米公称直径DN坡口处外径D背面至端面尺寸E E1b1521.325252026.925252533.738383242.438384048.338385060.338446573.038518088.9516490101.66476100114.36476125141.37689150168.389102200219.1102127250273.0127152300323.9152178350355.6165191 a管帽应为椭圆形,椭圆内短半轴的长度不应小于管帽内径的1/4。
印刷纸张尺寸列表成品尺寸=纸张尺寸-修边尺寸德国罗兰四色机,它的规格、型号、印刷尺寸是:大对开720mm×1020mm小全张890mm×1260mm大全张1000mm×1400mm常用印刷纸张的开法虽然ISO的标准是将纸张划分为A、B、C三种开本,但是目前国内基本上还是采用787mm×1 092mm的老规格(正度纸张)。
由于要除去印刷机咬口,所以实际的可印刷幅面是780mm×10 80mm左右。
常用印刷纸张的开法和可印刷面积表:这里要注意一下,纸张一般有两种开法——两开法和三开法。
两开法就是每次将纸张一折为二,所以开数也是以二的次幂数增加的。
三开法相对比较复杂一些,第一刀是将纸张一分为三来进行裁切的,所以开数是以3的倍数增加的。
除此之外,还有一些根据特殊需要的特殊开法。
2开法 3开法特殊开法印刷纸张尺寸大全正度纸张:开数(正度) 尺寸单位(mm)全开 781×10862开 530×760 3开 362×7814开 390×543 6开 362×39016开 195×271注:成品尺寸=纸张尺寸-修边尺寸大度纸张:开数(正度) 尺寸单位(mm)全开 844×11622开 581×844 3开 387×8444开 422×581 6开 387×4228开 290×422注:成品尺寸=纸张尺寸-修边尺寸常见开本尺寸:开数尺寸单位(mm)对开:736 x 5204开:520 x 3688开:368 x 26016开:260 x 18432开:184 x 130开本尺寸(大度):开数尺寸单位(mm)对开:570 x 8404开:420 x 5708开:285 x 42016开:210 x 28532开:203 x 140正度纸张:开数尺寸单位(mm)全开 781×10862开 530×7603开 362×7814开 390×5436开 362×3908开 271×390注:成品尺寸=纸张尺寸-修边尺寸大度×纸张:开数(正度) 尺寸单位(mm)全开 844×11622开 581×8443开 387×8444开 422×5816开 387×4228开 290×422注:成品尺寸=纸张尺寸-修边尺寸16开大度:210×285 正度:185×2608开大度:285×420 正度:260×3704开大度:420×570 正度:370×5402开大度:570×840 正度:540×740全开大:889×1194 小:787×1092名片:横版:90*55mm<方角> 85*54mm<圆角>竖版:50*90mm<方角> 54*85mm<圆角>方版:90*90mm 90*95mmIC卡:三折页广告标准尺寸: (A4)210mmx 285mm普通宣传册:标准尺寸: (A4)210mmx 285mm文件封套:标准尺寸:220mmx 305mm招贴画:标准尺寸:540mmx 380mm挂旗:标准尺寸:8开 376mmx 265mm4开 540mmx 380mm手提袋:标准尺寸:400mmx 285mmx 80mm信纸、便条:标准尺寸:185mmx 260mm210mmx 285mm 85x54M M 8501168mm 787×1092mm 850 x 1168mm 787 x 1092 mm 850×1168 mm 787×1092 mm印刷常规尺寸表16开尺寸标准型:大度16开:210*285mm(成品尺寸) 214*289mm(加出血尺寸)正度16开:185*260mm(成品尺寸) 189*264mm(加出血尺寸)长型:大度16开:420*140mm(成品尺寸) 424*144mm(加出血尺寸)正度16开:370*125mm(成品尺寸) 374*129mm(加出血尺寸) 8开宣尺寸标准型:大度8开:420*285mm(成品尺寸) 424*289mm(加出血尺寸)正度8开:370*260mm(成品尺寸) 374*264mm(加出血尺寸)长型:大度8开:570*205mm(成品尺寸) 574*209mm(加出血尺寸)正度8开:520*180mm(成品尺寸) 524*184mm(加出血尺寸) 4开宣尺寸标准型:大度4开:420*570mm(成品尺寸) 424*574mm(加出血尺寸)正度4开:370*520mm(成品尺寸) 374*524mm(加出血尺寸)长型:大度4开:840*280mm(成品尺寸) 844*284mm(加出血尺寸)正度4开:740*255mm(成品尺寸) 744*259mm(加出血尺寸) 32开宣尺寸标准型:大度32开:210*140mm(成品尺寸) 214*144mm(加出血尺寸)正度32开:185*125mm(成品尺寸) 191*131mm(加出血尺寸)长型:大度32开:285*100mm(成品尺寸) 289*104mm(加出血尺寸)正度32开:255*90mm(成品尺寸) 259*94mm(加出血尺寸)名片尺寸标准尺寸成品尺寸90*54 加出血92* 56mm吊旗尺寸大度6开:420*370mm(成品尺寸) 424*374mm(加出血尺寸)正度6开:340*370mm(成品尺寸) 344*374mm(加出血尺寸)长大度6开:270*570mm(成品尺寸) 274*574mm(加出血尺寸)长正度6开:240*520mm(成品尺寸) 244*524mm(加出血尺寸)大度3开:370*840mm(成品尺寸) 374*844mm(加出血尺寸)正度3开:340*740mm(成品尺寸) 344*744mm(加出血尺寸)大度对开:840*570mm(成品尺寸) 844*574mm(加出血尺寸)正度对开:740*520mm(成品尺寸) 744*524mm(加出血尺寸)海报尺寸大度4开:420*570mm(成品尺寸) 424*574mm(加出血尺寸)正度4开:370*520mm(成品尺寸) 374*524mm(加出血尺寸)大度3开:370*840mm(成品尺寸) 374*844mm(加出血尺寸)正度3开:340*740mm(成品尺寸) 344*744mm(加出血尺寸)封套尺寸21.3*29.0*6.5cm印刷纸张标准尺寸表:全开1194×889 1160×860 1092×787 1060×760对开889×597 860×580 787×546 760×530长对开1194×444.5 1160×430 1092×393.5 1060×375三开889×398 860×350 787×364 760×345丁字三开749.5×444.5 720×430 698.5×393.5 680×375四开597×444.5 580×430 546×393.5 530×375长四开298.5×88.9 285×860 787×273 760×260五开380×480 355×460 330×450 305×430六开398×44.5 370×430 364×393.5 345×375八开444.5×298.5 430×285 393.5×273 375×260九开296.3×398 280×390 262.3×364 240×350十二开298.5×296.3 285×280 273×262.3 260×250十六开298.5×222.25 285×210 273×262.3 260×185十八开199×296.3 180×280 136.5×262.3 120×250二十开222.5×238 270×160 273×157.4 260×40二十四开222.5×199 210×185 196.75×182 185×170二十八开298.5×127 280×110 273×112.4 1260×100三十二开222.5×149.25 210×140 196.75×136.5 185×130六十四开149.25×111.12 130×100 136.5×98.37 120×80A4:210mm×297mmA5:148mm×210mmB5:182mm×257mmA3:297mm×420mmA2:420mm×594mm小全张890mm×1260mm大全张1000mm×1400mm纸张尺寸对换表正度纸张:787×1092mm开数(正) 尺寸单位(mm)2开540×7803开360×7804开390×5436开360×3908开270×39016开195×27032开195×13564开135×95注:成品尺寸=纸张尺寸-修边尺寸大度纸张:889*1194mm开数(大) 尺寸单位(mm)2开590×8803开395×8804开440×5906开395×4408开295×44016开220×29532开220×14564开110×145注:成品尺寸=纸张尺寸-修边尺寸8开上机尺寸正度270×390mm大度440×295mm4开上机尺寸正度540×390mm大度440×590mm对开上机尺寸正度780×540mm大度880×590mm如选择德国罗兰四色机,它的规格、型号、印刷尺寸是:大对开720mm×1020mm小全张890mm×1260mm大全张1000mm×1400mm长边为进纸边(咬口边常用纸张及特性印刷常用规格尺寸黑版压印标准色自翻版拼版一.常用纸张及特性:1.铜版纸:最常用纸张,表面光泽好,适合各种色彩效果。
生产记录表格产品尺寸表1. 引言本文档旨在描述生产记录表格中的产品尺寸表的内容和格式。
该表格是用于记录产品生产过程中的尺寸测量结果和相关数据的工具。
通过记录和分析这些数据,我们能够评估产品的质量,并及时进行调整和改进。
本文档将详细说明产品尺寸表格的具体内容和使用方法。
2. 产品尺寸表格结构产品尺寸表格包括以下几个主要部分:2.1 产品信息•产品名称:填写产品的名称或编号。
•产品批次:填写产品的批次信息。
•生产日期:记录产品的生产日期。
•生产线:填写产品的生产线信息。
2.2 尺寸参数产品尺寸表格中列出了需要测量的重要尺寸参数,每个参数占据表格的一列。
具体的参数列可以根据实际产品的特点进行定制。
下面是一些常见的尺寸参数示例:序号尺寸参数单位1 长度mm2 宽度mm3 高度mm4 直径mm5 厚度mm6 角度°7 轴向偏差mm8 圆度mm9 平行度mm10 合页间距mm2.3 尺寸测量结果在尺寸测量结果部分,表格将每一行用于记录一次产品尺寸的测量结果。
每个尺寸参数的测量结果都将填写在相应的列中。
为了方便分析和统计,通常还会在表格中包含一些其他的辅助信息,例如:•操作员:填写进行测量的操作员姓名。
•测量时间:记录测量结果的时间。
•测量工具:填写使用的测量工具的型号或规格。
3. 使用方法以下是使用产品尺寸表格的一般步骤:1.根据实际产品需要,自定义尺寸参数列。
可以增加、删除或修改列以适应具体产品的测量需求。
2.填写产品信息部分:包括产品名称、产品批次、生产日期和生产线信息。
3.开始测量:使用合适的测量工具对产品的尺寸进行测量,并将测量结果填写在相应的列中。
4.记录测量辅助信息:填写进行测量的操作员姓名、测量时间和测量工具等信息。
5.定期保存表格:为了后续的分析和参考,建议定期保存和备份产品尺寸表格。
4. 注意事项在使用产品尺寸表格时,需注意以下事项:1.熟悉测量工具的使用方法,并保证测量的准确性。
弯头产品系列尺寸表45 ° 弯头 /45 °LBOW90。
弯头 /90 °LBOW180° 弯头 /180 °LBOW公称通径端部外径中心至端面中心至中心背面至端面Center to End Center to Center Back to Face Nominal Outside Diameter 45°弯头90°弯头180°弯头Diameter at Bevel 45° Elbow90 Elbow 180° ElbowB A O KDN NPSA系列Series AB系列Series B长半径LongRadius长半径LongRadius短半径ShortRadius长半径LongRadius短半径ShortRadius长半径(A系列)LongRadius短半径(A系列)ShortRadius15 1/2 21.3 18 16 38 - 76 - 4820 3/4 26.9 25 19 38 - 76 - 51 - 25 1 33.7 32 22 38 25 76 51 56 41 32 1.1/4 42.4 38 25 48 32 95 64 70 52 40 1.1/2 48.3 45 29 57 38 114 76 83 62 50 2 60.3 57 35 76 51 152 102 106 81 65 2.1/2 76.1(73) 76 44 95 64 190 127 132 100 80 3 88.9 89 51 114 76 229 152 159 121 90 3.1/2 101.6 - 57 133 89 267 178 184 140 100 4 114.3 108 64 152 102 305 203 210 159 125 5 139.7 133 79 190 127 381 254 262 197 150 6 168.3 159 95 229 152 457 305 313 237 200 8 219.1 219 127 305 203 610 406 414 313 250 10 273.0 273 159 381 254 762 508 518 391 300 12 323.9 325 190 457 305 914 610 619 467 350 14 355.6 377 222 533 356 1067 711 711 533 400 16 406.4 426 254 610 406 1219 813 813 610 450 18 457.2 478 286 686 457 1372 914 914 686 500 20 508.0 529 318 762 508 1524 1016 1016 762550 22 559 - 343 838 559 1676 1118 1118 838 600 24 610 630 381 914 610 1829 1219 1219 914 650 26 660 - 406 991 660 1982 1320 - - 700 28 711 720 438 1067 711 2134 1422 - - 750 30 762 - 470 1143 762 2286 1524 - - 800 32 813 820 502 1219 813 2438 1626 - - 850 34 864 - 533 1295 864 2590 1728 - - 900 36 914 920 565 1372 914 2744 1828 - - 950 38 965 - 600 1448 965 2896 1930 - - 1000 40 1016 1020 632 1524 1016 3048 2032 - - 1050 42 1067 - 660 1600 1067 3200 2134 - - 1100 44 1118 1120 695 1676 1118 3352 2236 - - 1150 46 1168 - 727 1753 1168 3506 2336 - - 1200 48 1220 1220 759 1829 1219 3658 2440 -以上数据有武汉斯意诚贸易有限公司提供长半径异径弯头尺寸表以上数据有武汉斯意诚贸易有限公司提供三通产品系列尺寸表闵壹拾以上数据由武汉斯意诚贸易有限公司提供异径管尺寸表以上数据由武汉斯意诚贸易有限公司提供管帽尺寸表注:管帽的形状应为桶圆私井应符合相应国家标准或i亍业标准卫给走的形状要求。
毛衣规格尺寸表男100 105 110 115 120 125胸围50 52.5 55 57.5 60 62.5衣长64 65 66 67 68 69肩宽41.5 43 44.5 46 47.5 49挂肩22 23 24 25 26 26袖长53 54 55 56 57 58袖宽20 20 21 22 23 24袖口10 10.5 11 11.5 12 12女100 105 110 115 120 125胸围47.5 50 52.5 55 57.5 60衣长57 58 59 60 61 62肩宽38.5 40 41.5 43 44.5 46挂肩21 21.5 22 22.5 23 23.5袖长52 53 54 55 56 57袖宽19 19 20 20 21 21袖口10 10.5 11 11.5 12 12衣服尺寸表:98: 衣长40, 胸围65, 肩宽29, 袖长(肩缝量)31104:衣长42, 胸围68, 肩宽30, 袖长(肩缝量)33.5 110:衣长44, 胸围71, 肩宽31, 袖长(肩缝量)36116:衣长46, 胸围74, 肩宽32, 袖长(肩缝量)38.5 122:衣长48, 胸围77, 肩宽33, 袖长(肩缝量)41 128:衣长50, 胸围80, 肩宽34, 袖长(肩缝量)43.5 134:衣长52, 胸围83, 肩宽35, 袖长(肩缝量)46 140:衣长54, 胸围86, 肩宽36, 袖长(肩缝量)48.5 152:衣长59, 胸围92, 肩宽38, 袖长(肩缝量)53.5 164:衣长63, 胸围98, 肩宽40, 袖长(肩缝量)58.5芭芘女童提花毛衣规格尺寸:24M:衣长34厘米,袖长27厘米,胸围31厘米*236M:衣长37厘米,袖长30.5厘米,胸围33厘米*24A:衣长39厘米,袖长32.5厘米,胸围34厘米*2 5A:衣长42厘米,袖长35厘米,胸围36厘米*2 婴幼儿毛衣尺寸对照表儿童服装标准尺寸(1-13岁)一个服装标准尺寸,供大家参考学习单位:CM60/4470/4680/4890/50100/52110/56120/59130/63140/67150/72年齡1 2 3 4 5 6 7 8 9 10 11 12 13總長35 38 42 46 50 54 58 62 66 70 74 78 82背長19 20 21.5 23 24 25 26.5 28 29 30 31.5 33 34肩寬23 24 25 26 27 28 29 30 31 32 33 33.5 34胸圍48 50 52 54 56 58 60 62 64 66 68 70 72腰圍47 48 50 51 52 53 54 55 56 58 60 62 64臀圍48 50 52 54 57 60 63 66 69 72 75 78 81領圍27 27.5 28 29 29.5 30 30.5 31 32 32 33 33.5 34袖長24 27 30 32 34 36 38 40 42 44 46 48 50手頭圍14 14.5 14.5 15 15 15.5 15.5 16 16 16.5 16.5 17 17腕圍18 18.5 19 20 20.5 21 22 22.5 23 24 24.5 25.5 26袖孔29.5 30 30.5 31 32 32.5 33.5 34.5 35 36 37 38 39頭圍47 48 49 50 51 51 52 52 53 53 54 54 55股上長20 20.5 21 21 21.5 22 22 22.5 23 23 23.5 24 24褲長45 49 53 56 60 64 67 70 70 78 82 86 89服装类商品综合尺寸表用SP·MP·LP·S·M·L·XL·MT·LT所表示的上衣、下装、连衣裙以及用58~80所表示的裤子、裙子、短裤,请按下表尺寸进行确认■ 用S·M·L表示的衣类通用尺寸表(上衣、下装、连衣裙等)■ 用腰围表示的通用尺寸表(用58·61·64·67·70·73·76·80表示的裤■ 女性尺码对照表:(装:外衣、大衣、连衣裙、针织毛衣 )欧码/亚码- 尺码对照表时间:2009-4-10 9:33:01 作者:janefs 浏览:270↓--------------------女装--------------------↓↓--------------------女裤--------------------↓市尺 1.7 1.8 1.9 2.0 2.1 2.2 2.3 2.4 cm---厘米55--58 58.5-61.5 62--65 65-68.5 69-71.5 72--75 75.5-78.5 79-81.5↓--------------------男装--------------------↓尺寸XS S M L XL XXL XXXL 尺码44 46 48 50 52 54 56 上装160/76A 165/80A 170/84A 175/88A 180/92A 185/96A 190/100A下装160/66A26--28165/70A28--30170/74A30--32175/78A32--34180/82A34--36185/86A36--38190/90A36--40 ↓--------------------男裤--------------------↓inch---英寸28 29 30 31 32 33 34 35 36 38 40市尺 2.0 2.1 2.2 2.3 2.4 2.5 2.6 2.7 2.8 3.0 3.2 cm---厘米65-98.5 69-71.5 72--75 75.5-78.5 79-81.5 82--85 85.5-88.5 89-91.5 92--95 95.5-98.5 99-101.5 .睡衣,泳衣,保暖衣尺码对照表(以厘米为单位)身高胸围(上)腰围臀围尺码157-162 80-90 62-68 85-95 160/90M162-167 85-95 67-73 90-100 165/95L167-172 90-100 72-78 95-105 170/100XL172-178 95-105 77-86 100-110 175/105XXL防止辐射抗菌防臭消除静电调节温度控制湿度三大设计:“半椭圆突起”独立空间结构“悬吊底座”式囊部吊而不垂物理结构“活动牵环”三维动感设计顶级面料:第三代纳米银复合纤维面料新一代进口原浆奥地利兰精Modal天丝般的质感,柔软顺滑;高科技的融合,细心呵护!产品特点:● 纳米银防辐射面料——防辐射性能跨越式提高,稳定性安全性的新标准● 独特剪裁缝合方式——改变防辐射面料穿着不舒适局面,引领行业典范● 首创覆膜加固工艺——解决了行业内经纬结构的离子银面料稳固性难题● 私密产品真空封装——避免流通过程人为不卫生因素,它完整地属于您采用当今国际最先进的电磁屏蔽技术“纳米银层固化技术”,把具有天然防辐射、抗菌、抗静电、调控温度和湿度等功能的纯金属“银”和坚牢耐磨且具有良好弹性的“锦纶”有机结合在一起,即将纯银沁入并把基材包裹起来变成永久的银纤维,结合我公司首创的覆膜加固工艺,解决了行业内经纬结构的离子银面料稳固性难题。
各种产品印刷尺寸+各种印刷尺寸一览表————————————————————————————————作者: ————————————————————————————————日期:印刷纸张尺寸列表印刷纸张尺寸对比表大度正度大全张1000mm×1400mm小全张890mm×1260mm大对开720mm×1020mm全开1193×889mm870x11001092×787mm对开863×584mm760×520mm 3开863×384mm760×358mm 丁三开443×745mm390×700mm4开584×430mm520×380mm 6开430×380mm380×350mm 8开430×285mm380×260mm 12开290×275mm260×250mm 16开285×210mm260×185mm 24开180×205cm170×180mm 32开210×136mm184×127mm36开130×180mm115×170mm 48开95×180mm85×260mm 64开136×98mm85×125mm名片90*54mm折卡90*95/90*108MM成品尺寸=纸张尺寸-修边尺寸德国罗兰四色机,它的规格、型号、印刷尺寸是:大对开720mm×1020mm小全张890mm×1260mm大全张1000mm×1400mm常用印刷纸张的开法虽然ISO的标准是将纸张划分为A、B、C三种开本,但是目前国内基本上还是采用787mm×1092mm的老规格(正度纸张)。
塑料尺寸规格表本文档提供了常见塑料尺寸规格的详细信息,以帮助您在使用塑料产品时选择合适的尺寸。
1. 塑料材料1.1 高密度聚乙烯(HDPE)- 密度:0.941-0.965 g/cm³- 厚度范围:0.2-10 mm- 最大尺寸:1200 mm × 2400 mm1.2 低密度聚乙烯(LDPE)- 密度:0.910-0.940 g/cm³- 厚度范围:0.1-5 mm- 最大尺寸:1200 mm × 2400 mm1.3 聚氯乙烯(PVC)- 密度:1.32 g/cm³- 厚度范围:0.5-6 mm- 最大尺寸:1200 mm × 2400 mm 2. 塑料规格2.1 瓶体- 直径范围:20-120 mm- 高度范围:50-300 mm- 容量范围:50-1000 ml2.2 塑料袋- 宽度范围:100-600 mm- 长度范围:150-1000 mm3. 塑料板材规格3.1 聚丙烯板- 厚度范围:1-20 mm- 最大尺寸:1200 mm × 2400 mm 3.2 聚乙烯板- 厚度范围:2-25 mm- 最大尺寸:1200 mm × 2400 mm 3.3 聚氯乙烯板- 厚度范围:1-10 mm- 最大尺寸:1200 mm × 2400 mm 4. 塑料管道规格4.1 PVC管- 外径范围:20-630 mm- 壁厚范围:2-15 mm4.2 PE管- 外径范围:20-630 mm- 壁厚范围:2-15 mm请注意,以上规格仅作为参考,具体尺寸可能会因供应商和生产批次的不同而有所变化。
在选择塑料产品尺寸时,请与具体供应商联系以获取准确的规格信息。
感谢阅读本文档,希望对您选择塑料尺寸规格有所帮助!。
印刷纸张尺寸列表成品尺寸=纸张尺寸-修边尺寸德国罗兰四色机,它的规格、型号、印刷尺寸是:大对开720mm×1020mm小全张890mm×1260mm大全张1000mm×1400mm常用印刷纸张的开法虽然ISO的标准是将纸张划分为A、B、C三种开本,但是目前国内基本上还是采用787mm×1092mm的老规格(正度纸张).由于要除去印刷机咬口,所以实际的可印刷幅面是780mm×10 80mm左右。
常用印刷纸张的开法和可印刷面积表:这里要注意一下,纸张一般有两种开法——两开法和三开法。
两开法就是每次将纸张一折为二,所以开数也是以二的次幂数增加的。
三开法相对比较复杂一些,第一刀是将纸张一分为三来进行裁切的,所以开数是以3的倍数增加的。
除此之外,还有一些根据特殊需要的特殊开法.2开法3开法特殊开法印刷纸张尺寸大全正度纸张:开数(正度) 尺寸单位(mm)全开 781×10862开 530×760 3开 362×7814开 390×543 6开 362×39016开 195×271注:成品尺寸=纸张尺寸-修边尺寸大度纸张:开数(正度)尺寸单位(mm)全开 844×11622开 581×844 3开 387×8444开 422×581 6开 387×4228开 290×422注:成品尺寸=纸张尺寸-修边尺寸常见开本尺寸:开数尺寸单位(mm)对开:736 x 5204开:520 x 3688开:368 x 26016开:260 x 18432开:184 x 130开本尺寸(大度):开数尺寸单位(mm)对开:570 x 8404开:420 x 5708开:285 x 42016开:210 x 28532开:203 x 140正度纸张:开数尺寸单位(mm)全开 781×10862开 530×7603开 362×7814开 390×5436开 362×3908开 271×390注:成品尺寸=纸张尺寸-修边尺寸大度×纸张:开数(正度)尺寸单位(mm)全开 844×11622开 581×8443开 387×8444开 422×5816开 387×4228开 290×422注:成品尺寸=纸张尺寸-修边尺寸16开大度:210×285 正度:185×2608开大度:285×420 正度:260×3704开大度:420×570 正度:370×5402开大度:570×840 正度:540×740全开大:889×1194 小:787×1092名片:横版:90*55mm<方角> 85*54mm<圆角〉竖版:50*90mm<方角〉 54*85mm〈圆角>方版:90*90mm 90*95mmIC卡:三折页广告标准尺寸: (A4)210mm x 285mm普通宣传册:标准尺寸:(A4)210mm x 285mm文件封套:标准尺寸:220mm x 305mm招贴画:标准尺寸:540mm x 380mm挂旗:标准尺寸:8开 376mm x 265mm4开 540mm x 380mm手提袋:标准尺寸:400mm x 285mm x 80mm信纸、便条:标准尺寸:185mm x 260mm 210mm x 285mm 85x54MM 8501168mm 787×1092mm 850 x 1168mm 787 x 1092 mm 850×1168 mm 787×1092 mm印刷常规尺寸表16开尺寸标准型:大度16开:210*285mm(成品尺寸) 214*289mm(加出血尺寸)正度16开:185*260mm(成品尺寸) 189*264mm(加出血尺寸)长型:大度16开:420*140mm(成品尺寸)424*144mm(加出血尺寸)正度16开:370*125mm(成品尺寸)374*129mm(加出血尺寸)8开宣尺寸标准型:大度8开:420*285mm(成品尺寸) 424*289mm(加出血尺寸)正度8开:370*260mm(成品尺寸) 374*264mm(加出血尺寸)长型:大度8开:570*205mm(成品尺寸)574*209mm(加出血尺寸)正度8开:520*180mm(成品尺寸)524*184mm(加出血尺寸)4开宣尺寸标准型:大度4开:420*570mm(成品尺寸) 424*574mm(加出血尺寸)正度4开:370*520mm(成品尺寸)374*524mm(加出血尺寸)长型:大度4开:840*280mm(成品尺寸)844*284mm(加出血尺寸)正度4开:740*255mm(成品尺寸)744*259mm(加出血尺寸) 32开宣尺寸标准型:大度32开:210*140mm(成品尺寸) 214*144mm(加出血尺寸)正度32开:185*125mm(成品尺寸)191*131mm(加出血尺寸)长型:大度32开:285*100mm(成品尺寸)289*104mm(加出血尺寸)正度32开:255*90mm(成品尺寸)259*94mm(加出血尺寸)名片尺寸标准尺寸成品尺寸90*54 加出血92 *56mm吊旗尺寸大度6开:420*370mm(成品尺寸) 424*374mm(加出血尺寸)正度6开:340*370mm(成品尺寸) 344*374mm(加出血尺寸)长大度6开:270*570mm(成品尺寸) 274*574mm(加出血尺寸)长正度6开:240*520mm(成品尺寸)244*524mm(加出血尺寸)大度3开:370*840mm(成品尺寸)374*844mm(加出血尺寸)正度3开:340*740mm(成品尺寸) 344*744mm(加出血尺寸)大度对开:840*570mm(成品尺寸) 844*574mm(加出血尺寸)正度对开:740*520mm(成品尺寸) 744*524mm(加出血尺寸)海报尺寸大度4开:420*570mm(成品尺寸)424*574mm(加出血尺寸)正度4开:370*520mm(成品尺寸) 374*524mm(加出血尺寸)大度3开:370*840mm(成品尺寸) 374*844mm(加出血尺寸)正度3开:340*740mm(成品尺寸) 344*744mm(加出血尺寸)封套尺寸21.3*29。
8x8相册花边水晶册:内页40.6x20.3 封面是22x22
8x8简艺皮册内页40.6x20.3 封面:9*9
8x8迪奥相册内页40.6x20.3 封面是12x12
10x10迪奥相册50.8x 25.4 封面是17x17
10x10花边水晶内页25*25 封面是26*26 米娜相册50.8x 25.4 封面:25.5x25.5
卡哇伊内页50x25 封面12x22
8x8贝壳册40..6x20.3 封面大8x8厘米小6x6 2个
24寸片:50.8x60.9 10寸片:20.3x25.4
7寸12.7x17.8
7寸黄色小熊欧式木画架横片(统一7寸横片)3+1组合框3+1大竖片30*40
3+1小竖片12x14
6+1组合框6+1大横片:30.5x40.5
6+1竖:12x13.5
8+1组合框8+1大25 *30
8+1小12x12
4+1组合4+1大竖30.5x40.5
4+1 方12x12
韩粉3+1 3+1大方49*49
3+1小竖片12x14
六圆: 六圆大:23x23
六圆中18x18
六圆小13x13 双联大韩竖版14*19
双面摆台、:12.7*17.8
六孔大韩:24x37
六孔大韩小:15.5x15.5
16寸30x40
12寸25.4x30.5
10寸太阳花花蝶版画20.3x25.4
10寸木画架横片20.3x25.4
10寸木纹都是竖片
双联大韩14x19 2个
木纹3+1大44.6x30
木纹小:14*14
钥匙扣:3.5*2.7。