安全生产月报模板
- 格式:doc
- 大小:111.07 KB
- 文档页数:14
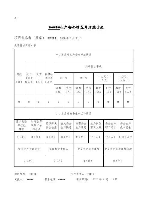
表1*****生产安全情况月度统计表项目部名称(盖章) ***** 2020年 8月 11日是否重点工程:否项目经理: ***** 项目负责人:*****填报人: ***** 联系电话:***** 填表日期: 2020年 8 月 11日表2***** 2020 年 7 月重大危险源监控情况登记表项目部名称(盖章): ***** 2020 年 8 月 11 日填报人(签字): ***** 项目经理(签字):***** 项目负责人(签字):*****表3*****安全经费的投入与使用情况台帐项目名称: ***** 建筑面积:3387.51平方工程造价:342.168313万表4***** 2020 年 7月安全员配备登记表工程名称: *****工程规模:3387.51平方1、本表在每月25日前必须报送公司安全环保部,项目部务必认真填写(对于未按时报送、谎报、瞒报的公司将进行重罚);2、项目部必须根据建质[2008]91号文的相关规定,配足专业安全员并保证持证上岗(建筑工程、装修工程按照建筑面积配备:1万平方米以下的工程不少于1人;1万~5万平方米的工程不少于2人;5万平方米及以上的工程不少于3人,土木工程、线路管道、设备安装工程按照工程合同价配备:5000万元以下的工程不少于1人;5000万~1亿元的工程不少于2人;1亿元及以上的工程不少于3人)项目负责:***** 登记人: ***** 登记日期:2020.8.11*****安全技术交底记录注:本表在每月25日前必须报送公司安全环保部,项目部务必认真填写(对于未按时报送、谎报、瞒报的公司将进行重罚)填表人:***** 项目负责人:***** 时间:2020 年 8月 11 日*****安全教育情况时间:2020 年 8 月11 日表7超过一定规模的危险性较大的分部分项工程重大危险源清单填报说明:当月25日前,报本月本项目所涉及超过一定规模的危险性较大的分部分项工程项目。
安全生产月月报安全生产月月报为了保障员工的安全,提高公司的安全生产管理水平,我们公司一直重视安全工作。
每年的6月份被确定为全国安全生产月,为了更好地宣传安全知识,指导员工安全操作,我们开展了一系列的安全活动。
现将公司安全生产月工作情况进行月报。
一、安全宣传公司安全委员会制定了宣传安全的方案,安排专人进行安全宣传。
在6月份,我们发放了安全知识手册,并举行了安全知识培训,向员工讲解生产中的危险因素以及应对措施。
在厂区内,我们开展了“安全知识问答”、“安全文艺演出”等活动,通过活动让员工更深入地了解安全文化,增加他们的安全意识。
二、安全检查公司安全委员会制定了安全检查方案,组织专门的安全检查小组进行检查。
我们准备了检查表格,对厂区内的安全隐患进行细致的排查,及时发现、解决和消除生产环节中的安全风险。
在检查过程中,发现存在隐患的部门将被安排开展内部消防演习和救援演练。
此外,我们也经常邀请消防专家给员工做一些消防安全知识方面的培训,使员工能够对火灾及其应急处理有一定了解。
三、安全生产教育公司安全委员会组织员工开展了安全生产教育活动。
我们将员工分为几批,在工作间隙进行了安全生产教育培训。
在教育中,使员工了解安全生产管理的重要性,讲解安全管理的各项措施及应对措施,提高员工的安全意识,让员工知道如何遵守安全规定。
四、安全奖励为了激发员工的安全意识,我们公司采用安全奖励的方式,从6月份开始,对交班卡验收良好的员工进行奖励,并且每位参与安全知识培训并通过测试的员工,将获得一份精致的礼品。
五、安全视察公司安全委员会安排了安全视察工作,对公司厂区的各项安全管理工作进行了全面的检查、考评和评估。
我们要求每一个部门和岗位严格按照安全标准工作,在厂区和工作场所设置进出口检查口,检查来访人员的人脸识别,避免恐怖袭击等事件的发生。
总之,公司安全生产月的各项活动得到了员工的积极响应,并取得了较好的效果。
在活动中,我们通过各种形式的宣传教育,增强了员工的安全意识和安全知识,有效地降低了事故的发生率,并且让每一位员工都真正意识到了安全意识在工作中的重要性,为公司的发展添砖加瓦,也确保了员工的安全生产。
安全工作月报表本月是公司安全工作的关键时期,我们全体员工积极投入到安全工作中,努力做好各项安全工作,确保公司生产经营活动的安全稳定进行。
以下是本月的安全工作月报表:一、安全生产工作。
本月,我们加强了对生产现场的安全管理,严格执行各项安全操作规程,加强了对员工的安全教育和培训,提高了员工的安全意识和责任意识。
同时,我们加强了对设备的维护保养工作,确保设备运行的安全可靠。
在生产过程中,我们及时发现并排除了一些潜在的安全隐患,有效地避免了安全事故的发生。
二、安全检查工作。
本月,我们组织了一次全面的安全检查,对公司各个部门的安全管理情况进行了全面排查。
通过检查,发现了一些安全隐患,并立即下发整改通知,要求各部门立即整改到位。
同时,我们加强了对特种设备、危险化学品等重点部位的安全检查,确保了重点部位的安全生产。
三、安全生产宣传教育。
本月,我们开展了一系列安全生产宣传教育活动,通过安全知识讲座、安全演练等形式,提高了员工的安全意识和自我保护能力。
同时,我们还利用公司内部通讯平台,向全体员工发送安全生产知识,提醒大家时刻关注安全,做好自我保护。
四、安全事故处理工作。
本月,公司未发生任何安全事故,但我们依然做好了安全事故的应急预案和处理工作。
我们对各类安全事故进行了分析总结,及时向全体员工通报安全事故案例,以此警示大家时刻保持警惕,做好安全防范工作。
五、下月安全工作计划。
下月,我们将继续加强对生产现场的安全管理,进一步完善各项安全操作规程,加强对员工的安全教育和培训。
同时,我们将继续加强对设备的维护保养工作,及时排查和消除安全隐患。
另外,我们还将开展更多形式的安全生产宣传教育活动,提高员工的安全意识和自我保护能力。
综上所述,本月公司安全工作取得了一定成绩,但也存在一些不足之处。
我们将继续努力,不断完善安全管理工作,确保公司安全生产工作的稳定进行。
希望全体员工能够时刻关注安全,共同营造一个安全、稳定的生产环境。
《安全月报》安全月报(一):一、本月安全总体状况本月安全生产状况较上月上有所改善,施工通道及区间车站的安全警示标志标牌已全部设置完成施;玉南区间施工通道累计掘进78M新增压入式通风设备两台保证洞内空气流通;玉带山车站围护桩完成92根基坑下挖约2.5M目前基坑整齐状况稳定;沙玉区间施工通道累计掘进21M,临建设置完成越75%。
为确保国庆节期间的安全生产,环线轨道在当地公安部门的要求下暂时停止了隧道钻爆作业。
节日期间项目值班领导小组坚守在生产的第一线上,组织各部门开展节日安全隐患排查,在保证安全的前提下促进生产。
本月和下月的主要安全重点和难点有,沙玉区间施工通道掘进已进入加宽段施工难度有所增加,且掘进时要下穿公路,务必按按若爆破、短进尺、强支护、快封闭的原则进行施工,同时加强对隧道沉降和周边收敛的监控量测及时控制好隧道的开挖安全;沙玉区间施工通道为上下台阶开挖,由于施工通道较为狭窄工作面难以全部开展,推荐暂时放缓掘进进度保证洞门口及洞身开挖的安全;玉带山车站马道明槽开挖段上方有一档10万千伏高压线,由于安全距离不足无法施作围护桩,马道明槽防护改用承载式墙支护,明槽右侧边坡离公路约3M左右,受路面车辆动载影响边坡较易失稳滑塌。
二、事故状况本月无安全生产事故。
三、安全工作具体状况1、定期开展安全生产检查和月度安全生产检查,针对隧道施工车站基坑临时用电特种设备临建消防等进行安全督查,监督施工队对存在的安全隐患进行整改。
2、对沙玉区间钢筋加工厂新进场工人开展三级安全教育考核,考核合格率达%;对新进场工人进行三级安全技术交底。
3、预备好冬季施工安全生产教育材料,下月开展季节性安全生产教育培训,进一步完善重大危险源的动态调查和更新。
4、召开安全生产会议,及时研究部署本月安全生产工作,决议透过务必加快沙玉区件临建设施的建设。
由技术部门和安全部门联合对临建设施进行自查,检查合格后报业主单位验收。
5、增设钢筋加工场设备安全操作规程和钢筋制作大样图,新增隧道施工安全警示标志和洞内三限标志牌,监督施工队设置开挖台车警示灯带和放光标志的设置;规范现场材料及半成品的堆放;纠正沙玉区间玉带山车站的临时用电问题,监督施工队按规范用电;检查炸药临时存放点的安全防护设置报请当地公安部门审查验收。
安全生产月度检查情况汇报模板一、检查目的和背景安全生产是企业的重要任务和基本要求,为了加强安全生产管理,预防和减少事故的发生,保障员工的生命财产安全,本次检查主要目的是评估企业安全生产工作的实际情况,发现存在的问题和隐患,并提出改进措施,推动安全生产工作的持续改进。
二、检查范围和内容本次安全生产月度检查主要对以下方面进行检查:1. 企业安全管理制度的完善情况,包括文件落实、操作规程等;2. 工作场所的安全状况,包括设备设施、消防设备、环境卫生等;3. 岗位人员是否按照规章制度进行操作,是否存在违章行为;4. 安全培训和教育的开展情况,是否有安全意识较差的人员;5. 安全设施和防护措施的有效性,是否存在设施老化、缺陷等问题;6. 安全风险评估和应急预案的制定和实施情况。
三、检查结果经过对以上方面的检查,发现了以下问题和隐患:1. 安全管理制度不完善,缺乏实际指导性文件;2. 工作场所存在一些安全隐患,如设备设施老化、消防设备不齐全、环境卫生差等;3. 部分岗位人员存在违章行为,如未经许可私自操作设备、不按规章制度进行操作等;4. 部分员工的安全意识较差,对安全生产工作缺乏重视;5. 安全设施和防护措施存在一些问题,如设施老化、防护措施不完善等;6. 部分工作区域的安全风险评估和应急预案制定不全面,应急响应机制不够健全。
四、改进措施针对以上存在的问题和隐患,制定了以下改进措施:1. 完善安全管理制度,制定实际指导性文件,并组织相关人员进行培训和宣传,确保制度的落实和执行;2. 加强工作场所的安全管理,定期进行设备设施维护保养,购置和更新消防设备,加强环境卫生管理;3. 加强对岗位人员的培训和管理,提高他们的安全意识和操作技能,严禁违章操作;4. 加强安全教育和宣传,提高员工的安全意识,定期组织安全知识培训,并设置奖惩措施;5. 对存在问题的安全设施和防护措施进行及时修复和改进,确保其有效性;6. 对工作区域进行全面的安全风险评估,制定完善的应急预案,并定期组织演练,加强应急响应机制的建设。
安全生产工作月度总结模板____公司依据集团公司安全l号文件精神,按照____公司安全l号文件的具体布署认真开展工作,重点夯实安全培训和安全标准化两项基础工作,不断完善安全生产责任制和操作规程,修订完善各分厂作业规程和一工程一措施,补充了安全标准化考核实施办法和细则,进一步完善了要害部位的安全管理规定,狠抓了现场安全监督与检查,经全公司上下共同努力,____消灭重伤以上事故,坚决杜绝重大事故,巩固安全培训和安全质量标准化成果,安全质量标准化达到安全、文明、清洁生产,实现了年初制定的安全奋斗目标。
现将具体工作汇报如下:一、强化安全意识,狠抓安全培和安全标准化两项基础工作____初,一方面对基层五个分厂的职工进行集中与分散相结合的安全培训,为此公司下发安全培训文件,并且专门聘请培训教师,侧重培训全民工、集体工、临时工的安全知识及自我保安意识,进一步组织职工重点学习了安全生产责任制、操作规程和作业规程。
另一方面对____公司副科以上干部____人在集团公司的安培中心进行安全资格培训。
通过两级安全培训,不仅使我公司管理人员及职工的安全意识大幅度提高,而且对依法安全生产也有新的认识。
同时也大大增强了职工的主人翁责任感。
____月份对全公司要害部位的生产应急救援预案、各工种的操作规程进行完善,重点修订了包装材料厂的消防应急救援预案和石材厂的山场掌子面开采及火药库的安全生产应急救援预案。
不仅使职工在工作中严格按本岗位操作。
标准进行操作,而且还懂得遇到突发事故怎样应对。
之后又对____公司的安全标准化考核条例及实施办法进行补充修改,增加安全管理、质量管理的考核分数,细化安全标准化扣分标准,使安全标准化考核结果与管理人员当月奖金挂钩,这不仅充分调动了管理人员工作的积极性而且也真正实现奖勤罚懒。
____月初,为了____公司____月____日干部大会精神,增强领导抓安全工作的责任心,改变工作作风,经____公司董事会研究决定,公司领导对基层实行分工负责制,每天在基层单位工作____小时以上,公司领导下沉一级分工流动参加基层单位安全办公会议,同时要求基层单位的领导也下沉一级参加车间、班组的安全会议,经过近一年的实践,收效明显,避免形式主义,及时掌握生产一线安全生产状况,确保深、严、细寥地抓好安全工作。
国企公司安全生产月报国企公司安全生产月报尊敬的领导、同事们:大家好!本月是我公司安全生产工作的重要时期,各级领导对安全生产高度重视,各级各部门坚决贯彻落实安全生产方针,采取了一系列有效措施,为公司的安全生产工作奠定了坚实的基础。
现将本月安全生产工作情况做以下报告。
一、安全生产基础工作1. 公司领导高度重视安全生产工作,强调安全第一,制定并完善了一系列安全管理制度和规范,确保各项安全工作有章可循。
2. 成立了安全生产委员会,每月召开一次安全生产委员会会议,通过班组、部门、全体员工等多级别的会议宣传和推动安全生产工作,确保了安全生产政策能够有效贯彻到位。
3. 组织开展了岗前培训和技能培训,提高员工安全意识和安全技能,针对现有安全隐患开展安全培训,提高员工对事故预防和应急处置的能力。
4. 对安全生产责任制进行了再升级,明确各级领导和岗位的责任,形成有效的安全管理体系,为后续安全生产工作提供了有力支持。
二、安全生产工作亮点1. 完善了事故预防措施。
加强了设备、工艺和人员安全检查,制定了明确的安全操作规程,对所有潜在的安全隐患进行了全面排查整改,有效避免了安全事故的发生。
2. 加强了消防安全工作。
全面检查了各类防火设施的完好情况,加大了消防器材的购置力度,并进行了员工消防演练,提高了员工灭火自救能力。
3. 规范了施工作业行为。
制定了严格的施工作业规范,加强了对施工现场的监督检查,确保了施工期间的安全顺利进行。
4. 加强了职业健康防护。
开展了员工职业健康体检,对一线作业人员提供了相应的个人防护用品,确保了员工的身体健康和工作安全。
三、安全生产问题及改进措施1. 在个别岗位存在安全操作不规范的现象,解决方案是加强安全培训,确保员工具备正确的安全操作技能。
2. 部分防火设施维护不及时,解决方案是增加防火设施维护周期,定期进行检查和维修,确保设施的可靠性。
3. 部分员工对安全知识的掌握有待提高,解决方案是加强员工安全教育,通过培训和宣传等方式,提高员工的安全意识和知识水平。
安全生产月度检查情况汇报模板一、检查概况本月安全生产检查工作旨在全面了解企业安全生产状况,及时发现和解决存在的安全隐患,确保员工生命财产安全。
本次检查重点以生产车间、仓库和办公区域为主要对象,共组织检查人员XX人次,检查时间为XX天。
二、检查内容本次检查主要包括以下几个方面的内容:1. 生产设备的安全状况,如设备是否存在漏电、过热等现象,设备是否正常运转,是否存在故障等2. 生产车间和仓库的消防设施是否完善、有效,是否设置有明显防火标识3. 工作人员的安全操作是否规范,是否佩戴个人防护用品,是否存在违章操作等4. 办公区域的安全状况,如电源插座是否安全使用,办公室是否存在疏散通道堵塞等5. 特殊风险区域的安全措施,如化学品仓库、危险品操作区等,是否设置了相应的安全隔离措施和防护设施6. 企业的防火、防爆等应急预案是否完备,是否有定期演练和培训三、检查结果1. 设备安全状况检查结果本月检查发现X台设备存在故障,经维修后重新投入使用;另发现X台设备存在漏电、过热现象,已及时进行维修,并采取措施避免再次发生。
总体上,设备安全状况良好,生产正常进行。
2. 消防设施检查结果生产车间和仓库的消防设施齐全,消防栓、灭火器等设施均在有效期内,并经过定期检验和维护。
消防通道畅通无阻,防火标识醒目清晰,员工普遍具备基本的防火知识。
未发现安全隐患。
3. 工作人员操作检查结果工作人员操作规范,佩戴个人防护用品情况良好。
无违章操作现象发生。
在检查过程中,对员工进行了安全宣传教育,提高了员工的安全意识。
4. 办公区域安全状况检查结果办公区域电源插座使用正常,未发现异常。
办公室疏散通道畅通无阻,消防设施齐全,员工普遍具备基本的安全意识。
5. 特殊风险区域安全措施检查结果化学品仓库、危险品操作区等特殊风险区域存在相应的安全隔离措施和防护设施,并进行定期检查和维护,无安全隐患。
6. 应急预案检查结果企业的防火、防爆等应急预案完备,并有定期演练和培训,员工对应急情况的应对能力较强。
安全月报范文(6篇)安全月报范文第一篇:一、本月安全总体状况本月安全生产状况较上月上有所改善,施工通道及区间车站的安全警示标志标牌已全部设置完成施;玉南区间施工通道累计掘进78M新增压入式通风设备两台保证洞内空气流通;玉带山车站围护桩完成92根基坑下挖约2.5M目前基坑整齐状况稳定;沙玉区间施工通道累计掘进21M,临建设置完成越75%。
为确保庆节期间的安全生产,环线轨道在当地公安部门的要求下暂时停止了隧道钻爆作业。
节日期间项目值班领导小组坚守在生产的第一线上,组织各部门开展节日安全隐患排查,在保证安全的前提下促进生产。
本月和下月的主要安全重点和难点有,沙玉区间施工通道掘进已进入加宽段施工难度有所增加,且掘进时要下穿公路,务必按按“若爆破、短进尺、强支护、快封闭”的原则进行施工,同时加强对隧道沉降和周边收敛的监控量测及时控制好隧道的开挖安全;沙玉区间施工通道为上下台阶开挖,由于施工通道较为狭窄工作面难以全部开展,推荐暂时放缓掘进进度保证洞门口及洞身开挖的安全;玉带山车站马道明槽开挖段上方有一档10万千伏高压线,由于安全距离不足无法施作围护桩,马道明槽防护改用承载式墙支护,明槽右侧边坡离公路约3M左右,受路面车辆动载影响边坡较易失稳滑塌。
二、事故状况本月无安全生产事故。
三、安全工作具体状况1、定期开展安全生产检查和月度安全生产检查,针对隧道施工车站基坑临时用电特种设备临建消防等进行安全督查,监督施工队对存在的安全隐患进行整改。
2、对沙玉区间钢筋加工厂新进场工人开展三级安全教育考核,考核合格率达%;对新进场工人进行三级安全技术交底。
3、预备好冬季施工安全生产教育材料,下月开展季节性安全生产教育培训,进一步完善重大危险源的动态调查和更新。
4、召开安全生产会议,及时研究部署本月安全生产工作,决议透过务必加快沙玉区件临建设施的建设。
由技术部门和安全部门联合对临建设施进行自查,检查合格后报业主单位验收。
5、增设钢筋加工场设备安全操作规程和钢筋制作大样图,新增隧道施工安全警示标志和洞内三限标志牌,监督施工队设置开挖台车警示灯带和放光标志的设置;规范现场材料及半成品的堆放;纠正沙玉区间玉带山车站的临时用电问题,监督施工队按规范用电;检查炸药临时存放点的安全防护设置报请当地公安部门审查验收。
安全月报范文第一篇:一、本月安全总体状况本月安全生产状况较上月上有所改善,施工通道及区间车站的安全警示标志标牌已全部设置完成施;玉南区间施工通道累计掘进78M新增压入式通风设备两台保证洞内空气流通;玉带山车站围护桩完成92根基坑下挖约2.5M目前基坑整齐状况稳定;沙玉区间施工通道累计掘进21M,临建设置完成越75%。
为确保庆节期间的安全生产,环线轨道在当地公安部门的要求下暂时停止了隧道钻爆作业。
节日期间项目值班领导小组坚守在生产的第一线上,组织各部门开展节日安全隐患排查,在保证安全的前提下促进生产。
本月和下月的主要安全重点和难点有,沙玉区间施工通道掘进已进入加宽段施工难度有所增加,且掘进时要下穿公路,务必按按“若爆破、短进尺、强支护、快封闭”的原则进行施工,同时加强对隧道沉降和周边收敛的监控量测及时控制好隧道的开挖安全;沙玉区间施工通道为上下台阶开挖,由于施工通道较为狭窄工作面难以全部开展,推荐暂时放缓掘进进度保证洞门口及洞身开挖的安全;玉带山车站马道明槽开挖段上方有一档10万千伏高压线,由于安全距离不足无法施作围护桩,马道明槽防护改用承载式墙支护,明槽右侧边坡离公路约3M左右,受路面车辆动载影响边坡较易失稳滑塌。
二、事故状况本月无安全生产事故。
三、安全工作具体状况1、定期开展安全生产检查和月度安全生产检查,针对隧道施工车站基坑临时用电特种设备临建消防等进行安全督查,监督施工队对存在的安全隐患进行整改。
2、对沙玉区间钢筋加工厂新进场工人开展三级安全教育考核,考核合格率达%;对新进场工人进行三级安全技术交底。
3、预备好冬季施工安全生产教育材料,下月开展季节性安全生产教育培训,进一步完善重大危险源的动态调查和更新。
4、召开安全生产会议,及时研究部署本月安全生产工作,决议透过务必加快沙玉区件临建设施的建设。
由技术部门和安全部门联合对临建设施进行自查,检查合格后报业主单位验收。
5、增设钢筋加工场设备安全操作规程和钢筋制作大样图,新增隧道施工安全警示标志和洞内三限标志牌,监督施工队设置开挖台车警示灯带和放光标志的设置;规范现场材料及半成品的堆放;纠正沙玉区间玉带山车站的临时用电问题,监督施工队按规范用电;检查炸药临时存放点的安全防护设置报请当地公安部门审查验收。
施工安全生产月报施工安全生产月报近期,本公司全体员工积极配合施工安全生产工作,认真贯彻执行各项安全制度和措施,努力营造了安全的工作环境和良好的安全生产氛围。
以下是本月施工安全生产的具体情况汇报:一、安全培训和宣传本月,公司组织了多次安全培训和宣传活动,全体员工参加了安全生产理念、施工安全操作规范及相关法律法规的培训,并进行了理论和实际操作结合的综合演练。
通过培训和宣传,加强了员工的安全意识和技能,提高了安全作业水平。
二、现场安全管理在本月的施工过程中,我们坚持对各项安全措施的落实,加强对施工现场的安全巡查和监督,及时排除隐藏的安全隐患。
同时,对违章指挥、违规操作等行为进行严厉批评,对警示标识的设置和防护设施的完善进行了进一步的加强。
三、事故与隐患排查本月,我们加强了对施工现场的事故与隐患排查,及时发现和处理了一些安全隐患,如设备损坏、电线短路等。
取得了明显的安全生产成果,有效地保障了工人的生命安全和财产安全。
四、应急演练为提高应急处置能力,我们组织了一次火灾应急演练,以检验员工的应急反应和组织协调能力。
演练过程中,员工迅速疏散,并合理运用灭火器材进行扑救,有效控制了火势。
演练后,我们总结了经验,并对不足之处进行了改进,提高了应急处置能力。
五、安全奖惩机制为进一步强化员工的安全意识,我们建立了安全奖惩机制,加强了对员工的安全教育和监督。
在本月的施工中,对积极参与安全工作、遵守安全规定的员工进行了奖励,同时对安全违章行为进行了严肃处理,督促员工遵守各项安全制度。
六、安全总结和展望本月的施工安全生产工作取得了较好的成绩,但仍存在一些不足之处。
下一步,我们将进一步加强施工现场的安全管理,加大对安全教育和培训的力度,完善安全制度和措施,不断提高员工的安全意识和技能,确保施工安全生产工作取得更好的成果。
总之,本月的施工安全生产工作取得了一定的成绩,但仍需进一步努力。
我们相信,在全体员工的共同努力下,施工安全生产工作将不断取得新的突破和成就。
安全生产月周报
尊敬的领导:
您好!根据各部门的工作情况和本月发生的安全事件,现将安全生产月周报如下:
一、安全生产工作总体情况
本月,各部门高度重视安全生产工作,严格执行各项安全规章制度,各项安全指标较好完成。
全员参加了安全生产培训,提高了员工的安全意识和应急能力。
二、工作亮点
1.强化安全检查
各部门制定了详细的安全检查计划,并按时进行了安全检查。
对存在的安全隐患,及时进行整改,有效地防止了事故的发生。
2.加强安全培训
本月开展了多次安全培训,提高了员工的安全意识和自我保护能力。
通过培训,员工掌握了紧急排险、火灾逃生、电器安全等方面的知识,为安全生产打下了坚实的基础。
3.推行安全文化
各部门积极推行安全文化建设,组织了安全知识竞赛活动,增加了员工的安全关注度和参与度。
三、存在的问题
1.部分员工对安全意识不够重视,存在违章操作现象。
需要加
强安全宣传教育,增强员工的安全意识。
2.一些设备存在老化磨损情况,需要加强设备维修和更新工作,提升设备的安全性能。
3.某部门发生了一起轻微伤事故,事故原因为操作不规范。
需
要对员工进行再次培训,加强操作规范。
四、下一步工作计划
1.加大安全宣传力度,提高员工的安全意识,开展更多的安全
培训活动。
2.加强设备维修和更新,确保设备的安全运行。
3.加强安全巡查,加大对违章操作的整治力度,维护好安全生
产的稳定局面。
以上为本月的安全生产月周报,请您审阅并指导后续的工作。
谢谢!
安全生产部门。
安全生产月工作总结模板6篇篇1一、引言本月,我们围绕“安全生产,警钟长鸣”的主题,开展了系列的安全生产活动。
通过一系列的宣传、教育和实践,旨在提高全体员工的安全生产意识,增强安全操作技能,确保公司的安全生产形势持续稳定。
二、安全生产活动概述1. 安全生产宣传:通过悬挂横幅、张贴海报、发布内部通讯等方式,广泛宣传安全生产的重要性,营造浓厚的安全生产氛围。
2. 安全教育培训:组织开展了多场安全教育培训活动,包括安全操作规程学习、应急处理培训等,提高了员工的安全操作技能。
3. 安全隐患排查:对公司的各个角落进行了全面的安全隐患排查,发现并整改了一批潜在的安全隐患。
4. 应急演练:组织了多次应急演练活动,包括火灾、地震等突发事件的演练,提高了员工的应急处理能力。
三、安全生产成果与亮点1. 安全生产意识显著提高:通过广泛的宣传和教育,员工的安全生产意识明显增强,安全操作更加规范。
2. 安全操作技能提升明显:通过培训和实践,员工的安全操作技能得到显著提升,能够更好地应对各种安全操作任务。
3. 安全隐患得到有效控制:通过全面的安全隐患排查和整改,公司内的安全隐患得到有效控制,安全生产环境更加安全。
4. 应急处理能力大幅提升:通过应急演练活动,员工的应急处理能力得到大幅提升,能够在突发事件中迅速、准确地采取应对措施。
四、存在的问题与不足1. 安全教育培训的深度和广度还需进一步加强,特别是针对新员工的培训工作还需完善。
2. 安全隐患排查工作虽然取得了一定成效,但还需持续开展并形成常态化机制。
3. 应急演练活动虽然有所改进,但还需进一步提高演练的真实性和针对性。
五、建议与展望1. 进一步加大安全教育培训的力度,特别是针对新员工的培训工作要常态化开展。
2. 建立安全隐患排查的长效机制,确保安全隐患得到持续有效的控制。
3. 提高应急演练的针对性和真实性,增强员工的应急处理能力。
4. 加强安全生产的日常监督和管理,确保各项安全措施得到有效执行。
2024年安全生产月总结参考模板按照工程管理公司的统一部署和要求,临安府项目部成立了安全生产月活动领导小组和制定了活动方案,结合项目现场实际,开展了以“强化红线意识、促进安全发展”为主题的“安全活动月”活动,并狠抓宣传活动,着力普及安全生产知识教育,突出重点抓好施工现场安全生产专项治理,杜绝安全生产事故。
现将有关活动情况总结如下:一、主要活动开展基本情况1、认真开展宣传教育活动,营造良好的社会氛围今年安全生产月活动主题是“强化红线意识、促进安全发展”。
紧紧围绕这一主题,广泛深入开展安全生产宣传教育、培训工作。
____年____月____日,项目部将组织职工开展“遵章守纪,从我做起”的安全签名活动。
向各施工单位宣传贯彻公司“安全生产活动月”的活动要求,利用生产会议、标语、宣传栏等多种宣传形式,教育全体管理人员及施工人员遵章守法,提高全员的安全生产意识。
普及安全文化,传播了安全技术,做到全体管理及施工人员人人皆知,提高项目部全体施工人员的安全素质,时刻紧绷安全这根弦,安全牢记心中,推动了项目部安全生产工作的稳定发展。
2、加强施工现场安全文明管理,深化安全生产专项治理施工现场是安全生产监管的重点,杜绝现场安全隐患,提高个人防范能力是抓好安全生产工作的根本。
____年____月____日、____年____月____日,由项目部组织监理、施工单位项目负责人深入施工现场进行检查,对可能会引起施工坍塌、脚手架、深基坑、塔吊、施工用电、模板支撑系统等重大危险源、重点监控、重点检查,各施工单位也紧紧围绕施工现场安全生产进行整改落实,施工现场安全管理水平和安全防护有了一定的改善。
二、存在问题及下步工作打算本次“安全生产月”月活动,对提高企业安全生产管理人员的意识,提高施工现场安全文明管理水平,促进现场建筑安全生产平稳态势发展有较好的推进作用,取得了一定的成绩。
但是安全生产管理方面存在不少问题:少数参建单位尤其是现场负责人、安全意识不强,未配备符合要求的专职安全员,建筑工地现场安全管理不到位,特别是施工现场安全防护、重大危险源监控不到位等。
《安全月报》安全月报(一):一、本月安全总体状况本月安全生产状况较上月上有所改善,施工通道及区间车站的安全警示标志标牌已全部设置完成施;玉南区间施工通道累计掘进78M新增压入式通风设备两台保证洞内空气流通;玉带山车站围护桩完成92根基坑下挖约2.5M目前基坑整齐状况稳定;沙玉区间施工通道累计掘进21M,临建设置完成越75%。
为确保国庆节期间的安全生产,环线轨道在当地公安部门的要求下暂时停止了隧道钻爆作业。
节日期间项目值班领导小组坚守在生产的第一线上,组织各部门开展节日安全隐患排查,在保证安全的前提下促进生产。
本月和下月的主要安全重点和难点有,沙玉区间施工通道掘进已进入加宽段施工难度有所增加,且掘进时要下穿公路,务必按按若爆破、短进尺、强支护、快封闭的原则进行施工,同时加强对隧道沉降和周边收敛的监控量测及时控制好隧道的开挖安全;沙玉区间施工通道为上下台阶开挖,由于施工通道较为狭窄工作面难以全部开展,推荐暂时放缓掘进进度保证洞门口及洞身开挖的安全;玉带山车站马道明槽开挖段上方有一档10万千伏高压线,由于安全距离不足无法施作围护桩,马道明槽防护改用承载式墙支护,明槽右侧边坡离公路约3M左右,受路面车辆动载影响边坡较易失稳滑塌。
二、事故状况本月无安全生产事故。
三、安全工作具体状况1、定期开展安全生产检查和月度安全生产检查,针对隧道施工车站基坑临时用电特种设备临建消防等进行安全督查,监督施工队对存在的安全隐患进行整改。
2、对沙玉区间钢筋加工厂新进场工人开展三级安全教育考核,考核合格率达%;对新进场工人进行三级安全技术交底。
3、预备好冬季施工安全生产教育材料,下月开展季节性安全生产教育培训,进一步完善重大危险源的动态调查和更新。
4、召开安全生产会议,及时研究部署本月安全生产工作,决议透过务必加快沙玉区件临建设施的建设。
由技术部门和安全部门联合对临建设施进行自查,检查合格后报业主单位验收。
5、增设钢筋加工场设备安全操作规程和钢筋制作大样图,新增隧道施工安全警示标志和洞内三限标志牌,监督施工队设置开挖台车警示灯带和放光标志的设置;规范现场材料及半成品的堆放;纠正沙玉区间玉带山车站的临时用电问题,监督施工队按规范用电;检查炸药临时存放点的安全防护设置报请当地公安部门审查验收。