主要施工机械设备报审表
- 格式:docx
- 大小:26.55 KB
- 文档页数:20
主要施工机械设备报审表
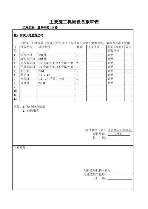
工程名称:庄北小区二期(庄窠村城中村改造二期)编号:
本表一式三份,经项目监理机构审核后,建设单位、监理单位、承包单位各存一份。
工程名称:庄北小区二期(庄窠村城中村改造二期)施工单位:高邑县畅达土方挖运工程处
工程名称:庄北小区二期(庄窠村城中村改造二期)施工单位:高邑县畅达土方挖运工程处
工程名称:庄北小区二期(庄窠村城中村改造二期)施工单位:高邑县畅达土方挖运工程处
【本文档内容可以自由复制内容或自由编辑修改内容期待你的好评和关注,我们将会做得更好】。
主要施工机械设备报审表监理意见一、引言施工机械设备在工程建设中起着至关重要的作用,它们的质量和性能直接影响着工程的施工进度和施工质量。
为了确保施工机械设备的安全可靠性,减少施工风险,监理机构在施工前需要对主要施工机械设备报审表进行审查并提出监理意见。
本篇文章将对主要施工机械设备报审表的监理意见进行详细阐述。
二、审查内容及意见1. 施工机械设备名称、型号和规格审查意见:报审表中应明确列出施工机械设备的名称、型号和规格,以便于监理机构对设备进行准确的辨识和评估。
建议报审表中的信息准确无误。
2. 施工机械设备厂家和供货商审查意见:报审表中应详细列出施工机械设备的厂家和供货商信息,包括企业名称、地址、联系方式等。
建议监理机构对厂家和供货商进行必要的背景调查,确保其信誉和资质。
3. 施工机械设备的主要技术指标审查意见:报审表中应包含施工机械设备的主要技术指标,如功率、转速、产能等。
这些指标对于评估设备的性能和适用性至关重要,建议报审表中的指标准确无误。
4. 施工机械设备的质量认证和检测报告审查意见:报审表中应提供施工机械设备的质量认证和检测报告,以证明设备符合相关标准和规定。
建议监理机构对认证和检测报告进行仔细审查,确保其真实有效。
5. 施工机械设备的安全措施和使用说明审查意见:报审表中应包含施工机械设备的安全措施和使用说明,以确保设备的安全运行和操作。
建议报审表中的安全措施和使用说明内容详尽清晰,能够有效指导施工人员的操作。
6. 施工机械设备的维护保养和售后服务审查意见:报审表中应提供施工机械设备的维护保养和售后服务信息,包括维修、更换零部件等。
建议监理机构对维护保养和售后服务进行评估,确保设备能够长期稳定运行。
7. 施工机械设备的成本和交付时间审查意见:报审表中应明确施工机械设备的成本和交付时间,以便于监理机构对工程进度和预算进行控制。
建议报审表中的成本和交付时间准确无误。
三、结论通过对主要施工机械设备报审表的审查,监理机构可以对施工机械设备的质量、性能和安全性进行评估,并提出相应的监理意见。
此文档下载后即可编辑
主要施工机械设备报审表号:
号:
端氏-长子输气管道工程(端氏首站-南陈输气站段)二标段
施工设备扫描件
施工机械设备(扫描件)
75KW发电机合格证
施工机械设备(扫描件)
75KW发电机合格证
扫描人:李树繁审核人:
施工机械设备(扫描件)
75KW发电机合格证
扫描人:李树繁审核人:
施工机械设备(扫描件)磨光机合格证
施工机械设备(扫描件)
磨光机合格证
施工机械设备(扫描件)
风速计合格证
扫描人:李树繁审核人:
施工机械设备(扫描件)
电动油泵及焊缝检验尺合格证
施工机械设备(扫描件)
ZX7-400S-X电焊机合格证
施工机械设备(扫描件)
ZX7-400S-X电焊机合格证
扫描人:李树繁审核人:
施工机械设备(扫描件)
ZX7-400S-X电焊机合格证
扫描人:李树繁审核人:
施工机械设备(扫描件)电火花检测仪合格证
施工机械设备(扫描件)
电火花检测仪合格证
扫描人:李树繁审核人:
施工机械设备(扫描件)
50KW发电机合格证
扫描人:李树繁审核人:
施工机械设备(扫描件)
50KW发电机合格证
扫描人:李树繁审核人:
施工机械设备(扫描件)
焊缝检验尺合格证
扫描人:李树繁审核人:
施工机械设备(扫描件)喷砂机合格证
施工机械设备(扫描件)
空气压缩机
扫描人:李树繁审核人:
施工机械设备(扫描件)
MG-220CC电焊机合格证
扫描人:李树繁审核人:。
施工工器具报审表工程名称:编号:致监理项目部:现报上拟用于本工程的主要施工机械/工器具/安全用具清单及其检验资料,请查验。
工程进行中如有调整,将重新统计并上报。
附件:相关检验证明文件承包单位(章):项目经理:日期:监理项目部审查意见:监理项目部(章):总/专业监理工程师:日期:本表(含附件)一式份,由承包项目部填报,监理项目部存份,承包单位存份。
1)本项目部施工工器具配置如下:序号机械设备名称型号规格生产厂家购置日期单价(万元)1挖掘机PC-120日本小松201560 2自卸汽车东风5T一汽201515 3装载机ZL-50山工201425 4推土机铲运机东方红沈阳201622 5平辗16T洛阳201624 6农用车1T江西20169 7插入振捣器 2.2KW武汉20170.07 8平板振动器 2.2KW上海20170.06 9胶轮车武汉20150.08 10经纬仪DJ2北京20160.5 11水准仪洛阳20160.3 12附墙吊201715 13水泥净浆搅拌机20150.65 14接地电阻表ZC-820170.23 15全站仪TKS-202201613 16百分表0-10MM20160.06 17电焊机250型20150.45 18圆盘锯3KW-工友牌20150.42 19潜水泵DY40-1620160.09 20型材切割机20160.4 21钢筋弯曲机GM40C-1上海20160.35 22钢筋对焊机VM-100武汉20160.3623钢筋切断机Y90-20北京20160.39 24钢筋调直机SKW-100上海20150.55 25木工刨床武汉20150.3 26电动打夯机HCDOD北京20150.2 27空压机Z-01220160.34 28砼搅拌机JZ350B2015 3.5 29砂浆搅拌机HJ-20020150.38。