氨氮去除剂是次氯酸钠
- 格式:docx
- 大小:87.72 KB
- 文档页数:3
氨氮去除原理
氨氮去除的原理是利用一系列化学和生物过程将含氨废水中的氨氮转化为无害物质或使其从水体中脱落。
首先,氨氮可以被化学氧化剂氧化为亚硝酸盐和硝酸盐。
这一过程被称为氨氮硝化。
通常,常见的氨氮硝化方法是通过添加氧化剂如次氯酸钠或过氧化氢来触发氨氮的氧化反应。
接下来,亚硝酸盐可以进一步被氧化为硝酸盐,这个过程被称为亚硝酸盐硝化。
常见的亚硝酸盐硝化方法是利用硝化细菌进行微生物硝化作用,这些细菌能够将亚硝酸盐氧化为硝酸盐。
除了氧化,氨氮还可以通过生物过程进行去除。
其中一种常见的方法是利用硝化细菌和反硝化细菌的共同作用。
硝化细菌将氨氮转化为亚硝酸盐和硝酸盐,并将其释放到水中。
反硝化细菌然后会利用硝酸盐作为电子受体进行反硝化作用,将硝酸盐还原为氮气或氮氧化物,从而将氨氮从水体中去除。
此外,还有一些其他的氨氮去除方法,如吸附剂和膜分离技术。
吸附剂可以将氨氮吸附在其表面上,并进行后续处理;膜分离技术则是利用不同孔径大小的膜将水中的氨氮分离出来。
总的来说,氨氮的去除过程可以通过氧化反应、硝化细菌、反硝化细菌以及吸附剂和膜分离技术等多种方式进行。
通过这些方法,可以有效地将水体中的氨氮转化为无害物质或使其从水中去除,以实现废水处理和水环境保护的目的。
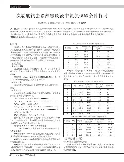
2020年06月次氯酸钠去除蒸氨废液中氨氮试验条件探讨常冲(青海盐湖镁业有限公司,青海格尔木816099)摘要:青海盐湖镁业有限公司纯碱装置设计产能为100万吨/年,装置达标达产后的蒸氨废液产生量为1125m 3/h ,产生的蒸氨废液通过管道输送至蒸发塘进行自然蒸发。
蒸氨废液中氨氮的设计含量为102mg/L ,为降低蒸氨废液中的铵含量,减少环境污染,镁业公司考虑使用PVC 装置副产的次氯酸钠去除蒸氨废液中的氨。
文章旨在通过试验确定次氯酸钠与氨反应的操作条件。
关键词:蒸氨废液;氨氮;次氯酸钠;操作条件0引言氨氮是造成水体富营养化的重要因素之一,随着环境保护意识的提高和废水排放标准的日趋严格,去除废水中氨氮的要求也越来越高。
工业废水中去除氨氮的方法有多种,因镁业公司PVC 装置副产次氯酸钠,本着节约投资、运行成本的原则,我们优先考虑采用次氯酸钠法去除。
本文旨在讨论次氯酸钠与氨氮在常温条件下的反应条件,为后续的工作提供依据。
1实验部分1.1试剂与仪器次氯酸钠(工业级,含量13.2%),碘化钾、硫代硫酸钠、硫酸、盐酸、淀粉、氢氧化钠等均为分析纯试剂,试验用水为三级水。
电加热套(250mL ),氨氮蒸馏装置(250mL )、MS204型分析天平、DR6000紫外可见分光光度计、比色管。
1.2分析方法氨氮用纳氏试剂比色法、次氯酸钠用碘量法、pH 值用PH 计测定。
1.3实验原理在含有氨氮的水溶液中加入次氯酸钠后,根据次氯酸根量的不同,会发生以下化学反应:2H 2O +NaClO →HClO +NaOH ·············(1)NH 3+HClO →NH 2Cl +H 2O......................(2)NH 2Cl +HClO →NHCl 2+H 2O .. (3)NHCl 2+H 2O →NOH +2Cl -+2H +················(4)NHCl 2+NOH →N 2↑+HClO +Cl -+H +············(5)总的反应方程式如下:2NH 3+3NaClO →N 2↑+3H 2O +3NaCl 由总的反应式可知,氨和次氯酸钠完全反应的摩尔比为1:1.5。
氨氮去除剂次氯酸钠随着废水排放标准的日益提高,去除废水中残留氨氮的要求越来越高。
在各种去除氨氮的物化方法中。
折点加氯法因为简单易行备受关注。
与传统的氯系氧化剂液氯相比,次氯酸钠(NaCl0)不仅使用安全无氯气外泄的危险。
而且可进一步减少消毒副产物(DBPs)的产生,因此用于氨氮的去除是较合适的氯化氧化剂。
施光明等用NaCl0降低ADC发泡剂废水中的氨氮,弥补了在碱性条件下吹脱除氮的不足。
次氯酸钠折点氯化法主要优点是可通过正确控制加氯量和对流量进行均化,使废水中全部氨氮降为零,同时使废水达到消毒的目的。
对于氨氮浓度低(小于50mg/L)的废水来说,用这种方法较为经济。
目前污水处理主要措施是次氯酸钠折点氯化法,主要形式是将氯气或次氯酸钠通入废水中将废水中的NH3-N氧化成N2的化学脱氮工艺。
当氯气通入废水中达到某一点时水中游离氯含量较低,氨的浓度降为零。
当氯气通入量超过该点时,水中的游离氯就会增多。
因此该点称为折点,该状态下的氯化称为折点氯化。
处理氨氮污水所需的实际氯气量取决于温度和pH值及氨氮浓度。
COD剂氨氮去除剂去磷剂除臭剂管道清洗除臭剂氧化每克氨氮需要9至10mg氯气。
pH值在6至7时为较佳反应区间,接触时间为0.5至2小时。
折点加氯法处理后的出水在排放前一般需要用活性碳或二氧化硫进行反氯化,以去除水中残留的氯。
1mg残留氯大约需要0.9至1.0mg的二氧化硫。
在反氯化时会产生氢离子,但由此引起的pH值下降一般可以忽略,因此去除1mg残留氯只消耗2mg左右。
为了克服单独采用折点加氯法处理氨氮废水需要大量加氯的缺点,常将此法与生物硝化连用,先硝化再除微量残留氨氮。
氯化法的处理率达0.9-1,处理效果稳定,不受水温影响,在寒冷地区此法特别有吸引力。
投资较少,但运行费用高,副产物氯胺和氯化有机物会造成二次污染,氯化法只适用于处理低浓度氨氮废水。
南京永禾环保工程有限公司是以承接水处理工程项目为主,并开发经营水处理相关产品,为用户提供综合技术服务的高科技工程公司。
次氯酸钠作为氨氮去除剂在污水处理中的应用次氯酸钠作为氨氮去除剂在污水处理中的应用(广饶康达环保水务有限公司宋立堂)广饶县水处理厂担负着县城区生活污水和县经济开发区工业废水处理任务,设计规模7.5万m³/日,现日处理6万m³/日,其中工业废水占70%,市政污水占30%。
水处理工艺采用AAO+深度处理工艺(芬顿+快速磁沉淀+纤维转盘滤池+接触消毒),进水主要指标COD≤300mg/l、氨氮≤30mg/l,出水执行一级A标,即COD≤50mg/l 、氨氮≤5(8)mg/l。
因上游排污企业经常偷排超标废水,特别是含油、强酸和强碱废水,造成水处理设施不能正常运行,出水COD、氨氮不能稳定达标排放。
为及时应对这些异常进水事故,在不改变原有污水处理厂运行工艺的基础上,通过简单易行的方法实现氨氮的稳定高效去除是当务之急。
经多方咨询、试验,次氯酸钠作为应急氨氮去除剂具有很好的去除效果,现将经验分享如下:一、氨氮处理情况广饶厂去除氨氮采用活性污泥法,通过消化和反硝化过程去除氨氮,若系统正常进水,出水氨氮基本在1.0mg/l左右,但遇到超标废水、含油、强酸碱等有毒有害废水时,系统受到冲击、破坏,出水氨氮飙升到20-30mg/l,若后续处理段不进行强氧化,氨氮必定超标。
二试验1、试验器材2、试验过程:(1)取二沉池出水6000ml,检测氨氮浓度;(2)在5个烧杯中分别加入1000ml,对烧杯编号;(3)在5个烧杯中分别投加不同量的次氯酸钠(有效氯含量≥10%);(4)用玻璃棒搅拌30s,静止5min后进行氨氮检测。
3、实验结果试验一:试验二:试验三:分析:通过三次烧杯试验,当次氯酸钠投加到450-500mg/l时氨氮去除率最高,基在80-90%之间,氨氮结果在3-5mg/l之间,达到一级A标准。
4、生产应用按照实验室小试结果将次氯酸钠投加到接触消毒池出口,然后取样检测出水氨氮浓度,其氨氮检测结果为3.68mg/l,去除效果非常好。
去除氨氮的化学药剂氨氮的去除工艺主要有折点加氯法、选择性离子交换法、氨吹脱法、以及化学沉淀法。
折点氯化法是将氯气或次氯酸钠通入废水中将废水中的NH3-N氧化成N2的化学脱氮工艺。
当氯气通入废水中达到某一点时水中游离氯含量较低,氨的浓度降为零。
当氯气通入量超过该点时,水中的游离氯就会增多。
因此该点称为折点,该状态下的氯化称为折点氯化。
处理氨氮污水所需的实际氯气量取决于温度、pH 值及氨氮浓度。
氧化每克氨氮需要9~10mg氯气。
pH值在6~7时为较佳反应区间,接触时间为0.5~2小时。
折点加氯法处理后的出水在排放前一般需要用活性碳或二氧化硫进行反氯化,以去除水中残留的氯。
1mg残留氯大约需要0.9~1.0mg的二氧化硫。
在反氯化时会产生氢离子,但由此引起的pH值下降一般可以忽略,因此去除1mg残留氯只消耗2mg左右(以CaCO3计)。
折点氯化法突出的优点是可通过正确控制加氯量和对流量进行均化,使废水中全部氨氮降为零,同时使废水达到消毒的目的。
对于氨氮浓度低(小于50mg/L)的废水来说,用这种方法较为经济。
为了克服单独采用折点加氯法处理氨氮废水需要大量加氯的缺点,常将此法与生物硝化连用,先硝化再除微量残留氨氮。
氯化法的处理率达90~100,处理效果稳定,不受水温影响,在寒冷地区此法特别有吸引力。
投资较少,但运行费用高,副产物氯胺和氯化有机物会造成二次污染,氯化法只适用于处理低浓度氨氮废水。
离子交换是指在固体颗粒和液体的界面上发生的离子交换过程。
离子交换法选用对NH4+离子有很强选择性的沸石作为交换树脂,从而达到去除氨氮的目的。
该工艺需要对树脂进行再生,再生液为高浓度氨氮,需要进一步处理。
空气吹脱法是将废水与气体接触,将氨氮从液相转移到气相的方法。
该方法适宜用于高浓度氨氮废水的处理。
吹脱是使水作为不连续相与空气接触,利用水中组分的实际浓度与平衡浓度之间的差异,使氨氮转移至气相而去除废水中的氨氮通常以铵离子(NH4+)和游离氨(NH3)的状态保持平衡而存在。
次氯酸钠去除氨氮方程式次氯酸钠是一种常用的氧化剂,可用于去除水中的氨氮。
氨氮是指水中溶解的氨(NH3)和氨离子(NH4+)的总和,它是一种常见的水质污染物,来自于生活污水、工业废水以及农业活动等。
过量的氨氮会对水体生态系统造成严重的影响,因此需要采取相应的措施进行去除。
次氯酸钠去除氨氮的主要反应是次氯酸钠与氨氮之间的氧化反应。
次氯酸钠(NaClO)在水中会分解生成次氯酸(HClO)和次氯酸盐(ClO-)。
次氯酸是一种弱酸,具有氧化性,可以将氨氮氧化为氮气(N2)或氮氧化物(如亚氨酸、硝酸盐等)。
次氯酸钠去除氨氮的反应方程式可以表示为:NaClO + NH3 → N2↑ + H2O + NaCl在反应中,次氯酸钠(NaClO)与氨(NH3)发生氧化还原反应,生成氮气(N2)、水(H2O)和氯化钠(NaCl)。
该反应是一个氧化还原反应,次氯酸钠(NaClO)作为氧化剂,氨(NH3)作为还原剂。
在反应中,次氯酸钠的次氯酸(HClO)能够氧化氨为氮气,同时自身还原为次氯酸盐(ClO-)。
氨气则从水中释放出来,达到去除氨氮的目的。
次氯酸钠去除氨氮的过程受到多种因素的影响,如次氯酸钠浓度、pH值、反应时间等。
一般来说,次氯酸钠浓度越高,氨氮去除效果越好;pH值适中(一般在7-8之间),可以提高反应的效率;反应时间越长,氨氮去除效果也会增加。
次氯酸钠去除氨氮还需要注意一些问题。
首先,次氯酸钠是一种漂白剂,使用时要注意安全,避免接触皮肤和眼睛。
其次,次氯酸钠的使用量应根据水中氨氮的浓度确定,过量使用可能对水体产生不必要的负担。
最后,次氯酸钠去除氨氮的效果受到水中其他物质的影响,如有机物、重金属等,可能会降低反应的效率。
次氯酸钠可以通过与氨氮发生氧化反应,将其氧化为氮气或氮氧化物,从而达到去除水中氨氮的目的。
在实际应用中,需要根据水质状况和处理要求,合理调整次氯酸钠的使用量和反应条件,以获得良好的去除效果。
出水氨氮超标有哪些有效的应急手段可以使用?在污水处理厂硝化系统消失问题,出水氨氮超标时,想要快速、有效的去除氨氮,只能通过物理化学的手段来应急了!常用且有效的物化手段目前只有折点加氯及沸石吸附法!市场上的许多氨氮去除剂就是次氯酸盐,就是就是利用折点加氯的原理!本文具体介绍一下两种工艺,让大家能做到遇到问题心中有底!详细问题也可以到污托邦社区沟通!一、折点加氯除氨氮折点加氯法是用化合价+1价氯的化合物次氯酸钠(或者次氯酸钙),把水体中的氨氮氧化为氮气的加工工艺。
当然还可以马上把氯气进入废水中,运用歧化反应,生成次氯酸,随后在将废水中的NH3-N氧化成N2。
当氧化剂添加水里后,水里氨氮会被首要氧化成一氯铵,随后会被连续氧化变为二氯胺、三氯铵,三氯铵不稳定,会变为氮气释放出来,这就是折点加氯法的反映基本原理和过程,氨的浓度降为零。
当氯气进入量超出该点时,水里的游离氯便会增加。
当添加的氧化剂做到足量时,水里的氨氮浓度最低标准(可是并非为零),同时水里余氯成分也是最低标准,超出这一点以后,水里余氯成分就刚开头上升,因而该点称之为折点,该状况下的氯化称之为折点氯化。
但在实际生产中,应用折点加氯法往往存在折点、加氯量不好推断的状况。
1、加氯量-余氯曲线看懂加氯量-余氯曲线,是用好折点加氯法的关键所在。
在水的加氯处理中,加氯量与余氯的关系如下图所示。
曲线的x轴和y轴分别代表加氯量和余氯量,单位为mg/l。
其中,水中的加氯量可分为需氯量和余氯两部分。
如图所示:需氯量是指用于杀死细菌、氧化有机物和还原性物质所消耗的部分。
余氯是指为了抑制水中残余细菌的再度繁殖,尚需维持的少量氯。
1)当水中无细菌、有机物和还原性物质等,需氧量为零,加氯量等于余氯量,如图中所示的虚线L1,该线与坐标轴成45度角。
2)当水中含有细菌、有机物和还原性物质,但主要不是游离氨时,需氧量OA满意后就会消失余氯,如图所示虚线L2,这条线与x轴交角小于45度,其缘由为:水中有机物与氯作用的速度有快慢。
用次氯酸钠处理废水中氨氮实验报告实验报告:用次氯酸钠处理废水中的氨氮实验目的:本实验的目的是采用次氯酸钠处理废水中的氨氮,通过调试比例使废水达到标准排放。
同时,根据实验数据得出的比例,确定初步的处理成本。
实验步骤:首先,取水样后检测其氨氮浓度,然后按比例调试加入次氯酸钠溶液,待反应一段时间后,鼓气反应半小时。
检测其中的氨氮有效氯含量,然后继续鼓气2个半小时到4个小时赶走多余的有效氯。
实验数据:下表是处理前后的实验数据,其中含量单位为mg/L,体积单位为ml,余氯含量为%。
处理前氨氮含量mg/L 废水体积ml 加入次氯酸钠体积ml 处理后氨氮含量mg/L 余氯含量% 氨氮mg:10%次氯酸钠g98 125 125 3.5(含量10%) 4.16125 125 125 4.6(含量10%) 2.5125 125 125 4.5(含量10%) 2.0125 125 125 4.4(含量10%) 1.7125 125 125 4.3(含量10%) 2.0125 125 125 4.2(含量10%) 3.5166.67 312 140 10 14.71166.67 140 125 5.6(含量10%) 10166.67 250 250 5.8(含量10%) 7.69166.67 250 250 5.9(含量10%) 8.93166.67 156.25 125 6.0(含量10%) 7.93312 416 500 6.0(含量10%) 1.67140 500 500 11.2(含量10%) 1.67140 500 500 4.8(含量10%) 12.5125 135 16L 4.6(含量10%) 1.25250 349 16.44L 135(含量10%) 12.5250 380 17.17L 349(含量8.2%) 1.66156.25 210 15.75L 380(含量8.2%) 1.25416 282 7.74L 210(含量8.2%) 10500 610 13.80L 282(含量8.2%) 1.6500 580 13.44L 610(含量8.2%) 12.5改写后的实验报告:本实验采用次氯酸钠处理废水中的氨氮,旨在使废水达到标准排放。
次氯酸钠作为氨氮去除剂在污水处理中的应用(广饶康达环保水务有限公司宋立堂)广饶县水处理厂担负着县城区生活污水和县经济开发区工业废水处理任务,设计规模7.5万m³/日,现日处理6万m³/日,其中工业废水占70%,市政污水占30%。
水处理工艺采用AAO+深度处理工艺(芬顿+快速磁沉淀+纤维转盘滤池+接触消毒),进水主要指标COD≤300mg/l、氨氮≤30mg/l,出水执行一级A标,即COD≤50mg/l 、氨氮≤5(8)mg/l。
因上游排污企业经常偷排超标废水,特别是含油、强酸和强碱废水,造成水处理设施不能正常运行,出水COD、氨氮不能稳定达标排放。
为及时应对这些异常进水事故,在不改变原有污水处理厂运行工艺的基础上,通过简单易行的方法实现氨氮的稳定高效去除是当务之急。
经多方咨询、试验,次氯酸钠作为应急氨氮去除剂具有很好的去除效果,现将经验分享如下:一、氨氮处理情况广饶厂去除氨氮采用活性污泥法,通过消化和反硝化过程去除氨氮,若系统正常进水,出水氨氮基本在1.0mg/l左右,但遇到超标废水、含油、强酸碱等有毒有害废水时,系统受到冲击、破坏,出水氨氮飙升到20-30mg/l,若后续处理段不进行强氧化,氨氮必定超标。
二试验1、试验器材2、试验过程:(1)取二沉池出水6000ml,检测氨氮浓度;(2)在5个烧杯中分别加入1000ml,对烧杯编号;(3)在5个烧杯中分别投加不同量的次氯酸钠(有效氯含量≥10%);(4)用玻璃棒搅拌30s,静止5min后进行氨氮检测。
3、实验结果试验一:试验二:试验三:分析:通过三次烧杯试验,当次氯酸钠投加到450-500mg/l时氨氮去除率最高,基在80-90%之间,氨氮结果在3-5mg/l之间,达到一级A标准。
4、生产应用按照实验室小试结果将次氯酸钠投加到接触消毒池出口,然后取样检测出水氨氮浓度,其氨氮检测结果为 3.68mg/l,去除效果非常好。
5、成本5.1 投加设备投资:5.2 药剂成本:450mg/l×400元/吨=0.18元/m³500mg/l×400元/吨=0.2元/m³三、总结通过实践,次氯酸钠作为应急药剂具有反应迅速、去除率高、操作简单等优点,同时也能有效杀死水中的大肠杆菌,起到消毒作用。
次氯酸钠去除氨氮原理
次氯酸钠是一种常用的氨氮去除剂,其原理主要是通过次氯酸钠与氨氮之间的化学反应来实现。
下面将详细介绍次氯酸钠去除氨氮的原理。
首先,次氯酸钠在水中会分解成次氯酸和氢氧化钠。
次氯酸是一种强氧化剂,能够与氨氮发生氧化还原反应。
氨氮在水中主要以NH3的形式存在,而NH3与次氯酸之间会发生氧化反应,生成氮气和水。
这个反应的化学方程式如下所示:NH3 + NaClO → N2 + H2O + NaCl。
可以看到,通过次氯酸钠的作用,氨氮被氧化成氮气,从而达到去除氨氮的目的。
其次,次氯酸钠也可以与氨氮形成氯胺。
氯胺是一种对水体有害的物质,它会对水质造成污染。
因此,在实际应用中,次氯酸钠的使用量需要控制好,以避免产生过多的氯胺。
此外,次氯酸钠还可以通过氧化和消毒的作用来改善水体的水质,减少水中的有机物和微生物的污染,提高水的透明度和卫生安全性。
综上所述,次氯酸钠去除氨氮的原理主要是通过次氯酸与氨氮的氧化反应来实现。
在实际应用中,需要注意控制次氯酸钠的使用量,以避免产生过多的氯胺。
此外,次氯酸钠还可以改善水体的水质,提高水的卫生安全性。
因此,在水处理和环境保护中,次氯酸钠具有重要的应用价值。
希望以上内容对您了解次氯酸钠去除氨氮原理有所帮助。
感谢阅读!。
次氯酸钠在水处理中的作用次氯酸钠(NaClO2)是一种广泛应用于水处理领域的化学品。
它的主要作用是氧化消毒、去除有机物和杀灭微生物,具有高效、节能、环保等特点。
以下是次氯酸钠在水处理中的作用:1.消毒杀菌:次氯酸钠可以快速杀灭水中的细菌、病毒和其他微生物,包括大肠杆菌、菌落总数、铁锈菌等。
它通过破坏微生物的细胞膜和DNA结构来达到杀菌的效果。
2.氧化剂:次氯酸钠具有强氧化性,可以将水中的有机物氧化分解,从而减少有机物对水质的污染。
它可以有效去除水中的臭味、氨氮、亚硝酸盐等有机污染物,提高水质的氧化还原电位。
3.去除锰和铁:次氯酸钠可以氧化水中的铁和锰离子,使其转化为难溶的氧化物,然后通过过滤或沉淀的方式从水中去除。
这样可以解决水中的铁锈、黄水等问题,改善水的透明度和口感。
4.去除氯气和氯胺味:次氯酸钠可以与水中的游离氯以上氯生成亚氯酸钠,将游离氯减少到一定范围,有效降低水中的氯气味和氯胺味,提高水的口感。
5.防止管道和设备的生物污垢:次氯酸钠可以有效抑制管道内壁和设备表面的生物污垢的生成,如细菌、藻类、真菌等。
通过定期加入次氯酸钠进行消毒,可以保持管道的畅通和设备的正常运行。
6.增加混凝剂的效果:次氯酸钠可以提高铝盐等混凝剂的凝聚效果,促进胶凝物的沉淀和固液分离,减少悬浮物和浑浊物质的含量。
这对于水处理过程中的絮凝、沉淀、混凝等工艺有着重要的促进作用。
7.系统清洁:次氯酸钠可以有效清除管道和设备的污垢,包括生物污垢、有机污垢和硬水垢等。
定期使用次氯酸钠进行清洗,可以延长设备的使用寿命,提高水处理系统的效率。
总之,次氯酸钠在水处理中具有消毒、氧化、沉淀、去味、抑制生物污垢生成等多重作用,在提高水质、保护设备和维护环境等方面发挥着重要的作用。
它是一种高效、安全、可靠的水处理剂,被广泛应用于饮用水、工业用水、游泳池水和废水处理等领域。
次氯酸钠和氨氮反应比例1. 引言1.1 背景介绍次氯酸钠和氨氮是水处理领域中常用的消毒剂和氮源。
次氯酸钠被广泛应用于水处理过程中,具有很好的消毒效果,可有效杀灭水中的细菌和病毒。
而氨氮则是水体中的一种重要污染物,其过高的浓度会导致水质恶化,对生态环境造成危害。
研究次氯酸钠和氨氮之间的反应比例对于水的处理和净化具有重要意义。
在水处理过程中,次氯酸钠和氨氮会发生化学反应,生成亚氯胺等物质,这些物质对水体中的有害微生物起到消毒作用。
研究次氯酸钠和氨氮的反应比例,可以帮助我们更好地控制水质,确保水体中氨氮的去除效果并且不会带来其他负面影响。
本研究旨在探讨次氯酸钠和氨氮在水处理过程中的反应比例,分析其影响因素,为提高水质处理效果提供理论基础。
通过实验方法的设计和数据的分析,我们可以得到关于次氯酸钠和氨氮反应比例的实用结论,为水质净化工作提供科学依据。
【内容长度为216字】1.2 研究目的研究目的是探究次氯酸钠和氨氮反应比例的影响因素,进一步了解其在水处理过程中的应用情况。
通过实验方法和结果分析,我们希望能够揭示次氯酸钠和氨氮反应的机理,为水处理工程提供科学依据。
我们也希望通过这项研究,为未来的水处理技术和工艺提供参考,促进水资源的可持续利用和保护。
我们将探讨影响次氯酸钠和氨氮反应比例的因素,分析实验数据以得出结论,并展望未来的研究方向,为水质监测和水处理提供更加有效的解决方案。
2. 正文2.1 次氯酸钠和氨氮反应的原理次氯酸钠和氨氮反应的原理是指当次氯酸钠与氨氮接触时,会发生氧化还原反应。
次氯酸钠是一种具有氧化性的化合物,而氨氮则是一种具有还原性的物质。
当它们两者接触时,次氯酸钠会将氨氮氧化成氮气,并同时被还原为氯化钠。
这个反应的化学方程式可以表示为:2NaClO + 2NH3 → N2 + 2NaCl + 2H2O在这个反应中,氨氮被氧化成氮气,同时次氯酸钠被还原成氯化钠。
这个氧化还原反应释放出能量,所以这个反应通常会伴随着放热现象发生。
精心整理
次氯酸钠作为氨氮去除剂在污水处理中的应用
(广饶康达环保水务有限公司宋立堂)
广饶县水处理厂担负着县城区生活污水和县经济开发区工业废水处理任务,设计规模7.5万m3/日,现日处理6万m3/日,其中工业废水占70%,市政污水占30%。
,50mg/l 、氨氮≤1、试验器材
2、试验过程:
(1)取二沉池出水6000ml ,检测氨氮浓度;
(2)在5个烧杯中分别加入1000ml,对烧杯编号;
(3)在5个烧杯中分别投加不同量的次氯酸钠(有效氯含量≥10%);
(4)用玻璃棒搅拌30s,静止5min后进行氨氮检测。
3、实验结果?
试验一:
4、生产应用
按照实验室小试结果将次氯酸钠投加到接触消毒池出口,然后取样检测出水氨氮浓度,其氨氮检测结果为3.68mg/l,去除效果非常好。
5、成本
5.1投加设备投资:
5.2药剂成本:450mg/l×400元/吨=0.18元/m3
500mg/l×400元/吨=0.2元/m3
三、总结
通过实践,次氯酸钠作为应急药剂具有反应迅速、去除率高、操作简单等优点,。
去除氨氮的最好方法
1、折点氯化法:该方法是将氯气或次氯酸钠通入废水中的NH3-N氧化成N2的化学脱氮工艺。
在处理氨氮废水过程中,所需的氯气量取决于温度、PH值和氨氮的浓度。
氧化每克氨氮需要9~10mg氯气,PH值在6~7时为较佳反应区间,接触时间为0.5~2小时。
特点:氯化法处理率高,效果稳定,不受温度影响。
不过虽然投资较少,氮运行费用较高,只适用于处理低浓度氨氮废水。
2、MAP沉淀法:在氨氮废水中投加磷盐和镁盐使废水中污染物生成溶解度很小的沉淀物或聚合物,达到去除氨氮的效果。
特点:废水中氨氮能作为肥料得以回收,若废水中磷酸根较高,只需投加镁盐,少量投加或不投加磷盐,即可达到脱氮除磷作用,但三者之间的比例需要控制得当。
3、选择性离子交换法:指在固体颗粒和液体的界面上发生的离子交换过程。
离子交换法选用对NH4+离子有很强选择性的沸石作为交换树脂,可以很好地去除氨氮。
特点:沸石使用成本低,对NH4+有很强的选择性。
该工艺简单、投资省,具有较高的去除率和稳定性。
适用于中低浓度的氨氮废水,对于高浓度的氨氮废水会因树脂再生频繁而造成操作困难。
4、生物法:指废水中的氨氮在微生物的作用下,通过硝化和反硝化等反应,最终形成氮气,从而达到去除氨氮的效果。
特点:生物脱氮法可去除多种含氮化合物,二次污染小且比较经济,因此在国内外运用较多。
不足是占地面积大,低温时去除效率低。
5、膜分离技术:该工艺是利用膜的选择性,达到去除氨氮的效果。
特点:该方法氨氮回收率高、无二次污染。
该工艺流程简单、不消耗药剂、运行过程中消耗的电量与废水中氨氮的浓度成正比。
次氯酸钠处理氨氮的机理及过程,看完果断收藏了!次氯酸钠配成的溶液呈黄绿色,氯气溶于水首先发生分解反应:NaClO + H2O=NaOH + HClO(可逆)PH为7时,HClO约占80%,ClO-约占20%,一般来说Cl2、HClO、ClO-均具有氧化能力。
当HClO投加尾水中,水中存在氨氮时,在氧化杂质等还原性物质之外,加入水中的氯会与水中的氨氮发生下列反应:NH₄⁺+HOCl→NH₂Cl+H₂O+H⁺一氯胺NH₂Cl+HOCl→NHCl₂+H₂O 二氯胺NHCl₂+HOCl→NCl₃+H₂O 三氯胺上述三个反应,均是可逆反应,跟PH值密切相关,逆反应再次分解成HClO,它们都具有氧化性,但氧化性不及HClO强,但是它们在水中稳定,杀菌的持续时间长。
Cl2、HClO、ClO-称为游离性余氯,NH₂Cl、NHCl₂、NCl₃及其他氯胺化合物称为化合性余氯,两者统称为余氯。
需氯量=加氯量-余氯量当持续投加次氯酸钠,自由氯将会导致折点反应①,HClO会氧化氯胺,进一步去除氨氮,发生反应如下:2NH₂Cl+HClO=N2 ↑+3HCl+ H₂O2NH₄Cl+ 3HClO= N2 ↑+5HCl+ 3H₂O次氯酸钠去除氨氮,控制在pH在弱碱性,消耗H+,促进ClO-电离,加快反应向右进行。
从这些方程式可以发现,氯化法除氮的关键是投加适量的NaClO。
据上式计算,当NaClO投加量与氨氮的质量比(Cl/N)为3.8时,摩尔比2:3时,污水中的氨氮能够被氧化为N2,而且化合态余氯值最小,因此将该点称为折点。
当C1/N比大于3.8时,所投加的氯产生自由余氯;当C1/N比小于 3.8时,除氨效果不佳。
则化合余氯被氧化后,期间没有消毒作用。
当没有杂质再消耗HClO时,则说明氨氮被除尽,此时的氧化效果才是最好的。
尾水经过混凝絮凝、沉淀、过滤后则可采用1.0-1.5mg/L。
过量的HClO见光分解,发生如下反应:2 HClO = 2 HCl + O2 ↑ 光照产生的氧气以及氧化氨氮生成的氮气,会附着在活性污泥表面,增大污泥的浮力导致污泥漂浮,通过斜管沉淀池漂浮于水面上(NaClO不能太过量,同时要注意氧化氨氮水池避免强光照)。
用次氯酸钠处理废水中氨氮实验报告
一.实验目的
采用次氯酸钠处理废水中的氨氮,调试比例使废水达标准排放。
并且根据实验数据得出的比例,已确定初步的处理成本。
二、实验步骤
取水样后,检测其氨氮浓度,量取好体积,根据氨氮浓度按比例调试加入次氯酸钠溶液,待反应一段时间后,鼓气反应半小时。
检测其中的氨氮有效氯含量。
在继续鼓气2个半小时到4个小时赶走多余的有效氯。
三、实验数据
四、实验结论
1.根据实验数据可看出,按氨氮重量mg:10%次氯酸钠重量g=1:~时都可以使氨氮达标,但在1:时处理效果最好,鼓气半小时情况下氨氮除至最低值,且余氯含量低。
2.因残余有效氯对COD测定有干扰,在余氯含量高于%以上时,需鼓气赶除,余氯含量在%左右时经3小时鼓气可降至%左右。
在此范围内COD含量在40mg/l左右,达到标准。
不过最好鼓气时间达到4到5小时,待余氯基本除去。
3.按比例加入次氯酸钠时,如加入的过多或少,余氯含量都偏高,鼓气也很难除去,因此对氨氮检测结果必须精确,原水不能用目视比色法,应用标准曲线法或使用氨氮测试仪。
加入的次氯酸钠量也需准确。
4.按废水氨氮含量在100mg/L时,按比例1:计算,1000L废水需公斤10%次氯酸钠,次氯酸钠市场价格大约在600元/吨,即处理1吨氨氮含量在100mg/L的废水原料成本为元/吨。
若氨氮含量在200 mg/L,则原料成本为元/吨。
为不使处理成本太高,需在处理之前就要控制好。
研发部
2012-4-13。
氨氮去除剂是次氯酸钠
常见的氨氮废水去除剂一般是次氯酸钠,那么南京永禾的氨氮废水去除剂有哪些优势呢?
用量:次氯酸钠:用降幅100ppm为例,次氯酸钠一般投加量是5000~8000ppm。
氨氮废水去除剂:用降幅100ppm为例,SN-1一般投加量是1000ppm左右,投加量少,节约成本。
对铬离子的影响:次氯酸钠:会容易导致被还原的三价铬重新氧化成六价铬。
氨氮废水去除剂:在技术生产上已经通过结晶后的加压处理等技术把对铬离子的影响部分去除,不会导致后端的铬离子重新氧化。
反应速率:次氯酸钠:保证反应完全,至少要15分钟左右。
氨氮废水去除剂:保证反应完全只需5~6分钟,反应时间更快速。
产品储存:次氯酸钠:存放有效期一般是3~4个月,容易受氧化影响有效率。
氨氮废水去除剂:存放有效期1~2年,不易受潮受氧化。
在自来水处理系统中,加氯消毒是制水工艺的一个重要环节,它消除水中致病微生物的病源,是保证生活饮用水卫生、安全的重要保障。
通过采用次氯酸钠消毒技术,不仅保障了安全生产,同时也使消毒更有效,设备操控更人性化。
自来水厂多采用加氯消毒的方式,虽然经济有效,但在氯瓶使用管理上存在较大的安全隐患。
氯是一种具有很强刺激性、窒息性的毒物,属于二级(高度危害)毒物。
在氯气使用过程中,由于阀门管道众多,每次更换氯瓶都需要反复检查接口处是否漏气,以免造成人员伤害。
同时,氯属于危险化学物,在运输时有较大风险,运输车辆在城区道路穿行,存在非常大的安全隐患,一旦发生危险,将对社会民众造成无法挽回的损失。
为保证饮用水消毒处理的不间断性,氯瓶需要在水厂内存储备用,这也是水厂生产系统不容忽视的安全问题。
随着水厂生产工艺的不断完善,各项技术都在持续改进,一套更为安全有效的消毒系统获得推广。
此系统采用次氯酸钠作为消毒药剂,通过水解反应,获得有效氯离子,从而达到对源水消毒的目的。
此系统不仅安全可靠,在操控上也更为简便,只需要按照工艺要求设定需求量,即可完成加氯操作,避免了更换氯瓶过程中漏氯等潜在危险。
COD剂氨氮去除剂去磷剂除臭剂管道清洗除臭剂
自来水厂采用的次氯酸钠消毒系统共分为如下几部分:次氯酸钠储药系统、
次氯酸钠投加系统、上位机通讯及远程监测。
次氯酸钠消毒工艺原理:水厂采用次氯酸钠作为反应药剂,经过与水、二氧化碳反应,获得有效的次氯酸根离子,这也是水中氯离子的主要来源。
通过定期检测水中氯离子含量,调整药剂投加设备运行参数控制加药剂量,以达到国家管网水质氯含量标准,满足出厂水水质要求。
原药液输送到储药罐,由根据工艺要求已设定运行参数的变频计量泵吸入到加氯管网中。
设备自动控制基于西门子PLC平台组态,通过西门子PLC200完成数据通讯与设备控制,数据链通过光纤传输到中控室,由wincc组态现场数据监控及报警信息。
次氯酸钠储药系统及工艺控制,储药系统主要有容积为10吨的储药罐组成,每个储药罐安装有手动进药阀、电动进药阀、手动出药阀、电动出药阀、手动进水阀、手动排水阀、采样阀、磁翻板液位计等,并用排气管道连接至户外。
储药罐控制系统分为就地控制和远程控制两种模式,①就地模式:在就地控制箱上,将“就地/停止/远程”旋钮打到就地状态,通过进药阀和出药阀控制旋钮控制电动阀开关。
操作时,需要观察磁翻板液位计读数,当储药罐进药时,相应储药罐进药阀要处于打开状态,当液位打到限位2.8米时,需要关闭进药阀,以免溢出。
进行投加时,保证相应的出药阀处于打开状态。
②远程模式:在就地控制箱上,将“就地/停止/远程”旋钮打到远程状态,通过PLC控制柜触摸屏进行控制操作,点击主界面中的储药罐控制按钮进入储药罐控制界面。
储药罐控制界面可以进行遥控模式和程控模式选择,可以观察储药罐液位以及储药罐进药阀与出药阀状态,通过退出键返回上级菜单。
选择遥控模式进入下级菜单,对储药罐系统进行远程手动操作,通过开阀和关阀按钮进行相应电动阀开关动作,通过到开到位与关到位判断电动阀位置,通过退出界面回到上级菜单;选择程控模式,储药罐系统将脱离人为设定根据液位情况进行自动控制。
次氯酸钠投加系统及工艺控制:计量泵投加系统也分为就地模式、远程模式两种。
①就地模式:在计量泵就地变频控制箱上将“本地/远程”旋钮打到就地状态,将电动阀“就地/远程”旋钮打到就地状态。
按下“风机启动与风机停止”
按钮控制计量泵风机启停。
计量泵配有变频器,通过变频器控制盘控制计量泵启COD剂氨氮去除剂去磷剂除臭剂管道清洗除臭剂
停以及手动设定电机运行频率,通过“电动阀开/关”旋钮控制出药电动阀开关,并可由开到位和关到位指示判断阀的状态。
②远程控制:通过PLC控制柜触摸屏进行控制操作,在主界面中点击“投加控制”按钮进入储药罐控制界面。
在投加控制界面,可以监测计量泵就地、远程状态,出药阀就地、远程状态,计量泵运行状态,计量泵运行频率,计量泵行程长度,出药阀开关状态,点击相应的计量泵或出药阀图标进入相应泵、阀控制界面。
根据工艺要求,为了获得更好的加氯效果,水厂一般设有加氯和补氯两组系统。
在加氯系统中,可通过选择遥控/程控模式确定控制方式。
遥控模式下,点击有效氯投加量输入栏输入需要投加的计量,点击次钠浓度设定输入栏输入次氯酸钠溶液浓度,通过启动停止按钮控制计量泵的运行停止。
频率显示为计量泵实时频率值。
通过开阀与关阀操作控制计量泵出药阀的开关。
程控模式中,点击投加率设定,通过改变投加率的大小确定系统比例系数,完成投加量根据进水流量进行实时调整。
COD剂氨氮去除剂去磷剂除臭剂管道清洗除臭剂。