装配工考级试卷
- 格式:doc
- 大小:77.50 KB
- 文档页数:4
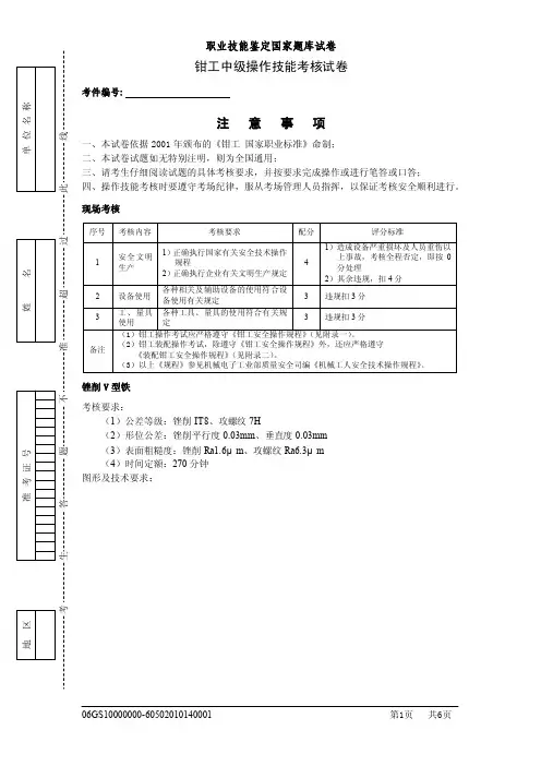
考件编号:注 意 事 项 一、本试卷依据2001年颁布的《钳工 国家职业标准》命制; 二、本试卷试题如无特别注明,则为全国通用; 三、请考生仔细阅读试题的具体考核要求,并按要求完成操作或进行笔答或口答; 四、操作技能考核时要遵守考场纪律,服从考场管理人员指挥,以保证考核安全顺利进行。
现场考核锉削V 型铁考核要求: (1)公差等级:锉削IT8、攻螺纹7H (2)形位公差:锉削平行度0.03mm 、垂直度0.03mm (3)表面粗糙度:锉削Ra1.6μm 、攻螺纹Ra6.3μm (4)时间定额:270分钟图形及技术要求:考生答题不准超过此线考件编号:技术要求各型面均与B面垂直,垂直度0.03mm。
考件编号:注意事项一、本试卷依据2001年颁布的《钳工国家职业标准》命制;二、本试卷试题如无特别注明,则为全国通用;三、请考生仔细阅读试题的具体考核要求,并按要求完成操作或进行笔答或口答;四、操作技能考核时要遵守考场纪律,服从考场管理人员指挥,以保证考核安全顺利进行。
现场考核三星座体正反配考核要求:(1)公差等级:锉配IT8、铰孔IT7、攻螺纹7H(2)形位公差:配合圆度0.04mm(3)表面粗糙度:锉配Ra3.2μm、铰孔Ra1.6μm、攻螺纹Ra6.3μm (4)时间定额:300分钟(5)其他方面:配合间隙≤0.05mm图形及技术要求:技术要求凸件镶嵌凹件之内,正反互换配合间隙≤0.05mm。
考生答题不准超过此线考件编号:注 意 事 项 一、本试卷依据2001年颁布的《钳工 国家职业标准》命制; 二、本试卷试题如无特别注明,则为全国通用; 三、请考生仔细阅读试题的具体考核要求,并按要求完成操作或进行笔答或口答; 四、操作技能考核时要遵守考场纪律,服从考场管理人员指挥,以保证考核安全顺利进行。
现场考核加工内外圆弧 考核要求: (1)公差等级:IT7 (2)形位公差:面轮廓度0.05mm 、垂直度0.04mm (3)表面粗糙度:Ra1.6μm (4)时间定额:240分钟 图形及技术要求:考生答题不准超过此线考件编号: 注 意 事 项 一、本试卷依据2001年颁布的《钳工 国家职业标准》命制; 二、本试卷试题如无特别注明,则为全国通用; 三、请考生仔细阅读试题的具体考核要求,并按要求完成操作或进行笔答或口答; 四、操作技能考核时要遵守考场纪律,服从考场管理人员指挥,以保证考核安全顺利进行。
装配钳工定级考试理论试卷一、判断题(每题2分,共30分)1.装配工作仅是将若干个零件结合成部件的过程。
()2.根据“5S”活动要求,员工待人讲礼貌、尊重别人是“清洁”的要求。
()3.工位越多,装配速度就越快。
()4.汽车后桥缺润滑油,在行驶时会引起内部齿轮损坏,轴承烧结。
()5.轮胎气压不符合规定可能引起车速表的指示车速与实际车速之间出现误差。
()6.直接选配法需要预先将零件分组,装配质量在很大程度上取决于装配工人的经验和技术水平。
()7.管线束的装配走向不会影响到装配质量。
()8.弹簧垫圈紧固时,以弹簧垫圈压平为准,弹簧垫圈不能断裂或产生其他的变形。
()9.电气线束与电气元件连接后,进线端朝向尽量向下布置()10.螺栓装配扭矩越大装配越紧越可靠。
()11.螺栓装配拧紧后在拧紧处做标记属于自检过程。
()12.对装配孔位是长圆孔时一般要加平垫片,且平垫片放与长圆孔一侧。
()13.装配时四钉或四钉以上紧固,必须交叉紧固,先紧固的螺栓必须复紧。
()14.电动宽体车电池箱维修时,须先关闭总电源开关,防止电击伤人。
()15.在整车上进行焊接作业时,应断开整车电源总开关,焊接用搭铁线应尽量远离整车线束。
并且搭铁要牢固、可靠()二、选择题(每题2分,共40分)1、装配工艺卡片是以()为单位详细说明整个工艺过程的工艺文件。
A、工步B、工装C、工序D、工艺2、装配工艺是决定产品性能、( B )和产量的重要环节。
A 、安全;B 、质量;C 、现场;D 、效率3、装配O型圈需要经过有螺纹的结构时,为防止拉伤O型圈,应使用()。
A、工具撑开B、导套C、在螺纹上滚过4、通过装配过程,可发现汽车( D )存在的质量问题,并加以改进,以保证产品的质量。
A 、产品设计;B 、零部件加工;C 、物流运输;D 、A 和B5、下面哪种联接方式属于可拆固定联接()A、螺栓链接B、焊接C、轴承D、圆柱销联接6、( A )是力矩的法定计量单位。
装配工考试试题装配工考试试题一、选择题1. 下列哪个工具是装配工常用的手持工具?A. 锤子B. 扳手C. 钳子D. 手电钻2. 装配工在进行安装时,应该注意什么?A. 确保零件完整无损B. 忽略图纸上的指示C. 不需要检查安装位置D. 不需要使用测量工具3. 在装配过程中,下列哪个步骤是最后进行的?A. 检查装配结果B. 安装零件C. 准备工作D. 组织工作流程4. 下列哪个因素不会影响装配工作的效率?A. 工作环境B. 工作流程C. 工作经验D. 工作时间5. 装配工在进行紧固件拧紧时,应该注意什么?A. 不需要使用扳手B. 根据规定的扭矩拧紧C. 根据感觉拧紧D. 只需拧紧到合适位置即可二、填空题1. 装配工应该具备良好的________能力,以便更好地完成工作任务。
2. 在装配过程中,应该遵循正确的________,以确保安全和质量。
3. 装配工在进行零件安装时,应该按照________进行操作。
4. 在装配工作中,应该定期进行________,以确保设备正常运行。
5. 装配工在进行紧固件拧紧时,应该使用________进行操作。
三、简答题1. 请简要介绍一下装配工的工作职责。
2. 装配工在进行零件安装时,应该注意哪些方面?3. 装配工在进行紧固件拧紧时,为什么需要根据规定的扭矩拧紧?4. 为什么装配工需要具备良好的沟通能力?5. 装配工应该如何保证工作的高效率和高质量?四、论述题请论述装配工在工作中应该如何处理遇到的问题和困难,并给出你的解决方案。
在装配工的工作中,难免会遇到各种问题和困难,如零件不匹配、设备故障等。
对于这些问题,装配工应该首先保持冷静和耐心,不要慌张。
其次,可以与同事或上级寻求帮助和建议,共同解决问题。
此外,装配工还可以利用自己的经验和技能,灵活应对,寻找解决方案。
如果问题无法解决,装配工应及时向相关部门报告,寻求更高层次的支持和解决方案。
对于零件不匹配的问题,装配工可以先检查零件是否正确,是否有缺陷或损坏。
【关键字】考试2016年浙江省高低压电器装配工等级考试题本卷共分为1大题50小题,作答时间为180分钟,总分100分,60分及格。
一、单项选择题(共25 题,每题2 分,每题的备选项中,只有1 个事最符合题意)1、测量__一般用专门量仪或拓印法、铅线法、坐标法等。
A.曲线或曲面B.直线或曲线C.平面或曲线D.平面或曲线2、电气工程图中使用最多的是__。
A.单线图B.两线图C.三线图D.多线图3、套螺纹时,板牙也要经常倒转,每转1/2-1圈后就要倒转__圈,以清除切屑。
A.1/4~1/2B.1/2~1C.2~3D.3~44、欧姆定律表示通过电阻的电流与电阻两端所加的电压__,与电阻的阻值成反比。
A.成正比B.成反比C.不相等D.相等5、职业道德是一种__的约束机制。
A.强制性B.非强制性C.随意性D.自发性6、铜母线的电阻小,导电性能好,机械强度高,__。
A.抗腐蚀性能最差B.抗腐蚀性比钢母线差C.抗腐蚀性比铝母线差D.抗腐蚀性最好7、错误阐述职业道德功能的选项是__。
A.职业道德的基本职能是调节职能B.职业道德有助于维护和提高本行业的荣誉C.职业道德能够促进本行业的发展D.职业道德不能提高全社会的道德水平8、RLS-10型熔断器额定电流值为__。
A.10AB.20AC.60AD.100A9、面接触的运动称为__。
A.转动副B.移动副C.低副D.高副10、曲面与曲面的交线称为__。
A.相贯线B.平面曲线C.截交线D.曲面曲线11、__是一种孔加工机床,可用来钻孔、扩孔、铰孔、镗孔以及刮平面、攻螺纹等多种形式的加工。
A.钻床B.电焊机C.铣床D.磨床12、不属于电磁系仪表优点的是__。
A.结构简单B.过载能力强C.只能测交流D.造价低廉13、管理是为了保障职工的安全和健康,保证装置、设备安全运行,预防危险而采取的各种电气安全组织措施、()。
A.安全措施B.技术措施C.监督措施D.操作措施14、在进行角度测量时,可用__进行测量。
考试说明:1、本套试题为生产装配上岗考试试题,考试内容为《电装岗位工人技能培训教程》培训教材。
2、考试内容为装配技能及工具认识,考试时间为60分钟。
一、填空题(本题共计18分,每空1分)。
1.拉钉枪嘴分为A型、B型、C型三种枪嘴,A型适用于拉钉直径为2.4㎜或3.2㎜,B型适用于拉钉直径为4.0㎜或4.8㎜,C型适用于拉钉直径为5.6㎜或6.4㎜。
2.螺钉按用途可以分为三类,分别是机器螺钉、紧定螺钉和特殊用途螺钉。
3.公司产品现在使用的螺钉主要有一字槽、十字槽、内六角等三种槽型。
4.公司产品现在使用的螺钉主要有盘头、沉头、六角头等三种头形。
5.电动螺丝刀按照操作形式可分为自动、电动和风动等形式。
6.垫圈主要有主要有平垫圈、弹簧垫圈等。
二、选择题(本题共计24分,每小题3分,将正确答案前的字母填在括号内)。
1.螺钉刀也称(D )。
A. 螺钉旋具B.改锥C.螺丝批D. ABC全是2.垫圈属于(A )的一个种类,主要有平垫圈、弹簧垫圈。
A. 紧固件B. 拉钉C. 螺丝D. 传动件3.下列观点你认为正确的有(C )。
A. 封装只能用环氧树脂B. 环氧树脂封装不需要添加固化剂C. 环氧封装后的产品在固化前(常温下六小时内)不得挪动D. ABC都对4.自攻螺钉多用于(A)之间的连接。
A. 薄的金属板B. 水泥板C. 厚的金属板D. ABC都是5.当工件在有酸碱腐蚀的环境下工作时,须选用(A)来固定或连接。
A. 不锈钢铆钉B. 氧化铝铆钉C. A3钢螺丝D. 都可以用6.封装用的E44环氧树脂及环氧树脂固化剂EP调配比例为(C )。
A. 1比0.1B. 1比0.3C. 1比0.5到1.0D. 不需环氧树脂固化剂EP7.型号为801的电动螺丝刀适用于(C)的螺钉。
A. 1-2.5mmB. 2.5-3mmC. 2 .5-4mmD. 5-8mm8.当需要紧固连接两个零件时,若其中一个零件制成通孔、另一个零件制成内螺纹孔,则选用(B)。
装配钳工(中级)试题(附参考答案)一、单选题(共68题,每题1分,共68分)1.根据结构不同,游标卡尺分为()、三用游标卡尺和单面量爪游标卡尺。
A、游标高度尺B、游标深度尺C、双面量爪游标卡尺D、万能角度尺正确答案:C2.活塞式压缩机压缩和()在一个行程中完成。
A、排气B、膨胀C、吸气D、无法确定正确答案:A3.电流对人体的伤害程度与()无关。
A、通过人体电流的时间B、触电者的性格C、电流通过人体的部位D、通过人体电流的大小正确答案:B4.下列选项中,属于机床用平口虎钳规格的有()。
A、60mmB、65mmC、100mmD、50mm正确答案:C5.装配动连接的花键时,不要求()。
A、用手摇动套件时不应有过松现象B、过盈应适当C、花键孔在花键轴上应滑动自如D、间隙应适当正确答案:B6.遵守法律法规不要求()。
A、遵守劳动纪律B、遵守安全操作规程C、延长劳动时间D、遵守国家法律和政策正确答案:C7.孔的公差带代号由基本偏差代号和()组成。
A、公差等级B、标准公差C、基本偏差D、公差等级数字代号正确答案:D8.职业道德的实质内容是()。
A、增加社会的财富B、改善个人生活C、增强竞争意识D、树立全新的社会主义劳动态度正确答案:D9.用平衡杆进行静平衡时,应沿()方向上装上平衡杆。
A、垂直B、偏重C、轴线D、水平正确答案:B10.应用光学测齿卡尺测量时,转动宽度尺移动旋钮,就是移动()。
A、活动测量爪及横向刻度尺B、高度定位尺及纵向刻度尺C、高度定位尺及横向刻度尺D、活动测量爪及纵向刻度尺正确答案:A11.合金工具钢的特点是耐热性差,(),价格便宜等。
A、抗弯强度高B、抗拉强度低C、抗弯强度低D、抗拉强度高正确答案:A12.扁錾主要用来錾削平面、去毛刺和()。
A、分割曲线形板料B、錾削曲面上的油槽C、錾削沟槽D、分割板料正确答案:D13.滚动轴承装配时,在成对使用的轴承内圈或外圈之间加衬垫,不同厚度的衬垫可得到()的预紧力。
浙江省高低压电器装配工等级试题本卷共分为1大题50小题,作答时间为180分钟,总分100分,60分及格。
一、单项选择题(共25题,每题2分,每题的备选项中,只有 1 个事最符合题意)1、在狭窄场所如锅炉、金属容器、管道内等地施工,如使用Ⅱ类电工工具,所设置的额定漏电动作电流应不大于__。
A.25mAB.15mAC.20mAD.30mA2、不符合机床一般操作规程要求的是__。
A.不得围围巾B.长发辫应挽在帽子内C.不应穿高跟鞋操作D.不得戴眼镜操作3、不符合机床一般操作规程要求的是__。
A.保险装置损坏,不能操作B.传动装置是否完好C.机械传动必须设置保护装置D.电气传动可以不设置保护装置4、长期工作发热试验中,断路器__及附加设备发热的方法和要求按GB1984-2003规定,真空灭弧室载流部分温升不作规定。
A.操作机构的载流元件B.真空灭弧室部分发热试验C.非载流部分发热试验D.载流部分过流试验5、TCS-ERP系统模块包含的项目之一是__。
A.生产过程B.装配过程C.实验过程D.配件分析6、由于励磁电流是按正弦规律发生变化的,因而磁通和电磁吸力是按__周期变化。
A.正弦B.非正弦C.脉动D.余弦7、对零件草图的审查校核内容之一是__是否有损坏、疵病等情况。
A.表达方案B.零件的结构C.尺寸标注D.技术要求8、__是指以固定形式复现量值的计量器具。
A.量具B.量规C.量仪D.计量装置9、为了使测量的误差减少,在测量时应尽量使量具、量仪的温度__被测件的温度。
A.等于B.小于C.大于D.不小于10、在电力电网附近进行土建、()、管道敷设等工作时,要取得相关部门的许可,并采取必要的安全措施。
A.绿化B.防雷设施C.防雨设施D.安全措施11、量具、量仪使用要求之一为__。
A.不合格的量具、量仪可以凑合用B.对不了解的量具、量仪可以随便使用C.为保证量具、量仪经常处于良好状态,没必要定期检定D.使用精密量具、量仪时,不要用力过猛。
工地装配工考试题及答案一、单项选择题(每题2分,共10题,共20分)1. 工地装配工在进行装配作业时,以下哪个工具是必须配备的?A. 锤子B. 电钻C. 扳手D. 锯子答案:C2. 装配工作业时,以下哪种安全帽是符合标准的?A. 破损的安全帽B. 过期的安全帽C. 合格的安全帽D. 无标识的安全帽答案:C3. 在工地上,装配工在高空作业时,以下哪项措施是正确的?A. 不系安全带B. 系好安全带C. 只戴安全帽D. 只穿安全鞋答案:B4. 工地装配工在操作电动工具时,以下哪项操作是不正确的?A. 使用前检查工具是否完好B. 工具使用中发现异常立即停止使用C. 工具使用后随意放置D. 定期对工具进行维护保养答案:C5. 工地装配工在搬运重物时,以下哪项做法是错误的?A. 使用正确的搬运姿势B. 两人以上协同作业C. 直接用手搬运重物D. 使用合适的搬运工具答案:C二、多项选择题(每题3分,共5题,共15分)1. 工地装配工在作业中,以下哪些行为是被禁止的?A. 酒后作业B. 吸烟C. 穿拖鞋作业D. 私自离开工作岗位答案:ABCD2. 工地装配工在作业中,以下哪些安全措施是必须遵守的?A. 正确佩戴个人防护用品B. 严格遵守操作规程C. 作业区域保持清洁D. 作业结束后及时关闭电源答案:ABCD3. 工地装配工在进行电气作业时,以下哪些做法是正确的?A. 使用绝缘工具B. 非专业人员不得进行电气作业C. 电气作业前进行安全检查D. 电气作业后不进行安全检查答案:ABC4. 工地装配工在作业中,以下哪些行为是正确的?A. 作业前进行风险评估B. 作业中使用合适的工具C. 作业后及时清理作业现场D. 作业中随意丢弃废弃物答案:ABC5. 工地装配工在作业中,以下哪些情况需要立即停止作业?A. 发现作业环境存在安全隐患B. 发现工具设备存在故障C. 发现作业人员身体不适D. 发现作业区域有无关人员进入答案:ABCD三、判断题(每题1分,共10题,共10分)1. 工地装配工在作业中可以不佩戴安全帽。
考件编号: 试题一、零件加工(燕尾镶配)考件编号: 试题一、零件加工(梯形镶配)考件编号:试题一、零件加工(对称角度镶配(一))考件编号:试题一、零件加工(对称角度镶配(二))考件编号:试题一、零件加工(对称角度镶配(三))考件编号:试题一零件加工评分标准(燕尾镶配)评分人: 年月日核分人: 年月日考件编号:试题一零件加工评分标准(梯形镶配)评分人: 年月日核分人: 年月日考件编号:试题一零件加工评分标准(对称角度镶配(一))评分人: 年月日核分人: 年月日考件编号:题一零件加工评分标准(对称角度镶配(二))评分人: 年月日核分人: 年月日考件编号:试题一零件加工评分标准(对称角度镶配(三))评分人: 年月日核分人: 年月日考件编号:试题二、机械装调(二级减速箱的拆装、调整)1.考核内容及操作要求(1)拆卸顺序正确;(2)清理清洗工作及零部件检查;(3)装配工艺正确;(4)装配精度;(5)结构认识问答:(由考评员从以下参考问题中随机抽二个,也可由考评员根据考核内容另外确定)①减速箱的主要功能是什么?②二级减速箱有哪些种类?③二级减速箱的结构及作用?2.考核时间:60min3.考核方式:考核内容由个人独立完成考件编号:试题二机械装调评分标准(二级减速箱的拆装、调整)评分人:年月日核分人:年月日考件编号:试题二、机械装调(车床尾座拆装、调整)1.考核内容及操作要求(1)拆卸顺序正确;(2)清理清洗工作及零部件检查;(3)装配工艺正确;(4)组装后各机构动作灵活、可靠;(5)结构认识问答:(由考评员从以下参考问题中随机抽二个,也可由考评员根据考核内容另外确定)①尾座锁紧在导轨上的工作原理?②尾座套筒的锁紧原理?③尾座体与底板的偏移如何调整?2.考核时间:60min3.考核方式:考核内容由个人独立完成考件编号:试题二机械装调评分标准(车床尾座拆装、调整)评分人:年月日核分人:年月日考件编号:试题二、机械装调(车床自定心三爪卡盘的拆装、调整)1.考核内容及操作要求(1)拆卸顺序正确;要求:从主轴上拆下——分解——清理——装配——装上主轴(2)清理清洗及零部件检查;(3)装配工艺正确;(4)装配精度;(5)结构认识问答:(由考评员从以下参考问题中随机抽二个,也可由考评员根据考核内容另外确定)①三爪卡盘的主要作用?②三爪卡盘的夹紧与松开的工作原理?③三爪卡盘装配时要注意些什么?2.考核时间:60min3.考核方式:考核内容由个人独立完成考件编号:试题二机械装调评分标准(车床自定心三爪卡盘的拆装、调整)评分人:年月日核分人:年月日考件编号:试题二、机械装调(双作用叶片泵的拆装、调整)1.考核内容及操作要求(1)拆卸顺序正确;(2)清理清洗工作及零部件检查;(3)装配工艺正确;(4)装配质量;(5)结构认识问答:(由考评员从以下参考问题中随机抽二个,也可由考评员根据考核内容另外确定)①叶片泵的主要零件有哪些?②双作用叶片泵转子转一周吸、压油几次?③叶片泵空运转时,叶片靠什么力使之与定子内表面接触?2.考核时间:60min3.考核方式:考核内容由个人独立完成考件编号:试题二机械装调评分标准(双作用叶片泵的拆装、调整)评分人:年月日核分人:年月日考件编号:试题二、机械装调——台钻活动工作台几何精度检验及调整1.考核内容及操作要求(1)活动工作台与主轴垂直度的检测;(2)选用合理的修复或调整工艺;(3)修复或调整达技术要求;(4)合理使用量检具及工具;(5)结构认识问答:(由考评员从以下参考问题中随机抽二个,也可由考评员根据考核内容另外确定)①活动工作台远端应向上偏还是向下偏?为什么?②简述活动工作台与主轴垂直度的检测方法?③活动工作台失精的原因是什么?2.考核时间:60min3.考核方式:考核内容由个人独立完成考件编号:试题二机械装调评分标准(台钻活动工作台几何精度检验及调整)评分人:年月日核分人:年月日。
装配钳工(中级)试题含答案一、单选题(共68题,每题1分,共68分)1.平面度公差的公差带为()的区域。
A、两平行平面间B、给定两平面间C、任意两平面间D、两垂直平面间正确答案:A2.将金属板构件的表面全部或局部,按它的实际形状和()依次画在平面上,得到的图形称为展开图。
A、大小B、位置C、结构D、重要程度正确答案:A3.下列选项中,不符合文明生产的是()。
A、遵守安全技术操作规程B、执行规章制度C、按规定穿戴好防护用品D、工作中对服装不作要求正确答案:D4.装配工艺规程需确定()的内容。
A、工序和工步B、工序和安装C、工位和工步D、工序和工位正确答案:A5.框式水平仪倾斜一定角度时,水准气泡向()移动读为“+”。
A、左B、上C、下D、右正确答案:D6.划线时,应从()开始。
A、找正基准B、划线基准C、测量基准D、设计基准正确答案:B7.粘接剂按照形态分类不包括()。
A、热固型粘接剂B、水乳型粘接剂C、水溶型粘接剂D、溶剂型粘接剂正确答案:A8.化学热处理是将工件置于一定的()中保温,使一种或几种元素渗入工件表层,改变其化学成分,从而使工件获得所需组织和性能的热处理工艺。
A、冷却介质B、耐热材料C、保温介质D、活性介质正确答案:D9.花键连接按齿廓形状不同,可分为矩形、()和三角形等三种。
A、抛物线形B、梯形C、渐开线形D、圆形正确答案:C10.卧式车床几何精度检验内容包括()项。
A、2B、5C、3D、4正确答案:D11.关于“局部视图”,下列说法错误的是()。
A、局部视图的位置应尽量配置在投影方向上B、局部视图的断裂边界必须用波浪线表示出来C、局部视图上方应标出视图的名称“X”D、当局部视图按投影关系配置,中间又没有其他图形隔开时,可省略标注正确答案:B12.()是指加工表面和加工刀具不变的条件下所完成的那部分工艺过程。
A、工步B、工位C、走刀D、工序正确答案:A13.螺纹应用较多的是()和梯形螺纹。
装配工考试题及答案一、单项选择题(每题2分,共20分)1. 装配线的基本组成部分不包括以下哪一项?A. 工作站B. 传送带C. 仓库D. 装配工具答案:C2. 在装配过程中,以下哪项不是必须遵守的安全规定?A. 正确使用个人防护装备B. 遵守操作规程C. 随意使用工具D. 保持工作区域整洁答案:C3. 装配线平衡的目的是:A. 减少生产成本B. 提高生产效率C. 增加产品多样性D. 减少员工数量答案:B4. 装配线上的节拍时间是指:A. 每件产品完成装配所需的时间B. 每件产品从开始到结束的总时间C. 每件产品在装配线上停留的时间D. 装配线上工人的休息时间答案:A5. 以下哪项不是装配线的优点?A. 提高生产效率B. 降低生产成本C. 增加产品复杂性D. 提高产品质量答案:C6. 在装配过程中,如果发现零件有缺陷,应该:A. 继续装配B. 立即停止并报告问题C. 尝试修复缺陷D. 忽略并继续工作答案:B7. 装配线上的质量控制通常包括以下哪项?A. 定期检查B. 随机抽样C. 每件产品检查D. 所有选项答案:D8. 装配线的设计应该考虑以下哪项因素?A. 产品特性B. 员工技能C. 市场需求D. 所有选项答案:D9. 装配线上的物料供应应该:A. 充足但不过量B. 尽可能多C. 尽可能少D. 与生产需求无关答案:A10. 装配线的布局设计应该:A. 只考虑生产效率B. 只考虑员工舒适度C. 综合考虑生产效率和员工舒适度D. 只考虑成本答案:C二、多项选择题(每题3分,共15分)1. 装配工在操作过程中需要关注以下哪些方面?A. 零件的规格B. 装配的顺序C. 工作环境的温度D. 工具的维护答案:A, B, D2. 装配线平衡的常见方法包括:A. 工作站合并B. 工作站拆分C. 增加传送带速度D. 重新分配工作站任务答案:A, B, D3. 装配线上常见的质量问题可能包括:A. 零件缺陷B. 装配错误C. 操作不当D. 材料浪费答案:A, B, C4. 装配线效率低下可能由以下哪些因素导致?A. 机器故障B. 员工技能不足C. 物料供应不足D. 产品设计不合理答案:A, B, C, D5. 装配线维护的内容包括:A. 设备定期检查B. 工具的清洁和保养C. 工作站的清洁D. 员工技能培训答案:A, B, C三、判断题(每题1分,共10分)1. 装配线上的每个工作站都应该有明确的操作指导书。
装配工等级考试试题姓名部门成绩一、选择题(每小题2分,共40分)1.切割时,割炬的移动应保持匀速,割件表面距离焰心尖端以()为宜,距离太近会使切口边缘融化,距离太远热量不足,易使切割中断。
A.2~5mmB.5~8mmC.8~10mm2.下列选项中不会造成切割面缺口的是()。
A.切割过程中断,重新起割衔接不好B.钢板表面有厚的氧化皮、铁锈等C.切割的钢板厚度较大3.H型钢翼、腹板对接焊缝错开距离宜大于()。
A.100mmB.150mmC.200mm4.计算以下图中直角三角形斜边高是多少( )。
A.20 B.24 C.255.箱型截面构件翼缘板与腹板的对接焊缝错开距离宜大于()。
A.200mmB.400mmC.500mm6.加设垫板的熔透焊缝,其主引弧板和副引弧板厚度不小()。
A.5mmB.6mmC.7mm7.气割下料的节点板,其局部缺口深度允许的偏差为()。
A.≤ 1.0B.≤0.5C.≤2.08.气割下料的节点板,其割纹深度允许的偏差为()。
A.≤ 0.1B.≤ 0.2C.≤ 0.39.当箱型柱主体应钢板长度不够而需要对接时,其面板最小长度应在()mm以上,且冀缘板对接长度不小于2倍板宽。
A.400B.500C.60010.定位焊缝时,应避开焊缝起始端和终端,距离端头的距离至少应为()。
A.10mmB.15mmC.20mm11.组装定位焊时,当母材厚度为25mm时,焊脚高度应为()。
A.4~6mmB.6~8mmC.8~10mm 12.埋弧焊焊接前,用钢丝刷和砂轮机清除焊缝区域及其附近至少()mm范围内的铁锈、油污等杂物。
A.20B. 30C.4013在进行牛腿装配时,下列说法正确的是()。
A.牛腿在长度方向的定位应以牛腿中心线来确定B.牛腿在长度方向的定位应以牛腿冀缘的上表面来确定C.任意一条都可以确定14.求以下图中角度为()。
A.100° B.110° C.120°15.埋弧焊加设引弧板规格要求为100*200mm,焊缝引出长度最小为()。
工业装配技能考试试题题库工业装配技能考试是评估工业装配工人专业技能水平的重要手段。
以下是一套工业装配技能考试试题题库,旨在帮助考生复习和准备考试。
一、单选题1. 在装配过程中,以下哪个工具是用于拧紧螺栓的?A. 螺丝刀B. 扳手C. 钳子D. 锤子2. 装配线平衡的目的是:A. 提高生产效率B. 减少物料浪费C. 降低人工成本D. 所有以上选项3. 以下哪个不是装配过程中常见的质量问题?A. 零件缺失B. 零件错位C. 零件过载D. 零件污染二、多选题1. 工业装配中常用的紧固件包括:A. 螺栓B. 螺母C. 垫圈D. 销2. 装配线设计时需要考虑的因素包括:A. 物料流B. 信息流C. 人员配置D. 安全措施3. 以下哪些是装配过程中的质量控制方法?A. 视觉检查B. 尺寸测量C. 功能测试D. 压力测试三、判断题1. 在装配过程中,所有零件都必须按照图纸要求进行装配。
(对/错)2. 装配线的速度越快,生产效率越高。
(对/错)3. 安全装备在装配过程中不是必需的。
(对/错)四、简答题1. 简述装配过程中的“五定”原则是什么?2. 描述装配线平衡的三个主要步骤。
3. 解释为什么在装配过程中需要进行质量控制?五、案例分析题某工厂的装配线在生产过程中发现产品合格率下降,经过初步调查,发现可能是装配过程中的某个环节出现问题。
请分析可能的原因,并提出相应的改进措施。
结束语通过以上试题的练习,考生可以对工业装配技能有一个全面的了解和掌握。
希望每位考生都能在考试中取得优异的成绩,不断提升自己的专业技能。
装配⼯考级试卷船体课装配⼯考试试题2011⼀、填空题1.现代造船⼯艺流程包括:放样、(号料)、(加⼯)、(装配)、(焊接)、密试、下⽔、舾装、试航、交船。
2. 船体三个基准⾯分别是(基⾯)、(中线⾯)、(中站⾯)。
3. 船体⾻架形式有(横⾻架式)、(纵⾻架式)、(混合⾻架式)三种。
4. 在船体结构图上,不可见⽔密壁板⽤(轨道线)表⽰,不可见的⾮⽔密壁板⽤(粗虚线)表⽰,⼤合拢贴装件⽤()符号表⽰。
5. 补板、尺⼨⼩于500×500以下的肘板⼀般⽤(光电跟踪)⽅法切割。
6. 雷达桅装配定位时主要考虑的因素是(中⼼和⽔平)。
7. ⽕⼯矫正的加热温度⼀般不超过( 900度)。
8. 船坞双层底分段定位中⼼线标准(≤3.0 ),允许极限(≤3.0 )。
9. 船体龙⾻中⼼线在艏艉尖舱之间的全长范围挠度标准范围(±25 ),允许极限(±35 )。
10. 主要结构⼗字接头标准偏差(≤板厚/ 4 ),允许极限为(≤板厚/ 3 )。
11. 主要结构⾓接接头的间隙标准范围(≤2.0 ),允许极限为(≤3.0 ),当间隙⼤于16mm时需做(换板)处理。
12. 船坞总段常⽤吊码尺⼨,D30吊码主受⼒板板厚( 30mm ),D40吊码板厚( 34mm ),N25吊码板厚( 30mm ),N30吊码板厚( 40mm )。
13. 船坞⼤型总段吊码可以使⽤( 1 )次,焊接时应有(实⼼)焊丝或(低氢)焊条。
14. 船体装配时通常在焊缝两边加(卡码)或(担排),这样会通过使⽤(刚性固定)的⽅法来减少变形。
15. ⼄炔瓶的⼯作压⼒为( 1.5 )MPa,其使⽤压⼒不得超过( 0.15 )MPa。
⼆、判断题1.舭龙⾻在合拢接头位置需要钻⽌裂孔,主要是为了防⽌裂纹扩展⾄船体外板。
(√)2.总段吊码安装、电焊不需要对内报验。
(×)3.在切割薄板是,为了减少变形,必须选⽤30型割炬。
(√)4.重要结构的装配应遵循从中间往两边安装的原则。
船体课装配工考试试题2011
一、填空题
1.现代造船工艺流程包括:放样、(号料)、(加工)、(装配)、(焊接)、密试、下水、舾装、试航、交船。
2. 船体三个基准面分别是(基面)、(中线面)、(中站面)。
3. 船体骨架形式有(横骨架式)、(纵骨架式)、(混合骨架式)三种。
4. 在船体结构图上,不可见水密壁板用(轨道线)表示,不可见的非水
密壁板用(粗虚线)表示,大合拢贴装件用()符号表示。
5. 补板、尺寸小于500×500以下的肘板一般用(光电跟踪)方法切割。
6. 雷达桅装配定位时主要考虑的因素是(中心和水平)。
7. 火工矫正的加热温度一般不超过( 900度)。
8. 船坞双层底分段定位中心线标准(≤3.0 ),允许极限(≤3.0 )。
9. 船体龙骨中心线在艏艉尖舱之间的全长范围挠度标准范围(±25 ),允许极限(±35 )。
10. 主要结构十字接头标准偏差(≤板厚/ 4 ),允许极限为(≤板厚/ 3 )。
11. 主要结构角接接头的间隙标准范围(≤2.0 ),允许极限为(≤3.0 ),当
间隙大于16mm时需做(换板)处理。
12. 船坞总段常用吊码尺寸,D30吊码主受力板板厚( 30mm ),D40吊码板厚
( 34mm ),N25吊码板厚( 30mm ),N30吊码板厚( 40mm )。
13. 船坞大型总段吊码可以使用( 1 )次,焊接时应有(实心)焊丝或(低氢)
焊条。
14. 船体装配时通常在焊缝两边加(卡码)或(担排),这样会通过使用(刚
性固定)的方法来减少变形。
15. 乙炔瓶的工作压力为( 1.5 )MPa,其使用压力不得超过( 0.15 )MPa。
二、判断题
1.舭龙骨在合拢接头位置需要钻止裂孔,主要是为了防止裂纹扩展至船体外板。
(√)2.总段吊码安装、电焊不需要对内报验。
(×)
3.在切割薄板是,为了减少变形,必须选用30型割炬。
(√)4.重要结构的装配应遵循从中间往两边安装的原则。
(√)5.大接缝前后150mm的缓冲段的作用,仅是方便结构调平。
(×)
6. 拼接钢板时应先拼纵缝后拼横缝,以减少纵缝的的修整量。
(√)
7. 船舶的重心越高其稳性越好。
(×)
8. 经下料、加工后可供装配安装的构件称为部件。
(×)
9. 装配时会使用到千斤顶,必须用铁链或铁丝将千斤顶绑住。
(√)
10.船体中拱弯曲时,船体的上甲板受压缩应力,底部受拉伸应力。
(×)
11.胎架制造时在胎板上划线时,对样板上所标出的外板厚度可以不予考虑。
(×)
12.分段在装配和焊接后往往产生横向的翘曲变形。
(√)
13.力的作用与它的各分力作用的效果相同,故合力一定大于任何一个分力
(×)
14.岛式建造法必须要有嵌补分段。
(√)
15.割换板的最小尺寸为200*200 。
(×)
三、选择题(单项)
1. 割不锈钢应采用以下哪种切割形式。
(C )
A、氧乙炔气割
B、氧乙烷
C、等离子切割
2. 岛式建造法的主要优点是( A )
A、有利于扩大工作面
B、操作方便
C、焊接变形小
3. 火工矫正重复加热次数一般不能超过( B )
A、2次
B、3次
C、4次
4. 大接缝处肋距允许的公差范围是( B )
A、±5mm
B、±10mm
C、±20mm
A10
5. 图示的精度符号表示( A )
A、中合拢测量后留10mm补偿量切割
B、大合拢测量后留10mm补偿量切割
C、大合拢现场留10mm补偿量切割
6. 正造底部分段铺外板时应先吊装( C )
A、舭部板
B、船底板
C、K板
7. 若甲板分段是纵向结构,为了操作安全,余量取出方便,分段端接缝余量
宜放在( B )
A、先装的甲板分段
B、后装的甲板分段
C、两个分段上
8.横舱壁在斜率为1/20的船台上测量垂直度,线锤到内底板之间的距离为9500mm,如舱壁垂直,则线锤投影点到舱壁间的距离为(B )
A、950mm
B、475mm
C、47.5mm
9. 船体装配时加卡码的方法属于以下哪种减少变形的方法(A )
A、刚性固定法
B、反变形法
C、预留收缩余量法
10. 船底理论线是指龙骨板的( B )
A、外表面
B、内表面
C、中心线
11. 乙炔气瓶和氧气瓶的放置距离最低不得低于( C )m。
A、2
B、3
C、5
12. 气割 6~30 mm钢板时,割嘴的倾斜角度说法正确的是( A )。
A割嘴垂直于割件
B沿气割方向倾斜5º~10º
C沿气割反方向倾斜5º~10º
13. 气割小于 6 mm钢板时,割嘴的倾斜角度正确的是( C )。
A割嘴垂直于割件
B沿气割方向倾斜5º~10º
C沿气割反方向倾斜5º~10º
14.焊接坡口符号,表示( C )。
A、不开坡口埋弧自动焊
B、手工焊
C、开在不可见面埋弧自动焊
D、CO2自动焊
15. 拆除装配卡码,要用( C )。
A、铁锤强打拆除
B、铁锤正反多次敲打拆除
C、气割拆除
四、简答题
1. 焊接坡口的作用及选择坡口的原则?
答:①为了保证坡口根部焊透,使焊接电弧能深入接头根部以保证根部质量;
②调节基体金属与填充金属比例。
①保证工件焊透,且便于操作;②坡口形状易于加工;③尽可能提高焊接
生产率和节省焊条;④尽可能减小焊后工件变形。
2. 今后建造的船舶基本都要满足PSPC标准要求,请你从装配角
度简要描述下装配过程应注意的事项。
五、计算题
1.某船主甲板为折线型梁拱,高度为150mm,该船型宽24m,折
角线距中2000m,求距中8m处的梁拱高度。
(要求画出简图)。
2.计算下图中和轴,标出中和轴距上端面板的距离。
(12分)。