第7章-机械制造工艺基础考试复习题电子教案
- 格式:doc
- 大小:304.00 KB
- 文档页数:6
课程机械基础班级15级加工制造升学1、2班任课教师阙建军钟的齿轮系统大钟的齿轮系统某发动机传动系统《闲置的机器》--《摩登时代》传动比一般不大于5-7 可实现较大的传动比轮系的功用:用于原动机和执行机构之间的运动和动力传(一)轮系的类型、定轴轮系每个齿轮的几何轴线都是固定的.)平面定轴轮系:各齿轮在同一个平面或互相平行的平面内运动。
特点:均是由圆柱齿轮组成,各齿轮轴线平行。
含蜗杆的定轴轮系.swf空间定轴轮系2)周转轮系若轮系中至少有一个齿轮的几何轴线不固定,而绕其它齿轮的固定几何轴线回转,则称为周转轮系。
周转轮系是由中心轮、行星轮和行星架组成的。
在行星轮系中,与行星轮相啮合且轴线位置固定的齿轮称为中心;内齿中心轮称为齿圈;齿轮同时与中心轮和齿圈相啮合,其既做自转又做公转称为行星轮;行星轮系与差动轮系两种。
第一课时.可获得很大的传动比.可作较远距离的传动.可以方便地实现变速和换向要求.可以实现运动的合成与分解一对齿轮传动的传动比不能过大(一般i12=3~5,i max≤8),而采用轮系传动可以获得很大的传动比,以满足低速工作的要求。
.可以方便地实现变速和变向要求滑移齿轮变速机构利用中间轮变向机构转向用画箭头的方法表示,主、从动轮转向相反时,两箭头指向相反。
2,圆柱齿轮啮合-内啮合主、从动轮转向相同时,两箭头指向相同。
两箭头指向或相背啮合点。
4,蜗杆蜗轮啮合传动(二)定轴轮系传动比计算轮系中输入轴的角速度(或转速)与输出轴的角速度(或转速)之比,即:和k分别表示输入和输出轮;也等于各对啮合齿定轴轮系的传动比:等于各对啮合齿轮传动比的连乘积;其大小等于各对啮合齿轮中所有从动轮齿数的连乘积与所有主动轮齿数的连乘积之比。
=各级传动比的连乘积分析如图所示轮系传动路线。
Z1=1,Z 2=48,Z 3=24,Z 4=36,求轮系的传动比。
Z7第三课时当首轮(或末轮)的转向为已知时,其末轮(或首轮)的转向平面定轴轮系:各齿轮在同一个平面或互相平行的平面内运动。
第七章习题及答案7-1试述生产过程、工序、工步、走刀、安装、工位的概念。
答:制造机械产品时,将原材料转变为成品的全过程称为生产过程。
工序是指一个(或一组)工人在一个工作地点或一台机床,对同一个或同时对几个工件进行加工所连续完成的那一部分工艺过程。
工步是指在一个工序中,当加工表面不变、加工工具不变的情况下所连续完成的那部分工艺过程。
在一个工步内,如果被加工表面需切去的金属层很厚,一次切削无法完成,则应分几次切削,每进行一次切削就是一次走刀。
安装是指工件在加工之前,在机床或夹具上占据正确的位置(即为定位),然后加以夹紧的过程称为装夹。
工件经过一次装夹完成的工序称为安装。
工件在机床上所占据的每一个待加工位置称为工位。
7-2什么是机械加工工艺过程?什么是机械加工工艺规程?答:机械加工工艺规程(简称工艺规程)是将机械加工工艺过程的各项内容写成文件,用来指导生产、组织和管理生产的技术文件。
工艺过程是生产过程中的主要部分,是指在生产过程中直接改变毛坯的形状、尺寸、相对位置和材料性能,使其成为半成品或成品的过程。
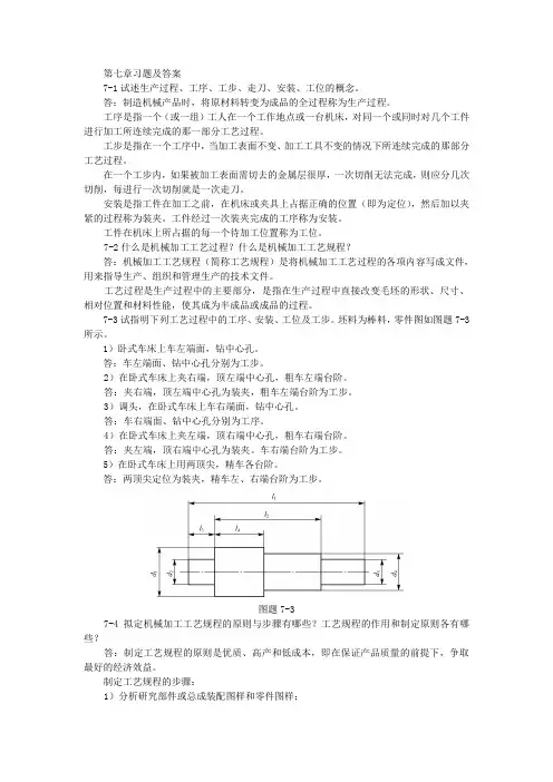
7-3试指明下列工艺过程中的工序、安装、工位及工步。
坯料为棒料,零件图如图题7-3所示。
1)卧式车床上车左端面,钻中心孔。
答:车左端面、钻中心孔分别为工步。
2)在卧式车床上夹右端,顶左端中心孔,粗车左端台阶。
答:夹右端,顶左端中心孔为装夹,粗车左端台阶为工步。
3)调头,在卧式车床上车右端面,钻中心孔。
答:车右端面、钻中心孔分别为工序。
4)在卧式车床上夹左端,顶右端中心孔,粗车右端台阶。
答:夹左端,顶右端中心孔为装夹。
车右端台阶为工步。
5)在卧式车床上用两顶尖,精车各台阶。
答:两顶尖定位为装夹,精车左、右端台阶为工步。
图题7-37-4拟定机械加工工艺规程的原则与步骤有哪些?工艺规程的作用和制定原则各有哪些?答:制定工艺规程的原则是优质、高产和低成本,即在保证产品质量的前提下,争取最好的经济效益。
制定工艺规程的步骤:1)分析研究部件或总成装配图样和零件图样;2)选择毛坯;3)拟定工艺路线;4)确定各工序的加工余量,计算工序尺寸及公差;5)确定各工序所采用的设备及工艺装备;6)确定各工序的切削用量和时间定额;7)确定各主要工序的技术要求及检验方法;8)填写工艺文件。
章节名称:绪论教学目标:1. 使学生了解机械制造工艺学的概念、内容及其在机械工程领域的重要性。
2. 使学生了解机械制造工艺学的发展历程和趋势。
3. 使学生掌握机械制造工艺学的基本研究方法。
教学内容:1. 机械制造工艺学的概念及其内涵。
2. 机械制造工艺学的发展历程和趋势。
3. 机械制造工艺学的研究方法。
教学过程:1. 导入:通过提问方式引导学生思考机械制造工艺学的概念及其重要性。
2. 讲解:详细讲解机械制造工艺学的概念、内容及其在机械工程领域的重要性。
3. 讨论:组织学生讨论机械制造工艺学的发展历程和趋势。
4. 总结:总结机械制造工艺学的研究方法,强调其在机械制造领域的应用。
教学资源:1. 教材:《机械制造工艺学》。
2. 课件:机械制造工艺学的概念、发展历程和趋势、研究方法等。
教学评估:1. 课堂问答:检查学生对机械制造工艺学概念的理解。
2. 课后作业:布置相关课后作业,检查学生对机械制造工艺学的发展历程和趋势、研究方法的掌握。
章节名称:机械制造过程及其分类教学目标:1. 使学生了解机械制造过程的定义、组成及其分类。
2. 使学生掌握各种机械制造过程的特点和应用。
教学内容:1. 机械制造过程的定义、组成。
2. 机械制造过程的分类:铸造、锻造、焊接、热处理、表面处理等。
3. 各种机械制造过程的特点和应用。
教学过程:1. 导入:通过提问方式引导学生思考机械制造过程的定义和组成。
2. 讲解:详细讲解机械制造过程的定义、组成及其分类。
3. 讨论:组织学生讨论各种机械制造过程的特点和应用。
4. 总结:总结各种机械制造过程在实际生产中的应用和重要性。
教学资源:1. 教材:《机械制造工艺学》。
2. 课件:机械制造过程的定义、组成、分类及其特点等。
教学评估:1. 课堂问答:检查学生对机械制造过程的定义和组成的理解。
2. 课后作业:布置相关课后作业,检查学生对各种机械制造过程的特点和应用的掌握。
《机械制造工艺学》教学教案(三)章节名称:机械制造工艺过程规划与管理教学目标:1. 使学生了解机械制造工艺过程规划与管理的概念及其重要性。
江苏省技工院校教案首页课题:2-3 冲压教学目的要求:1.了解常见冲压设备2.掌握冲压的基本工序教学重点、难点:冲压的基本工序授课方法:讲授法、研讨法、视听法教学参考及教具(含多媒体教学设备):参考:《工程材料与机械制造基础》齐乐华主编;教具:多媒体授课执行情况及分析:板书设计或授课提纲教师活动内容学生活动内容时间二、冲压工序(一)分离工序1.落料及冲孔(统称冲裁)落料——落下部分为成品。
冲孔——落下部分为废品。
冲裁变形过程(1)弹性变形阶段(2)塑性变形阶段板料中的应力值达到屈服极限,板料金属产生塑性变形,产生硬化,凹凸模刃口处硬化加剧,出现裂纹。
(3)断裂分离阶段上下裂缝重合,板料分离。
分离面的质量主要和下列有关:a.间隙有关b.刃口锋利c.模具有关d.材料有关e. 板厚有关a)落料或冲孔b)落料c)冲孔2.切断指用剪刃或冲模将板料沿不封闭的轮廓进行分离的工序。
看视频文件,对定义进行详细理解。
通过动画、视频文件的演示,总结冲裁变形过程的三个阶段。
老师点评后,认真听讲并记笔记。
通过观察多媒体图片,分组讨论,采用对比法思考落料和冲孔的区别。
回答“落料和冲孔的区别”这一问题。
510教师活动内容学生活动内容时间剪切(二)成形工序1.拉伸⑴拉伸过程底部金属一般不变性,只起传递拉力作用,厚度基本不变,坯料外径D与内径d之间的环形部分金属切向受压应力的作用,形成拉深件的直壁,直壁的厚度有所减少。
拉伸弯形2.弯曲弯曲过程中,板料的内侧受压,外侧受拉,今拉应力超过抗拉强度时,金属破裂内万半径r越小越易破裂。
弯曲时尽量使弯曲线垂直于纤维,以免破裂。
3.翻边在带孔的平面料上用扩孔的办法获得凸缘的工序。
4.成型成型—利用局部变形使坯料或半成品改变形状的工序。
主要用于制造刚性的筋条,或增大半成品的部分内径。
由落料和冲孔进一步掌握切断的概念及其工艺过程。
看多媒体课件通过动画、视频文件的演示,理解成形工序并作记录。
结合生产实例进行每种成形方法讲解,便于学生掌握理解。
机械制造工艺学电子教案第一章:机械制造工艺学概述1.1 课程介绍了解机械制造工艺学的定义、内容、目的和意义。
理解机械制造工艺学在工程领域的应用。
1.2 机械制造工艺过程介绍机械制造工艺过程的基本概念。
理解工艺过程的分类和特点。
1.3 机械制造工艺参数学习工艺参数的定义和作用。
掌握主要工艺参数的计算和应用。
第二章:铸造工艺2.1 铸造工艺基础了解铸造工艺的定义、特点和应用。
学习铸造工艺的基本原理和过程。
2.2 铸造工艺参数掌握铸造工艺参数的定义和作用。
学习主要铸造工艺参数的计算和应用。
2.3 铸造工艺设计理解铸造工艺设计的意义和目的。
学习铸造工艺设计的步骤和方法。
第三章:金属塑性成形工艺3.1 金属塑性成形工艺基础了解金属塑性成形工艺的定义、特点和应用。
学习金属塑性成形工艺的基本原理和过程。
3.2 金属塑性成形工艺参数掌握金属塑性成形工艺参数的定义和作用。
学习主要金属塑性成形工艺参数的计算和应用。
3.3 金属塑性成形工艺设计理解金属塑性成形工艺设计的意义和目的。
学习金属塑性成形工艺设计的步骤和方法。
第四章:焊接工艺4.1 焊接工艺基础了解焊接工艺的定义、特点和应用。
学习焊接工艺的基本原理和过程。
4.2 焊接工艺参数掌握焊接工艺参数的定义和作用。
学习主要焊接工艺参数的计算和应用。
4.3 焊接工艺设计理解焊接工艺设计的意义和目的。
学习焊接工艺设计的步骤和方法。
第五章:机械加工工艺5.1 机械加工工艺基础了解机械加工工艺的定义、特点和应用。
学习机械加工工艺的基本原理和过程。
5.2 机械加工工艺参数掌握机械加工工艺参数的定义和作用。
学习主要机械加工工艺参数的计算和应用。
5.3 机械加工工艺设计理解机械加工工艺设计的意义和目的。
学习机械加工工艺设计的步骤和方法。
第六章:机械装配工艺6.1 机械装配工艺基础了解机械装配工艺的定义、特点和应用。
学习机械装配工艺的基本原理和过程。
6.2 装配工艺参数掌握装配工艺参数的定义和作用。
《机械制造技术实训》课程授课教案№37板拔贴第6个孔距处(两叉板间包含7个孔数),然后再紧固分度叉紧定螺钉。
使用时,在每次分度后必须顺着手柄转动方向拔动分度叉,以备下一次使用(图 7.60b )。
使用分度叉时,应特别注意孔数与孔距的关系。
(3)分度时的注意事项a.分度头中的蜗杆与蜗轮之间有间隙,因此分度手柄必须保持向一个方向转动。
这样可使蜗杆与蜗轮间隙消除,使分度准确。
b.当分度手柄将要摇到预定的孔时必须注意不要摇过,而要正好插入孔内。
如果摇过后就退回到预定孔内,则由于间隙缘故,使分度不准确,因此必须退回半转左右再重摇正。
为了避免摇过,可在将到预定孔前停下,用手轻拍手柄使定位销弹入孔内。
c.在每次分度之前,必须松开分度头侧面的主轴紧固手柄,分度完成以后再把它紧固,以防止分度头主轴在铣削过程中松动。
a )分度盘与分度叉的结构b )分度叉的使用图7.60 分度盘与分度叉的使用3.差动分度法(1)分度原理由于分度盘的孔圈是有限的,对于某些大质数的等分数,如79、83、89等不能用简单分度法分度。
此时,可利用挂轮将分度头主轴和侧轴联系起来,松开分度盘紧定螺钉,转动分度手柄,分度盘随着分度手柄以相同或相反的方向转动,分度手柄的实际转数是分度手柄相对分度盘的转数与分度盘本身转数之和。
FW125型分度头挂轮齿数有25、25、30、36、40、45、50、55、60、70、80、90、100共12只齿轮。
图7.61所示为差动分度的传动系统(图a )和挂轮的安装图(图b )(2)分度方法 以等分数Z =77为例a.选取假定等分数Z 0所取Z 0必须能进行简单分度,一般应取Z 0<Z ,这样分度盘转向就与分度手柄相反,能避免分度头传动间隙的影响,使分度均匀。
取Z 0=75<77。
b.根据Z 0计算分度手柄转数n 0n 0=040z =7540=3016(转),即每次分度,分度手柄在孔数为30的孔圈上转过16个孔距(分度叉之间包含17个孔数)。
《机械基础》教案全套第一章:机械概述1.1 教学目标了解机械的基本概念、分类和性能。
掌握机械的基本参数和常用单位。
理解机械的工作原理和应用领域。
1.2 教学内容机械的基本概念:机械的定义、特点和功能。
机械的分类:传动机械、执行机械、控制机械等。
机械的性能:强度、刚度、精度、可靠性等。
机械的基本参数:尺寸、形状、位置等。
常用单位:长度、质量、时间、力、能量等。
1.3 教学方法采用讲授法,讲解机械的基本概念、分类和性能。
利用实物展示、图片和视频等直观教学手段,帮助学生理解机械的工作原理和应用领域。
进行小组讨论,让学生探讨机械的基本参数和常用单位的重要性。
1.4 教学评估课堂问答:检查学生对机械的基本概念、分类和性能的理解。
课后作业:要求学生绘制一张机械的示意图,并简要说明其工作原理。
第二章:机械零件2.1 教学目标了解机械零件的基本概念和分类。
掌握常用机械零件的结构、功能和选型原则。
理解机械零件的配合关系和运动传递方式。
2.2 教学内容机械零件的基本概念:机械零件的定义和作用。
机械零件的分类:固定零件、传动零件、执行零件、控制零件等。
常用机械零件的结构:齿轮、轴承、联轴器、弹簧等。
机械零件的功能和选型原则:根据机械的工作条件和性能要求,选择合适的机械零件。
机械零件的配合关系:配合尺寸、配合类型和配合精度。
运动传递方式:齿轮传动、链传动、皮带传动等。
2.3 教学方法采用讲授法,讲解机械零件的基本概念和分类。
通过实物展示、图片和视频等直观教学手段,介绍常用机械零件的结构和功能。
进行实际操作,让学生了解机械零件的配合关系和运动传递方式。
2.4 教学评估课堂问答:检查学生对机械零件的基本概念和分类的理解。
课后作业:要求学生绘制一张常用机械零件的示意图,并简要说明其结构和功能。
第三章:机械传动3.1 教学目标了解机械传动的基本概念和分类。
掌握常用机械传动方式的工作原理和特点。
理解机械传动的设计和选型原则。
3.2 教学内容机械传动的基本概念:机械传动的定义和作用。
《机械制造工艺》课程期末复习题一、 填空题1、基准是用来确定生产对象上的几何要素间几何关系所依据的那些点,线,面。
主要有 设计基准 和 工艺基准 两大类。
2、热处理在机加工中的主要作用是提高工件力学性能、改善 切削加工性能 、消除 内应力 。
3、机械加工工序的安排原则: 基面先行 、 先粗后精 、 先面后孔 、次要面可穿插在各阶段间进行加工。
4、对圆柱齿轮传动精度的要求:主要有传递运动的 准确性 、传递运动的 平稳性 、及载荷分布的均匀性。
5、劳动定额一般用 时间 定额和 数量 定额来表示。
6、主轴回转运动的误差可分为端面圆跳动、 轴向窜动 、 角度摆动 。
7、表面质量中的几何特征,主要指表面粗糙度、 表面波度 、 纹理方向 、三方面。
8、生产类型主要有 单件小批量生产 、 中批生产 及大批大量生产三种。
9、组成机械加工工艺过程的基本单元是 工序 。
10、机械装配中,常用的装配方法有完全互换装配法、大数互换装配法、直接选择装配法 、复合选择装配法 、修配装配法。
11、机械加工的工艺过程是指采用 机械加工 的方法,直接改变毛坯的形状、尺寸、表面质量。
12、制定工艺规程前,应确定毛坯,即从材料性质 、 生产类型 、 现场条件三方面来考虑。
13、获得尺寸精度的方法,主要有试切法、调整法、 定尺寸刀具法及主动测量法,自动控制法。
14、背吃刀量ap 为平行于铣刀轴线测量的切削层尺寸,侧吃刀量ae为垂直于铣刀轴线测量的切削层尺寸。
15、最终热处理的作用是提高 材料硬度和强度 、预备热处理的作用主要为改善 切削性能 。
16、主轴回转运动的误差可分为端面圆跳动、 轴向窜动 、 角度摆动 。
17、生产类型主要有 单件小批生产 、 中批生产 及大批大量生产三种。
18、表面层物理力学性能,主要表现在表面层的加工硬化、 金相组织变化 、 残余应力 。
19、数控车削的主要加工对象为精度 及 表面粗糙度 要求高的回转体零件,形状复杂及带特殊的回转体零件。
机械制造技术电子教案教案一:机械制造工艺一、教学目标1.了解机械制造的定义和发展历程;2.掌握常见的机械制造工艺;3.能够运用机械制造工艺解决实际问题。
二、教学重点1.机械制造的定义和发展历程;2.常见的机械制造工艺。
三、教学内容1.机械制造的定义和发展历程(1)机械制造的定义(2)机械制造的发展历程2.常见的机械制造工艺(1)机械加工(2)锻造(3)焊接(4)涂装(5)铸造四、教学方法1.讲授法:通过课堂讲解,介绍机械制造的定义和发展历程,并详细讲解常见的机械制造工艺。
2.实例分析法:通过实例分析,让学生了解机械制造工艺在实际问题中的应用。
五、教学评价1.课堂参与度:学生是否积极参与课堂讨论。
2.学习效果:学生对机械制造工艺的理解和掌握程度。
3.实践能力:学生是否能够运用机械制造工艺解决实际问题。
教案二:机械制造CAD/CAM技术一、教学目标1.了解机械制造CAD/CAM技术的定义和发展历程;2.掌握常见的机械制造CAD/CAM软件的基本操作;3.能够利用机械制造CAD/CAM技术进行产品设计和制造。
二、教学重点1.机械制造CAD/CAM技术的定义和发展历程;2.常见的机械制造CAD/CAM软件的基本操作。
三、教学内容1.机械制造CAD/CAM技术的定义和发展历程(1)机械制造CAD/CAM技术的定义(2)机械制造CAD/CAM技术的发展历程2.常见的机械制造CAD/CAM软件的基本操作(1)AutoCAD(2)SolidWorks(3)Pro/ENGINEER(4)Mastercam四、教学方法1.讲授法:通过课堂讲解,介绍机械制造CAD/CAM技术的定义和发展历程,并详细讲解常见的机械制造CAD/CAM软件的基本操作。
2.实验操作法:在实验室或计算机实验室进行机械制造CAD/CAM软件的基本操作演示。
五、教学评价1.课堂参与度:学生是否积极参与课堂讨论和实验操作。
2.学习效果:学生对机械制造CAD/CAM技术的理解和掌握程度。
机械制造技术基础课程教案第一章:机械制造概述1.1 课程简介介绍机械制造技术的基础知识和课程目标。
强调机械制造在工程领域中的重要性。
1.2 机械制造的定义和分类解释机械制造的概念和过程。
讨论机械制造的分类和不同类型的制造过程。
1.3 机械制造的流程和步骤介绍机械制造的基本流程和步骤。
解释设计和加工过程中的关键环节。
1.4 机械制造技术的应用领域探讨机械制造技术在不同工程领域的应用。
强调机械制造技术在制造业中的广泛应用。
第二章:机械设计基础2.1 机械设计的基本原则和方法介绍机械设计的基本原则和目标。
解释机械设计的方法和步骤。
2.2 机械零件的设计和选材讨论机械零件的设计要求和考虑因素。
介绍选材的原则和常用材料的特点。
2.3 机械结构的设计和分析解释机械结构的设计要求和步骤。
探讨机械结构的分析和计算方法。
2.4 机械设计的实例分析分析典型的机械设计实例,如齿轮传动系统和联轴器。
强调机械设计的实际应用和重要性。
第三章:机械加工基础3.1 机械加工的定义和分类解释机械加工的概念和过程。
讨论机械加工的分类和不同类型的加工方法。
3.2 机械加工设备和工具介绍常用的机械加工设备和工具。
讨论机械加工设备的选择和使用注意事项。
3.3 机械加工工艺和参数选择解释机械加工工艺的概念和重要性。
探讨加工参数的选择和优化方法。
3.4 机械加工质量和精度控制讨论机械加工质量和精度的重要性。
介绍常用的质量控制方法和精度测量工具。
第四章:金属切削加工4.1 金属切削加工的基本概念解释金属切削加工的定义和过程。
讨论金属切削加工的分类和特点。
4.2 金属切削刀具和机床介绍常用的金属切削刀具和机床。
讨论刀具的选择和使用注意事项。
4.3 金属切削加工参数的选择解释金属切削加工参数的概念和重要性。
探讨加工参数的选择和优化方法。
4.4 金属切削加工质量和精度控制讨论金属切削加工质量和精度的重要性。
介绍常用的质量控制方法和精度测量工具。
第五章:机械装配基础5.1 机械装配的定义和目的解释机械装配的概念和目的。
《机械制造技术基础》复习题一名词解释退火(P29)淬火(P30)调质处理(P31)工序(P66)工步(P67)经济加工粕度(P79)吋间定额(P94)二填空题1.切削用量三要素是指:______ 、_______ 和_______________ .2.热处理工艺由:_________ 、________ 和__________ 三个阶段组成。
3.热处理根据目的和工序位置的不同,可将其分为预先热处理和最终热处理两人类。
预先热处理包括_______ 、 ______ 和__________ 等,安排在____ Z后,_______ Z前。
4.碳索结构钢牌号Q235A屮,235代表屈服点数值,A代表质最等级。
铸铁牌号QT400_10屮,QT代表______ , 400代表 __________ , 10代表__________________ o5.铸铁牌号HT200屮,HT代表 __________ , 200代表 ________________ 。
6.45钢屈_________ 钢,这类钢经__________ 后具有良好的综合力学性能,常用于制造承受较大交变载荷与冲击载荷的机械零件。
铸铁牌号QT400—10屮, QT代表________ , 400代表___________ , 10代表_______________________ o 7.机床型号X6132屮,X代表________ ,6代表__________ , 1代表________ ,32代表________________________ o8.车刀按其结构可分为 _________________ 、___________ 、______________ 、和___________ O9.塑料按使用范围分,可分为 ________ 和_______ ;按树脂热性能來分,可分为_________ 塑料和 ____________ 塑料。
机械制造工艺基础复习题机械制造工艺基础复习试题一、填空题1、_____ 是应用广泛的工程材料。
2、在制造业种所采用的主要加工方法就是机械制造()。
3、下列属于金属热加工职业(工种)的是()A、钳工B、锻压工C、车工D、铣工4、按生产方法不同,铸造可分为__________ 和两大类。
5、铸件的质量包括__ 质量、 ___ 质量和—质量。
5、铸件的力学性能特别是冲击韧度低,但铸件质量很稳定。
()6.、由于铸造易产生缺陷,性能不高,因此多用于制造承受应力不大的工件。
()7下列不属于特种制造的是()A.压力铸造B.金属型铸造C.砂型铸造D.熔模铸造8、芯盒的内腔与型芯的形状和尺寸不同。
()9、三箱造型主要适用于具有三个分型面的铸件的单位或小批量生产。
()10、在铸件中,型芯形成铸件内部的空穴。
()11、机器造型是指用机器全部完成或至少完成紧砂操作的造型工序。
()12、芯盒的内腔与型芯()A.形状和尺寸相同B.形状相同,尺寸不同C. 形状和尺寸都不同13、造成铸件表面粘砂,使铸件表面粗糙不易加工的原因是型砂和芯砂()A、透气性不好B、退让性差C、耐火性差D、强度不够14、在生产中,常选用铸铁,碳素钢或低合金钢作为铸型资料。
()15、压力铸造主要由压轴机来实现,离心铸造在离心机上进行铸造。
()15、冲压的基本工序主要有__________ 工序和工序。
16、压力铸造的主要特点由()A •可铸造形状复杂的薄壁铸件 B.可铸造重型铸件C •适用于单件、小批量生产 D.铸件尺寸精度高、形位误差小仃、锻压能改善金属的内部组织,提高金属的力学能力。
()仃、—和—是应用最为普遍的压力加工方法。
18、锻压既能改变工件的形状,又能改变金属内部组织结构。
()19、所有金属锻造前都需要加热。
()20、出现断裂现象,可能是因终锻温度过低。
()21、金属的塑性越好,其可锻性越好。
()22、模锻与胎膜锻相比具有模具结构简单、易于制造的特点。
授课主要内容或板书设计艺基础》教案储开生2008-2009第二学期课堂教学安排2艺基础》教案储开生2008-2009第二学期3艺基础》教案储开生2008-2009第二学期课堂教学安排4艺基础》教案储开生2008-2009第二学期课堂教学安排5艺基础》教案储开生2008-2009第二学期6艺基础》教案储开生2008-2009第二学期7艺基础》教案储开生2008-2009第二学期授课主要内容或板书设计8艺基础》教案储开生2008-2009第二学期9艺基础》教案储开生2008-2009第二学期课堂教学安排10艺基础》教案储开生2008-2009第二学期课堂教学安排艺基础》教案储开生2008-2009第二学期课堂教学安排艺基础》教案储开生2008-2009第二学期艺基础》教案储开生2008-2009第二学期课堂教学安排艺基础》教案储开生2008-2009第二学期艺基础》教案储开生2008-2009第二学期授课主要内容或板书设计艺基础》教案储开生2008-2009第二学期课堂教学艺基础》教案储开生2008-2009第二学期安排艺基础》教案储开生2008-2009第二学期课堂教学安排艺基础》教案储开生2008-2009第二学期课堂教学安排艺基础》教案储开生2008-2009第二学期艺基础》教案储开生2008-2009第二学期学安排课堂教艺基础》教案储开生2008-2009第二学期艺基础》教案储开生2008-2009第二学期授课主要内容或板书设计艺基础》教案储开生2008-2009第二学期艺基础》教案储开生2008-2009第二学期课堂教学安排艺基础》教案储开生2008-2009第二学期课堂教学安排艺基础》教案储开生2008-2009第二学期课堂教学安排艺基础》教案储开生2008-2009第二学期艺基础》教案储开生2008-2009第二学期课堂教学安排艺基础》教案储开生2008-2009第二学期艺基础》教案储开生2008-2009第二学期授课主要内容或板书设计艺基础》教案储开生2008-2009第二学期课堂教学艺基础》教案储开生2008-2009第二学期安排艺基础》教案储开生2008-2009第二学期课堂教学安排艺基础》教案储开生2008-2009第二学期课堂教学安排艺基础》教案储开生2008-2009第二学期课堂教学安排艺基础》教案储开生2008-2009第二学期艺基础》教案储开生2008-2009第二学期艺基础》教案储开生2008-2009第二学期授课主要内容或板书设计艺基础》教案储开生2008-2009第二学期课堂教学艺基础》教案储开生2008-2009第二学期安排艺基础》教案储开生2008-2009第二学期课堂教学安排艺基础》教案储开生2008-2009第二学期课堂教学安排艺基础》教案储开生2008-2009第二学期艺基础》教案储开生2008-2009第二学期艺基础》教案储开生2008-2009第二学期授课主要内容或板书设计艺基础》教案储开生2008-2009第二学期课堂教学安排艺基础》教案储开生2008-2009第二学期艺基础》教案储开生2008-2009第二学期课堂教学安排。
第7章练习题一、是非题1、零件的切削加工工艺性反映的是零件切削加工的难易程度。
(√)2、零件的结构工艺性是衡量零件结构设计优劣的指标之一。
(√)3、在单件小批生产中一般采用机械加工艺过程卡片指导生产。
(√)4、定位基准属于工艺设计过程中所使用的一种基准,因此属于设计基准。
(×)5、粗基准是粗加工所使用的基准,精基准是精加工所使用的基准。
(×)6、经济精度指的是在正常工艺条件下,某种加工方法所能够达到的精度。
(√)7、加工顺序的安排仅指安排切削加工的顺序。
(×)8、单件小批生产中倾向于采用工序集中的原则。
(√)9、退火等热处理工序一般安排在半精加工之后、精加工之前进行。
(×)10、箱体类零件的精基准及定位方式一般采用一面两销。
(√)11、热处理前已加工好的中心孔,热处理后必须研磨,以保证定位精度。
(√)12、粗基准是粗加工所使用的基准,精基准是精加工所使用的基准。
(×)13、变速箱体上的Φ50H7Ra0.8μm轴承孔,采用下列方案:钻—扩—粗磨—精磨。
(×)14、在多品种小批量生产中,一般倾向于使用工序分散的原则。
(×)15、有色金属的精加工适合车削和铣削而不适合磨削。
(√)二、选择题1、下面关于零件结构工艺性论述不正确的是(D )A.零件结构工艺性具有合理性 B 零件结构工艺性具有综合性C:零件结构工艺性具有相对性D零件结构工艺性具有正确性2、零件加工时,粗基准一般选择(A)A 工件的毛坯面B工件的已加工表面C 工件的过渡表面D工件的待加工表面3、下面对粗基准论述正确的是(C)A 粗基准是第一道工序所使用的基准B粗基准一般只能使用一次C 粗基准一定是零件上的不加工表面D粗基准是一种定位基准4、自为基准是以加工面本身为基准,多用于精加工或光整加工工序,这是由于(C)A 符合基准重合原则B符合基准统一原则C 保证加工面的余量小而均匀D保证加工面的形状和位置精度5、工艺设计的原始资料中不包括(D)A零件图及必要的装配图B零件生产纲领C工厂的生产条件D机械加工工艺规程6、下面(C )包括工序简图。
A机械加工工艺过程卡片B机械加工工艺卡片B机械加工工序卡片D机械加工艺卡片和机械加工工序卡片7、淬火一般安排在(B)。
A毛坯制造之后B磨削加工之前C粗加工之后D磨削加工之后8、下面关于检验工序安排不合理的是(A)A每道工序前后B粗加工阶段结束时C重要工序前后D加工完成时9、下面(B)情况需按工序分散来安排生产。
A重型零件加工时B工件的形状复杂,刚性差而技术要求高C加工质量要求不高时D工件刚性大,毛坯质量好,加工余量小10、车床主轴轴颈和锥孔的同轴度要求很高,因此常采用(D)方法来保证。
A基准统一B基准重合C自为基准D互为基准11、退火处理一般安排在(A)A毛坯制造之后B粗加工之后C半精加工之后D精加工之后12、车床主轴轴颈和轴颈面之间的垂直度要求很高,因此常采用( C )方法来保证。
A自为基准B基准重合C基准统一D互为基准三、填空题1、确定零件加工工艺方案的一般原则包括质量第一、效益优先、效率争先。
2、基准重合是指设计基准和定位基准重合。
3、设计基准指的是设计图样时所采用的基准。
4、工艺基准一般包括有定位基准、工序基准、测量基准、装配基准四种。
5、常见的毛坯种类有铸件,锻压件,焊接件,型材,标准件等。
6、切削加工顺序安排原则有基准先行、先面后孔、先主后次、先粗后精。
7、工序分散指的是将零件的加工内容分散在较多工序中完成;工序集中指的是将零件的加工内容集中在几道工序中完成。
8、常见的辅助工序除检验外,还有(至少列出三种)去毛刺,倒棱,校直,清洗等。
9、大批量生产中常用的工艺文件有机械加工工艺卡片和机械加工工序卡片。
10、机械加工工艺过程指的是直接参与改变工件尺寸、形状、精度、表面质量及性能的那部分生产过程。
四、简答题1、零件图的工艺分析通常包括哪些内宾?工艺分析有何作用?答:零件图的工艺分析包括:⑴了解产品的工作原理和主要性能、明确零件在机器中的安装位置及作用;⑵分析零件图上主要表面的尺寸公差和技术要求,明确主要技术条件的合理性及关键性技术问题。
⑶审查零件的结构工艺性;⑷检查零件图的完整性(尺寸、视图、技术条件等)零件图的工艺分析是制订工艺规程的准备工作,着重了解、分析设计对象,为工艺设计打下基础。
工艺审查中可对不合理的设计提出修改意见,会同有关设计部门共同研究,按规定手续进行必要的修改。
2、毛坯选择和机械加工有何关系?试举例说明之。
答:正确的选择毛坯种类和质量与机械加工有密切关系。
若毛坯质量高,则机械加工的工序数量少,加工工时少,可节约材料、降低成本,而且零件的加工质量也有保证。
但毛坯质量高往往需要用较复杂的毛坯工艺和昂贵的设备,增加工了毛坯成本。
因此应根据生产类型和具体生产条件决定,正确处理两者的矛盾。
3、粗基准选择的原则有哪些?答:⑴重要表面原则⑵非加工表面原则⑶最小加工余量原则⑷不重使用原则⑸尽可能选用大而平整的表面原则。
4、指出下图中零件结构工艺性不合理的地方,并提出改进建议。
答:a)图底面面积较大,加工面积大,从而加工量大且不易保证加工质量,建议在底面开一通槽以减少加工面的尺寸。
b)图中孔的位置距直壁尺寸太小,钻孔时刀具无法切入,故应增大其距离。
c)图键槽与退刀槽尺寸不一致,加工需多次换刀,建议采用相同尺寸参数。
d)图缺少退刀槽,建议在其中增加退刀槽。
a) b) c) d)五、综合题1、下图所示为箱体的零件图及工序图,试在图中标出:⑴平面2的设计基准,定位基准及测量基准;⑵镗孔4的设计基准,定位基准及测量基准。
2、如图所示一批小轴零件,部分加工过程如下:⑴半精车端面A 、B ,保证两者之间的尺寸为A1=25.006.49+mm ;⑵调头,以A 面为基准精车端面C ,保证总长度A2= 05.002.080--mm ;⑶热处理;⑷以C 面为基准磨端面B ,保证尺寸A3=015.030-mm 。
试校核端面B 的磨削余量是否合适?若不合适,应如何调整?2、⑴列出尺寸链如图;⑵判断各环性质:Z为封闭环,A2为增环,A1 、A3为减环⑶计算:Z=80-49.6-30=0.4 ;ES Z=-0.05-0-(-0.15)=0.1 ;EI Z=-0.2-0.25-0=-0.45 ;⑷分析:最小余量小于零,需要调整。
A2 、A3为设计尺寸,保持不变。
若令最小余量为0.1mm,将工艺尺寸A1改为49.6+0.1,此时Z=0.41.03.0+-。
第7章练习题参考答案一、是非题1、√2、√3、√4、×5、×6、√7、×8、√9、×10、√11、√12、×13、×14、×15、√二、选择题1、D2、A3、C4、C5、D6、C7、B8、A9、B 10、D11、A 12、C三、填空题1、质量第一,效益优先,效率争先2、设计,定位3、设计图样时所采用的基准4、定位基准,工序基准,测量基准,装配基准5、铸件,锻压件,焊接件,型材,标准件等6、先面后孔,先主后次,先粗后精7、将零件的加工内容分散在较多工序中完成,将零件的加工内容集中在几道工序中完成8、去毛刺,倒棱,校直,清洗等9、机械加工工艺卡片,机械加工工序卡片10、直接参与改变工件尺寸、形状、精度、表面质量及性能的那部分生产过程四、简答题1、答:零件图的工艺分析包括:⑴了解产品的工作原理和主要性能、明确零件在机器中的安装位置及作用;⑵分析零件图上主要表面的尺寸公差和技术要求,明确主要技术条件的合理性及关键性技术问题。
⑶审查零件的结构工艺性;⑷检查零件图的完整性(尺寸、视图、技术条件等)零件图的工艺分析是制订工艺规程的准备工作,着重了解、分析设计对象,为工艺设计打下基础。
工艺审查中可对不合理的设计提出修改意见,会同有关设计部门共同研究,按规定手续进行必要的修改。
2、答:正确的选择毛坯种类和质量与机械加工有密切关系。
若毛坯质量高,则机械加工的工序数量少,加工工时少,可节约材料、降低成本,而且零件的加工质量也有保证。
但毛坯质量高往往需要用较复杂的毛坯工艺和昂贵的设备,增加工了毛坯成本。
因此应根据生产类型和具体生产条件决定,正确处理两者的矛盾。
3、答:⑴重要表面原则⑵非加工表面原则⑶最小加工余量原则⑷不重使用原则⑸尽可能选用大而平整的表面原则。
4、答:a)图底面面积较大,加工面积大,从而加工量大且不易保证加工质量,建议在底面开一通槽以减少加工面的尺寸。
b)图中孔的位置距直壁尺寸太小,钻孔时刀具无法切入,故应增大其距离。
c)图键槽与退刀槽尺寸不一致,加工需多次换刀,建议采用相同尺寸参数。
d)图缺少退刀槽,建议在其中增加退刀槽。
五、综合题1、2、⑴列出尺寸链如图;⑵判断各环性质:Z为封闭环,A2为增环,A1 、A3为减环⑶计算:Z=80-49.6-30=0.4 ;ES Z=-0.05-0-(-0.15)=0.1 ;EI Z=-0.2-0.25-0=-0.45 ;⑷分析:最小余量小于零,需要调整。
A2 、A3为设计尺寸,保持不变。
若令最小余量为0.1mm,将工艺尺寸A1改为49.6+0.1,此时Z=0.41.03.0+ -。