2017年民工工资统计表
- 格式:doc
- 大小:81.00 KB
- 文档页数:2
2017年工资统计报表讲解讲解人:乌鲁木齐市人力资源和社会保障局工资福利处关勇2017年1月第一讲:目的、内容、范围主要目的:了解、掌握机关、事业单位工作人员工资及离休人员待遇情况,为制定工资政策提供决策依据。
主要内容:机关、事业单位年平均人数、职工工资总额、年平均工资、基本工资、绩效工资、津贴补贴、奖金、年离休费、基本离休费等情况。
工资统计的范围是机关、事业单位所涉及到的各类法人单位的在编在册所有职工。
共设计调查表32张。
第二讲:工资统计报表的主要指标人社统RW1-32号各类指标详解:1.单位个数:是指填报本报表的机关法人和事业法人单位的个数。
2.职工年末人数:指年末最后一天的实际人数。
已经招用但到年末尚未报到的人员和尚未用完的进人指标,不得作为年末人数统计。
3.正式职工:指在机关、事业单位中,经国家有关部门分配、安排或批准招收录用的职工。
正式职工是单位全部职工中的其中项。
4.职工年平均人数:是指报告年内每天平均拥有的人数。
职工年平均人数计算方法是:以12个月的平均人数(月平均人数是以报告月内每天实有的全部人数之和,被报告月的日历天数除求得)之和被12除求得,或四个季度平均人数之和被4除求得。
5.工资总额:指各单位在一定时期内直接支付给本单位全部职工的劳动报酬总额。
机关工作人员工资总额包括公务员的职务工资、级别工资,机关技术工人的岗位工资、技术等级(职务)工资和普通工人的岗位工资,以及艰苦边远地区津贴、岗位津贴、其他津贴补贴和奖金等。
事业单位工作人员的工资总额包括岗位工资、薪级工资、绩效工资和津贴补贴等。
公务员工资制度和事业单位收入分配制度改革前各单位实际支付的工资总额仍按照上年度的指标解释进行填报。
各单位在统计工资总额时,应按实发数计算。
在实际操作中,要注意工资总额不包括的项目有:(1)根据国务院有关规定颁发的创造发明奖、国家星火奖、自然科学奖、科学技术进步奖和支付的合理化建议和技术改进奖以及支付给运动员在重大体育比赛中的重奖。
单位盖章:
从业人员及工资总额年报表
组织机构代码□□□□□□□□-□表号:I 102-2表
统一社会信用代码□□□□□□□□□□□□□□□□□□制定机关:国家统计局
文号:国统字(2017)157号
单位详细名称: 2017年年报有效期至:2 0 1 8 年 6 月
补充资料:(1)本表数据包含的单位数(52)_______个
(2)单位直接管理的劳务外包人员(48) 人
单位负责人:统计负责人:填表人:联系电话:报出日期:20年月日说明:1、报送时间:2017年1月6日前,报送到单位所在地街道(镇)统计办一份。
2、联系电话:石湾镇街道统计办:8331097
3、祖庙街道统计办:82733280、张槎街道统计办:82501081
南庄镇统计办:85391466、区发展规划和统计局:82341019
3、本表由辖区内全部独立核算的企业、事业和机关单位填报。
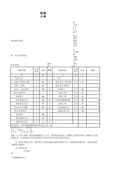
从业人员及工资总额
表 号:I 1 0 2 - 2表
组织机构代码:制定机关:湖南省统计局
统一社会信用代码:文 号:湘统(2017)52号
单位名称:2017年有效期至:2018 年 6 月
单位负责人: 统计负责人: 填表人: 联系电话: 报出日期:201年月日
说明:1、统计范围:辖区内除规模以上工业、有资质的建筑业、限额以上批发零售业、限额以上住宿
和餐饮业、全部房地产开发经营业法人单位以外的全部非私营业单位。
2、报送日期及方式:调查单位于季度末20日前报送县统计局,第四季度不报本表,改报年报表
(表格另行通知)。
3、审核关系:
(1)01≥02 (2)01≥03 (3)01=05+06+07 (4)08=09+10+11 (5)12=13+18+19 (6)13=14+15+16+17
-
(3)01=05+06+07
(6)13=14+15+16+17。