02(改动)纯化水岗位标准操作规程
- 格式:doc
- 大小:61.50 KB
- 文档页数:5
纯化水设备标准操作规程目的建立纯化水设备标准操作规程,使操作规范化、标准化。
范围纯化水设备责任操作工、设备部内容1 操作名称:纯化水设备标准操作规程2 编制依据:设备使用说明书、源程序结构图、电气原程图3 操作范围及条件范围:纯化水生产、贮存和循环输送对象:生活饮用水目的:将生活饮用水制成工艺用纯化水4 操作程序4.1 纯化水系统概述4.1.1 系统组成:原水箱、原水泵、机构过滤器、活性炭过滤器、软水器、盐洗箱、过滤水箱、过滤水泵、双级反渗透器、中间水箱,加药装置、中间水泵、纯水箱、纯水泵、酸洗装置、紫外线杀菌器、循环回路管道、保安滤器4.1.2 系统流程原理图:4.1.3 设备出厂设定:软水器再生周期出厂设定后不再变动;药液配制按厂方提供方法、公式、计算;4.2 操作程序4.2.1 打开电气控制柜门,合上总电源空气开关,关好电气控制柜门,电气控制柜显示面板,各显示灯显示,系统状态。
4.2.2 手动操作过程:点按手动控制按键,手控指示灯亮。
4.2.2.1 点按任意一个原水泵起动按钮,相应原水泵起动,运行指示灯亮,逐渐打开相应其泵后出水阀,使流量和压力缓慢升高至需要值。
4.2.2.2 待过滤水箱液位超过中位后,点按过滤水泵按键,运行指示灯亮,加药装置,一级反渗透器自动启动工作。
4.2.2.3 待中间水箱液位超过中位后点按中间水泵,启动按键,运行指示灯亮,加药装置,二级反渗透器自动启动工作,待二级电导率值低于1.00μs/cm时,打开淡水出水阀,关闭淡水排放阀。
4.2.2.4 待纯水箱液位超过中位后,点按纯水泵启动按键运行,指示灯亮紫外线杀菌器自动工作,逐渐打开纯水泵泵后出水阀,使纯化水循环压力,保持在0.1-0.3Mpa之间。
4.2.3 自动操作过程:点按自动控制按键,自动控制指示灯亮。
4.2.3.1 系统根据实际测得液位、压力,情况全自动工作,人工辅助打开,原水泵泵后出水阀,调节流量和压力。
4.2.3.2 人工辅助淡水出水阀打开,在电导率合格(小于1.00μs/cm)后打开淡水出水阀,关闭,淡水排放阀。
纯化水系统标准操作规程【目的】规范和指导本车间纯化水系统的日常运行和操作,以保证纯化水系统的正常运行。
【范围】适用于本车间纯化水系统的日常运行及操作,记录及报警故障处理。
【职责】1纯化水系统使用人员负责机器的日常操作。
2维修人员负责机器的故障处理。
3车间管理人员和现场监控QA负责检查本规程的执行。
【内容】1说明1.1系统概述原水箱中的饮用水,经原水泵进入石英砂过滤器、活性炭过滤器、加药装置进行预处理;然后经保安过滤器进入一级RO,制备出的中间水进入中间水储罐;接着再进入二级反渗透,制备出纯化水;纯化水经纯化水分配系统后,供给各使用点。
1.2设备流程板式换热器饮用水石英砂阻垢剂活性炭过滤器5um精密过滤器二级反渗透中间水罐一级反渗透纯化水罐纯化水分配系统使用点双管换热器第1页共5页1.3通用操作1.3.1操作人员经培训合格才能操作该设备;1.3.2定期进行反冲洗,保持管路畅通;1.3.3纯化水泵禁止干运转,防止机械密封损坏;1.3.4RO膜严禁缺水,在停产时每日要开机运行1-2小时;1.3.5RO严禁超压运行,RO的出口阀门要保证一定的开启度;1.3.6每次工作完毕后,应保持反渗透膜湿润;1.3.7冬季注意保暖,机组的室内温度不得<4℃;1.3.8制水过程操作人员不得长时间离开机组。
密切注意出水质量和供水情况。
1.4系统访问1.4.1系统访问级别设置为操作员、工艺员、管理员3个级别。
1.4.2管理员在工厂预先设置好操作程序。
1.4.3系统状态1.4.3.1模式选择:分为自动、手动两种运行模式。
手动模式只有在调试和处理故障时才允许使用。
1.4.3.2报警确认:所有警报在PLC中产生并储存。
2系统正常运行2.1运行前的检查与准备2.1.1开机前充分冲洗前处理部分,去除杂质和其它污染物以避免污水进入膜元件。
2.1.2打开原水箱的供水阀使原水自动注满原水箱。
2.1.3打开保安过滤器的排气阀直至有原水喷出即关闭。
1. 目的
建立标准的纯化水系统操作规程,确保纯化水系统持续、稳定生产出符合标准,适合产品生产要求的工艺用水。
2. 范围
生产车间纯化水系统的操作。
3.职责
3.1设备管理员按本规程操作。
3.2质量监督员监督本文件执行。
4.内容
4.1纯化水设备制水步骤
查看纯水箱的纯化水是否排干,排水阀门是否关闭→查看各装置运行状态→打开电源开关,状态标示牌转到“运行”→“手动/停/自动”开关调到手动状态→依次打开增压泵、一级泵、二级泵、PH泵、EDI泵、EDI电源→观察各压力表参数是否正常→当设备产水稳定以后,可让纯化水系统进行自动产水→迅速依次关闭EDI电源、EDI泵、PH泵、二级泵、一级泵、增压泵,“手动/停/自动”开关调到自动状态,设备自动制水,填写《纯化水设备运行记录》→产水结束后设备若处于自动状态将“手动/停/自动”开关调到停;若处于手动状态,依次关闭EDI电源、EDI泵、PH泵、二级泵、一级泵、增压泵,然后将“手动/停/自动”开关调到停。
4.2 用水点供水操作步骤
当纯水箱液位计达到1/2以上时,打开紫外灯开关,填写《紫外灯使用记录》,开启循环泵→循环一段时间后,观察纯化水是否循环至纯水箱→用水结束后关闭循环泵和紫外灯,填写《紫外灯使用记录》,关闭制水参照纯化水设备制水步骤→关闭电源开关,状态标示牌转到完好→打开纯水箱排水阀门→填写《纯化水系统运行记录》→通知相关人员将洁净区循环管道的纯化水排干,用专用抹布把各个水槽的水擦干净。
5. 支持文件
5.1 《设备管理制度》
6.相关记录
6.1 《纯化水设备运行记录》
6.2 《紫外灯使用记录》。
纯化水微生物限度标准
操作规程
The manuscript was revised on the evening of 2021
1.目的:建立一个纯化水微生物限度检测方法的标准操作规程。
2. 适用范围:适用于纯化水的微生物限度检测。
3. 责任者:微生物限度检测人员。
4. 操作规程:
本操作过程应在无菌环境下进行,操作前用紫外光灯照射30分钟以上进行灭菌。
将待测纯化水样品、培养基及其他所需用具放入无菌室中。
纯化水稀释:
取6支已灭菌的试管,分别加入9ml无菌水,并按10-1~10-6的顺序编号。
用移液枪吸取1ml纯化水样品,注入10-1倍稀释的试管中。
用移液枪吹吸三次,使纯化水样品与无菌水水充分混匀。
从10-1倍稀释的试管中吸取1ml稀释液,注入10-2倍稀释的试管中,重复第2步的混匀操作。
依次类推,直达完成最后一支试管的稀释。
涂布平板操作:
将涂布器浸在盛有酒精的烧杯中。
取100μl稀释液,滴加到培养基表面;
将沾有少量酒精的涂布器在火焰上引燃,待酒精燃尽后,冷却8~10s;
用涂布器将稀释液均匀地涂布在培养基表面。
涂布时可转动培养皿,使涂布均匀。
按上述方法依次将10-1~10-6的稀释液涂布于平板上,每个稀释度的样品涂布两个平板。
将涂布好的培养基置于36±℃培养箱中培养,连续培养3~5天。
培养3~5天后对所有培养基进行菌落计数。
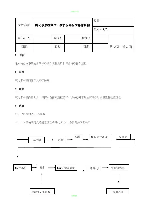
1 目的建立纯化水系统使用的标准操作规程及维护保养标准操作规程。
2 范围纯化水系统的操作及维护保养。
3 职责纯化水系统操作人员、维护人员按本规程操作,设备办对本规程有效执行承担监督检查责任。
4 内容4.1 纯化水系统工作流程4.1.1 本系统采用反渗透系统生产纯化水,其工作流程如下图表示4.1.2 水质要求4.2 标准操作规程4.2.1 打开原水进水按钮,观察原水罐中是否有半桶以上的水,如果没有达到半桶以上,待其水位达到后,在进行下面操作4.2.2 检查砂罐是否按照要求进行定期反洗(三天/次)。
4.2.3 检查炭罐是否按照要求进行定期反洗(三天/次)。
4.2.4检查混床是否按照要求进行定期维护(每周/次),将混床的“上进水”开,“下排水”开。
4.2.5制水前,检查各阀门的位置、管道是否正常,确定无异常后可以两种方案开启纯水系统:4.2.5.1将纯化水机开关钮(自动/停止/手动)调节至“自动”状态,纯水机自动运行。
4.2.5.2将纯化水机开关钮(自动/停止/手动)调节至“手动”状态,开启原水泵启动按钮、一级高压泵启动按钮、二级高压泵启动按钮。
4.2.6观察仪器上RO电导率的变化情况,直至电导率到达10μs/cm以下,数值稳定后,计时10min.时间到后关闭中转水箱下排水。
当RO电导率大于10μs/cm需更换反渗透膜;4.2.7在RO水位超过1/3时,开启EDI启动按钮。
观察仪器上EDI电导率的变化情况,直至电导率到达3μs/cm以下,数值稳定后,计时10min.时间到后关闭中转水箱下排水。
当RO电导率大于3μs/cm需更换反渗透膜;4.2.8观察压力表和流量计是否在合格范围内序号名称适用范围备注1一级进膜压力表9-13mpa1>进膜压力-浓水压力值须在0.5-1.0之间2>当进膜压力-浓水压力值在1.5-3.0之间需2一级浓水压力表9-13mpa考虑清洗更换膜3二级进膜压力表≤0.6mpa4二级浓水压力表≤0.4mpa5一级浓水流量计≧13L/min6一级产水流量计≧26L/min≧二级产水+二级浓水总和7二级浓水流量计≧9L/min≤一级浓水流量8二级产水流量计≤17L/min≤一级产水流量文件名称纯化水系统操作、维护保养标准操作规程编码:4.2.9待各压力表流量计在合格范围中时,开启一级高压泵和二级高压泵,进入RO 产水箱。
纯化水系统操作规程1.目的:建立纯化水系统操作规程,规范纯化水系统运行操作。
2.范围:适用于FSJ42R-2XB-2型纯化水机的操作。
3.职责:纯化水岗位的员工对本规程的实施负责。
4.程序:4.1使用前先确认水电供应正常,原水箱有适量水位,所有阀门已关闭,打纯化水系统配电箱电源。
4.2石英砂过滤器的冲洗4.2.1开启原水箱出水阀=F14.2.2反洗打开Fs2、Fs3,“原水泵”启动,反洗时间为10分钟后。
4.2.3正洗关闭Fs2、Fs3打开Fs1、Fs4,正洗时间为5 分钟后。
4.3活性炭过滤器的冲洗4.3.1反洗打开Ft2、Ft3,关闭Fs4,反洗时间为10 分钟后。
4.3.2正洗打开Ft1、Ft4,关闭Ft2、Ft3,正洗时间为 5 分钟后。
4.4反渗透系统的操作4.4.1排气4.4.1.1微开F3,全开Fm1和Fm2再打开Ft5,关闭Ft4.4.4.1.2打开精滤排气阀排气,当排气阀有水外溢时,即打开一级泵排气阀,关闭精滤排气阀,当一级泵排气阀有水外溢时,即完成各级排气工作,RO主机即可进入正常状态,关闭一级泵排气阀,打开一级浓水排放阀与一级淡水排放阀。
4.4.2启动一级泵,使水进入一级反渗透。
4.4.2.1调节F3对膜进行低压冲洗,此时观察膜前压是否正常,正常范围为0.1~0.5MPa4.4.2.2低压冲洗5-10分钟后,一级电导率在10μs/cm以下,缓慢调节一级浓水调节阀Fm1,此时需注意RO装置的膜前压(正常范围0.5~1.0MPa)、膜后压(正常范围0.3~1.0MPa)、膜前膜后压的压力差(正常范围≤0.3 MPa),产水流量和浓水流量的比例(正常范围≤65%)等,并进行相应调整。
电导率稳定后全开一级淡水调节阀、关闭一级淡水排放阀,开始向一级水箱注入一级淡水。
4.4.2.3调节一级反渗透出水在60-70LPM,浓水在25 LPM,产率在60%左右。
当淡水箱中水位达到中位时微开淡水出水阀F4,全开Fm3和Fm4打开二级浓水排放阀与二级淡水排放阀,打开二级泵排气阀对二级泵进行排气,当排气阀有水外溢时,关闭排气阀,可以启动二级泵。
纯化水系统的操作、维护、保养规程1、目的建立纯化水岗位标准操作规程,是设备安全正常运转,满足生产工艺用水要求。
2、范围适用于WT-2000一级反渗透纯化水系统。
3、工艺流程原水→机械过滤器→活性炭过滤器→精密过滤器→反渗透系统→紫外线杀菌装置→中间水箱→混合离子交换器1→混合离子交换器2→超滤装置→加热水箱(→冷水箱→紫外线杀菌装置→微孔过滤器)→各用水点4、系统运行和操作4.1 检查检查各水箱里的存水,各系统的阀门开闭状态,在确定没有问题和隐患的情况下进行以下制水的操作。
4.2 预处理系统操作前的准备打开反渗透主机电源,反渗透装置操作面板上的手/自动转换开关应置于手动位置。
4.2.1 机械过滤器的操作正洗先开启进水阀、下排阀和排气阀,然后开启原水泵。
待排气阀有水溢出后,关闭排气阀,正洗约2 min,准备进入反洗。
反洗先开启反洗阀、上排阀,然后关闭进水阀、下排阀,反洗约10 min,再次进入正洗。
正洗先开启进水阀、下排阀,再关闭反洗阀、上排阀,正洗约1-2 min,准备进入活性炭过滤器的操作。
4.2.2 活性炭过滤器的操作(与机械过滤器的操作相同)正洗先开启活性炭过滤器的进水阀、下排阀和排气阀,紧接着关闭机械过滤器的下排阀,水经机械过滤器进入到活性炭过滤器。
待排气阀有水溢出,关闭排气阀,正洗约2 min,准备进入反洗。
反洗先开启反洗阀、上排阀,然后关闭进水阀、下排阀,反洗约10 min,再次进入正洗。
正洗先开启进水阀、下排阀,再关闭反洗阀、上排阀,正洗约1-2 min,准备进入正常制水。
4.3 反渗透系统的运行4.3.1 检查检查反渗透系统的各个阀门开闭状态:高压泵出水阀不是全开的,流量调节阀是开启的,其余的各阀门时关闭的。
水由活性炭过滤进入反渗透系统之后,便直接进入到中间水箱。
为了保证中间水箱的水质,可以关闭中间水箱的出水阀,开启中间水箱的排污阀,使得刚开始生产的反渗透水先排出去,待反渗透水的电导率在3.0以下时,便可关闭排污阀。
目的:规范纯化水系统操作,保障纯化水质量。
适用范围:纯化水系统操作及树脂再生,反渗透装置的物理清洗、自动砂滤器的设定。
责任:纯化水系统操作人员按本规程操作,工程部负责人对本规程的有效执行承担监督检查责任。
程序:1. 正常运行1.1检查设备上所有开关是否关闭,设定砂滤器在运行位置上。
1.2开饮用水进水阀及砂滤器出水阀。
1.3开活性炭纤维过滤器进水阀及出水阀(如果管内有空气,则应打开气阀,排尽空气)。
1.4开精密过滤器进水及出水阀(如果管内有空气,则应打开排气阀、排尽空气)。
1.5当预处理的水已到达高压泵,观察压力表压力,如超过0.5kg/㎝2,则可开启反渗透后排空阀,浓水阀,溶水阀。
1.6启动高压泵,缓慢开启泵后出水球阀,并闭排空阀,调节淡水阀及浓水阀,设定淡水及浓水流量分别为500L/h、700L/h,此时出水进入淡水箱。
1.7开启淡水泵进出水阀,启动淡水泵。
1.8开混合离子交换器前级水阀,上进阀,出水阀,调节上进阀便出水流量控制为500L/h,此时观察电导率仪、电导小于2μs/㎝,即为合格,直接进入纯水箱,不合格则应排放。
1.10启动紫外线电源,开启紫外线进出水阀,进入0.2微米过滤器开启微过滤器出水阀,则灭菌水可达使用点。
2.树脂再生2.1开启排树脂口,使树脂排入事先准备好的容器中(容器最好为透明)。
2.2在树脂中倒入适量饱和食盐溶液,根据阴、阳树脂比重不同,使其分层,上层为阴树脂,下层为阳树脂。
(饱和食盐溶液可反复使用)2.3阴、阳树脂分别装入容器。
加入二倍于树脂体积的碱(NaOH)及酸(HCI)溶液,浓度分别为3%和4%浸泡一小时。
然后用纯化水清洗至PH值接近中性。
2.4把冲洗后的树脂混合,搅拌,使其充分抱团。
2.5通过加树脂口倒入混合离子交换器,投入使用。
3.反渗透装置的物理清洗每次反渗透装置停机前均需作物理清洗。
预处理装置不用关闭,先开排空阀,关浓水阀及淡水阀,清洗约十分钟。
然后关闭高压泵及所有仪器仪表(排空及混合离子交换器上排不得关闭)4.自动砂滤器的设定4.1不需通电,把工作箭头按逆时针方向转到反冲位置,慢慢打开进水阀,让砂滤罐中的空气从排水口中排出,直到排水口有水排出为止。
GMP文件题目:纯化水系统使用操作规程规文件编号:SMP-SC-012/001.目的:建立纯化水系统操作规程,确保纯化水系统正确操作,为生产提供性能稳定、质量合格的纯化水。
2. 范围:本标准适用于公司纯化水的制备。
3. 责任:3.1 纯化水系统操作人员、维修工、车间主任对本规程实施负责。
工艺流程图:4. 内容:4.1 术语和定义:4.1.1纯化水:本品为蒸馏法、离子交换法、反渗透法或其它适宜的方法制得供药用的水,不含任何附加剂;4.1.2 反渗透膜:用特定的高分子材料制成的,具有选择性半透性能的薄膜,它能够在外加压力作用下,使水溶液中水和某些组分选择性透过,从而达到纯化或浓缩、分离的目的;4.1.3 反渗透:在膜的原水一侧施加比溶液渗透压高的外界压力,只允许溶液中水和某些组分选择性透过,其他物质不能透过而被截留在膜表面的过程。
4.1.4 电导率:电阻率为某一温度下(一般为25℃)边长为一厘米的立方体水柱的相对两侧面间的电阻值,其单位为欧姆·厘米。
电导率为电阻率的倒数,单位为西门子/厘米(us/cm),理论的纯水应无任何杂质离子,不导电,电阻率为18.24欧姆·厘米,电导率为0.054 us/cm;4.1.5 脱盐率:表明设备除盐能力的指数,一般通过电导率测定计算。
电导率测定是用电导率仪测定原水电导和渗透水电导率,根据下列公式计算,保留三位数字;脱盐率%=(原水电导率us/cm-渗透水电导率us/cm)÷原水电导率us/cm×100%4.1.6 渗透水:经设备处理后所得的含盐量较低的水,在反渗透中的渗透水称为淡水,二级反渗透中的渗透水称为二级淡水或纯化水;4.1.7 浓缩水:经设备处理后的含盐量被浓缩的水,在一级反渗透中的浓缩水称为一级浓水,二级反渗透中的浓缩水称为二级浓水;4.1.8 水回收率:表明设备对进水利用能力的指数。
水回收率可用进水流量、渗透水流量、浓缩水流量进行计算;水回收率%=渗透水流量m3/h÷(渗透水流量m3/h+浓缩水流量m3/h)×100% 4.1.9 流量(LMP):流量单位,为每分钟流过多少L,单位为L/分钟。
某某制药有限公司GMP文件目的:建立纯化水、注射用水取样的标准操作规程,规范取样行为适用范围:纯化水、注射用水的取样工作。
责任人:质量保证室检查员内容:1 •操作程序2 •取样前的准备工作:2.1质量保证室检查员按纯化水、注射用水的取样计划做好取样准备。
2.2依据纯化水、注射用水的化学检测量和微生物检测量、内毒素检测量确定取样量。
2.3取样量:理化检测用样品取样量为一次全检量的二倍,微生物限度或内毒素检测用样品取样量为一次全检量。
2.4样品盛装容器为广口瓶。
2.4. 1化学检测用样品盛装容器为洁净的广口瓶。
2.4. 2微生物检测及细菌内毒素检测用样品盛装容器为灭菌的广口瓶。
将广口瓶按《无菌检查法》中器具的灭菌方法灭菌后,在标签上注明“已灭菌”字样,三天内使用。
3.取样:3.1化学检验用样品的取样:3.1. 1打开取样点水龙头,放流1〜2分钟。
3.1. 2打开广口瓶瓶塞,将瓶口对准水龙头,接取取样水,用取样水冲洗瓶内壁2次,再接取样水至所需取样量,移开瓶口,盖上瓶塞,关闭水龙头。
3.1. 3贴上取样标签,注明品名、数量、检验项目、取样点、取样日期、取样人3.2微生物检验及细菌内毒素检验用样品的取样:3. 2. 1打开取样点水龙头,放流1〜2分钟。
3. 2. 2撕掉牛皮纸,拿出已灭菌的广口瓶,打开瓶塞(注意不要污染瓶口和瓶塞),将瓶口对准水流(注意不要将瓶口接触到水龙头),接取样水至所需取样量,移开瓶口,立即盖上瓶塞,关闭水龙头。
3.2. 3贴上取样标签,注明品名、数量、检验项目、取样点、取样日期、取样人。
4.取样结束后填写“取样记录”。
5.将所取样品与中心化验室主任按《取样与送样管理规程》办理交接手续。
范围:纯化水职责:车间负责人、操作工对本规程的实施负责正文:1.开机:检查水、电是否符合开机要求;管线是否有泄漏等,如有应及时处理。
2.机械过滤器的操作:2.1打开机械过滤器的源水进水阀(上进)、下排水阀,同时关闭出水阀(下出),排放5-10分钟,出水清澈后,水方可送入活性炭过滤器。
2.2下班前10分钟,需进行反洗,即打开排气阀,再关闭源水进水阀、排水阀,同时打开出水阀、上排水阀进行反洗,视出水清澈为止,关闭出水阀、上排水阀。
3.活性炭吸附器的操作:3.1反洗:每天上班前反洗30分钟,即开排气阀,再开反洗阀,从底部进水,水量不宜过大,以活性炭不冲出为宜,出水清澈为止,关闭反洗阀和排气阀。
3.2正洗:反洗后进行正洗,开进水阀(机械过滤器的出水),关闭出水阀,同时开排气阀5-10分钟,出水清澈方可投入使用。
3.3正洗完毕后,取水样检测,水质合格后,方能使用。
否则须进行炭床更换。
3.4炭床更换3.4.1更换周期:一般为半年(当活性炭床出水水质浊度>3、余CL->0.1%(g/ml)、Fe盐>0.3%(g/ml)时需进行炭床更换)。
3.4.2更换程序3.4.2.1打开炭床下部手孔,将吸附量达到饱和的活性炭全部挖出,之后,关闭手孔盖板。
3.4.2.2打开炭床上部入孔,将新的颗粒活性炭倒入其内,活性炭填充高度应在1500mm—2000mm之间。
之后,关闭入口盖板。
3.4.2.3用清水浸泡活性炭两天,期间应反冲洗几次,以去除污物。
3.4.2.4打开下排阀及进水阀,关闭反洗阀及上排阀,进入正洗阶段,正洗到出水水质合格为止,一般为15分钟。
4.精密过滤器:4.1开进水阀(下进)、排水阀(上排)送至一级反渗透。
4.2反洗:每月一次;先开排气阀,再开反洗阀门,时间15分钟,水量不宜过大,出水清澈为止,关反洗阀门和排气阀。
4.3滤芯每年换一次。
5.反渗透:5.1先开一级反渗透,等中间罐的水位高出液位计的最底点时,再启动二级反渗透。
文件制修订记录目的:建立纯化水制备岗位操作规程,规范、指导操作,确保纯化水质量合格。
适用范围:纯化水制备、贮存及使用的全过程。
责任人:纯化水班组长、操作人员严格执行本规程。
车间管理人员负责本规程实施过程的指导与检查。
QA人员负责本规程实施过程的监督。
内容:1.准备1.1按《纯化水制备岗位清场操作规程》SOP-SC009-01查验清场结果,要求如下:1.1.1设备、操作台、用具无油污、无积水、见本色。
1.1.2地面无积水、无油污、无异物、地面见本色。
1.1.3清洁用具已清洁并存放在指定位置。
1.1.4状态标志齐全正确。
1.1.5无上一天的生产记录,无相关的凭证及状态标识。
1.2 按《纯化水设备清洁规程》查验清洗消毒结果。
1.3按《纯化水设备操作规程》要求检查纯化水系统。
1.3.1 电源是否正常。
1.3.2 反渗透设备是否已清洗消毒。
1.3.3 饮用水压力是否符合要求。
1.3.4 各种仪表的显示数是否均回到起点位置,是否在校验期限内。
1.4 检验水质所需的试剂是否齐全,是否按规定标定,是否在规定的标定期限内;水质检测仪器是否齐全、完整。
1.5. 检查管道系统有无跑、冒、滴、漏现象。
1.6.以上内容确认无误后,换上“正在运行”的状态标志,进行纯化水制备生产操作。
2 制备操作2.1 按《纯化水设备操作规程》SOP-SB007-01操作。
2.2 原水的预处理2.2.1 石英砂过滤器的准备反冲洗:打开反洗阀、排水阀,至排水清澈,关闭各阀门。
正冲洗:打开石英砂过滤器正洗阀、排水阀,至水清澈。
2.2.2 活性炭过滤器的准备反冲洗:打开反洗阀、排水阀,至排水清澈,关闭各阀门;正冲洗:打开活性炭过滤器进水阀、排水阀,至水从排气阀溢出时,打开下排阀,关闭排气阀。
2.3 运行操作2.3.1以上准备无误后,按《纯化水设备操作规程》SOP-SB007-01进行操作。
2.3.2 检查电导率、PH值、氯化物等,合格后关闭排放阀,打开产水阀。
纯化水检验操作规程一、目的纯化水是化学实验中常用的一种实验用水,为确保实验结果的准确性和可靠性,需对纯化水进行检验。
本操作规程旨在规范纯化水的检验操作,确保实验结果的准确性和可重复性。
二、操作准备1.准备清洁的试剂瓶、试剂皿和玻璃仪器,确保无杂质。
2.准备所需试剂:PH试纸、铜离子试剂、氧化性试剂等。
3.准备检测仪器:PH计、电导率计、紫外可见分光光度计等。
三、操作步骤1.PH值检测(1)将PH试纸修剪成适当大小,每个PH试纸的长度约为5cm左右。
(2)将PH试纸蘸取纯化水,注意不要用手直接接触试纸。
(3)将PH试纸低浸入纯化水中,保持10秒左右。
(4)观察试纸颜色变化,并与标准PH值比较,确定纯化水的PH值。
(5)记录检测结果,并进行数据分析。
2.电导率检测(1)将电导率计置于检测架上,并调整为合适高度。
(2)将电导率计的电极部分浸入纯化水中,保持10秒左右。
(3)等待电导率计显示稳定的数值,记录检测结果。
(4)将电导率计清洗干净,准备下一次检测。
3.紫外可见光谱检测(1)将纯化水样品放置在玻璃仪器中,确保无空气泡。
(2)将玻璃仪器置于紫外可见分光光度计中,调整合适位置。
(3)设置检测波长和扫描范围,并开始检测。
(4)等待检测结束,记录检测结果。
(5)将玻璃仪器清洗干净,准备下一次检测。
四、操作注意事项1.在进行纯化水检验操作前,要彻底清洗实验仪器,以避免任何杂质的干扰。
2.执行试验过程中,要注意操作规范、纯化水样品的保存和标识。
3.检测过程中要保持仪器的精确度和准确性,确保实验结果的可靠性。
4.实验人员要遵循安全操作程序,佩戴个人防护用品,禁止饮食等。
5.报告检验结果时,需完整准确记录每次检测的结果,以备后续数据分析。
五、操作结果分析1.PH值检测结果分析:根据实验需求,判断纯化水的酸碱性。
2.电导率检测结果分析:根据实验需求,判断纯化水中溶质的浓度。
3.紫外可见光谱检测结果分析:根据实验数据,分析溶质在纯化水中的分布和浓度。
1. 目的规范体外诊断试剂用纯化水理化检验与微生物限度检验操作。
2. 范围适用于体外诊断试剂用纯化水理化与微生物限度检验。
3. 职责3.1专职检验员负责本规程实施及出具检验报告。
3.2 质量监督员负责监督本规程的执行。
4.内容4.1 理化检验4.1.1性状采用感官评判,目测鼻闻,该物品应为无色的澄清液体;无臭,无味。
4.1.2酸碱度取待检纯化水10mL,加甲基红指示液2滴,目测不得显红色;另取10mL待检纯化水,加溴麝香草酚蓝(溴百里酚蓝)指示液5滴,目测不得显蓝色。
4.1.3易氧化物取待检纯化水100mL,加10%稀硫酸10mL,煮沸后,加(0.02moL/L)高锰酸钾滴定液0.10mL,再煮沸10分钟,粉红色不得完全消失。
4.1.4电导率选择电导精度达0.1μS/cm的仪器,在25℃下检测,电导率不超过0.1mS/m。
可以选用适当的保温装置,控制水温在25℃检测,也可以选择用有温度补偿功能的电导率仪,进行检测。
4.1.5试液的配制4.1.5.1甲基红指示液:取甲基红0.1g,加0.05mol/L NaOH溶液7.4mL使溶解,再加水稀释至200mL。
变色范围:PH4.2~6.3(红→黄)。
4.1.5.2溴麝香草酚蓝指示液:取溴麝香草酚蓝0.1g加入0.05mol/L NaOH溶液3.2mL溶解,再加水稀释至200mL。
变色范围:PH6.0~7.6(黄→ 蓝)4.1.5.3稀硫酸:10%硫酸,700mL水中缓慢加入55.46mL98%浓硫酸,并不断地搅拌,最后用水定容至1000mL。
4.2微生物限度检验4.2.1打开微生物限度室洁净空调系统通风20-30min。
4.2.2将待检纯化水水及检验要用相关器具包括培养基、无菌滤器,无菌培养皿等,准备好后经培养室传递窗传入微生物限度室,传递窗传物品前后各照15min紫外。
4.2.3 专职检验员进入微生物限度室换鞋进行换鞋脱实验服,进入一更进行手清洗,进入二更带上口罩、头套穿万级洁净工作服、工作鞋,手消毒后带无菌手套。
文件制修订记录1.0目的:建立一个纯化水系统岗位标准操作规程的文件,规范纯化水机组的操作程序。
2.0范围:适用于纯化水系统。
3.0责任:3.1生产部负责本制度的实施、监督和检查。
3.2各车间、车间各工序应正确实施本制度。
3.3设备操作人员有具体实施本制度的直接责任。
4.0操作规程:1. 岗前检查1.1检查岗位上有无与本批生产无关的物品。
1.2检查设备是否有“完好待用”状态标志。
1.3检查加药桶是否有溶液。
1.4先把纯水罐内存水放掉,再开机制水。
2.开机2.1首先打开原水阀门,启动原水泵。
2.2设备若是第一次开机运行,请打开保安过滤器前置的排污口,待排污口出水干净后,关闭排污口。
2.3检查原水调节阀是否关闭,将阀调至适当位置。
2.4待滤后压力升至30PSI时,启动高压泵即主机电源开关。
2.5主机运转正常后,请通过泵后节流阀、浓水调节阀调整纯水与浓水比例,调整系统各参数,以达到额定指标:系统压力的调整:低压膜<150PSI;普通膜<225PSI;回收率请参照系统指标和运行参数;产水量应由原水水温和主机型号而定。
2.6启动注意事项:2.6.1本设备有原水低压保护,当因原水供应不足致使停机,重新启动后,请认真重新调整系统各运行指标和参数;若设备因高压保护停机后,在未查明原因前,请不要随意重启设备。
2.6.2任何时候,都不要将浓水调节阀完全关闭;2.6.3设备第一次使用,所制纯水至少排放一小时后再收集利用。
2.6.4设备自动制水并流向纯水罐15分钟后,再打开供水泵及紫外线灯,当水位达到纯水罐高水位时,设备自动停机。
但供水泵及紫外线灯仍照常工作,待纯水罐水位用到至中水位时设备自动启动制水,若纯水罐水位到低水位时,供水泵及紫外线灯自动停止工作,待水位回升到中水位时,供水泵及紫外线灯自动启动。
循环上述过程。
3.关机3.1关闭原水泵和原水供水阀门。
3.2关闭主机电源开关。
3.3检查各压力表是否归零。
3.4擦干电器设备和元件上的水迹。
页码:文件编号:生效日期: 再版日期:第1页/共4页SOP-PM-01012-1标准操作规程STANDARD OPERATING PROCEDURESubject题目:纯化水岗位操作规程Issued by颁发部门:质量部Written by起草人:Date日期:Dept. Head Approval 部门主管审核:Date日期:QA Director Approval QA 主管审核:Date日期:Approved by批准:Date日期:Dispense分发:生产部、质量部1.目的规范纯化水系统操作,保证纯化水的水质与供应。
2.适用范围适用于制水岗位的操作。
3.责任者岗位操作工对本规程的实施负责,设备主管、工艺员、现场QA负责检查监督。
4.内容4.1.准备工作4.1.1.检查制水装置设备是否处于已清洁状态,挂上完好标志状态卡,而且水、电、气是否正常。
4.1.2.检查纯化水系统的各个阀门是否处于正常运行状态及有无滴漏;纯化水箱及管道内是否有残存的余水,如有余水,将余水放掉,关闭纯化水箱的排放阀。
4.1.3.检查原水供应是否正常,检查各段的安全保证装置是否处于正常状态。
4.1.4.检查软化器的多路阀是否处于正常状态。
4.1.5.检查加盐箱、NaOH箱的液位是否正常。
4.1.6.检查各泵是否已经灌满水,泵壳内的空气是否已经排除;检查贮罐的观察孔是否关闭,拧紧。
4.1.7.检查仪表是否在规定的计量周检期限内,用以检测的试剂是否处于有效期内。
标准操作规程STANDARD OPERATNG PROCEDURESubject题目:纯化水岗位操作规程Issued by颁发部门:质量部4.2.开机运行4.2.1.更换状态标志:将原状态标示取去,填写新的生产状态标示卡和设备运行状态标示。
4.2.2.本操作系统为二级反渗透系统操作,分为自动和手动操作两种。
4.2.2.1.本系统多介质过滤器,活性碳过滤器为手动清洗装置,在制纯化水之前,都必须对本装置进行手动清洗。
纯化水岗位标准操作规程
1. 目的: 建立纯化水岗位标准操作规程,使其操作标准化、规范化。
2. 范围:适用于纯化水岗位的操作。
3. 责任:车间主任、质监员、纯化水岗位操作工对本标准的实施负责。
4. 内容:
包括纯化水的生产操作方法和要点,工艺用水的质量标准及控制,安全和劳动保护,异常情况处理和报告等。
4.1纯化水的生产操作方法和要点:
4.1.1纯化水制备工艺流程如下:
饮用水石英砂过滤器活性炭过滤器精密过滤器
二级高压泵pH调节装置中间贮罐一级反渗透阻垢剂投加装置一级高压泵
二级反渗透微滤各使用点
4.1.2 纯化水制备按照纯化水制备设备操作规程进行开机操作。
4.1.3控制反渗透膜的进水流量和压力,一级反渗透产水量达到24T/h,浓水排放量为8T/h左右,一级产水电导率在20µs/cm以下方可进入中间水箱;二级反渗透产水量达到20T/h,浓水排放量为4T/h左右,二级产水电导率在2µs/cm以下,方可进入纯化水罐。
----------------------------精品word文档值得下载值得拥有
----------------------------------------------
4.1.4 纯化水的输送:打开纯化水泵进水阀、出口阀,开启纯化水泵和紫外灯杀菌器,然后缓慢打开精密过滤器进水阀及排气阀,精密过滤器内空气排完后关闭排气阀,再打开纯化水循环系统各阀门,进行循环保压0.3MPa以上,供各使用点使用。
4.1.5阻垢剂的配制方法:用2份阻垢剂原液、8份反渗透产水,配成20%的阻垢剂溶液。
每次所配溶液应在一周内用完,夏季温度较高,每次更换药液时应彻底清洗或消毒药箱。
计量泵的启停,应与反渗透机组同步。
4.1.6 PH调节装置:调节碱液进入速度有效除去一级产水中的二氧化碳,使二级产水电导率在2µs/cm以下。
碱液配制:氢氧化钠液浓度为2.5%。
取1kg氢氧化钠(化学纯、500g/瓶)加入40L碱箱中,加纯化水至40L,搅拌至全部溶解备用。
4.2 纯化水的质量标准及控制
4.2.1纯化水质量标准
纯化水为蒸馏法、离子交换法、反渗透法或其他适宜的方法制得的供药用的水,不含任何附加剂。
标准依据:《中国药典》2005年版二部第303页,见下表:
----------------------------精品word文档值得下载值得拥有
----------------------------------------------
4.2.2 纯化水日常控制
4.2.2.1操作工随时检查纯化水生产线自动监测系统显示器上的数据(电导率),并每小时记录一次。
4.2.2.2 操作工每2小时在线检查一次,纯化水的电导率、酸碱度、氯化物必须符合规定,并做好记录。
按下列检查项目。
4.3 纯化水岗位的清洁:
4.3.1每班下班前,用饮用水、抹布清洁石英砂过滤器、活性炭过滤器、高压泵、二级反渗透组件中间水箱、纯化水贮罐及各管道外表面。
用饮用水、抹布清洁房间墙面及窗户玻璃。
用饮用水、拖把清洁地面。
清洁效果:目测贮罐、设备及管道外表面无污垢、污迹。
4.3.2 纯化水贮罐及循环系统的清洁:
清洗周期:每周一次,或停产超过48小时再次启动生产时。
按照纯化水制备设备操作规程开机制备纯化水500L,将5kg的氢氧化钠(化学纯)用纯化水溶解后加入纯化水贮罐,配制成1%氢氧化钠溶液。
打开纯化水循环系统各阀门,开启纯化水泵,首先打开纯化水贮罐清洗球阀门对纯化水贮罐进行冲洗3分钟,然后关闭清洗阀,对纯化水循环管路进行循环冲洗30分钟后,打开系统各排污阀及纯化水贮罐排污阀,同时关闭纯化水泵,将纯化水贮罐及管道中残留冲洗液水排净后,关闭系统各排污阀。
按照纯化水制备设备操作规程开机制备纯化水1000L,开启纯化水泵,调节回水
----------------------------精品word文档值得下载值得拥有
----------------------------------------------
阀使系统压力保持在0.3MPa,首先打开清洗阀门对纯化水贮罐进行冲洗3分钟,然后关闭清洗阀、全开回水阀,对纯化水循环管路进行循环冲洗5分钟后,打开系统各排污阀及纯化水贮罐排污阀,同时关闭纯化水泵,排净纯化水贮罐及管道中残留水后,关闭系统各排污阀。
按照上述操作连续进行3次。
检查最终冲洗水的pH值、氯化物、电导率,最终冲洗水与纯化水水质一致。
纯化水系统清洗结束。
纯化水消毒:纯化水泵启动的同时开启紫外灯杀菌器进行在线消毒。
4.3.3石英砂过滤器清洗:
当石英砂过滤器(或活性炭过滤器)进水口与出水口压差超过0.05MPa时,便要进行反、正冲清洗。
一般情况清洗周期为7-15天。
先反洗再正洗,时间控制在5-10分钟。
清洗方法:
反洗:关闭石英砂过滤器出水阀、上进水阀、下出水阀,打开排污阀、下进水阀、上出水阀,然后打开原水阀,水流自下而上,冲洗时间为5-10分钟,待出水澄清关闭各阀。
正洗:反洗结束后,关闭石英砂过滤器出水阀、下进水阀、上出水阀,打开排污阀、上进水阀、下出水阀,然后打开原水阀,水流自上而下,冲洗时间为5-10分钟,待出水澄清关闭各阀备用。
4.3.4活性炭过滤器清洗:
当活性炭过滤器进出水压差超过0.05MPa时,便要进行反、正冲清洗。
一般情况清洗周期为7-15天。
先反洗再正洗,时间控制在5-10分钟。
反洗:关闭活性炭过滤器出水阀、上进水阀、下出水阀,打开排污阀、下进水阀、上出水阀,然后打开原水阀,水流自下而上,冲洗时间为5-10分钟,待出水澄清关闭各阀。
正洗:反洗结束后,关闭活性炭过滤器出水阀、下进水阀、上出水阀,打开排污阀、上进水阀、下出水阀,然后打开原水阀,水流自上而下,冲洗时间为5-10分钟,待出水澄清关闭各阀备用。
当活性炭过滤器中活性炭使用一年后,要进行更换。
活性炭采用颗粒状(粒径在1~4mm)净水专用活性炭。
4.4 注意事项
4.4.1经常检查出水量,出水质量有无异常,供水泵有无异常现象。
操作人员随
----------------------------精品word文档值得下载值得拥有
----------------------------------------------
时检查纯化水生产线自动监测系统显示器上的数据(电导率),并每小时记录一次。
操作人员每1小时在线检查一次,纯化水的电导率、酸碱度、氯化物必须符合规定,并做好记录。
4.4.2 经常检查各系统有无泄漏,各安全附件、电器元件等可靠情况。
4.4.3严格按照操作规程开机关机,开机后半小时和停机前半小时,应特别监视设备运行状态。
关机前系统运行状况记入操作记录备注栏。
4.4.4 紫外灯杀菌器:国产紫外灯使用寿命为3000小时,进口紫外灯使用寿命为5000小时。
4.4.5设备运行时应有专人监控,不得擅自离岗。
----------------------------精品word文档值得下载值得拥有
----------------------------------------------。