某塔吊计算书
- 格式:doc
- 大小:206.00 KB
- 文档页数:13
QTZ80塔吊格构基础设计计算书基本参数1、塔吊基本参数塔吊型号:QTZ80;塔吊自重Gt:490kN;最大起重荷载Q:60kN;塔吊起升高度H:40.50m;塔身宽度B: 1.6m;2、格构柱基本参数格构柱计算长度lo:5.9m;格构柱缀件类型:缀板;格构柱缀件节间长度a1:0.6m;格构柱分肢材料类型:L160x14;格构柱基础缀件节间长度a2:0.6m;格构柱钢板缀件参数:宽420mm,厚10mm;格构柱截面宽度b1:0.50m;格构柱基础缀件材料类型:L160x14;3、基础参数桩中心距a:2.8m;桩直径d:0.9m;桩入土深度l:18.5m;桩型与工艺:泥浆护壁钻(冲)孔灌注桩;桩混凝土等级:C30;桩钢筋型号:HRB400;桩钢筋直径:25mm;承台宽度Bc:4.6m;承台厚度h:1.35m;承台混凝土等级为:C35;承台钢筋等级:HRB400;承台钢筋直径:25;承台保护层厚度:100mm;承台箍筋间距:200mm;4、塔吊计算状态参数地面粗糙类别:B类田野乡村;风荷载高度变化系数:2.09;主弦杆材料:角钢/方钢;主弦杆宽度c:140mm;非工作状态:所处城市:福建莆田市,基本风压ω0:0.70 kN/m2;额定起重力矩Me:800kN·m;基础所受水平力P:74kN;塔吊倾覆力矩M:1712kN·m;工作状态:所处城市:福建莆田市,基本风压ω0:0.7 kN/m2,额定起重力矩Me:800kN·m;基础所受水平力P:18.9kN;塔吊倾覆力矩M:1718kN·m;非工作状态下荷载计算一、塔吊受力计算1、塔吊竖向力计算承台自重:G c=25×Bc×Bc×h=25×4.60×4.60×1.35=714.15kN;作用在基础上的垂直力:F k=Gt+Gc=490.00+714.15=1204.15kN;2、塔吊倾覆力矩总的最大弯矩值M kmax=1712.00kN·m;3、塔吊水平力计算挡风系数计算:φ = (3B+2b+(4B2+b2)1/2)c/Bb挡风系数Φ=0.46;水平力:V k=ω×B×H×Φ+P=0.70×1.60×40.50×0.46+74.00=94.87kN;4、每根格构柱的受力计算作用于承台顶面的作用力:F k=1204.15kN;M kmax=1712.00kN·m;V k=94.87kN;图中x轴的方向是随时变化的,计算时应按照倾覆力矩Mmax最不利方向进行验算。
附塔机基础及平衡重和塔吊计算书○1基础计算书一、参数信息塔吊型号:QTZ80,塔吊起升高度H:50.00m,塔身宽度B:1.6m,基础埋深d:1.60m,自重G:600kN,基础承台厚度hc:1.00m,最大起重荷载Q:60kN,基础承台宽度Bc:5.50m,混凝土强度等级:C35,钢筋级别:HRB400,基础底面配筋直径:25mm二、塔吊对交叉梁中心作用力的计算1、塔吊竖向力计算塔吊自重:G=600kN;塔吊最大起重荷载:Q=60kN;作用于塔吊的竖向力:Fk=G+Q=600+60=660kN;2、塔吊弯矩计算风荷载对塔吊基础产生的弯矩计算:Mkmax=960kN·m;三、塔吊抗倾覆稳定验算基础抗倾覆稳定性按下式计算:e=Mk /(Fk+Gk)≤Bc/3式中 e──偏心距,即地面反力的合力至基础中心的距离; Mk──作用在基础上的弯矩;Fk──作用在基础上的垂直载荷;Gk ──混凝土基础重力,Gk=25×5.5×5.5×1=756.25kN;Bc──为基础的底面宽度;计算得:e=960/(660+756.25)=0.678m < 5.5/3=1.833m;基础抗倾覆稳定性满足要求!四、地基承载力验算依据《建筑地基基础设计规范》(GB50007-2011)第5.2条承载力计算。
计算简图:混凝土基础抗倾翻稳定性计算: e=0.678m < 5.5/6=0.917m 地面压应力计算: P k =(F k +G k )/A P kmax =(F k +G k )/A + M k /W式中:F k ──塔吊作用于基础的竖向力,它包括塔吊自重和最大起重荷载,F k =660kN ; G k ──基础自重,G k =756.25kN ; Bc ──基础底面的宽度,取Bc=5.5m ;M k ──倾覆力矩,包括风荷载产生的力矩和最大起重力矩,M k = 960kN ·m ; W ──基础底面的抵抗矩,W=0.118Bc 3=0.118×5.53=19.632m 3; 不考虑附着基础设计值:P k =(660+756.25)/5.52=46.818kPaP kmax =(660+756.25)/5.52+960/19.632=95.717kPa ; P kmin =(660+756.25)/5.52-960/19.632=0kPa ; 实际计算取的地基承载力设计值为:f a =160.000kPa ;地基承载力特征值f a 大于压力标准值P k =46.818kPa ,满足要求!地基承载力特征值1.2×fa 大于无附着时的压力标准值Pkmax=95.717kPa,满足要求!五、基础受冲切承载力验算依据《建筑地基基础设计规范》(GB 50007-2011)第8.2.7条。
附塔机基础及平衡重和塔吊计算书○1基础计算书一、参数信息塔吊型号:QTZ80,塔吊起升高度H:50.00m,塔身宽度B:1.6m,基础埋深d:1.60m,自重G:600kN,基础承台厚度hc:1.00m,最大起重荷载Q:60kN,基础承台宽度Bc:5.50m,混凝土强度等级:C35,钢筋级别:HRB400,基础底面配筋直径:25mm二、塔吊对交叉梁中心作用力的计算1、塔吊竖向力计算塔吊自重:G=600kN;塔吊最大起重荷载:Q=60kN;作用于塔吊的竖向力:Fk=G+Q=600+60=660kN;2、塔吊弯矩计算风荷载对塔吊基础产生的弯矩计算:Mkmax=960kN·m;三、塔吊抗倾覆稳定验算基础抗倾覆稳定性按下式计算:e=Mk /(Fk+Gk)≤Bc/3式中 e──偏心距,即地面反力的合力至基础中心的距离; Mk──作用在基础上的弯矩;Fk──作用在基础上的垂直载荷;Gk ──混凝土基础重力,Gk=25×5.5×5.5×1=756.25kN;Bc──为基础的底面宽度;计算得:e=960/(660+756.25)=0.678m < 5.5/3=1.833m;基础抗倾覆稳定性满足要求!四、地基承载力验算依据《建筑地基基础设计规范》(GB50007-2011)第5.2条承载力计算。
计算简图:混凝土基础抗倾翻稳定性计算: e=0.678m < 5.5/6=0.917m 地面压应力计算: P k =(F k +G k )/A P kmax =(F k +G k )/A + M k /W式中:F k ──塔吊作用于基础的竖向力,它包括塔吊自重和最大起重荷载,F k =660kN ; G k ──基础自重,G k =756.25kN ; Bc ──基础底面的宽度,取Bc=5.5m ;M k ──倾覆力矩,包括风荷载产生的力矩和最大起重力矩,M k = 960kN ·m ; W ──基础底面的抵抗矩,W=0.118Bc 3=0.118×5.53=19.632m 3; 不考虑附着基础设计值:P k =(660+756.25)/5.52=46.818kPaP kmax =(660+756.25)/5.52+960/19.632=95.717kPa ; P kmin =(660+756.25)/5.52-960/19.632=0kPa ; 实际计算取的地基承载力设计值为:f a =160.000kPa ;地基承载力特征值f a 大于压力标准值P k =46.818kPa ,满足要求!地基承载力特征值1.2×f a 大于无附着时的压力标准值P kmax =95.717kPa ,满足要求!五、基础受冲切承载力验算依据《建筑地基基础设计规范》(GB 50007-2011)第8.2.7条。
塔吊计算书【计算书】矩形板式基础计算书一、塔机属性二、塔机荷载塔机竖向荷载简图1、塔机自身荷载标准值2、风荷载标准值ωk(kN/m2)3、塔机传递至基础荷载标准值4、塔机传递至基础荷载设计值三、基础验算矩形板式基础布置图基础及其上土的自重荷载标准值:G k=blhγc=5×5×2×25=1250kN基础及其上土的自重荷载设计值:G=1.2G k=1.2×1250=1500kN荷载效应标准组合时,平行基础边长方向受力:M k''=G1R G1+G2R Qmax-G3R G3-G4R G4+0.9×(M2+0.5F vk H/1.2)=37.4×26+6.2×13-163×6.7-106×11.8+0.9×(630+0.5×17.34×43/1.2)=-443.29kN·mF vk''=F vk/1.2=17.34/1.2=14.45kN荷载效应基本组合时,平行基础边长方向受力:M''=1.2×(G1R G1+G2R Qmax-G3R G3-G4R G4)+1.4×0.9×(M2+0.5F vk H/1.2) =1.2×37.4×26+6.2×13-163×6.7-106×11.8)+1.4×0.9×(630+0.5×17.34×43/1.2)=-362.63kN·mF v''=F v/1.2=24.28/1.2=20.23kN基础长宽比:l/b=5/5=1≤1.1,基础计算形式为方形基础。
W x=lb2/6=5×52/6=20.83m3W y=bl2/6=5×52/6=20.83m3相应于荷载效应标准组合时,同时作用于基础X、Y方向的倾覆力矩:M kx=M k b/(b2+l2)0.5=387.37×5/(52+52)0.5=273.91kN·mM ky=M k l/(b2+l2)0.5=387.37×5/(52+52)0.5=273.91kN·m1、偏心距验算相应于荷载效应标准组合时,基础边缘的最小压力值:P kmin=(F k+G k)/A-M kx/W x-M ky/W y=(664.5+1250)/25-273.91/20.83-273.91/20.83=50.28kPa≥0偏心荷载合力作用点在核心区内。
塔式起重机设计计算书一:总体设计----------------------------------------------------------------------------(2-13)1.主要技术性能---------------------------------------------------------------------------(2-3)2.计算原则--------------------------------------------------------------------------------(4-5)3.平衡重的计算--------------------------------------------------------------------------(5-8)4.塔机的风力计算-----------------------------------------------------------------------(8-12)5.整机倾翻稳定性计算---------------------------------------------------------------(12-13)二:结构设计--------------------------------------------------------------------------(14-39)1.塔身的计算---------------------------------------------------------------------------(14-21)2.塔顶的计算--------------------------------------------------------------------------(21-22)3.爬升架的计算-----------------------------------------------------------------------(22-25)4.起重臂的计算-----------------------------------------------------------------------(26-33)5.起重臂拉杆的计算-----------------------------------------------------------------(33)6.回转支承的计算--------------------------------------------------------------------(33)7.回转塔身的计算-------------------------------------------------------------------(34-35)8.平衡臂的计算---------------------------------------------------------------------(35-38)9.平衡臂拉杆的计算---------------------------------------------------------------(38-39)10.行走机构的计算-----------------------------------------------------------------(39-43)(一):总体设计一.主要技术性能参数1. 额定起重力矩: 97t.m2. 最大起重力矩: 116t.m3. 最大起重量: 6t4. 起升高度: 固定式45m 附着式200m5. 工作幅度: max60m min2.5m6. 小车牵引速度: 20/40m/min7. 空载回转速度: 0~ 0.62r/min8. 最大起升速度: 80m/min(α=2时) 40m/min(α=4时)平均工作速度: 40m/min 20m/min最低稳定速度: 10m/min 5m/min9. 顶升速度: 0.5m/min (功率11kw)10. 起升电机功率30kw回转电机功率2×3.7kw牵引电机功率3/4.5kw11. 起重性能曲线α= 4时, 依据总体要求R = 60m时, Q = 1.0t R = 51m时, Q = 1.7tQ = 95.75/(R-0.89)-0.62 Q = 116.2/(R-0.89)-0.62R = 56m时, Q = 1.3t R = 46m时, Q = 2.1tQ = 105.8/(R-0.89)-0.62 Q = 122.7/(R-0.89)-0.62附表(设计依据参数表)二计算原则1.起重机的工作级别根据GB/T13752-92《塔式起重机设计规范》取定TC6010塔式起重机。
附塔机基础及平衡重和塔吊计算书○1基础计算书一、参数信息塔吊型号:QTZ80,塔吊起升高度H:50.00m,塔身宽度B:1.6m,基础埋深d:1.60m,自重G:600kN,基础承台厚度hc:1.00m,最大起重荷载Q:60kN,基础承台宽度Bc:5.50m,混凝土强度等级:C35,钢筋级别:HRB400,基础底面配筋直径:25mm二、塔吊对交叉梁中心作用力的计算1、塔吊竖向力计算塔吊自重:G=600kN;塔吊最大起重荷载:Q=60kN;作用于塔吊的竖向力:Fk=G+Q=600+60=660kN;2、塔吊弯矩计算风荷载对塔吊基础产生的弯矩计算:Mkmax=960kN·m;三、塔吊抗倾覆稳定验算基础抗倾覆稳定性按下式计算:e=Mk /(Fk+Gk)≤Bc/3式中 e──偏心距,即地面反力的合力至基础中心的距离; Mk──作用在基础上的弯矩;Fk──作用在基础上的垂直载荷;Gk ──混凝土基础重力,Gk=25×5.5×5.5×1=756.25kN;Bc──为基础的底面宽度;计算得:e=960/(660+756.25)=0.678m < 5.5/3=1.833m;基础抗倾覆稳定性满足要求!四、地基承载力验算依据《建筑地基基础设计规范》(GB50007-2011)第5.2条承载力计算。
计算简图:混凝土基础抗倾翻稳定性计算: e=0.678m < 5.5/6=0.917m 地面压应力计算: P k =(F k +G k )/A P kmax =(F k +G k )/A + M k /W式中:F k ──塔吊作用于基础的竖向力,它包括塔吊自重和最大起重荷载,F k =660kN ; G k ──基础自重,G k =756.25kN ; Bc ──基础底面的宽度,取Bc=5.5m ;M k ──倾覆力矩,包括风荷载产生的力矩和最大起重力矩,M k = 960kN ·m ; W ──基础底面的抵抗矩,W=0.118Bc 3=0.118×5.53=19.632m 3; 不考虑附着基础设计值:P k =(660+756.25)/5.52=46.818kPaP kmax =(660+756.25)/5.52+960/19.632=95.717kPa ; P kmin =(660+756.25)/5.52-960/19.632=0kPa ; 实际计算取的地基承载力设计值为:f a =160.000kPa ;地基承载力特征值f a 大于压力标准值P k =46.818kPa ,满足要求!地基承载力特征值1.2×f a 大于无附着时的压力标准值P kmax =95.717kPa ,满足要求!五、基础受冲切承载力验算依据《建筑地基基础设计规范》(GB 50007-2011)第8.2.7条。
(TC7020)塔吊四桩基础的计算书依据《塔式起重机混凝土基础工程技术规程》(JGJ/T 187-2009)。
二. 荷载计算1. 自重荷载及起重荷载1) 塔机自重标准值F k1=1260kN2) 基础以及覆土自重标准值G k=4.5×4.5×1.60×25=810kN3) 起重荷载标准值F qk=160kN2. 风荷载计算1) 工作状态下塔机塔身截面对角线方向所受风荷载标准值a. 塔机所受风均布线荷载标准值 (Wo=0.2kN/m 2)W k=0.8×1.59×1.95×1.2×0.2=0.60kN/m2q sk=1.2×0.60×0.35×2=0.50kN/mb. 塔机所受风荷载水平合力标准值F vk=q sk×H=0.50×46.50=23.25kNc. 基础顶面风荷载产生的力矩标准值M sk=0.5F vk×H=0.5×23.25×46.50=540.62kN.m2) 非工作状态下塔机塔身截面对角线方向所受风荷载标准值a. 塔机所受风均布线荷载标准值 (本地区 Wo=0.35kN/m 2)W k=0.8×1.62×1.95×1.2×0.35=1.06kN/m2q sk=1.2×1.06×0.35×2.00=0.89kN/mb. 塔机所受风荷载水平合力标准值F vk=q sk×H=0.89×46.50=41.46kNc. 基础顶面风荷载产生的力矩标准值M sk=0.5F vk×H=0.5×41.46×46.50=963.93kN.m3. 塔机的倾覆力矩工作状态下,标准组合的倾覆力矩标准值M k=1639+0.9×(1400+540.62)=3385.55kN.m非工作状态下,标准组合的倾覆力矩标准值M k=1639+963.93=2602.93kN.m三. 桩竖向力计算非工作状态下:Q k=(F k+G k)/n=(1260+810.00)/4=517.50kNQ kmax=(F k+G k)/n+(M k+F vk×h)/L=(1260+810)/4+Abs(2602.93+41.46×1.60)/4.95=1056.85kNQ kmin=(F k+G k-F lk)/n-(M k+F vk×h)/L=(1260+810-0)/4-Abs(2602.93+41.46×1.60)/4.95=-21.85kN工作状态下:Q k=(F k+G k+F qk)/n=(1260+810.00+160)/4=557.50kNQ kmax=(F k+G k+F qk)/n+(M k+F vk×h)/L=(1260+810+160)/4+Abs(3385.55+23.25×1.60)/4.95=1249.11kNQ kmin=(F k+G k+F qk-F lk)/n-(M k+F vk×h)/L=(1260+810+160-0)/4-Abs(3385.55+23.25×1.60)/4.95=-134.11kN四. 承台受弯计算1. 荷载计算不计承台自重及其上土重,第i桩的竖向力反力设计值:工作状态下:最大压力 N i=1.35×(F k+F qk)/n+1.35×(M k+F vk×h)/L=1.35×(1260+160)/4+1.35×(3385.55+23.25×1.60)/4.95=1412.92kN 最大拔力 N i=1.35×(F k+F qk)/n-1.35×(M k+F vk×h)/L=1.35×(1260+160)/4-1.35×(3385.55+23.25×1.60)/4.95=-454.42kN 非工作状态下:最大压力 N i=1.35×F k/n+1.35×(M k+F vk×h)/L=1.35×1260/4+1.35×(2602.93+41.46×1.60)/4.95=1153.38kN最大拔力 N i=1.35×F k/n-1.35×(M k+F vk×h)/L=1.35×1260/4-1.35×(2602.93+41.46×1.60)/4.95=-302.88kN2. 弯矩的计算依据《塔式起重机混凝土基础工程技术规程》第6.4.2条其中 M x,M y1──计算截面处XY方向的弯矩设计值(kN.m);x i,y i──单桩相对承台中心轴的XY方向距离(m);N i──不计承台自重及其上土重,第i桩的竖向反力设计值(kN)。
一、QTZ5013塔吊天然基础的计算书1、地基承载力计算1.1塔基在独立状态时,作用于基础的荷载应包括塔机作用于基础顶的竖向荷载标准值(F k)、水平荷载标准值(F vk)、倾覆力矩(包括塔机自重、起重荷载、风荷载等引起的力矩)荷载标准值(M k)、扭矩荷载标准值(T k),以及基础及其上土的自重荷载标准值(G k)。
1.2矩形基础地基承载力计算应符合下列规定:1、基础底面压力应符合:1)、当轴心荷载作用时:p k≤f a=200kpa式中:p k ------相当于荷载效应便准组合时,基础底面处的平均压力值;f a -------修正后的地基承载力特征值。
2)、当偏心荷载作用时,除符合上式外,尚应符合下列要求:p kmax≤1.2 f a=1.2*200=240 kpa 式中:p kmax -------相应于荷载效应标准组合时,基础底面边缘的最大压力值。
2、基础底面的压力可按下列公式确定:1)当轴心荷载作用时:p k=(F k+G k)/bl=(842.4+1108.404)/(5*5)=78.03216 kn/m2≤240 kpa 故,符合要求。
式中:F k -----塔机作用于基础顶面的竖向荷载标准值;G k -----基础及其上土的自重标准值;b-------矩形基础底面的短边长度;l--------矩形基础底面的长边长度。
2)当偏心荷载作用时:p kmax=(F k+G k)/bl+(M k+F vk•h)/W=(842.4+1108.404)/(5*5)+(882+4*1.35)/20.83=78.03216+42.6=120.63 kn/m2≤1.2 f a 符合要求。
式中:M k-------相应于荷载效应标准组合时,作用于矩形基础顶面短边方向的力矩值;F vk-------相应于荷载效应标准组合时,作用于矩形基础顶面短边方向的水平荷载值;h-------基础的高度;W--------基础底面的抵抗矩。
塔吊分项参数计算塔吊是施工场地最重要的施工机械之一,其使用贯穿了整个工程。
在这过程中间隔时间长,不可预见性因素多,为确保塔吊的安全,以下计算都按极限苛刻条件下能保证塔吊正常工作计算。
即:塔吊设置在最大开挖深度处;型钢柱与混凝土灌注桩连接按光滑面锚固。
(计算详值见计算表格) 1. 基础竖向极限承载力计算F=F1+ F2F ——基础竖向极限承载力kn F1——塔吊自重(包括压重)kn F2最大起吊重量kn 2.单桩抗压承载力、抗拔力计算桩顶竖向力的计算(依据《建筑桩技术规范》JGJ94-94的第条)F 十。
iV V-A- M =1.2 —±士 弱尹2" Z* ("+”计算结果为抗压,“-”为抗拔)其中 N i ——单桩桩顶竖向力设计值kNn 单桩个数,n=4;F ——作用于桩基承台顶面的竖向力设计值TG ——塔吊基础重量KNMx,My 承台底面的弯矩设计值kN.mxi,yi 单桩相对承台中心轴的XY 方向距离mM ——塔吊的倾覆力矩kN.m3.桩长以及桩径计算 桩采用钻孔灌注桩R =f A +U £ f l >R = N xgk 实际 ppp s ii1U P =n d其中Rk 实际一一实际钻孔灌注桩承载能力KN桩端面承载能力KN桩侧摩擦阻力总和IUp£fsliKNR——单桩轴向承力安全值KN孔一一桩安全系数取2d桩直径m4.桩抗拔验算Ok=入RQk八k实际5.桩配筋计算桩身配筋率可取0.20%〜0.65% (计算取上限0.65%),抗压主筋不应少于6①10,箍筋采用不少于①6@3mm的螺旋箍筋,在桩顶5倍桩身直径范围内箍筋①6@1mm,每隔2m设一道2①12焊接加强箍筋。
As = S桩截面*配筋率n = 4As/ (n 巾2)其中n ——竖筋根数根As ——钢筋总截面积m①一一竖筋直径m6.桩上部钢支柱计算钢支柱采用 hxbxtwxt = 350 * 350 x 12 x 19, H 型钢。
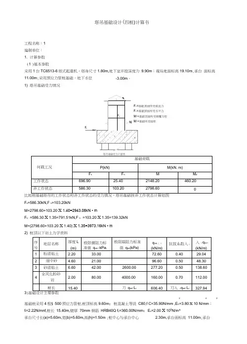
塔吊基础设计(四桩)计算书工程名称:1 编制单位: 1. 计算参数 (1 )基本参数采用1台TC6513-6塔式起重机,塔身尺寸1.80m,地下室开挖深度为 9.90m ;现场地面标高19.10m ,承台 面标高11.00m ;采用预应力管桩基础,地下水位 1) 塔吊基础受力情况何载工况基础荷载P(kN)M(kN. m)F kF hM M Z工作状态 696.90 25.40 2148.20 460.20非工作状态586.30103.202798.60F k =586.30kN,F h =103.20kNM=2798.60+103.20 X 1.40=2943.08kN • mF k ,=586.30 X 1.35=791.51kN,F h ,=103.20 X 1.35=139.32kN M=(2798.60+103.20 X 1.40) X 1.35=3973.16kN • m 2) 桩顶以下岩土力学资料序 号 地层名称 厚度L (m) 极限侧阻力标 准值 q sik ( kPa )极限端阻力标准 值 q pk (kPa)q sik 丄 i (kN/m) 抗拔系数入i入 i q siJ i (kN/m) 1 粉质粘土 2.20 33.0072.60 0.40 29.04 2 细中砂 4.60 21.0096.600.50 48.30 3 砂质粘土 6.60 42.00 2600.00 277.20 0.50 138.60 4全风化粉砂岩2.0080.004000.00 160.00 0.70 112.00桩长15.40刀 q sik* L i606.40刀入 i q sik* L i327.943) 242基础桩采用4根$ 500预应力管桩,桩顶标高9.60m ;桩混凝土等级 C80,f C=35.90N/mm ,E C =3.80 X 10 N/mm ; f t =2.22N/mnf,桩长 15.40m,壁厚 70mm 钢筋 HRB40Q f y =360.00N/mm :E s =2.00 X 105N/m^ 承台尺寸长(a)=5.60m,宽(b)=5.60m,高(h)=1.50m ;桩中心与承台中心2.30m,承台面标高 11.00m ;承台-3.00m 。
塔吊基础计算书10.1 D1100-63型塔吊基础设计计算依据《塔式起重机混凝土基础工程技术规程》(JGJ/T 187-2009)。
一. 参数信息塔吊型号:D1100-63塔机自重标准值:Fk1=3213.90kN 起重荷载标准值:Fqk=630kN塔吊最大起重力矩:M=11000.00kN.m 塔吊计算高度:H=90.8m塔身宽度:B=4m 非工作状态下塔身弯矩:M=0kN.m承台混凝土等级:C40钢筋级别:HRB400地基承载力特征值:193kPa承台宽度:Bc=9.5m承台厚度:h=2m基础埋深:D=0m计算简图:二. 荷载计算1. 自重荷载及起重荷载1) 塔机自重标准值Fk1=3213.9kN2) 基础以及覆土自重标准值Gk=9.5×9.5×2×25=4512.5kN承台受浮力:Flk=9.5×9.5×1.50×10=1353.75kN3) 起重荷载标准值Fqk=630kN2. 风荷载计算1) 工作状态下塔机塔身截面对角线方向所受风荷载标准值a. 塔机所受风均布线荷载标准值(Wo=0.2kN/m2)=0.8×1.77×1.95×0.99×0.2=0.55kN/m2=1.2×0.55×0.35×4=0.92kN/mb. 塔机所受风荷载水平合力标准值Fvk=qsk×H=0.92×90.8=83.40kNc. 基础顶面风荷载产生的力矩标准值Msk=0.5Fvk×H=0.5×83.40×90.8=3786.29kN.m2) 非工作状态下塔机塔身截面对角线方向所受风荷载标准值a. 塔机所受风均布线荷载标准值(本地区Wo=0.45kN/m2)=0.8×1.84×1.95×0.99×0.45=1.28kN/m2=1.2×1.28×0.35×4=2.15kN/mb. 塔机所受风荷载水平合力标准值Fvk=qsk×H=2.15×90.8=195.07kNc. 基础顶面风荷载产生的力矩标准值Msk=0.5Fvk×H=0.5×195.07×90.8=8856.07kN.m3. 塔机的倾覆力矩工作状态下,标准组合的倾覆力矩标准值Mk=0+0.9×(11000+3786.29)=13307.66kN.m非工作状态下,标准组合的倾覆力矩标准值Mk=0+8856.07=8856.07kN.m三. 地基承载力计算依据《塔式起重机混凝土基础工程技术规程》(JGJ/T 187-2009)第4.1.3条承载力计算。
塔吊基础计算书一、塔吊基本参数(按起重臂下自由高度40m计算)1.塔帽、驾驶室、转盘等合计:G1=90KN2.起重臂重合计:G2=75KN3.平衡臂重合计:G3=60KN4.配重合计:G4=120KN5.标准节14节合计:G5=168KN6.起重量1.3—6吨:即Q1=13—60KN7.起升速度:V=1m/秒8.起重机旋转速度:n=0.6r/min9.制动时间:按0.2秒计算10.起重机倾斜按3‰考虑11.Q2 基础自重:5*5*1.35*2450kg*10=827kN12.根据建设单位提供的地质勘察报告地基承载力满足要求二、工作状态下稳定性验算:(倾覆点O1)1、起重机重力矩M1=G4*16.5+G3*9.5+(G1+G5)*2.5-G2*20=120*16.5+60*9.5+(90+168)*2.5+960*2.5-75*20=4095KN.m2、起重力矩M2=870KN.m3、工作力矩M3=M2V/gt=870*1/(900-40*0.62)=770KN.m4、旋转力矩M4=M2n2h/(900-Hn2)=870*0.62*40/(900-40*0.62)=14.14KN.m5、风压力矩M5=10.2*20+5*40=404KN.m6、倾斜力矩M6=(G1+G2+G3+G4+G5+Q2)*3‰*∑G/(Q2+∑G)*40=(90+75+60+120+168+827)*3‰*513/(827+513)*40=61.56KN.m K=(M1-M3-M4-M5-M6)/M2=(4095-770-14.1-404-61.56)/870=3.27>1.15 稳定三、工作状态(倾覆点Q2)1、M=(G1+G5+Q2)*2.5+G2*25-G3*4.5-G4*11.5=2937.5KN.m2、其余同第二节K=(M-M3-M4-M5-M6)/M2=(2937.5-637-14.14-404-61.56)/870=2.09>1.15 稳定四、非工作状态(倾覆点O2)1.M1=2850—2937.5KN.m 取M1=2850KN.m(最低高度)2.M5按0.6KN/m2计算:N1=40.8KN M5=40.8*14.14=576.9KN.m3.M6=61.56KN.m4.K=M1/(M5+M6)=2850/(576.9+61.56)=4.46>1.15 稳定。
塔吊天然基础计算书一、参数信息塔吊型号:QTZ40,自重(包括压重)Fι=168.560kN,最大起重荷载Fz=40.OOOkN, 塔吊倾覆力距M=400.OOOkN.in,塔吊起重高度H=40~60m,塔身宽度B=l.45-1.85m, 混凝土强度等级:C35,基础埋深D=L200m,基础最小厚度h=1.2m,基础最小宽度Bc=4.600m,二、基础最小尺寸计算基础的最小厚度H=l.2m基础的最小宽度Bc=4.600m三、塔吊基础承载力计算依据《建筑地基基础设计规范》(61350007-2002)第5.2条承载力计算。
计算简图:当不考虑附着时的基础设计值计算公式:当考虑附着时的基础设#值计算公式:当考虑偏心距较大时的或础设计值计算公式:2(F+G)塔吊基础平面图塔吊基础剖面图3B c a式中F——塔吊作用于基础的竖向力,它包括塔吊自重,压重和最大起重荷载,F=l.2X208.56=250.27kN;G—基础自重与基础上面的土的自重,G=I.2X(25.O×Bc×Bc×Hc+20.O×Bc×Bc×D)=3359.23kN;Bc——基础底面的宽度,取Bc=7.200m;W——基础底面的抵抗矩,W=Bc×Bc×Bc∕6=62.21m3;M——倾覆力矩,包括风荷载产生的力距和最大起重力距,M二400.000=560.OOOkN.m400.000=560.OOOkN.m;a—合力作用点至基础底面最大压力边缘距离(In),按下式计算:a=7.200/2-(560.000/(250.27+3359.23))=3.445。
经计算得:无附着的最大压力设计值Pmax=(250.27+3359.23)/7.200^2+560.000/62.21=78.63kpa无附着的最小压力设计值Pmin=(250.27+3359.23)/7.200^2-560.000/62.21=60.63kpa有附着的压力设计值P=(250.27+3359.23)/7.200^2=69.63kpa偏心距较大时压力设计值PkmaxPkmax=2(250.27+3359.23)/(3×7.200X3.445)=97.Olkpa四、地基基础承载力验算地基基础承载力特征值计算依据《建筑地基基础设计规范》GB50007-2002第5.2.3条。
塔吊桩基础的计算书1. 参数信息塔吊型号:QTZ63自重(包括压重)F1=750.8 kN最大起重荷载F2=60 kN塔吊倾覆力距M=630kN.m塔吊安装高度H=110m塔身宽度B=1.65m混凝土强度:C30承台长度Lc或宽度Bc=4.5m桩直径或方桩边长d=0.5m承台厚度Hc=1.5m2. 塔吊基础承台顶面的竖向力与弯矩计算1). 塔吊自重(包括压重)F1=750.8kN2). 塔吊最大起重荷载F2=60 kN作用于桩基承台顶面的竖向力F=F1+F2=510.8 kN塔吊的倾覆力矩M=630 kN.m3. 矩形承台弯矩的计算计算简图:图中x轴的方向是随机变化的,设计计算时应按照倾覆力矩M最不利方向进行验算。
1). 桩顶竖向力的计算(依据《建筑桩技术规范》JGJ94-94的第5.1.1条)其中n──单桩个数,n=4F──作用于桩基承台顶面的竖向力设计值,F=510.8 kN;G──桩基承台的自重,G=25.0×Bc×Bc×Hc=25.0×4.5×4.5×1.5=759.38kN;Mx,My──承台底面的弯矩设计值(kN.m),630 kN.m;xi,yi──单桩相对承台中心轴的XY方向距离(m);Ni──单桩桩顶竖向力设计值(kN)。
经计算得到单桩桩顶竖向力设计值:最大压力:(M为塔吊的倾覆力矩,a为桩间距)2). 矩形承台弯矩的计算(依据《建筑桩技术规范》JGJ94-94的第5.6.1条)其中Mx1,My1──计算截面处XY方向的弯矩设计值(kN.m);xi,yi──单桩相对承台中心轴的XY方向距离(m);Ni1──扣除承台自重的单桩桩顶竖向力设计值(kN),Ni1=Ni-G/n。
经过计算得到弯矩设计值:Mx1=My1= 2×(N-G/n) ×(a/1.414)MX1=My1= 2×(497.5-759.38/4)×(2.5÷1.414)=1089.1KN.m4、矩形承台截面主筋的计算依据《混凝土结构设计规范》(GB50010-2002)第7.5条受弯构件承载力计算。
一.臂架计算_______________________________________________________ 3 1.1俯仰变幅臂架________________________________________________________ 31.1.1 载荷____________________________________________________________________ 31.1.2 臂架计算________________________________________________________________ 3 1.2小车变幅臂架计算(单吊点三角截面)__________________________________ 91.2.1 载荷____________________________________________________________________ 91.2.2臂架计算 ________________________________________________________________ 9 1.3小车变幅臂架计算(双吊点三角截面)_________________________________ 221.3.1 载荷___________________________________________________________________ 221.3.2臂架计算 _______________________________________________________________ 22二塔式起重机塔身结构计算_________________________________________ 402.1塔身受力计算_______________________________________________________ 402.1.1塔身在臂根铰接截面受力计算:___________________________________________ 412.1.2 塔身内力计算工况_______________________________________________________ 41 2.2桁架塔身整体强度和稳定性计算_______________________________________ 432.2.1塔身截面几何性质 _______________________________________________________ 432.2.2塔身的长细比 ___________________________________________________________ 462.2.3塔身强度与整体稳定性 ___________________________________________________ 48 2.3桁架塔身主肢计算___________________________________________________ 48 2.4腹杆计算___________________________________________________________ 49 2.5塔身位移计算_______________________________________________________ 51 2.6塔身的扭转角_______________________________________________________ 51 2.7塔身的连接_________________________________________________________ 53三整机稳定性的计算_______________________________________________ 553.1 第一种工况(无风,验算前倾): _____________________________________ 56 3.2 第二种工况(无风,验算后倾) _______________________________________ 57 3.3 第三种工况(最大风力作用下,验算前倾) _____________________________ 57 3.4 第四种工况(最大风力作用下,验算后倾) _____________________________ 57 3.5 第五种工况(45度转角)____________________________________________ 58 3.6 第六种工况(非工作状态、暴风侵袭) _________________________________ 583.7 第七种工况(突然卸载,验算后倾) ___________________________________ 59四变幅机构计算___________________________________________________ 604.1正常工作时变幅机构的作用力_________________________________________ 60 4.2最大变幅力_________________________________________________________ 61 4.3 机构的参数计算 _____________________________________________________ 62五回转机构_______________________________________________________ 655.1 回转阻力矩计算 _____________________________________________________ 65六起升机构的计算_________________________________________________ 686.1钢丝绳与卷筒的选择_________________________________________________ 68 6.2选择电动机_________________________________________________________ 68 6.3 选择减速器 _________________________________________________________ 69 6.4选择制动器_________________________________________________________ 70 6.5 选择联轴器 _________________________________________________________ 70 6.6 起制动时间验算 _____________________________________________________ 71七行走机构的计算_________________________________________________ 727.1 运行阻力的计算 _____________________________________________________ 72 7.2 电动机的选择 _______________________________________________________ 73 7.3 减速器的选择 _______________________________________________________ 75 7.4 制动器的选择 _______________________________________________________ 75 7.5 联轴器的选择 _______________________________________________________ 76 7.6 运行打滑验算 _______________________________________________________ 76一.臂架计算1.1俯仰变幅臂架1.1.1 载荷起重臂架的主要载荷为起升载荷、臂架自重载荷、物品偏摆水平力、各种惯性力和风力。
塔吊计算书5.1塔吊桩基础的计算书一. 参数信息塔吊型号:TC5613,自重(包括压重)F1=548.70kN,最大起重荷载F2=60.00kN 塔吊倾覆力距M=1766.00kN.m,塔吊起重高度H=40.00m,塔身宽度B=1.8m 混凝土强度:C35,钢筋级别:Ⅱ级,承台长度Lc或宽度Bc=5.00m桩直径或方桩边长d=0.80m,桩间距a=2.40m,承台厚度Hc=1.50m基础埋深D=1.50m,承台箍筋间距S=200mm,保护层厚度:40mm二. 塔吊基础承台顶面的竖向力与弯矩计算1. 塔吊自重(包括压重)F1=548.70kN2. 塔吊最大起重荷载F2=60.00kN作用于桩基承台顶面的竖向力F=1.2×(F1+F2)=730.44kN塔吊的倾覆力矩M=1.4×1766.00=2472.40kN.m三. 矩形承台弯矩的计算计算简图:图中x轴的方向是随机变化的,设计计算时应按照倾覆力矩M最不利方向进行验算。
1. 桩顶竖向力的计算(依据《建筑桩基础技术规范》JGJ94-94的第5.1.1条)其中n──单桩个数,n=4;F──作用于桩基承台顶面的竖向力设计值,F=1.2×608.70=730.44kN;G──桩基承台的自重,G=1.2×(25.0×Bc×Bc×Hc+20.0×Bc×Bc ×D)=1500.00kN;Mx,My──承台底面的弯矩设计值(kN.m);xi,yi──单桩相对承台中心轴的XY方向距离(m);Ni──单桩桩顶竖向力设计值(kN)。
经计算得到单桩桩顶竖向力设计值:最大压力:N=(730.44+1500.00)/4+2472.40×(2.40×1.414/2)/[2×(2.40×1.414/2)2]=1286.16kN最大拔力:N=(730.44+1500.00)/4-2472.40×(2.40×1.414/2)/[2×(2.40×1.414/2)2]=-170.94kN2. 矩形承台弯矩的计算(依据《建筑桩基础技术规范》JGJ94-94的第5.6.1条)其中Mx1,My1──计算截面处XY方向的弯矩设计值(kN.m);xi,yi──单桩相对承台中心轴的XY方向距离(m);Ni1──扣除承台自重的单桩桩顶竖向力设计值(kN),Ni1=Ni-G/n。
经过计算得到弯矩设计值:N=(730.44+1500.00)/4+2472.40×(2.40/2)/[4×(2.40/2)2]=1072.69kNMx1=My1=2×1072.69×(1.20-0.80)=858.15kN.m四. 矩形承台截面主筋的计算依据《混凝土结构设计规范》(GB50010-2002)第7.2条受弯构件承载力计算。
式中1──系数,当混凝土强度不超过C50时,1取为1.0,当混凝土强度等级为C80时,1取为0.94,期间按线性内插法确定;fc──混凝土抗压强度设计值;h0──承台的计算高度。
fy──钢筋受拉强度设计值,fy=300N/mm2。
经过计算得承台底面配筋s=858.15×106/(1.00×16.70×5000.00×750.002)=0.018=1-(1-2×0.018)0.5=0.018s=1-0.018/2=0.991Asx= Asy=858.15×106/(0.991×750.00×300.00)=3849.51mm2。
承台顶面按构造配筋。
五. 矩形承台截面抗剪切计算依据《建筑桩基础技术规范》(JGJ94-94)的第5.6.8条和第5.6.11条。
根据第二步的计算方案可以得到XY方向桩对矩形承台的最大剪切力,考虑对称性,记为V=1286.16kN我们考虑承台配置箍筋的情况,斜截面受剪承载力满足下面公式:其中0──建筑桩基重要性系数,取1.0;──剪切系数,=0.20;fc──混凝土轴心抗压强度设计值,fc=16.70N/mm2;b0──承台计算截面处的计算宽度,b0=5000mm;h0──承台计算截面处的计算高度,h0=750mm;fy──钢筋受拉强度设计值,fy=300.00N/mm2;S──箍筋的间距,S=200mm。
经过计算承台已满足抗剪要求,只需构造配箍筋!六.桩承载力验算桩承载力计算依据《建筑桩基础技术规范》(JGJ94-94)的第4.1.1条根据第二步的计算方案可以得到桩的轴向压力设计值,取其中最大值N=1286.16kN桩顶轴向压力设计值应满足下面的公式:其中0──建筑桩基重要性系数,取1.0;fc──混凝土轴心抗压强度设计值,fc=16.70N/mm2;A──桩的截面面积,A=0.503m2。
经过计算得到桩顶轴向压力设计值满足要求,只需构造配筋!七.桩竖向极限承载力验算及桩长计算桩承载力计算依据《建筑桩基础技术规范》(JGJ94-94)的第5.2.2-3条根据第二步的计算方案可以得到桩的轴向压力设计值,取其中最大值N=1286.16kN桩竖向极限承载力验算应满足下面的公式:最大压力:其中R──最大极限承载力;Qsk──单桩总极限侧阻力标准值:Qpk──单桩总极限端阻力标准值:Qck──相应于任一复合基桩的承台底地基土总极限阻力标准值:qck──承台底1/2承台宽度深度范围(≤5m)内地基土极限阻力标准值;s,p──分别为桩侧阻群桩效应系数,桩端阻群桩效应系数;c──承台底土阻力群桩效应系数;按下式取值:s,p,c──分别为桩侧阻力分项系数,桩端阻抗力分项系数,承台底土阻抗力分项系数;qsk──桩侧第i层土的极限侧阻力标准值,按下表取值;qpk──极限端阻力标准值,按下表取值;u──桩身的周长,u=2.513m;Ap──桩端面积,取Ap=0.50m2;li──第i层土层的厚度,取值如下表;厚度及侧阻力标准值表如下:序号土厚度(m) 土侧阻力标准值(kPa) 土端阻力标准值(kPa) 土名称1 6.27 20 875 粘性土2 2.08 25 875 粘性土3 5.74 50 1900 粉土或砂土4 3.18 45 1950 粉土或砂土由于桩的入土深度为15m,所以桩端是在第4层土层。
最大压力验算:R=2.51×(6.27×20×.8+2.08×25×.8+5.74×50×1.2+.910000000000001×45×1.2)/1.67+1.30×1950.00×0.50/1.67+0.00×656.25/1.65=1568.85kN 上式计算的1.2R的值大于最大压力1286.16kN,所以满足要求!八.桩抗拔承载力验算桩抗拔承载力验算依据《建筑桩基础技术规范》(JGJ94-94)的第5.2.7条桩抗拔承载力应满足下列要求:其中:式中Uk──基桩抗拔极限承载力标准值;i──抗拔系数;解得:Ugk=12.8×(6.27×20×.7+2.08×25×.7+5.74×50×.75+.910000000000001×45×.75)/4=1184.46kNGgp=12.8×15×22/4=1056.00kNUk=2.51×(6.27×20×.7+2.08×25×.7+5.74×50×.75+.910000000000001×45×.75)=930.27kNGp=2.51×15×25=942.48kN由于: 1184.46/1.67+1056.00>=170.94 满足要求!由于: 930.27/1.67+942.48>=170.937854785478 满足要求!九.桩式基础格构柱计算依据《钢结构设计规范》(GB50017-2003)。
1. 格构柱截面的力学特性:格构柱的截面尺寸为0.46×0.46m;主肢选用:16号角钢b×d×r=160×16×16mm;缀板选用(m×m):0.36×0.36主肢的截面力学参数为A0=49.07cm2,Z0=4.55cm,Ix0=1175.08cm4,Iy0=1175.08cm4;格构柱截面示意图格构柱的y-y轴截面总惯性矩:格构柱的x-x轴截面总惯性矩:经过计算得到:Ix=4×[1175.08+49.07×(46/2-4.55)2]=71510.44cm4;Iy=4×[1175.08+49.07×(46/2-4.55)2]=71510.44cm4;2. 格构柱的长细比计算:格构柱主肢的长细比计算公式:其中H ──格构柱的总高度,取10.70m;I ──格构柱的截面惯性矩,取,Ix=71510.44cm4,Iy=71510.44cm4;A0 ──一个主肢的截面面积,取49.07cm2。
经过计算得到x=56.06,y=56.06。
格构柱分肢对最小刚度轴1-1的长细比计算公式:其中b ──缀板厚度,取b=0.36m。
h ──缀板长度,取h=0.12m。
a1──格构架截面长,取a1=0.46m。
经过计算得i1=[(0.362+0.122)/48+5×0.462/8]0.5=0.37m。
1=10.70/0.37=29.09。
换算长细比计算公式:经过计算得到kx=63.16,ky=63.16。
3. 格构柱的整体稳定性计算:格构柱在弯矩作用平面内的整体稳定性计算公式:其中N ──轴心压力的计算值(kN);取N=1286.16kN;A──格构柱横截面的毛截面面积,取4×49.07cm2;──轴心受压构件弯矩作用平面内的稳定系数;根据换算长细比0x=63.16,0y=63.16,查《钢结构设计规范》得到x=0.79,y=0.79。
经过计算得到X方向的强度值为82.9N/mm2,不大于设计强度215N/mm2,所以满足要求!Y方向的强度值为82.9N/mm2,不大于设计强度215N/mm2,所以满足要求!5.2钢平台计算一、塔机基础荷载载荷工作状态非工作状态工况75.11766487.5Fh基础载荷1693Fh(KN)18.5M(KNm)342T(KNm)548.7Fv(KN)MTFv二、钢平台受力及强度计算a.塔机大臂与设备梁成90°时设备梁受力分析b.设备钢梁受力计算(∵塔机回转∴a、b梁受力交替变化,只计算b梁即可)梁支座反力:R=M/2*1 .42+Fv/4=1766/2.84+548.7/4=759KN设备梁最大弯矩:Mmax=R*0.49=759*0.49=371.91KN.MMmax=371.91KN.Mc.塔机大臂与设备梁成45°时设备梁受力分析d.设备钢梁受力计算(∵塔机回转∴a、b梁受力交替变化,只计算b梁即可)R=(Fv/4*0.49)+((M/1.42*1.414+Fv/4)*1.91)/2.4=(67.22+11941.9)/2.4=837.13KNMmax=R*0.49=410.2KN.M(二)设备梁验算根据设备梁受力分析和计算,将在起重臂与设备梁成45°时,梁受力弯矩和剪力最大所以只验算设备梁在塔机45°工况下受力a.b梁受力工况(在塔机自重和弯矩作用下)及验算b.b梁受力工况(在塔机剪力作用下)及验算抗弯许用应力[σ]=170N/mm2Mx=410.2 KN.Mσx=Mx/Wx= =122.8 N/mm2<[σ]=170N/mm2My=Fh/4*0.49=18.775*0.49=9.2KN.Mσy= My/Wy= 8.21N/mm2<[σ]=170N/mm2抗剪许用应力[τ]=93.1 N/ mm 2τ=QS/Iδ=(837130*21)/(403000*13)=3.36N/ mm2<[τ]=93.1 N/ mm2折算应力σ=√σx2+σy2+3τ2=√16589.44+67.4+33.89=129.19N/mm2<[σ]=170N/mm2三、塔机设备梁与钢格构柱连接焊缝计算根据塔机基础受力分析,设备梁与格构柱连接处焊缝受力为塔机抗倾覆时拉力和水平力。