测量用电流互感器检定规程
- 格式:pdf
- 大小:1.28 MB
- 文档页数:17
ⅡG313-2010《测量用电流互感器》检定规程的解读与分析摘要:本文介绍了规程修订的背景,进行了新旧版本的对照分析,主要从适用范围、计量性能、技术要求、检定装置等几个方面阐述并分析了新旧规程的差异。
关键词:互感器适用范围计量性能技术要求检定装置互感器是电力行业和仪器仪表行业必不可少的传感变换器件,目前虽然有不使用变压器原理的电流电压传感器,但其功能还不能完全替代互感器。
更为重要的是互感器的高可靠性是电子式传感器不能达到的。
在需要高可靠性的场所,必须使用互感器进行电流电压变换。
测量用互感器按用途又可以分为电力用和仪用两种,仪用互感器的误差是在实验室条件下测量确定的,电力互感器的误差可以在实验室测量确定,也可以在安装现场测量确定,但测量时的环境条件和实际使用的环境条件有很大不同,运行工况和实验室检验状态也有很大区别,这就导致电力互感器存在运行变差。
因此只根据误差测量结果判断电力互感器是否合格是不可行的,还必须根据运行时的实际误差来判断是否合格。
国家计量检定规程JJG 1021-2007《电力互感器》和JJG 313-2010《测量用电流互感器》的主要区别就在这里。
因此新修订的JJG 313-2010《测量用电流互感器》,按以上原则把仪用互感器与电力互感器分开,电力互感器检定规程主要考虑到电量结算方面的公平与公正,而仪用互感器检定规程则是考虑到感器计量技术的使用与先进性等方面。
1 JJG313-2010修订的主要内容1.1 适用的范围JJG 313-2010(以下简称新规程)规定的适用范围是:0.001级~0.5级的测量用电流互感器;而JJG 313-1994(以下简称旧规程)规定的适用范围是:0.001级~1级的测量用电流互感器;也就是说旧规程的适用范围被新修订过后的新规程的适用范围给覆盖了,电流互感器的准确度为1级的在国家标准GB 1208-2006《电流互感器》中是包括的,在2010规程中删去了这部分内容。
电力公司计量外校高级工试题之电流互感器检定规程1. 检定目的本规程旨在规范电流互感器的检定工作,确保检定结果准确、可靠,保证电能计量的准确性和安全可靠性。
2. 仪器设备(1)无功功率表、功率因数表、电子万用表、标准电流互感器、标准电流表、校验仪表、电压互感器、反接绕组、变压器等常规校验设备。
(2)温度计、湿度计、测温仪等检定辅助设备。
(3)检定现场应选在无电弧的环境下进行,必要时应使用防护设备。
3. 检定课题(1)检定电流互感器的准确度等级。
(2)检定电流互感器的变比误差。
(3)检定电流互感器的相位误差。
4. 标准电流互感器的选用标准电流互感器应符合下列条件:(1)准确度等级不低于待检电流互感器的准确度等级。
(2)变比误差足够小。
(3)相位误差足够小。
(4)能够满足待检电流互感器的额定电流值。
(5)符合国家国际标准。
5. 检定方法(1)检定准确度①根据检定要求选取标准电流互感器和标准电流表,充分加热并保持稳定后,将待检电流互感器、交流电源、标准电流表和标准电流互感器依次接入测量电路。
②调整电源电压和负载电阻,使待检电流互感器的二次侧输出的电流为额定电流值,记录标准电流表和待检电流互感器的读数,并计算其误差。
③采用逐差法计算待检电流互感器的准确度等级。
(2)检定变比误差①标准电流表和待检电流互感器依次接入测量电路,记录两者的读数。
②按一定比例对待检电流互感器的一次和二次绕组加电压和电流,记录一次电流和二次电流,并计算变比。
③根据得到的变比值,计算出待检电流互感器的变比误差。
(3)检定相位误差①待检电流互感器电压端子、标准电流表电压端子、标准电流互感器电压端子依次接入测量电路。
②调整电源电压和负载电阻,使待检电流互感器的二次侧输出的电流为额定电流值,记录标准电流表和待检电流互感器的读数,计算待检电流互感器二次电流和标准电流互感器的电流相差的相位角。
③根据得到的相位角,计算出待检电流互感器的相位误差。
电流互感器检修试验规程5.3.1 电流互感器巡检及例行试验表7 电流互感器巡检项目巡检项目基准周期要求说明条款外观检查330kV及以上:2周220kV:1月110kV/66kV:3月外观无异常见 5.3.1.1条表8 电流互感器例行试验项目例行试验项目基准周期要求说明条款红外热像检测330kV及以上:1月220kV:3月110kV/66kV:半年无异常见 5.3.1.2条油中溶解气体分析(油纸绝缘)正立式≤3年倒置式≤6年乙炔≤2(110kV/66kV)(μL/L)≤1(220kV及以上)(μL/L)(注意值)氢气≤150(μL/L)(注意值)总烃≤100(μL/L)(注意值)见 5.3.1.3条绝缘电阻3年1. 一次绕组:初值差不超过-50%(注意值)2. 末屏对地(电容型):>1000M Ω(注意值)见 5.3.1.4条电容量和介质损耗因数(固体绝缘或油纸绝缘) 3年电容量初值差不超过±5%(警示值)2. 介质损耗因数tgδ满足下表要求(注意值)Um(kV) 126/72.5 252/363 ≥550tgδ≤0.008≤0.007≤0.006聚四氟乙烯缠绕绝缘:≤0.005超过注意值时,参考 5.3.1.5 条原则判断见 5.3.1.5条SF6气体湿度检测(SF6绝缘)3年≤500µL/L(注意值)见8.1 条5.3.1.1 巡检说明a) 高压引线、接地线等连接正常;本体无异常声响或放电声;瓷套无裂纹;复合绝缘外套无电蚀痕迹或破损;无影响设备运行的异物;b) 充油的电流互感器,无油渗漏,油位正常,膨胀器无异常升高;充气的电流互感器,气体密度值正常,气体密度表(继电器)无异常;c) 二次电流无异常。
5.3.1.2 红外热像检测检测高压引线连接处、电流互感器本体等,红外热像图显示应无异常温升、温差和/或相对温差。
检测和分析方法参考DL/T 664。
5.3.1.3 油中溶解气体分析取样时,需注意设备技术文件的特别提示(如有),并检查油位应符合设备技术文件之要求。
1.主题内容与适用范围
本规范规定了电流互感器地出厂检验项目、技术要求、检验方法和检测设备.
2. 规范性引用文件
GB1208-2006电流互感器
JB/T5356-2002 电流互感器试验导则
GB/T16927.1-1997 高电压试验技术第一部分一般试验要求
3.试验项目、技术要求、检测设备和检验方法见下表1:
个人收集整理仅供学习参考
表2 电流误差和相位差地限值
表3
个人收集整理仅供学习参考
4.检验规则
浇注电压互感器制造完成后,应逐台进行上述1~7项所规定地常规试验项目.任一一项不合格都必须进行返工或返修,直至合格为止.
4.2项1必须在其他项目之前进行检查,项2,3应在项4之前进行,项5、6、7应在项4之后进行.。
电力公司计量内控高级工试题之电流互感器检定规程本文介绍电力公司计量内控高级工试题之电流互感器检定规程。
1. 范围本规程适用于电力公司使用的电流互感器的检定工作。
2. 规定2.1. 检定机构检定机构必须具有相应的检定资质,且符合国家计量法规定的检定机构的条件。
2.2. 检定设备检定设备必须符合国家计量法规定的检定设备的性能要求,并经过检定合格。
2.3. 检定要求电流互感器检定应满足以下要求:2.3.1. 检定应按照现行标准和规范进行,检定标准应符合国家计量法规定的计量标准的性能要求和技术要求。
2.3.2. 检定过程中,应注意防止互感器内部存在的气泡和水分影响互感器性能。
2.3.3. 检定时应测量互感器的比值误差、相位角误差、频率特性等参数。
2.3.4. 检定时应检查互感器结构、铭牌、接线及绝缘是否完好。
2.4. 检定结果2.4.1. 检定结果应符合互感器的型式试验证书规定的限值要求。
2.4.2. 检定报告应列明检定日期、检定机构名称、检定项目、检定结果及判定结论等。
3. 检定周期电流互感器的检定周期一般为一年,特殊情况下可酌情延长或缩短。
4. 维护和管理4.1. 使用过程中,应注意避免过度震动和过度负荷,定期检查互感器的结构、铭牌、接线及绝缘是否完好。
4.2. 每次使用后应在互感器表面进行清洗和擦拭,并妥善保存。
4.3. 互感器应存放在干燥、通风、温度适宜的库房中,并注意避免绝缘性能受潮、升温等不利影响。
4.4. 对于出现性能不良的互感器,应及时报废或维修。
5. 相关法规本规程所涉及的检定和管理工作应符合国家计量法和计量标准法等相关法规的要求。
6. 结论通过上述规定的电流互感器检定规程,可以保障电力公司所使用的电流互感器的质量,同时也能够确保互感器的安全性能稳定。
电流互感器、电压互感器的检验规程
1、适用范围
本规程适用于电流互感器、电压互感器的进厂检验。
2、检验工具
绝缘电阻表
3、检验内容
3.1查对产品型号、规格是否与要求相符,是否为规定的合格分供方产品。
3.2 随行文件是否齐全。
3.3 互感器应有清晰、牢固的下列标记:制造商标、名称、规格型号及变比和准确等级、生产日期、编号等。
3.4浇注体表面光滑无裂纹、无气泡,一、二次接线端和接地端标志应清晰。
3.5用绝缘电阻表测量其绝缘电阻,阻值应在100兆欧以上。
4、判定原则
一项不合格,则判该试品不合格。
不合格的产品严禁入库和使用。
一、测量用电流互感器检定方法1、外观检查2、绝缘电阻测量用500V兆欧表测量各绕组之间和各绕组对地的绝缘电阻,应符合JB/T 5472第6.7款要求;额定电压3KV及以上的电流互感器使用2.5KV兆欧表测量一次绕组与二次绕组之间以及一次绕组对地的绝缘电阻,应不小于500MΩ。
接线图如下:驱动兆欧表达额定转速,或接通兆欧表电源开始测量,待指针稳定后(或60S),读取绝缘电阻值;读取绝缘电阻值后,先断开接至被试绕组的连接线,然后再将绝缘电阻表停止运转。
断开绝缘电阻表后应对被试品放电接地。
3、工频耐压试验我们应根据被试品该进行的试验类型,再根据相关的技术标准来确定试验电压。
工频耐压试验时加至试验电压后的持续时间,如无特殊说明均为1min。
升压必须从零开始,切不可冲击合闸。
升压速度在75%试验电压之前,可以是任意的,自75%电压开始应均匀升压,约为每秒2%试验电压的速率升压。
耐压试验后,迅速均匀降压到零,然后切断电源。
升压过程中应密切监视高压回路,监听被试品有何异常的响声。
升压至试验电压,开始计时。
时间到后,降压然后切断电源。
试验中,如无破坏性放电发生,则认为通过耐压试验。
4、退磁5、绕组极性检查6、误差测量传统比较法接线图如下:7、局部放电试验接线图如下:测量性能要求如下表:8、磁饱和裕度试验9、电容量和介质损耗因数测量二、测量用电压互感器检定方法1、外观检查2、绝缘电阻测量测量接线图如下:3、工频耐压试验外施工频耐压试验的持续时间应为60s。
试验电压应施加在一次绕组各端子与地之间,所有二次绕组端子、座架、箱壳(如果有)、铁心(如果要求接地)皆应连在一起接地。
接线图如下:升压必须从零开始,切不可冲击合闸。
升压速度在75%试验电压之前,可以是任意的,自75%电压开始应均匀升压,约为每秒2%试验电压的速率升压。
耐压试验后,迅速均匀降压到零,然后切断电源。
升压过程中应密切监视高压回路,监听被试品有何异常的响声。
电力公司计量内控中级工试题之电流互感器检定规程电流互感器检定规程一、概述本规程适用于电力公司计量互检中心对电流互感器进行检定时的操作规程。
二、检定仪器和设备1.检定仪器:(1)电桥(2)交流电桥供电装置(3)标准电流互感器(4)标准电流源(5)电压电流表(6)温度计(7)计算机2.检定设备(1)电流互感器检定台(2)校验设备标准互感器(3)电压电流源三、检定方法1.工具准备(1)检查检定仪器和设备,确保其工作正常。
(2)准备标准电流互感器、电流源和电压电流表。
(3)根据检定需求,连接检定电路。
(4)对待检电流互感器进行清洁。
2.检定前准备(1)进行标准电流互感器和待检电流互感器电流示值的校准。
(2)对待检电流互感器进行温度测量,并进行温度校正。
(3)将标准电流互感器和待检电流互感器调整到相同的温度。
(4)进行电源电压和电流、标准电流互感器基本误差和方向测试。
3.检定(1)进行空载和额定负载的标定。
(2)进行基本误差和方向测试,并判定其合格情况。
(3)对待检电流互感器的每个端子进行电势差测试。
(4)对待检电流互感器的每个端子进行变比误差测试。
(5)检测待检电流互感器的二次回路中出现的相位差,并将其记录下来。
(6)检测待检电流互感器的二次回路中的滞回特性,并记录下来。
4.检定后处理(1)测试结果的书写。
(2)记录待检电流互感器的基本性能指标。
(3)将测试结果归档。
四、检定结果的评定对检定结果进行评定,可以得出检定结果的合格与不合格情况。
五、检定记录和报告对检定结果进行记录和报告,并保存备查。
六、检定设备的维护对检定设备进行经常性的维护,保证其正常工作。
七、质量保证为了保证检定结果的准确性和稳定性,必须对仪器、设备进行定期的校验。
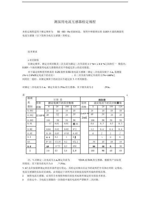
测虽用电流互感器检定规程本检定规程适用于额定频率为50(60)Hz的新制造、使用中和修理后的0.001-1级的测量用电流互感器(以下简称为电压互感器)的检定。
技术要求1误差限值在额定频率、额定功率因数及二次负荷为额定二次负荷的2 5 %— 1 0 0 %之间的任一数值内,0.001 - 1级的测量用电流互感器的误差不得超过表1的误差限值。
对于满足特殊使用要求的0.2S级和0.5S级电流互感器(额定二次电流仅限于5 A, 需测量1%〜1 2 0%额定电流下的误差),在二次负荷为额定负荷的2 5%〜100%之间的任一值时,在额定频率下的误差应不超过表1 -1所列限值。
对额定二次电流为5 A,额定负荷为5VA的互感器,其下限负荷为2 .5VA。
表1注:1.对额定二次电流为5 A,额定负荷为10VA或5VA的互感器,根据用户实际使用情况,其下限负荷允许为3 . 7 5VA。
1. b7,允许按铭牌规定的技术条件进行检定,其检定结果应在证书的说明栏中具体注明检定情况。
电流互感器的实际误差曲线,必须超过下表所列误差限值连线所形成的折线范围。
2被检电流互感器,必须符合本规程和相应的技术标准所规定的全部技术要求。
3在检定中,当电流互感器的一次绕组中通有电流时严禁断开二次回路。
准比值羞相位差悟宰因素逝定电恭下的百公致值侑率因素靛定电STFtfi百分数值152010012015J001200.2s C.75360.20.20.230151C10100* 5" 1. 50.750,50,5口.5GO4530303C检定设备和条件4主要设备4.1标准电流互感器或其它电流比例标准器(以下简称标准器)。
标准器的准确度级别及技术性能,应满足如下的要求:4.1.1标准器应比被检定电压互感器高两个准确度级别:其实误差应不超过被检电流互感器误差限值的1/5.当标准器不具备上述条件时,可以选用比被检电流互感器高一个级别的标准器作为标准,此时,计算被检电流互感器的误差应按17.2款中的公式进行标准器的误差修正。
电流互感器检定作业指导书1 适用范围本作业指导书适用测量用电流互感器的实验室检定。
2 依据JJG 313-94 测量用电流互感器3 环境条件环境温度:+10℃~+35℃相对湿度:≤80%4 安全工作要求4.1 所有应接地的设备必须可靠接地。
4.2人员与带电设备之间的安全距离应满足安规要求。
4.3电流互感器二次回路严禁开路。
4.4严禁带负荷切换二次负荷箱。
5 检定设备5.1电流互感器标准装置的选择参照表1。
表1 电流互感器标准装置5.2 500V绝缘电阻表6 检定项目6.1 外观检查6.2 绝缘电阻测试6.3 退磁6.4 极性检查6.5 误差测量7 工作程序7.1 外观检查如有下列缺陷之一者,需修复后方予检定。
7.1.1没有铭牌或铭牌中缺少必要的标记;7.1.2接线端钮缺少、损坏或无标记;穿心式电流互感器没有极性标记;7.1.3多变比电流互感器在铭牌或面板上未标有不同电流比的接线方式;7.1.4严重影响检定工作进行的其它缺陷。
检查外观有无损伤、名牌参数是否齐全、有无极性标记和接线方式。
7.2 绝缘电阻测试可以用绝缘电阻表测量其各绕组之间和绕组对地之间的绝缘电阻值。
凡用500 V绝缘电阻表测量电流互感器一次绕组对二次绕组及对地间的绝缘电阻值小于5 MΩ者,不予检定7.3 退磁最佳的退磁方法应按厂家在标牌上标注的或技术文件中所规定的退磁方法和要求为宜。
如果制造厂未做规定,可根据具体情况,在下面介绍的方法中选一合适的方法进行退磁。
7.3.1开路退磁法在一次(或二次)绕组中选择其匝数较少的一个绕组通以10%的额定一次(或二次)电流,在其他绕组均开路的情况下,平稳、缓慢地将电流降至零。
退磁过程中应监视接于匝数最多绕组两端的峰值电压表,当指示值超过2600 V时,则应在较小的电流值下进行退磁。
7.3.2闭路退磁法在二次绕组上接一个相当于额定负荷10~20倍的电阻(考虑足够容量),对一次绕组通以工频电流,由零增至1. 2倍的额定电流,然后均匀缓慢地降至零。
电流互感器的检定规程及操作规程电流互感器的检定规程电流检定项目一般包括外观检查、绝缘电阻测量、工频耐压试验、退磁、绕组极性检查、基本误差测量、稳定性试验等项目。
对于额定频率50Hz(或60Hz)的测量用一般需要进行上述项目的检验,下面本文将依据电流互感器的检定规程对这几个项目的操作及要求进行介绍。
一、电流互感器外观检查必需对被检电流进行全面检查,当被检电流传感器存在以下缺陷,必需修复后再检定:1)无铭牌或缺少必要的标志;2)接线端子缺少、损坏或无标志;3)有多个电流比的互感器没有标示出相应接线方式;4)绝缘表面破损或受潮;5)内部结构件松动;6)其他严重影响检定工作进行的缺陷。
二、电流互感器绝缘电阻测量用500V测量各绕组之间和各绕组对地的绝缘电阻,互感器一次绕组对二次绕组及接地端子之间的绝缘电阻不得小于40MΩ,二次绕组对地端子之间的绝缘电阻均不得小于20MΩ;额定电压3000V 及以上的电流互感器使用2500V兆欧表测量一次绕组与二次绕组之间以及一次绕组对地的绝缘电阻,应不小于500MΩ。
三、被测基本参数互感器一次绕组对二次绕组及接地端子之间的工频试验电压参见下表1所示施加电压进行测试,试验过程中假如没有发生绝缘损坏或放电闪络,则认为通过试验。
对于一次绕组为分段式,以便通过串、并联得到多种电流比的互感器,其各个独立线圈之间的绝缘应能承受2000V的工频电压。
互感器二次绕组对地端子之间的工频试验电压(有效值)为2000V。
工频耐压试验时间一般为1min,当互感器的绝缘紧要是固体有机材料构成时,耐压试验时间应为5min。
四、电流互感器退磁试验实施开路法退磁时,在一次(或二次)绕组中选择其匝数较少的一个绕组通以10%~15%的额定一次(或二次)电流,在其他绕组均开路的情况下,平稳、缓慢地将电流降至零。
退磁过程中应监视接于匝数较多绕组两端的峰值电压表,当指示值达到2600V时,应在此电流值下退磁。
实施闭路法退磁时,在二次绕组上接一个相当于额定负荷10~20倍的电阻(考虑充分容量),对一次绕组通以工频电流,由零增至1.2倍的额定电流,然后均匀缓慢地降至零。
JJG313—2010《测量用电流互感器》检定规程的解读与分析作者:李岚来源:《科技资讯》2012年第23期摘要:本文介绍了规程修订的背景,进行了新旧版本的对照分析,主要从适用范围、计量性能、技术要求、检定装置等几个方面阐述并分析了新旧规程的差异。
关键词:互感器适用范围计量性能技术要求检定装置中图分类号:TM4 文献标识码:A 文章编号:1672-3791(2012)08(b)-0243-02互感器是电力行业和仪器仪表行业必不可少的传感变换器件,目前虽然有不使用变压器原理的电流电压传感器,但其功能还不能完全替代互感器。
更为重要的是互感器的高可靠性是电子式传感器不能达到的。
在需要高可靠性的场所,必须使用互感器进行电流电压变换。
测量用互感器按用途又可以分为电力用和仪用两种,仪用互感器的误差是在实验室条件下测量确定的,电力互感器的误差可以在实验室测量确定,也可以在安装现场测量确定,但测量时的环境条件和实际使用的环境条件有很大不同,运行工况和实验室检验状态也有很大区别,这就导致电力互感器存在运行变差。
因此只根据误差测量结果判断电力互感器是否合格是不可行的,还必须根据运行时的实际误差来判断是否合格。
国家计量检定规程JJG 1021-2007《电力互感器》和JJG 313-2010《测量用电流互感器》的主要区别就在这里。
因此新修订的JJG 313-2010《测量用电流互感器》,按以上原则把仪用互感器与电力互感器分开,电力互感器检定规程主要考虑到电量结算方面的公平与公正,而仪用互感器检定规程则是考虑到感器计量技术的使用与先进性等方面。
1 JJG313-2010修订的主要内容1.1 适用的范围JJG 313-2010(以下简称新规程)规定的适用范围是:0.001级~0.5级的测量用电流互感器;而JJG 313-1994(以下简称旧规程)规定的适用范围是:0.001级~1级的测量用电流互感器;也就是说旧规程的适用范围被新修订过后的新规程的适用范围给覆盖了,电流互感器的准确度为1级的在国家标准GB 1208-2006《电流互感器》中是包括的,在2010规程中删去了这部分内容。
熟悉电流互感器计量试验步骤
一、计量法规介绍
二、电流互感器作用及其原理
1>作用
2>原理
3>极性
三、电流互感器计量(误差校验)试验
1>误差的定义
2>具体影响电流互感器的误差的因素
3>负载
四、计量修约
1.修约规则
1.1 “1”间隔修约:“四舍六入,遇5进偶法则”,即拟舍弃数字最左一位数小于5时舍去,大于5时进1,等于5时,若保留数最后一位为
奇数时则进1,若为偶数时则舍去。
1.2 “2”间隔修约:将拟修约数除以2,按1间隔规则修约,修约数乖以2,则为修约数。
1.3 “5”间隔修约:将拟修约数除以5,按1间隔规则修约,修约数乖以5,则为修约数。
五、试验过程
1、检定项目和程序
1)外观检查;
2)绝缘电阻的测定
3)工频电压试验
4)绕组极性的检查
5)退磁
6)误差的测量
2、仪器的具备
调压器一台;校验仪器一台;标准CT一台;负载箱一台;大力嵌四个以上;
专用升流线;
3、接线
4、数据记录及修约
_0.2S级的要求。
电力公司计量外校中级工试题之电流互感器检定规程20题一、电流互感器检定的目的电流互感器是输变电系统中重要的电力测量元器件,其准确性直接影响到系统的稳定性和电度量值的准确性。
因此,对电流互感器的检定具有至关重要的意义。
二、电流互感器检定的方法1. 直接法2. 比值法3. 接触法三、电流互感器检定的仪器1. 变比仪2. 万用电表3. 示波器4. 校准源5. 校准变压器四、电流互感器检定的程序1. 准备工作(1)确定检定电流互感器的规格、型号和等级;(2)检查仪器设备,保证仪器设备能够正常工作;(3)检查检定文件、检定记录和技术规范。
2. 直接法检定(1)将电流互感器的一次绕组测量线圈与标准电流表直接相连,二次绕组接相应的负载电阻;(2)在额定电流下测定电流互感器的输出电流和标准电流表的读数,计算误差。
3. 比值法检定(1)将待检电流互感器与标准电流互感器直接相连,二次绕组接相应的负载电阻;(2)在相同的一次电流下测量待检电流互感器和标准电流互感器二次绕组输出电流的比值,计算待检电流互感器的误差。
4. 接触法检定(1)将待检电流互感器与标准电流互感器相接触,二次绕组接相应的负载电阻;(2)在额定电流下测定待检电流互感器的输出电流和标准电流互感器的输出电流,计算误差。
五、电流互感器检定的规则1. 检定应在大气压力、温度湿度适宜时进行。
2. 检定时应按照相应的检定规程检定。
3. 检定过程中应防止接线错误,保证正常的电源电压。
4. 检定前,应对待检电流互感器进行外观检查、绝缘强度检查。
5. 检定结果应正确、可靠。
如果检定结果不符合规定的技术规范要求,应立即停止检定,并进行相关的处理。
六、电流互感器检定记录检定记录应包括以下内容:1. 检定日期和时间;2. 待检电流互感器的规格、型号和等级;3. 检定方法;4. 检定仪器和校准源;5. 检定结果;6. 检定人员签字。
七、电流互感器检定的注意事项1. 检定前应对待检电流互感器进行外观检查、绝缘强度检查。
测量用电流互感器检定规程本检定规程适用于额定频率为50(60)Hz的新制造、使用中和修理后的0.001-1级的测量用电流互感器(以下简称为电压互感器)的检定。
一技术要求1误差限值在额定频率、额定功率因数及二次负荷为额定二次负荷的25%-100%之间的任一数值内,0.001-1级的测量用电流互感器的误差不得超过表1的误差限值。
对于满足特殊使用要求的0.2S级和0.5S 级电流互感器(额定二次电流仅限于5A,需测量1%~120%额定电流下的误差),在二次负荷为额定负荷的25%~100%之间的任一值时,在额定频率下的误差应不超过表1-1所列限值。
对额定二次电流为5A,额定负荷为5VA的互感器,其下限负荷为2.5VA。
表1注:1. 对额定二次电流为5A,额定负荷为10VA或5VA的互感器,根据用户实际使用情况,其下限负荷允许为3.75VA。
1. b7,允许按铭牌规定的技术条件进行检定,其检定结果应在证书的说明栏中具体注明检定情况。
电流互感器的实际误差曲线,必须超过下表所列误差限值连线所形成的折线范围。
2被检电流互感器,必须符合本规程和相应的技术标准所规定的全部技术要求。
3在检定中,当电流互感器的一次绕组中通有电流时严禁断开二次回路。
表2二检定设备和条件4主要设备4.1 标准电流互感器或其它电流比例标准器(以下简称标准器)。
标准器的准确度级别及技术性能,应满足如下的要求:4.1.1 标准器应比被检定电压互感器高两个准确度级别:其实误差应不超过被检电流互感器误差限值的1/5.当标准器不具备上述条件时,可以选用比被检电流互感器高一个级别的标准器作为标准,此时,计算被检电流互感器的误差应按17.2款中的公式进行标准器的误差修正。
4.1.1 b5。
表34.1.3 在检定周期内,标准器的误差变化不得大于差限值的1/3。
4.1.4 标准器必须具有法定机构的检定证书。
使用时的二次负荷实际值与证书上所标负荷之差应不超过±10%。
4.2 误差测量装置由误差测量装置所引起的测量误差,应不大于被检定电流互感器误差限值的1/10。
其中,装置灵敏度引起的测量误差不大于1/20,最小分度值引起的测量误差不大于1/15。
差压测量回路的附加二次负荷引起的测量误差不大于1/204.3 监测用电流表为了确定标准二次回路的工作电流,外接监视用电流表的准确度级别应为 1.5级以上,在同一量程的所有示值范围内,电流表的内阻抗应保持不变。
4.4 电流负荷在额定频率为50Hz时、温度为20±5℃时,电流负荷的误差在20%-120%额定电流范围内均不得大于±5%。
当cosΦ=1时,残余无功分量不得大于额定负荷的±5%。
周围温度每变化10℃时,负荷的误差变化不应超过±2%。
4.5 电源及调节设备电源及其调节设备应具有足够的容量和调节细度,电源的频率应为50±0.5Hz(60±0.6Hz),波形畸变系数应不超过5%。
5环境条件5.1 周围温度为+10-+35℃,相对湿度不大于80%。
5.2 用于检定的设备如升流器,调流器等的电磁场所引起的测量误差不大于被检电流互感器误差限值的1/10。
5.3 由外界磁场引起的测量误差应不大于被检电流互感器误差限值的1/20。
三检定项目和检定方法6检定项目和程序6.1 外观检查6.2 绝缘电阻的测定6.3 工频电压试验6.4 绕组极性检查6.5 退磁6.6 误差的测量7外观检查如有以下缺陷之一,修复后方予检定。
7.1 无铭牌或铭牌中缺少必要的标记;7.2 接线端钮缺少、损坏或无标记;7.3 多变化互感器未标不同变比的接线方式;7.4 严重影响检定工作进行的其它缺陷。
8绝缘电阻的测定可用兆欧表测量各绕组之间和绕组对地的绝缘绝电阻。
凡用500伏兆欧表测量电流互感器一次绕组对二次绕组及二次绕组对地间的绝缘电阻小于5MΩ者,不予检定。
9工频电压试验工频电压试验包括工频耐压试验和匝间绝缘强度试验。
进行工频电压试验时,必须严格遵守安全工作规程。
9.1 新制造的并用于电压系统中的电流互感器,其工频3试验电压和试验方法,必须符合GB311-83《高压电气设备绝缘电压和试验方法》的规定。
9.2 新制造和大修(全部更换绕组或绝缘)后的用于试验室(不与电力系统直接连接)的电流互感器,其工频试验电压必须符合ZBY096-94《精密电压互感器技术条件》的规定,试验方法参照GB311-83的有关部分。
9.3 电力系统运行中(包括修理过)的电流互感器,其工频电压试验,按水利电力部《电气设备交接和预防性试验标准》的要求进行。
9.4 在试验室使用中(包括小修后)的电流互感器,经过小修或当用户提出要求是方进行工频电压试验,试验电压按ZBY096-94中规定的80%进行,试验方法参照GB311-83的有关部分。
10绕组极性检查10.1 推荐用电流互感器校验仪进行绕组极性检查。
一般校验仪具极性指示器,标准器的极性是已知的,当按规定的标记接好线通电时,如发现校验仪的极性指示器动作而又排除是由于变比接错所致,则可确认试品与标准电流互感器的极性相反。
10.2 当使用的互感器校验仪不具有极性指示器时,允许使用其它方法,如直流法或交流法直接检查绕组的极性。
极性应减极性。
11退磁最佳的退磁方法应按厂家在标牌上标注的或技术文件中所的退磁方法和要求为宜。
如果制造厂家未作规定,可根据具体情况,在下面介绍的方法中选一合适的方法退磁。
11.1 开路退磁法在一次(或二次)绕组中选择其匝数较少的一个绕组通以10%的额定一次(或二次)电流,在其他绕组均开路的情况下,平稳、缓慢地将电流降至零。
退磁过程中应监视解于最多绕组两端的峰值电压表,当指示超过2600伏时,则应在较小的电流下进行退磁。
11.2 闭路退磁法在二次绕组上接一个相当于额定负荷10~20倍的电阻(考虑足够容量),对一次绕组通以工频电流,由零增至1.2倍的额定电流,然后均匀缓慢地降至零。
对具有两个或两个以上二次绕组均与同一个铁芯交接,其中一个二次绕组接退磁电阻,其余的二次绕组应开路。
12误差测量12.1 测量误差时,应按被检电流互感器的准确度级别和本规程第4条的要求,选适合的标准器及测量设备。
而且,无论采用合种测量装置,均应按下面的规定接线:把一次绕组的L1端和二次绕组的K1端定义为相对的同名测量端,将标准器和被检电流互感器的一次绕组的同名测量端连接在一起,并将升流器输出端政的一端接地或通过对称支路(或其它方法)间接接地,相应二次绕组的同名测量端也联结在一起,并使其等于或接近于地电位,但不能直接接地。
12.2 检定线路12.2.1 自检线路:当被检电流互感器的额定电流比值为1时,按图1的原理线路进行检定图1自检线路图2比较线路12.2.2 一般的比较线路当标准器和被检电流互感器的额定电流比相同时,可安图2所示线路进行检定。
12.2.3 用双级电流互感器检定一般电流互感器的比较线路(如图3)。
图3双级比较仪检定一般CT的比较线路图4用电流比较仪一般CT的比较线路12.2.4 用电流比较仪一般CT的比较线路(图4)12.2.5 用电流比较仪检定双级CT的比较线路(图5)12.2.对称支路接地的比较线路(图6)图5电流比较仪检定双级CT的比较线路图6对称支路接地的比较线路12.3 测量误差时所用的电流、负荷及功率因素。
12.3.1 周期检定时,电压互感器误差的测量按表4所列条件进行。
新制造和修理后的电流互感器,应在额定功率因素下,分别加额定负荷1/4额定负荷,测量各自5%,20%,100%和120%额定电流时的误差。
当检定大批新制造的同型号电流互感器时,经计量机构或主管部门的监督抽检后,在确认符合本规程要求的前提下可以减少误差的测量点。
12.7 被检电压互感器各测量点误差的测量次数:0.2级及以上作标准用的多变比电流互感器,每个安匝数仅检一个变比的电流上升与下降时各测点的误差,其余的只测上升时的误差(额定一次电流等于和小于1A除外)。
测量用0.2级及以下的电流互感器,每个测量点只需测量电流上升时的误差。
电流的上升和下降,均需平稳而缓慢地进行。
四检定周期13检定周期按不同情况分别规定13.1 作标准用的电流互感器,检定周期为2年。
只作测量用途的电流互感器,可根据技术性能、使用的环境条件和频繁程度等因素,确定其检定周期为2年至4年。
13.2 凡0.2级及以上作标准用的电流互感器连续2个周期3次检定中,最后一次检定结果与前2次检定结果中的任何一次比较,误差变化不大于其误差限值的1/3,检定周期可以延长原定的50%,即检定周期为3年。
如果第4次检定仍满足上述要求,检定周期仍可继续延长1年,即检定周期为4年。
0.2级及以上作标准用的电流互感器,在检定周期内如果误差变化超过了第12条规定,其检定误差由两年缩短为1年。
13.3 凡配校验台专用的电流互感器首次检定后可不再单独周期检定,允许与装置一起整检。
五检定结果的处理14检定数据应按规定的格式和要求做好原始记录,0.2级及以上的作标准用电流互感器,其检定数据的原始记录,至少保存2个检定周期。
其余应至少保存一个检定周期。
15非本规程中所列标准级别的电流互感器,如符合本规程的要求,则按本规程所列标准级别相近的低级别定级。
16被检电流互感器的误差计算16.1 标准器比被检电流互感器高两个级别时,按下式计算:fx=fp (1)δx=δp (2)式中fx ─被检电流互感器的比值差;δx ─被检电流互感器的相位差;fp ─电流上升和下降时比值差读数的算术平均值,对0.2级及以下的电流互感器为电压上升时所测得比值差的读数;δp ─电流上升和下降时相位差读数的算术平均值,对0.2级及以下的电流互感器为电流上升时所测得相位差的读数;16.2 标准器比被检电流互感器高一个级别时,按下式计算:fx=fp+fn (3)δx=δp+δn (4)式中fn ─标准器的比值差;δn ─标准器的相位差;17判断电流互感器是否超过允许误差时,以化整后的数据为准。
误差的进行。
表 5 继表518经检定合格的电压流感器,应发给检定证书或标注检定合格标志。
18.1 检定证书上应给出检定时所用各种负荷下的误差数值,作标准用的还应给出最大变差值。
18.2 检定结果超差,经用户要求并能降级使用的,可按所能达到的等级发给检定证书。
18.3 只有全部变比都检定合格时,才能对电压互感器的准确度级别下结论。
对于只检定部分变比及专用电压互感器的检定结果只能给予具体说明。
19经检定不合格的电压互感器,应发给检定结果通知书。
200.2级及以上的电压互感器,检定应加封印。
21按本规程检定不合格的电压互感器,不准许出厂和使用。
测量用电压互感器检定规程本检定规程适用于额定频率为50(60)Hz的新制造。