室内干挂墙砖施工工艺
- 格式:docx
- 大小:16.62 KB
- 文档页数:7
干挂瓷砖工程施工工艺、措施干挂瓷砖是指在建筑外墙或室内装修等场所,通过特殊的安装工艺将瓷砖直接固定在墙面或墙体上,而无需使用砖块或其它支撑材料。
这种瓷砖安装方式可以美化建筑的外观、提高建筑物的结构安全性、增强建筑物的保温和防潮性能。
工艺流程干挂瓷砖的施工流程如下:1.墙面四平八稳在干挂瓷砖之前,必须确保墙面四平八稳。
必要时,需要使用水泥等材料进行墙面修补和平整。
2.设计标高根据设计标高,确定各层墙面干挂瓷砖的铺贴位置和排列方式。
3.安装龙骨根据设计要求,在墙面上安装挂钩或棒针,并悬挂安装龙骨,以实现干挂瓷砖的定位和固定。
4.铺贴瓷砖在龙骨上铺贴瓷砖,并保证瓷砖之间的缝隙均匀、整洁。
5.处理边缘在瓷砖的外部边缘,需要进行边角线的处理,保证瓷砖的外观美观。
施工措施1.根据设计要求,选择符合标准的干挂瓷砖,并检查瓷砖的表面质量和尺寸是否符合要求。
2.检查干挂瓷砖龙骨的强度和安装位置是否符合设计要求,确保在使用过程中不会出现安全隐患。
3.在进行瓷砖的铺贴前,需要对墙面进行清洁处理,保证瓷砖能够牢固地贴在墙面上。
4.在铺贴瓷砖时,需要注意瓷砖之间的间距和相互位置是否准确,可以使用水平仪等工具进行检测,避免出现偏差。
5.在进行瓷砖铺贴时,需要注意施工工人的安全,采取相应的安全防护措施,如佩戴安全帽、安全绳、安全鞋等。
6.在铺贴完瓷砖后,需要进行相关的检查和修缮工作,保证干挂瓷砖的完美效果和使用寿命。
总结干挂瓷砖工程施工需要严格按照设计要求和施工流程进行,合理地选用材料和采取措施,防范工作中的安全隐患并保证建筑的结构稳定和美观。
随着技术的发展和经验的积累,干挂瓷砖的安装工艺将会更加成熟和高效,效果也会更加美观和持久。
干挂墙砖的施工工艺操作标准版本文档旨在提供干挂墙砖的施工工艺操作标准,确保施工过程规范、高效、安全。
1. 准备工作在进行干挂墙砖的施工之前,需完成以下准备工作:- 确定施工区域- 清理施工区域,保证墙面平整、干净- 检查墙面是否有裂缝或其他损坏情况,若有需要进行修复- 准备好所需的工具和材料,如墙砖、砂浆、水平仪、砖刀等2. 施工步骤按照以下步骤进行干挂墙砖的施工:2.1 准备砂浆- 按照砂浆使用说明,将适量的砂浆与清水混合搅拌均匀,制备好施工所需的砂浆。
2.2 确定起铺位置- 使用水平仪和墨线等工具,确定墙面上第一块砖的位置和水平线。
2.3 涂抹砂浆- 在起铺位置涂抹一层薄薄的砂浆,可以使用砂浆刀进行涂抹。
2.4 铺砖- 将墙砖按照设计要求贴在已涂抹砂浆的墙面上,确保砖与墙面之间有适当的间隙,通常为3-5毫米。
2.5 校正和整齐- 使用水平仪和塞尺等工具对已铺贴的砖进行校正,确保整体的水平和垂直。
2.6 清理砂浆- 在砖与砖之间清理掉多余的砂浆,保持干净整洁。
2.7 继续铺砖- 按照以上步骤,继续进行砖的铺贴,直至完成墙面的全部干挂砖施工。
3. 注意事项在进行干挂墙砖的施工过程中,需注意以下事项:- 操作期间保持工作区域整洁,及时清理施工垃圾和多余的砂浆。
- 严格按照墙砖的使用说明进行施工,避免使用不符合要求的砂浆或材料。
- 确保墙砖与墙面之间的间隙符合设计要求,避免出现过大或过小的间隙。
- 检查墙砖的质量和完整性,如有破损或缺陷的砖块,及时更换。
以上是干挂墙砖的施工工艺操作标准版,供参考使用。
在实际施工过程中,应根据具体情况进行调整和操作。
墙面瓷砖干挂施工工艺一、施工工艺1、作业条件(1)施工现场的水、电应满足施工的需要。
作业面上的基层的外形尺寸已经复核,多余的混凝土屑已经凿除,务必使基层的误差保证在本工艺能调节的范围之内;作业面的环境已清理完毕。
(2)操作位置的脚手架等临时设施满足操作要求和符合安全规定。
(3)各种机具设备如冲击钻、切割机、钻机、板手、测力板手、磨角机、电焊机、打胶机等已齐备和完好。
2、放线:从墙面部位的两端,由上至下吊出垂直线,投点在地面上或固定点上。
找垂直时,一般按板背与基层的空隙(即架空)为50—70mm为宜。
按吊出的垂线,连接两点作为起始层挂装板材的基准,基层立面上按板材的大小和缝隙的宽度,弹出横平竖直的分格墨线。
3、板格钻孔:按设计要求在板端面需钻孔的位置,预先划线,集中钻孔,孔径一般为5mm,孔深宜30mm,孔的纵向要与端面垂直一致。
4、挂件安装:按放出的墨线和设计挂件的规格、数量的要求安装挂件,同时必须以测力板手检测膨胀螺栓和连接螺母的旋紧力度,使之达到设计质量的要求。
5、板材连接:在板材端面的孔中,灌入适量的环氧树脂混合料并插入锚固销,环氧树脂混合料的配合比要保证有适当的凝固时间,应视具体而定,一般在4—8小时为宜,避免过早凝固而出现脆裂,过慢凝固而产生松动。
6、板材安装:一般由主要的立面或主要的观赏面开始,由下而上依次按一个方向顺序安装,尽量避免交叉作业以减少偏差,并注意板材色泽的一致性。
每层安装完成,应作一次外形误差的调校,并以测力板手对挂件螺栓旋紧力进行抽检复验。
7、封缝:每一施工段安装后经检查无误,可清扫拼接缝,填入橡胶条,然后用打胶机进行硅胶涂封。
一般硅胶只封平接缝表面或比板面稍凹少许即可。
雨天或板材受潮时不宜涂硅胶。
8、清场:每次操作完后清理操作现场,安装完工不得留下杂物,以防硬物跌落破损饰面板。
二、文明施工措施1、施工前,组织文明施工知识培训,制定文明施工细则,使参与施工的职工遵纪守法,举止文明。
干挂墙砖的施工工艺规范版1. 引言本文档旨在规范干挂墙砖的施工工艺,确保施工质量和安全。
其中包括基本要求、材料准备、施工步骤等方面的规范内容。
2. 基本要求- 干挂墙砖施工前,必须对墙面进行充分的清理和准备工作,确保墙面平整、干燥,并移除障碍物。
- 施工现场必须保持整洁,防止灰尘和杂物污染墙面和施工材料。
- 施工人员应按规范操作,使用适当的工具和设备,并掌握相关技术知识。
3. 材料准备- 选择适合干挂墙砖的材料,包括墙砖、胶粘剂、地线、固定设备等。
- 验收材料时,对墙砖进行检查,排除破损、变形或有色差的砖块。
- 胶粘剂应选择符合国家标准的产品,并按照使用说明配比和搅拌。
4. 施工步骤4.1 布置施工场地- 按照设计要求,标定墙面的线框,并在墙面上进行预埋脚手架的安装。
- 铺设保护层,以防止墙面受到损坏。
4.2 砖块铺贴- 对墙面进行湿润处理,以提高粘结效果。
- 铺贴前,使用胶粘剂将墙砖与墙面胶粘。
- 根据设计要求,按照顺序逐层铺贴砖块。
- 砖块之间要保持适当的间隙和平整度。
- 缝隙应采用密封材料进行处理,以确保防水和美观。
4.3 设备安装- 根据设计要求,安装固定设备,如地线、电源插座等。
4.4 检查和清理- 完成施工后,对墙面进行仔细检查,排除砖块松动、开裂等问题。
- 清理施工现场,移除杂物和残留物。
5. 安全注意事项- 施工人员应佩戴符合规定的劳保用品,如工作帽、口罩、手套等。
- 操作中应注意自身安全,避免发生意外事故。
- 合理使用施工设备,确保操作正确和稳定。
请按照以上规范执行干挂墙砖的施工工艺,以确保施工质量和安全。
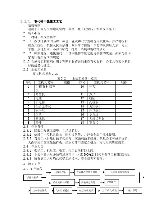
3、玻化砖干挂施工工艺(1)、适用范围适用于工业与民用建筑室内、外墙干挂(玻化砖)饰面板的施工。
(2)、施工准备1)材料、半成品要求2)按设计要求的品种、颜色、花纹和尺寸规格选用玻化砖,并严格控制、检查其抗折、抗拉及抗压强度,吸水率等性能。
块材的表面应光洁、方正、平整、质地坚固,不得有缺楞、掉角、暗痕和裂纹等缺陷。
3)膨胀螺栓、连接角码、不锈钢挂件等配套的连接件的质量,必须符合国家现行有关标准的规定。
4)合成树脂胶粘剂:用于粘贴石材背面的柔性背衬材料,要求具有防水和良好的耐老化性能。
(3)主要工机具(4)、作业条件1)隐蔽工程施工完毕,并经过验收。
2)临时用电及机具设备、照明设备等,并经安全部门批准使用。
3)对施工人员进行技术交底时,应强调技术措施、质量要求和成品保护,大面积施工前应先做样板,经质检部门鉴定合格后,方可组织班组施工。
(5)、作业人员1)架子工、机运工、电工、焊工必须持证上岗。
2)主要作业人员必须有过三项以上(或3000m2)同类型分项工程施工经历。
3)所有施工人员均已接受工地技术、安全培训和教育。
(6)、施工工艺1)工艺流程:2)操作工艺a玻化砖验收:收货要设专人负责管理,要认真检查材料的规格、型号是否正确,与料单是否相符,发现玻化砖颜色明显不一致的,要单独码放,以便退还给厂家,如有裂纹、缺棱掉角的,要修理后再用,严重的不得使用。
还要注意石材堆放地要夯实,垫10cm×10cm通长方木,让其高出地面8cm以上,方木上最好钉上橡胶条,玻化砖按75°立放斜靠在专用的钢架上,每玻化砖之间要用塑料薄膜隔开靠紧码放。
b 基层准备:清理基层表面,同时进行吊直、套方、找规矩,弹出垂直线、水平线。
并根据施工图纸和实际需要弹出板材安装位置线。
玻化砖安装前要事先用经纬仪打出大角两个面的竖向控制线,最好弹在离大角20cm的位置上,以便随时检查垂直挂线的准确性,保证顺利安装。
竖向挂线宜用φ1.0~φ1.2的钢丝为好,下边沉铁随高度而定,一般40m以下高度沉铁重量为8~10kg,上端挂在专用的角钢架上,角钢架用膨胀螺栓固定在建筑大角的顶端,一定要挂在牢固、准确、不易碰动的地方,并要注意保护和经常检查。
施工方案一、施工工艺流程:现场复核及深化设计→基底处理→测量定位放线→预埋钢件安装→焊接钢骨架→钢架、焊接接头刷防锈油、面漆→骨架隐蔽验收→挂件安装→安装墙砖→调整挂件并紧固挂件→密封硅胶→清洁石材→成品保护二、施工方法:1 安装的准备(1)深化设计图纸A 根据现场轴线、标高,经实测丈量,定线和铺设方向。
B 按照设计确定的墙砖板材基本规格分部位绘制排列图。
C 在图纸上按块进行编码。
(2)板材的准备A 设计安装图,进行安装编号。
B 验收主要内容:①进行数量清点核对。
②根据设计要求,确定石材的品种、颜色及尺寸、规格。
③对符合标准之板材进行安装编码,用编码纸将编好码的贴在石材正面右上角,按施工时间要求,由搬运组送到安装位置。
④板材四周框边贴上美纹纸,宽30MM,侧边紧贴10MM宽,以确保打胶封缝时符合标准。
(3)辅助材料准备A 焊接钢架用的方钢、角码、钢板全部热镀锌处理。
B不锈钢连接件、不锈钢螺栓、分缝用10MM厚木板块做垫片。
C 电焊条、云石胶、耐候密封胶、分色纸、泡沫填充条。
(4)机械和工具准备(详见机械设备进场计划表)2 作业条件:A 检查石材的质量、规格、品种、数量、,并进行表面处理工作。
B 搭设双排架子处理结构基层并作好隐预检记录,合格后方可进行安装工序。
C 水电及设备、墙上预埋件安装完。
D 对施工人员交底时,应强调技术措施、质量要求和成品保护,尤其是架子拆除时,不得碰撞已完成的成品。
大面积施工前先作样板,经质检部门鉴定合格后,方可组织班组施工。
3 基层钢骨架安装操作①以实地轴线、标高,根据分割图挂线弹出竖向立柱、横向中心定位线,依次放好各部位的垂直立柱线。
②预埋铁件。
检查原结构的预埋件,对缺少的预埋件做好记录,并上报。
③安装竖向钢立柱。
钢立柱采用热镀锌方钢,长度按现场定尺寸,由厂家生产。
立柱与结构墙体采用钢角码连接件连接(角码连接件由加工厂加工),角码与预埋件采取焊接接牢;钢角码与钢立柱采用不锈钢螺栓连接。
干挂墙砖的施工工艺规范版
1. 前置工作
1.1 检查设计图纸,确认墙体大小、墙体纵横向的垂直度及墙体平整度。
1.2 清除墙体表面粉尘、油污等。
1.3 根据设计要求调整砖缝宽度。
2. 材料准备
2.1 干挂专用砖
2.2 砖角块
2.3 打结构瓷砖用的金属龙骨、龙骨扣件
2.4 墙体安装用的普通木工工具
2.5 砖缝填充材料
3. 施工方法
3.1 在龙骨上首先装上砖角块,并做好水平调整。
3.2 砖角块间距应控制在1.5米内,垂直度误差不大于3毫米。
3.3 将专用砖挂在砖角块上,并用力调整,使砖之间无空隙。
3.4 在砖角块、龙骨之间填充密封胶,增强墙体强度和防水性能。
3.5 在砖安装完成后,对砖缝进行修整,并填充砖缝填充材料。
3.6 施工完毕后,对施工现场进行清理,保持墙面整洁美观。
4. 注意事项
4.1 砖角块和专用砖应采用同品牌专用配套使用。
4.2 砖角块应垂直安装,砖角块间距不应过大。
4.3 砖角块在龙骨上应牢固固定,避免安装不牢导致脱落。
4.4 砖缝填充材料应根据设计要求,采用专用砖缝填充剂。
4.5 施工现场应保持干燥通风,避免降雨天气进行施工。
一、玻化砖干挂施工工艺1、适用范围适用于工业与民用建筑室内、外墙干挂(玻化砖)饰面板的施工。
2、施工准备(1)材料、半成品要求(1)按设计要求的品种、颜色、花纹和尺寸规格选用玻化砖,并严格控制、检查其抗折、抗拉及抗压强度,吸水率等性能。
块材的表面应光洁、方正、平整、质地坚固,不得有缺楞、掉角、暗痕和裂纹等缺陷。
(2)膨胀螺栓、连接角码、不锈钢挂件等配套的连接件的质量,必须符合国家现行有关标准的规定。
(3)合成树脂胶粘剂:用于粘贴石材背面的柔性背衬材料,要求具有防水和良好的耐老化性能。
(2)主要工机具主要工机具一览表3、作业条件(1)隐蔽工程施工完毕,并经过验收。
(2)临时用电及机具设备、照明设备等,并经安全部门批准使用。
(3)对施工人员进行技术交底时,应强调技术措施、质量要求和成品保护,大面积施工前应先做样板,经质检部门鉴定合格后,方可组织班组施工。
4、作业人员(1)架子工、机运工、电工、焊工必须持证上岗。
(2)主要作业人员必须有过三项以上(或3000m2)同类型分项工程施工经历。
(3)所有施工人员均已接受工地技术、安全培训和教育。
5、施工工艺(1)工艺流程:(2)操作工艺1)玻化砖验收:收货要设专人负责管理,要认真检查材料的规格、型号是否正确,与料单是否相符,发现玻化砖颜色明显不一致的,要单独码放,以便退还给厂家,如有裂纹、缺棱掉角的,要修理后再用,严重的不得使用。
还要注意石材堆放地要夯实,垫10cm×10cm通长方木,让其高出地面8cm以上,方木上最好钉上橡胶条,玻化砖按75°立放斜靠在专用的钢架上,每玻化砖之间要用塑料薄膜隔开靠紧码放。
2)基层准备:清理基层表面,同时进行吊直、套方、找规矩,弹出垂直线、水平线。
并根据施工图纸和实际需要弹出板材安装位置线。
玻化砖安装前要事先用经纬仪打出大角两个面的竖向控制线,最好弹在离大角20cm的位置上,以便随时检查垂直挂线的准确性,保证顺利安装。
干挂墙砖施工工艺流程干挂墙砖是一种常见的室内外装饰材料,使用干挂墙砖可以为建筑物提供美观、环保和耐用的外观。
本文将介绍干挂墙砖施工的工艺流程,帮助读者了解干挂墙砖的施工过程。
一、准备工作1. 将墙面清洁干净,去除墙面上的灰尘和杂物。
2. 根据设计要求制定施工方案,包括砖块的规格、颜色和排列方式等。
3. 计算所需的砖块数量,并购买充足的砖块及施工所需的辅助材料,如砂浆和瓷砖粘结剂等。
二、调整墙面1. 检查墙面的垂直度和平整度,确保墙面不存在凹凸不平的情况。
2. 使用水平仪和测量工具调整墙面,使其垂直度和平整度符合要求。
三、预处理砖块1. 检查砖块的质量和规格,排除砖块上可能存在的缺陷和损坏。
2. 若需要,对砖块进行涂抹防水剂,以提高砖块的防水性能。
四、砂浆配制1. 根据产品标识和施工要求,配制适当量的砂浆。
2. 使用搅拌机将适量水和砂浆搅拌均匀,直至砂浆达到适合施工的浓稠程度。
五、瓷砖粘结剂涂抹1. 使用刮板将瓷砖粘结剂均匀涂抹在墙面上,确保墙面上的涂料厚度均匀。
2. 瓷砖粘结剂可以根据需要进行调整,以确保砖块能够牢固粘贴在墙面上。
六、干挂墙砖安装1. 将砖块一块块按照设计要求依次粘贴在墙面上,使用橡胶锤轻轻敲击砖块,使砖块与墙面紧密粘合。
2. 检查每块砖块的垂直度和水平度,并及时修正。
七、填缝 1. 使用填缝剂将砂浆填充到砖块之间的缝隙中,确保填缝剂填充均匀。
2. 稍等片刻,用刮盘将多余的填缝剂刮掉,使填缝剂与砖块表面齐平。
八、检查1. 检查整个干挂墙砖施工过程中可能存在的问题,如砖块的粘贴质量、填缝剂的充填情况等。
2. 对问题进行及时修复,确保施工质量达到预期要求。
九、清理1. 清理施工现场,除去施工过程中产生的废弃材料和杂物。
2. 清洗墙面和砖面,确保墙面和砖面干净整洁。
十、验收1. 进行干挂墙砖的验收工作,包括检查墙面的光洁度、砖缝的均匀性和填缝剂的粘结牢固性等。
2. 若发现施工质量不合格,及时进行整改,并重新进行验收。
一、玻化砖干挂施工工艺1、合用范畴合用于工业与民用建筑室内、外墙干挂(玻化砖)饰面板施工。
2、施工准备(1)材料、半成品规定(1)按设计规定品种、颜色、花纹和尺寸规格选用玻化砖,并严格控制、检查其抗折、抗拉及抗压强度,吸水率等性能。
块材表面应光洁、方正、平整、质地结实,不得有缺楞、掉角、暗痕和裂纹等缺陷。
(2)膨胀螺栓、连接角码、不锈钢挂件等配套连接件质量,必要符合国家现行关于原则规定。
(3)合成树脂胶粘剂:用于粘贴石材背面柔性背衬材料,规定具备防水和良好耐老化性能。
(2)重要工机具重要工机具一览表3、 作业条件(1) 隐蔽工程施工完毕,并通过验收。
(2) 暂时用电及机具设备、照明设备等,并经安所有门批准使用。
(3) 对施工人员进行技术交底时,应强调技术办法、质量规定和成品保护,大面积施工前应先做样板,经质检部门鉴定合格后,方可组织班组施工。
4、作业人员(1) 架子工、机运工、电工、焊工必要持证上岗。
(2) 重要作业人员必要有过三项以上(或3000m2)同类型分项工程施工经历。
(3) 所有施工人员均已接受工地技术、安全培训和教诲。
5、施工工艺 (1)工艺流程: (2)操作工艺1)玻化砖验收:收货要设专人负责管理,要认真检查材料规格、型号与否对的,与料单与否相符,发现玻化砖颜色明显不一致,要单独码放,以便退还给厂家,如有裂纹、缺棱掉角,要修理后再用,严重不得使用。
还要注意石材堆放地要夯实,垫10cm×10cm通长方木,让其高出地面8cm以上,方木上最佳钉上橡胶条,玻化砖按75°立放斜靠在专用钢架上,每玻化砖之间要用塑料薄膜隔开靠紧码放。
2)基层准备:清理基层表面,同步进行吊直、套方、找规矩,弹出垂直线、水平线。
并依照施工图纸和实际需要弹出板材安装位置线。
玻化砖安装前要事先用经纬仪打出大角两个面竖向控制线,最佳弹在离大角20cm位置上,以便随时检查垂直挂线精确性,保证顺利安装。
3、玻化砖干挂施工工艺(1)、适用范围适用于工业与民用建筑室内、外墙干挂(玻化砖)饰面板的施工。
(2)、施工准备1)材料、半成品要求2)按设计要求的品种、颜色、花纹和尺寸规格选用玻化砖,并严格控制、检查其抗折、抗拉及抗压强度,吸水率等性能。
块材的表面应光洁、方正、平整、质地坚固,不得有缺楞、掉角、暗痕和裂纹等缺陷。
3)膨胀螺栓、连接角码、不锈钢挂件等配套的连接件的质量,必须符合国家现行有关标准的规定。
4)合成树脂胶粘剂:用于粘贴石材背面的柔性背衬材料,要求具有防水和良好的耐老化性能。
(3)主要工机具主要工机具一览表(4)、作业条件1)隐蔽工程施工完毕,并经过验收。
2)临时用电及机具设备、照明设备等,并经安全部门批准使用。
3)对施工人员进行技术交底时,应强调技术措施、质量要求和成品保护,大面积施工前应先做样板,经质检部门鉴定合格后,方可组织班组施工。
(5)、作业人员1)架子工、机运工、电工、焊工必须持证上岗。
2)主要作业人员必须有过三项以上(或3000m2)同类型分项工程施工经历。
3)所有施工人员均已接受工地技术、安全培训和教育。
(6)、施工工艺1)工艺流程:2)操作工艺a玻化砖验收:收货要设专人负责管理,要认真检查材料的规格、型号是否正确,与料单是否相符,发现玻化砖颜色明显不一致的,要单独码放,以便退还给厂家,如有裂纹、缺棱掉角的,要修理后再用,严重的不得使用。
还要注意石材堆放地要夯实,垫10cm×10cm通长方木,让其高出地面8cm以上,方木上最好钉上橡胶条,玻化砖按75°立放斜靠在专用的钢架上,每玻化砖之间要用塑料薄膜隔开靠紧码放。
b 基层准备:清理基层表面,同时进行吊直、套方、找规矩,弹出垂直线、水平线。
并根据施工图纸和实际需要弹出板材安装位臵线。
玻化砖安装前要事先用经纬仪打出大角两个面的竖向控制线,最好弹在离大角20cm的位臵上,以便随时检查垂直挂线的准确性,保证顺利安装。
第八节瓷砖砖干挂施工工艺
1、适用范围
适用于工业与民用建筑室内墙干挂饰面板的施工。
2、施工准备
(1)材料、半成品要求
(1)按设计要求的品种、颜色、花纹和尺寸规格选用瓷砖,并严格控制、检查其抗折、抗拉及抗压强度,吸水率等性能。
块材的表面应光洁、方正、平整、质地坚固,不得有缺楞、掉角、暗痕和裂纹等缺陷。
(2)膨胀螺栓、连接角码、不锈钢挂件等配套的连接件的质量,必须符合国家现行有关标准的规定。
(3)合成树脂胶粘剂:用于粘贴石材背面的柔性背衬材料,要求具有防水和良好的耐老化性能。
2、作业条件
(1)隐蔽工程施工完毕,并经过验收。
(2)临时用电及机具设备、照明设备等,并经安全部门批准使用。
(3)对施工人员进行技术交底时,应强调技术措施、质量要求和成品保护,大面积施工前应先做样板,经质检部门鉴定合格后,方可组织班组施工。
3、作业人员
(1)架子工、机运工、电工、焊工必须持证上岗。
(2) 主要作业人员必须有过三项以上(或3000m2)同类型分项工程施工经历。
(3) 所有施工人员均已接受工地技术、安全培训和教育。
4、施工工艺
(2)操作工艺
1)砖验收:
收货要设专人负责管理,要认真检查材料的规格、型号是否正确,与料单是否相符,发现玻化砖颜色明显不一致的,要单独码放,以便退还给厂家,如有裂纹、缺棱掉角的,要修理后再用,严重的不得使用。
还要注意石材堆放地要夯实,垫10cm ×10cm 通长方木,让其高出地面8cm 以上,方木上最好钉上橡胶条,玻化砖按75°立放斜靠在专用的钢架上,每砖之间要用塑料薄膜隔开靠紧码放。
2) 基层准备:
清理基层表面,同时进行吊直、套方、找规矩,弹出垂直线、水平线。
并根据施工图纸和实际需要弹出板材安装位置线。
玻化砖安装前要事先用经纬仪打出大角两个面的竖向控制线,最好弹在离大角20cm 的位置上,以便随时检查垂直挂线的准确性,保证顺利安装。
竖向挂线宜用φ1.0~
φ1.2的钢丝为好,下边沉铁随高度而定,一般40m以下高度沉铁重量为8~10kg,上端挂在专用的角钢架上,角钢架用膨胀螺栓固定在建筑构造上,一定要挂在牢固、准确、不易碰动的地方,并要注意保护和经常检查。
并在控制线的上、下作出标记。
3)安装支底层饰面板托架:
把预先加工好的支托按上平线支在将要安装的底层砖上面。
支托要支承牢固,相互之间要连接好,也可和架子接在一起,支架安好后,顺支托方向铺通长的木板,木板上口要在同一水平面上,以保证砖上下面处在同一水平面上。
4)安装连接固定件:
用设计规定的不锈钢螺栓固定角码和不锈钢挂件。
调整挂件的位置,使挂件的T形挂钩与玻化砖的粘贴挂槽对正,固定挂件,用力矩扳手拧紧。
5)底层砖安装:
把底面的不锈钢挂件安好,先将玻化砖侧孔抹胶,将玻化砖按位置插入挂件,调整挂件,调整面板固定。
依次按顺序安装底层面板,待底层面板全部就位后,检查一下各板是否在一条线上,如有高低不平的要进行调整;低的可用木楔垫平;高的可轻轻适当退出点木楔,直至面板上口在一条水平线上为止;先调整好面板的水平与垂直度,再检查板缝,板缝宽应按设计要求,误差要匀开。
并用嵌固胶将锚固件填堵固定。
6)上行砖安装:
把嵌固胶注入下一行的粘接件背开槽内,调整板砖的平整度及直线度并用石膏粘件临时固定。
5、质量标准
(1)主控项目
1)饰面砖的品种、防腐、规格、形状、平整度、几何尺寸、光洁度、颜色和图案必须符合设计要求,并有产品合格证。
检验方法:观察和尺量检查;检查材质合格证书和检测报告。
2)面层与基底应安装牢固;粘贴用料、干挂配件必须符合设计要求和国家现行有关标准的规定,碳钢配件需做防锈、防腐处理。
焊接点应作防腐处理。
检验方法:观察;检查合格证书。
3)饰面板安装工程的预埋件(或后置埋件)、连接件的数量、规格、位置、连接方法和防腐处理必须符合设计要求。
后置埋件的现场拉拔强度必须符合设计要求。
饰面板安装必须牢固。
检验方法:手扳检查;现场拉拔检测;隐蔽验收。
(2)一般项目
1)表面平整、洁净;拼花正确、纹理清晰通顺,颜色均匀一致;非整板部位安排适宜,阴阳角处的板压向正确。
检验方法:观察。
2)缝格均匀,板缝通顺,接缝填嵌密实,宽窄一致,无错台错位。
检验方法:观察。
3)突出物周围的板采取整板套割,尺寸准确,边缘吻合整齐、平顺,墙裙、贴脸等上口平直。
检验方法:观察和尺量检查。
4)室内墙面干挂石材允许偏差和检验方法应符合下表的规定。
室内墙面干挂石材允许偏差和检验方法
5)关键控制点的控制
关键控制点的控制
(3)质量记录
1)产品合格证书、性能检测报告及环保检测报告。
2 ) 进场验收记录和复验报告。
3 ) 隐蔽工程验收记录。
4) 施工方案。
5) 技术交底记录。
6) 检验批质量验收记录。
7) 分项工程质量验收记录。
8) 应注意的质量问题
A 注意避免玻化砖污染。
B 清理预做饰玻化砖的结构表面,施工前认真按照图纸尺寸,核对结构施工的实际情况,同时进行吊直、套方、找规矩,弹出垂直线、水平线,控制点要符合要求。
并根据设计图纸和实际需要弹出安装石材的位置线和分块线。
C 与主体结构连接的预埋件应在结构施工时按设计村注埋设。
预埋件应牢固,位置准确。
应根据设计图纸进行复查。
当设计无明确要求时,预埋件标高差不应大于10mm,位置差不应大于20mm。
D 面层与基底应安装牢固;粘贴用料、干挂配件必须符合设计要求和国家现行有关标准的规定。
E 玻化砖表面平整、洁净;拼花正确、纹理清晰通顺,颜色均匀一致;非整板部位安排适宜,阴阳角处的板压向正确。
F 缝格均匀,板缝通顺,接缝填嵌密实,宽窄一致,无错台错位。
7、成品保护
(1)及时清擦干净残留在门、窗框上的砂浆。
(2)铝合金窗、塑料窗必须粘贴保护膜,且在全部抹灰作业完成前保证保护膜完好无损,发现损坏处,立即补贴严实。
(3)水、电、通讯、通风、设备管道穿墙、支架固定等工作做在前面,防止面砖成活后再造成损伤。
(4)拆除架子时注意不要碰撞墙面。