堤防工程外观质量及单元工程质量评定表
- 格式:doc
- 大小:299.00 KB
- 文档页数:25
堤防工程质量评定表1. 引言本文档旨在提供一个堤防工程质量评定表,用于评估堤防工程质量的符合程度。
堤防工程是指用于防止水流进入指定范围、防止河道或湖泊决口、保护土地和其上的建筑物免受洪水侵害的工程。
本评定表由专业工程师编制,其中包含了多项量化指标,以便对堤防工程质量进行客观评估。
2. 评定表结构指标评定标准评定说明堤防工程设计设计符合国家标准检查堤防工程设计是否符合国家颁布的相关标准堤防材料使用符合要求的材料检查堤防工程所使用的材料是否选用符合设计要求堤防建设施工质量施工符合工程标准检查堤防工程施工过程中是否按照规范进行施工堤防工程验收合格通过验收合格检查是否通过相关部门的验收,取得堤防工程项目的合格证堤防工程维护定期检查和维护检查堤防工程是否有定期的检查和维护计划堤防工程抗洪能力抗洪能力达到要求根据堤防工程所处地区的洪水历史数据分析,评估工程的抗洪能力堤防工程的环境影响评价符合环保要求检查堤防工程对周围环境的影响评价是否符合环保要求堤防工程的社会效益评价因地制宜,提高周围地区的生产、生活和发展条件评估堤防工程对周围地区的社会效益,包括对农田灌溉、旅游、交通等的影响堤防工程的经济效益评价合理投资,回报高评估堤防工程的经济效益,包括对农田产出、房地产价值、基础设施等的影响3. 评定说明3.1 堤防工程设计评定堤防工程设计是否符合国家标准,主要检查以下方面:•堤防工程的几何和功能设计是否满足要求;•是否有完整的设计文件包括设计报告、施工图和技术规范等;•设计参数是否合理,并考虑了当地的地质、气象和水文条件等因素;•设计是否包含安全措施和灾害应对预案等。
3.2 堤防材料选用评定堤防工程所使用的材料是否符合设计要求,主要检查以下方面:•材料的质量是否符合国家标准;•材料是否经过检测和验收;•是否采取了防止鼠害、虫害和病害等措施;•材料是否符合防渗透和抗渗透的要求。
3.3 堤防建设施工质量评定堤防工程的施工质量是否符合工程标准,主要检查以下方面:•施工过程中是否按照设计要求进行;•工程质量是否符合国家标准;•施工是否按照合同约定和计划进行;•施工中是否有合理的监理和建设监督。
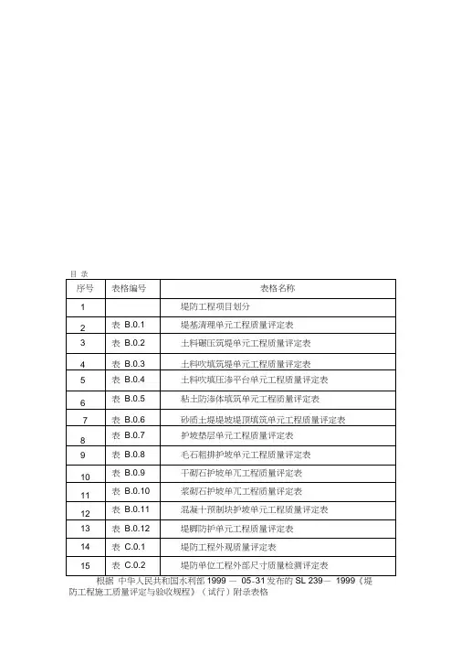
根据中华人民共和国水利部1999 —05-31发布的SL 239—1999《堤防工程施工质量评定与验收规程》(试行)附录表格注:表中“△”者为主要单位工程或主要分部工程;工程也可定为一般分部工程附录A堤防工程项目划分附录 B 堤防工程单元工程质量评定表“☆” 者视实际情况可定为主要分部注:1、检验日期为终检日期,由施工单位负责填写;2、评定日期由项目法人(监理单位)负责填写。
2、评定日期由项目法人(监理单位)负责填写。
3、厶者为主要检查或检测项目2、评定日期由项目法人(监理单位)负责填写。
2、评定日期由项目法人(监理单位)负责填写。
2、评定日期由项目法人(监理单位)负责填写。
3、厶者为主要检查或检测项目注:1、检验日期为终检日期,由施工单位负责填写;2、评定日期由项目法人(监理单位)负责填写。
3、厶者为主要检查或检测项目表B.0.7 护坡垫层单元工程质量评定表注:1、检验日期为终检日期,由施工单位负责填写;2、评定日期由项目法人(监理单位)负责填写。
表B.0.8毛石粗排护坡单兀工程质量评定表注:1、检验日期为终检日期,由施工单位负责填写;2、评定日期由项目法人(监理单位)负责填写。
注:1、检验日期为终检日期,由施工单位负责填写;2、评定日期由项目法人(监理单位)负责填写。
注:1、检验日期为终检日期,由施工单位负责填写;2、评定日期由项目法人(监理单位)负责填写。
注:1、检验日期为终检日期,由施工单位负责填写;2、评定日期由项目法人(监理单位)负责填写。
表B.0.11混凝土预制块护坡单元工程质量评定表注:1、检验日期为终检日期,由施工单位负责填写;2、评定日期由项目法人(监理单位)负责填写。
表B.0.12堤脚防护单兀工程质量评定表注:1、检验日期为终检日期,由施工单位负责填写;2、评定日期由项目法人(监理单位)负责填写。
附录C 堤防工程外观质量评定表表C.0.1堤防工程外观质量评定表地[1995]3号)中《水工建筑物外观质量评定表》执行;2、表中第1项按本规程表C.0.2外部尺寸质量检测评定表中的评定结果进行评分; 其它各项得分为各评定成员在检查工程现场后对相应项的外部观感质量进行打分后的算术平均值;3、实际评定时,仅对实际存在地项目进行评定打分,其标准分累计为应得分,评定打分合计为实得分,得分率=实得分/应得分。
水利水电工程说明 1. 堤防联接建筑物的外观质量评定参照《水利水电工程施工质量评定表》(试行)(建地[1995]3号)中《水工建筑物外观质量评定表》执行; 2. 项次ISL239—1999《堤防工程施工质量评定与验收规程》(试行)表C.0.2外部尺寸质量检测评定表中的评定结果进行评分;其他名项得分为各评定成员在检查工程现场后对相应项的外部观感质量进行打分后的算术平均值;3. 实际评定时,仅对实际存在的项目进行评定打分,其标准分累计为应得分,评定打分合计为实得分,得分率=应得分实得分×100%。
第九部分堤防工程外观质量及单元工程质量评定表(共有14个表)本部分表格系根据SL239—1999《堤防工程施工质量评定与验收规程》(试行)及SL260—98《堤防工程施工规范》编制。
适用于1、2、3级堤防工程,4、5级堤防工程可参照执行。
表中加“△”的项目为主要检查(测)项目。
表头:检验日期为终验日期,由施工单位终检责任人填写。
评定日期由监理单位核定人填写。
表尾:施工单位名称,填写与项目法人签定承包合同的施工单位全称。
测量员指负责该单元工程测量、测试的人员。
当测量员不止1人时,由1名主要测量人员签名。
初验、终验负责人,分别由施工单位负责初验、终验的人员签名;监理单位名称,应填写单位全称;核定人,由监理单位负责该单元工程监理工作的监理人员签名。
表堤01堤防工程外观质量评定表填表说明填表时必须遵守“填表基本规定”,并符合以下要求。
1.本表是堤防工程外观质量评定表统一格式。
2.外部观感质量评分标准及办法(1)表堤01项次1外部尺寸按SL239—1999《堤防工程施工质量评定与验收规程》(试行)附录C表C.0.2各项规定(见表堤01—1),分别对单位工程各项外部尺寸进行实地测量,逐项统计其测点数、合格点数、合格率及总合格率。
并按下列办法评定外部尺寸得分:(2)轮廓线顺直,标准分10分。
主要抽检护坡封边。
质量标准:15m长度内凸凹偏差不超过2cm。
表堤 01水利水电工程堤防工程外观质量评定表单位工程名称主要工程量项次 项目1 外部尺寸2 轮廓线顺直3 表面平整度4 曲面、平面联接平顺5 排水6 上堤马道7 堤顶附属设施8 备料整齐程度9 草皮 10 植树 11 砌体罗列 12 砌缝质量合 计I 作单位施工单位评定日期评定得分3010105535584510应得分 ,实得分 评定人员签名姓名年 月 日备注,得分率签名说明 1 .堤防联接建造物的外观质量评定参照《水利水电工程施工质量评定表》(试行)(建地[1995]3 号)中《水工建造物外观质量评定表》执行;2 .项次 1SL239- 1999 《堤防工程施工质量评定与验收规程》(试行)表 C.0.2 外部尺寸质量检测评定表中 的评 定结果进行评分;其它各项得分为各评定成员在检查工程现场后对相应项的外部观感质量进行打分 后的算术 平均值;.实际评定时,仅对实际存在的项目进行评定打分,其标准分累计为应得分,评定打分合计为实得分, 得分率=得分率%标准分职称%实得分/应得分X100% 。
水利水电工程堤防单位工程外部尺寸质量检测评定表检验日期 评定日期合格率( % )堤轴线 堤顶高程 堤顶宽度 俄台高程 俄台宽度 堤坡坡度 m 值 护坡轴线干砌 0〜+5cm 浆砌砌筑高程 +10cm 砌体顶部厚度 护坡坡度 m 值 堤(墙)轴线 堤(墙)顶高程 墙面垂直度 堤(墙)顶厚度 表面平整度 堤(墙)轴线 堤(墙)顶高程 墙面垂直度 堤(墙)顶厚度 表面平整度 墙轴线 墙顶高程 墙面垂直度 墙顶厚度 表面平整度合格率施工单位名称检测审核人:年 月曰设计厚度±10% 0 〜0.05 ±4cm 0~5cm0.5% — 1 〜2cm 5cm ±4cm 0 〜4cm 0.5% — 1 〜2cm 5cm ±4cm0~3cm0.5% 一 1 〜2cm1cm 合格点总数± 15cm 0 〜15cm — 15 〜15cm — 10 〜15cm — 10 〜15cm 0 〜0.05 ±4cm混 凝 土 防 洪 墙合计 单位工程名称 主要工程量3 4 1 23 45 1 23 45 12345检测结果合格点数日定结果 评分部 工 程名0~+4cm 散抛 0〜堤身填筑工程12 3 4 5 6 1(墙) 护 坡 工 程 浆 砌 石 堤 检测人:记录人:允许偏差 总测点数 检测项目年 月 日 年 月曰年 月曰测点数年 月 砌 筑序号 («) %2质量监督员年 月曰监理单位评定人年 月曰堤防工程堤基清理单元工程质量评定表单位工程名称 单元工程量分部工程名称 检验日期年 月 日单元工程名称、部位 评定日期年 月 日项次项目名称 质量标准 检验结果评定1 基面清理 堤基表层没有不合格土,杂物全部清除2 普通堤基处理堤基上的坑塘洞穴已按要求处理3 堤基平整压实 表面无显著凹凸,无松土,无弹簧土1 堤基清理范围 检 测 项 目2 堤基表面压实总测点数堤基清理边界超过设计基面边线 0.3m总测点数设计干密度不小于 t/m 3合格点数合格点数合格率合格率施工单位自评意见 质量等级 监理单位复核意见 核定质量等级检查项目全部达到质量标准, 清理范围检测合格率 %, 压实 合格率 %施工单位名称监理单位名称测量员 初检负责人 终检负责人检查 项 目核定人年月日年月日年月日年月日堤防工程土料碾压筑堤单元工程质量评定表单位工程名称 单元工程量分部工程名称 检验日期年 月 日单元工程名称、部位评定日期年 月 日项次1234123项目名称 △上堤土料土质、含 水 率土块直径作业段划分、搭接碾压作业程序铺料厚度铺料边线△压实指标质量标准无不合格土,含水率适中根据压实机具,土块限制在 cm 以内 机械作业不少于 100m,人工作业不少于 50 m,搭接无界沟碾压机械行走平行于堤轴线,碾迹及搭接 碾 压符合要求允许偏差: 0 〜一 5cm (设计铺料厚度 cm )允许偏差:人工+10〜+20cni,机械 +10〜+30cm设计干密度不小于 t/m 3检验结果总测点数总测点数总测点数合格点数合格点数合格点数评定合格率合格率合格率施工单位自评意见 质量等级 监理单位复核意见 核定质量等级检查项目达到质量标准;铺料 厚度和铺料边线合格率 为 %, 压实干密度合格 率 %施工单位名称监理单位名称测量员 初检负责人 终检负责人检 测 项 目检 查 项 目核定人年月日年月日年月日年月日堤防工程土料吹填筑堤单元工程质量评定表单位工程名称单元工程量分部工程名称检验日期年月日单元工程名称、部位评定日期年月日项次1 检查项目31 检2测项目3项目名称吹填土质吹填区围堰泥砂颗粒分布吹填高程吹填区宽度吹填平整度质量标准符合设计要求符合设计要求,无严重溃堤塌方事故吹填区沿程沉积泥砂颗粒级配无显著差异允许偏差:0〜+0.3m区宽小于50 m 允许偏差土0.5 m,区宽大于50 m 允许偏差± 1.0 m细粒土0.5〜1.2 m 粗粒土0.8〜1.6 m总测点数总测点数总测点数检验结果m合格点数合格点数合格点数评定合格率合格率合格率吹填干密度总测点数合格点数设计干密度不小于t/m3合格率施工单位自评意见质量等级监理单位复核意见核定质量等级检查项目达到质量标准;吹填高程、吹填区宽度、平整度合格率%,吹填干密度合格率%施工单位名称监理单位名称测量员初检负责人终检负责人2核定人年月日年月日年月日年月日表堤 4堤防工程土料吹填压渗平台单元工程质量评定表单位工程名称分部工程名称 单元工程量检验日期年 月 日单元工程名称、部位评定日期 年 月 日项次1检 查 项 目3项目名称吹填土质吹填区围堰泥砂颗粒分布质量标准符合设计要求符合设计要求,无严重溃堤塌方事故吹填区沿程沉积泥砂颗粒级配无显著差异检验结果m 评定123吹填高程吹填区宽度吹填平整度允许偏差: 0〜+0.3m区宽小于 50 m 允许偏差土 0.5 m,区宽大于 50 m 允许偏差± 1.0 m细粒土 0.5~1.2m 粗粒土 0.8~1.6 m总测点数总测点数总测点数合格点数合格点数合格点数合格 率合格 率合格率施工单位自评意见 质量等级 监理单位复核意见 核定质量等级检查项目达到质量标准,检测 项目合格率 %施工单位名称监理单位名称测量员 初检负责人 终检负责人2检测项 目核定人年月日年月日年月日年月日堤防工程黏土防渗体填筑单元工程质量评定表单位工程名称 单元工程量分部工程名称 检验日期年 月 日单元工程名称、部位 评定日期年 月 日项次1检 2查 项 目 34123项目名称 △上堤土料土质、含 水 率土块粒径作业段划分、搭接碾压作业程序铺料厚度铺料边线△压实指标质量标准无不合格土,含水率适中根据压实机具,土块限制在 cm 以内机械作业不小于 100m,人工作业不小于 50 m,搭接无界沟碾压机械行走平行于堤轴线,碾迹及搭接 碾 压符合要求总测点数允许偏差: 0 -----5cm总测点数允许偏差: 0〜+10cm总测点数 设计干密度不小于 t/m 3合格点数合格点数合格点数评定合格率合格率合格率施工单位自评意见 质量等级 监理单位复核意见 核定质量等级检查项目达到质量标准;铺料 厚度和铺料边线合格率为% , 压实指标合格率 %施工单位名称监理单位名称测量员 初检负责人 终检负责人检验结果检 测 项 目核定人年月日年月日年月日年月日堤防工程砂质土堤堤坡顶填筑单元工程质量评定表单位工程名称 单元工程量分部工程名称 检验日期年 月 日单元工程名称、部位评定日期年 月 日项次1234123项目名称 △上堤土料土质、含 水 率土块粒径作业段划分、搭接碾压作业程序铺料厚度砂质土堤堤坡堤顶宽 度或者厚度△压实指标质量标准无不合格土,含水率适中根据压实机具,土块限制在 cm 以内 机械作业不小于 100m,人工作业不小于 50 m,搭接无界沟碾压机械行走平行于堤轴线,碾迹及搭接 碾 压符合要求允许偏差: 0 -----5cm人 工 、 机械 运 土碾 压 筑堤 允许 偏 差 : -3 cm ; 吹填筑堤允许偏差一 5cm设计干密度不小于 t/m 3检验结果总测点数总测点数总测点数 合格点数合格点数合格点数评定合格率合格率合格率施工单位自评意见 质量等级 监理单位复核意见 核定质量等级检查项目达到质量标准;铺料 厚度、堤顶宽度合格率为% , 压实指标合格率 %施工单位名称监理单位名称测量员 初检负责人 终检负责人检 测 项 目检 查 项 目核定人年月日年月日年月日年月日单位工程名称 单元工程量分部工程名称 检验日期 年 月 日单元工程名称、部位 评定日期 年 月 日项次 项目名称 质量标准 检验结果 评定1 基面 按 SL260 —98 《堤防工程施工规范》验收合格2 垫层材料符合设计要求3垫层施工方法及程 序按 SL260-98 《堤防工程施工规范》验收合格1 垫层厚度总测点数 合格点数偏小值不大于设计厚度 15% (设计垫层厚度cm )合格率施工单位自评意见 质量等级 监理单位复核意见 核定质量等级检查项目达到质量标准,检 测项目合格率 %施工单位名称监理单位名称测量员 初检负责人 终检负责人核定人年 月曰年月曰年 月曰年 月曰检 测 项 目检 查 项 目单位工程名称 单元工程量分部工程名称 检验日期 年 月 日单元工程名称、部位 评定日期 年 月 日项次 项目名称 质量标准 检验结果 评定1 石料质地坚硬无风化,单块质量大于等于 25kg, 最 小边长大于等于 15cm2 石料排砌禁用小石、片石,不得有通缝3 缝宽无宽度在 3 m 以上,长度在 0.5 m 以上的连续缝1检 测 项 目2砌体厚度坡面平整度合格 总测点数 合格点数率允许偏差为设计厚度的土 10%合格 总测点数 合格点数率2 m 靠尺检测凹凸不超过 10 cm施工单位自评意见 质量等级 监理单位复核意见 核定质量等级检查项目达到质量标准,检 测项目合格率 %施工单位名称监理单位名称测量员 初检负责人 终检负责人核定人年 月曰年月曰年 月曰年 月曰检查 项 目单位工程名称分部工程名称单元工程名称、部位项次 项目名称1 面石用料单元工程量检验日期评定日期质量标准质地坚硬无风化,单块质量大于等于 25kg, 最 小边长大于等于 20cm2 腹石砌筑排紧填严,无淤泥杂质3 面石砌筑禁止使用小块石,不得有通缝、对缝、浮 石、 空洞1检 测 项 目2砌体厚度坡面平整度合格 总测点数 合格点数率允许偏差为设计厚度的土 10%合格 总测点数 合格点数率2 m 靠尺检测凹凸不超过 10 cm施工单位自评意见 质量等级 监理单位复核意见 核定质量等级检查项目达到质量标准,检 测项目合格率 %施工单位名称监理单位名称测量员 初检负责人 终检负责人核定人年 月曰年 月曰年 月曰年 月曰检验结果年 月 年 月 评定日 日检查 项 目单位工程名称分部工程名称单元工程名称、部位项次 项目名称1 石料、水泥、砂料单元工程量检验日期评定日期质量标准符合 SL —98 《堤防工程施工规范》要求检 2 砂浆配合比 符合设计要求 查3 浆砌空隙用小石填塞,不得用砂浆充填,坐浆饱满, 无空隙4 勾缝 无裂缝、蜕玻现象1检 测 项 目2砌石厚度坡面平整度总测点数允许偏差为设计厚度的±10%总测点数2 m 靠尺检测凹凸不超过 10 cm合格点数合格点数合格率合格率施工单位自评意见 质量等级 监理单位复核意见 核定质量等级检查项目达到质量标准,检 测项目合格率 %施工单位名称监理单位名称测量员 初检负责人 终检负责人核定人年 月曰年 月曰年 月曰年 月曰检验结果年 月 年 月 评定日 日项 目单位工程名称分部工程名称单元工程名称、部位项次 项目名称1 石料、水泥、砂料单元工程量检验日期评定日期质量标准符合 SL —98 《堤防工程施工规范》要求检 2 砂浆配合比 符合设计要求 查3 浆砌空隙用小石填塞,不得用砂浆充填,坐浆饱满, 无空隙4 勾缝 无裂缝、蜕玻现象1检 测 项 目2砌石厚度坡面平整度总测点数允许偏差为设计厚度的±10%总测点数2 m 靠尺检测凹凸不超过 10 cm合格点数合格点数合格率合格率施工单位自评意见 质量等级 监理单位复核意见 核定质量等级检查项目达到质量标准,检 测项目合格率 %施工单位名称监理单位名称测量员 初检负责人 终检负责人核定人年 月曰年 月曰年 月曰年 月曰检验结果年 月 年 月 评定日 日项 目单位工程名称分部工程名称单元工程名称、部位项次 项目名称1 石料、水泥、砂料单元工程量检验日期评定日期质量标准符合 SL —98 《堤防工程施工规范》要求检 2 砂浆配合比 符合设计要求 查3 浆砌空隙用小石填塞,不得用砂浆充填,坐浆饱满, 无空隙4 勾缝 无裂缝、蜕玻现象1检 测 项 目2砌石厚度坡面平整度总测点数允许偏差为设计厚度的±10%总测点数2 m 靠尺检测凹凸不超过 10 cm合格点数合格点数合格率合格率施工单位自评意见 质量等级 监理单位复核意见 核定质量等级检查项目达到质量标准,检 测项目合格率 %施工单位名称监理单位名称测量员 初检负责人 终检负责人核定人年 月曰年 月曰年 月曰年 月曰检验结果年 月 年 月 评定日 日项 目单位工程名称分部工程名称单元工程名称、部位项次 项目名称1 抗冲体结构2 抛投程序3 抛投位置和数量1检 测 项 目2各种抗冲体工程量护脚坡面相应位置 高程单元工程量检验日期评定日期质量标准符合设计要求符合设计要求按单元工程内各网格位置和数量抛投总测点数 合格点数体积允许偏差+10%,但不得偏小总测点数 合格点数允许偏差±0.3cm年 月 日年 月 日评定合格率合格率施工单位自评意见 质量等级 监理单位复核意见 核定质量等级检查项目达到质量标准,检 测项目合格率 %施工单位名称监理单位名称测量员 初检负责人 终检负责人核定人年 月曰年 月曰年 月曰年 月曰检验结果检查 项 目。
外观质量评定标准审批表(质量监督[2021]外观001号)工程名称:某某堤防工程致:xxx项目法人单位根据工程设计图纸和《水利水电工程施工质量检验与评定规程》(SL176-2007)、《水利水电工程单元工程施工质量验收评定标准》(SL631~637—2012)及《水利水电建设工程验收规程》(SL223-2008)、《堤防工程设计规范》(GB50286-2013)的规定,结合你单位报送的《某某堤防工程外观质量评定报审表》(发包[2021]外观001号),同意该工程项目按《某某堤防工程外观质量评定标准》进行工程外观质量评定,详见附件。
附件:《某某堤防工程外观质量评定标准》质量监督机构:(全称及盖章)负责人:(签名)日期:年月日说明:本表一式4份,由质量监督机构填写,监理人、承包人、发包人、质量监督机构各1份。
外观质量评定标准报审表(发包[2021]外观001号)工程名称:某某堤防工程致:某某质量监督站根据工程设计图纸和《水利水电工程施工质量检验与评定规程》(SL176-2007)、《水利水电工程单元工程施工质量验收评定标准》(SL631~637—2012)及《水利水电建设工程验收规程》(SL223-2008)、《堤防工程设计规范》(GB50286-2013)的规定,结合工程实际情况,现已编制完成《某某堤防工程外观质量评定标准》,经与相关单位研究,建议该工程按上述标准进行工程外观质量评定。
请贵单位及时审定批复。
附件:《某某堤防工程外观质量评定标准》发包人:(全称及盖章)负责人:(签名)日期:年月日说明:本表一式4份,由项目业主填写,监理人、承包人各1份,发包人2份。
(监理[2021]外观001号)工程名称:某某堤防工程监理机构:某某监理公司致:某某项目法人单位根据工程设计图纸、《水利水电工程施工质量检验与评定规程》(SL176-2007)、《水利水电工程单元工程施工质量验收评定标准》(SL631~637—2012)及《水利水电建设工程验收规程》(SL223-2008)、《堤防工程设计规范》(GB50286-2013)的规定,结合工程实际情况,现已编制完成《某某堤防工程外观质量评定标准》,经与相关单位研究,建议该工程按上述标准进行工程外观质量评定。
水利水电工程
表堤01 堤防工程外观质量评定表
号)中《水工建筑物外观质量评定表》执行;
2.项次1SL239—1999《堤防工程施工质量评定与验收规程》(试行)表C。
0。
2外部尺寸质量检测评定表中的评定结果进行评分;其他各项得分为各评定成员在检查工程现
场后对相应的外部观感质量进行打分后的算术平均值;
3.实际评定时,仅对实际存在的项目进行评定打分,其标准分累计为应得分,评定打分合计实得分,得分率=(实得分/应得分)×100%。
水利水电工程
表堤01-1 堤防单位工程外部尺寸质量检测评定表
堤防工程
表堤1 堤基清理单元工程质量评定表
堤防工程
表堤2 土料碾压筑堤单元工程质量评定表堤防工程
表堤3 土料吹填筑堤单元工程质量评定表
堤防工程
表堤4 土料吹填压渗平台单元工程质量评定表堤防工程
表堤5 粘土防渗体填筑单元工程质量评定表堤防工程
表堤6 砂质土堤堤坡堤顶填筑单元工程质量评定表堤防工程
表堤7 护坡垫层单元工程质量评定表堤防工程
表堤8 毛石粗排护坡单元工程质量评定表堤防工程
表堤9 干砌石护坡单元工程质量评定表堤防工程
表堤10 浆砌石护坡单元工程质量评定表堤防工程
表堤11 混凝土预制块护坡单元工程质量评定表堤防工程
表堤12 堤脚防护(水下抛石)单元工程质量评定表。
XXX堤防工程外观质量评定标准(表)
4.1.2各项目工程外观质量分为四级,各级标准得分见下表。
外观质量等级与标准得分
根据现场检查结果共同讨论决定其质量等级。
4.1.4外观质量评定表由工程外观质量评定组根据现场检查、检测结果填写。
表尾由各单位参加外观质量评定的人员签名(施工单位
1 人。
如本工程由分包单位施工,则总包单位、分包单位各派 1 人参加。
项目法人、监理、设计各派 1~
2 人。
工程运行管理单位 1 人)。
5附表(见附表1、附表2)
附表1 XXX工程外观质量评定表
附表2
XXX单位工程外观质量评定表。
水利水电工程单元工程施工质量验收评定标准
SL634—2012堤防工程
单元工程施工质量验收评定表
堤基处理单元工程施工质量验收评定表
堤基处理基面清理工序施工质量验收评定表
堤基处理基面平整压实工序施工质量验收评定表
土料碾压筑堤单元工程施工质量验收评定表
土料摊铺工序施工质量验收评定表
土料碾压工序施工质量验收评定表
堤身与建筑物结合部填筑单元工程施工质量验收评定表
建筑物表面涂浆工序施工质量验收评定表
结合部填筑施工工序施工质量验收评定表
防冲体护脚单元工程施工质量验收评定表(划分工序)
防冲体制备工序施工质量验收评定表
防冲体抛投工序施工质量验收评定表
护坡工程砂(石)垫层单元工程施工质量验收评定表(不划分工序)
护坡工程土工织物铺设单元工程施工质量验收评定表
护坡工程毛石粗排护坡单元工程施工质量验收评定表
护坡工程石笼护坡单元工程施工质量验收评定表
护坡工程干砌石护坡单元工程施工质量验收评定表
护坡工程浆砌石护坡单元工程施工质量验收评定表
护坡工程混凝土预制块护坡单元工程施工质量验收评定表
护坡工程模袋混凝土单元工程施工质量验收评定表
护坡工程灌砌石护坡单元工程施工质量验收评定表
护坡工程植草护坡单元工程施工质量验收评定表
护坡工程防浪林单元工程施工质量验收评定表
河道疏浚单元工程施工质量验收评定表(不划分工序)。
水利水电工程
表堤01 堤防工程外观质量评定表
明1.堤防联接建筑物的外观质量评参照《水利水电工程施工质量评定表》(试行)(建地[1995]3号)中《水工建筑物外观质量评定表》执行;
2.项次1SL239—1999《堤防工程施工质量评定与验收规程》(试行)表C。
0。
2外部尺寸质量检测评定表中的评定结果进行评分;其他各项得分为各评定成员在检查工程现场后对相应的
外部观感质量进行打分后的算术平均值;
3.实际评定时,仅对实际存在的项目进行评定打分,其标准分累计为应得分,评定打分合计实得分,得分率=(实得分/应得分)×100%。
水利水电工程
表
堤
01-
1
堤
防
单
位工程外部尺寸质量检测评定表
堤防工程
表
堤
堤2 土料碾压筑堤单元工程质量评定表
堤防工程
表堤3 土料吹填筑堤单元工程质量评定表
堤防工程
表
堤
4
土
料
吹
填
压
渗
平
台
单
元工程质量评定表
堤防工程
表
防
渗
体
填
筑
单
元
工
程
质
量
评
定表
堤防工程
表
顶
填
筑单元工程质量评定表
堤防工程
表
堤防工程
表
堤
8
毛石粗排护坡单元工程质量评定表
堤防工程
表
干
砌
石
护
坡
单
元
工
程
质
量
评
定
表
堤
防
工
程
表
坡
单
元
工
程
质
量
评
定表
堤防工程
表
堤防工程
表
堤
脚防护(水下抛石)单元工程质量评定表
青山埋白骨,绿水吊忠魂。