牛顿第二定律实验练习题含答案(供参考)(新)
- 格式:doc
- 大小:210.16 KB
- 文档页数:5
【例1】在光滑水平面上的木块受到一个方向不变,大小从某一数值逐渐变小的外力作用时,木块将作 [ ]A.匀减速运动B.匀加速运动C.速度逐渐减小的变加速运动 D.速度逐渐增大的变加速运动【例2】一个质量m=2kg的木块,放在光滑水平桌面上,受到三个大小均为F=10N、与桌面平行、互成120°角的拉力作用,则物体的加速度多大?若把其中一个力反向,物体的加速度又为多少?【例3】沿光滑斜面下滑的物体受到的力是 [ ]A.重力和斜面支持力 B.重力、下滑力和斜面支持力C.重力、正压力和斜面支持力 D.重力、正压力、下滑力和斜面支持力【例4】图中滑块与平板间摩擦系数为μ,当放着滑块的平板被慢慢地绕着左端抬起,α角由0°增大到90°的过程中,滑块受到的摩擦力将 [ ]A.不断增大 B.不断减少C.先增大后减少D.先增大到一定数值后保持不变【例5】如图,质量为M的凹形槽沿斜面匀速下滑,现将质量为m的砝码轻轻放入槽中,下列说法中正确的是 [ ]A.M和m一起加速下滑B.M和m一起减速下滑C.M和m仍一起匀速下滑【例6】图1表示某人站在一架与水平成θ角的以加速度a向上运动的自动扶梯台阶上,人的质量为m,鞋底与阶梯的摩擦系数为μ,求此时人所受的摩擦力。
【例7】在粗糙水平面上有一个三角形木块abc,在它的两个粗糙斜面上分别放两个质量m1和m2的木块,m1>m2,如图1所示。
已知三角形木块和两个物体都是静止的,则粗糙水平面对三角形木块[ ]A.有摩擦力作用,摩擦力方向水平向右B.有摩擦力作用,摩擦力方向水平向左C.有摩擦力作用,但摩擦力方向不能确定D.以上结论都不对【例8】质量分别为m A和m B的两个小球,用一根轻弹簧联结后用细线悬挂在顶板下(图1),当细线被剪断的瞬间,关于两球下落加速度的说法中,正确的是 [ ]A.a A=a B=0 B.a A=a B=gC.a A>g,a B=0 D.a A<g,a B=0【例9】在车箱的顶板上用细线挂着一个小球(图1),在下列情况下可对车厢的运动情况得出怎样的判断:(1)细线竖直悬挂:______;(2)细线向图中左方偏斜:___;(3)细线向图中右方偏斜:___________ 。
高考物理牛顿运动定律题20套(带答案)含解析一、高中物理精讲专题测试牛顿运动定律1.如图所示,质量为M=0.5kg 的物体B 和质量为m=0.2kg 的物体C ,用劲度系数为k=100N/m 的竖直轻弹簧连在一起.物体B 放在水平地面上,物体C 在轻弹簧的上方静止不动.现将物体C 竖直向下缓慢压下一段距离后释放,物体C 就上下做简谐运动,且当物体C 运动到最高点时,物体B 刚好对地面的压力为0.已知重力加速度大小为g=10m/s 2.试求:①物体C 做简谐运动的振幅;②当物体C 运动到最低点时,物体C 的加速度大小和此时物体B 对地面的压力大小. 【答案】①0.07m ②35m/s 2 14N 【解析】 【详解】①物体C 放上之后静止时:设弹簧的压缩量为0x . 对物体C ,有:0mg kx = 解得:0x =0.02m设当物体C 从静止向下压缩x 后释放,物体C 就以原来的静止位置为平衡位置上下做简谐运动,振幅A =x当物体C 运动到最高点时,对物体B ,有:0()Mg k A x =- 解得:A =0.07m②当物体C 运动到最低点时,设地面对物体B 的支持力大小为F ,物体C 的加速度大小为a .对物体C ,有:0()k A x mg ma +-= 解得:a =35m/s 2对物体B ,有:0()F Mg k A x =++ 解得:F =14N所以物体B 对地面的压力大小为14N2.如图,质量分别为m A =1kg 、m B =2kg 的A 、B 两滑块放在水平面上,处于场强大小E=3×105N/C 、方向水平向右的匀强电场中,A 不带电,B 带正电、电荷量q=2×10-5C .零时刻,A 、B 用绷直的细绳连接(细绳形变不计)着,从静止同时开始运动,2s 末细绳断开.已知A 、B 与水平面间的动摩擦因数均为μ=0.1,重力加速度大小g=10m/s 2.求:(1)前2s 内,A 的位移大小; (2)6s 末,电场力的瞬时功率. 【答案】(1) 2m (2) 60W 【解析】 【分析】 【详解】(1)B 所受电场力为F=Eq=6N ;绳断之前,对系统由牛顿第二定律:F-μ(m A +m B )g=(m A +m B )a 1 可得系统的加速度a 1=1m/s 2; 由运动规律:x=12a 1t 12 解得A 在2s 内的位移为x=2m ;(2)设绳断瞬间,AB 的速度大小为v 1,t 2=6s 时刻,B 的速度大小为v 2,则v 1=a 1t 1=2m/s ;绳断后,对B 由牛顿第二定律:F-μm B g=m B a 2 解得a 2=2m/s 2;由运动规律可知:v 2=v 1+a 2(t 2-t 1) 解得v 2=10m/s电场力的功率P=Fv ,解得P=60W3.如图所示,水平地面上固定着一个高为h 的三角形斜面体,质量为M 的小物块甲和质量为m 的小物块乙均静止在斜面体的顶端.现同时释放甲、乙两小物块,使其分别从倾角为α、θ的斜面下滑,且分别在图中P 处和Q 处停下.甲、乙两小物块与斜面、水平面间的动摩擦因数均为μ.设两小物块在转弯处均不弹起且不损耗机械能,重力加速度取g.求:小物块(1)甲沿斜面下滑的加速度; (2)乙从顶端滑到底端所用的时间;(3)甲、乙在整个运动过程发生的位移大小之比. 【答案】(1) g(sin α-()2sin sin cos hg θθμθ-【解析】 【详解】(1) 由牛顿第二定律可得F 合=Ma 甲Mg sin α-μ·Mg cos α=Ma 甲 a 甲=g(sin α-μcos α)(2) 设小物块乙沿斜面下滑到底端时的速度为v ,根据动能定理得W 合=ΔE k mgh -μmgcos θ·θsin h=212mv v=cos 21sin gh θμθ⎛⎫- ⎪⎝⎭a 乙=g (sin θ-μcos θ) t =()2sin sin cos hg θθμθ-(3) 如图,由动能定理得Mgh -μ·Mg cos α·sin hα-μ·Mg (OP -cos sin h αα)=0mgh -μmg cos θ·θsin h-μmg (OQ -cos sin h θθ)=0 OP=OQ根据几何关系得222211x h OP x h OQ ++甲乙4.高铁的开通给出行的人们带来了全新的旅行感受,大大方便了人们的工作与生活.高铁每列车组由七节车厢组成,除第四节车厢为无动力车厢外,其余六节车厢均具有动力系统,设每节车厢的质量均为m ,各动力车厢产生的动力相同,经测试,该列车启动时能在时间t 内将速度提高到v ,已知运动阻力是车重的k 倍.求: (1)列车在启动过程中,第五节车厢对第六节车厢的作用力;(2)列车在匀速行驶时,第六节车厢失去了动力,若仍要保持列车的匀速运动状态,则第五节车厢对第六节车厢的作用力变化多大? 【答案】(1)13m (v t +kg ) (2)1415kmg 【解析】 【详解】(1)列车启动时做初速度为零的匀加速直线运动,启动加速度为a =vt① 对整个列车,由牛顿第二定律得:F -k ·7mg =7ma ②设第五节对第六节车厢的作用力为T ,对第六、七两节车厢进行受力分析,水平方向受力如图所示,由牛顿第二定律得26F+T -k ·2mg =2ma , ③ 联立①②③得T =-13m (vt+kg ) ④ 其中“-”表示实际作用力与图示方向相反,即与列车运动相反. (2)列车匀速运动时,对整体由平衡条件得F ′-k ·7mg =0 ⑤设第六节车厢有动力时,第五、六节车厢间的作用力为T 1,则有:26F '+T 1-k ·2mg =0 ⑥ 第六节车厢失去动力时,仍保持列车匀速运动,则总牵引力不变,设此时第五、六节车厢间的作用力为T 2, 则有:5F '+T 2-k ·2mg =0, ⑦ 联立⑤⑥⑦得T 1=-13kmg T 2=35kmg 因此作用力变化ΔT =T 2-T 1=1415kmg5.在水平长直的轨道上,有一长度为L 的平板车在外力控制下始终保持速度v 0做匀速直线运动.某时刻将一质量为m 的小滑块轻放到车面的中点,滑块与车面间的动摩擦因数为μ,此时调节外力,使平板车仍做速度为v 0的匀速直线运动.(1)若滑块最终停在小车上,滑块和车之间因为摩擦产生的内能为多少?(结果用m ,v 0表示)(2)已知滑块与车面间动摩擦因数μ=0.2,滑块质量m =1kg ,车长L =2m ,车速v 0=4m/s ,取g =10m/s 2,当滑块放到车面中点的同时对该滑块施加一个与车运动方向相同的恒力F ,要保证滑块不能从车的左端掉下,恒力F 大小应该满足什么条件? 【答案】(1)2012m v (2)6F N ≥【解析】解:根据牛顿第二定律,滑块相对车滑动时的加速度mga g mμμ==滑块相对车滑动的时间:0v t a=滑块相对车滑动的距离2002v s v t g=-滑块与车摩擦产生的内能Q mgs μ= 由上述各式解得2012Q mv =(与动摩擦因数μ无关的定值) (2)设恒力F 取最小值为1F ,滑块加速度为1a ,此时滑块恰好达到车的左端,则: 滑块运动到车左端的时间011v t a = 由几何关系有:010122v t Lv t -= 由牛顿定律有:11F mg ma μ+= 联立可以得到:10.5s t=,16F N =则恒力F 大小应该满足条件是:6F N ≥.6.某天,张叔叔在上班途中沿人行道向一公交车站走去,发现一辆公交车正从身旁的平直公路驶过,此时,张叔叔的速度是1m/s ,公交车的速度是15m/s ,他们距车站的距离为50m .假设公交车在行驶到距车站25m 处开始刹车.刚好到车站停下,停车10s 后公交车又启动向前开去.张叔叔的最大速度是6m/s ,最大起跑加速度为2.5m/s 2,为了安全乘上该公交车,他用力向前跑去,求:(1)公交车刹车过程视为匀减速运动,其加速度大小是多少. (2)分析张叔叔能否在该公交车停在车站时安全上车. 【答案】(1)4.5m/s 2 (2)能 【解析】试题分析:(1)公交车的加速度221110 4.5/2v a m s x -==- 所以其加速度大小为24.5/m s (2)汽车从相遇处到开始刹车时用时:11153x x t s v -==汽车刹车过程中用时:1210103v t s a -== 张叔叔以最大加速度达到最大速度用时:32322v v t s a -== 张叔叔加速过程中的位移:2323·72v v x t m +== 以最大速度跑到车站的时间243437.26x x t s s v -==≈ 因341210t t t t s +<++,张叔叔可以在汽车还停在车站时安全上车. 考点:本题考查了牛顿第二定律、匀变速直线运动的规律.7.2019年1月3日10时26分.中国嫦娥四号探测器成功着陆在月球背面南极艾特肯盆地内的冯·卡门撞击坑内。
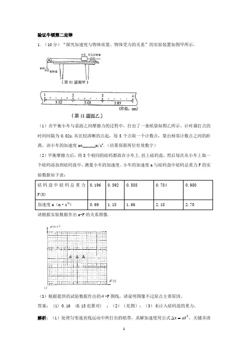
验证牛顿第二定律1. (10分)“探究加速度与物体质量、物体受力的关系”的实验装置如图甲所示。
(1)在平衡小车与桌面之间摩擦力的过程中,打出了一条纸袋如图乙所示。
计时器打点的时间间隔为0.02s.从比较清晰的点起,每5个点取一个计数点,量出相邻计数点之间的距离。
该小车的加速度a=______m/s 2.(结果保留两位有效数字)(2)平衡摩擦力后,将5个相同的砝码都放在小车上.挂上砝码盘,然后每次从小车上取一个砝码添加到砝码盘中,测量小车的加速度。
小车的加速度a 与砝码盘中砝码总重力F 的实验数据如下表:砝码盘中砝码总重力F(N)0.196 0.392 0.588 0.784 0.980 加速度a (m ·s -2) 0.69 1.18 1.66 2.18 2.70 请根据实验数据作出a-F 的关系图像.(3)根据提供的试验数据作出的a -F 图线,请说明图像不过原点主要原因。
答案: (1) 0.16 (0.15也算对) ;(2)(见图);(3)未计入砝码盘的重力。
解析:(1)处理匀变速直线运动中所打出的纸带,求解加速度用公式2at x =∆,关键弄清公式中各个量的物理意义,x ∆为连续相等时间内的位移差,t 为连需相等的时间间隔,如果每5个点取一个点,则连续两点的时间间隔为t =0.1s ,=∆x (3.68-3.52)210-⨯m ,带入可得加速度a =0.16m/s 2。
也可以使用最后一段和第二段的位移差求解,得加速度a =0.15m/s 2.(2)根据图中的数据,合理的设计横纵坐标的刻度值,使图线倾斜程度太小也不能太大,以与水平方向夹角45°左右为宜。
由此确定F的范围从0设置到1N 较合适,而a 则从0到3m/s 2较合适。
设好刻度,根据数据确定个点的位置,将个点用一条直线连起来,延长交与坐标轴某一点。
如图所示。
(3)处理图象问题要注意图线的斜率、交点、拐点、面积等意义,能正确理解这些量的意义则很多问题将会迎刃而解。
课时训练8 牛顿第二定律两类动力学问题一、选择题1.如图所示,连同装备总重力为G的滑雪爱好者从滑雪坡道上由静止开始沿坡道ABC向下滑行,滑到B点时滑雪者通过改变滑雪板角度的方式来增大摩擦力的大小,使其到底端C点速度刚好减为零.已知AB>BC,设两段运动过程中摩擦力均为定值.下列分别为滑雪者位移、速度、加速度、摩擦力随时间变化的图象,其中正确的是( )解析对滑雪者,受重力、支持力和摩擦力三个恒力作用,在AB和BC两段的合力均为恒定值,由牛顿第二定律,Gsinθ-fAB=maAB、fBC-Gsinθ=maBC,加速度也分别恒定,且AB段aAB的方向沿斜面向下,BC段aBC的方向沿斜面向上,则选项C、D错误;滑雪者先匀加速运动到B,再匀减速运动到C,则选项B正确;s-t图象的斜率表示速度,则选项A错误.答案 B2.汽车拉着拖车在水平道路上沿着直线加速行驶,根据牛顿运动定律,以下说法正确的是( )A.汽车能拉着拖车加速前进,是因为汽车拉拖车的力大于拖车拉汽车的力B.加速前进时,汽车对拖车的拉力大小与拖车对汽车的拉力大小相等C.汽车先对拖车施加拉力,然后才产生拖车对汽车的拉力D.汽车对拖车的拉力大小与拖车所受地面对它的摩擦力大小相等解析汽车拉着拖车加速前进,汽车对拖车的拉力大于拖车所受地面对它的摩擦力,根据牛顿第三定律,汽车拉拖车的力等于拖车拉汽车的力,且同时产生,故只有选项B正确.答案 B3.[2014·北京月考]粗糙水平面上放有P、Q两个木块,它们的质量依次为m1、m2,与水平面的动摩擦因数依次为μ1、μ2.分别对它们施加水平拉力F,它们的加速度a随拉力F变化的规律如图所示.下列判断正确的是( )A.m1>m2,μ1>μ2 B.m1>m2,μ1<μ2C.m1<m2,μ1>μ2 D.m1<m2,μ1<μ2解析木块在水平面受到拉力和摩擦力作用,根据牛顿第二定律有a =F -μmg m =1m F -μg ,结合加速度a 随拉力F 变化的图象,a -F 斜率代表1m,图象Q 的斜率大,即m1>m2,纵轴的截距是-μg ,把图象延长得到纵轴截距如图,Q 截距大说明μ2>μ1.对照答案B 对.答案 B4.[2013·新课标全国卷Ⅱ]一物块静止在粗糙的水平桌面上.从某时刻开始,物块受到一方向不变的水平拉力作用.假设物块与桌面间的最大静摩擦力等于滑动摩擦力.以a 表示物块的加速度大小,F 表示水平拉力的大小.能正确描述F 与a 之间关系的图象是( )解析 设物块受的滑动摩擦力为Ff ,当拉力F 增至与滑动摩擦力相等时,物块才开始滑动.根据牛顿第二定律得F -Ff =ma ,则F =Ff +ma ,C 项正确.答案 C 5.[2014·福建月考]如图所示,竖直平面内两根光滑细杆所构成的∠AOB 被铅垂线OO′平分,∠AOB =120°.两个质量均为m 的小环通过水平轻弹簧的作用静止在A 、B 两处,A 、B 连线与OO′垂直,连线中O 点高度为h ,已知弹簧原长为3h ,劲度系数为k ,现在把两个小环在竖直方向上均向下平移h ,释放瞬间A 环加速度为a ,则下列表达式正确的是( )A .k =3mg/3hB .k =mg/6hC .a =gD .a =3g解析 以位于A 点的小环为研究对象受力分析如图所示,设此时弹簧伸长量为Δx ,则有:k Δx =mgtan30°,而Δx =2h tan30°-3h ,解得:k =mg 3h,所以A 、B 错误;同理分析小环下移h 后的受力情况可得到:k Δx′cos30°-mgsin30°=ma ,而同时有Δx′=2×2h tan30°-3h ,代入解得:a =g ,故C 正确、D 错误. 答案 C 6.[2013·广东卷]游乐场中,从高处A 到水面B 处有两条长度相同的光滑轨道.甲、乙两小孩沿不同轨道同时从A 处自由滑向B 处,下列说法正确的有( )A .甲的切向加速度始终比乙的大B .甲、乙在同一高度的速度大小相等C .甲、乙在同一时刻总能到达同一高度D .甲比乙先到达B 处解析设轨道的切线与水平面夹角为θ,小孩下滑过程的切向加速度a =gsin θ,开始甲大于乙后来甲小于乙,A 项错误;由机械能守恒可知,甲、乙在同一高度的速度大小相等,B 项正确;画出甲、乙的速率—时间图象如图所示,由于两种情况路程相同(即图象与t 轴所围的图形的面积相同),最后的速率相同,由图可知甲比乙先到达B 处,同一时刻,甲的位置总低于乙,C 项错误,D 项正确.答案 BD7.[2013·新课标全国卷Ⅰ]2012年11月,“歼15”舰载机在“辽宁号”航空母舰上着舰成功,图(a)为利用阻拦系统让舰载机在飞行甲板上快速停止的原理示意图.飞机着舰并成功钩住阻拦索后,飞机的动力系统立即关闭,阻拦系统通过阻拦索对飞机施加一作用力,使飞机在甲板上短距离滑行后停止.某次降落,以飞机着舰为计时零点,飞机在t =0.4 s 时恰好钩住阻拦索中间位置,其着舰到停止的速度—时间图线如图(b)所示.假如无阻拦索,飞机从着舰到停止需要的滑行距离约为1 000 m .已知航母始终静止,重力加速度的大小为g ,则( )A .从着舰到停止,飞机在甲板上滑行的距离约为无阻拦索时的1/10B .在0.4 s ~2.5 s 时间内,阻拦索的张力几乎不随时间变化C .在滑行过程中,飞行员所承受的加速度大小会超过2.5gD .在0.4 s ~2.5 s 时间内,阻拦系统对飞机做功的功率几乎不变解析 速度—时间图象中,图线与坐标轴所围图形的面积为物体的位移,所以可以计算飞机受阻拦时运动的位移约为x =70×0.4 m+12×(3.0-0.4)×70 m=119 m ,A 项正确;0.4~2.5 s 时间内,速度—时间图象的斜率不变,说明两条绳索张力的合力不变,但是两力的夹角不断变小,所以绳索的张力不断变小,B 项错误;0.4~2.5 s 时间内平均加速度均为a =66-102.1m/s2=26.7 m/s2,C 项正确;0.4~2.5 s 时间内,阻拦系统对飞机的作用力不变,飞机的速度逐渐减小,由P =Fv 可知,阻拦系统对飞机做功的功率逐渐减小,D 项错误. 答案 AC8.在工厂的车间里有一条沿水平方向匀速运行的传送带,可将放在其上的小工件(可视为质点)运送到指定位置.某次将小工件轻放到传送带上时,恰好带动传送带的电动机突然断电,导致传送带做匀减速运动至停止.则小工件被放到传送带上后相对于地面( )A .做匀减速直线运动直到停止B .先做匀加速直线运动,然后做匀减速直线运动C .先做匀加速直线运动,然后做匀速直线运动D .先做匀减速直线运动,然后做匀速直线运动解析 由于小工件的初速度为零,即小工件的初速度小于传送带的速度,故小工件在传送带的滑动摩擦力作用下先做匀加速直线运动,当小工件达到与传送带相同的速度后,将相对于传送带静止并一起做匀减速直线运动,将最终停止.答案 B9.如图甲所示,绷紧的水平传送带始终以恒定速率v1运行.初速度大小为v2的小物块从与传送带等高的光滑水平地面上的A 处滑上传送带.若从小物块滑上传送带开始计时,小物块在传送带上运动的v -t 图象(以地面为参考系)如图乙所示.已知v2>v1,则( )A .t2时刻,小物块离A 处的距离达到最大B .t2时刻,小物块相对传送带滑动的距离达到最大C .0~t2时间内,小物块受到的摩擦力方向先向右后向左D .0~t3时间内,小物块始终受到大小不变的摩擦力作用解析 本题考查受力分析、牛顿第二定律和速度图象,意在考查考生应用牛顿第二定律并结合v -t 图象分析传送带模型的能力.小物块对地速度为零时,即t1时刻,向左离开A 处最远;t2时刻,小物块相对传送带静止,此时不再相对传送带滑动,所以从开始到此刻,它相对传送带滑动的距离最大;0~t2时间内,小物块受到的摩擦力为滑动摩擦力,方向始终向右,大小不变;t2时刻以后相对传送带静止,故不再受摩擦力作用,B 正确. 答案 B二、非选择题10.[2013·四川卷]如图1所示,某组同学借用“探究a 与F 、m 之间的定量关系”的相关实验思想、原理及操作,进行“研究合外力做功和动能变化的关系”的实验:①为达到平衡阻力的目的,取下细绳及托盘,通过调整垫片的位置,改变长木板倾斜程度,根据打出的纸带判断小车是否做________运动.②连接细绳及托盘,放入砝码,通过实验得到图2所示的纸带,纸带上O 为小车运动起始时刻所打的点,选取时间间隔为0.1 s 的相邻计数点A 、B 、C 、D 、E 、F 、G.实验时小车所受拉力为0.2 N ,小车的质量为0.2 kg.请计算小车所受合外力做的功W 和小车动能的变化ΔEk ,补填表中空格(结果保留至小数点后第四位分析上述数据可知:在实验误差允许的范围内W =ΔEk ,与理论推导结果一致.③实验前已测得托盘质量为7.7×10-3 kg ,实验时该组同学放入托盘中的砝码质量应为________kg(g 取9.8 m/s2,结果保留至小数点后第三位).解析 ①平衡摩擦力完成的依据是,小车可以独自在斜面上做匀速直线运动.②O ~F 段,合外力做的功W =Fs =0.2 N×55.75×10-2 m =0.111 5 J ;小车动能的变化ΔEk =12mv2F =12×0.2×⎣⎢⎡⎦⎥⎤--20.2 2 J =0.110 5 J. ③设M 为托盘、钩码总质量从O 点到任一计数点,拉力的功等于小车动能的变化Fs =12mv2 根据机械能守恒,钩码、托盘减少的重力势能等于系统增加的动能Mgs =12(M +m)v2 联立解得,M =0.022 7 kg钩码质量 m′=M -7.7×10-3 kg =0.015 kg.答案 ①匀速直线 ②0.111 5 J 0.110 5 J ③0.01511.某兴趣小组在研究测物块P 与软垫间的动摩擦因数时,提出了一种使用刻度尺和秒表的实验方案:将软垫一部分弯折形成斜面轨道与水平轨道连接的QCE 形状,并将其固定在竖直平面内,如图所示.将物块P 从斜面上A 处由静止释放,物块沿粗糙斜面滑下,再沿粗糙水平面运动到B 处静止,设物块通过连接处C 时机械能不损失,重力加速度g 取10 m/s2,用秒表测得物块从A 滑到B 所用时间为2 s ,用刻度尺测得A 、C 间距60 cm ,C 、B 间距40 cm.求:(1)物块通过C 处时速度大小;(2)物块与软垫间的动摩擦因数.解析 (1)设物块通过C 处时的速度为vC ,物块由A 滑到C 所通过的位移为x1,时间为t1,物块由C 滑到B 所通过的位移为x2,时间为t2.由x =v0+vt 2t 得x1=vC 2t1 x2=vC 2t2 且t1+t2=2 s解得:vC =1 m/s(2)由牛顿运动定律F =ma 可得μmg =ma由匀变速直线运动规律,得-v2C =-2ax2解得:μ=0.125 12.2013年9月,我国舰载机歼10满载荷在航母上首降成功.设某一舰载机的质量为m =2.5×104 kg,速度为v0=42 m/s ,若仅受空气阻力和甲板阻力作用,舰载机将在甲板上以a0=0.8 m/s2的加速度做匀减速运动,着舰过程中航母静止不动.(1)舰载机着舰后,若仅受空气阻力和甲板阻力作用,航母甲板至少多长才能保证舰载机不滑到海里?(2)为了舰载机在有限长度的跑道上停下来,甲板上设置了阻拦索让舰载机减速,同时考虑到舰载机挂索失败需要复飞的情况,舰载机着舰时不关闭发动机.图示为舰载机勾住阻拦索后某一时刻的情景,此时发动机的推力大小为F =1.2×105 N,减速的加速度a1=20 m/s2,此时阻拦索夹角θ=106°,空气阻力和甲板阻力保持不变.求此时阻拦索承受的张力大小?(已知:sin53°=0.8,cos53°=0.6)解析(1)设甲板的长度至少为x0,则由运动学公式得-v20=-2a0x0故x0=v20/2a0代入数据可得x0=1 102.5 m(2)舰载机受力分析如图所示,其中FT 为阻拦索的张力,f 为空气和甲板对舰载机的阻力,由牛顿第二定律得2FTcos53°+f -F =ma1舰载机仅受空气阻力和甲板阻力时f =ma0联立可得FT =5×105 N 13.如图所示,一质量为m 的物块A 与直立轻弹簧的上端连接,弹簧的下端固定在地面上,一质量也为m 的物块B 叠放在A 的上面,A 、B 处于静止状态.若A 、B 粘连在一起,用一竖直向上的拉力缓慢提B ,当拉力的大小为0.5mg 时,A 物块上升的高度为L ,此过程中,该拉力做的功为W ;若A 、B 不粘连,用一竖直向上的恒力F 作用在B 上,当A 物块上升的高度也为L 时,A 、B 恰好分离.已知重力加速度为g ,不计空气阻力,求:(1)弹簧的劲度系数k ;(2)恒力F 的大小;(3)A 与B 分离时的速度大小.解析 (1)设弹簧原长为L0,没有作用力时,弹簧总长度为L1=L0-2mg k当F1=0.5mg 时,弹簧总长度为L2=L0-2mg -F1k =L0-1.5mg k又由题意可知L =L2-L1=0.5mg k解得k =mg 2L. (2)A 、B 刚分离时,A 不受B 对它的弹力作用,经受力分析可得A 的加速度为aA =--mg m =0.5g 此时B 的加速度为aB =F -mg m刚分离时应有aA =aB解得F =1.5mg(3)设上升L 过程中,弹簧减小的弹性势能为ΔEp ,A 、B 粘连一块上升时,依据功能关系有: W +ΔEp =2mgL在恒力F 作用的过程中有:F·L+ΔEp =2mgL +12·2m·v2 可得:v =32gL -W m。
高考物理练习题库10(牛顿第二定律)1.关于牛顿第二定律,正确的说法是( ).【1】(A)物体的质量跟外力成正比,跟加速度成反比(B)加速度的方向一定与合外力的方向一致(C)物体的加速度跟物体所受的合外力成正比,跟物体的质量成反比(D)由于加速度跟合外力成正比,整块砖的重力加速度一定是半块砖重力加速度的2倍答案:BC2.课本中实验是用以下什么步骤导出牛顿第二定律的结论的( ).【1】(A)同时改变拉力F和小车质量m的大小(B)只改变拉力F的大小,小车的质最m不变(C)只改变小车的质量m,拉力F的大小不变(D)先保持小车质量m不变,研究加速度a与F的关系,再保持F不变,研究a与m的关系,最后导出a与m及F的关系答案:D3.物体静止在光滑的水平桌面上.从某一时刻起用水平恒力F推物体,则在该力刚开始作用的瞬间( ).【1】(A)立即产生加速度,但速度仍然为零(B)立即同时产生加速度和速度(C)速度和加速度均为零(D)立即产生速度,但加速度仍然为零答案:A4.合外力使一个质量是0.5kg的物体A以4m/s2的加速度前进,若这个合外力使物体B产生2.5m/s2的加速度,那么物体B的质量是______kg.【1】答案:0.86.在牛顿第二定律公式F=kma中,比例系数k的数值( ).【2】(A)在任何情况下都等于1(B)是由质量m、加速度a利力F三者的大小所决定的(C)是由质量m、加速度a和力F三者的单位所决定的(D)在国际单位制中一定等于1答案:CD7.用2N的水平力拉一个物体沿水平面运动时,物体可获得1m/s2的加速度;用3N的水平力拉物体沿原地面运动,加速度是2m/s2,那么改用4N的水平力拉物体,物体在原地面上运动的加速度是______m/s2,物体在运动中受滑动摩擦力大小为______N.【2】答案:3,18.一轻质弹簧上端固定,下端挂一重物体,平衡时弹簧伸长4cm,现将重物体向下拉1cm 然后放开,则在刚放开的瞬时,重物体的加速度大小为( ).【1.5】(A)2.5m/s2(B)7.5m/s2(C)10m/s2(D)12.5m/s2答案:A9.力F1单独作用在物体A上时产生的加速度为a1=5m/s2,力F2单独作用在物体A上时产生的加速度为a2=-1m/s2.那么,力F1和F2同时作用在物体A上时产生的加速度a的范围是( ).【1.5】(A)0≤a≤6m/s2B)4m/s2≤a≤5m/s2(C)4m/s2≤a≤6m/s2(D)0≤a≤4m/s2答案:C10.航空母舰上的飞机跑道长度有限.飞机回舰时,机尾有一个钩爪,能钩住舰上的一根弹性钢索,利用弹性钢索的弹力使飞机很快减速.若飞机的质量为M=4.0×103kg,同舰时的速度为v=160m/s,在t=2.0s内速度减为零,弹性钢索对飞机的平均拉力F=______N(飞机与甲板间的摩擦忽略不计).【2】答案:3.2×10511.某人站在升降机内的台秤上,他从台秤的示数看到自己体重减少20%,则此升降机的运动情况是______,加速度的大小是______m/s.(g取10m/s2).【2】答案:匀加速下降或匀减速上升,212.质量为10kg的物体,原来静止在水平面上,当受到水平拉力F后,开始沿直线作匀加速运动,设物体经过时间t位移为s,且s、t的关系为s=2t2,物体所受合外力大小为______N,第4s末的速度是______m/s,4s末撤去拉力F,则物体再经10s停止运动,则F=______N,物体与平面的摩擦因数μ=______(g取10m/s2).【4】答案:40,16,56,0.1613.在粗糙的水平面上,物体在水平推力作用下由静止开始作匀加速直线运动,作用一段时间后,将水平推力逐渐减小到零,则在水平推力逐渐减小到零的过程中( ).【2】(A)物体速度逐渐减小,加速度逐渐减小(B)物体速度逐渐增大,加速度逐渐减小(C)物体速度先增大后减小,加速度先增大后减小(D )物体速度先增大后减小,加速度先减小后增大答案:D14.如图所示,物体P 置于水平面上,用轻细线跨过质量不计的光滑定滑轮连接一个重力G =10N 的重物,物体P 向右运动的加速度为a 1;若细线下端不挂重物,而用F =10N 的力竖直向下拉细线下端,这时物体P 的加速度为a 2,则( ).【2】(A )a 1>a 2 (B )a 1=a 2(C )a 1<a 2 (D )条件不足,无法判断答案:C15.在做“验证牛顿第二定律”的实验时(装置如图所示):【5】(1)下列说法中正确的是( ).(A )平衡运动系统的摩擦力时,应把装砂的小桶通过定滑轮拴在小车上(B )连接砂桶和小车的轻绳应和长木板保持平行(C )平衡摩擦力后,长木板的位置不能移动(D )小车应靠近打点计时器,且应先接通电源再释放小车答案:BCD(2)研究在作用力F 一定时,小车的加速度a 与小车质量M 的关系,某位同学设计的实验步骤如下:(A )用天平称出小车和小桶及内部所装砂子的质量.(B )按图装好实验器材.(C )把轻绳系在小车上并绕过定滑轮悬挂砂桶.(D )将打点计时器接在6V 电压的蓄电池上,接通电源,放开小车,打点计时器在纸带上打下一系列点,并在纸带上标明小车质量..(E )保持小桶及其中砂子的质量不变,增加小车上的砝码个数,并记录每次增加后的M 值,重复上述实验.(F )分析每条纸带,测量并计算出加速度的值.(G )作a -M 关系图像,并由图像确定a 、M 关系.①该同学漏掉的重要实验步骤是______,该步骤应排在______步实验之后.②在上述步骤中,有错误的是______,应把______改为______.③在上述步骤中,处理不恰当的是______,应把______改为______.答案:○1平衡摩擦力,B ○2D ,蓄电池,学生电源G ,a -M ,M1a 16.利用上题装置做“验证牛顿第二定律”的实验时:【8】(1)甲同学根据实验数据画出的小车的加速度a 和小车所受拉力F 的图像为右图所示中的直线Ⅰ,乙同学画出的图像为图中的直线.直线Ⅰ、Ⅱ在纵轴或横轴上的截距较大.明显超出了误差范围,下面给出了关于形成这种情况原因的四种解释,其中可能正确的是( ).(A )实验前甲同学没有平衡摩擦力(B )甲同学在平衡摩擦力时,把长木板的末端抬得过高了(C )实验前乙同学没有平衡摩擦力(D )乙同学在平衡摩擦力时,把长木板的末端抬得过高了(2)在研究小车的加速度a 和小车的质量M 的关系时,由于始终没有满足M 》m (m 为砂桶及砂桶中砂的质量)的条件,结果得到的图像应是如下图中的图( ).(3)在研究小车的加速度a 和拉力F 的关系时,由于始终没有满足M 》m 的关系,结果应是下图中的图( ).答案:(1)BC (2)D (3)D17.物体在水平地面上受到水平推力的作用,在6s 内力F 的变化和速度v 的变化如图所示,则物体的质量为______kg ,物体与地面的动摩擦因数为______.【3】答案:4,0.02518.如图所示,在固定的光滑水平地面上有质量分别为m A 和m B 的木块A 、B .A 、B 之间用轻质弹簧相连接,用水平向右的外力F 推A ,弹簧稳定后,A 、B 一起向右作匀加速直线运动,加速度为a 以向右为正方向.在弹簧稳定后的某时刻,突然将外力F 撤去,撤去外力的瞬间,木块A 的加速度是a A =______,小块B 的加速度是a B =______.【3】答案:AB m a m ,a 19.长车上载有木箱,木箱与长车接触面间的静摩擦因数为0.25.如长车以v =36km /h 的速度行驶,长车至少在多大一段距离内刹车,才能使木箱与长车间无滑动(g 取10m /s 2)?p .27【3】答案:20m20.质量为24kg 的气球,以2m /s 的速度竖直匀述上升.当升至离地面300m 高处时,从气球上落下一个体积很小(与气球体积相比)、质量为4kg 的物体.试求物体脱离气球5s 后气球距地面的高度(g 取10m /s 2).【3】答案:335m21.质量为20kg 的物体若用20N 的水平力牵引它,刚好能在水平面上匀速前进.问:若改用50N 拉力、沿与水平方向成37°的夹角向斜上方拉它,使物体由静止出发在水平而上前进2.3m ,它的速度多大?在前进2.3m 时撤去拉力,又经过3s ,物体的速度多大(g 取10m /s 2)?【5】答案:2.3m /s22.一质量为2kg 的物体放在光滑水平面上,初速度为零.先对物体施加向东的恒力F =8N ,历时1s ,随即把此力改为向西,大小不变历时1s ,接着把此力改为向东,大小不变历时1s ……如此反复,只改变力的方向,共历时4s .在这4s 内,画出此过程的a -t 图和v -t 图,并求这4s 内物体经过的位移.【5】答案:a -t 图、v -t 图,如图.位移为8m23.如图所示,半径分别为r 和R 的圆环竖直叠放(相切)于水平面上,一条公共斜弦过两圆切点且分别与两圆相交于a 、b 两点.在此弦上铺一条光滑轨道,且令一小球从b 点以某一初速度沿轨道向上抛出,设小球穿过切点时不受阻挡.若该小球恰好能上升到a 点,则该小球从b 点运动到a 点所用时间为多少?【5】答案:g)r R 2t +=( 24.伽利略的题目:如图所示,试证明,质点从竖直平面内的圆环上的各个点沿弦的方向安装的斜面向滑到最低点D 所用的时间都相等,都等于从最高点A 自由下落到最低点D 所用的时间,假设斜面与质点间无摩擦.【3】答案:略25.惯性制导系统已广泛应用于弹道式导弹工程中,这个系统的重要元件之一是加速度计.加速度计的构造原理的示意图如图所示.滑导弹长度方向安装的固定光滑杆上套一质量为m 的滑块,滑块两侧分别与劲度系数均为k 的弹簧相连,两弹簧的另一端与固定壁相连.滑块原来静止,弹簧处于自然长度.滑块上有指针,可通过标尺测出滑块的位移,然后通过控制系统进行制导.设某段时间内导弹沿水平方向运动,指针向左偏离O 点的距离为s ,则这段时间内导弹的加速度( ).(2001年全国高考试题)【3】(A )方向向左,大小为mks (B )方向向右,大小为m ks (C )方向向左,大小为m 2ks (D )方向向右,大小为m 2ks 答案:D26.如图所示,均匀板可绕中点O 转动,两人站在板上时,板恰能水平静止,AO =2BO .若两人在板上同时开始作初速为零的匀加速运动,板仍保持静止,关于人1和人2的运动方向,加速度的大小,下列判断中正确的是( ).【2】(A )相向运动,a 1:a 2=1:4 (B )相背运动,a 1:a 2=2:1(C )相向运动,a 1:a 2=2:1 (D )相背运动,a 1:a 2=4:1答案:BC27.在粗糙水平面上放着一箱子,前面的人用与水平方向成仰角θ1的力F 1拉箱子,同时,后面的人用与水平方向成俯角θ2的推力F 2推箱子,此时箱子的加速度为a .如果撤去推力F 2,则箱子的加速度( ).(1996年全国力学竞赛试题)【4】(A )一定增大 (B )一定减小(C )可能不变 (D )不是增大就是减小,不可能不变答案:C28.如图所示,将金属块m用压缩的轻弹簧卡在一矩形的箱中.在箱的上顶板和下底板装有压力传感器,箱可以沿竖直轨道运动,当箱以a=2.0m/s2的加速度竖直向上作匀减速运动时,上顶板的压力传感器显示的压力为6.0N,下底板的压力传感器显示的压力为10.0N(g取10m/s2).(1)若上顶板压力传感器的示数是下底板压力传感器示数的一半,试判断箱的运动情况.(2)要使上顶板压力传感器的示数为零,箱沿竖直方向运动的情况可能是怎样的?【10】答案:(1)匀速直线运动(2)作向上匀加速或向下匀减速直线运动。
第四章运动和力的关系3牛顿第二定律基础过关练题组一对牛顿第二定律的理解1.(2019甘肃武威中学高一上期末)下列对牛顿第二定律及表达式F=ma的理解,正确的是()A.在牛顿第二定律公式F=kma中,比例系数k的数值在任何情况下都等于1B.合力方向、速度方向和加速度方向始终相同C.由F=ma可知,物体受到的合外力与物体的质量成正比,与物体的加速度成反比D.物体的质量与所受的合外力、运动的加速度无关2.(2019广西南宁八中高一上期末)在光滑水平面上,一个质量为m的物体,受到的水平拉力为F。
物体由静止开始做匀加速直线运动,经过时间t,物体的位移为s,速度为v,则()A.由公式a=vt可知,加速度a由速度的变化量和时间决定B.由公式a=Fm可知,加速度a由物体受到的合力和物体的质量决定C.由公式a=v 22s可知,加速度a由物体的速度和位移决定D.由公式a=2st2可知,加速度a由物体的位移和时间决定题组二牛顿第二定律的简单应用3.(2019北京四中高一上期末)质量不同的甲、乙两辆实验小车,在相同的合外力的作用下,甲车产生的加速度为2m/s2,乙车产生的加速度为6m/s2,则甲车的质量是乙车的()A.13B.3倍 C.12倍 D.1124.(2019陕西西安长安一中高一上月考)(多选)力F1单独作用在物体A上时产生的加速度a1大小为10m/s2,力F2单独作用在物体A上时产生的加速度a2大小为4m/s2,那么,力F1和F2同时作用在物体A上时产生的加速度a的大小可能是() A.5m/s2 B.2m/s2C.8m/s2D.6m/s25.如图所示,质量为2kg的物块沿水平地面向左运动,水平向右的恒力F的大小为10N,物块与地面间的动摩擦因数为0.2,g取10m/s2。
取水平向左为正方向,则物块的加速度为()A.-7m/s2B.3m/s2C.-3m/s2D.5m/s26.如图所示,质量分别为2m和3m的两个小球置于光滑水平面上,且固定在劲度系数为k的轻质弹簧的两端。
高一物理(必修一)《牛顿第二定律》练习题(附答案解析)班级:___________姓名:___________考号:___________一、单选题1.在升降机底部安装一个加速度传感器,其上放置了一个质量为m的小物块,如图甲所示。
升降机从t=0时刻开始竖直向上运动,加速度传感器显示加速度a随时间t变化的图像如图乙所示。
取竖直向上为正方()A.速度不断减小B.加速度先变小再变大C.先是加速度增大的加速运动,后是加速度减小的减速运动D.到最低点时,小孩和杆处于平衡状态5.蹦床运动深受人们喜爱,如图为小明同学在杭州某蹦床馆,利用传感器测得蹦床弹力随时间的变化图。
假设小明仅在竖直方向运动,忽略空气阻力,依据图像给出的物理信息,可得()A.7.5s至8.3s内,运动员先处于失重状态再处于超重状态B.小明的最大加速度为502m/sC.小明上升的最大高度为20mD.小明在整个蹦床过程中机械能守恒θ=︒的光滑斜面上,物块A、B质量分别为m和2m。
物块A静止在轻弹簧上面,6.如图所示,在倾角为30物块B用细线与斜面顶端相连,A、B紧挨在一起但A、B之间无弹力。
已知重力加速度为g,某时刻把细线剪断,当细线剪断瞬间,下列说法正确的是()g g3g二、多选题10.甲、乙两个物体在同一直线上沿正方向运动,a甲=4 m/s2,a乙=4-m/s2,那么对甲、乙两物体判断正确Mg5参考答案与解析1.C【详解】AB.当a>0时,物块具有向上的加速度,处于超重状态,故AB错误;C.t=t0时刻,a=0,F N=mg,故C正确;D.t=3t0时刻,a=2g,由牛顿第二定律有F N-mg=ma得F N=3mg故D错误。
故选C。
2.D【详解】A.梦天舱和天和舱因之间因冲击对梦天舱和天和舱产生的力大小相等方向相反,可知梦天舱和天可知梦天舱和天和舱的加速度大小不相和舱的加速度方向不同,梦天舱和天和舱的质量不等,根据F ma等,故A错误;B.空间站内的宇航员受到地球的万有引力,由于万有引力全部提供做圆周运动的向心力,所以宇航员处于完全失重状态,故B错误;C.第一宇宙速度为环绕地球做圆周运动的物体的最大速度,可知对接后空间站绕地运行速度小于第一宇宙速度,故C错误;D.对接后空间站的速度会发生变化,若不启动发动机调整轨道,对接后空间站的轨道将会是椭圆,故D正第11 页共11 页。
例1、水平传送带被广泛地应用于车站、码头,工厂、车间。
如图所示为水平传送带装置示意图,绷紧的传送带AB 始终保持v 0=2 m/s 的恒定速率运行,一质量为m 的工件无初速度地放在A 处,传送带对工件的滑动摩擦力使工件开始做匀加速直线运动,设工件与传送带间的动摩擦因数为μ=0.2 ,AB 的之间距离为L =10m ,g 取10m/s 2.求工件从A 处运动到B 处所用的时间.例1解析:设工件做加速运动的加速度为a ,加速的时间为t 1 ,加速运动的位移为l ,根据牛顿第二定律,有:μmg=ma 代入数据可得:a =2 m/s 2工件加速运动的时间t 1=a v 0 代入数据可得: t 1=1s此过程工件发生的位移l =12at 12 代入数据可得:l =1m 由于l <L ,所以工件没有滑离传送带设工件随传送带匀速运动的时间为t 2 ,则t 2=v l L 代入数据可得:t 2=4.5s 所以工件从A 处运动到B 处的总时间t =t 1+t 2=5.5 s例2、如图所示,绷紧的传送带,始终以2 m/s 的速度匀速斜向上运行,传送带与水平方向间的夹角θ=30°。
现把质量为10 kg 的工件轻轻地放在传送带底端P 处,由传送带传送至顶端Q 处。
已知P 、Q 之间的距离为4 m ,工件与传送带间的动摩擦因数为μ=32,取g =10 m/s 2。
(1)通过计算说明工件在传送带上做什么运动;(2)求工件从P 点运动到Q 点所用的时间。
例2解析:工件受到沿传送带向上的摩擦力作用,摩擦力为动力由牛顿第二定律得:μmg cos θ-mg sin θ=ma代入数值得:a =2.5 m/s 2则其速度达到传送带速度时发生的位移为x 1=v 22a =222×2.5m =0.8 m <4 m 可见工件先匀加速运动0.8 m ,然后匀速运动3.2 m(2)匀加速时,由x 1=v 2t 1得t 1=0.8 s 匀速上升时t 2=x 2v =3.22s =1.6 s 所以工件从P 点运动到Q 点所用的时间为t =t 1+t 2=2.4 s 。
实验专题四验证牛顿第二定律1.实验原理(1)保持质量不变,探究加速度与合力的关系。
(2)保持合力不变,探究加速度与质量的关系。
图象,确定其关系。
(3)作出a-F图象和a-1m2.实验器材打点计时器、纸带、复写纸、小车、一端附有定滑轮的长木板、小盘、砝码、夹子、细绳、交流电源、导线、天平(带有一套砝码)、刻度尺。
3.实验步骤(1)测量:用天平测量小盘和砝码的质量m',小车的质量m。
(2)安装:按照如图所示的装置把实验器材安装好,但是不把悬挂小盘的细绳系在小车上(不给小车牵引力)。
(3)平衡摩擦力:在长木板不带定滑轮的一端下面垫上一块薄木块,使小车能匀速下滑。
(4)操作:①小盘通过细绳绕过定滑轮系在小车上,先接通电源,后放开小车,打点结束后先断开电源,再取下纸带。
②保持小车的质量m不变,改变小盘和砝码的质量m',重复步骤①。
③在每条纸带上选取一段比较理想的部分,测加速度a。
④描点作图,以m'g作为拉力F,作出a-F图象。
⑤保持小盘和砝码的质量m'不变,改变小车质量m,重复步骤①和③,作出a-1图象。
m4.数据分析(1)利用Δx=aT2及逐差法求a。
(2)以a为纵坐标,F为横坐标,根据各组数据描点,如果这些点在一条过原点的直线上,说明a与F成正比。
(3)以a为纵坐标,1为横坐标,描点、连线,如果该线为过原点的直线,就能判定a与m成m反比。
5.注意事项(1)平衡摩擦力:适当垫高木板的右端,使小车的重力沿斜面方向的分力正好平衡小车和纸带受到的阻力。
在平衡摩擦力时,不要把悬挂小盘的细绳系在小车上,让小车拉着穿过打点计时器的纸带匀速运动。
(2)不重复平衡摩擦力。
(3)实验条件:m≫m'。
(4)“一先一后一按”:改变拉力或小车质量后,每次开始时小车应尽量靠近打点计时器,并应先接通电源,后释放小车,且应在小车到达滑轮前按住小车。
【典例1】 (多选)在用实验探究加速度与力、质量的关系时,下列关于实验的思路和数据分析中,正确的是()。
高中物理牛顿运动定律常见题型及答题技巧及练习题(含答案)一、高中物理精讲专题测试牛顿运动定律1.如图所示,在光滑的水平面上有一足够长的质量M=4kg 的长木板,在长木板右端有一质量m=1kg 的小物块,长木板与小物块间的动擦因数μ=0.2,开始时长木板与小物块均静止.现用F=14N 的水平恒力向石拉长木板,经时间t=1s 撤去水平恒力F ,g=10m/s 2.求(1)小物块在长木板上发生相对滑幼时,小物块加速度a 的大小; (2)刚撤去F 时,小物块离长木板右端的距离s ; (3)撒去F 后,系统能损失的最大机械能△E . 【答案】(1)2m/s 2(2)0.5m (3)0.4J 【解析】 【分析】(1)对木块受力分析,根据牛顿第二定律求出木块的加速度;(2)先根据牛顿第二定律求出木板的加速度,然后根据匀变速直线运动位移时间公式求出长木板和小物块的位移,二者位移之差即为小物块离长木板右端的距离;(3)撤去F 后,先求解小物块和木板的速度,然后根据动量守恒和能量关系求解系统能损失的最大机械能△E . 【详解】(1)小物块在长木板上发生相对滑动时,小物块受到向右的滑动摩擦力,则:µmg=ma 1, 解得a 1=µg=2m/s 2(2)对木板,受拉力和摩擦力作用, 由牛顿第二定律得,F-µmg=Ma 2, 解得:a 2= 3m/s 2. 小物块运动的位移:x 1=12a 1t 2=12×2×12m=1m , 长木板运动的位移:x 2=12a 2t 2=12×3×12m=1.5m , 则小物块相对于长木板的位移:△x=x 2-x 1=1.5m-1m=0.5m .(3)撤去F 后,小物块和木板的速度分别为:v m =a 1t=2m/s v=a 2t=3m/s 小物块和木板系统所受的合外力为0,动量守恒:()m mv Mv M m v +=+' 解得 2.8/v m s ='从撤去F 到物体与木块保持相对静止,由能量守恒定律:222111()222m mv Mv E M m v +=∆'++ 解得∆E=0.4J 【点睛】该题考查牛顿第二定律的应用、动量守恒定律和能量关系;涉及到相对运动的过程,要认真分析物体的受力情况和运动情况,并能熟练地运用匀变速直线运动的公式.2.如图所示,质量2kg M =的木板静止在光滑水平地面上,一质量1kg m =的滑块(可视为质点)以03m/s v =的初速度从左侧滑上木板水平地面右侧距离足够远处有一小型固定挡板,木板与挡板碰后速度立即减为零并与挡板粘连,最终滑块恰好未从木板表面滑落.已知滑块与木板之间动摩擦因数为0.2μ=,重力加速度210m/s g =,求:(1)木板与挡板碰撞前瞬间的速度v ? (2)木板与挡板碰撞后滑块的位移s ? (3)木板的长度L ?【答案】(1)1m/s (2)0.25m (3)1.75m 【解析】 【详解】(1)滑块与小车动量守恒0()mv m M v =+可得1m/s v =(2)木板静止后,滑块匀减速运动,根据动能定理有:2102mgs mv μ-=- 解得0.25m s =(3)从滑块滑上木板到共速时,由能量守恒得:220111()22mv m M v mgs μ=++ 故木板的长度1 1.75m L s s =+=3.如图甲所示,一长木板静止在水平地面上,在0t =时刻,一小物块以一定速度从左端滑上长木板,以后长木板运动v t -图象如图所示.已知小物块与长木板的质量均为1m kg =,小物块与长木板间及长木板与地面间均有摩擦,经1s 后小物块与长木板相对静止()210/g m s=,求:()1小物块与长木板间动摩擦因数的值;()2在整个运动过程中,系统所产生的热量.【答案】(1)0.7(2)40.5J 【解析】【分析】()1小物块滑上长木板后,由乙图知,长木板先做匀加速直线运动,后做匀减速直线运动,根据牛顿第二定律求出长木板加速运动过程的加速度,木板与物块相对静止时后木板与物块一起匀减速运动,由牛顿第二定律和速度公式求物块与长木板间动摩擦因数的值.()2对于小物块减速运动的过程,由牛顿第二定律和速度公式求得物块的初速度,再由能量守恒求热量. 【详解】()1长木板加速过程中,由牛顿第二定律,得1212mg mg ma μμ-=; 11m v a t =;木板和物块相对静止,共同减速过程中,由牛顿第二定律得 2222mg ma μ⋅=; 220m v a t =-;由图象可知,2/m v m s =,11t s =,20.8t s = 联立解得10.7μ=()2小物块减速过程中,有:13mg ma μ=; 031m v v a t =-;在整个过程中,由系统的能量守恒得2012Q mv = 联立解得40.5Q J =【点睛】本题考查了两体多过程问题,分析清楚物体的运动过程是正确解题的关键,也是本题的易错点,分析清楚运动过程后,应用加速度公式、牛顿第二定律、运动学公式即可正确解题.4.如图所示,质量M=0.5kg 的长木板A 静止在粗糙的水平地面上,质量m=0.3kg 物块B(可视为质点)以大小v 0=6m/s 的速度从木板A 的左端水平向右滑动,若木板A 与地面间的动摩擦因数μ2=0.3,物块B 恰好能滑到木板A 的右端.已知物块B 与木板A 上表面间的动摩擦因数μ1=0.6.认为各接触面间的最大静摩擦力与滑动摩擦力大小相等,取g=10m/s 2.求:(1)木板A 的长度L ;(2)若把A 按放在光滑水平地面上,需要给B 一个多大的初速度,B 才能恰好滑到A 板的右端;(3)在(2)的过程中系统损失的总能量.【答案】(1) 3m (2) /s (3) 5.4J 【解析】 【详解】(1)A 、B 之间的滑动摩擦力大小为:11= 1.8f mg N μ= A 板与地面间的最大静摩擦力为:()22= 2.4f M m g N μ+= 由于12f f <,故A 静止不动B 向右做匀减速直线运动.到达A 的右端时速度为零,有:202v aL =11mg ma μ=解得木板A 的长度 3L m =(2)A 、B 系统水平方向动量守恒,取B v 为正方向,有 ()B mv m M v =+物块B 向右做匀减速直线运动22112B v v a s -=A 板匀加速直线运动 12mg Ma μ=2222v a s =位移关系12s s L -=联立解得/B v s = (3)系统损失的能量都转化为热能1Q mgL μ=解得 5.4Q J =5.近年来,随着AI 的迅猛发展,自动分拣装置在快递业也得到广泛的普及.如图为某自动分拣传送装置的简化示意图,水平传送带右端与水平面相切,以v 0=2m/s 的恒定速率顺时针运行,传送带的长度为L =7.6m.机械手将质量为1kg 的包裹A 轻放在传送带的左端,经过4s 包裹A 离开传送带,与意外落在传送带右端质量为3kg 的包裹B 发生正碰,碰后包裹B 在水平面上滑行0.32m 后静止在分拣通道口,随即被机械手分拣.已知包裹A 、B 与水平面间的动摩擦因数均为0.1,取g =10m/s 2.求:(1)包裹A 与传送带间的动摩擦因数; (2)两包裹碰撞过程中损失的机械能; (3)包裹A 是否会到达分拣通道口.【答案】(1)μ1=0.5(2)△E =0.96J (3)包裹A 不会到达分拣通道口 【解析】 【详解】(1)假设包裹A 经过t 1时间速度达到v 0,由运动学知识有01012v t v t t L +-=() 包裹A 在传送带上加速度的大小为a 1,v 0=a 1t 1包裹A 的质量为m A ,与传输带间的动摩檫因数为μ1,由牛顿运动定律有:μ1m A g =m A a 1 解得:μ1=0.5(2)包裹A 离开传送带时速度为v 0,设第一次碰后包裹A 与包裹B 速度分别为v A 和v B , 由动量守恒定律有:m A v 0=m A v A +m B v B包裹B 在水平面上滑行过程,由动能定理有:-μ2m B gx =0-12m B v B 2 解得v A =-0.4m/s ,负号表示方向向左,大小为0.4m/s 两包裹碰撞时损失的机械能:△E =12m A v 02 -12m A v A 2-12m B v B 2 解得:△E =0.96J(3)第一次碰后包裹A 返回传送带,在传送带作用下向左运动x A 后速度减为零, 由动能定理可知-μ1m A gx A =0-12m A v A 2 解得x A =0.016m<L ,包裹A 在传送带上会再次向右运动. 设包裹A 再次离开传送带的速度为v A ′μ1m A gx A =12m A v A ′2 解得:v A ′ =0.4m/s设包裹A 再次离开传送带后在水平面上滑行的距离为x A-μ2m A gx A ′=0-12m A v A 2 解得 x A ′=0.08m x A ′=<0.32m包裹A 静止时与分拣通道口的距离为0.24m ,不会到达分拣通道口.6.如图,竖直墙面粗糙,其上有质量分别为m A =1 kg 、m B =0.5 kg 的两个小滑块A 和B ,A 在B 的正上方,A 、B 相距h =2. 25 m ,A 始终受一大小F 1=l0 N 、方向垂直于墙面的水平力作用,B 始终受一方向竖直向上的恒力F 2作用.同时由静止释放A 和B ,经时间t =0.5 s ,A 、B 恰相遇.已知A 、B 与墙面间的动摩擦因数均为μ=0.2,重力加速度大小g =10 m/s 2.求:(1)滑块A 的加速度大小a A ; (2)相遇前瞬间,恒力F 2的功率P .【答案】(1)2A 8m/s a =;(2)50W P =【解析】 【详解】(1)A 、B 受力如图所示:A 、B 分别向下、向上做匀加速直线运动,对A : 水平方向:N 1F F = 竖直方向:A A A m g f m a -= 且:N f F μ=联立以上各式并代入数据解得:2A 8m/s a =(2)对A 由位移公式得:212A A x a t =对B 由位移公式得:212B B x a t =由位移关系得:B A x h x =- 由速度公式得B 的速度:B B v a t = 对B 由牛顿第二定律得:2B B B F m g m a -= 恒力F 2的功率:2B P F v = 联立解得:P =50W7.如图所示,水平面上AB 间有一长度x=4m 的凹槽,长度为L=2m 、质量M=1kg 的木板静止于凹槽右侧,木板厚度与凹槽深度相同,水平面左侧有一半径R=0.4m 的竖直半圆轨道,右侧有一个足够长的圆弧轨道,A 点右侧静止一质量m1=0.98kg 的小木块.射钉枪以速度v 0=100m/s 射出一颗质量m0=0.02kg 的铁钉,铁钉嵌在木块中并滑上木板,木板与木块间动摩擦因数μ=0.05,其它摩擦不计.若木板每次与A 、B 相碰后速度立即减为0,且与A 、B 不粘连,重力加速度g=10m/s 2.求:(1)铁钉射入木块后共同的速度v ;(2)木块经过竖直圆轨道最低点C 时,对轨道的压力大小F N; (3)木块最终停止时离A 点的距离s.【答案】(1)2/v m s = (2)12.5N F N = (3) 1.25L m ∆= 【解析】(1) 设铁钉与木块的共同速度为v ,取向左为正方向,根据动量守恒定律得:0001()m v m m v =+解得:2m v s =;(2) 木块滑上薄板后,木块的加速度210.5m a g s μ==,且方向向右板产生的加速度220.5mgma s Mμ==,且方向向左设经过时间t ,木块与木板共同速度v 运动则:12v a t a t -=此时木块与木板一起运动的距离等于木板的长度22121122x vt a t a t L ∆=--=故共速时,恰好在最左侧B 点,此时木块的速度11m v v a t s '=-= 木块过C 点时对其产生的支持力与重力的合力提供向心力,则:'2N v F mg m R-=代入相关数据解得:F N =12.5N.由牛顿第三定律知,木块过圆弧C 点时对C 点压力为12.5N ; (3) 木块还能上升的高度为h ,由机械能守恒有:201011()()2m m v m m gh +=+ 0.050.4h m m =<木块不脱离圆弧轨道,返回时以1m/s 的速度再由B 处滑上木板,设经过t 1共速,此时木板的加速度方向向右,大小仍为a 2,木块的加速度仍为a 1, 则:21121v a t a t -=,解得:11t s = 此时2211121110.522x v t a t a t m ∆=--='' 3210.5m v v at s=-=碰撞后,v 薄板=0,木块以速度v 3=0.5m/s 的速度向右做减速运动 设经过t 2时间速度为0,则3211v t s a == 2322210.252x v t a t m =-=故ΔL=L ﹣△x'﹣x=1.25m即木块停止运动时离A 点1.25m 远.8.某研究性学习小组利用图a 所示的实验装置探究物块在恒力F 作用下加速度与斜面倾角的关系。
牛顿第二定律同步练习一、单选题1.在卫生大扫除中,某同学用拖把拖地,沿推杆方向对拖把施加推力F,如图所示,此时推力与水平方向的夹角为,且拖把刚好做匀加速直线运动.从某时刻开始保持力F的大小不变,减小F与水平方向的夹角,则A. 拖把将做减速运动B. 拖把继续做加速度比原来要小的匀加速直线运动C. 拖把继续做加速度比原来要大的匀加速直线运动D. 地面对拖把的支持力变大,地面对拖把的摩擦力变大2.如图所示,固定在小车上的支架的斜杆与竖直杆的夹角为,在斜杆下端固定有质量为m的小球,下列关于杆对球的作用力F的判断中,正确的是A. 小车静止时,,方向沿杆向上B. 小车静止时,,方向垂直杆向上C. 小车向右以加速度a运动时,一定有D. 小车向左以加速度a运动时,,方向斜向左上方3.鱼在水中沿直线水平向左减速游动过程中,水对鱼的作用力方向合理的是图中的A. B.C. D.4.如图所示,质量皆为m的木块Q、N置于光滑地板上,质量都为2 m的木块P、M分别置于Q、N上,且两者之间用轻弹簧相连.现给木块N施加水平力恒F,稳定后四个木块以相同的加速度向右运动.如果木块P、Q以及木块M、N之间始终保持相对静止,下列说法正确的是A. 木块Q受到木块P的摩擦力大小为B. 如果突然剪断弹簧,木块P受到的摩擦力保持不变C. 如果突然撤掉F,此瞬间木块M的加速度大小不变D. 如果突然撤掉F,此瞬间木块P受到的摩擦力变为零5.静止在光滑水平面上的物体,对其施加水平向右的力F,则在F刚开始作用的瞬间,下列说法不正确的是A. 物体立即有了加速度B. 加速度方向水平向右C. 合力越大,加速度也越大D. 物体质量随加速度变大而变大6.如图所示,质量分别为M和m的两物块与竖直轻弹簧相连,在水平面上处于静止状态,现将m竖直向下压缩弹簧一段距离后由静止释放,当m到达最高点时,M恰好对地面无压力,已知弹簧劲度系数为k,弹簧形变始终在弹性限度内,重力加速度为g,则A. 当m到达最高点时,m的加速度为B. 当m到达最高点时,M的加速度为gC. 当m速度最大时,弹簧的形变最为D. 当m速度最大时,M对地面的压力为Mg7.如图所示,四个完全相同的A,B,C,D木块,漂浮在水面上,最上面的木块A、B完全在水平面外,已知木块的质量均为m,当地的重力加速度为g,现撤去木块A,则撤去木块A的瞬间,B,C木块间的弹力为A. B. mg C. 0 D.8.如图所示,从某一高处自由下落的小球,落至弹簧上端并将弹簧压缩到最短.问小球被弹簧弹起直至离开弹簧的过程中,小球的速度和所受合力变化情况是A. 合力变大,速度变大B. 合力变小,速度变大C. 合力先变小后变大,速度先变大后变小D. 合力先变大后变小,速度先变小后变大9.如图所示,可视为质点的物块以一定初速度从底端冲上光滑斜面,到达最高点后又返回底端,关于物块运动的图像,正确的是图中的A. B.C. D.10.图中所示A、B、C为三个相同物块,由轻质弹簧K和轻线L相连,悬挂在天花板上处于静止状态,若将L剪断,则在刚剪断时,A、B的加速度大小、分别为A. 、B. 、C. 、D. 、11.如图所示,一质量为m的小球处于平衡状态。
牛顿第二定律1.内容:物体的加速度与所受合外力成正比,跟物体的质量成反比.2.表达式:F=ma.3.力的单位:当质量m的单位是kg、加速度a的单位是m/s2时,力F的单位就是N,即1 kg•m/s2=1 N.4.物理意义:反映物体运动的加速度大小、方向与所受合外力的关系,且这种关系是瞬时的.5.适用范围:(1)牛顿第二定律只适用于惯性参考系(相对地面静止或匀速直线运动的参考系).(2)牛顿第二定律只适用于宏观物体(相对于分子、原子)、低速运动(远小于光速)的情况.一、牛顿第二定律的理解牛顿第二定律明确了物体的受力情况和运动情况之间的定量关系.联系物体的受力情况和运动情况的桥梁是加速度.可以从以下角度进一步理解牛顿第二定律.二、应用牛顿运动定律解题的基本方法1.当物体只受两个力作用而做变速运动时,通常根据加速度和合外力方向一致,用平行四边形定则先确定合外力后求解,称为合成法.2.当物体受多个力作用时,通常采用正交分解法.为减少矢量的分解,建立坐标系,确定x 轴正方向有两种方法:(1)分解力不分解加速度,此时一般规定a 方向为x 轴正方向.(2)分解加速度不分解力,此种方法以某种力的方向为x 轴正方向,把加速度分解在x 轴和y 轴上.【例1】如图所示,一轻质弹簧一端系在墙上的O 点,自由伸长到B 点,今将一小物体m 把弹簧压缩到A 点,然后释放,小物体能运动到C 点静止。
物体与水平地面间的动摩擦因数恒定,试判断下列说法正确的是( )A .物体在B 点所受合外力为零B .物体从A 点到B 点速度越来越大,从B 点到C 点速度越来越小C .物体从A 点到B 点速度越来越小,从B 点到C 点加速度不变D .物体从A 点到B 点先加速后减速,从B 点到C 点一直减速运动答案 D【练习1】物体从某一高度自由落下,落在直立于地面的轻弹簧上,如图所示,在A 点物体开始与弹簧接触,到B 点时,物体速度为零,然后被弹回。
牛顿第二定律实验练习题1.关于“验证牛顿运动定律”的实验,下列说法中符合实际的是() A.通过同时改变小车的质量m及受到的拉力F的研究,能归纳出加速度、力、质量三者之间的关系B.通过保持小车质量不变,只改变小车的拉力的研究,就可以归纳出加速度、力、质量三者之间的关系C.通过保持小车受力不变,只改变小车质量的研究,就可以得出加速度、力、质量三者之间的关系D.先不改变小车质量,研究加速度与力的关系;再不改变受力,研究加速度与质量的关系,最后归纳出加速度、力、质量三者之间的关系2.如图所示,在探究牛顿运动定律的演示实验中,若1、2两个相同的小车所受拉力分别为F1、F2,车中所放砝码的质量分别为m1、m2,打开夹子后经过相同的时间两车的位移分别为x1、x2,则在实验误差允许的范围内,有()A.当m1=m2、F1=2F2时,x1=2x2B.当m1=m2、F1=2F2时,x2=2x1C.当m1=2m2、F1=F2时,x1=2x2D.当m1=2m2、F1=F2时,x2=2x13.若测得某一物体质量m一定时,a与F的有关数据资料如下表所示:a/(m·s-2) 1.98 4.06 5.958.12F/N 1.00 2.00 3.00 4.00(1)根据表中数据,画出a-F图象.(2)根据图象判定:当m一定时,a与F的关系为______________(3)若甲、乙两同学在实验过程中,由于没有按照正确步骤进行实验,处理数据后得出如图所示的a-F图象.试分析甲、乙两同学可能存在的问题:甲:_____________________________________________________乙:_____________________________________________________4.某同学设计了一个探究加速度a与物体所受合力F及质量m关系的实验,图(a)所示为实验装置简图.(交流电的频率为50 Hz)(1)图(b)所示为某次实验得到的纸带,根据纸带可求出小车的加速度大小为________m/s2.(保留两位有效数字)(2)保持砂和砂桶质量不变,改变小车质量m ,分别得到小车加速度a 与质量m及对应的1m数据如下表:实验次数 1 2 3 4 5 6 7 8 小车加速度a /m·s -2 1.90 1.72 1.49 1.25 1.00 0.75 0.50 0.30 小车质量m /kg 0.25 0.29 0.33 0.40 0.50 0.71 1.00 1.671m /kg -14.00 3.45 3.03 2.50 2.00 1.41 1.00 0.60请在下图所示的坐标纸中画出a -1m图线,并由图线求出小车加速度a 与质量倒数1m之间的关系式是________________________5.为了探究加速度与力的关系,使用如图所示的气垫导轨装置进行实验.其中G 1、G 2为两个光电门,它们与数字计时器相连,当滑行器通过G 1、G 2光电门时,光束被遮挡的时间Δt 1、Δt 2都可以被测量并记录,滑行器连同上面固定的一条形挡光片的总质量为M ,挡光片宽度为D ,光电门间距离为x ,牵引砝码的质量为m .回答下列问题:(1)实验开始应先调节气垫导轨下面的螺钉,使气垫导轨水平,在不增加其他仪器的情况下,如何判定调节是否到位?答:____________________________________________________________________(2)若取M =0.4 kg ,改变m 的值,进行多次实验,以下m 的取值不合适的一个是 A .m 1=5 g B .m 2=15 g C .m 3=40 g D .m 4=400 g(3)在此实验中,需要测得每一个牵引力对应的加速度,求得的加速度的表达式为 ______________________________(用Δt 1、Δt 2、D 、x 表示)6.在用DIS 研究小车加速度与外力的关系时,某实验小组先用如图(a )所示的实验装置,重物通过滑轮用细线拉小车,位移传感器(发射器)随小车一起沿倾斜轨道运动,位移传感器(接收器)固定在轨道一端.实验中把重物的重力作为拉力F ,改变重物重力重复实验四次,列表记录四组数据.(1)在坐标纸上作出小车加速度a 和拉力F 的关系图线;(2)从所得图线分析该实验小组在操作过程中的不当之处是:__________________________;a /ms -2 2.01 2.98 4.02 6.00 F /N1.002.003.005.003.0 a/ms -2 1.02.0 4.0 2.0 6.0 4.0F /N位移传感器 (接收器)小车位移传感器 (发射器)重物轨道 )a 图((3)如果实验时,在小车和重物之间接一个不计质量的微型力传感器,如图(b)所示.从理论上分析,该实验图线的斜率将___________.(填“变大”,“变小”,“不变”)7.如图所示的实验装置可以验证牛顿运动定律,小车上固定一个盒子,盒子内盛有沙子.沙桶的总质量(包括桶以及桶内沙子质量)记为m ,小车的总质量(包括车、盒子及盒内沙子质量)记为M.(1)验证在质量不变的情况下,加速度与合外力成正比:从盒子中取出一些沙子,装入沙桶中,称量并记录沙桶的总重力mg ,将该力视为合外力F ,对应的加速度a 则从打下的纸带中计算得出.多次改变合外力F 的大小,每次都会得到一个相应的加速度.本次实验中,桶内的沙子取自小车中,故系统的总质量不变.以合外力F 为横轴,以加速度a 为纵轴,画出a -F 图象,图象是一条过原点的直线. ①a -F 图象斜率的物理意义是_________________________________________. ②你认为把沙桶的总重力mg 当作合外力F 是否合理? 答:________.(填“合理”或“不合理”)③本次实验中,是否应该满足M ≫m 这样的条件? 答:________(填“是”或“否”);理由是______________________________________________________.(2)验证在合外力不变的情况下,加速度与质量成反比:保持桶内沙子质量m 不变,在盒子内添加或去掉一些沙子,验证加速度与质量的关系.本次实验中,桶内的沙子总质量不变,故系统所受的合外力不变.用图象法处理数据时,以加速度a 为纵横,应该以______倒数为横轴.参考答案位移传感器(接收器) 小车力传感器位移传感器 (发射器)重物轨道 )b 图(1.解析:验证牛顿运动定律的实验,是利用控制变量法,探究加速度a 与合外力F 、物体质量m 的关系,故D 项正确.答案:D2.解析:当m 1=m 2、F 1=2F 2时,由F =ma 可知,a 1=2a 2,再由x =12at 2可得:x 1=2x 2,故A 正确,B 错误;当m 1=2m 2、F 1=F 2时,a 1=12a 2,再由x =12at 2可得:x 1=12x 2,故C 错误,D 正确.答案:AD3.解析:(1)若a 与F 成正比,则图象是一条过原点的直线.同时,因实验中不可避免地出现误差,研究误差产生的原因,从而减小误差,增大实验的准确性,则在误差允许范围内图象是一条过原点的直线即可.连线时应使直线过尽可能多的点,不在直线上的点应大致对称地分布在直线两侧,离直线较远的点应视为错误数据,不予以考虑.描点画图如图所示.(2)由图可知a 与F 的关系是正比例关系.(3)图中甲在纵轴上有较大截距,说明绳对小车拉力为零时小车就有加速度a 0,可能是平衡摩擦力过度所致.乙在横轴上有截距,可能是实验前没有平衡摩擦力或平衡摩擦力不够. 答案:(1)见解析 (2)正比例关系(3)平衡摩擦力时木板抬的过高 没有平衡摩擦力或平衡摩擦力不够4.解析:(1)由逐差法得a =a =(x 3+x 4)-(x 1+x 2)(4T )2=[(7.72+7.21)-(6.70+6.19)]×10-216×0.022m/s 2≈3.2 m/s 2 (2)如图所示,a =12mN答案:见解析5.解析:(1)如果气垫导轨水平,则不挂砝码时,M 应能在任意位置静止不动,或推动M 后能使M 匀速运动.(2)应满足M ≫m ,故m 4=400 g 不合适. (3)由v 1=D Δt 1,v 2=DΔt 2,v 22-v 12=2ax可得:a =(D Δt 2)2-(D Δt 1)22x.答案:(1)取下牵引砝码,M 放在任意位置都不动;或取下牵引砝码,轻推滑行器M ,数字计时器记录每一个光电门的光束被挡的时间Δt 都相等 (2)D(3)a =(D Δt 2)2-(D Δt 1)22x6. (1) (2)倾角过大 观察图像可以发现,当外力为零 时,加速度a 不等于0,说明在平衡摩擦力时轨道倾角过大,使得重力沿斜面向下的分力大于摩擦力。
精心整理题型一对牛顿第二定律的理解1、关于牛顿第二定律,下列说法正确的是( ) A .公式F =ma 中,各量的单位可以任意选取B .某一瞬间的加速度只决定于这一瞬间物体所受合外力,而与这之前或之后的受力无关C .公式F =ma 中,a 实际上是作用于该物体上每一个力所产生的加速度的矢量和D .物体的运动方向一定与它所受合外力方向一致 【变式】.从牛顿第二定律知道,无论怎样小的力都可以使物体产生加速度,可是当我们用一个很小的力去推很重的桌子时,却推不动它,这是因为( ) A .牛顿的第二定律不适用于静止物体B .桌子的加速度很小,速度增量极小,眼睛不易觉察到C .推力小于静摩擦力,加速度是负的D .桌子所受的合力为零题型二 牛顿第二定律的瞬时性2、如图所示,质量均为m 的A 和B 两球用轻弹簧连接,A 球用细线悬挂起来,两球均处于静止状态.如果将悬挂A 球的细线剪断,此时A 和B 两球的瞬间加速度各是多少? 【变式】.(2010·全国卷Ⅰ)如图4—3—3,轻弹簧上端与一质量为m 的木块1相连,下端与另一质量为M 的木块2相连,整个系统置于水平放置的光滑木板上,并处于静止状态.现将木板沿水平方向突然抽出,设抽出后的瞬间,木块1、2的加速度大小分别 为a 1、a 2.重力加速度大小为g .则有( ) A.a1=0,a2=gB.a1=g,a2=gC.a1=0,a2=(m+M)g/MD.a1=g,a2=(m+M)g/M 题型三 牛顿第二定律的独立性3 如图所示,质量m =2kg 的物体放在光滑水平面上,受到水平且相互垂直的两个力F 1、F 2的作用,且F 1=3N ,F 2=4N .试求物体的加速度大小. 【变式】.如图所示,电梯与水平面夹角为30°,当电梯加速向上运动时,梯面对人的支持力是其重力的6/5,则人与梯面间的摩擦力是其重力的多少倍? 题型四 运动和力的关系4 如图所示,一轻质弹簧一端固定在墙上的O 点,自由伸长到B 点.今用一小物体m 把弹簧压缩到A 点(m 与弹簧不连接),然后释放,小物体能经B 点运动到C 点而静止.小物体m 与水平面间的动摩擦因数μ恒定,则下列说法中正确的是( ) A .物体从A 到B 速度越来越大 B .物体从A 到B 速度先增加后减小 C .物体从A 到B 加速度越来越小D .物体从A 到B 加速度先减小后增加 【变式】.(2010·福建理综高考)质量为2kg 的物体静止在足够大的水平地面上,物体与地面间的动摩擦因数为0.2,最大静摩擦力与滑动摩擦力大小视为相等.从t =0时刻开始,物体受到方向不变、大小呈周期性变化的水平拉力F 的作用,F 随时间t 的变化规律如图所示.重力加速度g 取10m/s 2,则物体在t =0至t =12s 这段时间的位移大小为( ) A .18mB .54m C .72mD .198m题型五 牛顿第二定律的应用5、质量为2kg 的物体与水平面的动摩擦因数为0.2,现对物体用一向右与水平方向成37°、大小为10N 的斜向上拉力F ,使之向右做匀加速直线运动,如图甲所示,求物体运动的加速度的大小.(g 取10m/s.)牛顿第二定律经典习题训练班级姓名【变式】.一只装有工件的木箱,质量m =40kg.木箱与水平地面的动摩擦因数μ=0.3,现用200N 的斜向右下方的力F 推木箱,推力的方向与水平面成θ=30°角,如下图所示.求木箱的加速度大小.(g 取9.8m/s 2) 强化练习 一、选择题1.下列说法中正确的是( )A .物体所受合外力为零,物体的速度必为零B .物体所受合外力越大,物体的加速度越大,速度也越大C .物体的速度方向一定与物体受到的合外力的方向一致D .物体的加速度方向一定与物体所受到的合外力方向一致 2.关于力的单位“牛顿”,下列说法正确的是( ) A .使2kg 的物体产生2m/s 2加速度的力,叫做1NB .使质量是0.5kg 的物体产生1.5m/s 2的加速度的力,叫做1NC .使质量是1kg 的物体产生1m/s 2的加速度的力,叫做1N D .使质量是2kg 的物体产生1m/s 2的加速度的力,叫做1N 3.关于牛顿第二定律,下列说法中正确的是( )A .加速度和力的关系是瞬时对应关系,即a 与F 是同时产生,同时变化,同时消失B .物体只有受到力作用时,才有加速度,但不一定有速度C .任何情况下,加速度的方向总与合外力方向相同,但与速度v 不一定同向D .当物体受到几个力作用时,可把物体的加速度看成是各个力单独作用所产生的分加速度的合成 4.质量为m 的物体从高处静止释放后竖直下落,在某时刻受到的空气阻力为F f ,加速度a =g ,则F f 的大小是( )A .F f =mgB .F f =mgC .F f =mgD .F f =mg5.如图1所示,底板光滑的小车上用两个量程为20N 、完全相同的弹簧测力计甲和乙系住一个质量为1kg 的物块,在水平地面上当小车做匀速直线运动时,两弹簧测力计的示数均为10N ,当小车做匀加速直线运动时,弹簧测力计甲的示数变为8N ,这时小车运动的加速度大小是( ) A .2m/s 2B .4m/s 2 C .6m/s 2D .8m/s 26.搬运工人沿粗糙斜面把一物体拉上卡车,当力沿斜面向上,大小为F 时,物体的加速度为a 1;若保持力的方向不变,大小变为2F 时,物体的加速度为a 2,则( ) A .a 1=a 2B .a 1<a 2<2a 1 C .a 2=2a 1D .a 2>2a 1 二、非选择题7.如图2所示,三物体A 、B 、C 的质量均相等,用轻弹簧和细绳相连后竖直悬挂,当把A 、B 之间的细绳剪断的瞬间,求三物体的加速度大小为a A 、a B 、a C .8.甲、乙、丙三物体质量之比为5∶3∶2,所受合外力之比为2∶3∶5,则甲、乙、丙三物体加速度大小之比为________.9.质量为2kg 的物体,运动的加速度为1m/s 2,则所受合外力大小为多大?若物体所受合外力大小为8N ,那么,物体的加速度大小为多大?10.质量为6×103kg 的车,在水平力F =3×104N 的牵引下,沿水平地面前进,如果阻力为车重的0.05倍,求车获得的加速度是多少?(g 取10m/s 2)11.质量为2kg 物体静止在光滑的水平面上,若有大小均为10N 的两个外力同时作用于它,一个力水平向东,另一个力水平向南,求它的加速度.12.质量m 1=10kg 的物体在竖直向上的恒定拉力F 作用下,以a 1=2m/s 2的加速度匀加速上升,拉图1 图力F 多大?若将拉力F 作用在另一物体上,物体能以a 2=2m/s 2的加速度匀加速下降,该物体的质量m 2应为多大?(g 取10m/s 2,空气阻力不计)13.在无风的天气里,一质量为0.2g 的雨滴在空中竖直下落,由于受到空气的阻力,最后以某一恒定的速度下落,这个恒定的速度通常叫收尾速度.(1)雨滴达到收尾速度时受到的空气阻力是多大?(g =10m/s 2)(2)若空气阻力与雨滴的速度成正比,试定性分析雨滴下落过程中加速度和速度如何变化. 参考答案1【答案】 BC 答案:D 2答案:B 球瞬间加速度aB =0.aA =2g ,方向向下.答案c 32.5m/s 2答案 4、【答案】 BD 答案:B 5、1234答案:562F 7物体受2g 0 89101112由牛顿第二定律F -m 1g =m 1a 1,代入数据得F =120N.若作用在另一物体上m 2g -F =m 2a 2,代入数据得m 2=15kg.答案:120N 15kg 13、解析:(1)雨滴达到收尾速度时受到的空气阻力和重力是一对平衡力,所以F f =mg =2×10-3N.(2)雨滴刚开始下落的瞬间,速度为零,因而阻力也为零,加速度为重力加速度g ;随着速度的增大,阻力也逐渐增大,合力减小,加速度也减小;当速度增大到某一值时,阻力的大小增大到等于重力,雨滴所受合力也为零,速度将不再增大,雨滴匀速下落.答案:(1)2×10-3N (2)加速度由g 逐渐减小直至为零,速度从零增大直至最后不变5。
牛顿第二定律专题1.考纲解读2.考点整合考点一牛顿第二定律1.定律内容:物体的加速度跟物体成正比,跟物体的成反比,加速度的方向跟合外力的方向 .2.牛顿第二定律的矢量性、瞬时性、独立性.“矢量性”是指加速度的方向取决,“瞬时性”是指加速度和合外力存在着关系,合外力改变,加速度相应改变,“独立性”是指作用在物体上的每个力都独立的产生各自的加速度,合外力的加速度即是这些加速度的矢量和.3.牛顿第二定律的分量式:ΣFx=max,ΣFy=may[特别提醒]:F是指物体所受到的合外力,即物体所有受力的合力.加速度与合外力是瞬时对应关系,即有合外力就有加速度,没有合外力就没有加速度.【例1】如图所示,小车上固定着三角硬杆,杆的端点固定着一个质量为m的小球.当小车水平向右的加速度逐渐增大时,杆对小球的作用力的变化(用F1至F4变化表示)可能是下图中的(OO'沿杆方向)【解析】对小球进行受力分析,小球受重力和杆对小球的弹力,弹力在竖直方向的分量和重力平衡,小球在水平方向的分力提供加速度,故C正确.【答案】C【方法点评】本题考查牛顿第二定律,只要能明确研究对象,进行受力分析,根据牛顿第二定律列方程即可.考点二力、加速度和速度的关系在直线运动中当物体的合外力(加速度)与速度的方向时,物体做加速运动,若合外力(加速度)恒定,物体做运动,若合外力(加速度)变化,则物体做运动,当物体的合外力(加速度)方向与速度的方向时,物体做减速运动.若合外力(加速度)恒定,物体做运动,若合外力(加速度)变化,则物体做运动.[特别提醒]:要分析清楚物体的运动情况,必须从受力着手,因为力是改变运动状态的原因,求解物理问题,关键在于建立正确的运动情景,而这一切都必须从受力分析开始.[例2] 如图3-12-1所示,自由下落的小球下落一段时间后,与弹簧接触,从它接触弹簧开始,到弹簧压缩到最短的过程中,小球的速度、加速度的变化情况如何?最低点的加速度是否比g大?(实际平衡位置,等效成简谐运动)图3-12-1[解析]小球接触弹簧后受两个力,向下的重力mg和向上的弹力.(如图3-12-2(a)所示刚开始时,当<mg时,小球合力向下,,合力不断变小,因而加速度减小,由于a方向与v0同向,因此速度继续变大.当=mg时,如图3-12-2(b)所示,合力为零,加速度为零,速度达到最大值.之后小球由于惯性仍向下运动,继续压缩弹簧,但>mg,合力向上,由于加速度的方向和速度方向相反,小球做加速度增大的减速运动,因此速度减小到零弹簧被压缩到最短.如图3-12-2(c)所示[答案]小球压缩弹簧的过程,合外力的方向先向下后向上,大小是先变小至零后变大,加速度的方向也是先向下后向上,大小是先变小后变大,速度的方向始终向下,大小是先变大后变小. (还可以讨论小球在最低点的加速度和重力加速度的关系)[方法技巧]要分析物体的运动情况一定要从受力分析着手,再结合牛顿第二定律进行讨论、分析.对于弹簧类问题的求解,最好是画出弹簧的原长,现在的长度,这样弹簧的形变长度就一目了然,使得求解变得非常的简单明了.考点三瞬时问题瞬时问题主要是讨论细绳(或细线)、轻弹簧(或橡皮条)这两种模型.细绳模型的特点:细绳不可伸长,形变,故其张力可以,弹簧(或橡皮条)模型的特点:形变比较,形变的恢复需要时间,故弹力 .[特别提醒]求解瞬时问题,首先一定要分清类型,然后分析变化之前的受力,再分析变化瞬间的受力,这样就可以很快求解.[例3]如图5所示,质量为m的小球被水平绳AO和与竖直方向成θ角的轻弹簧系着处于静止状态,现用火将绳AO烧断,在绳AO烧断的瞬间,下列说法正确的是()A.弹簧的拉力B.弹簧的拉力C.小球的加速度为零D.小球的加速度[解析]烧断OA之前,小球受3个力,如图所示,烧断细绳的瞬间,绳子的张力没有了,但由于轻弹簧的形变的恢复需要时间,故弹簧的弹力不变,A正确。
《牛顿第二定律》压轴题专题1.(2013•昌平区模拟)如图所示,一小圆盘静止在桌布上,位于一方桌的水平桌面的中央,桌布的一边与桌的AB边重合.已知方桌的边长为L,圆盘与桌布间的动摩擦因数为μ1,圆盘与桌面间的动摩擦因数为μ2.现突然以恒定加速度a将桌布抽离桌面,加速度的方向是水平的且垂直于AB边.若圆盘最后未从桌面掉下,以g表示重力加速度,求:(1)桌布与圆盘经多长时间分离?(2)为使圆盘不从桌面掉下,则加速度a满足的条件是什么?(第1题)(第2题)(第3题)2.(2011•徐汇区模拟)如图所示,细线的一端固定于倾角为45°的光滑楔形滑块A的顶端P处,细线的另一端拴一质量为m 的小球,当滑块至少以加速度a=向左运动时,小球对滑块的压力等于零,当滑块以a=2g的加速度向左运动时,线中拉力T=.3.(2011•徐汇区模拟)一根不可伸缩的轻绳跨过轻质的定滑轮,一端挂一吊椅,另一端被坐在吊椅上的运动员拉住,如图所示.设运动员的质量为75kg,吊椅的质量为25kg,不计定滑轮与绳子间的摩擦当运动员与吊椅一起正以加速度a=1m/s2上升时,则运动员竖直向下拉绳的力为N,运动员对吊椅的压力为N.(g=10m/s2)4.(2009•徐汇区一模)如图所示,将一小物体从斜面顶端A点静止起释放,物体沿斜面下滑,经斜面底端C点滑上水平面,最后通过水平面上B点,斜面高度为h,A、B两点的水平距离为s,不计物体滑过C点时的能量损失.若已知斜面、平面与小物体间的动摩擦因数都为μ,斜面倾角θ未知,则物体滑到B点时的速度大小为;若已知倾角为θ,而动摩擦因数μ未知,且物体滑到B点时恰好停止,则物体滑过斜面AC与滑过平面CB所用的时间之比为.5.(2009•崇明县模拟)如图所示是伽利略理想斜面实验中的一幅图,一小球在光滑槽内运动,槽底水平部分长5m,若小球由A点静止开始运动,经4s到达另一斜面与A等高的B点,且已知小球在水平部分运动时间为1s,则小球下落点A离水平底部的高度为m;小球从A到B运动的总路程是m.(第4题)(第5题)(第6题)6.(2013•山东)如图所示,一质量m=0.4kg的小物块,以v0=2m/s的初速度,在与斜面成某一夹角的拉力F作用下,沿斜面向上做匀加速运动,经t=2s的时间物块由A点运动到B点,A、B之间的距离L=10m.已知斜面倾角θ=30°,物块与斜面之间的动摩擦因数μ=.重力加速度g取10m/s2.(1)求物块加速度的大小及到达B点时速度的大小.(2)拉力F与斜面的夹角多大时,拉力F最小?拉力F的最小值是多少?7.(2013•安徽)如图所示,质量为M倾角为α的斜面体(斜面光滑且足够长)放在粗糙的水平地面上,底部与地面的动摩擦因数为μ,斜面顶端与劲度系数为k、自然长度为l的轻质弹簧相连,弹簧的另一端连接着质量为m的物块.压缩弹簧使其长度为l时将物块由静止开始释放,且物块在以后的运动中,斜面体始终处于静止状态.重力加速度为g.(1)求物块处于平衡位置时弹簧的长度;(2)选物块的平衡位置为坐标原点,沿斜面向下为正方向建立坐标轴,用x表示物块相对于平衡位置的位移,证明物块做简谐运动;(3)求弹簧的最大伸长量;(4)为使斜面始终处于静止状态,动摩擦因数μ应满足什么条件(假设滑动摩擦力等于最大静摩擦力)?(第7题)(第8题)(第9题)8.(2009•安徽)在2008年北京残奥会开幕式上,运动员手拉绳索向上攀登,最终点燃了主火炬.为了探究上升过程中运动员与绳索和吊椅间的作用,可将过程简化.一根不可伸缩的轻绳跨过轻质的定滑轮,一端挂一吊椅,另一端被坐在吊椅上的运动员拉住,如图所示.设运动员的质量为65kg,吊椅的质量为15kg,不计定滑轮与绳子间的摩擦.重力加速度取g=10m/s2.当运动员与吊椅一起正以加速度a=1m/s2上升时,试求(1)运动员竖直向下拉绳的力;(2)运动员对吊椅的压力.9.(2007•广东)如图所示,质量M=10kg、上表面光滑的足够长的木板在F=50N的水平拉力作用下,以初速度v0=5m/s沿水平地面向右匀速运动.现有足够多的小铁块,它们的质量均为m=1kg,将一铁块无初速地放在木板的最右端,当木板运动了L=1m时,又无初速度地在木板的最右端放上第2块铁块,只要木板运动了L就在木板的最右端无初速度放一铁块.(取g=10m/s2)试问:(1)第1块铁块放上后,木板运动了L时,木板的速度多大?(2)最终木板上放有多少块铁块?(3)最后一块铁块与木板右端距离多远?10.图1为验证牛顿第二定律的实验装置示意图.图中打点计时器的电源为50Hz的交流电源,打点的时间间隔用△t表示.在小车质量未知的情况下,某同学设计了一种方法用来研究“在外力一定的条件下,物体的加速度与其质量间的关系”.(1)完成下列实验步骤中的填空:①平衡小车所受的阻力:小吊盘中不放物块,调整木板右端的高度,用手轻拨小车,直到打点计时器打出一系列的点.②按住小车,在小吊盘中放入适当质量的物块,在小车中放入砝码.③打开打点计时器电源,释放小车,获得带有点迹的纸带,在纸带上标出小车中砝码的质量m.④按住小车,改变小车中砝码的质量,重复步骤③.⑤在每条纸带上清晰的部分,每5个间隔标注一个计数点.测量相邻计数点的间距s1,s2,….求出与不同m相对应的加速度a.⑥以砝码的质量m为横坐标,为纵坐标,在坐标纸上做出﹣﹣m关系图线.若加速度与小车和砝码的总质量成反比,则与m处应成关系(填“线性”或“非线性”).(2)完成下列填空:(ⅰ)本实验中,为了保证在改变小车中砝码的质量时,小车所受的拉力近似不变,小吊盘和盘中物块的质量之和应满足的条件是.(ⅱ)设纸带上三个相邻计数点的间距为s1、s2、s3.a可用s1、s3和△t表示为a=.图2为用米尺测量某一纸带上的s1、s3的情况,由图可读出s1=mm,s3=mm.由此求得加速度的大小a=m/s2.(ⅲ)图3为所得实验图线的示意图.设图中直线的斜率为k,在纵轴上的截距为b,若牛顿定律成立,则小车受到的拉力为,小车的质量为.(第10题)11.(2013•自贡一模)如图所示,水平面上放有质量均为m=lkg的物块A和B,A、B与地面的动摩擦因数分别为μ1=0.4和μ2=0.1,相距l=0.75m.现给物块A一初速度使之向B运动,与此同时给物块B一个F=3N的水平向右的力,B由静止开始运动,经过一段时间A恰好追上B.g=10m/s2,求:(1)物块A的初速度大小;(2)从开始到物块A追上物块B的过程中,力F对物块B所做的功.(第11题)(第12题)(第13题)12.(2013•郑州一模)如图所示,有一水平放置的足够长的皮带输送机以v=4m/s的速度沿顺时针方向运行.有一物体以v0=6m/s 的初速度从皮带输送机的右端沿皮带水平向左滑动,若物体与皮带的动摩擦因数μ=0.2,并取g=10m/s2,求物体从开始运动到回到出发点所用时间.13.(2013•浙江模拟)如图,木板长L=1.6m,质量M=4.0kg,上表面光滑,下表面与地面间的动摩擦因数为μ=0.4.质量m=1.0kg 的小滑块(视为质点)放在木板的右端,开始时木板与物块均处于静止状态,现给木板以向右的初速度,取g=10m/s2,求:(1)小滑块的加速度大小;(2)木板的加速度大小和方向;(3)要使小滑块从木板上掉下,木板初速度应满足什么要求.14.(2013•盐城一模)光滑水平面上有质量为M、高度为h的光滑斜面体A,斜面上有质量为m的小物体B,都处于静止状态.从某时刻开始释放物体B,在B沿斜面下滑的同时斜面体A沿水平方向向左做匀加速运动.经过时间t,斜面体水平移动s,小物体B刚好滑到底端.(1)求运动过程中斜面体A所受的合力F A;(2)分析小物体B做何种运动?并说明理由;(3)求小物体B到达斜面体A底端时的速度U E大小.(第14题)(第15题)(第16题)15.(2013•许昌三模)有一个长L=4m、倾角为θ=370的斜面,底端有一垂直斜面的挡板.有一质量m=1kg的小物块从顶端A由静止沿斜面下滑,碰到挡板时的速度v=4m/s.若小物块从顶端A由静止沿斜面下滑到某点B(图中未标出)时,对其施加一平行于斜面向上的恒力F=10N,使小物块恰好不撞到挡板上.(g=10m/s2,sin37°=0.6,cos37°=0.8)求:(1)物块A与斜面间的动摩擦因数μ;(2)B点到挡板的距离.16.(2013•武汉二模)如图所示,质量M=1kg的木板静置于倾角θ=37°、足够长的固定光滑斜面底端.质量m=1kg的小物块(可视为质点)以初速度v0=4m/s从木板的下端冲上木板,同时在木板上端施加一个沿斜面向上的F=3.2N的恒力.若小物块恰好不从木板的上端滑下,求木板的长度l为多少?已知小物块与木板之间的动摩檫因数μ=0.8,重力加速度g=1Om/s2,sin37°=0.6,cos37°=0.8.17.(2013•台州模拟)小物块以一定的初速度mgsinθ+μmgcosθ=ma沿斜面(足够长)向上运动,由实验测得物块沿斜面运动的最大位移10sinθ+5cosθ=10与斜面倾角θ=37°的关系如图所示.取mgsinθ=6m=10m/s2,空气阻力不计.可能用到的函数值:sin30°=0.5,sin37°=0.6,sin45°=μmgcosθ=4m,sin53°=0.8,sin60°=B0IL=mg.求:(1)物块的初速度v0;(2)物块与斜面之间的动摩擦因数μ;(3)计算说明图线中P点对应的斜面倾角为多大?在此倾角条件下,小物块能滑回斜面底端吗?说明理由(设最大静摩擦力与滑动摩擦力相等).(第17题)(第18题)18.(2013•如东县模拟)如图所示,在水平长直轨道上,有一长度L=8m的平板车在外力控制下始终保持以v=5m/s的速度向右做匀速直线运动.某时刻将一质量m=2kg的小滑块放到车面的中点,滑块与车面间的动摩擦因数μ=0.2,取g=10m/s2.(1)若滑块的初速度为零,求它在车上滑动过程的加速度;(2)在(1)的情况下,求滑块滑出平板车时的动能;(3)若以与车运动方向相同、大小为v0的初速度释放滑块,为使滑块不从车上掉下,v0应满足什么条件?19.(2013•南通一模)小明用台秤研究人在升降电梯中的超重与失重现象.他在地面上用台秤称得其体重为500N,再将台秤移至电梯内称其体重,电梯从t=0时由静止开始运动到t=11s时停止,得到台秤的示数F随时间t变化的图象如图所示,取g=10m/s2.求:(1)小明在0~2s内的加速度大小a1,并判断在这段时间内小明处于超重还是失重状态;(2)在10s~11s内,台秤的示数F3;(3)小明运动的总位移x.(第19题)(第20题)(第21题)20.(2013•南宁三模)如图所示,水平轨道AB段为粗糙水平面,BC段为一水平传送带,两段相切于B点.一质量为m=l kg 的物块(可视为质点),静止于A点,AB距离为s=2m.已知物块与AB段和BC段的动摩擦因数均为μ=0.5,g取10m/s2.(1)若给物块施加一水平拉力F=ll N,使物块从静止开始沿轨道向右运动,到达B点时撤去拉力,物块在传送带静止情况下刚好运动到C点,求传送带的长度;(2)在(1)问中,若将传送带绕B点逆时针旋转37°后固定(AB段和BC段仍平滑连接),要使物块仍能到达C端,则在AB段对物块施加拉力F应至少多大.21.(2013•南昌三模)如图所示,两套完全相同的小物块和轨道系统,轨道固定在水平桌面上.物块质量m=lkg,轨道长度l=2m,物块与轨道之间的动摩擦因数μ=0.20现用水平拉力F=6N、F2=4N同对拉两个物块,分别作用一段距离后撤去,使两物块都能从静止出发,运动到轨道另一端时恰好停止.(g=l0m/s2)求:(1)在F1作用下的小物块加速度a1多大?(2)从两物块运动时开始计时直到都停止,除了物块在轨道两端速度都为零之外,另有某时刻t两物块速度相同,则t为多少?22.(2013•南昌二模)有一个冰上推木箱的游戏节目,规则是:选手们从起点开始用力推箱一段时间后,放手让箱向前滑动,若箱最后停在桌上有效区域内,视为成功;若箱最后未停在桌上有效区域内就视为失败.其简化模型如图所示,AC是长度为L1=7m的水平冰面,选手们可将木箱放在A点,从A点开始用一恒定不变的水平推力推箱,BC为有效区域.已知BC长度L2=lm,木箱的质量m=50kg,木箱与冰面间的动摩擦系数u=0.1.某选手作用在木箱上的水平推力F=200N,木箱沿AC做直线运动,若木箱可视为质点,g取l0m/s2.那么该选手要想游戏获得成功,试求:(1)推力作用在木箱上时的加速度大小;(2)推力作用在木箱上的时间满足什么条件?(第22题)(第23题)23.(2013•兰州模拟)如图所示,有一水平传送带匀速向左运动,某时刻将一质量为m的小煤块(可视为质点)放到长为L 的传送带的中点.它与传送带间的动摩擦因数为μ,求:(1)小煤块刚开始运动时受到的摩擦力的大小和方向;(2)要使小煤块留在传送带上的印记长度不超过,传送带的速度v应满足的条件.24.(2013•金山区一模)如图,将质量m=2kg的圆环套在与水平面成37°角的直杆上,直杆固定不动,环的直径略大于杆的截面直径,环与杆间动摩擦因数μ=0.5,对环施加一个竖直向上的拉力F,使环由静止开始运动,已知t=1s 内环通过的位移为0.5m.(1)若环沿杆向下运动,求F的大小;(2)若环沿杆向上运动,且t=1s时撤去拉力,求环沿杆向上运动过程中克服摩擦力做功的大小.(第24题)(第25题)25.(2013•河南模拟)民用航空客机的机舱,除了有正常的舱门和舷梯连接,供旅客上下飞机,一般还设有紧急出口.发生意外情况的飞机在着陆后,打开紧急出口的舱门,会自动生成一个气囊(由斜面部分AC和水平部分CD构成),机舱中的人可沿该气囊滑行到地面上来,如图所示.某机舱离气囊底端的竖直高度AB=3.0m,气囊构成的斜面长AC=5.0m.一个质量m=60kg的人从气囊上由静止开始滑下,人与气囊动摩擦因数为μ=0.5.不计空气阻力,g=10m/s2.求:(1)人从斜面AC下滑的加速度;(2)为使人滑到地面时不离开气囊,则气囊的水平部分CD应多长?26.(2013•河南模拟)如图1所示,光滑水平面上的O处有一质量为m=2Kg物体.物体同时受到两个水平力的作用,F1=4N,方向向右,F2的方向向左大小如图2所示,x为物体相对O的位移.物体从静止开始运动,问:(1)当位移为x=0.5m时物体的加速度多大?(2)物体在X=0和X=2米内何位置物体的加速度最大?最大值为多少?(3)物体在X=0和X=2米内何位置物体的速度最大?最大值为多.27.(2013•朝阳区模拟)如图甲所示,光滑水平面有一静止的长木板,质量M=3.0kg.某时刻,一小物块(可视为质点)以v0=4.0m/s的初速度滑上木板的左端,经过t=0.50s小物块到达木板的最右端.已知小物块的质量m=1.0kg,它与长木板之间的动摩擦因数μ=0.30,重力加速度g取10m/s2.(1)求木板的长度L;(2)如图乙所示,在小物块滑上木板的同时,对木板施加一个水平向右的拉力F,经过一段时间,小物块恰好停在木板的最右端,求拉力F的大小.28.(2013•长沙一模)如图所示,水平地面上有A、B两点,且两点间距离L AB=6m,质量m=2kg的物体(可视为质点)静止在A点,地面与物块的滑动摩擦因数μ=0.2,为使物体运动到B点,现给物体施加一水平F=10N的拉力,g取10m/s2,求(1)物体运动到B点的时间;(2)拉力F作用的最短时间.(第28题)(第29题)29.(2013•保定一模)如图甲所示,有一个大木箱,放在平板汽车的后部,木箱到驾驶室的距离L=2.8m,木箱与车板间的动摩擦因数µ=0.5.开始时平板汽车载着木箱以速度v0=16m/s匀速行驶.突然驾驶员遇到紧急情况刹车,轮胎抱死,使平板汽车做匀减速直线运动,直至停止.g取10m/s2,忽略空气阻力.(1)为了不让木箱撞击驾驶室,平板汽车从开始刹车到完全停止至少需多长时间?(计算结果小数点后面保留两位有效数字)(2)从汽车开始减速到木箱完全停止的过程中,平板汽车受到地面的摩擦力f,在图乙中定性画出f随时间t的变化图线.(不要求写出计算过程,只按画出的图线评分)30.(2012•淄博二模)如图所示,长L=5m,高h=0.45m,质量M=10kg的长方体木箱,在水平面上向右做直线运动,木箱上表面光滑,下表面与地面的动摩擦因数为μ=0.2.当木箱的速度v0=3.6m/s时,立即对木箱施加一个方向水平向左的恒力F=50N,并同时将一个质量m=1kg的小物块轻放在距木箱右端0.5m处的P点(小物块可视为质点,放在P点时相对于地面的速度为零),经过一段间小物块脱离木箱落到地面.取g=10m/s2,求:(1)从小物块放在P点开始,木箱向右运动的最大距离;(2)小物块离开木箱时木箱的速度大小;(3)小物块落地时离木箱右端的距离.(答案见下)《牛顿第二定律》压轴题专题参考答案与试题解析1.(2013•昌平区模拟)如图所示,一小圆盘静止在桌布上,位于一方桌的水平桌面的中央,桌布的一边与桌的AB边重合.已知方桌的边长为L,圆盘与桌布间的动摩擦因数为μ1,圆盘与桌面间的动摩擦因数为μ2.现突然以恒定加速度a将桌布抽离桌面,加速度的方向是水平的且垂直于AB边.若圆盘最后未从桌面掉下,以g表示重力加速度,求:(1)桌布与圆盘经多长时间分离?(2)为使圆盘不从桌面掉下,则加速度a满足的条件是什么?考点:牛顿第二定律;匀变速直线运动规律的综合运用.专题:牛顿运动定律综合专题.分析:(1)根据牛顿第二定律求出圆盘在桌布上做加速运动的加速度,抓住桌布的位移和圆盘的位移之差等于,结合运动学公式求出桌布与圆盘分离的时间.(2)圆盘离开桌布后,在桌面上做匀减速直线运动,抓住圆盘在匀加速直线运动和匀减速直线运动的位移之和小于等于,结合牛顿第二定律和运动学公式求出加速度a满足的条件.解答:解:(1)设圆盘的质量为m,圆盘在桌布上做加速运动的加速度为a1,则f1=μ1mg=ma1以地面为参考系,设桌布从盘下抽出所经历的时间为t1,在这段时间内桌布移动的位移为x,圆盘移动的位移为s1,有,由题意分析可知,当桌布比圆盘多运动了的位移时,盘布分离,即x﹣s1=联立以上各式,可以解得(2)桌布抽出后,圆盘在桌面上做匀减速运动,以a2表示圆盘的加速度的大小,有f2=μ2mg=ma2设圆盘刚离开桌布时的速度大小为v,离开桌布后在桌面上再运动距离s2时停止,有v2=2a1s1,v2=2a2s2,所以s2=盘没有从桌面上掉下的条件是s1+s2≤由以上各式解得a≥答:(1)桌布与圆盘经分离.(2)为使圆盘不从桌面掉下,则加速度a满足的条件是a≥.点评:解决本题的关键理清圆盘和桌布的运动情况,抓住位移关系,结合运动学公式和牛顿第二定律进行求解.2.(2011•徐汇区模拟)如图所示,细线的一端固定于倾角为45°的光滑楔形滑块A的顶端P处,细线的另一端拴一质量为m 的小球,当滑块至少以加速度a=g向左运动时,小球对滑块的压力等于零,当滑块以a=2g的加速度向左运动时,线中拉力T=.考点:牛顿第二定律;力的合成与分解的运用.专题:牛顿运动定律综合专题.分析:小球对滑块的压力等于零,对木块进行受力分析,其受到重力和绳子的拉力,合力水平向左,再根据牛顿第二定律就可以求得加速度;,当滑块以a=2g的加速度向左运动时,小球将离开滑块,绳子张力变得更大,其受到重力和绳子的拉力,合力水平向左,求绳子的拉力解答:解:(1)对物体进行受力分析,如图所示:由图知,F合=mg故a=g(2)由上图得,当a=2g时,F合=ma=2mg由勾股定理得:F==mg答案为:g、mg点评:该题是牛顿第二定律的直接应用,解题的关键是正确对物体进行受力分析求出合力.3.(2011•徐汇区模拟)一根不可伸缩的轻绳跨过轻质的定滑轮,一端挂一吊椅,另一端被坐在吊椅上的运动员拉住,如图所示.设运动员的质量为75kg,吊椅的质量为25kg,不计定滑轮与绳子间的摩擦当运动员与吊椅一起正以加速度a=1m/s2上升时,则运动员竖直向下拉绳的力为550N,运动员对吊椅的压力为275N.(g=10m/s2)考点:牛顿第二定律;力的合成与分解的运用.专题:牛顿运动定律综合专题.分析:先对运动员和吊椅整体受力分析,受重力和两个拉力,根据牛顿第二定律列式求解,得到拉力大小;再对吊椅受力分析,受重力、压力和拉力,再次根据牛顿第二定律列式求解.解答:解:对运动员和吊椅整体受力分析,受重力和两个拉力,根据牛顿第二定律,有2T﹣(M+m)g=(M+m)a解得T=550N再对吊椅受力分析,受重力、压力和拉力,再次根据牛顿第二定律,有T﹣mg﹣N=ma解得N=T﹣mg﹣mg=275N故答案为:550,275.点评:本题关键先对整体受力分析,在对吊椅受力分析,然后根据牛顿第二定律列式求解.4.(2009•徐汇区一模)如图所示,将一小物体从斜面顶端A点静止起释放,物体沿斜面下滑,经斜面底端C点滑上水平面,最后通过水平面上B点,斜面高度为h,A、B两点的水平距离为s,不计物体滑过C点时的能量损失.若已知斜面、平面与小物体间的动摩擦因数都为μ,斜面倾角θ未知,则物体滑到B点时的速度大小为;若已知倾角为θ,而动摩擦因数μ未知,且物体滑到B点时恰好停止,则物体滑过斜面AC与滑过平面CB所用的时间之比为h:(Ssinθ﹣hcosθ).考点:牛顿第二定律;匀变速直线运动的位移与时间的关系;滑动摩擦力.专题:牛顿运动定律综合专题.分析:物体从A滑至B的过程中,只有重力和摩擦力做功,根据几何关系求出各力做功,根据动能定理求解即可,因为物体从A至C做初速度为0的匀加速直线运动,从C至B做匀减速直线运动,根据匀变速直线运动关系可知两段过程中的平均速度相同,则运动时间之比等于位移之比.解答:解:(1)从A至B的过程中只有重力和摩擦力做功,两力做的总功等于物体动能的变化.由题意知重力做功W G=mgh,在斜面上摩擦力大小为f1=μmgcosθ,在水平面上摩擦力大小为f2=μmg,物体在斜面上下滑的距离,物体在水平面上滑动的距离,根据动能定理有:代入数据可得:(2)物体从A至B做初速度为0的匀加速直线运动,则在AB段的平均速度,在CB做匀减速直线运动,末速度为0则,即在AB段和CB段的平均速度相等,故其运动时间之比即为位移大小之比.从A至C位移大小为,从C至B位移大小为,所以有:=故答案为:;h:(Ssinθ﹣hcosθ)点评:从动能定理角度求解物体在B点的速度,根据匀变速直线运动的平均速度和时间位移的关系求解时间之比.5.(2009•崇明县模拟)如图所示是伽利略理想斜面实验中的一幅图,一小球在光滑槽内运动,槽底水平部分长5m,若小球由A点静止开始运动,经4s到达另一斜面与A等高的B点,且已知小球在水平部分运动时间为1s,则小球下落点A离水平底部的高度为 1.25m;小球从A到B运动的总路程是12.5m.考点:牛顿第二定律;位移与路程;匀变速直线运动的位移与时间的关系.专题:牛顿运动定律综合专题.分析:根据小球在水平槽底做匀速直线运动求出在槽底的速度,从而得出C点和D点的速度,根据动能定理求出小球下落点距离A点的高度.通过平均速度公式求出AC和BD的路程之和,从而求出总路程.解答:解:小球在槽底做匀速直线运动的速度.根据动能定理得,mgh=,解得h=.AC段的平均速度,BD段的平均速度,则x′=,则总路程s=x+x′=7.5m+5m=12.5m故答案为:1.25,12.5.点评:解决本题的关键理清小球的运动,结合运动学公式和动能定理进行求解.6.(2013•山东)如图所示,一质量m=0.4kg的小物块,以v0=2m/s的初速度,在与斜面成某一夹角的拉力F作用下,沿斜面向上做匀加速运动,经t=2s的时间物块由A点运动到B点,A、B之间的距离L=10m.已知斜面倾角θ=30°,物块与斜面之间的动摩擦因数μ=.重力加速度g取10m/s2.(1)求物块加速度的大小及到达B点时速度的大小.(2)拉力F与斜面的夹角多大时,拉力F最小?拉力F的最小值是多少?考点:牛顿第二定律;匀变速直线运动的速度与时间的关系;力的合成与分解的运用.专题:压轴题;牛顿运动定律综合专题.分析:(1)物体做匀加速直线运动,根据运动学公式求解加速度和末速度;(2)对物体受力分析,受重力、拉力、支持力和滑动摩擦力,根据牛顿第二定律列式求解出拉力F的表达式,分析出最小值.解答:解:(1)物体做匀加速直线运动,根据运动学公式,有:①v=v0+at ②联立解得;a=3m/s2v=8m/s(2)对物体受力分析,受重力、拉力、支持力和滑动摩擦力,如图。
牛顿第二定律实验练习题1.关于“验证牛顿运动定律”的实验,下列说法中符合实际的是() A.通过同时改变小车的质量m及受到的拉力F的研究,能归纳出加速度、力、质量三者之间的关系B.通过保持小车质量不变,只改变小车的拉力的研究,就可以归纳出加速度、力、质量三者之间的关系C.通过保持小车受力不变,只改变小车质量的研究,就可以得出加速度、力、质量三者之间的关系D.先不改变小车质量,研究加速度与力的关系;再不改变受力,研究加速度与质量的关系,最后归纳出加速度、力、质量三者之间的关系2.如图所示,在探究牛顿运动定律的演示实验中,若1、2两个相同的小车所受拉力分别为F1、F2,车中所放砝码的质量分别为m1、m2,打开夹子后经过相同的时间两车的位移分别为x1、x2,则在实验误差允许的范围内,有()A.当m1=m2、F1=2F2时,x1=2x2B.当m1=m2、F1=2F2时,x2=2x1C.当m1=2m2、F1=F2时,x1=2x2D.当m1=2m2、F1=F2时,x2=2x13.若测得某一物体质量m一定时,a与F的有关数据资料如下表所示:a/(m·s-2) 1.98 4.06 5.958.12F/N 1.00 2.00 3.00 4.00(1)根据表中数据,画出a-F图象.(2)根据图象判定:当m一定时,a与F的关系为______________(3)若甲、乙两同学在实验过程中,由于没有按照正确步骤进行实验,处理数据后得出如图所示的a-F图象.试分析甲、乙两同学可能存在的问题:甲:_____________________________________________________乙:_____________________________________________________4.某同学设计了一个探究加速度a与物体所受合力F及质量m关系的实验,图(a)所示为实验装置简图.(交流电的频率为50 Hz)(1)图(b)所示为某次实验得到的纸带,根据纸带可求出小车的加速度大小为________m/s2.(保留两位有效数字)(2)保持砂和砂桶质量不变,改变小车质量m,分别得到小车加速度a与质量m及对应的1m数据如下表:实验次数12345678小车加速度a/m·s-21.90 1.72 1.49 1.25 1.000.750.500.30小车质量m/kg0.250.290.330.400.500.71 1.00 1.671m/kg-1 4.00 3.45 3.03 2.50 2.00 1.41 1.000.60 请在下图所示的坐标纸中画出a-1m图线,并由图线求出小车加速度a与质量倒数1m之间的关系式是________________________5.为了探究加速度与力的关系,使用如图所示的气垫导轨装置进行实验.其中G1、G2为两个光电门,它们与数字计时器相连,当滑行器通过G1、G2光电门时,光束被遮挡的时间Δt1、Δt2都可以被测量并记录,滑行器连同上面固定的一条形挡光片的总质量为M,挡光片宽度为D,光电门间距离为x,牵引砝码的质量为m.回答下列问题:(1)实验开始应先调节气垫导轨下面的螺钉,使气垫导轨水平,在不增加其他仪器的情况下,如何判定调节是否到位?答:____________________________________________________________________(2)若取M=0.4 kg,改变m的值,进行多次实验,以下m的取值不合适的一个是A.m1=5 g B.m2=15 gC.m3=40 g D.m4=400 g(3)在此实验中,需要测得每一个牵引力对应的加速度,求得的加速度的表达式为______________________________(用Δt1、Δt2、D、x表示)6.在用DIS研究小车加速度与外力的关系时,某实验小组先用如图(a)所示的实验装置,重物通过滑轮用细线拉小车,位移传感器(发射器)随小车一起沿倾斜轨道运动,位移传感器(接收器)固定在轨道一端.实验中把重物的重力作为拉力F,改变重物重力重复实验四次,列表记录四组数据.(1)在坐标纸上作出小车加速度a和拉力F的关系图线;(2)从所得图线分析该实验小组在操作过程中的不当之处是:__________________________;a/ms-2 2.01 2.98 4.02 6.00F/N 1.00 2.00 3.00 5.003.0a/ms-21.02.04.02.06.04.0F/N位移传感器(接收器)小车位移传感器(发射器)重物轨道)a图((3)如果实验时,在小车和重物之间接一个不计质量的微型力传感器,如图(b)所示.从理论上分析,该实验图线的斜率将___________.(填“变大”,“变小”,“不变”)7.如图所示的实验装置可以验证牛顿运动定律,小车上固定一个盒子,盒子内盛有沙子.沙桶的总质量(包括桶以及桶内沙子质量)记为m,小车的总质量(包括车、盒子及盒内沙子质量)记为M.(1)验证在质量不变的情况下,加速度与合外力成正比:从盒子中取出一些沙子,装入沙桶中,称量并记录沙桶的总重力mg,将该力视为合外力F,对应的加速度a则从打下的纸带中计算得出.多次改变合外力F的大小,每次都会得到一个相应的加速度.本次实验中,桶内的沙子取自小车中,故系统的总质量不变.以合外力F为横轴,以加速度a为纵轴,画出a-F图象,图象是一条过原点的直线.①a-F图象斜率的物理意义是_________________________________________.②你认为把沙桶的总重力mg当作合外力F是否合理?答:________.(填“合理”或“不合理”)③本次实验中,是否应该满足M≫m这样的条件?答:________(填“是”或“否”);理由是______________________________________________________.(2)验证在合外力不变的情况下,加速度与质量成反比:保持桶内沙子质量m不变,在盒子内添加或去掉一些沙子,验证加速度与质量的关系.本次实验中,桶内的沙子总质量不变,故系统所受的合外力不变.用图象法处理数据时,以加速度a为纵横,应该以______倒数为横轴.参考答案位移传感器(接收器)小车力传感器位移传感器(发射器)重物轨道)b图(1.解析:验证牛顿运动定律的实验,是利用控制变量法,探究加速度a 与合外力F 、物体质量m 的关系,故D 项正确.答案:D2.解析:当m 1=m 2、F 1=2F 2时,由F =ma 可知,a 1=2a 2,再由x =12at 2可得:x 1=2x 2,故A 正确,B 错误;当m 1=2m 2、F 1=F 2时,a 1=12a 2,再由x =12at 2可得:x 1=12x 2,故C 错误,D 正确.答案:AD3.解析:(1)若a 与F 成正比,则图象是一条过原点的直线.同时,因实验中不可避免地出现误差,研究误差产生的原因,从而减小误差,增大实验的准确性,则在误差允许范围内图象是一条过原点的直线即可.连线时应使直线过尽可能多的点,不在直线上的点应大致对称地分布在直线两侧,离直线较远的点应视为错误数据,不予以考虑.描点画图如图所示.(2)由图可知a 与F 的关系是正比例关系.(3)图中甲在纵轴上有较大截距,说明绳对小车拉力为零时小车就有加速度a 0,可能是平衡摩擦力过度所致.乙在横轴上有截距,可能是实验前没有平衡摩擦力或平衡摩擦力不够. 答案:(1)见解析 (2)正比例关系(3)平衡摩擦力时木板抬的过高 没有平衡摩擦力或平衡摩擦力不够4.解析:(1)由逐差法得a =a =(x 3+x 4)-(x 1+x 2)(4T )2=[(7.72+7.21)-(6.70+6.19)]×10-216×0.022m/s 2≈3.2 m/s 2 (2)如图所示,a =12mN答案:见解析5.解析:(1)如果气垫导轨水平,则不挂砝码时,M 应能在任意位置静止不动,或推动M 后能使M 匀速运动.(2)应满足M ≫m ,故m 4=400 g 不合适. (3)由v 1=D Δt 1,v 2=DΔt 2,v 22-v 12=2ax可得:a =(D Δt 2)2-(D Δt 1)22x.答案:(1)取下牵引砝码,M 放在任意位置都不动;或取下牵引砝码,轻推滑行器M ,数字计时器记录每一个光电门的光束被挡的时间Δt 都相等 (2)D(3)a =(D Δt 2)2-(D Δt 1)22x6. (1) (2)倾角过大 观察图像可以发现,当外力为零 时,加速度a 不等于0,说明在平衡摩擦力时轨道倾角过大,使得重力沿斜面向下的分力大于摩擦力。
(3)变大 本实验中,以重物重力mg 作为外力F ,其实是整体的合力即a=F/(M+m) ,图像斜率为1/(M+m) 换用力传感器后,拉力F 只是小车的合力此时a=F/M ,斜率1/M ,所以斜率变大。
7.解析:(1)将车内的沙子转移到桶中,就保证了M +m 不变,即系统的总质量不变,研究对象是整个系统,a =F 合/(M +m)=mg/(M +m),可见a -F 图象斜率的物理意义是1/(M +m),系统的合外力就等于所悬挂沙桶的重力mg ,不必满足M ≫m 这样的条件.(2)向小车内添加或去掉部分沙子,是改变系统的总质量M +m ,而系统的合外力仍等于所悬挂沙桶的重力mg ,保证了合外力不变.答案:(1)①1/(M +m) ②合理 ③否 因为实验的研究对象是整个系统,系统受到的合外力就等于mg (2)M +m。