钢结构螺栓连接计算
- 格式:ppt
- 大小:6.52 MB
- 文档页数:22
钢结构用的高强螺栓计划怎么提?长度计算?
数量是数出来的哦,然后加一定余量,普通螺栓一般加3%,高强螺栓比较贵,所以就看着加一些就行了。
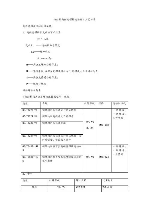
选用螺栓的长度应为紧固连接板厚度加上一个螺母和一个垫圈的厚度,并且紧固后要露出不少于两扣螺纹的余长,一般按连接板厚加下表中的增加长度,并取5mm的整倍数。
以下为通过厚度之外所加的数值。
M16 M20 M22 M24
25 30 35 40
4
|评论(1)
钢结构工程工期紧,没买到合适长度的高强螺栓,可否多垫几个垫圈?(不垫的话丝扣长度不够。
)
高强螺栓选定:
长度=连接板层总厚+紧固长度加长值+螺母公称厚度+垫圈个数*垫圈厚度+3*螺纹螺距
扭剪型高强螺栓的垫圈安在螺母一侧,垫圈孔有倒角的一侧应和螺母接触,不得装反;大六角头、高强螺栓的垫圈应安装在螺栓头一侧和螺母一侧,垫圈孔有倒角一侧应和螺栓头接触,不得装反。
楼主需要多垫几个垫圈?建议楼主不宜采用加高强螺栓的垫圈的方法,楼主可以尝试采用增设垫板的方法来补偿长度的过剩,并经设计院验算。
另外,楼主螺栓过长产生的空间使用需要认真考虑,楼主螺栓的使用量有多大,尚不清楚。
钢结构连接计算书(螺栓)-CAL-FENGHAI.-(YICAI)-Company One1钢结构连接计算书一、连接件类别:普通螺栓。
二、普通螺栓连接计算:1、普通螺栓受剪连接时,每个普通螺栓的承载力设计值,应取抗剪和承压承载力设计值中的较小者。
受剪承载力设计值应按下式计算:式中 d──螺栓杆直径,取 d = mm;n v──受剪面数目,取 n v = ;f v b──螺栓的抗剪强度设计值,取 f v b= N/mm2;计算得:N v b = ×××4= N;承压承载力设计值应按下式计算:式中 d──螺栓杆直径,取 d = mm;∑t──在同一受力方向的承压构件的较小总厚度,取∑t= mm;f c b──普通螺栓的抗压强度设计值,取 f c b= N/mm2;计算得:N c b = ××= N;故: 普通螺栓的承载力设计值取 N;2、普通螺栓杆轴方向受拉连接时,每个普通螺栓的承载力设计值应按下式计算:式中普通螺栓或锚栓在螺纹处的有效直径,取 de= mm;f t b──普通螺栓的抗拉强度设计值,取 f t b= N/mm2;计算得:N t b = ×× / 4 = N;3、普通螺栓同时受剪和受拉连接时,每个普通螺栓同时承受剪力和杆轴方向拉力应符合下式要求:式中 N v──普通螺栓所承受的剪力,取 N v= kN =×103 N;N t──普通螺栓所承受的拉力,取 N t= kN =×103 N;[(N v/N v b)2+(Nt/Nt b)2]1/2=[×103/2+×103/2]1/2 = ≤ 1;N v = N ≤ N c b = N;所以,普通螺栓承载力验算满足要求!。
第一节钢结构的连接方法钢结构是由钢板、型钢通过必要的连接组成基本构件,如梁、柱、桁架等;再通过一定的安装连结装配成空间整体结构,如屋盖、厂房、钢闸门、钢桥等。
可见,连接的构造和计算是钢结构设计的重要组成部分。
好的连接应当符合安全可靠、节约钢材、构造简单和施工方便等原则。
钢结构的连接方法可分为焊缝连接、铆钉连接和螺栓连接三种(详见附图十三)。
一、焊缝连接焊接是现代钢结构最主要的连接方法。
其优点是不削弱构件截面(不必钻孔),构造简单,节约钢材,加工方便,在一定条件下还可以采用自动化操作,生产效率高。
此外,焊缝连接的刚度较大密封性能好。
焊缝连接的缺点是焊缝附近钢材因焊接的高温作用而形成热影响区,热影响区由高温降到常温冷却速度快,会使钢材脆性加大,同时由于热影响区的不均匀收缩,易使焊件产生焊接残余应力及残余变形,甚至可能造成裂纹,导致脆性破坏。
焊接结构低温冷脆问题也比较突出。
二、铆钉连接铆接的优点是塑性和韧性较好,传力可靠,质量易于检查和保证,可用于承受动载的重型结构。
但是,由于铆接工艺复杂、用钢量多,因此,费钢又费工。
现已很少采用。
三、螺栓连接螺栓连接分为普通螺栓连接和高强度螺栓连接两种。
普通螺栓通常用Q235钢制成,而高强度螺栓则用高强度钢材制成并经热处理。
高强度螺栓因其连接紧密,耐疲劳,承受动载可靠,成本也不太高,目前在一些重要的永久性结构的安装连接中,已成为代替铆接的优良连接方法。
螺栓连接的优点是安装方便,特别适用于工地安装连接,也便于拆卸,适用于需要装拆结构和临时性连接。
其缺点是需要在板件上开孔和拼装时对孔,增加制造工作量;螺栓孔还使构件截面削弱,且被连接的板件需要相互搭接或另加拼接板或角钢等连接件,因而比焊接连接多费钢材。
第二节 焊接方法、焊缝类型和质量级别一、钢结构中常用的焊接方法焊接方法很多,钢结构中主要采用电弧焊,薄钢板(mm t 3 )的连接有时也可以采用电阻焊或气焊。
1.电弧焊电弧焊是利用焊条或焊丝与焊件间产生的电弧热,将金属加热并熔化的焊接方法。
钢结构螺栓计算规则钢结构螺栓是连接钢构件的重要组成部分,其设计与计算规则直接影响到钢结构的安全性和可靠性。
在设计螺栓时,需要遵循一定的计算规则,以确保连接的稳定性和承载能力。
下面将介绍钢结构螺栓的计算规则。
1. 螺栓的承载力计算螺栓连接的承载力主要取决于螺栓的拉伸和剪切承载能力。
根据规范的要求,螺栓的承载力应满足以下条件:•螺栓在受力状态下不会发生失稳或松动;•螺栓的拉伸和剪切承载能力需符合设计要求。
2. 螺栓的拉伸承载能力计算螺栓的拉伸承载能力主要取决于螺栓的材料强度和几何形状。
通常,螺栓的拉伸承载能力可以按以下公式计算:$P_t = A_t \\times F_u$其中,P t为螺栓的拉伸承载能力,A t为螺栓的有效截面积,F u为螺栓的抗拉强度。
3. 螺栓的剪切承载能力计算螺栓的剪切承载能力主要取决于螺栓的材料强度和几何形状。
通常,螺栓的剪切承载能力可以按以下公式计算:$P_s = A_s \\times 0.6 \\times F_u$其中,P s为螺栓的剪切承载能力,A s为螺栓的有效截面积,F u为螺栓的抗拉强度。
需要注意的是,剪切承载能力的系数0.6是根据规范和实际情况确定的。
4. 螺栓的预紧力计算螺栓的预紧力是保证螺栓连接紧固的重要参数,通常需要根据实际情况和设计要求进行计算。
预紧力的计算可以参考以下公式:$F_p = \\frac{T}{D}$其中,F p为螺栓的预紧力,T为螺栓的扭矩,D为螺栓的轴向刚度。
结语钢结构螺栓的设计和计算规则对于钢结构的整体性能至关重要。
设计者在进行螺栓的选型和连接设计时,应该严格遵循相应的规范和标准,确保连接的安全可靠性。
同时,对螺栓的承载能力、预紧力等参数进行合理计算,是保证钢结构稳定性和持久性的关键之一。
钢结构连接计算公式总汇1:钢结构连接计算公式总汇本旨在提供钢结构连接计算公式的总汇,以便工程师在进行钢结构计算设计时能够准确、高效地进行连接设计。
以下是各类常用的钢结构连接计算公式详细细化。
1. 强度计算公式1.1 焊缝强度计算公式在焊缝连接设计中,可以使用以下强度计算公式:σ = k1 × k2 × k3 × α × A其中,σ为焊缝的强度;k1为材料强度的修正系数;k2为焊缝形状的修正系数;k3为焊缝质量的修正系数;α为焊缝强度的系数;A为焊缝的有效截面积。
1.2 螺栓强度计算公式在螺栓连接设计中,可以使用以下强度计算公式:σ = k1 × k2 × α × A其中,σ为螺栓的强度;k1为材料强度的修正系数;k2为螺栓形状的修正系数;α为螺栓强度的系数;A为螺栓的有效截面积。
2. 刚度计算公式2.1 焊缝刚度计算公式焊缝连接的刚度计算可以使用以下公式:k = k1 × k2 × k3 × α × E × I / L 其中,k为焊缝的刚度;k1为材料刚度的修正系数;k2为焊缝形状的修正系数;k3为焊缝质量的修正系数;α为焊缝刚度的系数;E为材料的弹性模量;I为焊缝截面惯性矩;L为焊缝的长度。
2.2 螺栓刚度计算公式螺栓连接的刚度计算可以使用以下公式:k = k1 × k2 × α × E × A / L其中,k为螺栓的刚度;k1为材料刚度的修正系数;k2为螺栓形状的修正系数;α为螺栓刚度的系数;E为材料的弹性模量;A为螺栓的截面积;L为螺栓的长度。
附件:1. 强度计算公式表格2. 刚度计算公式表格法律名词及注释:1. 材料强度的修正系数:根据不同材料的特性,经过实验和理论分析得出的修正系数,用于修正材料在实际工程中的强度。
2. 焊缝形状的修正系数:根据焊缝的形状特征,经过实验和理论分析得出的修正系数,用于修正焊缝在实际工程中的强度。