醋酸仲丁酯的危险特性表
- 格式:doc
- 大小:37.00 KB
- 文档页数:2
乙酸仲丁酯安全技术说明书MSDS 化学品安全技术说明书第一部分化学品及企业标识化学品中文名:乙酸仲丁酯化学品英文名:sec-butyl acetate|acetic acid sec-butylester化学品别名:醋酸仲丁酯CAS No。
105-46-4EC No。
203-300-1分子式:C6H12O2产品推荐用途:请咨询生产商。
产品限制用途:请咨询生产商。
第二部分危险性概述紧急情况概述液体。
高度易燃,其蒸气与空气混合,能形成爆炸性混合物。
GHS危险性类别根据GB -2013化学品分类和标签规范系列标准(参阅第十六部分),该产品分类如下:易燃液体,类别 2.|标签要素象形图警示词:危险危险信息:高度易燃液体和蒸气。
防范说明防备步伐:远离热源、热表面、火花、明火以及别的点火源。
制止吸烟。
保持密闭。
和接收装备接地和等势联接。
利用不发生火花的工具。
采取步伐,防止静电放电。
戴防护手套/穿防护服/戴防护眼罩/戴防护面具。
事故响应:如皮肤(或头发)沾染:立即去除/脱掉所有沾染的衣服。
用水清洗皮肤或淋浴。
安全贮存:存放在通风良好的地方。
保持低温。
废弃处置:按照地方/区域/国家/国际规章处置内装物/。
危害描述物理化学危险高度易燃液体,其蒸气与空气混合,能形成爆炸性混合物。
安康危害吸入该物质大概会引起对安康有害的影响或呼吸道不适。
意外食入本品大概对个体安康有害。
通过割伤、擦伤或病变处进入血液,大概发生满身损伤的有害作用。
眼睛直接接触本品可导致暂时不适。
环境危害请参阅SDS第十二部分。
第三部分物质危险组分乙酸仲丁酯成分/组成信息浓度或浓度范围99.0CAS No.105-46-4混合物第四局部抢救步伐描述抢救步伐一般性建议:急救措施通常是需要的,请将本SDS出示给到达现场的医生。
皮肤接触:立即脱去污染的衣物。
用大量肥皂水和清水冲洗皮肤。
如有不适,就医。
眼睛接触:用大量水彻底冲洗至少15分钟。
如有不适,就医。
吸入:立即将患者移到新鲜氛围处,保持呼吸畅通。
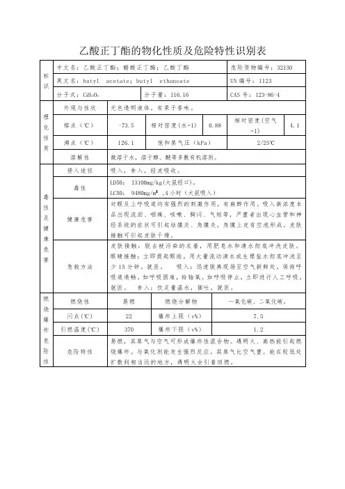
醋酸丁酯的物化性质与危险、有害特性表标识中文名:乙酸丁酯;醋酸正丁酯英文名:butyl acetate;butylethanoate分子式:C6H12O2分子量:116.16危规号:32130 UN编号:1123 CAS号:123-86-4理化性质性状:无色透明液体,有果子香味。
熔点(℃):-73.5 溶解性:微溶于水,溶于醇、醚等多数有机溶剂。
沸点(℃):126.1 相对密度(水=1):0.88饱和蒸气压(kPa):2.00(25℃)相对密度(空气=1):4.1临界温度(℃):305.9 燃烧热(kJ·mol-1):3463.5临界压力(Mpa):无资料最小引燃能量/mJ:无资料燃烧爆炸危险性燃烧性:易燃燃烧分解产物:一氧化碳、二氧化碳闪点(℃):22 聚合危害:不聚合爆炸极限(体积分数)/%:1.2-7.5 稳定性:稳定引燃温度(℃):370 禁忌物:强氧化剂、碱类、酸类·危险特性:易燃,其蒸气与空气可形成爆炸性混合物,遇明火、高热能引起燃烧爆炸。
与氧化剂能发生强烈反应。
其蒸气比空气重,能在较低处扩散到相当远的地方,遇火源会着火回燃。
·灭火方法:灭火剂:采用抗溶性泡沫、二氧化碳、干粉、砂土灭火。
用水灭火无效,但可用水保持火场中容器冷却。
毒性急性毒性:LD50:13100 mg/kg(大鼠经口);LC50:9480 mg/kg(大鼠经口)。
·接触限值:中国:PC-TWA:200mg/m3;PC-STEL:300mg/m3;前苏联 MAC:200mg/m3;TVL-TWA:OSHA150ppm,713mg/m3;ACGIH:20ppm,,95mg/m3;健康危害对眼及上呼吸道均有强烈的刺激作用,有麻醉作用。
吸入高浓度本品出现流泪、咽痛、咳嗽、胸闷、气短等,严重者出现心血管和神经系统的症状。
可引起结膜炎、角膜炎,角膜上皮有空泡形成。
皮肤接触可引起皮肤干燥。
急救·皮肤接触:脱去被污染的衣着,用肥皂水和清水彻底冲洗皮肤;·眼睛接触:立即提起眼睑,用大量流动清水或生理盐水彻底冲洗至少15分钟。
化学品安全技术说明书第一部分化学品及企业标识化学品中文名称:乙酸仲丁酯化学品英文名称:sec-butyl acetate企业名称:东莞市柏百顺石油化工有限公司地址:东莞市樟木头镇柏地管理区旗岭工业区邮编:电子邮件地址:传真号码:企业应急电话:技术说明书编码:生效日期:年月日国家应急电话:(0532)83889090第二部分成分/组成信息纯品 混合物化学品名称:乙酸仲丁酯有害物成分浓度CAS No.乙酸仲丁酯105-46-4第三部分危险性概述危险性类别:侵入途径:健康危害:本品对眼及上呼吸道粘膜有刺激性,有麻醉作用。
可引起皮肤干燥,并可通过完整的皮肤吸收环境危害:燃爆危害:本品易燃,具强刺激性。
第四部分急救措施皮肤接触:脱去污染的衣着,用肥皂水和清水彻底冲洗皮肤。
眼睛接触:提起眼睑,用流动清水或生理盐水冲洗。
就医。
吸入:迅速脱离现场至空气新鲜处。
保持呼吸道通畅。
如呼吸困难,给输氧。
如呼吸停止,立即进行人工呼吸。
就医。
食入:饮足量温水,催吐。
就医。
第五部分消防措施危险特性:易燃,其蒸气与空气可形成爆炸性混合物,遇明火、高热能引起燃烧爆炸。
与氧化剂能发生强烈反应。
其蒸气比空气重,能在较低处扩散到相当远的地方,遇火源会着火回燃。
有害燃烧产物:一氧化碳、二氧化碳。
灭火方法及灭火剂:采用泡沫、二氧化碳、干粉、砂土灭火。
用水灭火无效,但可用水保持火场中容器冷却。
第六部分泄露应急处理应急处理:迅速撤离泄漏污染区人员至安全区,并进行隔离,严格限制出入。
切断火源。
建议应急处理人员戴自给正压式呼吸器,穿防静电工作服。
尽可能切断泄漏源。
防止流入下水道、排洪沟等限制性空间。
小量泄漏:用活性炭或其它惰性材料吸收。
也可以用不燃性分散剂制成的乳液刷洗,洗液稀释后放入废水系统。
大量泄漏:构筑围堤或挖坑收容。
用泡沫覆盖,降低蒸气灾害。
用防爆泵转移至槽车或专用收集器内,回收或运至废物处理场所处置。
第七部分操作处置与存储操作处置注意事项:密闭操作,全面通风。
危险化学品乙酸正丁酯危险特性及有害因素识别乙酸正丁酯,液体,分子式C6H12O2,分子量116.16,相对于水的密度0.88,相对于空气的密度 4.1,溶点-73℃,沸点126.1℃,闪点22℃,引燃温度370℃,爆炸极限范围1.2~7.5%,危规号32130,按《常用危险化学品的分类及标志》,该物质为第3.2类中闪点易燃液体,按《建筑设计防火规范》,其火灾危险性为甲类。
乙酸正丁酯在常温下为无色透明液体,具有果子香味,易燃,其蒸汽与空气可形成爆炸性混合物,遇明火、高热能引起燃烧爆炸,与氧化剂能发生强烈反应。
其蒸汽比空气重,能在较低处扩散到相当远的地方,遇明火会引起回燃。
乙酸正丁酯具有轻度毒性,其LD50为13100mg/kg(大鼠经口)LC50为9480mg/m3(大鼠经口),侵入途径为吸入、食入、经皮吸收。
本品对眼睛和上呼吸道均有强烈刺激作用,有麻醉作用。
吸入高浓度本品出现流泪、咽痛、咳嗽、胸闷、气短等,严重者出现心血管和神经系统的症状。
可引起结膜炎、角膜炎,角膜上皮有空泡形成。
皮肤接触可引起皮肤干燥。
乙酸正丁酯应储存于阴凉、通风仓库内,远离火种、热源。
仓内温度不宜超过30℃。
防止阳光直射。
保持容器密封,应与氧化剂分开存放。
储存间内的照明、通风等设施就采用防爆型,开关设在仓外。
配备相应品种和数量的消防器材。
禁止使用易产生火花的机械设备和工具。
定期检查是否有泄漏现象。
灌装时应注意流速不超过3m/s,且具有接地装置,防止静电集聚。
搬运时要轻装轻卸,防止包装及容器损坏。
乙酸正丁酯的灭火方法为抗溶性泡沫、干粉、二氧化碳和砂土,用水灭火无效。
发生乙酸正丁酯泄漏时,迅速撤离泄漏污染区人员至安全区,并进行隔离,严格限制出入。
切断火源。
应急处理人员应戴自给正式呼吸器,穿消防防护服。
尽可能切断泄漏源,防止进入下水道、排洪沟等限制性空间。
小量泄漏时,可用活性炭或其它惰性材料吸收,也可用大量水冲洗。
大量泄漏时,应构筑围堤或挖坑收容;用泡沫覆盖,降低蒸汽灾害。
醋酸仲丁酯产品简介潍坊亿兴化工科技有限公司田刚醋酸仲丁酯是一种环保性溶剂,早在上世纪五、六十年代,我国在涂料生产中曾使用过醋酸仲丁酯,后来引起货源不足,价格昂贵,改为醋酸正丁酯及其其它混合物代替。
目前,醋酸仲丁酯的新工艺摒弃传统的酯化反应,采用液化气直接与醋酸合成法,大大的降低了生产成本,使醋酸仲丁酯恢复市场竞争力。
醋酸仲丁酯属于醋酸丁酯的四种同分异构体之一,为无色,易燃,带有水果香味的液体,并且可以溶解多种树脂和有机物。
通常,醋酸仲丁酯与其它同分异构体的性能在大多情况下都相似,只是它具有较低的沸点和较快的蒸发速度。
在2008年亚太涂料展上,该产品获得最佳环保奖。
目前,醋酸仲丁酯广泛应用于医药、涂料、油墨、胶黏剂、固化剂、清洗剂、稀释剂、树脂生产和醋酸兑水等行业中。
醋酸仲丁酯应用情况:目前,市场上常用的溶剂有醋酸正丁酯、醋酸乙酯、甲苯和二甲苯等。
醋酸正丁酯应用较为广泛,但是价格太高;醋酸乙酯挥发速度太快,导致它在涂料中的使用受限;甲苯和二甲苯的毒性强,对人体和环境危害大。
对于醋酸仲丁酯来说,它的价格与上述溶剂相比具有竞争力,并且还具有溶解性能强、挥发速度适中、萃取收率高、毒性小、残留少等优点。
它在节省成本的同时,还可以提高产品品质,降低对人体的毒害,减少对大气环境的污染。
其与正丁酯相比,大概有2000-3000元/吨的价格优势。
且醋酸仲丁酯的各项技能、指标与正丁酯基本相似,现在国内外大多数油漆、涂料生产厂家都不同比例的用起了醋酸仲丁酯代替丁酯。
主要用途为:(1)用作溶剂醋酸仲丁酯(SBA)的溶解性能与醋酸正丁酯、醋酸异丁酯相似,在涂料配方中可以广泛取代醋酸正丁酯和醋酸异丁酯。
在金属闪光漆中,可以用醋酸仲丁酯来溶解醋酸丁酸纤维素,制得15%-20%的溶液。
醋酸仲丁酯对许多物质具有良好的溶解性,工业上可用作制造硝基纤维素漆、丙烯酸漆、聚氨酯漆等的溶剂,这些漆类了用作飞机机翼涂料,人造皮革涂料,汽车涂料等。