桥梁伸缩缝施工技术指南
- 格式:docx
- 大小:28.10 KB
- 文档页数:8
混凝土桥梁伸缩缝设计与施工技术规程一、前言混凝土桥梁作为现代化交通工具的重要组成部分,其设计和施工十分重要,其中伸缩缝的设计和施工更是至关重要。
本技术规程旨在提供混凝土桥梁伸缩缝的设计和施工技术规范,以确保桥梁的安全性、稳定性和耐久性。
二、伸缩缝的分类1. 按材料分类(1)橡胶伸缩缝:由橡胶材料制成,具有较好的耐久性和伸缩性能,适用于小型桥梁。
(2)金属伸缩缝:由金属材料制成,具有较强的承载能力和稳定性,适用于大型桥梁。
2. 按结构分类(1)单向伸缩缝:只能在一定方向上伸缩。
(2)双向伸缩缝:可以在两个方向上伸缩。
三、伸缩缝的设计1. 伸缩缝的位置(1)在桥梁的两端设置伸缩缝,并在桥梁支座处设置固定点,以确保伸缩缝的正常伸缩。
(2)对于大型桥梁,应考虑在中央设置伸缩缝,以避免桥梁因温度变化而发生变形。
2. 伸缩缝的尺寸(1)伸缩缝的长度应考虑桥梁的温度变化范围和伸缩能力,一般应为桥梁长度的1/20至1/30。
(2)伸缩缝的宽度应考虑桥梁的承载能力和伸缩能力,一般应为桥梁宽度的1/12至1/8。
3. 伸缩缝的材料(1)橡胶伸缩缝应使用硬度为70至80的橡胶材料,具有较好的耐久性和伸缩能力。
(2)金属伸缩缝应使用优质钢材和铜材,具有较强的承载能力和稳定性。
四、伸缩缝的施工1. 基础处理(1)在桥梁两端和支座处设置伸缩缝的固定点,应先进行基础处理,确保固定点的牢固和稳定。
(2)在固定点的基础上进行伸缩缝的安装,确保伸缩缝的位置和尺寸符合设计要求。
2. 材料安装(1)橡胶伸缩缝的安装,应先将橡胶材料切割成符合尺寸要求的形状,再通过粘合剂和螺栓将其固定在桥梁上。
(2)金属伸缩缝的安装,应先将金属材料切割成符合尺寸要求的形状,并通过焊接或螺栓将其固定在桥梁上。
3. 后续处理(1)安装完成后,应进行伸缩缝的密封处理,以防止水和杂物进入伸缩缝内,影响其伸缩性能。
(2)在伸缩缝两侧应设置防撞板,以避免车辆因碰撞伸缩缝而造成安全事故。
桥梁伸缩缝施工技术程序
桥梁伸缩缝施工技术程序一、清缝工序:切缝要到位不得有夹层槽中、梁端间隙内的碎石、沥青清理干净槽内凿毛紧贴地面的预埋筋应扳起来。
清缝后发现预埋筋缺损的需值筋。
二、值筋工艺:定位→钻孔→吹孔→注胶→植筋→养生
1、定位:在清好缝后在需要植筋位置上定好位。
2、钻孔:用冲击钻钻孔钻头至少Ø20以上钻入深度
16cm如果钻头遇到预埋件钻不入换个位置再钻并要用稀水泥将废孔堵了。
3、吹孔:用空压机或吹风机吹掉孔中的浮尘。
4、注胶:注入专用植筋胶植入钢筋后适量外溢为正好。
5、植筋:将Ø16钢筋旋转植入长度15cm钢筋外表除锈。
6、养生:植筋后24小时之内严禁任何扰动。
三、安装焊接:连接“U”型筋和锚环、预埋筋焊缝搭接长度大于8cm焊缝要饱满,型钢表面低于桥面0~2mm 四、主线上伸缩缝型钢对接焊接方案(双缝): 1、打坡口、双面焊(可行时)、焊缝磨平 2、用钢板绑焊 3、对接位
置尽量避免在车轮直接冲击位置 4、多根异型钢对接位置应错开五、混凝土浇筑:槽内用空压机或水枪冲洗干净;砼震捣要密实;三次以上抹面保证砼面平整度(0~2mm)防止微形裂纹;每罐车现场做两组试件(150_150_150)以备抽检;七天保湿养生每天至少洒水两次。
六、严格报验程序:清缝工序、安装焊接工序、灌注混凝土工序这三大工序每道工序完成后必须得到现场监理的确认方可以进行下道工序的施工。
对于伸缩缝型钢对接的焊接方案(双缝)也要得到现场监理认可后方可施工。
一、工程概况桥面伸缩缝是桥梁工程的重要组成部分,其主要作用是满足桥面在温度变化、荷载作用等条件下产生的伸缩变形,保证桥梁结构的稳定性和行车舒适性。
本方案针对桥面伸缩缝的安装施工进行详细规划。
二、施工准备1. 施工材料:伸缩缝材料、混凝土、钢筋、模板、防水密封胶、泡沫板、纤维板等。
2. 施工工具:切割机、振动棒、直尺、扳手、撬杠、砂轮等。
3. 施工人员:技术人员、施工人员、监理人员等。
4. 施工现场:施工现场应平整、宽敞,具备排水条件。
三、施工步骤1. 安装准备(1)检查梁端间的缝隙及预埋件情况,清理梁端、顶面,确保梁端平整。
(2)修整梁端不平齐处,设置两端模板。
(3)用水冲洗梁体顶面,确保干净。
2. 立两端模板、样板(1)两端模板中间用硬质泡沫塑料板挤紧,顶部与安置橡胶板的设计底面高程平行。
(2)检查是否有漏浆缝隙,及时进行处理和垫补。
(3)按算定的安装定位值制作样板,钻孔并固定M18锚固螺栓。
(4)螺栓之间的位置偏差应小于1mm,不得有累积偏差。
(5)样板面高程应与桥面设计标高一致,焊接好加强角钢等结构件。
3. 浇筑混凝土(1)浇筑伸缩装置底部的混凝土。
(2)同时浇筑两侧500mm范围内的混凝土过渡段,混凝土强度等级不应低于C40。
(3)浇筑时需振捣密实,防止结构中产生空洞和夹灰现象。
4. 拆除样板及两端模板(1)混凝土初凝后,将样板取出。
(2)将两端模板中间的硬质泡沫塑料板凿除。
(3)用强度等级较高的砂浆找平,安装橡胶板部位。
5. 安装橡胶板(1)混凝土干燥后,在安装平面涂布防水密封胶。
(2)按定位值将橡胶板进行预压缩。
6. 伸缩缝胶条安装(1)清理伸缩缝间隙,确保无杂物。
(2)将橡胶密封带伸展开,平顺到型钢缝隙中。
(3)利用撬杠拨动橡胶密封带顶部,使之嵌入型钢的凹槽中。
(4)必要时涂抹少许肥皂水,以便嵌入。
四、质量控制1. 伸缩缝材料应符合国家标准,规格满足设计图纸要求。
2. 伸缩缝安装过程中,确保缝隙内无混凝土灌入,不影响梁体的水平位移。
市政道路桥梁工程伸缩缝施工技术发布时间:2023-03-22T06:05:29.129Z 来源:《建筑设计管理》2023年1期作者:汪建耀[导读] 在外力及天气的作用下,如行车碾压、热胀冷缩等,道路会逐渐出现裂缝等等问题汪建耀宁波国际投资咨询有限公司 315040摘要:在外力及天气的作用下,如行车碾压、热胀冷缩等,道路会逐渐出现裂缝等等问题。
而市政道路桥梁中的伸缩缝,在道路建设的过程中,在固定区域预留出缝隙,以此来应对道路在使用中所受到的影响。
伸缩缝目前是市政道路施工中最为常见的技术,所以道桥建设人员对伸缩缝施工技术要有全面的认识。
关键词:市政道路桥梁;伸缩缝;施工技术1.市政道路桥梁工程伸缩缝的重要性市政道路桥梁工程由于肩负保障城市有序性的责任,因此在我国的城乡建设及经济发展中具有较为重要的意义,同时,桥梁工程与人民生命财产安全息息相关,所以在建设过程中应当将市政道路桥梁工程的质量放在首位,在施工过程中严格遵守施工规范及设计文件要求,遵循质量第一的原则,保质保量地完成建设任务,满足人民的交通需求。
在建设过程中,由于桥梁所处区域往往自然环境较为复杂,桥梁上部结构容易因为涨缩现象出现位移情况,因此在实际的施工过程中需要采用伸缩缝措施避免涨缩位移而导致桥梁稳定性受到影响。
由于关系到经济民生及地区交通稳定性,市政道路工程对于社会具有较为重要的意义,而桥梁工程是市政道路工程中较为重要的一项内容,同时也是市政道路施工的重点环节。
在市政道路桥梁施工过程中,伸缩缝作为桥梁结构的关键施工节点,与市政道路桥梁工程的质量以及人民生命财产安全息息相关。
如果伸缩缝问题没有得到妥善的处理,那么工程的整体质量则很难达到既定要求,因此在市政道路桥梁的施工过程中,应当对伸缩缝施工的质量予以高度的重视[1]。
2.伸缩缝类型2.1钢板式伸缩缝以钢材作为跨缝材料的伸缩缝,被称作为钢板式伸缩缝,该伸缩缝在市政道路建设中的应用较为常见,广泛应用在钢桥、混凝土桥梁建设中。
桥梁伸缩缝专项施工方案一、前言桥梁伸缩缝是连接桥面两侧结构的重要部分,能够在受到外部力的作用下发生伸缩以减小桥梁结构的受力,保护桥梁结构的安全稳定。
因此,桥梁伸缩缝的施工方案至关重要,不仅需要严谨的设计方案,还需要精细的施工操作。
二、施工准备1.确定桥梁伸缩缝施工的具体位置和尺寸,制定详细的施工计划。
2.安排专业的施工人员,确保具有相关的技术资质和经验。
3.准备必要的施工设备和工具,包括起重机、焊接机、切割机等。
4.检查施工材料的质量和数量,确保施工过程中不会出现短缺情况。
三、施工流程1.测量定位:根据设计要求,在桥面两侧确定伸缩缝的位置,并进行精确的测量定位。
2.开裂处理:根据需要,对桥梁伸缩缝周围的混凝土进行切割处理,确保伸缩缝的畅通。
3.安装支座:在伸缩缝的两侧安装支座,支撑桥梁的伸缩运动。
4.安装伸缩装置:根据设计要求,安装伸缩装置,确保桥梁伸缩缝能够正常运行。
5.密封处理:对伸缩缝进行密封处理,确保桥梁结构的密封性。
6.检验验收:完成施工后,对桥梁伸缩缝的安装情况进行检验验收,确保施工质量符合要求。
四、施工注意事项1.施工中需严格按照设计要求和施工方案进行操作,确保施工质量。
2.操作过程中要注意安全,保障施工人员的人身安全。
3.施工结束后要对施工现场进行清理工作,确保施工现场整洁。
五、总结桥梁伸缩缝的施工是保障桥梁安全稳定的重要环节,良好的施工方案和严格的施工流程是确保施工质量的关键。
只有在施工前做好充分的准备工作,严格执行施工方案,才能确保桥梁伸缩缝的安全可靠。
希望本文提供的施工方案能够对桥梁伸缩缝的实际施工工作有所帮助。
贵州高速公路桥梁伸缩缝养护施工技术指南(试行版)贵州高速公路集团有限公司营运管理中心二零一三年四月目录1总则.............................................................................. - 1 -2 检测............................................................................. - 2 -3 材料............................................................................. - 3 -3.1 一般规定................................................................... - 3 -3.2 水泥....................................................................... - 3 -3.3 集料....................................................................... - 4 -3.4 水......................................................................... - 6 -3.5 外加剂..................................................................... - 6 -3.6 纤维....................................................................... - 7 -3.7 配合比设计................................................................. - 7 -4 施工工艺........................................................................ - 10 -4.1 施工前期准备工作.......................................................... - 10 -4.2 开槽..................................................................... - 10 -4.3 伸缩缝的进场与存放情况.................................................... - 10 -4.4 植筋...................................................................... - 11 -4.5 钢筋连接.................................................................. - 14 -4.6 型钢安装.................................................................. - 16 -4.7 桥梁伸缩缝用混凝土制备.................................................... - 17 -4.8 混凝土养生与交通管制情况.................................................. - 19 -4.9 注意事项.................................................................. - 19 -5 验收标准........................................................................ - 21 -5.1 基本要求.................................................................. - 21 -5.2 实测项目.................................................................. - 21 -5.3 外观鉴定.................................................................. - 21 -5.4 质保期.................................................................... - 21 -附图.............................................................................. - 22 -1总则1.1 为确保我中心管养的高速公路桥梁伸缩缝施工质量控制与管理,做到有章可循,特编制《贵州省高速公路桥梁伸缩缝养护施工技术指南》(以下简称《指南》)。
《公路桥梁伸缩缝快速修复施工技术指南》下载温馨提示:该文档是我店铺精心编制而成,希望大家下载以后,能够帮助大家解决实际的问题。
文档下载后可定制随意修改,请根据实际需要进行相应的调整和使用,谢谢!并且,本店铺为大家提供各种各样类型的实用资料,如教育随笔、日记赏析、句子摘抄、古诗大全、经典美文、话题作文、工作总结、词语解析、文案摘录、其他资料等等,如想了解不同资料格式和写法,敬请关注!Download tips: This document is carefully compiled by theeditor.I hope that after you download them,they can help yousolve practical problems. The document can be customized andmodified after downloading,please adjust and use it according toactual needs, thank you!In addition, our shop provides you with various types ofpractical materials,such as educational essays, diaryappreciation,sentence excerpts,ancient poems,classic articles,topic composition,work summary,word parsing,copy excerpts,other materials and so on,want to know different data formats andwriting methods,please pay attention!公路桥梁伸缩缝快速修复施工技术指南一、引言公路桥梁的伸缩缝是保证桥梁在温度变化、车辆荷载等因素下安全运行的关键部分。
桥梁伸缩施工方案一、运输伸缩装置工厂组装好,设置紧固夹具,以防运输装卸中变形。
运输中注意:避免阳光暴晒,进行有效防护,防止雨淋雪浸,保持清洁,防止变形,且不能接触其他腐蚀性物质。
二、安装时间在夹具固定后,现场安装应保证在生产同温差环境下进行,根据不同季节气温情况,选择一天当中气温合适的时间施工。
三、安装原则为确保伸缩装置与桥的平顺性、一致性,工艺上采用后嵌法施工(俗称反开槽)。
四、伸缩缝安装1、安装前的准备安装前对伸缩缝各部位尺寸进行验收,清理缝内杂物,调整预埋钢筋到设计位置,检查伸缩缝中心是否重合并及时调整。
2、定位方法型钢定位平整度以平整桥面为基准,采用水平横梁附加型钢高度样板,先将下平面角钢与插筋焊接。
定位角钢每1m设置一根与梁体插筋点焊,其次用3m靠尺检查每个控制点的位置,确认无误后焊牢,然后安装型钢并保证安装后的型钢低于桥面层0.5mm。
3、型钢安装型钢吊装就位后,将伸缩缝装置上的锚固筋与梁内预埋钢筋焊牢,可先将一侧焊牢,等达到已确定的安装气温时将另一侧锚固筋全部焊牢,并放松卡具,使其自由伸缩。
焊接时为避免集中焊接应力引起型钢变形所采用间断焊。
4、浇筑过渡段前的准备工作浇筑前用泡沫板嵌入梁端间隙内,上部应与伸缩缝型钢内侧密合使之达到密封无缝隙,防止在浇筑砼时出现漏浆,流入梁端间隙内,影响正常伸缩位移。
浇筑前用胶粘纸或泡沫板封闭伸缩缝顶面缝口,防止浇筑砼时流入水泥浆影响密封橡胶带的安装。
清除原砼面层灰尘及浮块并浇水充分湿润接缝砼。
5、过渡段砼施工砼浇筑时为防止污染桥面,在伸缩缝区域两侧桥面采用贴胶粘纸保护桥面的清洁。
浇筑砼时应连续进行,间歇时间不得超过30分钟,采用插入式振捣器,振捣时严禁碰撞缝区泡沫板,必须保证砼质量振捣密实,多次收浆,表面压光。
砼的平整度用3m长铝合金刮尺以两侧桥面标高为基准进行控制。
砼养护采用麻袋片覆盖洒水养护,养护期不得少于14天,达到砼强度后方可通车。
五、泄水管安装1、必须在浇筑混凝土及桥面铺装时避免泄水管堵塞。
桥梁伸缩缝施工作业指导书一、编制依据1、《公路桥梁伸缩装置》JT/T327—20042、《公路桥涵施工技术规范》JTJ041—2000二、一般规定1、伸缩缝装置的规格、性能应符合设计要求,并应符合现行规范《公路桥梁伸缩装置》(JT/T327-2004)《公路桥涵施工技术规范》(JTJ041—2000)要求。
2、橡胶、钢材、钢筋等应符合设计文件和技术规范的要求。
其中橡胶不得使用再生胶或粉碎的硫化橡胶;异型钢不低于Q345C 钢材,每段伸缩缝装置不允许使用焊接成型异型钢材。
3、伸缩装置运至现场必须出具同批产品出具产品合格证,查看生产厂家经营许可证、生产许可证和产品合格证并应备档。
4、伸缩装置应在出厂前进行试组装,异型钢、密封条、锚筋、钢板由厂家成套提供.5、伸缩缝预留槽采用C50钢纤维水泥混凝土,施工中应严格控制坍落度。
6、具体试验项目和尺寸偏差等要求执行《公路桥梁伸缩装置》(T/T327—2004 )行业标准。
三、材料要求1、除图纸或监理人另有规定外,桥梁伸缩装置的材料应符合《公路水泥混凝土路面施工技术规范》(JTG F30-2003)中第3。
9节及《公路桥梁伸缩装置》(JT—T 327—2004)的要求。
2、钢材a.伸缩装置的钢材,其质量应符合图纸及《公路桥梁伸缩装置》(JT/T 327_2004)第5.3.1条的要求,并应符合《碳素结构钢》(GB/T 700_2006)或《优质碳素结构钢》(GB /T699—1999)或《低合金高强度结构钢》(GB/T 1591—1994)的规定。
b.伸缩装置中使用的钢板、圆钢、方钢、角钢等应符合《碳素结构钢和低合金结构钢热轧薄钢板和钢带》(GB 912—2008)、《碳素结构钢和低合金结构钢热轧厚钢板和钢带》(GB/T 3274_2007)、《热轧圆钢和方钢尺寸、外形、重量及允许偏差》(GB/T 702-2004)的规定。
c.伸缩装置使用的异型钢材应符合《公路桥梁伸缩装置》(JT/T327-2004)中表2的要求及相关规定,且不允许使用焊接成型异型钢材。
桥梁伸缩缝施工技术交底手册在桥梁的建设与维护中,伸缩缝是一个重要的部分。
伸缩缝的作用是允许桥梁受到外部振动和温度变化时发生一定的位移,从而保护桥梁结构的完整性。
在伸缩缝的施工过程中,需要掌握一定的技术,并且要确保施工质量和安全性。
本文将就桥梁伸缩缝施工技术进行全面的交底。
第一部分:背景介绍桥梁伸缩缝是连接不同桥墩,桥梁等结构的关键部位。
它能够承受来自桥梁自身和外部环境的振动和变形,避免桥梁结构的破坏。
伸缩缝的施工技术是确保桥梁使用寿命和安全性的重要环节。
本文将详细介绍桥梁伸缩缝施工过程中的关键技术和注意事项。
第二部分:材料准备在伸缩缝的施工中,选择合适的材料是至关重要的。
首先要选择适合于桥梁类型和环境的伸缩缝材料,比如橡胶、金属、聚合物等。
同时,在施工前要对材料进行必要的检测和质量验证,确保其符合相关标准和要求。
第三部分:施工工艺伸缩缝的施工过程分为几个关键步骤。
首先是清理和预处理伸缩缝的位置,确保施工区域干净、平整。
接下来是进行伸缩缝的尺寸和形状的测量和设计,以确保伸缩缝的各项参数符合设计要求。
第四部分:施工设备和工具伸缩缝施工是一个精密的过程,需要合适的设备和工具来完成。
例如,需要用到切割机、焊接机等设备来处理伸缩缝的材料和连接件。
此外,还需要使用测量工具来确保伸缩缝的尺寸和位置的准确性。
第五部分:施工安全在伸缩缝施工过程中,安全始终是首要考虑因素。
施工人员必须具备相关证书和技能,并且要严格按照相关规定和操作规程进行操作。
此外,还需要进行必要的防护措施,确保施工过程中不会对施工人员和周围环境造成任何伤害。
第六部分:施工质量检查完成伸缩缝的施工后,需要进行质量检查,以确保施工质量符合设计要求和标准。
这包括对伸缩缝的尺寸、形状、连接件的牢固性和材料的质量等方面进行检查。
如果发现任何问题,都需要及时进行整改和修复。
第七部分:施工验收当伸缩缝的施工全部完成后,需要进行施工验收。
施工验收包括对伸缩缝的功能和性能进行测试,以确保其能够正常工作并满足预期要求。
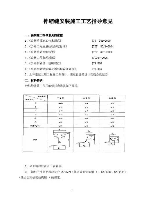
伸缩缝安装施工工艺指导意见一、编制施工指导意见的依据1、《公路桥梁施工技术规范》J T J041-20002、《公路工程质量检验评定标准》J T G F80/1-20043、《公路桥梁伸缩装置》J T/T327-20044、《公路工程监理规范》J T G10—20065、《公路桥涵设计通用规范》J T G D606、《公路桥涵钢结构及木结构设计规范》J T J0257、北环东延二期工程施工图设计、变更设计及设计交底会议纪要二、材料要求伸缩缝装置中使用的钢材应满足如下要求:1、异形钢材应符合下表要求:2、钢材的性能要求应符合GB/T699(优质碳素结构钢)、GB/T700、GB/T1591(低合金高强度结构钢)的规定。
3、对异型钢材强度,当温度在-25°C~60°C时,应不低于Q345C钢材(低合金锰钢)强度,当温度在-40°C~60°C时,应不低于Q345D钢材强度。
4、应采用冷纠直次数不超过两次的产品。
5、其余钢材,当温度在-25°C~60°C时,应不低于Q245C钢材(低合金锰钢)强度,当温度在-40°C~60°C时,应不低于Q245D钢材强度。
6、扭曲度不大于1/10007、异型钢材的技术要求、试验方法、检验规则、包装、标志及质量证明应符合GB/T1591(低合金高强度结构钢)的规定8、不允许使用焊接成型异型钢材。
生产整体热轧成型或整体热轧机加工成型异型钢材的工厂应确保异型钢材的整体质量无内部缺陷后方可出厂。
9、异型钢的实际质量与公称质量允许偏差为± 5%。
出厂时应提供该批钢材化学成份分析报告和力学性能检验报告。
10、异型钢材的外形、外观、孔口部位尺寸应满足设计图纸要求。
11、伸缩装置中使用的钢板、圆钢、方钢、角钢等应符合GB/T702、GBT/912、GB/3274的规定。
不锈钢应符合TJ/T4的有关规定。
桥梁伸缩缝的施工引言:桥梁伸缩缝是连接在桥面结构中,用于补偿桥梁结构不均匀变形的装置。
它有着重要的作用,能够保证桥梁的安全运行,并且能够适应温度变化所引起的结构伸缩变形。
本文将介绍桥梁伸缩缝的施工过程,以及施工中需要注意的事项,为相关工程人员提供一些参考。
一、施工准备工作在进行桥梁伸缩缝的施工之前,需要进行一系列的准备工作,包括:1.确定施工方案:根据桥梁的具体情况,确定合理的施工方案,包括伸缩缝的类型、尺寸和材料等。
2.准备材料:根据施工方案,准备伸缩缝所需要的材料,如合适的橡胶板、钢板等。
3.检查现场环境:施工前需要对桥梁的现场环境进行检查,确保施工安全,同时清理现场,确保施工的顺利进行。
二、施工步骤1.拆除旧伸缩缝:首先需要拆除旧伸缩缝,采用合适的工具和施工方法进行拆除,并清理出伸缩缝的安装位置。
2.安装钢板:在伸缩缝的安装位置上,安装预制的钢板,确保钢板与桥面结构的固定。
3.安装橡胶板:将橡胶板按照设计要求进行裁剪,并放置在钢板上。
保证橡胶板与钢板的紧密连接,并使用密封胶进行固定。
4.连接垫板:在橡胶板的两端,连接垫板,确保垫板与橡胶板的连接牢固,并使用螺栓进行固定。
5.施工完毕检查:在施工完成后,对伸缩缝的安装进行一次全面检查,确保安装质量,并进行必要的调整和修复。
三、施工注意事项1.材料选择:在选择钢板和橡胶板等材料时,需要考虑其耐候性和耐腐蚀性能,以及承受桥梁荷载的能力。
2.施工安全:在施工过程中,工人需要穿戴合适的防护装备,并遵守相关安全规定,确保施工的安全性。
3.施工质量控制:对于伸缩缝的施工质量,需要进行全面的控制和检查,确保其安装牢固、符合设计要求。
4.环境保护:在施工过程中,需要合理排放废弃材料和污水,保护环境,避免对周边环境造成污染。
结论:桥梁伸缩缝的施工是保证桥梁安全和功能完整性的重要工作,施工过程中需要严格控制质量,遵守相关安全规定,并确保环境保护。
通过本文的介绍,相信对于相关工程人员在桥梁伸缩缝施工时能够有所帮助,确保施工的顺利进行。
桥梁接缝和伸缩装置施工方案(施工工艺)一、伸缩缝安装1、基层清理伸缩缝位置的竹胶板和混凝土块等杂物,清理干净后进行检查验收。
铺设竹胶板和彩条布紧靠两侧伸缩缝的预埋钢筋,铺设宽度为20cm的竹胶板,并在紧贴防撞墙的内侧上翻5cm;上面铺设一层宽度为100cm的彩条布,并在防撞墙侧上翻10cm;在铺设彩条布的过程中不要造成彩条布的破损。
浇筑混凝土彩条布铺设完成后,进行浇筑C10混凝土;混凝土的顶部高程与两侧的铺装层高度相一清理沥青面层和混凝土待沥青面层铺装完毕后,伸缩装置在桥面沥青混凝土铺装完成后,采取反开槽的方式进行安装。
把伸缩缝的沥青面层进行切割,清理混凝土等杂物,并具备安装伸缩缝的条件,进行验收。
2、伸缩装置吊装就位前,应将预留槽内混凝土打毛并清扫干净。
吊装时应按照工厂标明的吊点位置起吊,必要时可作适当加强。
3、伸缩装置的安装,应在生产厂商提供的夹具控制下进行。
伸缩装置安装前,应将预留槽内混凝土打毛清扫干净。
伸缩装置的安装,应在伸缩装置制造商提供的夹具控制(将伸缩装置预置)下进行。
伸缩缝定位宽度误差为±2mm,要求误差为同一符号,不允许一条缝不同位置上同时出现正负误差。
吊装时应按照工厂标明的吊点位置起吊,必要时可作适当加强。
4、安装时伸缩缝的中心线要与梁端中心线相重合。
对于分段伸缩装缝,到现场后再对接,对接时将两段伸缩缝上平面按照设计图纸坡度对接,使两段伸缩缝接口处紧密靠拢并校直调正。
用高质量的焊条,逐条焊接,焊接时宜先焊接顶面,再焊侧面,最后焊底面,要分层焊接并及时清除焊渣,焊接结束后用手提砂轮机磨平顶面。
5、安装时,宜采用专用卡具将其固定,根据气温确定适当的缝宽,采用整体吊装就位。
在预留凹槽内划出伸缩装置定位中心线(顺缝向和垂直缝向)和标高,用起重机将伸缩装置吊入预留凹槽内,根据伸缩装置定位中心线顺桥向对称放置于伸缩缝间隙上,使伸缩装置准确就位,伸缩装置的中心线应与桥梁中心线相重合。
桥梁伸缩缝施工作业指导书一、编制依据1、《公路桥涵施工技术规范》(JTG/T F50-2011)2、《**高速公路施工标准化指南》3、**高速公路《两阶段施工图设计》二、根据**高速各标段具体情况和点,结合招文件、施工规范和全线桥梁设计状况及参照其它高速公路的施工经验,制定本项目伸缩缝施工作业指导书,要求如下:1、放样开槽①桥面沥青砼铺装完成后反开槽;②开槽应弹线切割,槽口尺寸符合设计要求;③将槽口清理干净;④开槽弃料要先铺足够面积的防污染材料就近堆放。
⑤弃料集中妥善处理,严禁处理过程中损伤污染沥青路面。
2、锚固钢筋①锚固钢筋位置准确;②伸缩装置要与预埋筋有效焊接,禁止采用点焊;③保证预埋钢筋直立,必要时采用植筋焊接。
④梁体预理筋缺失时要补筋。
3、伸缩装置进场验收、安装(1)进场验收①伸缩装置必须是甲控指定厂家,分类与设计相符。
②检查外观是否有裂纹,涂漆是否脱落。
③设定伸缩量卡条是否脱落、变形。
(2)安装①根据当时气温确定安装的定位值;②伸缩装置就位焊接固定(装置顶面与桥面略低1-2毫米为宜);③伸缩装置的中心线应与桥梁中心线重合,顶面高程应与设计高程吻合,探入防撞护栏处成45度角上折20cm。
4、现浇C50钢纤维砼①砼浇筑前应解除锁定,浇筑在接缝伸缩开放状态下进行;②浇筑时应采取措施防止己定位的装置移位;③浇筑过程中应采取措施防止砼进入缝中;④砼表面压光,顶面高程与伸缩装置钢梁顶面及两侧桥面铺装沥青砼顶面平稳过渡。
⑤气温偏低时施工做好防风温保湿措施。
5、养护及开放交通①砼应在刻纹后适量洒水,覆盖两布一膜防水土工布,再苫盖棉被,养生不少于7天,其强度满足设计要求后方可开放交通;②及时安装橡胶密封条;③仲缩缝处的护栏钢板用防锈漆处理后再刷一层与砼护栏颜色基本一致的灰色漆。
三、环保、安全生产注意事项1、施工人员加强安全教育、培训,增强安全防范意识。
2、佩戴必须的劳动防护用品,减少不必要的伤亡事故。
3、桥梁临边设置防护设施,防止高空坠落和物体打击。
桥梁伸缩缝施工技术方案一、技术方案概述桥梁伸缩缝是桥梁结构中的一个非常重要的构造部件,其作用是允许桥梁在不同温度下进行自由伸缩,从而避免由于温度变化而引起的桥梁结构破坏。
因此,伸缩缝的施工质量直接影响到桥梁的使用寿命和安全性。
本技术方案旨在介绍桥梁伸缩缝施工技术方案,包括施工前准备、施工工序和质量控制等方面。
二、施工前准备1.设计和材料准备在开始施工前,需要对伸缩缝的设计进行仔细的审计,并确认材料是否符合设计要求。
伸缩缝的材料包括橡胶板、金属骨架、保护板、密封材料等部件。
所有这些材料的质量必须严格控制,以确保伸缩缝具有良好的伸缩性能和耐久性能。
2.现场勘测和设计调整在施工前,需要对伸缩缝所在的位置进行现场勘测,并调整设计方案。
现场勘测的目的是确认桥梁的承重结构、伸缩缝的位置和尺寸、伸缩缝沿用方案等。
由于实际情况和设计方案可能存在差异,因此需要对设计方案进行调整,以确保施工顺利进行。
3.安全和环保的考虑在施工前,需要对安全和环保进行充分考虑。
需要针对施工现场的实际情况,制定相应的安全防护措施和环保措施。
同时,需要配置相应的施工机械和设备,并对施工现场进行规划和组织,确保施工过程中安全顺畅。
三、施工工序1.金属骨架安装首先,需要安装金属骨架。
安装金属骨架时,需要确保骨架与桥梁承重结构连接牢固,并符合设计要求。
在安装骨架时,需要考虑到伸缩缝的伸缩方向和跨度,以确保骨架具有良好的伸缩性能和耐久性能。
2.密封材料安装安装金属骨架后,需要安装密封材料。
在密封材料的安装过程中,需要对材料进行预处理,包括材料的修剪、拼接、调整等。
在安装密封材料时,需要特别注意要摆正位置,避免材料错位和移位导致伸缩缝的失效。
3.保护板安装安装密封材料后,需要安装保护板。
保护板的作用是保护伸缩缝的密封材料,防止外界的物质侵入。
在安装保护板时,需要确定板材的尺寸和材质,并将板材与密封材料紧密连接,以确保伸缩缝的密封性和耐久性。
4.橡胶板安装最后,需要安装橡胶板。
混凝土桥梁伸缩缝施工技术规程一、前言混凝土桥梁伸缩缝是桥梁结构中至关重要的部分,它的作用是在桥梁的自然伸缩过程中保证桥梁的结构完整性和安全性。
因此,混凝土桥梁伸缩缝的施工质量直接关系到桥梁的使用寿命和安全性能。
本文旨在详细介绍混凝土桥梁伸缩缝施工技术规程,以提高工程师和技术人员的施工水平。
二、材料准备1. 混凝土:应符合国家和地方相关标准,强度等级不得低于C30。
2. 钢筋:应符合国家和地方相关标准,型号、直径、长度等应符合设计要求。
3. 钢板:应符合国家和地方相关标准,厚度应符合设计要求。
4. 密封材料:应符合国家和地方相关标准,材料种类应根据桥梁伸缩缝的不同要求进行选择。
三、施工准备1. 施工前应对桥梁进行详细检查,确保桥梁结构完好,没有损坏和缺陷。
2. 按照设计要求制定施工方案,确认施工工艺和施工流程。
3. 设计施工现场,做好防护措施,确保施工安全。
4. 按照设备和材料清单进行采购和检验,确保材料的质量和数量符合要求。
四、施工流程1. 钢筋加工:按照设计要求将钢筋进行加工和焊接,制成伸缩缝的骨架。
2. 预埋件安装:按照设计要求在桥梁伸缩缝的位置进行预埋件的安装。
3. 模板制作:根据伸缩缝的形状和尺寸进行模板制作,确保伸缩缝的几何尺寸和位置的精度。
4. 混凝土浇筑:将混凝土按照设计要求进行浇筑,注意混凝土的均匀性和密实性,同时要保持混凝土的表面光洁度。
5. 钢板安装:在混凝土浇筑完成后,按照设计要求将钢板安装到伸缩缝的位置,注意钢板的平整度和位置的精度。
6. 密封材料安装:在钢板安装完成后,按照设计要求将密封材料安装到伸缩缝的位置,注意材料的密实度和位置的精度。
7. 伸缩缝测试:在伸缩缝安装完成后,进行伸缩缝的测试,检查伸缩缝的伸缩性能和密封性能是否符合设计要求。
8. 竣工验收:在伸缩缝测试合格后,进行竣工验收,确保伸缩缝的施工质量符合设计要求。
五、施工注意事项1. 混凝土的浇筑要均匀,不得有空洞和松散部分,确保混凝土的密实性和强度。
延志吴高速公路建设管理处
桥梁伸缩缝施工作业指导书
一、编制依据
1、《公路桥梁伸缩装置》 JT/T327 — 2004
2、《公路桥涵施工技术规范》 JTJ041 — 2000
二、一般规定
1、伸缩缝装置的规格、性能应符合设计要求,并应符合现行规范《公路桥梁伸缩装置》( JT/T327 —2004 )《公路桥涵施工技术规范》( JTJ041 — 2000 )要求。
2、橡胶、钢材、钢筋等应符合设计文件和技术规范的要求。
其中橡胶不得使用再生胶或粉碎的硫化橡胶;异型钢不低于 Q345C 钢材,每段伸缩缝装置不允许使用焊接成型异型钢材。
3、伸缩装置运至现场必须出具同批产品出具产品合格证,查看生产厂家经营许可证、生产许可证和产品合格证并应备档。
4、伸缩装置应在出厂前进行试组装,异型钢、密封条、锚筋、钢板由厂家成套提供。
5、伸缩缝预留槽采用 C50 钢纤维水泥混凝土,施工中应严格控制坍落度。
6、具体试验项目和尺寸偏差等要求执行《公路桥梁伸缩装置》( T/T327 — 2004 )行业标准。
三、材料要求
1、除图纸或监理人另有规定外,桥梁伸缩装置的材料应符合《公路水泥混凝土路面施工技术规范》 (JTG F30-2003) 中第3.9节及《公路桥梁伸缩装置》 (JT-T 327 — 2004) 的要求。
2、钢材
a .伸缩装置的钢材,其质量应符合图纸及《公路桥梁伸缩装置》 (JT /T 327_2004) 第5.3.1条的要求,并应符合《碳素结构钢》 (GB/T 700_2006) 或《优质碳素结构钢》 (GB / T699 —1999) 或《低合金高强度结构钢》 (GB/T 1591 — 1994) 的规定。
b .伸缩装置中使用的钢板、圆钢、方钢、角钢等应符合
《碳素结构钢和低合金结构钢热轧薄钢板和钢带》 (GB 912-2008) 、《碳素结构钢和低合金结构钢热轧厚钢板和钢带》(GB / T 3274_2007)、《热轧圆钢和方钢尺寸、外形、重量及允许偏差》 (GB /T 702 —2004) 的规定。
c.伸缩装置使用的异型钢材应符合《公路桥梁伸缩装置》 (JT/T327 —2004) 中表 2的要求及相关规定,且不允许使用焊接成型异型钢材。
3、钢筋:符合规范规定。
4、橡胶封条及橡胶伸缩装置
a .橡胶止水片及伸缩装置可模制或挤压成型,其横截面应均匀,不应有孔隙或其他缺陷,符合图纸所示的型号及标称尺寸。
经监理人认可,可以采用等效的标准产品。
b .橡胶伸缩装置、模数式伸缩装置中使用的密封带的橡
胶的物理机械性能应满足表1的要求。
不允许使用再生胶或粉碎的硫化橡胶。
表1 密封带的橡胶材料性能要求
c .模数式伸缩装置使用的橡胶压紧支座、承压支座的橡
胶的物理机械性能应满足表 2的要求。
d.模数式伸缩装置使用的聚氨酯位移控制弹簧,其技术性能应满足表3的要求。
e .伸缩装置中使用的粘结剂、聚四氟乙烯板材、硅脂等材
料应符合《公路桥梁板式橡胶支座》(JT /T 4-2004)的规定表2模数式伸缩装置的橡胶压紧支座、承压支座的橡胶机械性能
注:氯丁胶、天然胶的其他性能应满足JT/T 4-2004的要求。
聚氨酯位移控制弹簧的技术性能表3
5、检验证书
(1) 承包人应提供制造厂家用于制造接缝或伸缩装置的材料及制造规范和有关成品的检验说明。
(2) 监理人可以要求进行他认为必需的任何试验,以验证各种材料是否符合本规范。
6、所有试验都应在监理人预先批准的专门试验室内进行,试验费用由承包人负担。
四、施工要求
1、一般要求
( 1 )桥梁伸缩装置类型,应按照图纸所示。
承包人如要改变类型,须制定各项安装参数,报监理人书面批准。
( 2 )所有产品在任何时候都应严格按照生产厂家推荐的方法装卸、放置、装配和安装。
( 3 )伸缩装置安装前,应按照现场的实际气温调整其定位值。
安装固定后,两侧过渡段的混凝土宜在接缝伸缩开放状态下进行浇筑,浇筑时应采取措施防止已定位固定的构件移位,并应在浇筑后及时养护,养护时间应不少于 7d 。
(4)当接缝处的温度低于 10 C时不应浇筑热浇封缝料。
( 5 )沥青混凝土铺装,应在伸缩装置安装前完成,且不为伸缩装置预留位置,而在安装伸缩装置前,切割先前铺设的沥青混凝土铺装所占的伸缩装置的位置。
( 6)伸缩装置的牌号、型号应符合图纸规定。
安装伸缩装置时,上
部构造端部间的空隙宽度及伸缩装置的安装预定宽
度,均应与安装温度相适应,并应遵照图纸规定。
伸缩装置的安装,应在伸缩装置制造商提供的夹具控制(将伸缩装置预置)下进行。
当伸缩装置的安装温度不同于图纸规定时,各项安装参数应予调整。
( 7 )伸缩装置的安装须满足制造商的有关要求。
伸缩装置下面或背面的混凝土应密实,不留气泡,预埋件位置应准确。
安装完成后的伸缩装置应与桥面铺装接合平整。
2、施工前准备
( 1 )熟悉施工图纸和安装操作规程,认真做好技术交底和安全交底工作。
检查、验收伸缩缝异型钢的平整度、顺直度和缝宽;
( 2 )施工单位应根据自身施工进度计划,在合理时间内把伸缩装置构造图(包括型号、长度、桥梁斜交角度等)、安装时的预测温度等相关资料及时提供给生产厂家;
(3)配备配齐防止路面、桥面污染和养护等材料。
3、伸缩装置运输
( 1 )伸缩装置按设计要求全部组装好后,由生产厂家运至施工现场。
如其长度超过运输允许限度或由于其它原因不能整体运输时,可以采用分段制作分段运输的方法,必须注意接头位置应错开布置,设置在应力较小处,错开距离不应小于 80mm ,并应采用厚度大于 20mm 的钢板加强,行车道位置不应设置接缝。
( 2 )产品在运输过程中,应避免阳光直接暴晒、雨淋,。