全套工程验收资料(酒店装饰装修工程完整填写范例版)
- 格式:doc
- 大小:2.71 MB
- 文档页数:229
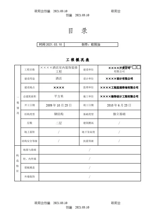
目录目录 (1)工程概况表 (8)施工现场管理检查记录 (9)装修部分 (10)砖砌体报验申请表 (11)砖砌体工程检验批质量验收记录表 (12)一般抹灰报验申请表 (13)一般抹灰工程检验批质量验收记录表 (14)防锈漆喷涂报验申请表 (15)防锈涂料涂装工程检验批质量验收记录表 (16)钢结构桁架制作(安装)焊接报验申请表 (17)钢结构制作(安装)焊接工程检验批质量验收记录表 (18)钢结构桁架零件、部件加工报验申请表 (19)钢结构零、部件加工工程检验批质量验收记录表 (20)骨架隔墙报验申请表 (21)隐蔽工程验收记录表 (22)骨架隔墙工程检验批质量验收记录表 (23)暗龙骨吊顶报验申请表 (24)隐蔽工程验收记录表 (25)暗龙骨吊顶工程检验批质量验收记录表 (26)地面找平层报验申请表 (27)找平层检验批质量验收记录表 (28)防火涂料涂装工程报验申请表 (29)隐蔽工程验收记录 (30)防火涂料涂装工程检验批质量验收记录表 (31)防腐涂料涂装工程报验申请表 (32)隐蔽工程验收记录 (33)防腐涂料涂装工程检验批质量验收记录表 (34)门窗套制作与安装报验申请表 (35)门窗套制作与安装工程检验批质量验收记录表 (36)窗帘盒和窗台板制作与安装报验申请表 (37)窗帘盒、窗台板和散热器罩制作与安装工程 (38)涂料防水层报验申请表 (39)防水工程试水检查记录 (40)隐蔽工程验收记录 (41)涂料防水层检验批质量验收记录表 (42)卷材防水层报验申请表 (43)防水工程试水检查记录 (44)隐蔽工程验收记录 (45)卷材防水层检验批质量验收记录表 (46)大理石和花岗石面层报验申请表 (47)大理石和花岗石面层检验批质量验收记录表 (48)马赛克面层报验申请表 (49)马赛克面层检验批质量验收记录表 (50)基层清理报验申请表 (51)隐蔽工程检查验收表 (52)饰面板安装报验申请表 (53)隐蔽工程验收记录 (54)饰面板安装工程检验批质量验收记录表 (55)装饰抹灰工程报验申请表 (56)装饰抹灰工程检验批质量验收记录表 (57)木门窗制作报验申请表 (58)木门窗制作工程检验批质量验收记录表 (59)木门窗安装报验申请表 (60)隐蔽工程验收记录 (61)木门窗安装工程检验批质量验收记录表 (62)门窗玻璃安装报验申请表 (63)门窗玻璃安装工程检验批质量验收记录表 (64)溶剂型涂料涂饰报验申请表 (65)溶剂型涂料涂饰工程检验批质量验收记录表 (66)美术涂料涂饰报验申请表 (67)美术涂料涂饰工程检验批质量验收记录表 (68)水性涂料涂饰报验申请表 (69)水性涂料涂饰工程检验批质量验收记录表 (70)裱糊工程报验申请表 (71)裱糊工程检验批质量验收记录表 (72)地毯面层报验申请表 (73)隐蔽工程验收记录 (74)地毯面层检验批质量验收记录表 (75)楼梯、护栏和扶手制作与安装工程报验申请表 (76)楼梯、护栏和扶手制作与安装工程 (77)橱柜制作与安装工程报验申请表 (78)橱柜制作与安装工程检验批质量验收记录表 (79)给排水及卫生器具安装部分 (80)室内给水管道及配件安装报验申请表 (81)室内给水管道及配件安装工程检验批质量验收记录表 (82)室内排水管道及配件安装报验申请表 (83)室内排水管道及配件安装工程检验批质量验收记录表 (84)室内热水管道及配件安装报验申请表 (85)室内热水管道及配件安装工程检验批质量验收记录表 (86)卫生器具及给水配件安装报验申请表 (87)卫生器具及给水配件安装工程检验批质量验收记录表 (88)卫生器具排水管道安装报验申请表 (89)卫生器具排水管道安装工程检验批质量验收记录表 (90)卫生器具灌(满)水及通水试验报验申请表 (91)卫生器具灌(满)水及通水试验记录表 (92)电气部分 (93)电线导管和线槽敷设报验申请表 (94)隐蔽工程验收记录 (95)电线导管、电缆导管和线槽敷设检验批质量 (96)电线导管和线槽敷设报验申请表 (97)隐蔽工程验收记录 (98)电线导管、电缆导管和线槽敷设检验批质量 (99)电线穿管和线槽敷设报验申请表 (100)隐蔽工程验收记录 (101)电线、电缆穿管和线槽敷线检验批质量验收记录表 (102)电缆头制作、接线和线路绝缘测试设报验申请表 (103)电缆头制作、接线和线路绝缘测试检验批质量 (104)建筑物等电位联结报验申请表 (105)建筑物等电位联结检验批质量验收记录表 (106)普通灯具安装报验申请表 (107)普通灯具安装检验批质量验收记录表 (108)开关、插座安装报验申请表 (109)开关、插座、风扇安装检验批质量验收记录表 (110)建筑物景观照明灯安装报验申请表 (111)建筑物景观照明灯、航空障碍标志灯和庭院灯安装 (112)建筑物照明通电试运行报验申请表 (113)建筑物照明通电试运行检验批质量验收记录表 (114)接地电阻测试报验申请表 (115)接地电阻测试记录表 (116)低压电器设备、线路绝缘电阻测试报验申请表 (117)低压电器设备、线路绝缘电阻测试记录表 (118)低压电气装置试电检查报验申请表 (119)低压电气装置试电检查记录表 (120)主体结构分部(子分部)工程质量验收报验申请表 (121)主体结构工程分部(子分部)工程质量验收记录表 (122)砖砌体分项工程报验申请表 (123)砖砌体分项工程质量验收记录表 (124)一般抹灰分项工程报验申请表 (125)一般抹灰分项工程质量验收记录表 (126)钢桁架分项工程报验申请表 (127)钢桁架分项工程质量验收记录表 (128)建筑装饰装修分部(子分部)工程质量验收报验申请表 (129)建筑装饰装修分部(子分部)工程质量验收记录表(表1) (130)建筑装饰装修分部(子分部)工程质量验收记录表(表2) (131)建筑装饰装修分部(子分部)工程质量验收记录表(表3) (132)骨架隔墙分项工程报验申请表 (133)骨架隔墙分项工程质量验收记录表 (134)暗龙骨吊顶分项工程报验申请表 (135)地面找平层分项工程报验申请表 (137)地面找平层分项工程质量验收记录表 (138)防火涂料涂装分项工程报验申请表 (139)防火涂料涂装分项工程质量验收记录表 (140)防腐涂料涂装分项工程报验申请表 (141)防腐涂料涂料涂装分项工程质量验收记录表 (142)门窗套制作与安装分项工程报验申请表 (143)门窗套制作与安装分项工程质量验收记录表 (144)窗帘盒、窗台板分项工程报验申请表 (145)窗帘盒、窗台板分项工程质量验收记录表 (146)涂料防水层分项工程报验申请表 (147)涂料防水层分项工程质量验收记录表 (148)卷材防水层分项工程报验申请表 (149)卷材防水层分项工程质量验收记录表 (150)大理石花岗石面层分项工程报验申请表 (151)大理石花岗石面层分项工程质量验收记录表 (152)石材马赛克面层分项工程报验申请表 (153)石材马赛克面层分项工程质量验收记录表 (154)基层清理分项工程报验申请表 (155)基层清理分项工程质量验收记录表 (156)饰面板安装分项工程报验申请表 (157)饰面板安装分项工程质量验收记录表 (158)装饰抹灰分项工程报验申请表 (159)装饰抹灰分项工程质量验收记录表 (160)木门窗制作与安装分项工程报验申请表 (161)木门窗制作与安装分项工程质量验收记录表 (162)木门窗玻璃安装分项工程报验申请表 (163)木门窗玻璃安装分项工程质量验收记录表 (164)溶剂型涂料涂饰分项工程报验申请表 (165)溶剂型涂料涂饰分项工程质量验收记录表 (166)美术涂料涂饰分项工程报验申请表 (167)美术涂料涂饰分项工程质量验收记录表 (168)水性涂料涂饰分项工程质量验收记录表 (170)裱糊分项工程报验申请表 (171)裱糊分项工程质量验收记录表 (172)地毯面层分项工程报验申请表 (173)地毯面层分项工程质量验收记录表 (174)楼梯、护栏和扶手分项工程报验申请表 (175)楼梯、护栏和扶手分项工程质量验收记录表 (176)橱柜制安分项工程报验申请表 (177)橱柜制安分项工程质量验收记录表 (178)建筑给水、排水及采暖分部(子分部)工程质量 (179)建筑给水、排水及采暖分部(子分部)工程质量验收记录表 (180)室内给水管道及配件安装分项工程报验申请表 (181)室内给水管道及配件安装分项工程质量验收记录表 (182)室内排水管道及配件安装分项工程报验申请表 (183)室内排水管道及配件安装分项工程质量验收记录表 (184)室内热水管道及配件安装分项工程报验申请表 (185)室内热水管道及配件安装分项工程质量验收记录表 (186)卫生器具及给水配件安装分项工程报验申请表 (187)卫生器具及给水配件安装分项工程质量验收记录表 (188)卫生器具排水管道安装分项工程报验申请表 (189)卫生器具排水管道安装分项工程质量验收记录表 (190)卫生器具灌(满)水及通水试验分项工程报验申请表 (191)卫生器具灌(满)水及通水试验分项工程质量验收记录表 (192)建筑电气分部(子分部)工程质量验收报验申请表 (193)建筑电气分部(子分部)工程质量验收记录表 (194)电线导管、电缆导管和线槽敷设分项工程报验申请表 (195)电线导管、电缆导管和线槽敷设分项工程质量验收记录表 (196)电线穿管和线槽敷设分项工程报验申请表 (197)电线穿管和线槽敷设分项工程质量验收记录表 (198)电缆头制作、接线和线路绝缘测试分项工程报验申请表 (199)电缆头制作、接线和线路绝缘测试分项工程质量验收记录表 (200)建筑等电位联结分项工程报验申请表 (201)建筑物等电位联结分项工程质量验收记录表 (202)普通灯具安装分项工程报验申请表 (203)普通灯具安装分项工程质量验收记录表 (204)开关、插座安装分项工程报验申请表 (205)开关、插座安装分项工程质量验收记录表 (206)建筑物景观灯具、庭院灯安装分项工程报验申请表 (207)建筑物景观灯具、庭院灯安装分项工程质量验收记录表 (208)建筑物照明通电试运行分项工程报验申请表 (209)建筑物照明通电试运行分项工程质量验收记录表 (210)接地电阻、绝缘电阻和装置试电分项工程报验申请表 (211)接地电阻、绝缘电阻和装置试电分项工程质量验收记录表 (212)工程概况表××省建设厅监制施工现场管理检查记录编号:××省建设厅监制装修部分检验批记录表砖砌体报验申请表××省建设厅监制砖砌体工程检验批质量验收记录表一般抹灰报验申请表××省建设厅监制一般抹灰工程检验批质量验收记录表GB50210-2001××省建设厅监制防锈漆喷涂报验申请表××省建设厅监制防锈涂料涂装工程检验批质量验收记录表GB50205-2001××省建设厅监制钢结构桁架制作(安装)焊接报验申请表工程名称:××××酒店室内装饰装修工程饰装修工程编号:××省建设厅监制钢结构制作(安装)焊接工程检验批质量验收记录表GB50205-2001(Ⅰ)钢结构桁架零件、部件加工报验申请表工程名称:××××酒店室内装饰装修工程饰装修工程编号:××省建设厅监制钢结构零、部件加工工程检验批质量验收记录表GB50205-2001(Ⅰ)××省建设厅监制骨架隔墙报验申请表工程名称:××××酒店室内装饰装修工程饰装修工程编号:××省建设厅监制隐蔽工程验收记录表第页共页××省建设厅监制骨架隔墙工程检验批质量验收记录表GB50210-2001××省建设厅监制暗龙骨吊顶报验申请表工程名称:××××酒店室内装饰装修工程饰装修工程编号:××省建设厅监制隐蔽工程验收记录表××省建设厅监制暗龙骨吊顶工程检验批质量验收记录表GB50210-2001××省建设厅监制地面找平层报验申请表工程名称:××××酒店室内装饰装修工程饰装修工程编号:××省建设厅监制找平层检验批质量验收记录表GB50209-2002(Ⅷ)单位(子单位)工程名称××××酒店室内装饰装修工程饰装修工程分部(子分部)工程名称找平层验收部位一二地面施工单位××××装饰设计工程有限公司项目经理分包单位/ 分包项目经理/ 施工执行标准名称及编号建筑地面工程施工质量验收规范(GB 50209—2002)施工质量验收规范的规定施工单位检查评定记录监理(建设)单位验收记录主控项目1 材料质量设计要求材料质量合格找平层所用材料材质,强度等级符合设计要求2 配合比或强度等级设计要求强度合格3 有防水要求套管地漏第4.9.8条符合规范要求一般项目1 找平层与下层结合结合牢固无空鼓符合规范要求一般项目检查符合验收规范,结合牢固,无空鼓;表面质量符合设计要求;且超差点在允许范围内2 找平层表面质量第4.9.10条表面密实,无起砂,蜂窝和裂缝等缺陷3表面平整度、标高用胶粘剂做结层,铺拼花木板、塑料板、复合板、竹地板面层表面平整度2mm /标高±4mm /有沥青玛脂做结合层,铺拼花木板,板块面层及毛地板铺木地板表面平整度3mm /标高±5mm/用水泥砂浆做结合层,铺板块面层,其他种类面层表面平整度5mm 符合规范要求标高±8mm符合规范要求4 坡度2/1000且不大于30mm 符合规范要求5 厚度<1/10 符合规范要求施工单位检查评定结果专业工长(施工员)施工班组长经检查,主控项目、一般项目均符合设计和《建筑地面工程施工质量验收规范》(GB 50209—2002)的规定,评定合格。
优选地面砖及石材面层隐蔽工程查收记录工程名称分项工程名称隐蔽工程项目施工标准名称隐蔽工程部位:施工单位地面砖或石材面层工程专业工长地面砖或石材项目经理装饰装饰工程质量查收规范施工图纸名称及编号监理、物业、建设质量要求施工单位自查记录单位查收记录面层所用的板块的品种、质量一定符合设计要求。
面层与下一层的联合(粘结)应坚固,无空鼓。
面砖或石材面层的表面应干净、图案清楚,色彩一致,接缝平坦,深浅一致,周边顺直。
板块无裂纹、掉角和缺楞等缺点。
面层毗邻处的镶边用料及尺寸应切合设计要求,边角齐整、圆滑。
踢脚线表面应干净、高度一致、联合坚固、出墙厚度一致。
楼梯踏步和台阶板块的空隙宽度应一致、齿角齐整;楼层梯段相邻踏步高度差不该大于10mm ;防滑条顺直。
施工单位自查结论项目经理:年月日监理单位专业工程师:查收结论总监:年月日建设单位专业工程师:查收结论主管工程师:年月日管线敷设隐蔽工程查收记录工程名称分项工程名称隐蔽工程项目施工标准名称隐蔽工程部位:施工单位管线敷设工程专业工长管线敷设项目经理装饰装饰工程质量查收规范施工图纸名称及编号监理、物业、建设质量要求施工单位自查记录单位查收记录敷设用的管材管件切合合同及规范要求。
管材固定靠谱接头办理切合规范要求。
线缆的品种、规格、型号切合会同及规范的要求。
敷设方式正确。
各样检测达到查收规范要求。
施工单位自查结论项目经理:年月日监理单位专业工程师:查收结论总监:年月日建设单位专业工程师:查收结论主管工程师:年月日饰面板安装隐蔽工程查收记录工程名称施工单位分项工程名称饰面板工程专业工长隐蔽工程项目墙面木骨架、项目经理基层板制作安装施工标准名称装饰装饰工程质量查收规范施工图纸名称及编号监理、物业、建设质量要求施工单位自查记录单位查收记录木龙骨的焚烧性能等级应切合设计要求。
饰面板安装工程的预埋件(或后置埋件)、连结件的数目、规格、地点、连隐蔽工程部位:接方法和防腐办理一定切合设计要求木龙骨骨架安装坚固,表面应平坦、干净,无缺损施工单位自查结论项目经理:年月日监理单位专业工程师:查收结论总监:年月日建设单位专业工程师:查收结论主管工程师:年月日洗手间防水隐蔽工程查收记录工程名称施工单位分项工程名称卷材防水层分项专业工长隐蔽工程项目卷材防水层项目经理施工标准名称装饰装饰工程质量查收规范施工图纸名称及编号监理、物业、建设质量要求施工单位自查记录单位查收记录防水层的资料,其材质一定切合设计要乞降国产业品标准的规定。
目录
目录 (1)
工程概况表 (8)
施工现场管理检查记录 (9)
装修部分 (10)
砖砌体报验申请表 (11)
砖砌体工程检验批质量验收记录表 (12)
一般抹灰报验申请表 (13)
一般抹灰工程检验批质量验收记录表 (14)
防锈漆喷涂报验申请表 (15)
防锈涂料涂装工程检验批质量验收记录表 (16)
钢结构桁架制作(安装)焊接报验申请表 (17)
钢结构制作(安装)焊接工程检验批质量验收记录表 (18)
钢结构桁架零件、部件加工报验申请表 (19)
钢结构零、部件加工工程检验批质量验收记录表 (20)
骨架隔墙报验申请表 (21)
隐蔽工程验收记录表 (22)
骨架隔墙工程检验批质量验收记录表 (23)
暗龙骨吊顶报验申请表 (24)
隐蔽工程验收记录表 (25)
暗龙骨吊顶工程检验批质量验收记录表 (26)
地面找平层报验申请表 (27)
找平层检验批质量验收记录表 (28)
防火涂料涂装工程报验申请表 (29)
隐蔽工程验收记录 (30)
防火涂料涂装工程检验批质量验收记录表 (31)
防腐涂料涂装工程报验申请表 (32)
隐蔽工程验收记录 (33)
防腐涂料涂装工程检验批质量验收记录表 (34)
门窗套制作与安装报验申请表 (35)
门窗套制作与安装工程检验批质量验收记录表 (36)
窗帘盒和窗台板制作与安装报验申请表 (37)。
目录目录 ......................................................................................................................................... .. 1工程概况表 . ............................................................................................................................... 8施工现场管理检查记录 .................................................................................................................... 9装修部分 . ................................................................................................................................... 10砖砌体报验申请表 .......................................................................................................................... 11砖砌体工程检验批质量验收记录表 ............................................................................................... 12一般抹灰报验申请表 ...................................................................................................................... 13一般抹灰工程检验批质量验收记录表 . ........................................................................................... 14防锈漆喷涂报验申请表 .................................................................................................................. 15防锈涂料涂装工程检验批质量验收记录表 .................................................................................... 16钢结构桁架制作(安装焊接报验申请表 .................................................................................... 17钢结构制作(安装焊接工程检验批质量验收记录表 ................................................................. 18钢结构桁架零件、部件加工报验申请表 . (19)钢结构零、部件加工工程检验批质量验收记录表 . ........................................................................ 20骨架隔墙报验申请表 .................................................................................................................... 21隐蔽工程验收记录表...................................................................................................................... 22骨架隔墙工程检验批质量验收记录表 . ........................................................................................... 23暗龙骨吊顶报验申请表 . ................................................................................................................ 24隐蔽工程验收记录表 ...................................................................................................................... 25暗龙骨吊顶工程检验批质量验收记录表 . ....................................................................................... 26地面找平层报验申请表 . ................................................................................................................ 27找平层检验批质量验收记录表 ....................................................................................................... 28防火涂料涂装工程报验申请表 ..................................................................................................... 29隐蔽工程验收记录 .......................................................................................................................... 30防火涂料涂装工程检验批质量验收记录表 .................................................................................... 31防腐涂料涂装工程报验申请表 ..................................................................................................... 32隐蔽工程验收记录 .......................................................................................................................... 33防腐涂料涂装工程检验批质量验收记录表 .................................................................................... 34门窗套制作与安装报验申请表 ..................................................................................................... 35门窗套制作与安装工程检验批质量验收记录表 . (36)窗帘盒、窗台板和散热器罩制作与安装工程 ................................................................................ 38涂料防水层报验申请表 . ................................................................................................................ 39防水工程试水检查记录 .................................................................................................................. 40隐蔽工程验收记录 .......................................................................................................................... 41涂料防水层检验批质量验收记录表 ............................................................................................... 42卷材防水层报验申请表 . ................................................................................................................ 43防水工程试水检查记录 .................................................................................................................. 44隐蔽工程验收记录 .......................................................................................................................... 45卷材防水层检验批质量验收记录表 ............................................................................................... 46大理石和花岗石面层报验申请表 ................................................................................................. 47大理石和花岗石面层检验批质量验收记录表 ................................................................................ 48马赛克面层报验申请表 . ................................................................................................................ 49马赛克面层检验批质量验收记录表 ............................................................................................... 50基层清理报验申请表 .................................................................................................................... 51隐蔽工程检查验收表...................................................................................................................... 52饰面板安装报验申请表 . ................................................................................................................ 53隐蔽工程验收记录 .......................................................................................................................... 54饰面板安装工程检验批质量验收记录表 . ....................................................................................... 55装饰抹灰工程报验申请表 . ............................................................................................................ 56装饰抹灰工程检验批质量验收记录表 . . (57)木门窗制作报验申请表 .................................................................................................................. 58木门窗制作工程检验批质量验收记录表 . ....................................................................................... 59木门窗安装报验申请表 .................................................................................................................. 60隐蔽工程验收记录 .......................................................................................................................... 61木门窗安装工程检验批质量验收记录表 . ....................................................................................... 62门窗玻璃安装报验申请表 . .............................................................................................................. 62门窗玻璃安装工程检验批质量验收记录表 (63)溶剂型涂料涂饰报验申请表 . .......................................................................................................... 64溶剂型涂料涂饰工程检验批质量验收记录表 ................................................................................ 65美术涂料涂饰报验申请表 . .............................................................................................................. 66美术涂料涂饰工程检验批质量验收记录表 (67)水性涂料涂饰报验申请表 . (68)地毯面层报验申请表 ...................................................................................................................... 72隐蔽工程验收记录 .......................................................................................................................... 73地毯面层检验批质量验收记录表 ................................................................................................... 74楼梯、护栏和扶手制作与安装工程报验申请表 ............................................................................ 75楼梯、护栏和扶手制作与安装工程 ............................................................................................... 76橱柜制作与安装工程报验申请表 ................................................................................................... 77橱柜制作与安装工程检验批质量验收记录表 ................................................................................ 78给排水及卫生器具安装部分 . .......................................................................................................... 79室内给水管道及配件安装报验申请表 . . (80)室内给水管道及配件安装工程检验批质量验收记录表 ................................................................. 81室内排水管道及配件安装报验申请表 . ........................................................................................... 82室内排水管道及配件安装工程检验批质量验收记录表 ................................................................. 83室内热水管道及配件安装报验申请表 . ........................................................................................... 84室内热水管道及配件安装工程检验批质量验收记录表 ................................................................. 85卫生器具及给水配件安装报验申请表 . ........................................................................................... 86卫生器具及给水配件安装工程检验批质量验收记录表 ................................................................. 87卫生器具排水管道安装报验申请表 ............................................................................................... 88卫生器具排水管道安装工程检验批质量验收记录表 . .................................................................... 89卫生器具灌(满水及通水试验报验申请表 ................................................................................ 90卫生器具灌(满水及通水试验记录表 . ....................................................................................... 91电气部分 . ................................................................................................................................... 92电线导管和线槽敷设报验申请表 ................................................................................................... 93隐蔽工程验收记录 .......................................................................................................................... 94电线导管、电缆导管和线槽敷设检验批质量 ................................................................................ 95电线导管和线槽敷设报验申请表 ................................................................................................... 96隐蔽工程验收记录 .......................................................................................................................... 97电线导管、电缆导管和线槽敷设检验批质量 ................................................................................ 98电线穿管和线槽敷设报验申请表 ................................................................................................... 99隐蔽工程验收记录 ........................................................................................................................ 100电线、电缆穿管和线槽敷线检验批质量验收记录表 . .................................................................. 101电缆头制作、接线和线路绝缘测试设报验申请表 . . (102)普通灯具安装报验申请表 . ............................................................................................................ 106普通灯具安装检验批质量验收记录表 . .. (107)开关、插座安装报验申请表 . ........................................................................................................ 108开关、插座、风扇安装检验批质量验收记录表 .......................................................................... 109建筑物景观照明灯安装报验申请表 ............................................................................................. 110建筑物景观照明灯、航空障碍标志灯和庭院灯安装 . .................................................................. 111建筑物照明通电试运行报验申请表 ............................................................................................. 112建筑物照明通电试运行检验批质量验收记录表 .......................................................................... 113接地电阻测试报验申请表 . ............................................................................................................ 114接地电阻测试记录表 .. (115)低压电器设备、线路绝缘电阻测试报验申请表 .......................................................................... 116低压电器设备、线路绝缘电阻测试记录表 .................................................................................. 117低压电气装置试电检查报验申请表 ............................................................................................. 118低压电气装置试电检查记录表 ..................................................................................................... 119主体结构分部(子分部工程质量验收报验申请表 . .................................................................. 120主体结构工程分部(子分部工程质量验收记录表 . .................................................................. 121砖砌体分项工程报验申请表 . ........................................................................................................ 122砖砌体分项工程质量验收记录表 ................................................................................................. 123一般抹灰分项工程报验申请表 ..................................................................................................... 124一般抹灰分项工程质量验收记录表 ............................................................................................. 125钢桁架分项工程报验申请表 . ........................................................................................................ 126钢桁架分项工程质量验收记录表 ................................................................................................. 127建筑装饰装修分部(子分部工程质量验收报验申请表 ........................................................... 128建筑装饰装修分部(子分部工程质量验收记录表(表 1 . .................................................... 129建筑装饰装修分部(子分部工程质量验收记录表(表 2 . .................................................... 130建筑装饰装修分部(子分部工程质量验收记录表(表 3 . .................................................... 131骨架隔墙分项工程报验申请表 ..................................................................................................... 132骨架隔墙分项工程质量验收记录表 ............................................................................................. 133暗龙骨吊顶分项工程报验申请表 ................................................................................................. 134暗龙骨吊顶分项工程质量验收记录表 . ......................................................................................... 135地面找平层分项工程报验申请表 (136)\防火涂料涂装分项工程质量验收记录表 . ..................................................................................... 139防腐涂料涂装分项工程报验申请表 ............................................................................................. 140防腐涂料涂料涂装分项工程质量验收记录表 (141)门窗套制作与安装分项工程报验申请表 . ..................................................................................... 142门窗套制作与安装分项工程质量验收记录表 .............................................................................. 143窗帘盒、窗台板分项工程报验申请表 . .. (144)窗帘盒、窗台板分项工程质量验收记录表 .................................................................................. 145涂料防水层分项工程报验申请表 ................................................................................................. 146涂料防水层分项工程质量验收记录表 . ......................................................................................... 147卷材防水层分项工程报验申请表 ................................................................................................. 148卷材防水层分项工程质量验收记录表 . ......................................................................................... 149大理石花岗石面层分项工程报验申请表 . ..................................................................................... 150大理石花岗石面层分项工程质量验收记录表 .............................................................................. 151石材马赛克面层分项工程报验申请表 . (152)石材马赛克面层分项工程质量验收记录表 .................................................................................. 153基层清理分项工程报验申请表 ..................................................................................................... 154基层清理分项工程质量验收记录表 ............................................................................................. 155饰面板安装分项工程报验申请表 ................................................................................................. 156饰面板安装分项工程质量验收记录表 . ......................................................................................... 157装饰抹灰分项工程报验申请表 ..................................................................................................... 158装饰抹灰分项工程质量验收记录表 ............................................................................................. 159木门窗制作与安装分项工程报验申请表 . ..................................................................................... 160木门窗制作与安装分项工程质量验收记录表 .............................................................................. 161木门窗玻璃安装分项工程报验申请表 . .. (162)木门窗玻璃安装分项工程质量验收记录表 .................................................................................. 163溶剂型涂料涂饰分项工程报验申请表 . ......................................................................................... 164溶剂型涂料涂饰分项工程质量验收记录表 .................................................................................. 165美术涂料涂饰分项工程报验申请表 ............................................................................................. 166美术涂料涂饰分项工程质量验收记录表 . ..................................................................................... 167水性涂料涂饰分项工程报验申请表 ............................................................................................. 168水性涂料涂饰分项工程质量验收记录表 . ..................................................................................... 169裱糊分项工程报验申请表 . (170)地毯面层分项工程质量验收记录表 ............................................................................................. 173楼梯、护栏和扶手分项工程报验申请表 . ..................................................................................... 174楼梯、护栏和扶手分项工程质量验收记录表 .............................................................................. 175橱柜制安分项工程报验申请表 ..................................................................................................... 176橱柜制安分项工程质量验收记录表 ............................................................................................. 177建筑给水、排水及采暖分部(子分部工程质量 . ...................................................................... 178建筑给水、排水及采暖分部(子分部工程质量验收记录表 . ................................................... 179室内给水管道及配件安装分项工程报验申请表 .......................................................................... 180室内给水管道及配件安装分项工程质量验收记录表 . .................................................................. 181室内排水管道及配件安装分项工程报验申请表 .......................................................................... 182室内排水管道及配件安装分项工程质量验收记录表 . .................................................................. 183室内热水管道及配件安装分项工程报验申请表 .......................................................................... 184室内热水管道及配件安装分项工程质量验收记录表 . .................................................................. 185卫生器具及给水配件安装分项工程报验申请表 .......................................................................... 186卫生器具及给水配件安装分项工程质量验收记录表 . .................................................................. 187卫生器具排水管道安装分项工程报验申请表 .............................................................................. 188卫生器具排水管道安装分项工程质量验收记录表 . ...................................................................... 189卫生器具灌(满水及通水试验分项工程报验申请表 (190)卫生器具灌(满水及通水试验分项工程质量验收记录表 ....................................................... 191建筑电气分部(子分部工程质量验收报验申请表 . .................................................................. 192建筑电气分部(子分部工程质量验收记录表 .......................................................................... 193电线导管、电缆导管和线槽敷设分项工程报验申请表 ............................................................... 194电线导管、电缆导管和线槽敷设分项工程质量验收记录表 . (195)电线穿管和线槽敷设分项工程报验申请表 .................................................................................. 196电线穿管和线槽敷设分项工程质量验收记录表 .......................................................................... 197电缆头制作、接线和线路绝缘测试分项工程报验申请表 ........................................................... 198电缆头制作、接线和线路绝缘测试分项工程质量验收记录表 . ................................................... 199建筑等电位联结分项工程报验申请表 . ......................................................................................... 200建筑物等电位联结分项工程质量验收记录表 .............................................................................. 201普通灯具安装分项工程报验申请表 ............................................................................................. 202普通灯具安装分项工程质量验收记录表 . ..................................................................................... 203开关、插座安装分项工程报验申请表 . ......................................................................................... 204开关、插座安装分项工程质量验收记录表 .................................................................................. 205建筑物景观灯具、庭院灯安装分项工程报验申请表 . (206)建筑物景观灯具、庭院灯安装分项工程质量验收记录表 ........................................................... 207建筑物照明通电试运行分项工程报验申请表 .............................................................................. 208建筑物照明通电试运行分项工程质量验收记录表 . ...................................................................... 209接地电阻、绝缘电阻和装置试电分项工程报验申请表 (210)接地电阻、绝缘电阻和装置试电分项工程质量验收记录表 ........................... 错误!未定义书签。
目录工程概况表施工现场管理检查记录检验批记录表砖砌体报验申请表工程名称:××××酒店室内装饰装修工程饰装修工程编号:砖砌体工程检验批质量验收记录表GB50203-2002××省建设厅监制一般抹灰报验申请表工程名称:××××酒店室内装饰装修工程饰装修工程编号:×省建设厅监制一般抹灰工程检验批质量验收记录表GB50210-2001××省建设厅监制防锈漆喷涂报验申请表工程名称:××××酒店室内装饰装修工程饰装修工程编号:××省建设厅监制防锈涂料涂装工程检验批质量验收记录表GB50205-2001×省建设厅监制钢结构桁架制作(安装)焊接报验申请表工程名称:××××酒店室内装饰装修工程饰装修工程编号:××省建设厅监制钢结构制作(安装)焊接工程检验批质量验收记录表GB50205-2001钢结构桁架零件、部件加工报验申请表工程名称:××××酒店室内装饰装修工程饰装修工程编号:××省建设厅监制钢结构零、部件加工工程检验批质量验收记录表GB50205-2001(Ⅰ)××省建设厅监制骨架隔墙报验申请表工程名称:××××酒店室内装饰装修工程饰装修工程编号:×省建设厅监制隐蔽工程验收记录表第页共页骨架隔墙工程检验批质量验收记录表GB50210-2001暗龙骨吊顶报验申请表工程名称:××××酒店室内装饰装修工程饰装修工程编号:×省建设厅监制隐蔽工程验收记录表第页共页。
全套室内装潢验收资料(XXX装饰装修工程完整填写范例版)项目基本信息- 项目名称:- 委托单位:- 施工单位:- 装潢设计单位:装饰装修合同信息- 合同编号:- 签订日期:- 合同金额:- 已付金额:- 工期要求:施工情况- 开工日期:- 竣工日期:- 总工程量:- 已完成工程量:- 进度情况:装饰装修验收标准- 相关规范:- 质量要求:- 安全要求:室内装饰装修工程验收内容1. 墙面装饰- 材料名称:- 安装情况:- 规格要求:- 验收结果:2. 地板装饰- 材料名称:- 铺设情况:- 规格要求:- 验收结果:3. 天花板装饰- 材料名称:- 安装情况:- 规格要求:- 验收结果:4. 灯具及电器设备安装- 设备名称:- 安装情况:- 功能测试:- 验收结果:5. 水电安装- 材料名称:- 安装情况:- 规格要求:- 验收结果:6. 厨房及卫生间装修- 设备名称:- 安装情况:- 规格要求:- 验收结果:7. 室内家具及装饰品摆放- 家具名称:- 摆放位置:- 规格要求:- 验收结果:验收结论- 验收人员:- 验收日期:- 验收结论:- 备注:以上为《全套室内装潢验收资料(XXX装饰装修工程完整填写范例版)》的内容模板,根据具体工程情况进行填写。
每一项验收内容都要详细记录,确保工程质量符合要求。
验收时应严格按照相关规范和标准进行,确保施工质量和安全。
名目工程概况表××省建设厅监制施工现场治理检查记录编号:××省建设厅监制装修局限检验批记录表砖砌体报验申请表工程名称:××××酒店室内装饰装修工程饰装修工程编号:××省建设厅监制砖砌体工程检验批质量验收记录表GB50203-2002××省建设厅监制一般抹灰报验申请表工程名称:××××酒店室内装饰装修工程饰装修工程编号:××省建设厅监制一般抹灰工程检验批质量验收记录表GB50210-2001××省建设厅监制防锈漆喷涂报验申请表工程名称:××××酒店室内装饰装修工程饰装修工程编号:××省建设厅监制防锈涂料涂装工程检验批质量验收记录表GB50205-2001涂××省建设厅监制钢结构桁架制作〔安装〕焊接报验申请表工程名称:××××酒店室内装饰装修工程饰装修工程编号:××省建设厅监制钢结构制作〔安装〕焊接工程检验批质量验收记录表GB50205-2001钢结构桁架零件、部件加工报验申请表工程名称:××××酒店室内装饰装修工程饰装修工程编号:××省建设厅监制钢结构零、部件加工工程检验批质量验收记录表GB50205-2001〔Ⅰ〕钢××省建设厅监制骨架隔墙报验申请表工程名称:××××酒店室内装饰装修工程饰装修工程编号:××省建设厅监制隐蔽工程验收记录表××省建设厅监制骨架隔墙工程检验批质量验收记录表GB50210-2001××省建设厅监制暗龙骨吊顶报验申请表工程名称:××××酒店室内装饰装修工程饰装修工程编号:××省建设厅监制隐蔽工程验收记录表××省建设厅监制暗龙骨吊顶工程检验批质量验收记录表GB50210-2001××省建设厅监制地面寻平层报验申请表工程名称:××××酒店室内装饰装修工程饰装修工程编号:××省建设厅监制寻平层检验批质量验收记录表GB50209-2002〔Ⅷ〕。
目录欧阳家百(2021.03.07)目录1工程概况表12施工现场管理检查记录13装修部分14砖砌体报验申请表14砖砌体工程检验批质量验收记录表15一般抹灰报验申请表16一般抹灰工程检验批质量验收记录表17防锈漆喷涂报验申请表18防锈涂料涂装工程检验批质量验收记录表19钢结构桁架制作(安装)焊接报验申请表20钢结构制作(安装)焊接工程检验批质量验收记录表21钢结构桁架零件、部件加工报验申请表22钢结构零、部件加工工程检验批质量验收记录表23骨架隔墙报验申请表24隐蔽工程验收记录表25骨架隔墙工程检验批质量验收记录表26防腐涂料涂装工程报验申请表35隐蔽工程验收记录37防腐涂料涂装工程检验批质量验收记录表37门窗套制作与安装报验申请表38门窗套制作与安装工程检验批质量验收记录表39卷材防水层报验申请表46防水工程试水检查记录47隐蔽工程验收记录48卷材防水层检验批质量验收记录表49基层清理报验申请表55隐蔽工程检查验收表56木门窗制作报验申请表61木门窗制作工程检验批质量验收记录表62木门窗安装报验申请表63隐蔽工程验收记录65木门窗安装工程检验批质量验收记录表66门窗玻璃安装报验申请表67门窗玻璃安装工程检验批质量验收记录表68溶剂型涂料涂饰报验申请表69溶剂型涂料涂饰工程检验批质量验收记录表70美术涂料涂饰报验申请表71美术涂料涂饰工程检验批质量验收记录表72水性涂料涂饰报验申请表73水性涂料涂饰工程检验批质量验收记录表74橱柜制作与安装工程报验申请表82橱柜制作与安装工程检验批质量验收记录表83室内给水管道及配件安装报验申请表85室内给水管道及配件安装工程检验批质量验收记录表86室内排水管道及配件安装报验申请表87室内排水管道及配件安装工程检验批质量验收记录表88室内热水管道及配件安装报验申请表90室内热水管道及配件安装工程检验批质量验收记录表91电气部分99电线导管和线槽敷设报验申请表99隐蔽工程验收记录100电线导管、电缆导管和线槽敷设检验批质量101电线导管和线槽敷设报验申请表102隐蔽工程验收记录103电线导管、电缆导管和线槽敷设检验批质量104电线穿管和线槽敷设报验申请表105隐蔽工程验收记录106电线、电缆穿管和线槽敷线检验批质量验收记录表107电缆头制作、接线和线路绝缘测试设报验申请表108电缆头制作、接线和线路绝缘测试检验批质量109建筑物等电位联结报验申请表110建筑物等电位联结检验批质量验收记录表111建筑物景观照明灯安装报验申请表117建筑物景观照明灯、航空障碍标志灯和庭院灯安装118建筑物照明通电试运行报验申请表119建筑物照明通电试运行检验批质量验收记录表120接地电阻测试报验申请表121接地电阻测试记录表122低压电器设备、线路绝缘电阻测试报验申请表123低压电器设备、线路绝缘电阻测试记录表124低压电气装置试电检查报验申请表125低压电气装置试电检查记录表126主体结构分部(子分部)工程质量验收报验申请表127主体结构工程分部(子分部)工程质量验收记录表128砖砌体分项工程报验申请表129砖砌体分项工程质量验收记录表130一般抹灰分项工程报验申请表131一般抹灰分项工程质量验收记录表132钢桁架分项工程报验申请表133钢桁架分项工程质量验收记录表134骨架隔墙分项工程报验申请表139骨架隔墙分项工程质量验收记录表140防腐涂料涂装分项工程报验申请表147防腐涂料涂料涂装分项工程质量验收记录表148门窗套制作与安装分项工程报验申请表149门窗套制作与安装分项工程质量验收记录表150卷材防水层分项工程报验申请表155卷材防水层分项工程质量验收记录表156基层清理分项工程报验申请表161基层清理分项工程质量验收记录表162木门窗制作与安装分项工程报验申请表167木门窗制作与安装分项工程质量验收记录表168溶剂型涂料涂饰分项工程报验申请表171溶剂型涂料涂饰分项工程质量验收记录表172水性涂料涂饰分项工程报验申请表175水性涂料涂饰分项工程质量验收记录表176橱柜制安分项工程报验申请表183橱柜制安分项工程质量验收记录表184建筑给水、排水及采暖分部(子分部)工程质量185建筑给水、排水及采暖分部(子分部)工程质量验收记录表186室内给水管道及配件安装分项工程报验申请表187室内给水管道及配件安装分项工程质量验收记录表188室内排水管道及配件安装分项工程报验申请表189室内排水管道及配件安装分项工程质量验收记录表190室内热水管道及配件安装分项工程报验申请表191室内热水管道及配件安装分项工程质量验收记录表192建筑电气分部(子分部)工程质量验收报验申请表199建筑电气分部(子分部)工程质量验收记录表200电线导管、电缆导管和线槽敷设分项工程报验申请表201电线导管、电缆导管和线槽敷设分项工程质量验收记录表202电线穿管和线槽敷设分项工程报验申请表203电线穿管和线槽敷设分项工程质量验收记录表204电缆头制作、接线和线路绝缘测试分项工程报验申请表205电缆头制作、接线和线路绝缘测试分项工程质量验收记录表206建筑等电位联结分项工程报验申请表207建筑物等电位联结分项工程质量验收记录表208建筑物景观灯具、庭院灯安装分项工程报验申请表213建筑物景观灯具、庭院灯安装分项工程质量验收记录表214建筑物照明通电试运行分项工程报验申请表215建筑物照明通电试运行分项工程质量验收记录表216接地电阻、绝缘电阻和装置试电分项工程报验申请表217接地电阻、绝缘电阻和装置试电分项工程质量验收记录表218工程概况表××省建设厅监制施工现场管理检查记录欧阳家百创编装修部分检验批记录表砖砌体报验申请表工程名称:××××酒店室内装饰装修工程饰装修工程编号:××省建设厅监制砖砌体工程检验批质量验收记录表GB50203-2002××省建设厅监制一般抹灰报验申请表工程名称:××××酒店室内装饰装修工程饰装修工程编号:×省建设厅监制一般抹灰工程检验批质量验收记录表GB50210-2001××省建设厅监制防锈漆喷涂报验申请表工程名称:××××酒店室内装饰装修工程饰装修工程编号:××省建设厅监制防锈涂料涂装工程检验批质量验收记录表GB50205-2001×省建设厅监制钢结构桁架制作(安装)焊接报验申请表工程名称:××××酒店室内装饰装修工程饰装修工程编号:××省建设厅监制钢结构制作(安装)焊接工程检验批质量验收记录表GB50205-2001钢结构桁架零件、部件加工报验申请表工程名称:××××酒店室内装饰装修工程饰装修工程编号:××省建设厅监制钢结构零、部件加工工程检验批质量验收记录表GB50205-2001(Ⅰ)××省建设厅监制骨架隔墙报验申请表工程名称:××××酒店室内装饰装修工程饰装修工程编号:×省建设厅监制隐蔽工程验收记录表第页共页××省建设厅监制骨架隔墙工程检验批质量验收记录表GB50210-2001××省建设厅监制暗龙骨吊顶报验申请表工程名称:××××酒店室内装饰装修工程饰装修工程编号:×省建设厅监制隐蔽工程验收记录表第页共页××省建设厅监制暗龙骨吊顶工程检验批质量验收记录表GB50210-2001地面找平层报验申请表工程名称:××××酒店室内装饰装修工程饰装修工程编号:××省建设厅监制找平层检验批质量验收记录表GB50209-2002(Ⅷ)××省建设厅监制防火涂料涂装工程报验申请表工程名称:××××酒店室内装饰装修工程饰装修工程编号:××省建设厅监制隐蔽工程验收记录编号:南省建设厅监防火涂料涂装工程检验批质量验收记录表GB50205-2001××省建设厅监制防腐涂料涂装工程报验申请表工程名称:××××酒店室内装饰装修工程饰装修工程编号:×省建设厅监制隐蔽工程验收记录编号:×省建设厅监制防腐涂料涂装工程检验批质量验收记录表GB50205-2001××省建设厅监制门窗套制作与安装报验申请表工程名称:××××酒店室内装饰装修工程饰装修工程编号:××省建设厅监制门窗套制作与安装工程检验批质量验收记录表GB50210-2001××省建设厅监制窗帘盒和窗台板制作与安装报验申请表工程名称:××××酒店室内装饰装修工程饰装修工程编号:××省建设厅监制窗帘盒、窗台板和散热器罩制作与安装工程检验批质量验收记录表GB50210-2001××省建设厅监制涂料防水层报验申请表工程名称:××××酒店室内装饰装修工程饰装修工程编号:××省建设厅监制防水工程试水检查记录表C5编号:×省建设厅监制隐蔽工程验收记录编号:涂料防水层检验批质量验收记录表GB50208-2002××省建设厅监制卷材防水层报验申请表工程名称:××××酒店室内装饰装修工程饰装修工程编号:××省建设厅监制防水工程试水检查记录表C5编号:××省建设厅监制隐蔽工程验收记录编号:××省建设厅监制卷材防水层检验批质量验收记录表GB50208-2002××省建设厅监制大理石和花岗石面层报验申请表工程名称:××××酒店室内装饰装修工程饰装修工程编号:。
目录目录 (1)工程概况表 (8)施工现场管理检查记录 (9)装修部分 (10)砖砌体报验申请表 (11)砖砌体工程检验批质量验收记录表 (12)一般抹灰报验申请表 (13)一般抹灰工程检验批质量验收记录表 (14)防锈漆喷涂报验申请表 (15)防锈涂料涂装工程检验批质量验收记录表 (16)钢结构桁架制作(安装)焊接报验申请表 (17)钢结构制作(安装)焊接工程检验批质量验收记录表 (18)钢结构桁架零件、部件加工报验申请表 (19)钢结构零、部件加工工程检验批质量验收记录表 (20)骨架隔墙报验申请表 (21)隐蔽工程验收记录表 (22)骨架隔墙工程检验批质量验收记录表 (23)暗龙骨吊顶报验申请表 (24)隐蔽工程验收记录表 (25)暗龙骨吊顶工程检验批质量验收记录表 (26)地面找平层报验申请表 (27)找平层检验批质量验收记录表 (28)防火涂料涂装工程报验申请表 (29)隐蔽工程验收记录 (30)防火涂料涂装工程检验批质量验收记录表 (31)防腐涂料涂装工程报验申请表 (32)隐蔽工程验收记录 (33)防腐涂料涂装工程检验批质量验收记录表 (34)门窗套制作与安装报验申请表 (35)门窗套制作与安装工程检验批质量验收记录表 (36)窗帘盒和窗台板制作与安装报验申请表 (37)窗帘盒、窗台板和散热器罩制作与安装工程 (38)涂料防水层报验申请表 (39)防水工程试水检查记录 (41)隐蔽工程验收记录 (41)涂料防水层检验批质量验收记录表 (42)卷材防水层报验申请表 (43)防水工程试水检查记录 (44)隐蔽工程验收记录 (45)卷材防水层检验批质量验收记录表 (46)大理石和花岗石面层报验申请表 (47)大理石和花岗石面层检验批质量验收记录表 (48)马赛克面层报验申请表 (49)马赛克面层检验批质量验收记录表 (50)基层清理报验申请表 (51)隐蔽工程检查验收表 (52)饰面板安装报验申请表 (53)隐蔽工程验收记录 (54)饰面板安装工程检验批质量验收记录表 (55)装饰抹灰工程报验申请表 (56)装饰抹灰工程检验批质量验收记录表 (57)木门窗制作报验申请表 (58)木门窗制作工程检验批质量验收记录表 (59)木门窗安装报验申请表 (60)隐蔽工程验收记录 (61)木门窗安装工程检验批质量验收记录表 (63)门窗玻璃安装报验申请表 (64)门窗玻璃安装工程检验批质量验收记录表 (65)溶剂型涂料涂饰报验申请表 (66)溶剂型涂料涂饰工程检验批质量验收记录表 (67)美术涂料涂饰报验申请表 (68)美术涂料涂饰工程检验批质量验收记录表 (69)水性涂料涂饰报验申请表 (70)水性涂料涂饰工程检验批质量验收记录表 (71)裱糊工程报验申请表 (72)裱糊工程检验批质量验收记录表 (73)地毯面层报验申请表 (74)隐蔽工程验收记录 (75)地毯面层检验批质量验收记录表 (76)楼梯、护栏和扶手制作与安装工程报验申请表 (77)楼梯、护栏和扶手制作与安装工程 (78)橱柜制作与安装工程报验申请表 (79)橱柜制作与安装工程检验批质量验收记录表 (80)给排水及卫生器具安装部分 (81)室内给水管道及配件安装报验申请表 (82)室内给水管道及配件安装工程检验批质量验收记录表 (83)室内排水管道及配件安装报验申请表 (84)室内排水管道及配件安装工程检验批质量验收记录表 (85)室内热水管道及配件安装报验申请表 (86)室内热水管道及配件安装工程检验批质量验收记录表 (87)卫生器具及给水配件安装报验申请表 (88)卫生器具及给水配件安装工程检验批质量验收记录表 (89)卫生器具排水管道安装报验申请表 (90)卫生器具排水管道安装工程检验批质量验收记录表 (91)卫生器具灌(满)水及通水试验报验申请表 (92)卫生器具灌(满)水及通水试验记录表 (93)电气部分 (95)电线导管和线槽敷设报验申请表 (96)隐蔽工程验收记录 (97)电线导管、电缆导管和线槽敷设检验批质量 (98)电线导管和线槽敷设报验申请表 (99)隐蔽工程验收记录 (100)电线导管、电缆导管和线槽敷设检验批质量 (101)电线穿管和线槽敷设报验申请表 (102)隐蔽工程验收记录 (103)电线、电缆穿管和线槽敷线检验批质量验收记录表 (104)电缆头制作、接线和线路绝缘测试设报验申请表 (105)电缆头制作、接线和线路绝缘测试检验批质量 (106)建筑物等电位联结报验申请表 (107)建筑物等电位联结检验批质量验收记录表 (108)普通灯具安装报验申请表 (109)普通灯具安装检验批质量验收记录表 (110)开关、插座安装报验申请表 (111)开关、插座、风扇安装检验批质量验收记录表 (112)建筑物景观照明灯安装报验申请表 (113)建筑物景观照明灯、航空障碍标志灯和庭院灯安装 (114)建筑物照明通电试运行报验申请表 (115)建筑物照明通电试运行检验批质量验收记录表 (116)接地电阻测试报验申请表 (117)接地电阻测试记录表 (118)低压电器设备、线路绝缘电阻测试报验申请表 (119)低压电器设备、线路绝缘电阻测试记录表 (120)低压电气装置试电检查报验申请表 (121)低压电气装置试电检查记录表 (123)主体结构分部(子分部)工程质量验收报验申请表 (124)主体结构工程分部(子分部)工程质量验收记录表 (125)砖砌体分项工程报验申请表 (126)砖砌体分项工程质量验收记录表 (127)一般抹灰分项工程报验申请表 (128)一般抹灰分项工程质量验收记录表 (129)钢桁架分项工程报验申请表 (130)钢桁架分项工程质量验收记录表 (131)建筑装饰装修分部(子分部)工程质量验收报验申请表 (132)建筑装饰装修分部(子分部)工程质量验收记录表(表1) (133)建筑装饰装修分部(子分部)工程质量验收记录表(表2) (134)建筑装饰装修分部(子分部)工程质量验收记录表(表3) (135)骨架隔墙分项工程报验申请表 (136)骨架隔墙分项工程质量验收记录表 (137)暗龙骨吊顶分项工程报验申请表 (138)地面找平层分项工程报验申请表 (140)地面找平层分项工程质量验收记录表 (141)防火涂料涂装分项工程报验申请表 (142)防火涂料涂装分项工程质量验收记录表 (143)防腐涂料涂装分项工程报验申请表 (144)防腐涂料涂料涂装分项工程质量验收记录表 (146)门窗套制作与安装分项工程报验申请表 (147)门窗套制作与安装分项工程质量验收记录表 (148)窗帘盒、窗台板分项工程报验申请表 (149)窗帘盒、窗台板分项工程质量验收记录表 (150)涂料防水层分项工程报验申请表 (151)涂料防水层分项工程质量验收记录表 (152)卷材防水层分项工程报验申请表 (153)卷材防水层分项工程质量验收记录表 (154)大理石花岗石面层分项工程报验申请表 (155)大理石花岗石面层分项工程质量验收记录表 (156)石材马赛克面层分项工程报验申请表 (157)石材马赛克面层分项工程质量验收记录表 (158)基层清理分项工程报验申请表 (159)基层清理分项工程质量验收记录表 (160)饰面板安装分项工程报验申请表 (161)饰面板安装分项工程质量验收记录表 (162)装饰抹灰分项工程报验申请表 (163)装饰抹灰分项工程质量验收记录表 (164)木门窗制作与安装分项工程报验申请表 (165)木门窗制作与安装分项工程质量验收记录表 (166)木门窗玻璃安装分项工程报验申请表 (167)木门窗玻璃安装分项工程质量验收记录表 (168)溶剂型涂料涂饰分项工程报验申请表 (169)溶剂型涂料涂饰分项工程质量验收记录表 (170)美术涂料涂饰分项工程报验申请表 (171)美术涂料涂饰分项工程质量验收记录表 (172)水性涂料涂饰分项工程质量验收记录表 (174)裱糊分项工程报验申请表 (175)裱糊分项工程质量验收记录表 (176)地毯面层分项工程报验申请表 (177)地毯面层分项工程质量验收记录表 (178)楼梯、护栏和扶手分项工程报验申请表 (179)楼梯、护栏和扶手分项工程质量验收记录表 (180)橱柜制安分项工程报验申请表 (181)橱柜制安分项工程质量验收记录表 (182)建筑给水、排水及采暖分部(子分部)工程质量 (183)建筑给水、排水及采暖分部(子分部)工程质量验收记录表 (185)室内给水管道及配件安装分项工程报验申请表 (186)室内给水管道及配件安装分项工程质量验收记录表 (187)室内排水管道及配件安装分项工程报验申请表 (188)室内排水管道及配件安装分项工程质量验收记录表 (189)室内热水管道及配件安装分项工程报验申请表 (190)室内热水管道及配件安装分项工程质量验收记录表 (191)卫生器具及给水配件安装分项工程报验申请表 (192)卫生器具及给水配件安装分项工程质量验收记录表 (193)卫生器具排水管道安装分项工程报验申请表 ................................................................... FFFFFF194卫生器具排水管道安装分项工程质量验收记录表.. (195)卫生器具灌(满)水及通水试验分项工程报验申请表 (196)卫生器具灌(满)水及通水试验分项工程质量验收记录表 (197)建筑电气分部(子分部)工程质量验收报验申请表 (198)建筑电气分部(子分部)工程质量验收记录表 (199)电线导管、电缆导管和线槽敷设分项工程报验申请表 (200)电线导管、电缆导管和线槽敷设分项工程质量验收记录表 (201)电线穿管和线槽敷设分项工程报验申请表 (202)电线穿管和线槽敷设分项工程质量验收记录表 (203)电缆头制作、接线和线路绝缘测试分项工程报验申请表 (204)电缆头制作、接线和线路绝缘测试分项工程质量验收记录表 (205)建筑等电位联结分项工程报验申请表 (206)建筑物等电位联结分项工程质量验收记录表 (207)普通灯具安装分项工程报验申请表 (208)普通灯具安装分项工程质量验收记录表 (209)开关、插座安装分项工程报验申请表 (210)开关、插座安装分项工程质量验收记录表 (211)建筑物景观灯具、庭院灯安装分项工程报验申请表 (212)建筑物景观灯具、庭院灯安装分项工程质量验收记录表 (213)建筑物照明通电试运行分项工程报验申请表 (214)建筑物照明通电试运行分项工程质量验收记录表 (215)接地电阻、绝缘电阻和装置试电分项工程报验申请表 (216)接地电阻、绝缘电阻和装置试电分项工程质量验收记录表.............................. 错误!未定义书签。
目录目录 (1)工程概况表 (8)施工现场管理检查记录 (9)装修部分 (10)砖砌体报验申请表 (11)砖砌体工程检验批质量验收记录表 (12)一般抹灰报验申请表 (13)一般抹灰工程检验批质量验收记录表 (14)防锈漆喷涂报验申请表 (15)防锈涂料涂装工程检验批质量验收记录表 (16)钢结构桁架制作(安装)焊接报验申请表 (17)钢结构制作(安装)焊接工程检验批质量验收记录表 (18)钢结构桁架零件、部件加工报验申请表 (19)钢结构零、部件加工工程检验批质量验收记录表 (20)骨架隔墙报验申请表 (21)隐蔽工程验收记录表 (22)骨架隔墙工程检验批质量验收记录表 (23)暗龙骨吊顶报验申请表 (24)隐蔽工程验收记录表 (25)暗龙骨吊顶工程检验批质量验收记录表 (26)地面找平层报验申请表 (27)找平层检验批质量验收记录表 (28)防火涂料涂装工程报验申请表 (29)隐蔽工程验收记录 (30)防火涂料涂装工程检验批质量验收记录表 (31)防腐涂料涂装工程报验申请表 (32)隐蔽工程验收记录 (33)防腐涂料涂装工程检验批质量验收记录表 (34)门窗套制作与安装报验申请表 (35)门窗套制作与安装工程检验批质量验收记录表 (36)窗帘盒、窗台板和散热器罩制作与安装工程 (38)涂料防水层报验申请表 (39)防水工程试水检查记录 (40)隐蔽工程验收记录 (41)涂料防水层检验批质量验收记录表 (42)卷材防水层报验申请表 (43)防水工程试水检查记录 (44)隐蔽工程验收记录 (45)卷材防水层检验批质量验收记录表 (46)大理石和花岗石面层报验申请表 (47)大理石和花岗石面层检验批质量验收记录表 (48)马赛克面层报验申请表 (49)马赛克面层检验批质量验收记录表 (50)基层清理报验申请表 (51)隐蔽工程检查验收表 (52)饰面板安装报验申请表 (53)隐蔽工程验收记录 (54)饰面板安装工程检验批质量验收记录表 (55)装饰抹灰工程报验申请表 (56)装饰抹灰工程检验批质量验收记录表 (57)木门窗制作报验申请表 (58)木门窗制作工程检验批质量验收记录表 (59)木门窗安装报验申请表 (60)隐蔽工程验收记录 (61)木门窗安装工程检验批质量验收记录表 (62)门窗玻璃安装报验申请表 (63)门窗玻璃安装工程检验批质量验收记录表 (64)溶剂型涂料涂饰报验申请表 (65)溶剂型涂料涂饰工程检验批质量验收记录表 (66)美术涂料涂饰报验申请表 (67)美术涂料涂饰工程检验批质量验收记录表 (68)水性涂料涂饰报验申请表 (69)地毯面层报验申请表 (73)隐蔽工程验收记录 (74)地毯面层检验批质量验收记录表 (75)楼梯、护栏和扶手制作与安装工程报验申请表 (76)楼梯、护栏和扶手制作与安装工程 (77)橱柜制作与安装工程报验申请表 (78)橱柜制作与安装工程检验批质量验收记录表 (79)给排水及卫生器具安装部分 (80)室内给水管道及配件安装报验申请表 (81)室内给水管道及配件安装工程检验批质量验收记录表 (82)室内排水管道及配件安装报验申请表 (83)室内排水管道及配件安装工程检验批质量验收记录表 (84)室内热水管道及配件安装报验申请表 (85)室内热水管道及配件安装工程检验批质量验收记录表 (86)卫生器具及给水配件安装报验申请表 (87)卫生器具及给水配件安装工程检验批质量验收记录表 (88)卫生器具排水管道安装报验申请表 (89)卫生器具排水管道安装工程检验批质量验收记录表 (90)卫生器具灌(满)水及通水试验报验申请表 (91)卫生器具灌(满)水及通水试验记录表 (92)电气部分 (93)电线导管和线槽敷设报验申请表 (94)隐蔽工程验收记录 (95)电线导管、电缆导管和线槽敷设检验批质量 (96)电线导管和线槽敷设报验申请表 (97)隐蔽工程验收记录 (98)电线导管、电缆导管和线槽敷设检验批质量 (99)电线穿管和线槽敷设报验申请表 (100)隐蔽工程验收记录 (101)电线、电缆穿管和线槽敷线检验批质量验收记录表 (102)电缆头制作、接线和线路绝缘测试设报验申请表 (103)普通灯具安装报验申请表 (106)普通灯具安装检验批质量验收记录表 (108)开关、插座安装报验申请表 (109)开关、插座、风扇安装检验批质量验收记录表 (110)建筑物景观照明灯安装报验申请表 (111)建筑物景观照明灯、航空障碍标志灯和庭院灯安装 (112)建筑物照明通电试运行报验申请表 (113)建筑物照明通电试运行检验批质量验收记录表 (114)接地电阻测试报验申请表 (115)接地电阻测试记录表 (116)低压电器设备、线路绝缘电阻测试报验申请表 (117)低压电器设备、线路绝缘电阻测试记录表 (118)低压电气装置试电检查报验申请表 (119)低压电气装置试电检查记录表 (120)主体结构分部(子分部)工程质量验收报验申请表 (121)主体结构工程分部(子分部)工程质量验收记录表 (122)砖砌体分项工程报验申请表 (123)砖砌体分项工程质量验收记录表 (124)一般抹灰分项工程报验申请表 (125)一般抹灰分项工程质量验收记录表 (126)钢桁架分项工程报验申请表 (127)钢桁架分项工程质量验收记录表 (128)建筑装饰装修分部(子分部)工程质量验收报验申请表 (129)建筑装饰装修分部(子分部)工程质量验收记录表(表1) (130)建筑装饰装修分部(子分部)工程质量验收记录表(表2) (131)建筑装饰装修分部(子分部)工程质量验收记录表(表3) (132)骨架隔墙分项工程报验申请表 (133)骨架隔墙分项工程质量验收记录表 (134)暗龙骨吊顶分项工程报验申请表 (135)暗龙骨吊顶分项工程质量验收记录表 (136)地面找平层分项工程报验申请表 (137)防腐涂料涂装分项工程报验申请表 (141)防腐涂料涂料涂装分项工程质量验收记录表 (142)门窗套制作与安装分项工程报验申请表 (143)门窗套制作与安装分项工程质量验收记录表 (144)窗帘盒、窗台板分项工程报验申请表 (145)窗帘盒、窗台板分项工程质量验收记录表 (146)涂料防水层分项工程报验申请表 (147)涂料防水层分项工程质量验收记录表 (148)卷材防水层分项工程报验申请表 (149)卷材防水层分项工程质量验收记录表 (150)大理石花岗石面层分项工程报验申请表 (151)大理石花岗石面层分项工程质量验收记录表 (152)石材马赛克面层分项工程报验申请表 (153)石材马赛克面层分项工程质量验收记录表 (154)基层清理分项工程报验申请表 (155)基层清理分项工程质量验收记录表 (156)饰面板安装分项工程报验申请表 (157)饰面板安装分项工程质量验收记录表 (158)装饰抹灰分项工程报验申请表 (159)装饰抹灰分项工程质量验收记录表 (160)木门窗制作与安装分项工程报验申请表 (161)木门窗制作与安装分项工程质量验收记录表 (162)木门窗玻璃安装分项工程报验申请表 (163)木门窗玻璃安装分项工程质量验收记录表 (164)溶剂型涂料涂饰分项工程报验申请表 (165)溶剂型涂料涂饰分项工程质量验收记录表 (166)美术涂料涂饰分项工程报验申请表 (167)美术涂料涂饰分项工程质量验收记录表 (168)水性涂料涂饰分项工程报验申请表 (169)水性涂料涂饰分项工程质量验收记录表 (170)裱糊分项工程报验申请表 (171)楼梯、护栏和扶手分项工程报验申请表 (175)楼梯、护栏和扶手分项工程质量验收记录表 (176)橱柜制安分项工程报验申请表 (177)橱柜制安分项工程质量验收记录表 (178)建筑给水、排水及采暖分部(子分部)工程质量 (179)建筑给水、排水及采暖分部(子分部)工程质量验收记录表 (180)室内给水管道及配件安装分项工程报验申请表 (181)室内给水管道及配件安装分项工程质量验收记录表 (182)室内排水管道及配件安装分项工程报验申请表 (183)室内排水管道及配件安装分项工程质量验收记录表 (184)室内热水管道及配件安装分项工程报验申请表 (185)室内热水管道及配件安装分项工程质量验收记录表 (186)卫生器具及给水配件安装分项工程报验申请表 (187)卫生器具及给水配件安装分项工程质量验收记录表 (188)卫生器具排水管道安装分项工程报验申请表 (189)卫生器具排水管道安装分项工程质量验收记录表 (190)卫生器具灌(满)水及通水试验分项工程报验申请表 (191)卫生器具灌(满)水及通水试验分项工程质量验收记录表 (192)建筑电气分部(子分部)工程质量验收报验申请表 (193)建筑电气分部(子分部)工程质量验收记录表 (194)电线导管、电缆导管和线槽敷设分项工程报验申请表 (195)电线导管、电缆导管和线槽敷设分项工程质量验收记录表 (196)电线穿管和线槽敷设分项工程报验申请表 (197)电线穿管和线槽敷设分项工程质量验收记录表 (198)电缆头制作、接线和线路绝缘测试分项工程报验申请表 (199)电缆头制作、接线和线路绝缘测试分项工程质量验收记录表 (200)建筑等电位联结分项工程报验申请表 (201)建筑物等电位联结分项工程质量验收记录表 (202)普通灯具安装分项工程报验申请表 (203)普通灯具安装分项工程质量验收记录表 (204)开关、插座安装分项工程报验申请表 (205)建筑物景观灯具、庭院灯安装分项工程质量验收记录表 (208)建筑物照明通电试运行分项工程报验申请表 (209)建筑物照明通电试运行分项工程质量验收记录表 (210)接地电阻、绝缘电阻和装置试电分项工程报验申请表 (211)接地电阻、绝缘电阻和装置试电分项工程质量验收记录表 (212)工程概况表××省建设厅监制施工现场管理检查记录装修部分检验批记录表砖砌体报验申请表工程名称:××××酒店室内装饰装修工程饰装修工程编号:××省建设厅监制砖砌体工程检验批质量验收记录表××省建设厅监制一般抹灰报验申请表工程名称:××××酒店室内装饰装修工程饰装修工程编号:××省建设厅监制一般抹灰工程检验批质量验收记录表GB50210-2001××省建设厅监制防锈漆喷涂报验申请表工程名称:××××酒店室内装饰装修工程饰装修工程编号:××省建设厅监制防锈涂料涂装工程检验批质量验收记录表GB50205-2001××省建设厅监制钢结构桁架制作(安装)焊接报验申请表工程名称:××××酒店室内装饰装修工程饰装修工程编号:××省建设厅监制钢结构制作(安装)焊接工程检验批质量验收记录表GB50205-2001(Ⅰ)钢结构桁架零件、部件加工报验申请表工程名称:××××酒店室内装饰装修工程饰装修工程编号:××省建设厅监制钢结构零、部件加工工程检验批质量验收记录表GB50205-2001(Ⅰ)××省建设厅监制骨架隔墙报验申请表工程名称:××××酒店室内装饰装修工程饰装修工程编××省建设厅监制隐蔽工程验收记录表××省建设厅监制骨架隔墙工程检验批质量验收记录表GB50210-2001××省建设厅监制暗龙骨吊顶报验申请表工程名称:××××酒店室内装饰装修工程饰装修工程编××省建设厅监制隐蔽工程验收记录表××省建设厅监制暗龙骨吊顶工程检验批质量验收记录表GB50210-2001××省建设厅监制地面找平层报验申请表工程名称:××××酒店室内装饰装修工程饰装修工程编××省建设厅监制找平层检验批质量验收记录表GB50209-2002(Ⅷ)××省建设厅监制防火涂料涂装工程报验申请表工程名称:××××酒店室内装饰装修工程饰装修工程编××省建设厅监制隐蔽工程验收记录云南省建设厅监防火涂料涂装工程检验批质量验收记录表GB50205-2001××省建设厅监制防腐涂料涂装工程报验申请表工程名称:××××酒店室内装饰装修工程饰装修工程编××省建设厅监制隐蔽工程验收记录××省建设厅监制防腐涂料涂装工程检验批质量验收记录表GB50205-2001××省建设厅监制门窗套制作与安装报验申请表工程名称:××××酒店室内装饰装修工程饰装修工程编××省建设厅监制门窗套制作与安装工程检验批质量验收记录表GB50210-2001××省建设厅监制窗帘盒和窗台板制作与安装报验申请表工程名称:××××酒店室内装饰装修工程饰装修工程编××省建设厅监制窗帘盒、窗台板和散热器罩制作与安装工程检验批质量验收记录表GB50210-2001××省建设厅监制涂料防水层报验申请表工程名称:××××酒店室内装饰装修工程饰装修工程编号:××省建设厅监制防水工程试水检查记录表C5编号:××省建设厅监制隐蔽工程验收记录××省建设厅监制涂料防水层检验批质量验收记录表××省建设厅监制卷材防水层报验申请表工程名称:××××酒店室内装饰装修工程饰装修工程编号:××省建设厅监制防水工程试水检查记录表C5编号:××省建设厅监制隐蔽工程验收记录××省建设厅监制卷材防水层检验批质量验收记录表GB50208-2002××省建设厅监制大理石和花岗石面层报验申请表工程名称:××××酒店室内装饰装修工程饰装修工程编××省建设厅监制大理石和花岗石面层检验批质量验收记录表××省建设厅监制马赛克面层报验申请表工程名称:××××酒店室内装饰装修工程饰装修工程编××省建设厅监制马赛克面层检验批质量验收记录表××省建设厅监制。
目录目录 (1)工程概况表 (8)施工现场管理检查记录 (9)装修部分 (10)砖砌体报验申请表 (11)砖砌体工程检验批质量验收记录表 (12)一般抹灰报验申请表 (13)一般抹灰工程检验批质量验收记录表 (14)防锈漆喷涂报验申请表 (15)防锈涂料涂装工程检验批质量验收记录表 (16)钢结构桁架制作(安装)焊接报验申请表 (17)钢结构制作(安装)焊接工程检验批质量验收记录表 (18)钢结构桁架零件、部件加工报验申请表 (19)钢结构零、部件加工工程检验批质量验收记录表 (20)骨架隔墙报验申请表 (21)隐蔽工程验收记录表 (22)骨架隔墙工程检验批质量验收记录表 (23)暗龙骨吊顶报验申请表 (24)隐蔽工程验收记录表 (25)暗龙骨吊顶工程检验批质量验收记录表 (26)地面找平层报验申请表 (27)找平层检验批质量验收记录表 (28)防火涂料涂装工程报验申请表 (29)隐蔽工程验收记录 (30)防火涂料涂装工程检验批质量验收记录表 (31)防腐涂料涂装工程报验申请表 (32)隐蔽工程验收记录 (33)防腐涂料涂装工程检验批质量验收记录表 (34)门窗套制作与安装报验申请表 (35)门窗套制作与安装工程检验批质量验收记录表 (36)窗帘盒、窗台板和散热器罩制作与安装工程 (38)涂料防水层报验申请表 (39)防水工程试水检查记录 (41)隐蔽工程验收记录 (42)涂料防水层检验批质量验收记录表 (43)卷材防水层报验申请表 (44)防水工程试水检查记录 (45)隐蔽工程验收记录 (46)卷材防水层检验批质量验收记录表 (47)大理石和花岗石面层报验申请表 (48)大理石和花岗石面层检验批质量验收记录表 (49)马赛克面层报验申请表 (50)马赛克面层检验批质量验收记录表 (51)基层清理报验申请表 (52)隐蔽工程检查验收表 (53)饰面板安装报验申请表 (54)隐蔽工程验收记录 (55)饰面板安装工程检验批质量验收记录表 (56)装饰抹灰工程报验申请表 (57)装饰抹灰工程检验批质量验收记录表 (58)木门窗制作报验申请表 (59)木门窗制作工程检验批质量验收记录表 (60)木门窗安装报验申请表 (61)隐蔽工程验收记录 (62)木门窗安装工程检验批质量验收记录表 (63)门窗玻璃安装报验申请表 (64)门窗玻璃安装工程检验批质量验收记录表 (65)溶剂型涂料涂饰报验申请表 (66)溶剂型涂料涂饰工程检验批质量验收记录表 (67)美术涂料涂饰报验申请表 (68)美术涂料涂饰工程检验批质量验收记录表 (69)水性涂料涂饰报验申请表 (70)裱糊工程检验批质量验收记录表 (73)地毯面层报验申请表 (74)隐蔽工程验收记录 (75)地毯面层检验批质量验收记录表 (76)楼梯、护栏和扶手制作与安装工程报验申请表 (77)楼梯、护栏和扶手制作与安装工程 (78)橱柜制作与安装工程报验申请表 (79)橱柜制作与安装工程检验批质量验收记录表 (80)给排水及卫生器具安装部分 (81)室内给水管道及配件安装报验申请表 (82)室内给水管道及配件安装工程检验批质量验收记录表 (83)室内排水管道及配件安装报验申请表 (84)室内排水管道及配件安装工程检验批质量验收记录表 (85)室内热水管道及配件安装报验申请表 (86)室内热水管道及配件安装工程检验批质量验收记录表 (87)卫生器具及给水配件安装报验申请表 (88)卫生器具及给水配件安装工程检验批质量验收记录表 (89)卫生器具排水管道安装报验申请表 (90)卫生器具排水管道安装工程检验批质量验收记录表 (91)卫生器具灌(满)水及通水试验报验申请表 (92)卫生器具灌(满)水及通水试验记录表 (93)电气部分 (94)电线导管和线槽敷设报验申请表 (95)隐蔽工程验收记录 (96)电线导管、电缆导管和线槽敷设检验批质量 (97)电线导管和线槽敷设报验申请表 (98)隐蔽工程验收记录 (99)电线导管、电缆导管和线槽敷设检验批质量 (100)电线穿管和线槽敷设报验申请表 (101)隐蔽工程验收记录 (102)电线、电缆穿管和线槽敷线检验批质量验收记录表 (103)电缆头制作、接线和线路绝缘测试设报验申请表 (104)建筑物等电位联结检验批质量验收记录表 (107)普通灯具安装报验申请表 (107)普通灯具安装检验批质量验收记录表 (109)开关、插座安装报验申请表 (110)开关、插座、风扇安装检验批质量验收记录表 (111)建筑物景观照明灯安装报验申请表 (112)建筑物景观照明灯、航空障碍标志灯和庭院灯安装 (113)建筑物照明通电试运行报验申请表 (114)建筑物照明通电试运行检验批质量验收记录表 (115)接地电阻测试报验申请表 (116)接地电阻测试记录表 (117)低压电器设备、线路绝缘电阻测试报验申请表 (118)低压电器设备、线路绝缘电阻测试记录表 (119)低压电气装置试电检查报验申请表 (120)低压电气装置试电检查记录表 (121)主体结构分部(子分部)工程质量验收报验申请表 (122)主体结构工程分部(子分部)工程质量验收记录表 (123)砖砌体分项工程报验申请表 (124)砖砌体分项工程质量验收记录表 (125)一般抹灰分项工程报验申请表 (126)一般抹灰分项工程质量验收记录表 (127)钢桁架分项工程报验申请表 (128)钢桁架分项工程质量验收记录表 (129)建筑装饰装修分部(子分部)工程质量验收报验申请表 (130)建筑装饰装修分部(子分部)工程质量验收记录表(表1) (131)建筑装饰装修分部(子分部)工程质量验收记录表(表2) (132)建筑装饰装修分部(子分部)工程质量验收记录表(表3) (133)骨架隔墙分项工程报验申请表 (134)骨架隔墙分项工程质量验收记录表 (135)暗龙骨吊顶分项工程报验申请表 (136)暗龙骨吊顶分项工程质量验收记录表 (137)地面找平层分项工程报验申请表 (138)防腐涂料涂装分项工程报验申请表 (142)防腐涂料涂料涂装分项工程质量验收记录表 (143)门窗套制作与安装分项工程报验申请表 (144)门窗套制作与安装分项工程质量验收记录表 (145)窗帘盒、窗台板分项工程报验申请表 (146)窗帘盒、窗台板分项工程质量验收记录表 (147)涂料防水层分项工程报验申请表 (148)涂料防水层分项工程质量验收记录表 (149)卷材防水层分项工程报验申请表 (150)卷材防水层分项工程质量验收记录表 (151)大理石花岗石面层分项工程报验申请表 (152)大理石花岗石面层分项工程质量验收记录表 (153)石材马赛克面层分项工程报验申请表 (154)石材马赛克面层分项工程质量验收记录表 (155)基层清理分项工程报验申请表 (156)基层清理分项工程质量验收记录表 (157)饰面板安装分项工程报验申请表 (158)饰面板安装分项工程质量验收记录表 (159)装饰抹灰分项工程报验申请表 (160)装饰抹灰分项工程质量验收记录表 (161)木门窗制作与安装分项工程报验申请表 (162)木门窗制作与安装分项工程质量验收记录表 (163)木门窗玻璃安装分项工程报验申请表 (164)木门窗玻璃安装分项工程质量验收记录表 (165)溶剂型涂料涂饰分项工程报验申请表 (166)溶剂型涂料涂饰分项工程质量验收记录表 (167)美术涂料涂饰分项工程报验申请表 (168)美术涂料涂饰分项工程质量验收记录表 (169)水性涂料涂饰分项工程报验申请表 (170)水性涂料涂饰分项工程质量验收记录表 (171)裱糊分项工程报验申请表 (172)楼梯、护栏和扶手分项工程报验申请表 (176)楼梯、护栏和扶手分项工程质量验收记录表 (177)橱柜制安分项工程报验申请表 (178)橱柜制安分项工程质量验收记录表 (179)建筑给水、排水及采暖分部(子分部)工程质量 (180)建筑给水、排水及采暖分部(子分部)工程质量验收记录表 (181)室内给水管道及配件安装分项工程报验申请表 (182)室内给水管道及配件安装分项工程质量验收记录表 (183)室内排水管道及配件安装分项工程报验申请表 (184)室内排水管道及配件安装分项工程质量验收记录表 (185)室内热水管道及配件安装分项工程报验申请表 (186)室内热水管道及配件安装分项工程质量验收记录表 (187)卫生器具及给水配件安装分项工程报验申请表 (188)卫生器具及给水配件安装分项工程质量验收记录表 (189)卫生器具排水管道安装分项工程报验申请表 (190)卫生器具排水管道安装分项工程质量验收记录表 (191)卫生器具灌(满)水及通水试验分项工程报验申请表 (192)卫生器具灌(满)水及通水试验分项工程质量验收记录表 (193)建筑电气分部(子分部)工程质量验收报验申请表 (194)建筑电气分部(子分部)工程质量验收记录表 (195)电线导管、电缆导管和线槽敷设分项工程报验申请表 (196)电线导管、电缆导管和线槽敷设分项工程质量验收记录表 (197)电线穿管和线槽敷设分项工程报验申请表 (198)电线穿管和线槽敷设分项工程质量验收记录表 (199)电缆头制作、接线和线路绝缘测试分项工程报验申请表 (200)电缆头制作、接线和线路绝缘测试分项工程质量验收记录表 (201)建筑等电位联结分项工程报验申请表 (202)建筑物等电位联结分项工程质量验收记录表 (203)普通灯具安装分项工程报验申请表 (204)普通灯具安装分项工程质量验收记录表 (205)开关、插座安装分项工程报验申请表 (206)建筑物景观灯具、庭院灯安装分项工程质量验收记录表 (209)建筑物照明通电试运行分项工程报验申请表 (210)建筑物照明通电试运行分项工程质量验收记录表 (211)接地电阻、绝缘电阻和装置试电分项工程报验申请表 (212)接地电阻、绝缘电阻和装置试电分项工程质量验收记录表 .............. 错误!未定义书签。
目录目录1工程概况表14施工现场管理检查记录15装修部分16砖砌体报验申请表16砖砌体工程检验批质量验收记录表17一般抹灰报验申请表18一般抹灰工程检验批质量验收记录表19防锈漆喷涂报验申请表20防锈涂料涂装工程检验批质量验收记录表22钢结构桁架制作(安装)焊接报验申请表23钢结构制作(安装)焊接工程检验批质量验收记录表24钢结构桁架零件、部件加工报验申请表25钢结构零、部件加工工程检验批质量验收记录表27骨架隔墙报验申请表28隐蔽工程验收记录表29骨架隔墙工程检验批质量验收记录表30防腐涂料涂装工程报验申请表40隐蔽工程验收记录42防腐涂料涂装工程检验批质量验收记录表43门窗套制作与安装报验申请表43门窗套制作与安装工程检验批质量验收记录表45卷材防水层报验申请表52防水工程试水检查记录53隐蔽工程验收记录54卷材防水层检验批质量验收记录表55基层清理报验申请表61隐蔽工程检查验收表62木门窗制作报验申请表68木门窗制作工程检验批质量验收记录表70木门窗安装报验申请表71隐蔽工程验收记录72木门窗安装工程检验批质量验收记录表74门窗玻璃安装报验申请表75门窗玻璃安装工程检验批质量验收记录表76溶剂型涂料涂饰报验申请表77溶剂型涂料涂饰工程检验批质量验收记录表78美术涂料涂饰报验申请表80美术涂料涂饰工程检验批质量验收记录表81水性涂料涂饰报验申请表82水性涂料涂饰工程检验批质量验收记录表83橱柜制作与安装工程报验申请表92橱柜制作与安装工程检验批质量验收记录表93室内给水管道及配件安装报验申请表95室内给水管道及配件安装工程检验批质量验收记录表96室内排水管道及配件安装报验申请表97室内排水管道及配件安装工程检验批质量验收记录表99室内热水管道及配件安装报验申请表100室内热水管道及配件安装工程检验批质量验收记录表101106电气部分110电线导管和线槽敷设报验申请表110隐蔽工程验收记录112电线导管、电缆导管和线槽敷设检验批质量112电线导管和线槽敷设报验申请表114隐蔽工程验收记录115电线导管、电缆导管和线槽敷设检验批质量116电线穿管和线槽敷设报验申请表117隐蔽工程验收记录119电线、电缆穿管和线槽敷线检验批质量验收记录表120电缆头制作、接线和线路绝缘测试设报验申请表120电缆头制作、接线和线路绝缘测试检验批质量122建筑物等电位联结报验申请表123建筑物等电位联结检验批质量验收记录表124建筑物景观照明灯安装报验申请表131建筑物景观照明灯、航空障碍标志灯和庭院灯安装132建筑物照明通电试运行报验申请表133建筑物照明通电试运行检验批质量验收记录表135接地电阻测试报验申请表136接地电阻测试记录表137低压电器设备、线路绝缘电阻测试报验申请表138低压电器设备、线路绝缘电阻测试记录表140低压电气装置试电检查报验申请表141低压电气装置试电检查记录表142主体结构分部(子分部)工程质量验收报验申请表143主体结构工程分部(子分部)工程质量验收记录表145砖砌体分项工程报验申请表145砖砌体分项工程质量验收记录表147一般抹灰分项工程报验申请表148一般抹灰分项工程质量验收记录表149钢桁架分项工程报验申请表150钢桁架分项工程质量验收记录表152骨架隔墙分项工程报验申请表157骨架隔墙分项工程质量验收记录表159防腐涂料涂装分项工程报验申请表167防腐涂料涂料涂装分项工程质量验收记录表169门窗套制作与安装分项工程报验申请表170门窗套制作与安装分项工程质量验收记录表171卷材防水层分项工程报验申请表177卷材防水层分项工程质量验收记录表179基层清理分项工程报验申请表185基层清理分项工程质量验收记录表186木门窗制作与安装分项工程报验申请表192木门窗制作与安装分项工程质量验收记录表194溶剂型涂料涂饰分项工程报验申请表197溶剂型涂料涂饰分项工程质量验收记录表199水性涂料涂饰分项工程报验申请表202水性涂料涂饰分项工程质量验收记录表204橱柜制安分项工程报验申请表212橱柜制安分项工程质量验收记录表214建筑给水、排水及采暖分部(子分部)工程质量215建筑给水、排水及采暖分部(子分部)工程质量验收记录表216室内给水管道及配件安装分项工程报验申请表217室内给水管道及配件安装分项工程质量验收记录表218室内排水管道及配件安装分项工程报验申请表219室内排水管道及配件安装分项工程质量验收记录表221室内热水管道及配件安装分项工程报验申请表222室内热水管道及配件安装分项工程质量验收记录表223226228建筑电气分部(子分部)工程质量验收报验申请表232建筑电气分部(子分部)工程质量验收记录表233电线导管、电缆导管和线槽敷设分项工程报验申请表234电线导管、电缆导管和线槽敷设分项工程质量验收记录表235电线穿管和线槽敷设分项工程报验申请表237电线穿管和线槽敷设分项工程质量验收记录表238电缆头制作、接线和线路绝缘测试分项工程报验申请表239电缆头制作、接线和线路绝缘测试分项工程质量验收记录表240建筑等电位联结分项工程报验申请表241建筑物等电位联结分项工程质量验收记录表243建筑物景观灯具、庭院灯安装分项工程报验申请表249建筑物景观灯具、庭院灯安装分项工程质量验收记录表250建筑物照明通电试运行分项工程报验申请表251建筑物照明通电试运行分项工程质量验收记录表253接地电阻、绝缘电阻和装置试电分项工程报验申请表254接地电阻、绝缘电阻和装置试电分项工程质量验收记录表255工程概况表××省建设厅监制施工现场管理检查记录装修部分检验批记录表砖砌体报验申请表工程名称:××××酒店室内装饰装修工程饰装修工程编号:××省建设厅监制砖砌体工程检验批质量验收记录表GB50203-2002××省建设厅监制一般抹灰报验申请表工程名称:××××酒店室内装饰装修工程饰装修工程编号:×省建设厅监制一般抹灰工程检验批质量验收记录表GB50210-2001××省建设厅监制防锈漆喷涂报验申请表工程名称:××××酒店室内装饰装修工程饰装修工程编号:××省建设厅监制防锈涂料涂装工程检验批质量验收记录表GB50205-2001×省建设厅监制钢结构桁架制作(安装)焊接报验申请表工程名称:××××酒店室内装饰装修工程饰装修工程编号:××省建设厅监制钢结构制作(安装)焊接工程检验批质量验收记录表GB50205-2001钢结构桁架零件、部件加工报验申请表工程名称:××××酒店室内装饰装修工程饰装修工程编号:××省建设厅监制钢结构零、部件加工工程检验批质量验收记录表GB50205-2001(Ⅰ)××省建设厅监制骨架隔墙报验申请表工程名称:××××酒店室内装饰装修工程饰装修工程编号:×省建设厅监制隐蔽工程验收记录表第页共页××省建设厅监制骨架隔墙工程检验批质量验收记录表GB50210-2001××省建设厅监制暗龙骨吊顶报验申请表工程名称:××××酒店室内装饰装修工程饰装修工程编号:×省建设厅监制隐蔽工程验收记录表第页共页××省建设厅监制暗龙骨吊顶工程检验批质量验收记录表GB50210-2001地面找平层报验申请表工程名称:××××酒店室内装饰装修工程饰装修工程编号:××省建设厅监制找平层检验批质量验收记录表GB50209-2002(Ⅷ)××省建设厅监制防火涂料涂装工程报验申请表工程名称:××××酒店室内装饰装修工程饰装修工程编号:××省建设厅监制隐蔽工程验收记录编号:南省建设厅监防火涂料涂装工程检验批质量验收记录表GB50205-2001××省建设厅监制防腐涂料涂装工程报验申请表工程名称:××××酒店室内装饰装修工程饰装修工程编号:隐蔽工程验收记录编号:防腐涂料涂装工程检验批质量验收记录表GB50205-2001××省建设厅监制门窗套制作与安装报验申请表工程名称:××××酒店室内装饰装修工程饰装修工程编号:××省建设厅监制门窗套制作与安装工程检验批质量验收记录表GB50210-2001××省建设厅监制窗帘盒和窗台板制作与安装报验申请表工程名称:××××酒店室内装饰装修工程饰装修工程编号:××省建设厅监制窗帘盒、窗台板和散热器罩制作与安装工程检验批质量验收记录表GB50210-2001××省建设厅监制涂料防水层报验申请表工程名称:××××酒店室内装饰装修工程饰装修工程编号:××省建设厅监制防水工程试水检查记录表C5编号:×省建设厅监制隐蔽工程验收记录编号:。
目录目录 (1)工程概况表 (8)施工现场管理检查记录 (9)装修部分 (10)砖砌体报验申请表 (11)砖砌体工程检验批质量验收记录表 (12)一般抹灰报验申请表 (13)一般抹灰工程检验批质量验收记录表 (14)防锈漆喷涂报验申请表 (15)防锈涂料涂装工程检验批质量验收记录表 (16)钢结构桁架制作(安装)焊接报验申请表 (17)钢结构制作(安装)焊接工程检验批质量验收记录表 (18)钢结构桁架零件、部件加工报验申请表 (19)钢结构零、部件加工工程检验批质量验收记录表 (20)骨架隔墙报验申请表 (21)隐蔽工程验收记录表 (22)骨架隔墙工程检验批质量验收记录表 (23)暗龙骨吊顶报验申请表 (24)隐蔽工程验收记录表 (25)暗龙骨吊顶工程检验批质量验收记录表 (26)地面找平层报验申请表 (27)找平层检验批质量验收记录表 (28)防火涂料涂装工程报验申请表 (29)隐蔽工程验收记录 (30)防火涂料涂装工程检验批质量验收记录表 (31)防腐涂料涂装工程报验申请表 (32)隐蔽工程验收记录 (33)防腐涂料涂装工程检验批质量验收记录表 (34)门窗套制作与安装报验申请表 (35)门窗套制作与安装工程检验批质量验收记录表 (36)窗帘盒和窗台板制作与安装报验申请表 (37)窗帘盒、窗台板和散热器罩制作与安装工程 (38)涂料防水层报验申请表 (39)防水工程试水检查记录 (41)隐蔽工程验收记录 (42)涂料防水层检验批质量验收记录表 (43)卷材防水层报验申请表 (44)防水工程试水检查记录 (45)隐蔽工程验收记录 (46)卷材防水层检验批质量验收记录表 (47)大理石和花岗石面层报验申请表 (48)大理石和花岗石面层检验批质量验收记录表 (49)马赛克面层报验申请表 (50)马赛克面层检验批质量验收记录表 (51)基层清理报验申请表 (52)隐蔽工程检查验收表 (53)饰面板安装报验申请表 (54)隐蔽工程验收记录 (55)饰面板安装工程检验批质量验收记录表 (56)装饰抹灰工程报验申请表 (57)装饰抹灰工程检验批质量验收记录表 (58)木门窗制作报验申请表 (59)木门窗制作工程检验批质量验收记录表 (60)木门窗安装报验申请表 (61)隐蔽工程验收记录 (62)木门窗安装工程检验批质量验收记录表 (63)门窗玻璃安装报验申请表 (64)门窗玻璃安装工程检验批质量验收记录表 (65)溶剂型涂料涂饰报验申请表 (66)溶剂型涂料涂饰工程检验批质量验收记录表 (67)美术涂料涂饰报验申请表 (68)美术涂料涂饰工程检验批质量验收记录表 (69)水性涂料涂饰报验申请表 (70)水性涂料涂饰工程检验批质量验收记录表 (71)裱糊工程报验申请表 (72)裱糊工程检验批质量验收记录表 (73)地毯面层报验申请表 (74)隐蔽工程验收记录 (75)地毯面层检验批质量验收记录表 (76)楼梯、护栏和扶手制作与安装工程报验申请表 (77)楼梯、护栏和扶手制作与安装工程 (78)橱柜制作与安装工程报验申请表 (79)橱柜制作与安装工程检验批质量验收记录表 (80)给排水及卫生器具安装部分 (81)室内给水管道及配件安装报验申请表 (82)室内给水管道及配件安装工程检验批质量验收记录表 (83)室内排水管道及配件安装报验申请表 (84)室内排水管道及配件安装工程检验批质量验收记录表 (85)室内热水管道及配件安装报验申请表 (86)室内热水管道及配件安装工程检验批质量验收记录表 (87)卫生器具及给水配件安装报验申请表 (88)卫生器具及给水配件安装工程检验批质量验收记录表 (89)卫生器具排水管道安装报验申请表 (90)卫生器具排水管道安装工程检验批质量验收记录表 (91)卫生器具灌(满)水及通水试验报验申请表 (92)卫生器具灌(满)水及通水试验记录表 (93)电气部分 (95)电线导管和线槽敷设报验申请表 (96)隐蔽工程验收记录 (97)电线导管、电缆导管和线槽敷设检验批质量 (98)电线导管和线槽敷设报验申请表 (99)隐蔽工程验收记录 (100)电线导管、电缆导管和线槽敷设检验批质量 (101)电线穿管和线槽敷设报验申请表 (102)隐蔽工程验收记录 (103)电线、电缆穿管和线槽敷线检验批质量验收记录表 (104)电缆头制作、接线和线路绝缘测试设报验申请表 (105)电缆头制作、接线和线路绝缘测试检验批质量 (106)建筑物等电位联结报验申请表 (107)建筑物等电位联结检验批质量验收记录表 (108)普通灯具安装报验申请表 (109)普通灯具安装检验批质量验收记录表 (110)开关、插座安装报验申请表 (111)开关、插座、风扇安装检验批质量验收记录表 (112)建筑物景观照明灯安装报验申请表 (113)建筑物景观照明灯、航空障碍标志灯和庭院灯安装 (114)建筑物照明通电试运行报验申请表 (115)建筑物照明通电试运行检验批质量验收记录表 (116)接地电阻测试报验申请表 (117)接地电阻测试记录表 (118)低压电器设备、线路绝缘电阻测试报验申请表 (119)低压电器设备、线路绝缘电阻测试记录表 (120)低压电气装置试电检查报验申请表 (121)低压电气装置试电检查记录表 (122)主体结构分部(子分部)工程质量验收报验申请表 (123)主体结构工程分部(子分部)工程质量验收记录表 (125)砖砌体分项工程报验申请表 (126)砖砌体分项工程质量验收记录表 (127)一般抹灰分项工程报验申请表 (128)一般抹灰分项工程质量验收记录表 (129)钢桁架分项工程报验申请表 (130)钢桁架分项工程质量验收记录表 (131)建筑装饰装修分部(子分部)工程质量验收报验申请表 (132)建筑装饰装修分部(子分部)工程质量验收记录表(表1) (133)建筑装饰装修分部(子分部)工程质量验收记录表(表2) (134)建筑装饰装修分部(子分部)工程质量验收记录表(表3) (135)骨架隔墙分项工程报验申请表 (136)骨架隔墙分项工程质量验收记录表 (137)暗龙骨吊顶分项工程报验申请表 (138)地面找平层分项工程报验申请表 (140)地面找平层分项工程质量验收记录表 (141)防火涂料涂装分项工程报验申请表 (142)防火涂料涂装分项工程质量验收记录表 (143)防腐涂料涂装分项工程报验申请表 (144)防腐涂料涂料涂装分项工程质量验收记录表 (145)门窗套制作与安装分项工程报验申请表 (146)门窗套制作与安装分项工程质量验收记录表 (147)窗帘盒、窗台板分项工程报验申请表 (148)窗帘盒、窗台板分项工程质量验收记录表 (149)涂料防水层分项工程报验申请表 (150)涂料防水层分项工程质量验收记录表 (151)卷材防水层分项工程报验申请表 (152)卷材防水层分项工程质量验收记录表 (153)大理石花岗石面层分项工程报验申请表 (154)大理石花岗石面层分项工程质量验收记录表 (155)石材马赛克面层分项工程报验申请表 (156)石材马赛克面层分项工程质量验收记录表 (157)基层清理分项工程报验申请表 (158)基层清理分项工程质量验收记录表 (159)饰面板安装分项工程报验申请表 (160)饰面板安装分项工程质量验收记录表 (161)装饰抹灰分项工程报验申请表 (162)装饰抹灰分项工程质量验收记录表 (163)木门窗制作与安装分项工程报验申请表 (164)木门窗制作与安装分项工程质量验收记录表 (165)木门窗玻璃安装分项工程报验申请表 (166)木门窗玻璃安装分项工程质量验收记录表 (167)溶剂型涂料涂饰分项工程报验申请表 (168)溶剂型涂料涂饰分项工程质量验收记录表 (169)美术涂料涂饰分项工程报验申请表 (170)美术涂料涂饰分项工程质量验收记录表 (171)水性涂料涂饰分项工程质量验收记录表 (173)裱糊分项工程报验申请表 (174)裱糊分项工程质量验收记录表 (175)地毯面层分项工程报验申请表 (176)地毯面层分项工程质量验收记录表 (177)楼梯、护栏和扶手分项工程报验申请表 (178)楼梯、护栏和扶手分项工程质量验收记录表 (179)橱柜制安分项工程报验申请表 (180)橱柜制安分项工程质量验收记录表 (181)建筑给水、排水及采暖分部(子分部)工程质量 (182)建筑给水、排水及采暖分部(子分部)工程质量验收记录表 (183)室内给水管道及配件安装分项工程报验申请表 (184)室内给水管道及配件安装分项工程质量验收记录表 (185)室内排水管道及配件安装分项工程报验申请表 (186)室内排水管道及配件安装分项工程质量验收记录表 (187)室内热水管道及配件安装分项工程报验申请表 (188)室内热水管道及配件安装分项工程质量验收记录表 (189)卫生器具及给水配件安装分项工程报验申请表 (190)卫生器具及给水配件安装分项工程质量验收记录表 (191)卫生器具排水管道安装分项工程报验申请表 (192)卫生器具排水管道安装分项工程质量验收记录表 (193)卫生器具灌(满)水及通水试验分项工程报验申请表 (194)卫生器具灌(满)水及通水试验分项工程质量验收记录表 (195)建筑电气分部(子分部)工程质量验收报验申请表 (196)建筑电气分部(子分部)工程质量验收记录表 (197)电线导管、电缆导管和线槽敷设分项工程报验申请表 (198)电线导管、电缆导管和线槽敷设分项工程质量验收记录表 (200)电线穿管和线槽敷设分项工程报验申请表 (201)电线穿管和线槽敷设分项工程质量验收记录表 (202)电缆头制作、接线和线路绝缘测试分项工程报验申请表 (203)电缆头制作、接线和线路绝缘测试分项工程质量验收记录表 (204)建筑等电位联结分项工程报验申请表 (205)建筑物等电位联结分项工程质量验收记录表 (206)普通灯具安装分项工程报验申请表 (207)普通灯具安装分项工程质量验收记录表 (208)开关、插座安装分项工程报验申请表 (209)开关、插座安装分项工程质量验收记录表 (210)建筑物景观灯具、庭院灯安装分项工程报验申请表 (211)建筑物景观灯具、庭院灯安装分项工程质量验收记录表 (212)建筑物照明通电试运行分项工程报验申请表 (213)建筑物照明通电试运行分项工程质量验收记录表 (214)接地电阻、绝缘电阻和装置试电分项工程报验申请表 (215)接地电阻、绝缘电阻和装置试电分项工程质量验收记录表 (216)工程概况表××省建设厅监制施工现场管理检查记录编号:××省建设厅监制装修部分检验批记录表砖砌体报验申请表××省建设厅监制砖砌体工程检验批质量验收记录表一般抹灰报验申请表××省建设厅监制一般抹灰工程检验批质量验收记录表GB50210-2001××省建设厅监制防锈漆喷涂报验申请表××省建设厅监制防锈涂料涂装工程检验批质量验收记录表GB50205-2001××省建设厅监制钢结构桁架制作(安装)焊接报验申请表工程名称:××××酒店室内装饰装修工程饰装修工程编号:××省建设厅监制钢结构制作(安装)焊接工程检验批质量验收记录表GB50205-2001(Ⅰ)钢结构桁架零件、部件加工报验申请表工程名称:××××酒店室内装饰装修工程饰装修工程编号:××省建设厅监制钢结构零、部件加工工程检验批质量验收记录表GB50205-2001(Ⅰ)××省建设厅监制骨架隔墙报验申请表工程名称:××××酒店室内装饰装修工程饰装修工程编号:××省建设厅监制隐蔽工程验收记录表第页共页××省建设厅监制骨架隔墙工程检验批质量验收记录表GB50210-2001××省建设厅监制暗龙骨吊顶报验申请表工程名称:××××酒店室内装饰装修工程饰装修工程编号:××省建设厅监制隐蔽工程验收记录表××省建设厅监制暗龙骨吊顶工程检验批质量验收记录表GB50210-2001××省建设厅监制地面找平层报验申请表工程名称:××××酒店室内装饰装修工程饰装修工程编号:××省建设厅监制找平层检验批质量验收记录表GB50209-2002(Ⅷ)××省建设厅监制防火涂料涂装工程报验申请表工程名称:××××酒店室内装饰装修工程饰装修工程编号:××省建设厅监制隐蔽工程验收记录云南省建设厅监防火涂料涂装工程检验批质量验收记录表GB50205-2001××省建设厅监制防腐涂料涂装工程报验申请表工程名称:××××酒店室内装饰装修工程饰装修工程编号:××省建设厅监制隐蔽工程验收记录××省建设厅监制防腐涂料涂装工程检验批质量验收记录表GB50205-2001××省建设厅监制门窗套制作与安装报验申请表工程名称:××××酒店室内装饰装修工程饰装修工程编号:××省建设厅监制门窗套制作与安装工程检验批质量验收记录表GB50210-2001××省建设厅监制窗帘盒和窗台板制作与安装报验申请表工程名称:××××酒店室内装饰装修工程饰装修工程编号:××省建设厅监制窗帘盒、窗台板和散热器罩制作与安装工程检验批质量验收记录表GB50210-2001××省建设厅监制涂料防水层报验申请表工程名称:××××酒店室内装饰装修工程饰装修工程编号:××省建设厅监制防水工程试水检查记录表C5编号:××省建设厅监制隐蔽工程验收记录××省建设厅监制涂料防水层检验批质量验收记录表卷材防水层报验申请表工程名称:××××酒店室内装饰装修工程饰装修工程编防水工程试水检查记录表C5编号:××省建设厅监制隐蔽工程验收记录××省建设厅监制卷材防水层检验批质量验收记录表GB50208-2002××省建设厅监制大理石和花岗石面层报验申请表工程名称:××××酒店室内装饰装修工程饰装修工程编大理石和花岗石面层检验批质量验收记录表××省建设厅监制马赛克面层报验申请表工程名称:××××酒店室内装饰装修工程饰装修工程编。
目录目录 (1)工程概况表 (8)施工现场管理检查记录 (9)装修部分 (10)砖砌体报验申请表 (11)砖砌体工程检验批质量验收记录表 (12)一般抹灰报验申请表 (13)一般抹灰工程检验批质量验收记录表 (14)防锈漆喷涂报验申请表 (15)防锈涂料涂装工程检验批质量验收记录表 (16)钢结构桁架制作(安装)焊接报验申请表 (17)钢结构制作(安装)焊接工程检验批质量验收记录表 (18)钢结构桁架零件、部件加工报验申请表 (19)钢结构零、部件加工工程检验批质量验收记录表 (20)骨架隔墙报验申请表 (21)隐蔽工程验收记录表 (23)骨架隔墙工程检验批质量验收记录表 (24)暗龙骨吊顶报验申请表 (25)隐蔽工程验收记录表 (26)暗龙骨吊顶工程检验批质量验收记录表 (27)地面找平层报验申请表 (28)找平层检验批质量验收记录表 (29)防火涂料涂装工程报验申请表 (30)隐蔽工程验收记录 (31)防火涂料涂装工程检验批质量验收记录表 (32)防腐涂料涂装工程报验申请表 (33)隐蔽工程验收记录 (34)防腐涂料涂装工程检验批质量验收记录表 (36)门窗套制作与安装报验申请表 (37)门窗套制作与安装工程检验批质量验收记录表 (38)窗帘盒和窗台板制作与安装报验申请表 (39)窗帘盒、窗台板和散热器罩制作与安装工程 (40)涂料防水层报验申请表 (41)防水工程试水检查记录 (43)隐蔽工程验收记录 (44)涂料防水层检验批质量验收记录表 (45)卷材防水层报验申请表 (46)防水工程试水检查记录 (47)隐蔽工程验收记录 (48)卷材防水层检验批质量验收记录表 (49)大理石和花岗石面层报验申请表 (50)大理石和花岗石面层检验批质量验收记录表 (52)马赛克面层报验申请表 (53)马赛克面层检验批质量验收记录表 (54)基层清理报验申请表 (55)隐蔽工程检查验收表 (56)饰面板安装报验申请表 (57)隐蔽工程验收记录 (59)饰面板安装工程检验批质量验收记录表 (60)装饰抹灰工程报验申请表 (61)装饰抹灰工程检验批质量验收记录表 (62)木门窗制作报验申请表 (63)木门窗制作工程检验批质量验收记录表 (64)木门窗安装报验申请表 (65)隐蔽工程验收记录 (66)木门窗安装工程检验批质量验收记录表 (68)门窗玻璃安装报验申请表 (69)门窗玻璃安装工程检验批质量验收记录表 (70)溶剂型涂料涂饰报验申请表 (71)溶剂型涂料涂饰工程检验批质量验收记录表 (72)美术涂料涂饰报验申请表 (73)美术涂料涂饰工程检验批质量验收记录表 (74)水性涂料涂饰工程检验批质量验收记录表 (76)裱糊工程报验申请表 (77)裱糊工程检验批质量验收记录表 (78)地毯面层报验申请表 (79)隐蔽工程验收记录 (81)地毯面层检验批质量验收记录表 (82)楼梯、护栏和扶手制作与安装工程报验申请表 (83)楼梯、护栏和扶手制作与安装工程 (84)橱柜制作与安装工程报验申请表 (85)橱柜制作与安装工程检验批质量验收记录表 (86)给排水及卫生器具安装部分 (87)室内给水管道及配件安装报验申请表 (88)室内给水管道及配件安装工程检验批质量验收记录表 (89)室内排水管道及配件安装报验申请表 (90)室内排水管道及配件安装工程检验批质量验收记录表 (91)室内热水管道及配件安装报验申请表 (92)室内热水管道及配件安装工程检验批质量验收记录表 (93)卫生器具及给水配件安装报验申请表 (94)卫生器具及给水配件安装工程检验批质量验收记录表 (95)卫生器具排水管道安装报验申请表 (96)卫生器具排水管道安装工程检验批质量验收记录表 (97)卫生器具灌(满)水及通水试验报验申请表 (98)卫生器具灌(满)水及通水试验记录表 (99)电气部分 (100)电线导管和线槽敷设报验申请表 (101)隐蔽工程验收记录 (102)电线导管、电缆导管和线槽敷设检验批质量 (103)电线导管和线槽敷设报验申请表 (104)隐蔽工程验收记录 (105)电线导管、电缆导管和线槽敷设检验批质量 (106)电线穿管和线槽敷设报验申请表 (107)电线、电缆穿管和线槽敷线检验批质量验收记录表 (109)电缆头制作、接线和线路绝缘测试设报验申请表 (110)电缆头制作、接线和线路绝缘测试检验批质量 (111)建筑物等电位联结报验申请表 (112)建筑物等电位联结检验批质量验收记录表 (113)普通灯具安装报验申请表 (114)普通灯具安装检验批质量验收记录表 (115)开关、插座安装报验申请表 (117)开关、插座、风扇安装检验批质量验收记录表 (118)建筑物景观照明灯安装报验申请表 (119)建筑物景观照明灯、航空障碍标志灯和庭院灯安装 (120)建筑物照明通电试运行报验申请表 (121)建筑物照明通电试运行检验批质量验收记录表 (122)接地电阻测试报验申请表 (123)接地电阻测试记录表 (125)低压电器设备、线路绝缘电阻测试报验申请表 (126)低压电器设备、线路绝缘电阻测试记录表 (127)低压电气装置试电检查报验申请表 (128)低压电气装置试电检查记录表 (129)主体结构分部(子分部)工程质量验收报验申请表 (131)主体结构工程分部(子分部)工程质量验收记录表 (132)砖砌体分项工程报验申请表 (133)砖砌体分项工程质量验收记录表 (134)一般抹灰分项工程报验申请表 (135)一般抹灰分项工程质量验收记录表 (136)钢桁架分项工程报验申请表 (137)钢桁架分项工程质量验收记录表 (138)建筑装饰装修分部(子分部)工程质量验收报验申请表 (139)建筑装饰装修分部(子分部)工程质量验收记录表(表1) (141)建筑装饰装修分部(子分部)工程质量验收记录表(表2) (142)建筑装饰装修分部(子分部)工程质量验收记录表(表3) (143)骨架隔墙分项工程质量验收记录表 (145)暗龙骨吊顶分项工程报验申请表 (146)暗龙骨吊顶分项工程质量验收记录表 (147)地面找平层分项工程报验申请表 (148)地面找平层分项工程质量验收记录表 (149)防火涂料涂装分项工程报验申请表 (150)防火涂料涂装分项工程质量验收记录表 (152)防腐涂料涂装分项工程报验申请表 (153)防腐涂料涂料涂装分项工程质量验收记录表 (154)门窗套制作与安装分项工程报验申请表 (155)门窗套制作与安装分项工程质量验收记录表 (156)窗帘盒、窗台板分项工程报验申请表 (157)窗帘盒、窗台板分项工程质量验收记录表 (158)涂料防水层分项工程报验申请表 (159)涂料防水层分项工程质量验收记录表 (161)卷材防水层分项工程报验申请表 (162)卷材防水层分项工程质量验收记录表 (163)大理石花岗石面层分项工程报验申请表 (164)大理石花岗石面层分项工程质量验收记录表 (165)石材马赛克面层分项工程报验申请表 (166)石材马赛克面层分项工程质量验收记录表 (167)基层清理分项工程报验申请表 (168)基层清理分项工程质量验收记录表 (169)饰面板安装分项工程报验申请表 (170)饰面板安装分项工程质量验收记录表 (171)装饰抹灰分项工程报验申请表 (172)装饰抹灰分项工程质量验收记录表 (173)木门窗制作与安装分项工程报验申请表 (174)木门窗制作与安装分项工程质量验收记录表 (175)木门窗玻璃安装分项工程报验申请表 (176)木门窗玻璃安装分项工程质量验收记录表 (177)溶剂型涂料涂饰分项工程质量验收记录表 (179)美术涂料涂饰分项工程报验申请表 (180)美术涂料涂饰分项工程质量验收记录表 (181)水性涂料涂饰分项工程报验申请表 (182)水性涂料涂饰分项工程质量验收记录表 (183)裱糊分项工程报验申请表 (184)裱糊分项工程质量验收记录表 (185)地毯面层分项工程报验申请表 (186)地毯面层分项工程质量验收记录表 (187)楼梯、护栏和扶手分项工程报验申请表 (188)楼梯、护栏和扶手分项工程质量验收记录表 (189)橱柜制安分项工程报验申请表 (190)橱柜制安分项工程质量验收记录表 (191)建筑给水、排水及采暖分部(子分部)工程质量 (192)建筑给水、排水及采暖分部(子分部)工程质量验收记录表 (194)室内给水管道及配件安装分项工程报验申请表 (195)室内给水管道及配件安装分项工程质量验收记录表 (196)室内排水管道及配件安装分项工程报验申请表 (197)室内排水管道及配件安装分项工程质量验收记录表 (198)室内热水管道及配件安装分项工程报验申请表 (199)室内热水管道及配件安装分项工程质量验收记录表 (200)卫生器具及给水配件安装分项工程报验申请表 (201)卫生器具及给水配件安装分项工程质量验收记录表 (202)卫生器具排水管道安装分项工程报验申请表 (203)卫生器具排水管道安装分项工程质量验收记录表 (205)卫生器具灌(满)水及通水试验分项工程报验申请表 (206)卫生器具灌(满)水及通水试验分项工程质量验收记录表 (207)建筑电气分部(子分部)工程质量验收报验申请表 (208)建筑电气分部(子分部)工程质量验收记录表 (209)电线导管、电缆导管和线槽敷设分项工程报验申请表 (210)电线导管、电缆导管和线槽敷设分项工程质量验收记录表 (211)电线穿管和线槽敷设分项工程质量验收记录表 (213)电缆头制作、接线和线路绝缘测试分项工程报验申请表 (214)电缆头制作、接线和线路绝缘测试分项工程质量验收记录表 (216)建筑等电位联结分项工程报验申请表 (217)建筑物等电位联结分项工程质量验收记录表 (218)普通灯具安装分项工程报验申请表 (219)普通灯具安装分项工程质量验收记录表 (220)开关、插座安装分项工程报验申请表 (221)开关、插座安装分项工程质量验收记录表 (222)建筑物景观灯具、庭院灯安装分项工程报验申请表 (223)建筑物景观灯具、庭院灯安装分项工程质量验收记录表 (224)建筑物照明通电试运行分项工程报验申请表 (225)建筑物照明通电试运行分项工程质量验收记录表 (226)接地电阻、绝缘电阻和装置试电分项工程报验申请表 (227)接地电阻、绝缘电阻和装置试电分项工程质量验收记录表 (228)工程概况表××省建设厅监制施工现场管理检查记录装修部分检验批记录表砖砌体报验申请表××省建设厅监制砖砌体工程检验批质量验收记录表××省建设厅监制一般抹灰报验申请表××省建设厅监制一般抹灰工程检验批质量验收记录表GB50210-2001××省建设厅监制防锈漆喷涂报验申请表××省建设厅监制防锈涂料涂装工程检验批质量验收记录表GB50205-2001××省建设厅监制钢结构桁架制作(安装)焊接报验申请表工程名称:××××酒店室内装饰装修工程饰装修工程编号:××省建设厅监制钢结构制作(安装)焊接工程检验批质量验收记录表GB50205-2001(Ⅰ)钢结构桁架零件、部件加工报验申请表工程名称:××××酒店室内装饰装修工程饰装修工程编号:××省建设厅监制钢结构零、部件加工工程检验批质量验收记录表GB50205-2001(Ⅰ)××省建设厅监制骨架隔墙报验申请表工程名称:××××酒店室内装饰装修工程饰装修工程编××省建设厅监制隐蔽工程验收记录表××省建设厅监制骨架隔墙工程检验批质量验收记录表GB50210-2001××省建设厅监制暗龙骨吊顶报验申请表工程名称:××××酒店室内装饰装修工程饰装修工程编××省建设厅监制隐蔽工程验收记录表××省建设厅监制暗龙骨吊顶工程检验批质量验收记录表GB50210-2001地面找平层报验申请表工程名称:××××酒店室内装饰装修工程饰装修工程编找平层检验批质量验收记录表GB50209-2002(Ⅷ)防火涂料涂装工程报验申请表工程名称:××××酒店室内装饰装修工程饰装修工程编××省建设厅监制隐蔽工程验收记录云南省建设厅监防火涂料涂装工程检验批质量验收记录表GB50205-2001××省建设厅监制防腐涂料涂装工程报验申请表工程名称:××××酒店室内装饰装修工程饰装修工程编号:××省建设厅监制隐蔽工程验收记录编号:××省建设厅监制防腐涂料涂装工程检验批质量验收记录表GB50205-2001××省建设厅监制门窗套制作与安装报验申请表工程名称:××××酒店室内装饰装修工程饰装修工程编门窗套制作与安装工程检验批质量验收记录表GB50210-2001窗帘盒和窗台板制作与安装报验申请表工程名称:××××酒店室内装饰装修工程饰装修工程编××省建设厅监制窗帘盒、窗台板和散热器罩制作与安装工程检验批质量验收记录表GB50210-2001××省建设厅监制涂料防水层报验申请表工程名称:××××酒店室内装饰装修工程饰装修工程编号:××省建设厅监制防水工程试水检查记录表C5编号:××省建设厅监制隐蔽工程验收记录××省建设厅监制涂料防水层检验批质量验收记录表××省建设厅监制卷材防水层报验申请表工程名称:××××酒店室内装饰装修工程饰装修工程编××省建设厅监制防水工程试水检查记录表C5编号:××省建设厅监制隐蔽工程验收记录编号:××省建设厅监制卷材防水层检验批质量验收记录表GB50208-2002××省建设厅监制大理石和花岗石面层报验申请表。