环保作业指导书
- 格式:doc
- 大小:55.50 KB
- 文档页数:12
集团炼钢厂环境保护管理作业指导书1.总则1.1 炼钢厂必须将环境保护纳入整体规划,使环境保护与本厂生产经营协调发展。
1.2 炼钢厂各单位和个人都有保护和改善环境的业务,对污染环境行为有权提出建议和意见。
1.3 污染治理坚持“以防为主,防治结合”的原则,重大污染项目的治理由炼钢厂安排协调进行,一般污染项目按“谁污染,谁治理”的原则,由污染单位负责治理。
1.4 对保护环境,防治污染,方面做出显著成绩的单位和个人,由炼钢厂给予奖励。
2.职责2.1 炼钢厂实行厂长领导下的“一人主管、分工负责”,“职能科室各负其责”的环境管理体制,确保环境保护工作持续有效进行。
2.2 成立安全环保工作委员会,由厂长任委员会主任,分管环保工作的副厂长任副主任,环保工作办公室设在综合办。
2.3综合办负责环保设备的日常管理和资源、能源的具体管理工作。
2.4职能科室、工段对本单位工作范围内的环保工作负责。
3.环境管理、污染防治工作规定3.1 推行标准化作业,从源头削减污染,减少污染物的产生是实现清洁生产的基础,原料作业区要加强管理,不断采取改进措施,实施能源和原料的综合利用,提高资源利用效率,在严格执行配料比的前提下尽力减少和避免污染物的产生,为炼钢生产做好前期准备工作。
3.2 炼钢厂要精心组织生产,严格执行操作规程和各项生产管理制度,加强对上料工、兑铁工的管理,确保减少粉末,降低粉尘浓度的思想不动摇,克服一味追求快造成污染的操作行为。
3.3除尘区域要加强各抽尘点和除尘管道的管理,加强监督和检查,确保抽尘点畅通,管道无泄漏,抽尘效果良好。
如抽尘管道需要更换,经主管厂长批准,综合办联系外协单位及时更换。
3.4 除尘工段要加强电除尘及各抽风机的管理,定期清灰和维护保养,确保正常投运,确保除尘效果,确保不超标排放。
3.5 各单位要把污染治理工作纳入重要议事日程,采取有效措施,防治生产过程中的废水、废气、噪声污染,必须遵守国家和公司的管理规定,防止造成环境污染和其他危害。
环境安全作业指导书一、背景介绍环境安全是现代社会发展的重要方向之一,保护环境、确保人民生命财产安全是我们每个人的责任。
为了提高员工对环境安全的认知和应对能力,制定一本环境安全作业指导书是非常必要的。
二、环境保护意识培养1. 培养全部员工的环境保护意识:a. 引导员工认识环境保护的重要性,并强调环境安全对于公司发展的影响。
b. 鼓励员工参与环境保护行动,通过开展培训、宣传活动提高他们的环境保护意识。
c. 加强员工对于环境法律法规和政策的学习,确保他们遵守相关规定。
2. 培养员工节约资源的意识:a. 指导员工正确使用能源和水资源,提倡绿色出行,降低能源和水的消耗。
b. 鼓励员工减少纸张、塑料等资源的浪费,提倡环保材料的使用。
c. 建立回收利用制度,引导员工将废纸、废弃物品等进行分类回收。
三、环境风险防控措施1. 安全设施的设置:a. 确保消防设备齐全,并设立消防通道,保证员工的安全疏散。
b. 配备个人防护装备,并确保员工正确佩戴使用。
c. 非必要情况下,员工不得私自操作或接触可能带来环境风险的设备或物品。
2. 应急预案和演练:a. 制定完善的环境安全应急预案,并确保员工熟悉和掌握相关流程。
b. 定期组织环境安全演练,提高员工应对突发环境事故的能力。
c. 紧急情况下,员工要迅速报警并按照应急预案的要求进行逃生和求救。
四、环境安全监管管理1. 建立环境安全监测体系:a. 定期对公司环境进行监测和评估,确保环境安全指标符合相关要求。
b. 建立环境污染源监测和管理制度,随时掌握污染情况,并采取相应措施进行治理。
2. 加强环境安全培训:a. 为员工提供环境安全培训,加强他们的环境保护意识和安全防范能力。
b. 针对不同岗位的员工实施专业化的环境安全培训,提高他们对潜在风险的识别和应对能力。
3. 定期检查和评估:a. 建立健全的环境安全检查制度,定期对公司各环节的环境安全进行检查。
b. 对发现的问题及时整改,确保环境安全指标符合相关标准和法规。
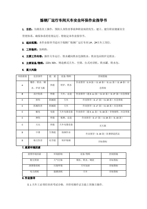
炼钢厂运行车间天车安全环保作业指导书1. 目的:为规范员工操作,预防人身伤害事故和职业病的发生,建立、健全职业健康安全管理体系,确保体系的有效运行,特制定本作业指导书。
2. 适应范围:本作业指导书适应于炼钢厂炼钢厂运行车间1#、2#天车工岗位。
3. 工作场所:加料跨。
4. 主要工作内容:操作天车运行、铁水罐向铁水包倒铁水、铁水包向转炉兑铁水。
5. 主要设备/物料:225t/65t、铸造桥式天车、空调、台式对讲机、铁水罐、铁水包。
6. 重大风险8.1天车工必须经培训考试合格,并持有操作证方能上岗独立操作。
8.2天车工必须熟悉了解《天车工通用岗位安全环保作业指导书》,严格遵守《炼钢厂员工通用岗位安全环保作业指导书》。
8.3接班应进行限位验试,连试二次,确认限位装置在两次试验中均在同一高度起到限位作用,才能操作。
8.4吊运前,应进行重负荷试车,将铁水罐中吊离地面700MM高时,停一下然后将控制器置于下降一次,稍做停留后回零,确认制动良好才准起吊。
8.5吊挂任何物体都必须有领航工的指挥,才能起吊,在没有领航工领航的情况下,禁止吊挂。
对任何人发出的紧急停车信号都必须停车。
8.6天车工在换班或工作停歇时,必须切断电源,以防发生误操作8.7在得到吊挂铁水罐指令时,必须听从领航工的指令,在领航工确认两个吊钩均吊挂到位,并确认领航工已离开铁水罐一定距离,指挥起吊后才能起吊。
8.8当吊挂起铁水罐主、付钩同时上升时,付钩以点动方式缓慢操作,避免铁水从罐内溢出烧伤地面人员。
8.9当吊运过满铁水罐时,要及时通知地面领航工,等领航工到达安全区域后并得到领航工的指令才能吊运,以防铁水溢出,溅落地面打炮伤人。
8.10在倒(兑)铁水时,主、付钩要同时下降到适当的位置,然后付钩点动上升,禁止在倒(兑)铁水时将主钩下降,防止主钩制动器失灵,发生吊物坠落。
8.11兑铁水时应遵循先小后大、再小的程序。
有喷溅预兆时,停止兑铁水并用铁包挡住炉口,防止喷溅伤害。
环保工程作业指导书作业指导一:环保工程的概述环保工程是指在建设及运行过程中,通过使用合适的技术和措施,以减少对环境的污染和破坏,保护自然资源和生态环境的工程项目。
本指导书旨在为环保工程的实施提供具体的指导和建议。
作业指导二:环保法规与政策环保工程在实施过程中必须遵守相关的法规与政策。
在进行环保工程前,务必详细了解、熟悉并遵守本地区的环保法规与政策。
特别是关于废物处置、大气污染、水污染和土壤污染等方面的相关法律要求。
如果不确定该遵守哪些法规,应向相关主管部门进行咨询。
作业指导三:环保工程的设计与规划环保工程的设计与规划是确保工程项目能够有效地减少对环境的污染和破坏的重要环节。
在设计与规划过程中,应考虑以下几个方面的内容:1.选址要求:选择合适的地理位置,避免对自然生态环境造成不可逆转的损害。
避免选择水源保护区或防护区作为项目场地。
2.资源利用:充分利用可再生能源和优化能源结构,减少对非可再生资源的消耗。
3.污染防控:在规划与设计过程中,要充分考虑对大气污染、水污染和土壤污染的防控措施。
该项工作需委托专业的环境工程技术公司或研究机构进行评估和设计,确保工程项目在实施过程中不会对环境造成重大污染。
作业指导四:环保工程的材料选择与采购环保工程实施过程中所用的材料必须符合环保要求。
在进行材料选择与采购时,应考虑以下几个方面的内容:1.材料环保性能:材料应符合国家环保标准,不能含有有害物质,如铅、汞、镉等。
特别是涉及到接触食品或饮用水的材料,其环保性能要求更高。
2.材料来源与采购:优先选择环境友好型的材料,如可再生材料或回收材料。
加强对供应商的审核,确保采购的材料来源可靠,并符合环保要求。
作业指导五:环保工程的施工与监督环保工程的施工与监督环节是确保项目能够高质量、环保地完成的关键环节。
在施工与监督过程中,应考虑以下几个方面的内容:1.施工组织:合理编制施工组织方案,明确环保工程要求,并制定相应的管理制度和工作程序。
德信诚培训网
更多免费资料下载请进: 好好学习社区 电除尘工环保作业指导书
第一章 总则
一、编制目的
为了使生产、安全、环保的设备、设施管理和维护工作,达到预防为主,按计划进行检修,在良好的运行状态下,满足生产工艺和产品质量的要求,满足安全、环保的要求,特制定本程序。
二、适用范围
电除尘岗位
第二章 环境管理
一、管理目标
杜绝因人为操作失误、设备维护保养不当和管理缺失导致的环境污染,按要求做好设备的点检及维护保养工作,产生的固体废物得到规范处理。
二、岗位重要环境因素辨识
1. 粉尘排放;
2. 能源消耗;
3. 有害嘲音;
4. 固体废物;。
环境污染治理作业指导书一、环境污染治理作业指导书尊敬的同学们,环境污染问题已经成为当今社会面临的重要挑战之一。
为了提高我们对环境问题的认知,并进一步探讨环境污染治理的方法和策略,本次作业要求大家撰写一份《环境污染治理作业指导书》。
以下是一些建议和指导,希望能对大家的写作提供帮助。
二、简述环境污染的背景和现状首先,写作指导书的开头应该简述背景和现状。
你可以介绍环境污染的定义、影响范围和主要原因。
例如,可以说环境污染是指人类活动导致的空气、水体和土壤的污染,包括工业废气、废水排放等。
同时,也可以提到环境污染对生态系统和人类健康的影响,以及环境保护的重要性和紧迫性。
三、介绍环境污染治理的基本原则接着,你可以介绍环境污染治理的基本原则。
环境治理需要遵循一系列原则,以确保有效性和可持续性。
例如,可以提到“预防为主、综合治理、依法治理、分步实施、公众参与”等原则。
解释每个原则的含义,并说明它们对环境污染治理的重要性。
四、探讨环境污染治理的方法和策略接下来,重点介绍环境污染治理的方法和策略。
环境污染治理涉及到多个方面,例如空气污染治理、水体污染治理等。
你可以选择一个或多个方面进行详细探讨。
对每个方面,可以介绍相关的法律法规、政策措施和技术手段。
同时,可以列举一些成功案例,说明这些方法和策略的有效性。
五、提出环境污染治理的建议最后,你可以提出一些环境污染治理的建议。
这些建议可以是对政府、企业和个人的,旨在促进环境污染治理的进一步改善。
例如,可以建议政府制定更加严格的环境保护法律和标准,企业加大环保投入,个人减少对环境的损害等。
同时,你也可以鼓励大家积极参与环境保护行动,共同努力构建一个清洁、美丽的环境。
六、总结在作业指导书的结尾部分,你可以简要总结文章的主要内容,并再次强调环境污染治理的重要性和紧迫性。
可以鼓励同学们将所学知识应用于实际,积极参与环境保护行动,并传播环保理念,提高社会的环保意识。
七、结束语在撰写本次作业指导书时,希望大家能充分研究环境污染治理相关的理论和实践,明确自己的观点和立场,通过合理的解释和引用真实的数据和案例,提高文章的可信度和说服力。
本文部分内容来自网络整理,本司不为其真实性负责,如有异议或侵权请及时联系,本司将立即删除!== 本文为word格式,下载后可方便编辑和修改! ==环保作业指导书篇一:环境保护作业指导书2温福铁路I标段一工区环境保护作业指导书(目录)编制:杨敏复核:刘晓宝审批:任贵成二00五年十二月温福铁路I标段一工区环境保护作业指导书编制:杨敏复核:刘晓宝审批:任贵成二00五年十二月废弃物的控制作业指导书1、目的为保证温福铁路I标段一工区施工、生活、办公过程中的产生的施工、生活、办公废弃物得到有效的控制与处理,以达到美化环境,消除污染,确保废弃物得到真正的处理。
2、适用范围:适用于温福铁路I标段一工区所有施工、生活、办公过程中产生的固态和半固态废弃物、液体废弃物、置于容器中的气态物的污染预防与管理工作。
3、职责●工程技术科制定本办法,掌握各部门废弃物管理的有关信息、负责废弃物有效控制的监督、检查管理。
4、操作程序 4.1废弃物分类4.1.1废弃物一般可分为:可回收利用无毒无害废弃物,不可回收用无毒无害弃物,在毒有害废弃物。
4.1.2本工区常见的废弃物分类如下:●可回收利用无毒无害废弃物:木材、钢材、水泥、纸张、空材料贮存桶等;●不可回收利用无毒无害废弃物:碎砖头、碎瓦块、碎混凝土块、碎石材、生活垃圾、过期散装水泥等;●有毒有害废弃物:打印墨粉、色带、磁盘、电池、油桶、来器、塑料布、化工材料及包装物、玻璃丝布、铝箔纸、日光灯管、油手套、油棉纱、测温剂,涂改液瓶、复印机墨盒、复写纸、变质过期的化学稀料、油漆桶、聚体板、聚脂板、涂料等。
4.2.废弃物标识篇二:环境保护作业指导书(已改)环境保护作业指导书一、编制依据1、国道318线林芝至拉萨公路改造工程林芝段第四合同段工程合同书的规定及相关文件。
2、根据公司环境管理手册、程序文件。
3、中铁十五局集团有限公司林拉项目施工现场实际情况。
二、编制原则1、满足业主及合同要求。
项目安全环保现场管理作业指导书一、前言在建设项目中,安全环保的管理是非常重要的工作。
它关系到工程的顺利进行和社会的长远发展。
为了确保项目的安全环保管理工作能够得到有效的落实和推进,特编写本作业指导书,以便全面指导和规范项目安全环保现场管理工作。
二、安全环保管理的基本原则1. 领导重视、全员参与:项目的安全环保管理应得到项目领导的高度重视,并形成全员参与的良好风气。
2. 预防为主、整改到位:对项目存在的安全环保风险和隐患,应采取预防措施,并及时整改。
3. 综合治理、分级管理:项目的安全环保管理应采取综合治理的方式,通过分层分级管理,将责任落实到每个环节。
4. 安全第一、健康为先:在项目施工过程中,应将安全放在第一位,健康为先。
三、安全环保管理的基本内容1. 安全管理(1)制定安全管理制度:项目方应根据国家和地方相关安全管理规定,制定适合项目的安全管理制度。
(2)加强人员培训:项目方应组织安全培训,提高全员安全意识和技能。
(3)设立安全监测设施:项目方应按照相关规定,设置相应的安全监测设施,对施工过程进行实时监控。
(4)建立应急预案:项目方应根据项目的特点和风险,制定相应的应急预案,并进行演练。
2. 环境管理(1)制定环境保护方案:项目方应编制环境保护方案,明确环境保护的目标和措施。
(2)采取污染治理措施:项目方应采取相应的污染治理措施,防止土壤、水体、大气等环境的污染。
(3)节约资源:项目方应合理利用资源,提倡节约用水、用电等行为。
(4)加强环保监督:项目方应加强对施工过程的环保监督,确保环境保护措施的有效实施。
3. 现场管理(1)施工组织设计:项目方应制定合理的施工组织设计,确保施工过程的安全和环保。
(2)人员合理配备:项目方应按照施工规模和工程特点,合理配置施工人员,并保证其持证上岗。
(3)场地布置和周边保护:项目方应按照相关规定,进行场地布置和周边保护,保证安全和环保。
(4)交通管理:项目方应制定施工交通管理方案,保证交通安全和顺畅。
中铁隧道集团武康二线二工区工区环境保护作业指导书一、生态环境保护作业指导书1.施工前对员工进行生态资源环境保护培训,提高生态保护意识,使施工过程对生态环境的损害程度降到最低。
2.合理规划施工用地,使生产、生活设施分布在征地范围以内,尽量不占用耕地,不破坏植被,不砍伐树木。
3.施工期间,所有成型的路基表面保持排水良好;排水沟渠保持畅通;开挖边坡及填方坡面,严格按设计要求进行水土流失防护措施处理。
4.工程完工后,拆除所有临时生产、生活设施,对租用地进行复耕,对路基、取土场和弃碴场进行防滑坡、坍方、积水等处理以防止水土流失。
5.对施工造成的永久裸露地表进行植被恢复处理(植草或播种草籽)。
植草区域表土覆盖厚度达到设计规范要求。
播种草籽区域草籽播种量平坡地不低于6g/m2,斜坡地不低于9g/m2。
二、大气环境保护作业指导书1.对施工作业和运输便道等易产生扬尘的地段定时洒水,对各类机械车辆定期维修,使产生的粉尘公害减至最小程度。
2.对易松散和易飞扬的各种建筑材料堆放于居住区的下风向处,并用彩条布或蓬布严密覆盖。
施工现场周围设立临时围档。
围挡高度符合合同要求。
确保对未铺砌地面、过道、施工区和多灰尘的堆料区表面保持湿润。
在运送和处理砂堆及类似材料时,对其实行洒水,在干燥有风的天气将贮存的材料湿润。
运输装置系统的输送带设置在挡风板内,运输装置端部和加料斗应围住以减少灰尘散发。
为了防止在装卸过程中产生散发灰尘,尽可能地降低开挖物体坠落的高度。
在集中搬运点从搬运系统对积满灰尘的材料进行卸货时,提供三面挡护,入口处设有柔性隔板的围栏。
现场内经常有车辆通行的区域铺路且应保持表面松散材料的洁净。
确保运输积有灰尘的材料出场的车辆装有侧板和尾板,运输出场的材料料应覆盖,覆盖应正确可靠且超出侧板和尾板边缘。
积有灰尘的材料在运输应前进行湿润。
如果筑堤/切坡完工后1-2周之内仍未铺设草皮,开挖和填筑区的外露斜坡将通过铺设塑料薄膜进行临时性保护。
环境保护作业指导书环境保护作业指导书(一)尊敬的同学们:大家好!我是你们的环境保护课程老师,在这里给大家提供一份环境保护作业指导书。
希望通过这份指导书,让大家更好地了解环境保护的意义、方法和措施。
请大家细心阅读以下内容,做好相应的作业。
一、什么是环境保护?环境保护是指通过采取各种措施,维护和改善环境质量,保护自然资源,保护人类和其他生物的健康和生存环境。
二、为什么要进行环境保护?环境保护十分重要,原因如下:1. 保护生态平衡:生态平衡是生物种群与自然环境之间相互作用的状态。
环境保护可以维护生态平衡,确保各种生物都能够正常生存和繁衍。
2. 保护健康:生活在恶劣环境中会引发各种健康问题,如呼吸道疾病、皮肤病等。
环境保护可以降低这些风险,保护人类健康。
3. 保护资源:资源是人类生存和发展的基础。
环境保护可以确保资源的可持续利用,避免资源枯竭。
三、环境保护的方法和措施1. 减少污染:减少污染是环境保护的核心任务之一。
大家可以从以下方面入手:减少工业和农业废气的排放,提倡清洁能源的使用,积极参与垃圾分类和回收等。
2. 保护水资源:水资源的保护非常重要。
大家应该节约用水,避免污染水源,保持河流和湖泊水质的清洁。
3. 保护大气环境:大气污染对人类和生物健康有很大危害。
大家要减少机动车使用,合理利用能源,尽量少烧柴,避免空气污染。
4. 保护生物多样性:生物多样性的保护有助于维护整个生态系统的平衡。
大家要保护野生动植物,尽量减少对自然环境的破坏。
四、作业要求根据以上内容,以“环境保护”的主题撰写一篇300字左右的短文。
内容可以包括你对环境保护的理解、为什么要保护环境以及自己在生活中所采取的环保措施等。
注意语言流畅、思路清晰。
作业请按时上交。
本次作业的截止日期为下周三,请同学们认真完成并及时上交。
如果有任何问题,请随时向我提问。
祝大家学习进步!环境保护作业指导书(二)尊敬的同学们:大家好!我是继续为大家提供关于环境保护作业指导书的环境保护老师。
施工现场安全管理与环保实践作业指导书第1章施工现场安全管理概述 (4)1.1 安全管理的重要性 (4)1.2 安全管理的法律法规依据 (4)1.3 安全管理的基本原则 (5)1.4 安全管理体系构建 (5)第2章施工现场环境保护概述 (5)2.1 环境保护的意义 (5)2.2 环境保护法律法规与标准 (6)2.3 环境保护的基本措施 (6)第3章安全生产责任制 (6)3.1 安全生产责任制的建立 (7)3.1.1 制定原则 (7)3.1.2 明确责任 (7)3.1.3 制定制度 (7)3.1.4 落实措施 (7)3.2 安全生产责任制的实施 (7)3.2.1 安全生产培训 (7)3.2.2 安全生产检查 (7)3.2.3 安全生产考核 (7)3.2.4 应急预案 (7)3.3 安全生产责任追究 (7)3.3.1 调查 (7)3.3.2 责任追究 (7)3.3.3 整改措施 (8)3.3.4 总结教训 (8)第4章施工现场安全教育与培训 (8)4.1 安全教育的内容与要求 (8)4.1.1 安全教育内容 (8)4.1.2 安全教育要求 (8)4.2 安全培训的组织与实施 (8)4.2.1 安全培训组织 (8)4.2.2 安全培训实施 (8)4.3 安全教育记录与档案管理 (9)4.3.1 安全教育记录 (9)4.3.2 安全教育档案管理 (9)第5章施工现场安全防护措施 (9)5.1 安全防护设施的设置 (9)5.1.1 施工现场应根据工程特点及安全风险评估,合理设置安全防护设施,保证施工现场安全。
(9)5.1.2 安全防护设施应包括但不限于:围挡、防护网、警示标志、安全通道、防护栏杆等。
(9)5.1.3 围挡设置应满足以下要求: (9)5.1.4 防护网设置应满足以下要求: (9)5.2 个人防护装备的选用与使用 (10)5.2.1 根据作业性质、环境及风险等级,合理选用个人防护装备。
(10)5.2.2 个人防护装备包括但不限于:安全帽、防护眼镜、防护手套、防护口罩、防护服、安全鞋等。
环保设备作业指导书1000字环保设备作业指导书一、环保设备的基本操作流程及注意事项1、准备操作:检查环保设备的各个部件是否完好、清洁,是否有锈蚀、变形、损坏等情况。
2、使用设备:按照设备操作说明,启动环保设备。
注意设备的转速、温度、压力等参数是否正常。
3、设备停止:当使用环保设备结束后,应该先停止设备的运行,然后关闭相关阀门、开关、闸门、疏水阀等部件,且要保持设备有好的通风、排水情况。
4、设备检查:在操作完毕后,定期对环保设备进行检查,了解设备的使用情况,确保设备的安全、卫生和经济运行。
对于发现的问题,要及时进行处理。
二、环保设备的保养维护1、设备清洁:定期对环保设备的内、外表面进行清洁,防止灰尘积累和污染,防止通风不良导致的设备故障。
2、设备润滑:对于机械环保设备的传动部分,在定期清洁的基础上,还要进行润滑保养,以保证设备的良好运行状态。
3、设备检查:定期对环保设备进行检查,检查设备的各个部件是否有故障、磨损和老化等情况。
4、设备维修:当发现环保设备有故障时,应及时进行修理。
对于不能自行修理的故障,应及时联系设备制造厂、供应商或维修服务机构进行修理。
三、环保设备的安全管理1、安全生产:在环保设备运行过程中,要注意安全措施,防止设备故障,引起事故,保障人身安全。
2、设备定期检查:环保设备的安全检查是保障环保设备安全有效运行的重要措施。
应定期对设备进行检查,发现隐患要及时排除。
3、设备使用规范:操作环保设备的人员应该掌握设备的使用规范和操作方法,并在使用设备时进行遵循,以保证设备的安全运行。
四、环保设备维修管理1、维修标准:环保设备的维修应按照规范进行,严格遵循制造厂、供应商或维修服务机构提供的维修标准。
2、维修人员:维修环保设备的人员应具备一定的技术能力,必须按照规定进行操作,避免误操作导致的设备故障或事故。
3、维修备件:环保设备的维修备件应具有相应的质量合格证明,并且应当与原设备相符合,维修备件更换时,必须进行配套检查和验收。
三废作业指导书标题:三废作业指导书引言概述:三废是指废水、废气、废渣,是工业生产中产生的三种主要废物。
正确处理和管理三废对环境保护和资源利用至关重要。
本文将详细介绍三废的处理方法和作业指导,帮助企业合规处理三废,保护环境。
一、废水处理1.1 确定废水的性质和成分,根据不同种类的废水选择合适的处理方法。
1.2 采用物理、化学、生物等多种方法处理废水,如沉淀、过滤、氧化等。
1.3 定期监测废水处理效果,确保废水排放符合环保标准。
二、废气处理2.1 确定废气的排放量和成分,选择适当的废气处理设备。
2.2 采用吸附、吸收、燃烧等方法处理废气,减少对大气的污染。
2.3 定期清洁和维护废气处理设备,确保废气排放符合环保要求。
三、废渣处理3.1 对废渣进行分类和分拣,选择合适的处理方式,如填埋、焚烧、回收等。
3.2 采用物理、化学处理方法,降低废渣对环境的影响。
3.3 定期清理和处理废渣,避免对土壤和水源造成污染。
四、三废管理4.1 制定三废管理方案,明确责任部门和管理人员,建立三废管理档案。
4.2 建立三废监测系统,定期检测和评估三废处理效果,及时调整处理措施。
4.3 加强员工培训,提高员工对三废处理的认识和意识,确保操作规范。
五、环保政策遵守5.1 遵守国家和地方的环保法律法规,执行环保政策和标准。
5.2 定期进行环保审核和评估,及时整改环保问题,避免环保事故发生。
5.3 积极参与环保活动,提高企业的社会责任感,为环境保护贡献力量。
结语:三废处理是企业社会责任的重要组成部分,正确处理和管理三废对环境保护至关重要。
通过本文的指导书,希望能帮助企业更好地处理三废,保护环境,实现可持续发展。
作业指导书- OBD检验(环检)(一)车载诊断系统(OBD)检查1.1注册登记(1)检查车辆的OBD 接口是否满足规定要求,OBD 通讯是否正常,有无故障代码。
1.2在用汽车(1)对配置有OBD系统的在用汽车,在完成外观检验后,应连接OBD诊断仪进行OBD检查。
在随后的污染物排放检验过程中,不可断开OBD诊断仪。
(2)OBD 检查项目包括:故障指示器状态,诊断仪实际读取的故障指示器状态,故障代码、MIL灯点亮后行驶里程和诊断就绪状态值,具体检验流程应按照附录F进行。
(3)若车辆存在故障指示器故障(含电路故障)、故障指示器激活、车辆与OBD诊断仪之间的通讯故障、仪表板故障指示器状态与ECU中记载的故障指示器状态不一致时,均判定OBD检查不合格。
如果诊断就绪状态项未完成项超过2项,应要求车主在对车辆充分行驶后进行复检。
(4)检验机构应使用计算机数据管理系统存储所有被检车辆OBD数据,不得人为篡改数据。
(5)OBD诊断仪应能实现对OBD检查数据的实时自动传输。
作为排放检验一部分,OBD获得的信息应自动保存到计算机系统中。
(6)对要求配置远程排放管理车载终端的在用汽车,应查验其装置的通讯是否正常。
(7)如车辆污染控制装置被移除,而OBD故障指示灯未点亮报警的,视为该车辆OBD不合格。
(二)OBD诊断仪技术要求2.1 至少应支持ISO 9141-2、SAE J1850、ISO 14230 - 4、ISO 15765- 4 四种通讯协议。
2.2 能够与车辆OBD 系统建立通讯,提供OBD 系统诊断服务用的通讯连接接口,与车辆通讯的接口应满足ISO 15ZD1-3 和SAE J1962 的规定。
2.3 OBD 诊断仪的信息结构应符合ISO 15ZD1-5 中的信息结构和ISO 15ZD1-6 诊断故障码要求。
2.4 能连续获得、转换和显示与车辆排放相关的OBD 故障代码,应按照ISO 15ZD1-6中的描述显示故障代码及故障信息。
环保检测线作业指导书环保检测线作业指导书一、项目名称:环保检测线二、项目概述:环保检测线是一项针对工业、农业、生活中产生的废水、废气、废渣等有害物质进行排放标准检测的检测线。
该检测线以固定站点为平台,使用各种检测仪器对工业、农业、生活等领域的废水、废气、废渣等进行检测,在检测过程中对排放情况进行监管,确保环境不受这些有害物质的污染。
三、项目管理:1. 设立专门的环保检测线管理部门。
2. 确定检测线检测范围和检测内容。
3. 购置高精度的检测仪器,供检测人员使用。
4. 建立标准化的检测方法和评价标准。
5. 建立检测结果公示制度,并做好相关公示工作。
6. 加强对检测机构和检测人员的监督和管理。
四、项目要求:1. 检测人员必须经过专门的培训,掌握检测方法和操作技能。
2. 检测仪器必须经过定期维护和校准。
3. 检测结果必须真实、准确,评价标准必须公正、合理。
4. 检测过程必须保证安全、环保。
五、项目流程:1. 确定各项检测指标和检测频率。
2. 选定固定检测点,并配置检测仪器。
3. 检测人员按照标准方法,对废水、废气、废渣等进行检测。
4. 检测结果经过数据处理和分析,做出评价和处理意见。
5. 将检测报告提交给环保部门,并按要求公示。
六、项目风险及应对措施:1. 检测人员操作不当或检测仪器出现故障,导致检测结果不准确。
应对措施:定期对检测仪器进行维护和校准,对检测人员进行培训,提高专业技能。
2. 环境污染问题严重,监管机构对环保问题查处力度加强,对项目进行关闭或罚款等处罚。
应对措施:加强对环保问题的管理,严格按照监管机构的要求进行检测和处理,确保项目合法、规范运营。
七、项目效益及经济分析:环保检测线的建设和运营,能够促进经济的可持续发展,提高企业环保意识和技术水平,降低环保治理成本,改善生态环境质量,保护民众身体健康。
项目所产生的检测费用和相关服务费用能够为项目创造良好的经济效益,实现项目的可持续发展。
八、总结:环保检测线是一项重要的环保治理工作,它能够对工业、农业、生活等领域的废水、废气、废渣等有害物质进行排放标准检测,确保环境不受污染,促进经济的可持续发展。
三废作业指导书标题:三废作业指导书引言概述:随着工业化进程的加快,工业废水、废气和固体废物的排放量不断增加,对环境造成了严重的污染。
为了有效管理和处理这些废物,制定了三废作业指导书,以指导企业合理处理三废,保护环境。
一、废水处理指导1.1 理解废水来源:废水主要来源于工业生产过程中的冷却水、洗涤水、废液等。
1.2 废水处理技术:包括物理处理、化学处理和生物处理等多种技术手段。
1.3 废水处理设备:根据废水性质选择合适的处理设备,如沉淀池、生物滤池、膜分离设备等。
二、废气处理指导2.1 确定废气成分:废气成分复杂,需要通过检测确定主要成分。
2.2 废气处理方法:常见的处理方法包括吸附、吸收、氧化和焚烧等。
2.3 废气处理设备:根据废气性质选择适合的设备,如喷淋塔、活性炭吸附器、焚烧炉等。
三、固体废物处理指导3.1 分类处理:根据固体废物的性质和来源进行分类处理,如可回收物、有害废物、生物可降解废物等。
3.2 处理技术:包括焚烧、填埋、堆肥等多种处理技术。
3.3 废物处理设备:选择适合的设备进行处理,如焚烧炉、填埋场、堆肥设备等。
四、三废综合管理指导4.1 制定管理制度:建立健全的废物管理制度,包括废物产生、收集、运输、处理和处置等环节。
4.2 定期检查监测:定期对废物处理设备进行检查和维护,确保设备正常运行。
4.3 废物监测报告:编制废物监测报告,定期向相关部门报告废物处理情况。
五、环保政策法规遵守指导5.1 熟悉法律法规:了解国家和地方的环保政策法规,确保企业废物处理符合法律要求。
5.2 定期培训:定期组织员工参加环保培训,提高员工对环保政策法规的认识。
5.3 环保宣传:加强环保宣传,倡导环保理念,促进企业环保意识的提升。
结论:三废作业指导书是企业合理处理废水、废气和固体废物的重要依据,只有严格按照指导书的要求进行处理,才能有效保护环境,实现可持续发展。
企业应加强对三废作业指导书的学习和执行,积极履行环保责任,共同建设美丽的家园。
环境保护监测作业指导书1. 前言环境保护是全球共同面临的关键问题之一。
为了有效监测和管理环境保护工作,本指导书旨在为相关工作人员提供指导和建议。
本指导书分为以下几个部分:监测目的、监测方法、数据分析和报告编写。
2. 监测目的环境保护监测的主要目的是评估环境质量和监测环境污染物的生成与传播过程,为环境管理和决策提供科学依据。
监测目的可能包括但不限于以下几个方面:- 评估环境质量,判断环境状况是否达到国家或地方标准;- 监测环境污染源和反映环境质量;- 了解环境质量变化趋势,评估环境管理和治理效果;- 为环境规划和环境影响评价提供数据支持。
3. 监测方法为了准确监测环境保护相关数据,采取科学有效的监测方法十分重要。
以下是几种常用的监测方法:- 现场监测:通过在特定地点收集样品或使用便携式仪器对环境参数进行实时监测。
现场监测可涵盖空气、水体、土壤等多个环境部分。
- 定点监测:利用固定设备对环境参数进行定期监测。
定点监测可以提供长期的环境数据,用于分析环境变化趋势。
- 远程监测:利用遥感技术、传感器网络等手段对大范围地区进行监测。
远程监测可以实现对广域范围的环境数据收集和分析。
- 模拟实验:在实验室环境中模拟特定条件,对环境参数进行监测和分析。
模拟实验可以控制变量,研究复杂环境过程。
4. 数据分析收集到的环境监测数据需要进行合理的分析和处理,以得出准确的结论。
以下是几种常用的数据分析方法:- 统计分析:通过数理统计方法对监测数据进行整理和分析,揭示数据之间的关系和趋势。
常用的统计方法包括均值、标准差、相关系数等。
- 空间分析:利用地理信息系统等工具对环境数据在空间上进行分析和展示,以揭示地理分布规律和空间相关性。
- 时间序列分析:对环境监测数据按照时间先后进行排序,通过建立数学模型预测未来的环境变化趋势。
- 多元分析:通过建立多元方程模型,研究环境因素之间的相互作用和影响。
5. 报告编写环境保护监测的最终目的是将监测结果和结论进行报告和展示。
(一)外观检测员1、维护好外检区的检测秩序;2、指导客户填写车辆登记表;3、对照行驶证信息,确认外检表内容和车辆信息是否相符;4、检测车辆要检查轮胎有无明显缺气,左右气压是否一致,轮胎有无裂痕及划伤,是否夹有杂物及过多沙石;5、检查车辆进、排气系统,发动机变速箱和冷却系统,不得有任何破损、泄漏,车辆的发动机变速箱和冷却系统等应无液体渗漏;6、确定车辆驱动形式,断开ABS和防侧滑(ASR),和引车员做好交接,提醒引车员驱动形式;7、检查车辆的机械状况,无影响安全或引起试验偏差的机械故障;8、关闭空调、暖风,音响等附属装备,装备牵引力控制装置的车辆应关闭牵引力控制装置。
受检车辆不能载客,也不能装载货物;9、判断受检车辆所适用的检测方法。
(二)录入员1、熟悉汽车检测工艺流程、检测业务和检测技术;2、熟练操作计算机,熟悉本公司的检测业务范围内的机动车相关参数,耐心答复解释送检车辆单位提出的询问,做好对外窗口的文明服务;3、开启计算机及服务器电源,对设备进行预热,并填写开机记录;4、信息录入做到迅速而准确;5、核对外检单信息,对照车辆行驶证信息确定检测方法,并准确无误的录入信息并入库;6、对外地转入,异地委托审验的车辆,应符合相关检测要求,并留行车证或车辆登记证书证书复印件;7、严格遵守《安全用电管理制度》和《登录计算机操作规程》。
(三)操作员操作员负责电脑仪器的操作,引导引车员、辅助员完成检测工作。
1、设备预热(1)在开检前半小时打开控制柜后面的电源开关,开启电脑、测控仪和尾气分析仪,启动检测程序,按照电脑提示输入正确的操作员用户名和密码进入检测程序,进行检测系统预热,测功机预热时间为10分钟,分析仪预热为15分钟。
填写开机记录。
(2)对台架进行加载滑行和空载滑行试验(每天一次)填写使用记录。
并上传。
(3)对五气分析仪进行校准(调零,密封性检测,低流量检测)(每天一次)填写使用记录。
并上传。
预热完毕后,分析仪进入清零、检漏程序,此时应堵住尾气取样探头,检漏过程为17秒,如有漏气,系统会提示“有泄漏,请堵塞取样探头”,并重复进行检漏程序,如无漏气系统会提示“无泄漏”,(4)对流量计进行校准和自检,(流量检测,流量计【O2】量程检测)(每天一次)填写使用记录。
并上传。
2、车辆检测(1)进入检测程序:输入操作员代码,进入车辆信息界面,等候引车员将车辆开上台体;(2)准备:向引车员收取外检单,核对被检车辆外检单,确认检测方法,放下举升板,让引车员将车辆摆正并进行相应的车辆预热;(3)选择车辆:对照外检单和上线车辆,从“待检记录”里面选择车辆,认真检查车辆信息,核对检测系统的信息与外检单是否相符,车牌号码、车牌颜色、与本车是否一致,是否延缓,基准质量与驱动形式信息是否相符等。
检查无误后,正确输入引车员姓名。
(4)开始检测:辅助员插好取样探头及辅助设施后,点击开始检测。
密切注意被检车辆的状态,发现异常情况及时警告及切断电源。
检测完毕后,将外检表交还引车员;(5)检测结束:升起举升板,发出检测结束指令,示意车辆驶出台架。
★注意事项:操作员在检测过程中要随时注意车辆及周围的情况,发现异常情况及时警告及切断电源。
操作员每天要记录设备的运转情况,发现异常及时报告技术负责人。
设备需要定期进行标定,根据电脑提示距下次标定的时间提前在下午下班后进行标定。
每天下班检查电源是否关闭。
(四)辅助员1、抬起检测车间入口档杆,示意引车员驶入车辆。
车辆驶入后及时放下档杆。
2、核对外检单,确认检测方法,并将外检单递交给操作员;3、引车员将受检车辆驶入台架并摆正车辆位置后,在非驱动轮垫入垫块,在合适位置插好防侧滑装置;前驱车必须将防侧滑装置插在最靠近前轮端面的两侧;4、核查排气管有无泄漏,以免影响采气管采气,造成数据不准确;5、车辆停稳后将发动机冷却装置靠近车辆发动机进风口500-1000mm处(不得影响尾气排放的采集),打开风机电源开关,调整气流方向角使其处于最佳位置,并锁止脚轮以防移动;6、插入采样探头(简易瞬态工况的套入流量计套管,双怠速检测的应接入油温传感器和速传感器),双排气管的要插入双探头,插入深度为400mm,并固定;7、接转速仪,点烟器信号灵敏的,转速仪连线直接插入点烟器,在点烟器中无法取得转速信号的,将连接线接在电瓶的正负极,油温传感器插入发动机机油尺管内;8、发出准备完毕信号,并站立在受检车辆后侧,及时关注受检车辆状况;车辆检测期间,禁止非工作人员进入检测场所;9、检测完毕后,拿出垫块,拔出限位装置,将探头及流量计套管放回指定摆放地;10、收起油温传感器和转速传感器。
抬起检测车间出口档杆,示意检测完毕。
(五)引车员引车员必须是专职驾驶员,必须持有符合准驾车型的驾驶证驾驶车辆,应该熟悉各种车辆的基本性能和驾驶操作要领。
1、基本操作流程(1)核对外检单,要按照外检表的内容对车辆的离合、油门、制动踏板和灯光开关等性能状态进行确认,检测前关闭车内空调、冷热风、收音机、ABS等设施,并确认检测方法;(2)待检区车道车辆限速15km/h,注意邻近车辆动向,以防发生刮碰事故;禁止倒车及逆向行驶。
(3)检测车间车辆限速5km/h,保持安全车距,原则上不准倒车;(4)检测车辆沿车道标线行进,将受检车辆缓慢驶入车间,积极配合操作员,按提示及时正确操作,不得拖延;(5)接受操作员发出的指令,按照司机助的屏幕提示开始操作;(6)检测完毕时等操作员发出指令后缓慢将汽车驶离台架。
2、按照不同检测方法划分操作程序简易瞬态工况法检测:(1)接车:在待检车位接车,从送检人手中接过外检表查看是否已交费和登录。
查看外检表,确认车辆检测方法。
查看外检表的详细内容,对车况全面了解,不熟悉的车型向车主及外检员详细了解车况,并要询问车主是否缺机油,水温表工作是否正常,注意倾听发动机有无异响,查看水温、机油表的状态,提醒车主随身携带好车内贵重物品。
然后开车慢速驶上台架,置驱动轮于滚筒上。
把外检表交给操作员;(2)驶入台架:待举升板落下后,将变速杆推至1档(自动档车辆将档位推至“D”档),在怠速状态下将车摆正,使方向不要左右摇摆(如方向摆不正的车辆不能强行检测,防止发生意外,应让其维修后再检),摆正后,前驱车拉紧手刹车(后轮驱动的车辆不能拉手刹车);(3)按照试验运转循环开始进行试验和车辆预热;(4)按照制造厂使用说明书的规定,启动发动机。
(5)发动机保持怠速运转40s。
在40s终了时开始循环,并同时开始取样。
(6)怠速:怠速期间,离合器接合,变速器置空档,自动挡车置N挡。
(7)加速:进行加速时,在整个工况过程中,应尽可能地使加速度恒定;手动挡车辆根据屏幕提示“请置一挡”将离合器接合并挂一挡,按照屏幕模拟的加速路线运转车辆。
自动挡车辆置D挡按照屏幕模拟的加速路线稳定加速。
手、自一体车辆若加速不能在规定时间内完成,则应按手动变速器的要求,操作档位选择器。
(8)等速:从加速过渡到下一等速工况时,应避免猛踏加速板或关闭节气门。
等速工况应采用保持加速踏板位置不变的方法实现。
(9)减速:在所有减速工况时间内,应使加速踏板完全松开,离合器接合,当车速降至 10km/h时,离合器脱开,但不操作变速杆。
如果减速时间比响应工况规定的时间长,则应使用车辆的制动器,以使循环按照规定的时间进行。
如果减速时间比响应工况规定的时间短,则应在下一个等速或怠速工况时间中恢复至理论循环规定的时间。
(10)检测结束:循环终了时(车辆停止在转鼓上),变速器置于空档,离合器接合,自动挡车辆置N挡。
将车驶出台架至出口外将车交给车主,并告诉车主到环保审核办公室查看检验结果。
再进行下一辆车的检测。
检测过程中,引车员应不断观察水温及油温的变化,如有异常,及时中止检测)。
引车员抬起油门,此时注意不能踩刹车,等待车速自然下降并停止,(自动档的车要等车速降下来后,再将变速杆推至“N”档)车轮停止转动后,等举升板升起,辅助员拔出取样探头,取下转速仪连线和油温计,取出固定车轮垫块。
ABS无法脱开的车辆在检测后ABS警示灯和防侧滑及手刹车的警示灯不会熄灭,应告知车主,车辆在行驶几公里后会自动熄灭。
双怠速检测(1)在待检车位接车,从送检人手中接过外检表查看是否已交费和登录。
查看外检表,确认车辆检测方法。
查看外检表的详细内容,对车况全面了解,不熟悉的车型向车主及外检员详细了解车况,并要询问车主是否缺机油,水温表工作是否正常,注意倾听发动机有无异响,查看水温、机油表的状态,提醒车主随身携带好车内贵重物品。
将车开至检测线,外检单交给操作员;(2)按照规程进行预热,保证发动机油温达到80℃,继续试验;否则,汽车重新跑温度,以达到规定的热车状态;(3)引车员将发动机从怠速状态加速到70%的额定转速(重型车一般为2500rpm,轻型车3500 rpm),运转30秒钟降至高怠速状态,开始计时;(4)进入高怠速测试,按照屏幕提示稳定好车辆高怠速转速。
(重型车为1800rpm,轻型车2500 rpm),在后30s内读取测试数据。
(5)降至怠速状态,根据提示抬起油门保持怠速状态运转45s;(6)检测过程结束,辅助员取下转速仪和油温传感器,撤出垫块后,将车驶出车间交还车主,告之车主到环保办公室领取检测报告。
不透光烟度法(1)在待检车位接车,从送检人手中接过外检表查看是否已交费和登录。
查看外检表,确认车辆检测方法。
查看外检表的详细内容,对车况全面了解,不熟悉的车型向车主及外检员详细了解车况,并要询问车主是否缺机油,水温表工作是否正常,注意倾听发动机有无异响,查看水温、机油表的状态,提醒车主随身携带好车内贵重物品。
将车开至检测线,外检单交给操作员;(2)预加速:按照操作规程,将车辆置于空档,迅速将油门踩到底加油3次进行反吹;(3)开始检测:按照检测程序,根据屏幕提示,迅速但不猛烈的将油门踩到底保持3-4s后迅速抬起油门,屏幕显示“第1次测试”,约10s显示“第1次测试完成”;(4)连续进行5次检测测试:第二次测量:重复上一动作,第二次加速;第三次测量:重复上一动作,第三次加速;第四次测量:重复上一动作,第四次加速;第五次测量:重复上一动作,第五次加速;第六次测量:重复上一动作,第六次加速;(5)检测结束:按照提示完成检测流程,在辅助员取出采气探头后,将车驶出台架至出口外将车交给车主,并告诉车主到环保审核办公室查看检验结果。
再进行下一辆车的检测。
(六)检测方法变更流程对于部分车辆,已经通过外检员、录入员及辅助员审核后,在进行简易瞬态工况法检测时由于ABS和防侧滑(ASR)系统等因素的影响,无法进行工况法测试的,按照以下程序进行变更检测方法。
1、引车员发现无法进行测试时,通知操作员停止检测,并将车辆开出检测车间,驶入外检区;2、外检员和单位技术负责人,现场对该车辆重新进行外观审验核,确定新的检测方法,外检员将外检表内容进行修改,并签字确认;技术负责人对修改后的外检表进行重新审核,并在相应的表格中签字确认;3、技术负责人携带外检表通知录入员进行车辆信息的录入变更,收费人员相应进行收费的变更,将多余费用返还车主;4、车辆按照规定流程进入相应的检测流程。