燃气设施与建筑物或相邻管道等设施的安全间距要求-摘录
- 格式:doc
- 大小:164.50 KB
- 文档页数:16
附件:
燃气管道安全距离规定
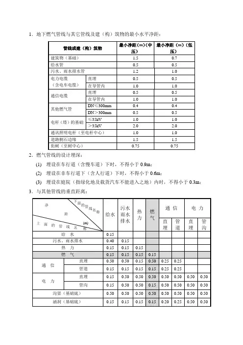
地下燃气管道与建筑物、构筑物或相邻管道之间的水平和垂直净距,不应小于下列规定:
2、地下燃气管道与构筑物或相邻管道之间垂直间距(m)
注:如受地形限制无法满足上述要求时,经与有关部门协商,采取行之有效的防护措施后,上表中规定的净距,均可适当缩小,但次高压燃气管道距建筑物外墙面不应小于3.0m,中压管道距建筑物基础不应小于0.5m,且距建筑物外墙面不应小于1.0m,低压管道应不影响建(构)筑物和相邻管道基础的稳固性,且次高压A管壁厚度小于9.5mm时,距外墙面分别不应小于地下燃气管道压力为1.61Mpa的有关规定的距离。
.5.2.8-1 表)调压站(含调压柜)与其它建筑物、构筑物的水平净距(m )地下燃气管道与建筑物、构筑物或相邻管道之间的水平净距(m5.10.1-1 表专业资料.聚乙烯燃气管道与供热管之间水平净距不应小于下表的规定。
5.10.1-2 表聚乙烯燃气管道与供热管之间水平净距专业资料.5.10.1-3表)地下燃气管道与构筑物或相邻管道之间的垂直净距(m项聚乙烯燃气管道与各类地下管道或设施的垂直净距不应小于表中的规定表(m) 净垂施或管地各道气烯聚乙燃管与类下道设的直距5.10.1-4专业资料.GB50028表7.2.26规定。
户内立管专业资料.时,电线应加绝缘套管。
绝缘100mm:当明装电线与燃气管道交叉净距小于注100mm。
套管的两端应各伸出燃气管道3.2 家用燃气表安装:3.2.1 家用燃气表的安装应符合下列规定1.4m; 表底距地面不宜小于高位安装时,1.0.1m;表底距地面不宜小于低位安装时,2.于得小不水气灶的平净距燃表燃时安高3.位装,气与10mm; 表后与墙面净距不得小于300mm,;不得倾斜,4.燃气表安装后应横平竖直专业资料.5.采用高位安装,多块表挂在同一墙面上时,表之间的净距不宜小于150mm;6.燃气表应使用专用的表连接件安装。
3.2.2 组合式燃气表箱,可平稳地放置在地面上,与墙面紧贴。
3.2.3 燃气表安装在橱柜内时,橱柜的形式应便于燃气表抄表、检修及更换,并具有自然通风的功能。
2.4 与其他装备的关系 2.4.1 户内管严禁敷设在有潜在危险及会对户内管造成损坏的位置。
2.4.2 户内管严禁敷设于电话间﹑变配电室﹑修理间﹑储藏室﹑卧室﹑浴室﹑易燃或易爆品的仓库﹑有腐蚀性介质的房间﹑通风机房﹑电缆沟﹑暖风槽﹑空调进风和回风的管槽内﹑烟道和进风道﹑升降机槽或无通风的管道井﹑管槽或空洞等。
2.4.3 若地板下安装有暖气系统,该地板内不可敷设户内管。
2.4.4 当考虑户内管与其他有关设备及管道的位置时,应:-(1)慎防其他管道泄漏出来的物质会损害户内管。
建筑离燃气管道安全间距同学们!今天咱们来聊聊建筑离燃气管道的安全间距这个重要的话题。
大家都知道,燃气在我们的生活中可重要啦,能让我们做饭、烧水,给我们带来很多便利。
但是呢,燃气也有一定的危险性,如果不小心使用或者管理不好,就可能会发生爆炸、火灾等危险情况。
所以呀,建筑和燃气管道之间得保持一定的安全间距,这样才能保证我们的安全。
那这个安全间距到底是多少呢?其实啊,这可不是一个固定的数字哦,它会根据不同的情况而有所变化。
一般来说,国家有相关的规定和标准,来确定建筑离燃气管道的安全间距。
比如说,对于一些普通的住宅建筑,和燃气管道之间的安全间距可能会比较小一点。
但是呢,也不能太小哦,不然就会有危险。
想象一下,如果你的家离燃气管道太近,万一燃气管道出现了泄漏,那可就麻烦啦。
燃气可能会泄漏到你的家里,遇到明火就会爆炸,那后果可不堪设想。
对于一些大型的商业建筑或者工厂来说,和燃气管道的安全间距就会要求得更大一些。
因为这些建筑通常会有更多的人在里面工作或者活动,一旦发生危险,影响会更大。
而且,这些建筑可能会有一些特殊的设备或者工艺,需要和燃气管道保持一定的距离,以免相互影响。
那么,为什么要有安全间距呢?这是有很多原因的哦。
首先,安全间距可以防止燃气泄漏后直接影响到建筑。
如果建筑离燃气管道太近,燃气泄漏后很容易就会扩散到建筑里面,增加了发生危险的可能性。
其次,安全间距也可以给维修和检查燃气管道提供一定的空间。
如果建筑离燃气管道太近,维修人员就很难进行维修和检查工作,这样就可能会导致一些问题不能及时发现和解决。
不同类型的燃气管道,安全间距也会有所不同。
比如说,高压燃气管道和建筑之间的安全间距就会比低压燃气管道要大得多。
这是因为高压燃气管道里面的压力很大,如果发生泄漏,后果会更加严重。
所以,在建设建筑的时候,一定要了解清楚附近的燃气管道类型,按照规定保持好安全间距。
那如果建筑已经建好了,但是发现离燃气管道的距离不够安全怎么办呢?这时候就需要采取一些措施来解决这个问题啦。
燃气管道安全距离规定
燃气管道安全距离规定是指在建筑物、交通干线等场所设置燃气管道时,需要保持一定的安全距离以确保人民群众的生命财产安全。
首先,根据《城市燃气设施安装工程设计规范》规定,燃气管道应与其他地下管线保持一定的水平和垂直的间距,以防止燃气管道的分布抬高地下管线的风险。
其次,按照相关规定,燃气管道与建筑物之间也需要保持一定的安全距离。
一般情况下,设置燃气管道的管廊、井道、隧道等建筑物与其他工程设施之间的距离不应小于50cm,以确保
燃气管道的安全运行。
此外,燃气管道还应与电缆、电线等设施保持一定的水平距离,并采取有效的绝缘措施,以防止燃气管道被其他设施损坏导致燃气泄漏等安全事故。
在交通干线方面,燃气管道与道路之间也有一定的安全距离要求。
一般情况下,设置燃气管道的地下通道与道路之间的距离不能小于10m,以确保燃气管道不受交通事故等外力破坏。
当然,在具体的燃气管道设计和安装中,还需要考虑地质条件、用气需求等因素,合理确定安全距离。
此外,为了确保燃气管道运行安全,还需要采取一系列的安全保护措施,如安装防撞设施、设置紧急切断装置等。
总之,燃气管道安全距离规定是为了防止燃气管道与其他地下管线、建筑物、设施以及交通干线等发生碰撞、损坏等情况,从而保障公众的生命财产安全,减少燃气泄漏等安全事故的发生。
因此,必须严格按照规定要求进行燃气管道的设计、施工和维护,不得随意违规操作。
调压站(含调压柜)与其它建筑物、构筑物的水平净距(m)表5.2.8-1地下燃气管道与建筑物、构筑物或相邻管道之间的水平净距(m)表5.10.1-1聚乙烯燃气管道与供热管之间水平净距不应小于下表的规定。
聚乙烯燃气管道与供热管之间水平净距表5.10.1-2地下燃气管道与构筑物或相邻管道之间的垂直净距(m)表5.10.1-3聚乙烯燃气管道与各类地下管道或设施的垂直净距不应小于表中的规定聚乙烯燃气管道与各类地下管道或设施的垂直净距(m) 表 5.10.1-4GB50028表7.2.26规定。
户内立管套管的两端应各伸出燃气管道100mm。
3.2 家用燃气表安装3.2.1 家用燃气表的安装应符合下列规定:1.高位安装时,表底距地面不宜小于1.4m;2.低位安装时,表底距地面不宜小于0.1m;3.高位安装时,燃气表与燃气灶的水平净距不得小于300mm,表后与墙面净距不得小于10mm;4.燃气表安装后应横平竖直,不得倾斜;5.采用高位安装,多块表挂在同一墙面上时,表之间的净距不宜小于150mm;6.燃气表应使用专用的表连接件安装。
3.2.2 组合式燃气表箱,可平稳地放置在地面上,与墙面紧贴。
3.2.3 燃气表安装在橱柜内时,橱柜的形式应便于燃气表抄表、检修及更换,并具有自然通风的功能。
2.4 与其他装备的关系2.4.1 户内管严禁敷设在有潜在危险及会对户内管造成损坏的位置。
2.4.2 户内管严禁敷设于电话间﹑变配电室﹑修理间﹑储藏室﹑卧室﹑浴室﹑易燃或易爆品的仓库﹑有腐蚀性介质的房间﹑通风机房﹑电缆沟﹑暖风槽﹑空调进风和回风的管槽内﹑烟道和进风道﹑升降机槽或无通风的管道井﹑管槽或空洞等。
2.4.3 若地板下安装有暖气系统,该地板内不可敷设户内管。
2.4.4当考虑户内管与其他有关设备及管道的位置时,应:-(1) 慎防其他管道泄漏出来的物质会损害户内管。
(2) 避免温度变化导致管道不良的膨胀及收缩问题。
(3) 确定不会因相邻的电气装备而产生电弧现象。
天然气管道与周边设施的安全要求根据《石油天然气管道保护条例》(国务院令第313号)、《建筑设计防火规范》(GBJ16)、《原油和天然气工程设计防火规范》(GB50183)、《输油管道工程设计规范》(GB50253)和《输气管道工程设计规范》(GB50251)的要求,输油管道与周围建(构)筑物、公路、农田、电力线路、通信线路等应满足如下安全要求。
(1)管道与周围建筑物的安全距离要求①严禁在管道两侧各15m范围内建永久性建筑物(包括居民区)、河港码头等;②严禁在管道两侧各20m范围内建学校、医院、俱乐部、火车站、飞机场、海港、大中型水库和水工建筑物、工厂企业等建(构)筑物;③严禁在管道两侧建设特殊企业和建筑构(如军工设施等)、易燃易爆的工厂及仓库、发电厂及变电所等设施,其最小间距必须根据国家有关规定执行;④敷设在地面的输没管道同建(构)筑物的最小距离,应按标准要求增加一倍。
(2)管道与工业、农业基本建设的安全规定①严禁在管道防护带内修筑各类渡槽、排水渠等农田水利工程,农田基本建设与管道交叉时,应保证管道最低敷土厚度为1.0~1.2m;②严禁在管道中心一两侧各200m范围内进行爆破,对于管道中心线两侧200~500m范围内的爆破,施工单位应事先通知管道管理单位,共同维护管道的安全运行。
③管道与电力线、电缆的安全距离埋地电力或通信电缆与管道平行敷设时的相互间距,对于电力电缆不应小于50m,通信电缆不应小于10m。
与管道交叉时,应从管道下方通过,交叉点两则各延伸10m以上的管段应做特加强级防腐,同时采取屏蔽措施。
高压架空电力线路或通信线路与管道平行时,其间距应符合国家标准《66kV及以下架空电力线路设计规范》(GB50061)和《110~500kV架空电力不从心线路设计技术规程》(DL/T5092)的要求,详见表7-1。
表7—1高压架空电力线、通信线路与管道平行敷设的最小垂直距离(4)新建管道与其他原管道有关系处理两管道平行敷设时,其间距不应小于10m。
中华人民共和国燃气保护法安全距离燃气在现代生活中扮演着重要的角色,为人们提供了烹饪、取暖和照明等基本需求。
然而,燃气使用也存在一定的危险性,如果不加以正确地保护和使用,可能会引发火灾、爆炸等严重安全事故。
为了确保广大民众的生命财产安全,中华人民共和国制定了燃气保护法,并规定了燃气安全距离的具体要求。
根据《中华人民共和国燃气保护法》,在使用燃气的过程中,必须遵循一定的安全距离。
安全距离的设定是基于对燃气泄漏引起火灾和爆炸的潜在危险性的认识,旨在减少事故发生的可能性。
根据法律规定,燃气设施与其他物体之间的安全距离应该符合以下要求:1. 燃气设施间的安全距离不同的燃气设施之间需要保持一定的安全距离,以防止一旦设施发生泄漏、爆炸等事故,从而造成连锁反应。
例如,在燃气罐、燃气管道、燃气阀门等设施之间,必须保持一定的距离,这样一旦某个设施发生问题,其他设施不会受到波及。
2. 燃气设施与建筑物之间的安全距离燃气设施与建筑物之间也需要保持一定的安全距离,这是为了防止火灾和爆炸对建筑物以及住户的威胁。
例如,燃气罐和建筑物之间应该保持一定的距离,如果距离过近,一旦发生泄漏或者爆炸,会给住户带来严重的危险。
因此,燃气设施的规划和建设必须符合相关的安全要求和规范,确保与建筑物之间有足够的安全距离。
3. 燃气设施与人员之间的安全距离在使用燃气设施的过程中,人员与设施之间也需要保持一定的安全距离。
这包括燃气工作者和普通居民。
例如,在维修、检测或其他与燃气设施相关的工作中,必须确保操作人员按照规定的程序和要求进行,并与燃气设施保持一定的安全距离。
普通居民在日常使用燃气设施时,也应该注意安全,避免在燃气泄漏等情况下靠近设施,以免发生意外事故。
总结起来,中华人民共和国燃气保护法对燃气安全距离的要求十分明确。
无论是燃气设施之间、燃气设施与建筑物之间,还是燃气设施与人员之间,都必须遵循相应的安全距离,以保障燃气的安全使用和人们的生命财产安全。
燃气法规要求净距
燃气法规对于建筑物与燃气管道之间的净距有一定的要求,这是为了确保安全性和防止火灾等意外事故的发生。
具体的净距要求可能会因地区、国家或地方法规的不同而有所变化。
一般来说,燃气管道与建筑物之间的净距要满足以下一些基本要求:
1. 建筑物外墙与燃气管道之间的净距应符合相关法规的规定。
这通常会根据燃气管道的类型和压力等级来确定。
2. 燃气管道与建筑物的开口(如门窗、通风口等)之间的净距也需要满足相应的要求。
这是为了防止燃气泄漏进入建筑物内部。
3. 在燃气管道穿越建筑物墙壁或楼板时,需要采取相应的隔离措施,例如使用防火材料进行封堵。
4. 燃气管道周围的可燃物品应保持足够的距离,以防止火源引燃。
需要注意的是,具体的净距要求可能会因当地法规的不同而有所变化,因此在进行燃气安装时,最好咨询当地相关的燃气管理部门或专业人士,以确保符合当地的法规要求。
调压站(含调压柜)与其它建筑物、构筑物的水平净距(m)表5.2.8-1地下燃气管道与建筑物、构筑物或相邻管道之间的水平净距(m)表5.10.1-1聚乙烯燃气管道与供热管之间水平净距不应小于下表的规定。
聚乙烯燃气管道与供热管之间水平净距表5.10.1-2地下燃气管道与构筑物或相邻管道之间的垂直净距(m)表5.10.1-3项聚乙烯燃气管道与各类地下管道或设施的垂直净距不应小于表中的规定聚乙烯燃气管道与各类地下管道或设施的垂直净距(m) 表5.10.1-4GB50028表7.2.26规定。
户内立管管的两端应各伸出燃气管道100mm。
3.2 家用燃气表安装3.2.1 家用燃气表的安装应符合下列规定:1.高位安装时,表底距地面不宜小于1.4m;2.低位安装时,表底距地面不宜小于0.1m;3.高位安装时,燃气表与燃气灶的水平净距不得小于300mm,表后与墙面净距不得小于10mm;4.燃气表安装后应横平竖直,不得倾斜;5.采用高位安装,多块表挂在同一墙面上时,表之间的净距不宜小于150mm;6.燃气表应使用专用的表连接件安装。
3.2.2 组合式燃气表箱,可平稳地放置在地面上,与墙面紧贴。
3.2.3 燃气表安装在橱柜内时,橱柜的形式应便于燃气表抄表、检修及更换,并具有自然通风的功能。
2.4 与其他装备的关系2.4.1 户内管严禁敷设在有潜在危险及会对户内管造成损坏的位置。
2.4.2 户内管严禁敷设于电话间﹑变配电室﹑修理间﹑储藏室﹑卧室﹑浴室﹑易燃或易爆品的仓库﹑有腐蚀性介质的房间﹑通风机房﹑电缆沟﹑暖风槽﹑空调进风和回风的管槽内﹑烟道和进风道﹑升降机槽或无通风的管道井﹑管槽或空洞等。
2.4.3 若地板下安装有暖气系统,该地板内不可敷设户内管。
2.4.4 当考虑户内管与其他有关设备及管道的位置时,应:-(1) 慎防其他管道泄漏出来的物质会损害户内管。
(2) 避免温度变化导致管道不良的膨胀及收缩问题。
(3) 确定不会因相邻的电气装备而产生电弧现象。
2.4.5 户内管如无适当的保护,不可安装于易受侵蚀及/或直接损坏(如碰撞)的地方。
2.4.6 户内管应避免敷设在建筑物的地基﹑墙的底部承力处,或其安装方式有损建筑物的结构或影响其结构任何部份的耐火效能。
如无法避免,应设置在套管中,并应考虑沉降的影响,必要时应采取补偿措施。
2.4.7 如有接地线安上户内管时,应遵守有关国家电气规范的规定。
2.4.8 室内户内管和电器设备、相邻管道的间的净距不应小于下表的规定。
3.2 安装处所3.2.1 严禁安装燃具的房间和部位下列房间和部位严禁安装燃具:1. 卧室、地下室;2. 浴室(密闭式燃具除外);3. 楼梯和安全出口附近 (5m 以外不受限制);4. 易燃、易爆物品的堆存处;5. 有腐蚀性介质的房间;6. 电线、电器设备处。
3.2.2 可安装燃具的房间和部位下列房间和部位在合乎条件的情况下可安装燃具:1. 厨房;2. 非居住房间;3. 室外、外廊、阳台(均应有防风、雨、雪的设施)。
燃具在敞开走廊、阳台上安装时应符合本守则附录5的规定。
3.2.3 安装燃具的厨房或房间的建筑安装燃具的厨房或房间的建筑应符合下列规定:1. 进、排气口及烟道应符合本守则第3章的规定;2. 在以燃烧材料、难燃烧材料建造的墙壁或地面上安装燃具时,应采取有效的防火隔热措施;3. 接近卧室的安装房间或厨房应有门与卧室隔开。
3.2.4 燃具安装部位应符合下列要求︰1.安装燃具的地面、墙壁应能承受荷重。
2.燃具不应安装在有易燃物堆存的地方。
3.直排式和半密闭式燃具不应安装在有腐蚀性气体和灰尘多的地方。
4.燃具不应装在对其它燃气设备或电器设备有影响的地方。
5.安装时应考虑满流、安全阀动作及冷凝水的影响,地面应做防水处理或设排水管。
6.燃具安装应考虑检修的方便︰排气筒、给排气筒应在易安装和检修处安装。
3.2.5 排烟设施1.燃具燃烧所产生的烟气应排出室外。
2.安装生活用的直接排气式燃具的厨房,应符合燃具热负荷对厨房容积和換气次数的要求。
新建居民住宅内厨房的允许容积热负荷指标,可取2.1MJ/m³·h;对旧建筑物内的厨房或其它房间,其允许的容积热负荷指标可采用下表所列数据。
当不能满足要求时,应设置机械排烟设施。
3.系统与浴室必须有防止烟气泄漏的措施。
4.用气设备的排烟设施应符合下列要求:1)不得与使用固体燃料的设备共享一套排烟设施;2)每台用气设备宜采用单独烟道;当多台设备合用一个总烟道时,应保证排烟时互不影响;3)在容易积聚烟气的地方,应设置防爆装置;4)应设有防止倒风的装置。
5.高层建筑的共用烟道,各层排烟不得互相影响。
6.当用气设备的烟囱伸出室外时,其高度应符合下列要求:1)当烟囱离屋脊小于1.5m时(水平距离),应高出屋脊0.5m;2)当烟囱离屋脊1.5至3.0m时(水平距离),烟囱可与屋脊等高;3)当烟囱离屋脊的距离大于3.0m时(水平距离),烟卤应在屋脊水平线下10 的直线上;4)在任何情况下,烟囱应高出屋面0.5m;5)当烟囱的位置临近高层建筑时,烟囱应高出沿高层建筑物45︒的阴影线;6)烟囱出口应有防止雨雪进入的保护罩。
7.热负荷30kW以下的居民用气设备,烟道的抽力不应小于3Pa。
8.居民用气设备的水平烟道长度不宜超过3m。
9.水平烟道应有0.01坡向用气设备的坡度。
10.烟道排气式热水器的安全排气罩上部,应有不小于0.25m的垂直上升烟气导管,其直径不得小于热水器排烟口的直径。
热水器的烟道上不应设置闸板。
11.居民用气设备的烟道距难燃或非燃顶棚或墻的净距不应小于5cm;距易燃的顶棚或墻的净距不应小于25cm。
12.有安全排气罩的用气设备不得设置烟道闸板。
无安全排气罩的用气设备,在烟道上应设置闸板,闸板上应有直径大于15mm的孔。
13.烟囱出口的排烟温度应高于烟气露点15︒C以上。
14.烟囱出口应设置风帽或其他防倒风装置。
15.燃具室内换气应符合CJJ12附录A的规定。
16.排烟口与周围建筑物开口的距离应符合CJJ12中表3.1.15的规定。
表中规定距离的建筑物墙面投影范围内,不应有烟气可能流入的开口部位,但距排烟口距离大于600mm的部份除外。
17.楼房的换气风管上严禁安装燃具排气筒。
3.6 燃气灶具燃气灶具应符合下列条件:3.6.1 燃气灶具必须安装于设有窗户或通风孔的房间内,以提供足够清新空气用作燃烧﹑通风及稀释在房间内燃烧后的废气。
3.6.2 燃气灶具的位置如接近可燃物料的表面,须保持一定距离及依照灶具制造商的装置指示为准。
若无提供规格,燃气灶具上方对可燃物料的最小距离为1000mm及烘炉上方对可燃物料的最小距离为800mm。
如距离不能达到要求,可燃表面必要加上保护设施,如金属防热板隔热。
3.6.3 燃气灶具的设置应符合下列要求:1.燃气灶应安装在通风良好的厨房内,利用卧室的套间或用户单独使用的走廊作厨房时,应设门与卧室隔开;2.安装燃气灶的房间净高不得低于2.2m;3.燃气灶与可燃或易燃烧的墙壁之间应采取有效的防火隔热措施;燃气灶的灶面边缘和烤箱的侧壁距木质家具的净距不应小于200mm;燃气灶与对面墙之间有不小于1m的通道。
3.6.4 除特殊设计的组合式燃具外,对以可燃材料、难燃材料装修的部位不应采用镶入式安装形式。
3.6.5 灶具的排气设备应应装有下面任一种排气设备:1. 在灶具上方装带烟罩的排气筒;2. 在灶具上方装排油烟机;3. 装排气扇。
灶具的给排气应符合CJJ12, 3.2节的规定进行。
3.6.6 家用燃气灶具软管的选择应符合下列要求:1.燃气用软管应采用黑色耐油的燃气专用橡胶管,勿使用乙烯类塑料管;2.燃气用软管应有足够的强度、耐气体渗透性、抗老化和准确的内径;橡胶管的尺寸应该固定,进气接头外径在11.5±0.2mm范围内。
从外观上看软管壁厚应均匀一致,软管壁厚应大于3mm,无气泡、杂质、裂痕、海绵状和其他影响使用的缺陷,在软管外壁上均印有生产日期、名称、规格、标准号等产品标记;3.燃气灶具用橡胶管必须采用软管防脱落连接措施,嵌入式家用燃气灶宜使用燃气专用不锈钢波纹管,不锈钢波纹管长度不宜超过1m,移动式燃气灶使用防脱落强化软管;4.固定式燃具(燃气热水器、壁挂式锅炉),因用气量较大,应使用金属管、金属柔性管或强化软管(带增强金属网或纤维网)连接,并单独设置阀门;5.软管管卡的选择建议采用镀锌钢/不锈钢/锰钢制成的管卡。
3.6.7 家用燃气灶具软管的储存应符合下列要求:1.燃气软管应以不承受过量的应力、拉伸或变形的方式贮存。
安放在车上、工具袋中时应避免与锐利的、带尖的或磨蚀性物体或表面相接触,应尽可能架置贮存;2.盘卷的燃气软管或软管组合件应平放贮存。
当堆放不可避免时,堆的高度应限制在底部的产品不产生永久变形的程度;3.以伸直状态交货的软管和软管组合件应平放贮存,不要弯曲。
交货时所带的管端封头不应去掉;4.软管的堆放高度不应超过1m。
3.6.8 家用燃气灶具软管的安装应符合下列要求:1.新安装家用燃气灶连接胶管的总长度不应超过1.0m,应安装专用的软管及卡箍;2.燃气软胶管不应有接口,中间不得再安装三通接头,以免接口过多造成泄露;3.燃气软胶管在连接时,不得穿越楼板、墙壁、吊顶、窗、门,以免受挤压或受磨损等造成漏气;4.安装后的胶管不能从空间不足的炉具底下穿过或弯折压扁,弯曲半径不应小于管径的5倍,更不要高出灶台平面,应在灶面下自然下垂且保持10cm以上距离以防被炉火烘烤,引发漏气和火灾;5.胶管端接炉时必须插进炉咀红线处,两端必须要用管卡扎牢;6.软管与燃气管道、接头管、燃烧设备的连接处应采用压紧螺帽(锁母)或管卡固定;7.管卡收紧时,应能向橡胶软管施加均匀的环应力,以加强软管与燃气管道、接头管、燃烧设备的连接。
因橡胶软管的特殊性,在固定管卡的过程中,应用力均匀、适中;8.燃气软管不应安装在下列地点:(1)有火焰和热辐射的地点;(2)不易检修处。
9.室内燃气管道选用软管时,应符合下列规定:(1)燃气用具连接部位、地基沉降或冷热变形需要补偿的部位、需要经常拆卸和维修的部位、安装不方便的部位等处可采用软管连接;(2)低压燃气管道上可采用符合国家标准《家用燃气软管》和符合有关标准规定的燃气用不锈钢波纹软管、加强型燃气软管等;(3)软管允许工作压力应大于设计压力4倍。
10.安装前应对软管进行外观检查,两端切口应尽量平整。
3.6.9 家用燃气灶具软管的使用、维护与更换应符合下列要求:1.燃气软胶管在使用前,应在胶管显著位置加贴标识,标注下次更换时间。
在安装后,必须用检漏液或检漏仪检查接驳口无漏气;2.建议客户应定期检查软管使用情况,定期更换软管;3.建议橡胶管的更换年限应为二年(如在胶管上有标示的,应根据胶管厂家提供的年限进行更换)。