电风扇工艺要求
- 格式:ppt
- 大小:18.85 MB
- 文档页数:31
风扇安装工程施工工艺一、适用范围本标准适用于建筑安装工程的开关、插座及风扇安装工程;不适用于特殊场所,如矿井、船舶等地的风扇安装。
二、引用标准《建筑安装分项工程施工工艺规程DBJ 01-26-96》《建筑电气工程施工质量验收规范GB 50303-2002》三、施工准备1 设备及材料要求1.1 各型开关、插座规格、型号必需符合设计要求,并有产品出厂合格证、“CCC”认证证书的复印件。
1.2 排风扇:其规格、型号必需符合设计要求,扇叶不得有变形现象,有吊杆时应考虑吊杆长短、平直度,吊杆上的悬挂销钉必需装设防震橡皮垫及防松装置。
并有产品出厂合格证、“CCC”认证证书的复印件。
1.3 塑料(台)板:应有足够的强度。
塑料(台)板应平整,无弯翘变形等现象,并有产品合格证。
1.4 木制(台)板:其厚度应符合要求。
其板面应平整,无劈裂和弯翘变形现象,油漆层完好无脱落。
1.5 排风扇挂钩:挂钩的直径不小于吊扇挂销直径,且不小于8mm。
1.6 其他材料:金属膨胀螺栓、尼龙塞、镀锌木螺丝、镀锌机螺丝、防震橡胶垫等。
2 主要机具2.1 卷尺、水平尺、线坠、绝缘手套、工具袋等。
2.2 手锤、錾子、剥线钳、尖嘴钳、扎锥、丝锥、套管、电钻、电锤、钻头等。
3 作业条件3.1 各种管路、盒子已经敷设完毕,盒子收口平整。
3.2 线路的导线已经穿完,并已经做完绝缘摇测。
3.3 墙面的浆活、油漆及壁纸等内装修工作均已完成。
四、操作工艺1 工艺流程:1.1 开关、插座安装工艺流程:清理→接线→安装1.2 排风扇安装工艺流程:检查排风扇→组装排风扇→安装排风扇→通电试运行2 清理:用錾子将盒子内残存的灰块剔掉,同时将其他杂物一并清出盒外,再用湿布将盒内灰尘擦净。
3 接线:盒内甩出的导线留出10~15cm,削去绝缘层,留意不要碰伤线芯。
插接端子,将线芯干脆插入接线孔内,且打回头,再用顶丝将其压紧,线芯不得外漏。
1 开关接线:同一建筑物、构筑物的开关接受同一系列的产品,开关的通断位置一样,且操作灵敏,接点接触可靠;电器、灯具的相线经开关限制。
电器生产工艺标准和操作规程管理制度一、引言电器行业是当今世界经济中不可或缺的一部分,电器产品的生产过程需要严格遵守一系列工艺标准和操作规程。
本文将探讨电器生产工艺标准和操作规程的管理制度。
二、背景随着科技的不断发展,电器产品种类繁多,生产工艺也日趋复杂。
为确保电器产品的质量和安全性,制定和遵守严格的生产工艺标准和操作规程就成为必要的管理措施。
三、电器生产工艺标准电器生产工艺标准是指一套规定电器产品生产过程中所需遵守的技术规范和方法。
这些工艺标准在制定过程中应综合考虑产品类型、材料、工艺流程等因素,并精确地明确每一个环节所需遵循的步骤。
1. 原材料准备:电器产品的材料质量直接影响产品的品质和使用寿命。
因此,工艺标准应明确原材料的选择、检验和储存等方面的要求。
2. 加工工艺:电器产品的加工过程通常包括切割、成型、焊接等环节。
工艺标准应规定每个环节的操作方法、设备要求以及质量控制点等内容。
3. 组装和调试:在电器产品的组装和调试过程中,应严格按照工艺标准进行操作,以确保每个组件的正确连接和整个产品的正常运行。
4. 检测和质量控制:工艺标准应包括必要的检测方法和标准,以确保电器产品在生产过程中达到质量要求,并能按照用户需求进行合格的测试和验证。
四、操作规程管理制度操作规程是指电器生产过程中各个环节的具体操作要求和规范。
为了保证工艺标准可以得到有效执行和监控,需要制定并实施相应的操作规程管理制度。
1. 制定操作规程:根据工艺标准的要求,制定具体的操作规程,明确每个环节的操作流程、所需设备和操作要求等。
2. 培训和教育:制度应包括对生产人员进行培训和教育的要求,以提高其对操作规程的理解和遵守程度。
3. 监督和检查:制度应规定监督和检查的机制,确保操作规程得到有效执行。
这可以包括定期的内部审核和外部认证。
4. 改进和更新:制度还应鼓励不断改进和更新操作规程,以适应行业和技术的发展。
五、管理制度的重要性电器生产工艺标准和操作规程管理制度的建立和执行对于确保生产过程的顺利进行以及产品质量的提高至关重要。
风电扇叶加工过程风电扇是我们生活中常见的电器之一,它能够通过旋转的扇叶产生强劲的风,给人们带来清凉。
然而,你是否好奇过这些扇叶是如何制造的呢?下面就让我们来了解一下风电扇叶的加工过程。
风电扇叶的材料通常是塑料或金属。
在加工过程中,我们以塑料材料为例进行介绍。
1. 材料准备在开始加工之前,首先需要准备好塑料原料。
通常使用的是聚丙烯(PP)等高强度塑料。
这种材料具有良好的韧性和耐用性,非常适合用来制作扇叶。
2. 设计与模具制作在加工风电扇叶之前,需要进行扇叶的设计。
设计师根据产品的需求和功能要求,绘制出扇叶的形状和结构。
一般来说,扇叶的形状有椭圆形、圆形、叶片状等多种选择。
完成设计后,需要制作模具。
模具是生产扇叶的关键工具,它决定了扇叶的形状和尺寸。
制作模具通常采用数控机床进行精密加工,以保证扇叶的精度和一致性。
3. 塑料注塑准备好模具后,下一步就是进行塑料注塑。
首先,将塑料颗粒加入注塑机的料斗中,通过加热和压力,使塑料颗粒熔化。
然后,将熔化的塑料通过注射针射入模具中,填充整个模具空腔。
在注塑过程中,需要控制好注射温度、压力和注塑时间等参数,以确保扇叶的质量和外观。
注塑完成后,等待塑料冷却凝固,然后打开模具,取出扇叶。
4. 表面处理取出的扇叶通常还需要进行表面处理,以增加其光滑度和美观度。
表面处理的方法有很多种,常见的包括喷漆、喷涂、电镀等。
喷涂可以使扇叶表面呈现出各种颜色和图案,电镀可以增加扇叶的金属质感。
5. 质量检测完成表面处理后,需要对扇叶进行质量检测。
质量检测包括外观检查、尺寸测量、重量测量等。
通过质量检测,可以确保扇叶的质量符合标准要求。
6. 组装经过质量检测的风电扇叶进入组装环节。
在组装过程中,将扇叶与电机进行连接,通常使用螺丝将扇叶固定在电机上。
同时,还需要进行电机的调试和测试,确保扇叶能够正常工作。
7. 包装与出厂最后一步是将组装好的风电扇进行包装,并送至仓库等待出厂。
包装通常采用纸盒包装,以保护扇叶免受损坏。
剪板下料工艺规程一、工艺准备:1、熟悉图纸和有关工艺要求,充分了解所加工的零件的几何形状和尺寸要求;2、按图纸的要求材料规格领料,并检查材料是否符合工艺的要求;3、为了降低消耗,提高材料利用率,要合理计算采取套裁方法;4、将合格的材料整齐的堆放在机床旁;5、检查剪床刀片是否锋利及紧固牢靠,并按板料厚度调整刀片间隙;6、检查剪板机润滑状况。
二、工艺过程:1、调整靠山位置,用卷尺测量切刀下模切口到靠山内边之间的距离,使之调整至下料所需尺寸,应注意靠山与切刀之间的平行度;2、开启剪板机,塞入板料,靠实靠山,踩下脚踏开关;3、辅助人员应该配合好,在加工过程中要随时检查尺寸、毛刺、角度,并及时与操作人员联系。
一、质量检查:1、尺寸检查:应使用卷尺进行剪板长度和对角线测量,尺寸偏差应符合技术文件要求,技术文件无特殊要求时,应符合下表规定:2、表面质量检查:检查板材切口处,不得有明显飞边、毛刺等缺陷;3、剪板过程中,应对以上两项再次进行检查,检查周期50张内检查一次。
二、注意事项:1、熟悉剪板机的润滑和切刀磨损情况;2、设备工作时如有异常声音,应立即停机,检查解决后方可继续工作;3、板材的平整度、尺寸在规定范围内;4、为减少刀片磨损,钢板板面及台面要保持清洁,剪板机床床面上严禁放置工具及其他材料。
剪角工艺规程一、工艺准备:1、仔细察看产品图纸和技术要求,充分了解所加工的零件的几何形状和尺寸要求;2、检查板材材质、尺寸是否符合要求;3、检查设备润滑状况。
二、工艺过程:1、调整剪角模,使之符合冲压要求;2、调整靠山,用钢直尺测量靠山内侧至下模切口之间距离,使之调整至剪角下料尺寸;3、将板料一角靠实靠山,踩下脚踏开关;4、测量剪角尺寸,应符合图纸规定。
三、质量检查:1、首件工件应进行首检,首件合格后方可继续工作;2、制作过程中应多次对工件进行剪角尺寸测量,发现偏差扩大的应调整靠山至适当位置。
四、注意事项:1、熟悉压力机的润滑和剪角模磨损情况;2、设备工作时如有异常声音,应立即停机,检查解决后方可继续工作;3、应注意剪角尺寸符合产品图纸的尺寸要求,特别是基准线。
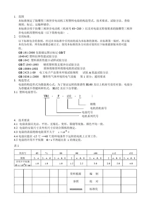
1.范围本标准规定了隔爆型三相异步电动机工程塑料电扇的构造型式、技术要求、试验方法、查验规则、标记、运输和储存。
本标准合用于防爆三相异步电动机(机座号 63~280 )以及对电扇无特别要求的隔爆型三相异步电动机用塑料电扇(以下简称电扇)。
2.引用标准、以下标准包含的条则,经过在本标准中引用而组成为本标准的条则,在标准第一版时,所示版本均为有效,所有标准都会被订正,使用本标准的各方应商讨使用以下标准最新版本的可能性。
GB 191-2000 包装储运图示标记 GB/T1040-92 塑料拉伸性能试验方法GB 1042 塑料曲折性能小试样试验方法GB/T 1043-1993硬质塑料简支梁冲击试验方法GB 10064-1988固体绝缘资料绝缘电阻的试验方法GB 2423.1-89电工电子产品基本环境试验规程试验 A 低温试验方法GB 3836.1-2000爆炸性气体环境用电气设施第 1 部分:通用要求3.构造型式电扇的构造形式为圆盘离心式,为了保证运转的靠谱性 H160 及以上机座号设有衬套,电扇分为带键或不带键两种形式, H132 及以下自带键。
3.1 塑料电扇型号:YB2 - F - 132 -2极数电机的机座号电扇代号电机系列代号4.技术要求4.1 电扇表面应光洁、平坦、无缩孔、变形、裂缝等现象,颜色平均一致。
4.2 电扇的安装尺寸及外形尺寸应切合图纸的规定。
4.3 电扇的表面绝缘电阻须不大于 1 ×10 9Ω4.4 电扇应能在 -15 ℃ ~+40 ℃的环境条件下运转的电机上正常工作。
4.5 电扇的许用不平权衡G·r不得超出表 1 的规定值。
表 1机座号63718090100112132极数2、42、4、62、4、6、824、6、82、4、6、824、6、82、4、6、8许用不平权衡1.0 1.0 1.0 1.52.53.0 2.0 5.04.0 G·r(10-4N·m)资料根源编制参照校对xxxxxxxxx标准化编制审核标记处数改正文件号署名日期技术科xxxxxxxxxxxxxxxxx工程塑料电扇技术条件文件编号xxxxxxxxxxxxx 共 4页第 2 页续表 1机座号160180200225250280极数24、6、 2、46、 8 2 、 46、824、6、 24、6、 24、6、8888许用不均衡8.018.09.821.313.729.418.336.621.342.521.357.6量G·r(10-4N·m )4.6 电扇圆盘的变形量应切合表 2 的规定。
玩具风扇的制造工艺玩具风扇的制造工艺可以分为以下几个主要步骤:设计、原材料准备、注塑成型、组装和调试、包装和质检。
首先,设计是玩具风扇制造的第一步。
设计师会根据市场需求和消费者的喜好,制定玩具风扇的外观和功能。
设计过程中需要考虑到电路设计、材料选择、结构设计等方面。
接下来是原材料的准备。
玩具风扇通常使用塑料作为主要材料,因此需要准备塑料颗粒,并将其进行熔融处理。
此外,还需要准备其他辅助材料,如电机、电池、开关等。
注塑成型是制造玩具风扇的重要步骤之一。
先将准备好的塑料颗粒加入注塑机中,经过加热和熔融后进入模具中进行成型。
模具会根据设计的形状和尺寸,将熔融的塑料冷却并固化成型。
成型后的塑料制件会进行退模,然后进行修整、打磨等工艺处理。
成型完成后,需要对各个零部件进行组装和调试。
这包括将电机、叶片、电池、电路板等部件组装到一起,然后连接线路并进行电路调试,确保风扇的正常工作。
此外,还需要进行噪音测试、风力测试等环节,以确保产品质量。
经过组装和调试后,玩具风扇会进行包装。
包装过程中需要对产品进行分类、清点和装箱,并添加相关标签和说明书。
包装既能保护产品,又能提升产品的形象。
同时,还需要对产品进行质量检测,确保产品符合标准和要求。
最后,玩具风扇经过包装和质检后,会进行仓储和物流,将产品输送到销售渠道。
整个制造工艺结束后,玩具风扇就可以进入市场销售。
除了上述主要的制造工艺步骤外,玩具风扇的制造还需要考虑到产品的安全性、环保性和可持续性。
例如,在设计过程中需要考虑到产品的安全性,避免尖锐的部件、过小的零件等,以免给儿童带来伤害。
同时,在材料的选择上也要考虑到环保因素,选择符合环保标准的材料。
总之,玩具风扇的制造工艺包括设计、原材料准备、注塑成型、组装和调试、包装和质检等多个环节。
在每个步骤中都需要严格控制质量和安全,确保最终产品符合市场需求和消费者的期望。
风机工艺质量检验标准及安全操作规范{上海哈龙风机电器有限公司}一. 下料工序的操作和基本要求1.剪板机及震动剪下料工序。
(1)操作者在开始剪切之前,应仔细检查核对板材规格,准确选择待下料风机型号的样板,严格按照该型号样板或工艺尺寸要求划线并详细核对是否准确。
(2)操作者应按照样板或工艺尺寸要求参照板幅大小来判定剪切方向和顺序(较复杂的样板可以由相关技术人员提供方案),以提高材料利用率。
(3)操作者应在操作过程中逐渐了解剪板设备的性能及缺陷,以便掌握一些实际操作方面的技巧,应把剪切精度控制在±1mm范围内。
(4)较小尺寸工件需要用到边角废料的,应仔细检查核对其厚度是否符合工艺尺寸要求,板厚不可薄于工艺尺寸要求的极限,以防止出现相关的质量事故。
(5)操作者在操作过程中如发现设备出现异常响动应立即停车,并立即切断该设备电源。
(6)操作者在操作过程中要注意,手不得接近剪板机的各运动部件,尤其是剪切设备的剪刃、压料装置、皮带轮等,只有在剪切时脚才可以放在剪板机的脚踏板上,以免发生安全事故。
(7)操作者应定期给所操作设备进行保养维护,需要润滑的部件定期加注润滑油1次/周。
(8)操作人员在操作前必须经过相关人员指导培训,严禁非操作人员操作该设备。
2.等离子数字切割机下料工序。
(1)在操作等离子数字切割机时,操作者必须严格按照该设备使用说明书中所指导的操作顺序操作(详见说明书),操作人员在操作前必须经过相关培训,严禁非操作人员操作该设备。
(2)操作者在开始切割之前,应准确选择调用待下料风机型号工件的程序,详细核对该程序是否已加切割补偿量,并仔细检查核对板材规格是否符合工艺尺寸要求,确定切割起始位置的基准坐标。
(3)在设备切割过程中,严禁人员接近切割工作台取切割下的工件以防止相关安全事故的发生。
(4)在设备正常运行过程中,严禁人为强行给设备断电,当需要停机时应按照正常操作顺序(详见说明书)停机。
(5)操作者应定期给所操作设备进行保养维护,需要润滑的部件定期加注润滑油1周1次。
空气循环扇的工艺流程和注意事项下载提示:该文档是本店铺精心编制而成的,希望大家下载后,能够帮助大家解决实际问题。
文档下载后可定制修改,请根据实际需要进行调整和使用,谢谢!本店铺为大家提供各种类型的实用资料,如教育随笔、日记赏析、句子摘抄、古诗大全、经典美文、话题作文、工作总结、词语解析、文案摘录、其他资料等等,想了解不同资料格式和写法,敬请关注!Download tips: This document is carefully compiled by this editor. I hope that after you download it, it can help you solve practical problems. The document can be customized and modified after downloading, please adjust and use it according to actual needs, thank you! In addition, this shop provides you with various types of practical materials, such as educational essays, diary appreciation, sentence excerpts, ancient poems, classic articles, topic composition, work summary, word parsing, copy excerpts, other materials and so on, want to know different data formats and writing methods, please pay attention!一、工艺流程1. 设计制作。
空气循环扇的设计是工艺流程的第一步,需要根据市场需求和用户体验进行设计制作。
插座、开关、风扇安装施工工艺标准1 适用范围本工艺标准适用于室内电气照明的开关、插座、风扇安装工程2 施工准备2.1 原材料、半成品的要求2.1.1 各型开关:规格型号必须符合设计要求,并有产品合格证和“CCC”认证标志。
2.1.2 各种插座:规格型号必须符合设计要求,并有产品合格证和“CCC”认证标志2.1.3 吊扇:其型号、规格必须符合设计要求,扇叶不得有变形现象,吊杆长度适宜,并有产品合格证和“CCC”认证标志。
2.14 其他辅材:安全型压接帽、开关插座安装用镀锌机螺丝等均有合格证。
2.2 主要工机具2.2.1 手锤、錾子、剥线钳、尖嘴钳、中小号螺丝刀各一套、试电笔、专用压接钳、卷尺、小号水平尺、小号油漆刷。
2.3 作业条件2.3.1施工图纸及技术资料齐全。
2.3.2土建墙面装饰施工应全部结束,门窗齐全。
2.3.3吊扇预埋吊钩符合设计要求2.3.4各种管路、盒子已经敷设完毕、部分内陷较大及错位严重无法调整的接线盒已整改完毕、盒子收口平整。
2.3.5 线路的导线已穿线完毕,并已做好绝缘摇测。
2.4 作业人员主要作业人员:电工,经过培训考核的有经验的人员持证上岗。
3 施工工艺3.1 工艺流程接线盒检查清接线安装通电试验3.2 操作工艺3.2.1 用錾子轻轻地将盒子内残留的水泥、灰块等杂物剔除,用小号油漆刷将接线盒内杂物清理干净。
清理时注意检查有无接线盒预埋安装位置错位(即螺丝安装孔错位90°)、螺丝安装孔耳缺失、相邻接线盒高差超标等现象,应及时修整。
如接线盒埋入较深,超过1.5cm时,应加装套盒。
3.2.2 接线3.2.2.1 先将盒内导线留出维修长度后剪除余线,用剥线钳剥出适宜长度,以刚好能完全插入接线孔的长度为宜。
注意不要伤线芯。
3.2.2.2 对于多联开关需分支连接的应采用安全型压接帽压接总头后,再进行分支连接。
3.2.2.3 应注意区分相线、零线及保护地线,不得混乱。
3.2.2.4 开关、插座、吊扇的相线应经开关关断。
冷却吹风工艺条件冷却吹风工艺条件通常指的是工业生产过程中用于降温的特定工艺条件。
冷却吹风工艺条件的设置对产品质量和生产效率有重要影响,因此在生产过程中需要严格控制和调整。
下面将详细介绍冷却吹风工艺条件的几个重要方面。
首先,冷却吹风工艺条件的温度是关键因素之一。
在工业生产中,通常会使用空气或其他介质进行冷却,因此需要确保冷却介质的温度适宜。
过高的温度会导致产品过热,影响产品质量;而过低的温度则可能影响生产效率。
因此,根据具体产品的要求和生产工艺,需要合理设定冷却介质的温度。
其次,冷却吹风工艺条件的流速也是非常重要的。
流速过大会导致产品表面出现破损或气泡,影响产品外观和质量;而流速过小则可能导致冷却效果不佳,影响生产效率。
因此,需要根据具体产品的要求和生产工艺,合理设定冷却介质的流速。
此外,冷却吹风工艺条件的时间也需要合理控制。
冷却的时间过长会导致生产周期延长,影响生产效率;而时间过短则可能导致产品冷却不均匀,影响产品质量。
因此,需要根据具体产品的要求和生产工艺,合理设定冷却的时间。
最后,冷却吹风工艺条件的压力也需要考虑。
过高的压力会导致冷却介质的流速过快,影响冷却效果;而过低的压力则可能导致冷却效果不佳,影响产品质量。
因此,需要根据具体产品的要求和生产工艺,合理设定冷却介质的压力。
综上所述,冷却吹风工艺条件的温度、流速、时间和压力是影响产品质量和生产效率的重要因素。
在生产过程中,需要根据具体产品的要求和生产工艺,合理设置这些工艺条件,以确保产品质量和生产效率达到最佳水平。
只有在严格控制和调整冷却吹风工艺条件的前提下,生产过程才能顺利进行,产品质量才能得到保障。
电风扇外壳的生产工艺流程下载温馨提示:该文档是我店铺精心编制而成,希望大家下载以后,能够帮助大家解决实际的问题。
文档下载后可定制随意修改,请根据实际需要进行相应的调整和使用,谢谢!并且,本店铺为大家提供各种各样类型的实用资料,如教育随笔、日记赏析、句子摘抄、古诗大全、经典美文、话题作文、工作总结、词语解析、文案摘录、其他资料等等,如想了解不同资料格式和写法,敬请关注!Download tips: This document is carefully compiled by theeditor. I hope that after you download them,they can help yousolve practical problems. The document can be customized andmodified after downloading,please adjust and use it according toactual needs, thank you!In addition, our shop provides you with various types ofpractical materials,such as educational essays, diaryappreciation,sentence excerpts,ancient poems,classic articles,topic composition,work summary,word parsing,copy excerpts,other materials and so on,want to know different data formats andwriting methods,please pay attention!电风扇外壳的生产工艺流程主要包括以下几个步骤:1. 设计阶段在电风扇外壳的生产工艺流程中,首先需要进行设计。
风扇加工工艺流程嘿,咱今儿就来唠唠风扇加工工艺流程这档子事儿!你想啊,风扇,那可是夏天里的大救星啊!没它,咱不得热得抓耳挠腮的。
那这神奇的风扇是咋来的呢?这可得好好说道说道。
先得有个设计吧,就像盖房子得先有个图纸一样。
得想好这风扇长啥样,多大尺寸,啥颜色,功能有哪些。
这可不是一拍脑袋就能定下来的,得费不少心思呢!然后呢,就是选材啦。
这材料可得挑好的,不然用不了多久就坏了,那多闹心啊。
就像咱挑衣服,得挑质量好的,穿着舒服还耐穿。
这风扇的材料也得结实耐用,还得轻,不然搬起来多费劲啊。
选好了材料,就该加工啦。
这就好比做菜,得切菜、炒菜一样。
得把那些材料加工成风扇该有的样子。
什么扇叶啦,电机啦,外壳啦,都得精心打造。
这可不是随便糊弄就能行的,得有技术,有经验。
你说这扇叶,那可得做得恰到好处。
要是形状不对,那风可就吹不起来啦,或者吹得乱七八糟的。
这就跟咱走路似的,得走对方向,不然不就跑偏啦?还有那电机,这可是风扇的核心啊!就像人的心脏一样重要。
要是电机不行,那风扇还不得歇菜啊。
得让它强劲有力,转起来呼呼的,给咱送来凉爽的风。
加工好了,还得组装啊。
这就跟搭积木似的,把各个零件都放到该放的地方,让它们紧密合作。
一个螺丝都不能松,一个零件都不能错,不然这风扇可就没法正常工作啦。
组装好了,还得测试呢!这可不能马虎,万一有啥问题没发现,到了咱手里用不了多久就坏了,那多气人啊。
就像咱买了个新手机,不得试试各项功能都好不好使啊。
经过这一系列的步骤,一个完美的风扇就诞生啦!你想想,从一堆材料变成一个能给咱带来凉爽的好东西,这多神奇啊!这背后得有多少人的努力和付出啊。
咱用着风扇的时候,可别光享受,也得想想这来之不易啊。
咱得好好珍惜,让它好好为咱服务。
总之,风扇加工工艺流程那可不是闹着玩的,那是一项严谨又有趣的事儿。
咱得感谢那些制造风扇的人,让咱能在夏天里过得舒舒服服的。