A0,A1,A2,A3,A4内外图框尺寸和内外图框间距
- 格式:doc
- 大小:15.50 KB
- 文档页数:1
cad图纸尺寸标准CAD 图纸尺寸标准在工程设计、建筑施工、机械制造等众多领域,CAD(计算机辅助设计)技术的应用越来越广泛。
而 CAD 图纸作为设计成果的重要呈现形式,其尺寸标准的规范与统一至关重要。
这不仅关系到设计信息的准确传达,还直接影响到后续的生产制造、施工安装等环节。
CAD 图纸的尺寸标准通常是由国际标准组织(ISO)或各个国家的相关标准机构制定的。
在我国,常用的 CAD 图纸尺寸标准主要遵循国家标准 GB/T 14689-2008。
标准的 CAD 图纸尺寸有着严格的规定。
常见的基本幅面包括 A0、A1、A2、A3、A4 等。
A0 图纸的尺寸为 841mm×1189mm,A1 图纸的尺寸为 594mm×841mm,A2 图纸的尺寸为 420mm×594mm,A3 图纸的尺寸为 297mm×420mm,A4 图纸的尺寸为 210mm×297mm。
这些尺寸之间存在着一定的比例关系,即沿长边对折后得到下一个较小的幅面尺寸。
在实际应用中,选择合适的图纸幅面是非常重要的。
一般来说,应根据设计内容的复杂程度、图形的大小以及比例等因素来确定。
如果图形较小且简单,使用 A4 图纸可能就足够了;而对于大型的、复杂的设计项目,可能需要用到 A0 或 A1 这样较大的幅面。
除了基本幅面,CAD 图纸还有加长幅面的规定。
当基本幅面不能满足绘图需求时,可以采用加长幅面。
但加长幅面的尺寸必须是基本幅面短边的整数倍,并且要按照规定的顺序进行加长。
在 CAD 图纸中,图框的尺寸和格式也有明确的要求。
图框线分为内外两部分,外框线的宽度通常比内框线宽。
图框的右下角通常会有标题栏,用于填写图纸的名称、编号、比例、设计者等相关信息。
图纸的比例也是 CAD 绘图中需要重点关注的一个方面。
比例的选择应根据图形的大小和复杂程度,以及图纸幅面的大小来确定。
常见的比例有 1:1、1:2、1:5、1:10、1:20 等。
电气工程CAD制图规范一.电气设计图纸格式图幅是指图纸幅面的大小,所有绘制的图纸都必须在图纸幅面以内。
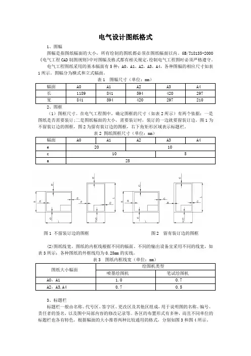
1.图纸幅面电气工程图纸采用的基本幅面有5种:A0,A1,A2,A3,A4,各种图幅的相应尺寸如表1-2所示。
图幅分为横式和立式幅面。
2.(1)图框尺寸。
在电气工程图中,确定图框的尺寸(如表1-3所示)有两个依据:一是图纸是否需要装订;二是图纸幅面的大小。
需要装订时,装订的一边就要留装订边。
图1-5为不留装订边的图框,图1-6为留有装订边的图框,右下角矩形区域表示标题栏。
图1-5 不留装订边的图框图1-6 留有装订边的图框(2)图纸线宽。
图纸的内框线根据不同的幅面、不同的输出设备宜采用不同的线宽,如表1-4所示;各种图纸的外框线均为0.25mm的实现。
标题栏一般由名称、代号区、签字区、更改区及其他区组成,用于说明图的名称、编号、责任者的签名,以及图中局部内容的修改记录等。
各区的布置形式有多种,而且不同单位的标题栏也各有特色。
根据幅面的大小推荐两种比较通用的格式,分别如图1-7和图1-8所示。
图1-7 设计通用标题栏(A0和A1幅面)图1-8 设计通用标题栏(A2、A3和A4幅面)二、电气设计使用图线不同的电气图,对图线、字体和比例有不同的要求。
国标对电气工程图的图线、字体和比例做出了相应的规定,其中图线的相关要求如下。
1.基本图线根据国标规定,电气工程图中常用的线型有实线、虚线、点画线、波浪线、双折线等。
2.图线的宽度图线的宽度应根据图纸的大小和复杂程度,在下列数值中选择:0.18mm,0.25mm,0.35mm,0.5mm,0.7mm,1mm,1.4mm,2mm。
在电气工程图中,图线一般只用两种宽度,分别为粗实线和细实线,其宽度之比为2:1.在通常情况下,粗线的宽度采用0.5mm或0.7mm,细线的宽度采用0.25mm 或0.35mm。
在同一图纸中,同类图线的宽度应基本保持一致,虚线、点画线及双点画线的画长和间隔长度也应大致相等。
制图标准规定图纸幅面和格式国家制图标准规定图纸幅面和格式(GB/T 14689-1993)有:A0、A1、A2、A3、A4等五种规格。
它们的尺寸分别是:841×1189;594×841;420×594;297×420;210×297。
这五种图纸也分别叫做:0号图纸、1号图纸、2号图纸、3号图纸、4号图纸。
绘制技术图样时,应优先采用这五种规定的基本幅面。
必要时允许加长幅面,也允许以基本幅面的短边的整数倍加长幅面。
CAD字体大小和标注要求2.3 字体在图样中书写汉字、字母、数字时,字体的高度(用h表示)的公称尺寸系列为:1.8mm,2.5mm,3.5mm,5mm,7ram,10mm,14mm,20mm (GB/T 14691―93),如需要书写更大的字,其字体高度应按的比率递增,字体的高度代表字体的号数。
图样上的汉字应写成长仿宋体字,并采用国家正式公布推行的简化字,汉字的高度h不应小于3.5mm,其字宽一般为h/~r2。
字母和数字A型和B型两种。
A型字体的笔画宽度为字高的1/14;B型字体的笔画宽度为字高的1/10,但在同一图样上,只允许选用一种型式的字体。
字母和数字可写成斜体和直体。
斜体字的字头向右倾斜,与水平基准线成75。
图样上一般采用斜体字。
GB/T 18229在“CAD工程图的字体高度与图纸幅面之间的关系”及“CAD 工程制图的字体选用范围”两项内容与现行标准不同。
GB/T 18229规定,不论图幅大小,图样中字母和数字一律采用3.5号字,汉字一律采用5号字。
GB/T 18229与GB/T 14665的对比见表4。
表4 GB/T 18229与GB/T 14665的对比GB/T 18229关于CAD工程制图中字体选用范围的规定(见表5)是新增加的。
现行技术制图和机械制图国家标准中均未有相应的内容。
表5 字体选用范围在AutoCAD 2000中,可通过Text Style(字型设置)对话框完成不同字体的设置。
标准图框尺寸图框是指在绘图时用来限定图形尺寸和位置的框架,它在工程图纸、设计图纸、技术图纸等领域中起着非常重要的作用。
标准图框尺寸是指在绘制各类图纸时所应采用的统一规格,它有助于保持图纸的整洁、规范,提高图纸的可读性和工作效率。
本文将介绍一些常见的标准图框尺寸,希望能对大家有所帮助。
首先,我们来看一下常见的标准图框尺寸。
在国际标准ISO 5457和国家标准GB/T 1.1-2009中,规定了A0、A1、A2、A3、A4等多种图纸规格的标准图框尺寸。
以A4图纸为例,其标准图框尺寸为210mm×297mm,而A3图纸的标准图框尺寸为297mm×420mm,依此类推。
此外,还有一些特殊行业或特定要求下的图框尺寸,需要根据实际情况进行调整和设计。
其次,标准图框尺寸的设计原则是什么呢?首先,图框的尺寸应该合理,既要保证图纸的完整性和美观性,又要兼顾图纸的实用性和可读性。
其次,图框的尺寸应该与所绘制的图纸内容相匹配,不能过大或过小,以免影响图纸的使用。
最后,图框的尺寸设计应该考虑到后续的打印、复印、装订等工艺要求,以便于图纸的加工和使用。
在实际工作中,如何根据标准图框尺寸来设计图纸呢?首先,要根据所绘制的图纸内容和要求来选择合适的图框尺寸,然后在绘图软件中设置好图框的尺寸和位置。
接着,根据图框的位置和尺寸来确定图纸的布局和内容,保证图纸的整体美观和合理。
最后,根据实际需要来调整图框的尺寸和比例,以满足特定的要求和标准。
总的来说,标准图框尺寸对于绘图工作来说是非常重要的,它不仅能够规范图纸的尺寸和布局,还能够提高图纸的可读性和工作效率。
因此,在绘制各类图纸时,我们都应该严格按照标准图框尺寸来进行设计和绘制,以确保图纸的质量和可靠性。
以上就是关于标准图框尺寸的一些介绍,希望对大家有所帮助。
在实际工作中,我们应该充分理解和应用标准图框尺寸,以提高工作效率和图纸质量。
同时,我们也应该不断学习和掌握新的绘图技术和规范,以适应不断变化的工作需求和标准要求。
本文部分内容来自网络整理,本司不为其真实性负责,如有异议或侵权请及时联系,本司将立即删除!
== 本文为word格式,下载后可方便编辑和修改! ==
cada4图框比例尺寸设置
篇一:图纸图框尺寸及加长尺寸
一、图纸幅面
1.房屋建筑制图的图纸幅面及图框尺寸,应符合表2—l的规定。
需要微缩复制的图纸,其一个边上应附有一段准确米制尺度,四个边上均附有对中标志,米制尺度的总长应为100mm,分格应为10mm。
对中标志应画在图纸各边长的中点处,线宽应为0.35mm,伸人框内应为5mm。
图纸的短边一般不应加长,长边可加长,但应符合表2—2的规定。
图纸以短边作为垂直边称为横式,以短边作为水平边称为立式。
一般A0~A3图纸宜横式使用;必要时,也可立式使用。
一个工程设计中,每个专业所使用的图纸,一般不宜多于两种幅面,不含目录及表格所采用的A4幅面。
CAD图纸尺寸一览表
篇二:CAD标题栏和图框尺寸
国标规定的标题栏学校制图作业使用的标题栏
篇三:A0,A1,A2,A3,A4内外图框尺寸和内外图框间距
A0,A1,A2,A3,A4内外图框尺寸和内外图框间距
(来自: : cada4图框比例尺寸设置 )
201X-08-14 12:00
图纸幅面及图框尺寸
道路的图框和建筑制图的图框的a,c是不相同的。
而建筑制图中的图框C值根据图幅也是不同的。
在这里要说明一点:不管你出多大的图,不管出什么比例的图,你图框的内外框间距是不能变的,一定要按上述表中的规定值。
000000制图标准规定图纸幅面和格式00000国家制图标准规定图纸幅面和格式(GB/T 14689-1993)有:A0、A1、A2、A3、A4等五种规格。
它们的尺寸分别是:841×1189;594×841;420×594;297×420;210×297。
这五种图纸也分别叫做:0号图纸、1号图纸、2号图纸、3号图纸、4号图纸。
绘制技术图样时,应优先采用这五种规定的基本幅面。
必要时允许加长幅面,也允许以基本幅面的短边的整数倍加长幅面。
CAD字体大小和标注要求0000002.3 字体在图样中书写汉字、字母、数字时,字体的高度(用h表示)的公称尺寸系列为:1.8mm,2.5mm,3.5mm,5mm,7ram,10mm,14mm,20mm (GB/T 14691―93),如需要书写更大的字,其字体高度应按的比率递增,字体的高度代表字体的号数。
图样上的汉字应写成长仿宋体字,并采用国家正式公布推行的简化字,汉字的高度h不应小于3.5mm,其字宽一般为h/~r2。
字母和数字A型和B型两种。
A型字体的笔画宽度为字高的1/14;B型字体的笔画宽度为字高的1/10,但在同一图样上,只允许选用一种型式的字体。
字母和数字可写成斜体和直体。
斜体字的字头向右倾斜,与水平基准线成75。
图样上一般采用斜体字。
GB/T 18229在“CAD工程图的字体高度与图纸幅面之间的关系”及“CAD 工程制图的字体选用范围”两项内容与现行标准不同。
GB/T 18229规定,不论图幅大小,图样中字母和数字一律采用3.5号字,汉字一律采用5号字。
GB/T 18229与GB/T 14665的对比见表4。
表4 GB/T 18229与GB/T 14665的对比GB/T 18229关于CAD工程制图中字体选用范围的规定(见表5)是新增加的。
现行技术制图和机械制图国家标准中均未有相应的内容。
表5 字体选用范围在AutoCAD 2000中,可通过Text Style(字型设置)对话框完成不同字体的设置。
AotoCAD标题栏的标准以及技术要求标题栏国家标准总结⼀、标题栏:位于每张图纸右下⾓的图框,与看图⽅向⼀致;注意: 标题栏外框线⼀律⽤粗实线绘制,右边和底边与图框线重合,内部分格线⽤细实线绘制,如下图所⽰:标题栏的字体、字⾼、线型及线宽规定如(标准来⾃《⽔利⽔电制⼯程图标准》(征求意见稿))⼆、图纸的图幅⼤⼩:(1)A0,A1号图纸标题栏:单位名称为⼆号加粗仿宋体,宽×⾼为7*5.6,其余为⼩三号仿宋体,宽×⾼为4*3.2。
(2)A2,A3号图纸标题栏:单位名称为三号加粗仿宋体,宽×⾼为4*3.2,其余为⼩四号仿宋体,宽×⾼为3*2.4。
(3)A4号图纸标题栏:单位名称为为五号加粗仿宋体,宽×⾼为3*2.4,其余为五号仿宋体,宽×⾼为3*2.4。
1515 零件名称制图审核⽇期⽇期所属单位材料数量⽐例 15 2520 140 835 图号三、零件图标题栏的⽰例:四、明细栏:明细栏如下图所⽰,每张图纸上都必须画出标题栏,装配图有明细表。
明细表按下图所⽰绘制和填写说明:明细栏(根据GB 10609.2—89)1、明细栏的画法(1)明细栏⼀般应紧接在标题栏上⽅绘制。
若标题栏上⽅位置不够时,其余部分可画在标题栏的左⽅。
(2)当明细栏直接绘制在装配图中时,其格式和尺⼨按GB 10609.2—89。
(3)明细栏最上⽅(最末)的边线⼀般⽤细实线绘制。
(4)当装配图中的零、部件较多位置不够时,可作为装配图的续页按A4 幅⾯单独绘制出明细栏。
若⼀页不够,可连续加页。
其格式和要求参看国标GB10609.2-89。
2、明细栏的填写(1)当明细栏直接画在装配图中时,明细栏中的序号应按⾃下⽽上的顺序填写,以便发现有漏编的零件时,可继续向上填补。
如果是单独附页的明细栏,序号应按⾃上⽽下的顺序填写。
(2)明细栏中的序号应与装配图上编号⼀致,即⼀⼀对应。
(3)代号栏⽤来注写图样中相应组成部分的图样代号或标准号。
15.3.1 图纸幅面根据<<房屋建筑制图统一标准>> GBJ1-86中的规定,图纸幅面的规格分为A0,A1,A2,A3,A4共5种,各种幅面的尺寸如表15-4所示。
表15-5幅面及图框尺寸(mm)尺寸代号幅面代号A0A1A2A3A4B X L 841x1189 594x841 420x594 297x420 210x297c 10 5a 25幅面的格式及标题栏,会签栏的位置如图15.11所示,标题栏及会签栏的格式见图15.2、15.13。
15.3.2 图线根据<<房屋建筑制图统一标准>>GBJ1-86中的规定,建筑工程图应按图样的复杂程度与比例选用表15-5中的基本线宽b及线宽组,并按表15-6所示选用线型。
表15-6线宽组线宽比线宽组b 2.0 1.4 1.0 0.7 0.5 0.350.5b 1.0 0.7 0.5 0.35 0.25 0.180.35b 0.7 0.5 0.35 0.25 0.18表15-7建筑图的线型名称线型线宽用途平,剖面图中被剖切的主要建筑构造(包括构配件)的轮廓线。
实线粗b建筑立面图的外轮廓线。
建筑构造详图中被剖切的主要部分的轮廓线。
建筑构配件详图中构配件的外轮廓线。
平,剖面图中被剖切的次要建筑构造(包括构配件)的轮廓线。
中0.5b建筑平,立剖面图中建筑构配件的轮廓线。
建筑构造详图及建筑构配件详图中一般轮廓线小于0.5b的图形线,尺寸线,尺寸界细0.35b限,图例线,索引符号,标高符号等。
建筑构造及建筑配件不可见轮廓线。
名称线型线宽用途平面图中的起重机(吊车)轮廓线。
虚线中0.5b拟扩建的建筑轮廓线。
细0.35b图例线,小于0.5b的不可见轮廓线。
点划线粗 b 起重机(吊车)轨迹线。
细0.35b中心线,对称线,定位轴线。
拆断线0.35b不需画全的断开界线。
波浪线0.35b不需画全的断开界线。
构造层次的断开界线。
注意地平线的线宽可用1.4b。