题目十五:简易数控直流电源
- 格式:doc
- 大小:69.64 KB
- 文档页数:1
第一届(1994年)全国大学生电子设计竞赛题目题目一简易数控直流电源一、设计任务设计出有一定输出电压范围和功能的数控电源。
其原理示意图如下:二、设计要求1.基本要求(1)输出电压:范围0~+9.9V,步进0.1V,纹波不大于10mV;(2)输出电流:500mA;(3)输出电压值由数码管显示;(4)由“+”、“-”两键分别控制输出电压步进增减;(5)为实现上述几部件工作,自制一稳压直流电源,输出±15V,+5V。
2.发挥部分(1)输出电压可预置在0~9.9V之间的任意一个值;(2)用自动扫描代替人工按键,实现输出电压变化(步进0.1V不变);(3)扩展输出电压种类(比如三角波等)。
三、评分意见项目得分基本要求方案设计与论证、理论计算与分析、电路图30实际完成情况50总结报告20 发挥部分完成第一项 5完成第二项15完成第三项20题目二多路数据采集系统一、设计任务设计一个八路数据采集系统,系统原理框图如下:主控器能对50米以外的各路数据,通过串行传输线(实验中用1米线代替)进行采集的显示和显示。
具体设计任务是:(1)现场模拟信号产生器。
(2)八路数据采集器。
(3)主控器。
二、设计要求1.基本要求(1)现场模拟信号产生器:自制一正弦波信号发生器,利用可变电阻改变振荡频率,使频率在200Hz~2kHz范围变化,再经频率电压变换后输出相应1~5V直流电压(200Hz对应1V,2kHz对应5V)。
(2)八路数据采集器:数据采集器第1路输入自制1~5V直流电压,第2~7路分别输入来自直流源的5,4,3,2,1,0V直流电压(各路输入可由分压器产生,不要求精度),第8路备用。
将各路模拟信号分别转换成8位二进制数字信号,再经并/串变换电路,用串行码送入传输线路。
(3)主控器:主控器通过串行传输线路对各路数据进行采集和显示。
采集方式包括循环采集(即1路、2路……8路、……1路)和选择采集(任选一路)二种方式。
全国大学生电子设计竞赛试题1.1 第一届电子设计竞赛试题(1994年)题目一 简易数控直流电源一、设计任务设计出有一定输出电压范围和功能的数控电源.其原理示意图如图所示.1 ① ; ② 输出电流:③ ④ 由“+”、“-⑤ 15V ,+5V.2.发挥部分① 输出电压可预置在0至+9.9V 之间的任意一个值;②用自动扫描代替人工按键,实现输出电压变化(步进0.1V 不变); ③ 扩展输出电压种类(比如三角波等).题目二 多路数据采集系统一、设计任务二、设计要求 1.基本要求① 现场模拟信号产生器 自制一正弦波信号发生器,利用可变电阻改变振荡频率,使频率在200Hz 至2kHz 范围变化,再经频率电压娈换电路后输出相应1V 至5V 直流电压(200Hz 对应1V ,2kHz 对应5V )② 八路数据采集器 数据采集器第一路输入自制1V 至5V 直流电压,第2至7路分别输入来自直流源的5,4,3,2,1,0V 直流电压(各路输入可由分压器产生,不要求精度),第八路备用.将各路模拟信号分别转换成八位二进制数字信号,再经并/串变换电路,用串行码送入传输线路.③主控器主控器通过串行传输线路对各路数据进行采集和显示.采集方式包括循环采集(即1路、2路、…、8路、1路…)和选择采集(任选一路)二种方式.显示部分能同时显示地址和相应的数据.2.发挥部分①利用电路补偿或其它方法提高可变电阻值变化与输出直流电压变化的线性关系;②尽可能减少传输线数目;③其它功能的改进(例如:增加传输距离,改善显示功能等)1.2 第二届电子设计竞赛试题(1995年)题目一实用低频功率放大器一、任务设计并制作具有弱信号放大能力的低频功率放大器.其原理图如图所示.⑤在前置放大级输入端交流短接到地时,R L=8Ω上的交流声功率≤10mW;⑵自行设计并制作能满足本设计任务要求的稳压电源.2.发挥部分⑴放大器的时间响应①方波产生:由外供正弦信号源经变换电路产生正、负极性的对称方波:频率为1000 Hz、上升和下降时间≤1μS、峰峰值电压为200 mV.用上述方波激励放大器通道时,在R L=8Ω的负载下,放大器通道应满足:②额定输出功率P OR≥10W;③在P OR下输出波形上升和下降时间≤1μS;④在P OR下输出波形顶部降落≤2%;⑤在P OR下输出波形过冲量≤5%.⑵放大器通道性能指标的提高和实用功能的扩展(例如提高效率、减少非线性失真等).题目二实用信号源的设计和制作一、任务在给定±15V电源电压条件下,设计并制作一个正弦波和脉冲波信号源.二、要求1.基本要求⑴正弦波波信号源①信号频率:20Hz至20kHz步进调整,步长为5Hz.②频率稳定度:优于10-4.③非线性失真系数:≤3%.⑵脉冲信号源①信号频率:20Hz至20kHz步进调整,步长为5Hz.②上升和下降时间:≤1μS.③平顶降落:≤5%.④脉冲占空比:2%至98%步进可调,步长为2%.⑶上述两个信号源公共要求①频率可预置.②在负载为600Ω时,输出幅度为3V.③完全成5位频率的数字显示.2.发挥部分⑴正弦波和脉冲波频率步长改为1Hz.⑵正弦波和脉冲波的幅度可步进调整,调整范围为100mV至3V,步长为100 mV.⑶正弦波和脉冲波频率可自动步长,步长为1Hz.⑷降低正弦波非线性失真系数.题目三简易无线电遥控系统一、任务设计并制作无线电遥控发射机和接收机2.发挥部分① 8路设备中的一路设备为电灯,用指令遥控电灯亮度,亮度分为8级,并用数码管显示级数.② 在一定发射功率下,(不大于20MW ),尽量增大接收距离. ③ 增加信道的抗干扰措施.④ 尽量降低电源功耗.注:不能采用现成的收、发信号整机. 题目四 简易电阻、电容和电感测试仪一、任务设计并制作一台数字显示的电阻器、电容器和电感器参数测试仪.示意框图如图所示:二、要求 1① ② ③ 制作四位数码管显示器,显示测量数据,并用发光二极管分别指示所测无件的类别和单位.2.发挥部分① 扩大测量范围. ② 提高测量精度.③测量量程自动化.1.3 第三届电子设计竞赛试题(1997年)A题直流稳压电源一、任务设计并制作交流变换为直流的稳压电源.二、要求1.基本要求①稳压电源在输入电压220V、50Hz,电压变化范围+15%至-20%条件下:a 输出电压可调范围:+9V至+12V;b 最大输出电流:1.5A;c 电压调整率≤0.2%(输入电压220V变化范围+15%至-20%条件下,满负);d 负载调整率≤0.1%(在最低输入电压下,空载到满载);e 纹波电压(峰-峰值)≤5mV(在最低输入电压下,满载);f 效率≥40%(输出电压9V、输入电压220V下,满载);g 具有短路和过流保护功能;②稳流电流在输入电压固定为直流+12V的条件下:a 输出电流:4至20mA可调;b 负载调整率≤1%(输入电压+12V、负载电阻由200至300Ω变化时,输出电流为20mA 时的相对变化率).③ DC/DC变换在输入电压为+9V至+12V条件下:a 输出电压为+100V,输出电流为10mA;b 电压调整率≤1%(输入电压变化范围+9至+12V);c 负载调整率≤1%(在输入电压+12V下,空载到满载);d 纹波电压(峰-峰值)≤100mV(在输入电压+9V下,满载).2.发挥部分①扩充功能a 排除短路故障后,能自动恢复为正常状态;b 过热保护;c 防止开、关机时产生的“过冲”;②提高稳压电源的技术指标a 提高电压调整率和负载调整率;b 扩大输出电压调节范围和提高最大输出电流值.③改善DC/DC变换器性能a 提高效率(在100V、100mA下测试);b 提高输出电压.④用数字显示输出电压和输出电流.四、说明:①直流稳压电源部分不能采用0.5A以上的集成稳压芯片.②在设计报告前附一篇400字以内的报告摘要.B题简易数字频率计一、任务设计并制作一台数字显示的简易频率计.二、要求1.基本要求①频率测量a 测量范围信号:方波、正弦波幅度:0.5至5V频率:1Hz至1MHzb 测试误差≤0.1%②周期测量a 测量范围信号:方波、正弦波幅度:0.5至5V频率:1Hz至1MHzb 测试误差≤0.1%③脉冲宽度测量a 测量范围信号:脉冲波幅度:0.5至5V脉冲宽度≥100μSb过测试误差≤1%④显示器十进制数字显示,显示刷新时间1至10秒连续可调,对上述三种测量功能分别用不同颜色的姚二极管指示.⑤具有自校功能,时标信号频率为1MHz.⑥自行设计并制作满足本设计任务要求的稳压电源.2.发挥部分①扩展频率测量范围为0.1Hz至10MHz(信号幅度0.5至5V),测试误差降低为0.01%(最大闸门时间≤10S).②测量并显示周期脉冲信号(幅度0.5至5V、频率1Hz至1kHz)的占空比,占空比的变化范围为10%至90%,测试误差≤1%.③在1Hz至1MHz范围内及测试误差≤0.1%的条件下,进行小信号的频率测量,提出实现抗干扰的措施.三、评分标准四、说明①不能采用频率计专用模板.②在设计报告前附一篇400字以内的报告摘要.C题水温控制系统一、设计并制作一个水温自动控制系统,控制对换为1升净水,容器为搪瓷器皿.水温可以在一定范围内由人工设定,并能在环境温度降低时实现自动调整,以保持设定的温度基本保持不变.二、要求1.基本要求①温度设定范围为40至900C,最小区分度为10C,标准温差≤10C.②环境温度降低时(例如用电风扇降温)温度控制的静态误差≤10C.③用十进制数码显示水的实际温度.2.发挥部分①采用适当的控制方式,当设定温度突变(由400C提高到600C)时,减少系统的调节时间和超调量.②温度控制的静态误差≤0.20C③在设定温度发生突变(由400C提高到600C)时,自动打印水温随时间变化的曲线.四、说明①加热器用一千瓦电炉.②如果采用单片机控制,允许使用已有的单片机最小系统电路板.③数码显示部分可以使用数码显示模块.④测量水温时只要求在容器内任意设置一个测试点.⑤在设计报告前附一篇400字以内的报告摘要.D题调幅扩播收音机一、任务利用所提供的元器件(附有资料)制作一个中波段广播收音机.二、要求1.基本要求①接收频率范围:540至1600kHz.②调谐方式:手动电调谐.③输出功率:≥100mW.④测量灵敏度、选择性、镜像抑制比和电调谐特性(测试时用信号发生器直接注入);写明测试方法,记录实测值,画出曲线.2.发挥部分①自动和手动搜索电台并有存储功能(可利用所提供的锁相环器件,或其它方法实现).②可预置电台数目:预置电台数目≥10个.③显示预置电台序号.④特色与创新(例如:提高性能指标,全机用单一+3V电源供电,节电,显示电台频率等).四、说明1.电调谐和特性是指输入信号频率与变容二极管控制电压之间的关系曲线.2.所提供的元器件清单(其它元器件自备):①调幅收音机单片集成电路(带有小功率放大器),型号:CXA1600P/M.②调幅收音机输入回路线圈和磁性天线.③变容光焕发二极管,型号:SVC341.④本振线圈.⑤用于电调谐的锁相环频率合成器集成电路,型号:LC7218(可选件).⑥ 7.2MHz晶体(可选件).3.在设计报告前附一篇400字以内的报告摘要.1.4 第四届电子设计竞赛试题(1999年)A 题一、题目测量放大器 二、任务设计并制作一个测量放大器及所用的直流稳压电源,框图如图所示. 三、要求1① a b c >105;d 在e f直流电压放大器的差模输入电阻≥2M Ω(可不测试,由电路设计预以保证);② 电源 设计并制作上述放大器所用的直流稳压电源.由单相220V 交流电压供电.交流电压变化范围为+10%至—15%.③ 设计并制作一个信号变换放大器.电路框图图如下图所示:将函数发生器单端输出的正弦电压信号不失真地转换为双端输出信号,用作测量直流电压放大器频率特性的输入信号.为③ 提高电路的共模抑制比.④ 差模电压放大倍数A VA 可预置并显示,预置范围1至1000,步距为1,同时满足基本要求①中参共模抑制比和噪声电压的要求.⑤ 其它(例如改善放大器性能的其它措施等). 五、说明直流电压放大器部分只允许采用通用型集成运算放大器,和必要的其它元器件组成,不能使用单片集成的测量放大器或其它之下 型的测量放大器产品. B题一、题目数字式工频有效值多用表. 二、任务设计并制作一个能同时对一路工频交流电(频率波动范围为(50±1)Hz 、有失真的正弦波)的电压有效值、电流有效值、有功功率、无功功率、功率因素进行测量的数字式多用表.数字式多用表框图如图所示.② 准确度a 显示为543位(999.4~000.0),有过量程指示; b 交流电压和交流电流:±(0.8%读数+5个字),例如:当被测电压为300V 时,读数误差应小于±(0.8%×300+0.5)=±2.9V ;c 有功功率和无功功率:±(1.5%读数+8个字);d 功率因素:±0.01;③ 功能选择:用按键选择交流电压、交流电流、有功功率、无功功率和功率因素的测量与显示.2.发挥部分① 用按键选择电压基波及总谐波的有效值测量与显示.② 具有量程自动转换功能,当变换器的输出电压小于0.5V 时,能自动提高分辨力达0.01V.③ 用按键控制实现交流电压、交流电流、有功功率、无功功率在测量过程中的最大值、最小值测量.④ 其它(例如扩展功能,提出高性能). 四、评分标准发挥部分②、③均用所制作的频率特性测试仪测试自制的被测网络的幅频特性与相频特性.D 题一、题目短波调频接收机二、任务设计并制作一个短波调频接收机,电路组成框图如图所示.④接近灵敏度≤5mV;⑤通频带:f0±4kHz为3dB;⑥选择性:f0±10kHz为30dB;⑦镜像抑制比≥20dB.2.发挥部分①可实现多种自动程控频率搜索模式(如全频率范围搜索,特定频率范围内搜索等),全频率范围搜索时间≤2分钟;②能显示接收频率范围内的调频电台载频值,显示载波频率的误差≤±5kHz;③进一步提高灵敏度;④可存储已搜索到的电台,在台数不少于20个;⑤其它.E 题一、题目数字化语音存储与回放系统二、任务设计并制作一个数字化语音存储与回放系统,电路的示意图如图所.② 带通滤波器:通带为kHz Hz 4.3~300;③ ADC :采样频率f s =8kHz ,字长=8位;④ 语音存储时间≥10秒;⑤ DAC :变换频率f C =8kHz ,字长=8位;⑥ 回放语音质量良好.2.发挥部分在保证语音质量的前提下:① 减少系统噪声电平,增加自动音量控制功能;② 语音存储时间增加到20秒以上;③ 提高存储器的利用率(在原有存储器不变的前提出下,提高语音存储时间); ④ 其它(例如:)/sin(/s s f f f f ππ校正等).不能用单片语音用芯片实现本系统.1.5 第五届电子设计竞赛试题(2001年)A 题 波形发生器一、任务设计并制作一个波形发生器,该波形发生器能产生正弦波、方波、三角波和由用户编辑的特定波形形状.其电路示意图如图所示.1① ② 波(5③ 具有波形存储功能.④ 输出波形的频率范围为100Hz 20~kHz (非正弦波频率按10次谐波计算);重复频率可调,频率步进间隔≤100Hz.⑤ 输出波形幅度范围05~V (峰峰值),可按步进0.1(峰峰值)调整.⑥ 具有显示输出波形的类型、重复频率(周期)和幅度的功能.2.发挥部分① 输出波形频率范围扩展至100Hz 200~kHz.②用键盘或其它输入装置产生任意波形.③增加稳幅输出功能,当负载变化时,输出电压幅度变化不大于±3%(负载电阻变化~).范围:100Ω④具有掉电存储功能,可存储掉电前用户编辑的波形和设置.⑤可产生单次或多次(1000次以下)特定波形(如产生1个半周期三角波输出).⑥其它(如增加频谱分析、失真度分析、频率扩展大于200kHz、扫描输出等功能).B题简易数字存储示波器一、任务设计并制作一台用普通示波器显示被测波形的简易数字存储示波器.该示波器的电路组成框图如图所示.div,⑶要求设置0.2s/ div、0.2 ms/div、20us/ div三档扫描速度,仪器的频率范围为DC—50kHz,误差≤5%.⑷要求设置0.1V/ div、1 V/div二档垂直灵敏度,误差≤5%.⑸仪器的触发电路采用内触发方式,要求上升沿触发、触发电平可调.⑹观察波形无明显失真.2.发挥部分⑴增加连续触发存储显示方式,在这种方式下,仪器能连续对信号进行采集,、存储并实时显示,且具有锁存(按“锁存”键即可存储当前波形).⑵增加双综示波功能,能同时显示两路被测信号波形.⑶增加水平移动扩展显示功能,要求存储深度增加一倍,并且能通过操作“移动”键显示被测存储信号波形的任一部分.⑷垂直灵敏度增加0.01V/ div档,以提高仪器的垂直灵敏度,并尽力减少输入短路时的输出噪声电压.⑸其它.三、评分标准四、说明测试过程中,不能对普通示波器进行操作和调整.C 题自动往返电动小汽车一、任务设计并制作一个能自动往返于起跑线与终点线间的小汽车.允许用玩具汽车改装,但不能用人工遥控(包括有线和无线遥控).跑道宽度0.5m,表面贴有白纸,,两侧有档板,档板与地面垂直,其高度不低于20cm.⑵自动记录、显示行驶距离(记录显示装置要求安装在车上).⑶其它特色与创新.三、评分标准⑴不允许在跑道内外区域另外设置任何标志或检测装置.⑵车辆(含在车体上附加的任何装置)外围尺寸的限制:长度≤35cm,宽度≤15cm.⑶必须在车身顶部明显标出车辆中心点位置,即横向与纵向两条中心线的交点.D 题 高效率音频功率放大器一、任务设计并制作一个高效率音频功率放大器及其参数的测量、显示装置.功率放大器的电源电压为+5V (电路其它部分的电源电压不限).负载为8Ω电阻.二、要求1.基本要求⑴ 功率放大器a 3dB 通频带为300Hz 至3400Hz ,输出正弦信号无明显失真.b 最大不失真输出功率≥1W.c 输入阻抗大于10k Ω,电压放大倍数1至20连续可调.d 低频噪声电压(20kHz 以下)≤10mV ,在电压放大倍数为10,输入端对地交流短路时测量.e 在输出功率500mW 时测量的功率放大器效率(输出功率/放大器总功耗)≥50%. ⑵ 设计并制作一个放大倍数为1的信号变换电路,将功率放大器双端输出的信号转换为5%. ⑵ 输出功率保持为200 mW ,尽量提高放大器效率.⑶输出功率保持为200 mW ,尽量降低放大器电源电压.⑷ 增加输出短路保护功能.⑸ 其它.三、评分标准⑴ 采用开关方式实现低频功率放大(即D 类放大)是提高效率的主要途经之一,D 类放大原理框图如图所示.本例如选用D 类放大方式,不允许使用D 类功率放大集成电路.⑵ (+5V ),不包. ⑶一、任务设计制作一个用于8路模拟信号采集与单向传输系统.其系统方框图如下.⑵设计一个加法器电路,将调制器输出V SP—P与噪声电压V nP—P相加送入模拟信道.在解调器输入端测量信号与噪声峰—峰值之比(V SP—P/ V nP—P),当其比值分别为1、3、5时进行误码测试.测试方法:在8路顺序循环采集模式下,监视某一路的显示,检查接收数据的误码情况,监视时间为1分钟.⑶在(V SP—P/ V nP—P)=3时,尽量提高传输速率,用上述第⑵项的测试方法,检查接收数据的误码情况.⑷其它(如自制用来定量测量系统误码的简易误码率测试仪,其方框图如下所示.F题调频收音机一、任务用SONY公司提供的FM/AM收音机集成芯片CXA1019和锁相频率合成芯片BU2614,制作一台调频收音机.二、要求1.基本要求⑴接收FM信号频率范围88至108MHz.⑵调制信号频率范围100至15000Hz,最大频偏75kHz.⑶最大不失真输出功率≥100mW(负载阻抗8Ω).⑷接收灵敏度≤1mV.⑸镜像抑制性能优于20dB.⑹能够正式常收听FM广播.2.发挥部分⑴可实现多种自动程序频率搜索(如全频率范围搜索、指定频率范围内搜索等).⑵能显示接收频率范围内的调频电台载波频率值,显示载波频率的误差≤5kHz.⑶进一步提高灵敏度.⑷可存储已搜索到的电台,存储电台数不少于5个.⑸其它(如3V单电源整机供电、节能供电、时钟显示等).三、评分标准⑴本题提供一组SONY公司的集成芯片和元件,包括:·FM/AM收音机集成芯片CXA1019·锁相频率合成调谐集成芯片BU2614·RF输入带通滤波器·10.7MHz陶瓷带通滤波器CF-2·10.7MHz陶瓷谐振器CF-3·可调电容器·变容二极管·锁相环所用的75kHz晶体⑵建议本振线圈与输入回路线圈垂直安装.。
简易数控直流稳压电源设计数控直流稳压电源是一种能够提供稳定输出电压的电源装置,常用于电子设备的测试、实验和制造过程中。
下面是一个简易的数控直流稳压电源设计。
1.设计需求和规格在开始设计之前,我们需要明确电源的输出电压和电流需求。
假设设计目标为输出电压范围为0-30V,最大输出电流为5A。
2.选择电源变压器根据设计需求,我们需要选择一个合适的电源变压器。
变压器的选择应该满足以下条件:-输入电压范围为市电的电压范围;-输出电压是设计需求的两倍,即60V;-输出功率需大于最大输出功率,即300W。
3.整流电路设计使用桥式整流电路将交流输入电压转换为直流电压。
桥式整流电路由4个二极管组成,将交流输入电压的负半周和正半周均转换为正向电流。
4.滤波电路设计滤波电路用于减小输出电压中的纹波,并提供稳定的直流输出电压。
常见的滤波电路是使用电容滤波器。
根据设计需求,选择适当的电容来达到所需的输出纹波和稳定性。
5.稳压电路设计稳压电路用于控制输出电压在设定范围内稳定。
可以使用集成稳压器芯片,例如LM317,它可以根据外部电阻器和电容器的值来控制输出电压。
6.控制电路设计为了实现数控功能,可以使用微控制器或模拟电路来控制输出电压和电流。
通过合理设置电容、电阻和电位器等元器件,可以设计出合适的控制电路。
7.保护电路设计为了确保电源和负载的安全,应设计适当的保护电路。
常见的保护电路包括过流保护、过压保护和过温保护。
可以使用电流检测器、过压保护器和温度传感器等元器件来实现这些保护功能。
8.PCB设计和制造根据上述电路设计,进行PCB布局和布线。
设计合适的PCB尺寸和布局,以容纳所有元器件,并确保电路的稳定性和可靠性。
完成设计后,可以选择将PCB文件发送给制造商进行制造。
9.组装和测试将制造好的PCB组装在电源箱中,接好输入电源线和输出连接线。
在保证安全的情况下,通电测试电源的稳定性、输出的准确性和保护电路的可靠性。
10.调试和优化根据实际测试结果,不断调试和优化电源的性能。
简易数控直流电源介绍简介数控直流电源是一种能够通过控制电流和电压输出的电源设备。
它广泛应用于实验室、工业控制和电子设备测试等领域。
本文将介绍简易数控直流电源的工作原理、特点以及应用场景。
工作原理简易数控直流电源的工作原理基于电压转换和电流控制。
它通常由一个交流电源、一个变压器、整流电路、滤波电路和稳压电路组成。
1.交流电源:提供起始电压输入。
2.变压器:将输入的交流电压转换为适合电源要求的交流电压。
3.整流电路:将变压器输出的交流电压转换为脉冲电流。
4.滤波电路:通过电容器和电感等元件,滤除电源输出中的杂散信号,保证输出电流和电压的平滑度。
5.稳压电路:通过反馈控制,控制输出的电压或电流稳定在设定值。
特点1.精确控制:数控直流电源能够根据用户的需求,通过调整电流或电压来精确控制输出。
2.稳定性:采用稳压电路和反馈控制,在负载变化时能保持稳定的输出。
3.大电流输出:简易数控直流电源通常能够提供较大的电流输出,满足大功率设备的需求。
4.安全性:具备过流保护、过温保护等多重保护功能,保障电源和设备的安全使用。
5.数字化控制:带有数字显示屏和按钮,便于用户设定和调整输出。
应用场景1.实验室:数控直流电源广泛应用于实验室中的电子原型开发、科研实验等方面。
它能够提供精确的电流和电压输出,满足实验需求。
2.电子设备测试:在电子设备的生产和测试过程中,数控直流电源能提供稳定、可控的电源,用于设备的老化测试、功能测试等。
3.工业控制:在工业领域中,数控直流电源可用于控制电机、传感器和其他设备的电源输入,实现自动化控制。
4.充电宝测试:数控直流电源的精确电流和电压调节功能使其成为充电宝测试的理想工具,可以模拟各种充电器的输出。
结论简易数控直流电源通过电压转换和电流控制实现对电源输出的精确调节。
它具备精确控制、稳定性、大电流输出和安全性等特点,并广泛应用于实验室、电子设备测试和工业控制等领域。
在科研、生产和测试中,数控直流电源是一种重要的电源设备。
简易数控直流稳压电源设计设计一台简易数控直流稳压电源可以分为以下几个步骤:1.确定电源的输出要求:确定电源的输出电压范围和电流范围。
根据实际需求,选择合适的电压和电流范围。
2.设计电源的整流电路:确定电源的输入电流和输入电压范围。
常用的整流电路包括桥式整流电路和中心点整流电路。
桥式整流电路更常见,效率较高。
3.设计电源的滤波电路:在电源的整流电路后加入滤波电容进行滤波,去除输出直流电压上的波动。
选取合适的滤波电容,使输出直流电压稳定。
4.设计电源的稳压调节电路:选择合适的稳压器件,根据需求设计稳压调节电路。
常见的稳压器件有三端稳压器和开关稳压器。
三端稳压器稳定性好,但效率较低;开关稳压器效率高,但稳定性较差。
5.设计电源的控制电路:根据需要设计数控电源的控制电路。
可以采用微处理器或者专用控制器来实现电源的数控功能,例如实现电源的开关机、电压和电流的调节、过压和过流保护等功能。
6.优化设计:根据实际需求对电源进行优化设计。
例如,可以增加短路保护、温度保护等功能。
7.制作测试:根据设计完成电源的制作和组装,进行测试。
测试包括输入输出电压电流的测试,以及控制电路的测试。
8.优化调整:根据测试结果对电源进行优化调整。
可以通过修改电路参数、更换稳压器件等方法进行优化调整。
9.最终调整:完成测试和优化调整后,进行最终调整,确保电源的稳定性和可靠性。
10.产品发布:在完成最终调整后,将电源进行产品化,进行包装和外观设计等工作,最终将产品发布市场。
需要注意的是,在设计数控直流稳压电源时,需要考虑以下几个方面:-输出电压范围和电流范围要与实际需求相匹配。
-整流电路和滤波电路的设计要使输出直流电压稳定,并且波纹尽可能小。
-稳压调节电路的选择要根据需求和性能进行考虑。
-控制电路的设计要实现所需的数控功能。
-电源的安全性和可靠性是设计时需要考虑的重要因素。
-电源的尺寸和散热量要注意合理安排,确保电源可以正常工作并且不过热。
简易数控直流电源设计设计方案1 课题任务:本设计研究一种以单片机为核心的智能化高精度简易直流电源的设计, 该电源采用数字调节、闭环实时监控、输出精度高, 且兼备双重过载保护及报警功能。
2 系统设计2.1 系统总体设计思想此设计包括显示电路、键盘电路、单片机电路、数模转换电路、模拟信号放大电路的设计。
数控电源的输出电压数值由键盘控制。
通过键盘把需要的输出的电压值以步进方式输入到单片机。
这里需要注意的是在使用步进方式调整数据时,输出电压不能随着变化,以避免在调整过程中加到负载上的电压不能满足要求。
输出电压应该在完成步进调整以后再发生变化,直接向负载施加所需要的电压值。
显示电路既可用来显示输出的电压值,也可以用来显示键盘电路调整的过程。
在使用键盘完成输出电压的调整后,输出电压对应的数据分别送入数模转换器,数模转换器产生输出模拟电压。
数模转换器输出的模拟电压随着它的输入数据的变化而变化,从而实现了输出电压的步进调整,数模转换器的输出模拟电压不一定满足要求,如果不满足输出电压的要求,将需要添加一个电压放大器。
模拟信号放大电路包括电压放大和电路放大部分,前者是输出电压满足要求,后者降低负载变化对输出电压的影响。
对负载而言,由戴维南定理,整个数控电源可以等效为一个理想的电压源和一个电阻串联电路。
由于电源的内阻的存在,当负载电阻变化时,回路电流将发生变化,从而使得电源的输出电压发生变化。
为减小负载变化多输出电压的影响,输出电阻应该尽量地减少,或者加大输出的电流的额定值,因此需要添加一级电流放大器【2】。
2.2系统总方框图图2-1 数控系统硬件部分组成框图3.硬件模块设计3.1显示电路设计3.1.1 74LS164 简介此电路调试,可以将单片机写入简单的程序,将串行数据转换成并行显示,通过程序写入数据,使数码管显示00,如果显示不正确的,查看电路板焊接。
3.2数模转换电路设计由于采用了粗调和细调分段控制,辅助以软件修正,可以较好地提高电压输出精度,从成本和元件采购方面综合考虑,采用DAC0832电路作为D/A转化电路。
简易数控直流电源简介数控直流电源是一种能够根据外部的控制信号来控制输出电压和电流的电源设备。
它广泛应用于实验室、工厂和家庭等领域,可用于电子产品的测试、电路实验、电镀加工等各种场合。
本文将介绍如何制作一台简易的数控直流电源,以及使用Markdown文本格式进行文档输出。
材料准备•直流电源模块 x1•电压调节器模块 x1•可调电阻 x1•电流表 x1•电压表 x1•连接线若干•电源线 x1•电源开关 x1搭建步骤1.将直流电源模块固定在实验宝板上,并连接好电源线;2.将电压调节器模块与直流电源模块连接,用连接线将它们的输入端和输出端连接起来;3.将电流表和电压表分别连接到电压调节器模块的电源输出端和负载接口上;4.将可调电阻与电压调节器模块的调节接口相连;5.将电源开关连接到直流电源模块的电源输入端。
使用说明1.打开电源开关,直流电源模块开始供电;2.通过调节可调电阻的阻值,可以控制直流电源的输出电压;3.通过读取电压表可以得到直流电源的输出电压值,并通过电流表可以得到输出的电流值;4.可以根据需要调整电压调节器模块的输入和输出连接端,以改变直流电源的正负极性。
示例代码``` #include <Arduino.h>const int voltagePin = A0; const int currentPin = A1; const int voltageAdjustPin = 9; const int currentAdjustPin = 10;void setup() { pinMode(voltageAdjustPin, OUTPUT);pinMode(currentAdjustPin, OUTPUT); Serial.begin(9600); } void loop() { int voltage = analogRead(voltagePin); int current = analogRead(currentPin); float mappedVoltage = map(voltage, 0, 1023, 0, 12); float mappedCurrent = map(current, 0, 1023, 0, 2);analogWrite(voltageAdjustPin, mappedVoltage); analogWrite(currentAdjustPin, mappedCurrent);Serial.print(。
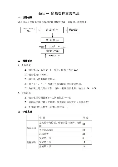
题目一简易数控直流电源一、设计任务设计出有必然输出电压范围和功能的数控电源。
其原理示用意如下:二、设计要求1.大体要求(1)输出电压:范围0~+,步进,纹波不大于10mV;(2)输出电流:500mA;(3)输出电压值由数码管显示;(4)由“+”、“-”两键分别控制输出电压步进增减;(5)为实现上述几部件工作,自制一稳压直流电源,输出±15V,+5V。
2.发挥部份(1)输出电压可预置在0~之间的任意一个值;(2)用自动扫描代替人工按键,实现输出电压变化(步进不变);(3)扩展输出电压种类(比如三角波等)。
三、评分意见项目得分基本要求方案设计与论证、理论计算与分析、电路图30 实际完成情况50 总结报告20发挥部分完成第一项 5 完成第二项15 完成第三项20题目二多路数据搜集系统一、设计任务设计一个八路数据搜集系统,系统原理框图如下:主控器能对50米之外的各路数据,通过串行传输线(实验顶用1米线代替)进行搜集的显示和显示。
具体设计任务是:(1)现场模拟信号产生器。
(2)八路数据采集器。
(3)主控器。
二、设计要求1.大体要求(1)现场模拟信号产生器:自制一正弦波信号发生器,利用可变电阻改变振荡频率,使频率在200Hz~2kHz范围变化,再经频率电压变换后输出相应1~5V直流电压(200Hz对应1V,2kHz对应5V)。
(2)八路数据采集器:数据采集器第1路输入自制1~5V直流电压,第2~7路分别输入来自直流源的5,4,3,2,1,0V直流电压(各路输入可由分压器产生,不要求精度),第8路备用。
将各路模拟信号分别转换成8位二进制数字信号,再经并/串变换电路,用串行码送入传输线路。
(3)主控器:主控器通过串行传输线路对各路数据进行采集和显示。
采集方式包括循环采集(即1路、2路……8路、……1路)和选择采集(任选一路)二种方式。
显示部分能同时显示地址和相应的数据。
2.发挥部份(1)利用电路补偿或其它方法提高可变电阻值变化与输出直流电压变化的线性关系;(2)尽可能减少传输线数目;(3)其它功能的改进(例如:增加传输距离,改善显示功能)。
电子创新设计题题目1:简易数控直流电源设计任务:设计出有一定输出电压范围和功能的数控电源。
设计要求:(1)输出电压:范围0~+9.9V,步进0.1V,纹波不大于10mV;(2)输出电流:500mA;(3)输出电压值由数码管显示;(4)由“+”、“-”两键分别控制输出电压步进增减;(5)为实现上述几部件工作,自制一稳压直流电源,输出±15V,+5V。
题目2:水温控制系统设计任务:设计并制作一个水温自动控制系统,水温可以在一定范围内由人工设定,并能在环境温度降低时实现自动控制,以保持设定的温度基本不变。
设计要求:1.基本要求(1)温度设定范围为40~90℃,最小区分度为1℃,标定温度≤1℃。
(2)环境温度降低时(例如用电风扇降温)温度控制的静态误差≤1℃。
(3)用十进制数码管显示水的实际温度。
、题目3:液体点滴速度监控装置设计任务:设计并制作一个液体点滴速度监测与控制装置。
设计要求:(1)在滴斗处检测点滴速度,并制作一个数显装置,能动态显示点滴速度(滴/分)。
(2)通过改变h2控制点滴速度,如右图所示;也可以通过控制输液软管夹头的松紧等其它方式来控制点滴速度。
点滴速度可用键盘设定并显示,设定范围为20~150(滴/分),控制误差范围为设定值10% 1滴。
(3)调整时间≤3分钟(从改变设定值起到点滴速度基本稳定,能人工读出数据为止)。
(4)当h1降到警戒值(2~3cm)时,能发出报警信号。
题目4:无线数据传输系统设计(温度遥测)设计任务:设计并制作无线数据发送和接收电路,如图所示。
借助无线,红外线的传输方式获得远方温度信息。
数据信号经无线电或红外线形式发送出去;接收器,接收到信号后,解调出原始信号并存储和显示温度值。
信号调制形式不限。
设计要求:1. 测温范围10℃~45℃,误差<0.5℃;2 .显示位数3位,分辨率0.1℃;3. 测温点到接收点距离>8米;4.可设置温度上限报警;5.接收点显示测温点数据及声光上限报警信号;题目5:数字电压表设计设计任务:设计一个数字电压表设计要求:1.分辨率为3位半(即最大显示读数为±19.99V);2.要求量程能自动转换,即根据测量结果,自动决定小数点位置;3.能通过键盘或开关选择测量电压的平均值和峰值,并用LED显示测量的种类;4.测量误差不大于1mv。
简易数控直流电源设计摘要:本系统以串联负反馈稳压电路为核心,MSP430F1611单片机为主控制器,通过键盘向单片机输入不同指令,运用其片内的D/A转换芯片,设置步进0.1V,整个系统的供电部分由三端稳压器7815和7915实现,通过电压放大、功率放大和滤波电路,实现输出电压0~9.9V,并通过单片机的A/D采样模块,由LCD1602显示输出电压的预置值和测量值,并对比误差,电压值经12位D/A转换输出模拟量,在输出电压端采样并通过比较器判断高低电平,经单片机分析处理,实时动态控制其输出电压,形成一个闭环形式的控制系统,使输出电压更加稳定。
关键字:直流电源串联负反馈 D/A转换步进单片机1系统方案选择和论证1.1 数控部分方案方案一:主要由数字电路构成,要完成键盘控制,电压控制字输出、液晶显示、电流过流时的软件保护及报警功能。
要实现输出电压0~9.9V,步进0.1V,需要99个控制字,TI公司的MSP430F1611型单片机即包含12位D/A转换芯片,故能满足设计要求,同时能极大简化外围电路,增强数控电源的稳定性并且减小系统误差,且MSP430单片机具备超低功耗的优点,输出电压显示部分则采用LCD1602。
方案二:由8051单片机做主控制芯片,由于其内部没有集成D/A转换模块,需外加D/A转换电路,使用DAC0832这款芯片。
DAC0832是8位D/A转换集成芯片。
与微处理器完全兼容。
且具备价格低廉、接口简单、转换控制容易等优点。
二者相比,方案一成本更低,精度更高,外围电路简单,故本系统采用方案一。
1.2稳压输出部分方案方案一:采用典型的串联直流稳压电源。
电路由调整环节、基准电压、反馈网络、比较放大等部分构成。
其工作原理是由反馈网络取出输出电压的一部分送至比较放大器与基准电压进行比较,比较的差值经比较放大器放大后送到调整环节,使调整环节产生相反的变化来抵消输出电压的改变,从而维持输出电压的稳定。
第一届(1994年)全国大学生电子设计竞赛题目题目一简易数控直流电源一、设计任务设计出有一定输出电压范围和功能的数控电源。
其原理示意图如下:二、设计要求1.基本要求(1)输出电压:范围0~+9.9V,步进0.1V,纹波不大于10mV;(2)输出电流:500mA;(3)输出电压值由数码管显示;(4)由“+”、“-”两键分别控制输出电压步进增减;(5)为实现上述几部件工作,自制一稳压直流电源,输出±15V,+5V。
2.发挥部分(1)输出电压可预置在0~9.9V之间的任意一个值;(2)用自动扫描代替人工按键,实现输出电压变化(步进0.1V不变);(3)扩展输出电压种类(比如三角波等)。
三、评分意见题目二多路数据采集系统一、设计任务设计一个八路数据采集系统,系统原理框图如下:主控器能对50米以外的各路数据,通过串行传输线(实验中用1米线代替)进行采集的显示和显示。
具体设计任务是:(1)现场模拟信号产生器。
(2)八路数据采集器。
(3)主控器。
二、设计要求1.基本要求(1)现场模拟信号产生器:自制一正弦波信号发生器,利用可变电阻改变振荡频率,使频率在200Hz~2kHz范围变化,再经频率电压变换后输出相应1~5V直流电压(200Hz对应1V,2kHz对应5V)。
(2)八路数据采集器:数据采集器第1路输入自制1~5V直流电压,第2~7路分别输入来自直流源的5,4,3,2,1,0V直流电压(各路输入可由分压器产生,不要求精度),第8路备用。
将各路模拟信号分别转换成8位二进制数字信号,再经并/串变换电路,用串行码送入传输线路。
(3)主控器:主控器通过串行传输线路对各路数据进行采集和显示。
采集方式包括循环采集(即1路、2路……8路、……1路)和选择采集(任选一路)二种方式。
显示部分能同时显示地址和相应的数据。
2.发挥部分(1)利用电路补偿或其它方法提高可变电阻值变化与输出直流电压变化的线性关系;(2)尽可能减少传输线数目;(3)其它功能的改进(例如:增加传输距离,改善显示功能)。
简易数控直流电源一..设计要求1.基本要求(1)输出电压:范围0~+9.9V,步进0.1V,纹波不大于10mV;(2)输出电流:500mA;(3)由+、—两个键分别控制输出电压步进增减;(4)为实现上述几个部件工作,自制一稳压直流电源,输出±15V,+5V。
2.发挥部分输出电压可预置在0~9.9V之间的任意一个值二.题目分析:为了使输出电压的调整范围在0~+9.9V,步进0.1V,由+、—两个键分别控制输出电压步进增减,可在以LM317为基本稳压电路的基础上,附加电压调节电路,数字电压显示电路和发挥部分中的预值电路。
LM317是输出正电压可调的集成稳压器。
为实现上述几个部件工作,自制一稳压直流电源。
可用电源变压器,整流器,LM7815, LM7915, LM7805构成。
三.整体构思:有三种方案可供选择;方案一:用十进制加减计数器74LS192实现对输入的脉冲计数,采用继电器实现对输出电压的控制,采用共阳极的数码管实现对输出的电压显示。
方案二:计数部分同方案一,输出部分用DA转换代替继电器控制部分,然后用运算放大器将模拟信号放大输出。
方案三:用单片机编程实现。
根据做过这个电路的人的经验,相比之下,方案三最简单,也最经济,但由于当初准备开始做的时候,我们对单片机了解不深,而且还没学编程,对我们来说,单片机实现起来就比较困难。
同时继电器原理比DA转换更容易理解,于是我们便采用了方案一。
四.具体实现:五.各部分定性说明以及定量计算:1、稳压直流电源电路第一个变压器选择10W 12V,第二个变压器选择10W 9V;选取变压器时主要考虑使集成稳压器两端的电压差不能太大,否则电压差太大就会导致集成稳压器过烫,无法正常工作。
选择1N5402是因为它能经受3A的电流,能够起到整流的作用。
2.2mF 的电容C1、C2、C3起到滤波的作用。
二极管D9——D11用于保护集成稳压器,在电路断电的瞬间,电容C4、C6、C7会有一个很大的放电电流,这样会伤害集成稳压器,加了二极管D9——D11后,电流就经这些二极管放掉。
一、项目参加人员、负责内容以及技术特长:二、项目背景数控直流稳压电源是电子技术常用的设备之一,广泛的应用于教学、科研等领域。
传统的多功能直流稳压电源功能简单、难控制、可靠性低、干扰大、精度低且体积大、复杂度高.普通直流稳压电源品种很多, 在家用电器和其他各类电子设备中,通常都需要电压稳定的直流电源供电。
但在实际生活中,都是由220V 的交流电网供电。
这就需要通过变压、整流、滤波、稳压电路将交流电转换成稳定的直流电。
滤波器用于滤去整流输出电压中的纹波,一般传统电路由滤波扼流圈和电容器组成,若由晶体管滤波器来替代,则可缩小直流电源的体积,减轻其重量,且晶体管滤波直流电源不需直流稳压器就能用作家用电器的电源,这既降低了家用电器的成本,又缩小了其体积,使家用电器小型化。
电源技术尤其是数控电源技术是一门实践性很强的工程技术,服务于各行各业。
电力电子技术是电能的最佳应用技术之一。
当今电源技术融合了电气、电子、系统集成、控制理论、材料等诸多学科领域。
随着计算机和通讯技术发展而来的现代信息技术革命,给电力电子技术提供了广阔的发展前景,同时也给电源提出了更高的要求。
随着数控电源在电子装置中的普遍使用,普通电源在工作时产生的误差,会影响整个系统的精确度.电源在使用时会造成很多不良后果,世界各国纷纷对电源产品提出了不同要求并制定了一系列的产品精度标准。
只有满足产品标准,才能够进入市场。
随着经济全球化的发展,满足国际标准的产品才能获得进出的通行证.数控电源是从80年代才真正的发展起来的,期间系统的电力电子理论开始建立。
这些理论为其后来的发展提供了一个良好的基础。
在以后的一段时间里,数控电源技术有了长足的发展.但其产品存在数控程度达不到要求、分辨率不高、功率密度比较低、可靠性较差的缺点。
因此数控电源主要的发展方向,是针对上述缺点不断加以改善.单片机技术及电压转换模块的出现为精确数控电源的发展提供了有利的条件。
新的变换技术和控制理论的不断发展,各种类型专用集成电路、数字信号处理器件的研制应用,到90年代,己出现了数控精度达到0.05V的数控电源,功率密度达到每立方英寸50W的数控电源。
简易数控直流电源制作一、系统组成与原理概述本文所设计的数控直流电源与传统稳压电源相比,具有操作方便、电压稳定度高的特点,其输出电压大小采用数字显示,原理方框组成图见图1。
它共由六部分组成。
输出电压的大小调节通过“+”、“-”两键操作,控制可逆计数器分别作加、减计数,可逆计数器的二进制数字输出分两路运行:一路用于驱动数显电路,指示电源输出电压的大小值;另一路进入D/A转换电路,D/A转换器将数字量按比例转换成模拟电压,然后经过射极跟随器控制调整输出级输出所需的稳定电压。
为了实现上述几部分电路的正常工作,需另制±15V和±5V的稳压直流电源及一组未经稳压的12~17V的直流电压。
二、具体实现电路1.电路简介两按钮开关作为电压调整键与可逆计数器的加计数和减计数输入端相连,可逆计数器采用两片四位十进制同步加/减计数集成块74LS192级联而成,把第一块的进位和借位输出端分别接到下一组的加计数端和减计数端。
两级计数器总计数范围从00000000至10011001(即0~99)。
数控铣床编程实例.数显译码驱动采用两块74LS248集成块,74LS248为四线-七段译码器/驱动器,内部输出带上拉电阻,它把从计数器传送来的二-十进制的8421码转换成十进制码,并驱动数码管显示数码。
数模转换电路采用两块DAC0832集成块,它是一个8位数/模转换器,这里只使用高4位数字量输入端。
由于DAC0832不包含运算放大器,所以需要外接一个运算放大器相配,才构成完整的DAC,低位DAC输出模拟量经9∶1的分流器分流后与高位DAC输出模拟量相加后送入运放,运放将其转换成与数字端输入的数值成正比的模拟输出电压,运放采用具有调零端的低噪声高速率优质运放NE5534。
调整输出级采用运放作射极跟随器,使调整管的输出电压精确地与D/A转换器输出电压保持一致。
调整管采用大功率达林顿管,确保电路的输出电流值达到设计要求。