模板计算方案word版
- 格式:doc
- 大小:1.88 MB
- 文档页数:36
第三节方案比较法示例一、井田概况某矿位于平原地带,井田范围内地表标高为+80~+90m,表土及风化带厚度(垂高)50~60m,表土中夹有厚度不一的流砂层,井田中部流砂层较薄,靠井田境界处较厚。
井田内煤层上以+30 m,下以-420m的煤层底板等高线为界,井田两侧系人为划定境界。
井田走向长9000 m,倾斜长约1740 m。
井田内共有4层可采煤层,倾角均为15°左右。
由上而下,各煤层的名称、厚度、间距及顶底板情况如表6-3所列。
表3-3 煤层地质条件井田内各煤层成层平稳,地质构造简单,无大的断层,煤质中硬,属优质瘦贫煤,煤尘无爆炸性危险,也无白燃倾向;平均容重(体积质量)为1.32t/m3。
该矿煤岩层瓦斯涌出量大,涌水量较大,矿井正常涌水量为380 m3/h。
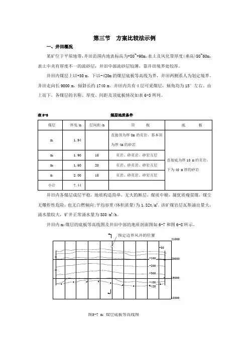
井田内m4煤层的底板等高线图及井田中部的地质剖面图如6-7和图6-8所示。
图3-7 m4 煤层底板等高线图图3-8 井田中部地质刨面二、储量计算固体矿产资源/储量分类表如表6-1所示。
表6-1 固体矿产资源/储量分类表1.矿井地质储量Z zZz=9000×1740 (1.8+1.9+1.6+2.0)×1.32=15379.3728万t2.矿井工业资源/储量Zg依据勘察程度,矿井地质储量中60%是探明的、30%是控制的、10%是推断的,根据煤层厚度和煤质,在探明和控制的资源量中,70%是经济的基础的基础储量,30%是边际经济的基础储量,矿井工业储量可按式(6-1)计算:矿井工业储量Zg=111b+122b+2M11+2M22+333k(6-1)矿井探明的、控制的基础储量和推断的资源量计算如下: 111b=15379.3728×60%×70%=6459.337万t122b=15379.3728×30%×70%=3229.668万t 2M11=15379.3728×60%×30%=2768.287万t 2M22=15379.3728×30%×30%=1384.144万t333k=15379.3728×10%×k =1239.038万t (地质条件简单,可信度系数取0.8)则:矿井工业储量Zg=111b+122b+2M11+2M22+333k=6459.337+2768.287+3229.668+1384.144+1239.038 =15080.474万t 3.矿井设计资源/储量Z s矿井设计资源/储量Z s 按下式计算:Z s =Z g —P 1 (6-2) 式中,P 1为永久煤柱煤柱损失,按工业储量的3%计算,则:Z s =Z g —P 1=15080.474(1-3%)=14628.060万t 4.设计可采储量Z k矿井可采储量Z s 按下式计算:Z k =(Z s —P 2)C (6-3) 式中,P 2为工业场地和主要煤柱煤柱损失,按矿井设计资源/储量的2%计算;C 为采区采出率,中厚煤层不小于80%。
word合同模板集成设计方案一、方案背景。
咱都知道合同这东西可重要啦,就像游戏里的规则手册,得清清楚楚、明明白白的。
但每次写合同都从头开始,那可太费劲了,就像每次玩游戏都重新造轮子一样傻。
所以呢,我们就想搞个超棒的Word合同模板集成,让大家写合同的时候就像选装备一样轻松简单。
二、目标设定。
1. 通用性。
我们的目标就是打造一个能满足大多数常见合同类型的模板集成。
不管是租房子、做生意还是搞合作,都能在这儿找到合适的模板。
就像一个万能钥匙,能开好多不同的门。
2. 易用性。
得让用户用起来方便得不得了。
哪怕是电脑小白,也能轻松上手。
不用复杂的操作,就像玩那种一键就能玩起来的小游戏一样。
3. 规范性。
合同可是严肃的事儿,模板必须符合法律规定和行业标准。
不能像搭个歪歪扭扭的积木,得像盖结实的大楼一样规规矩矩。
三、模板内容设计。
1. 分类整理。
首先呢,把合同模板分成几大类。
比如说商业类的,像买卖合同、合作协议;还有生活类的,像租赁合同、借款合同。
这样就像把衣服按春夏秋冬分类放衣柜一样,找起来特别快。
2. 基本框架。
每个模板都有个基本的框架。
开头就是合同双方的信息,这就像互相介绍一样。
然后是合同的目的,为啥要签这个合同呀?接着是双方的权利和义务,这就像游戏里每个玩家的任务和能力一样。
最后是违约条款和争议解决方式,要是有人不遵守规则,就得有个惩罚办法,有了矛盾也得知道咋解决。
3. 条款定制。
在基本框架里,有些条款得可以定制。
比如说合同的金额、交货日期这些,就像定制蛋糕的口味一样,可以根据具体情况来调整。
四、Word功能集成。
1. 样式设置。
在Word里把合同模板的样式设置得漂漂亮亮的。
标题要醒目,正文的字体和行距要看着舒服。
就像给房子装修一样,好看了心情也好。
而且不同级别的标题和条款,要有不同的样式,这样看起来层次分明,就像军队里的军衔一样清楚。
2. 自动编号和目录生成。
条款要有自动编号,这样方便查看和引用。
而且能一键生成目录,就像有个导航地图一样,一下子就能找到想去的地方。
策划方案模板汇编5篇策划方案篇1策划主题:享受健康生活,足浴港湾就在__一、活动策划的目的和意义在__开业典礼之际,为消费者打造的全方位足浴服务场所将隆重的掀开帷幕,秉承至高的服务理念开拓__市场,其次实现__在行业界的品牌知名度,开辟__在行业内的新天地,足浴场所开业策划方案。
二、活动的时间和地点活动时间:20__年 12 月 __日活动地点:__x三、活动对象和规模本次活动的对象主要针对中高端消费群体,活动过程中有开业体验式的消费者将成为会馆的会员及潜在消费群体。
为展现__的企业资质,会场规模将大气、有视觉冲击力。
形式将新奇多样,层出不穷。
四、活动宣传方式1、前期媒体宣传开业活动前期,通过____礼仪文化传播有限公司的合作媒体———《金页导航》,做一期为其一个月的免费宣传,图文并茂的详细介绍美容美体会馆的地理位置、服务环境及配套设施等情况,从而达到在足浴行业的一个广泛宣传作用。
2、后期现场推广通过庆典前发出的给媒体朋友、客户及商界友人的邀请函,活动期间,这些人的到达为本店更广范围的推广起到了很好的效果,这时加上现场演艺活动的进行,吸引了大批群众,在此期间对其派发开业优惠券或折扣卡,来吸引人流量,这样也起到了推广的作用。
五、活动组织及内容1、参与部门及人员保卫部:负责现场的停车、秩序的维护、和突发事件的处理工作。
演出部:按照事先定制好的节目单的顺序进行演艺,负责演出顺利有序的进行。
礼仪部:负责来宾的导位及剪彩的服务工作,规划方案《足浴场所开业策划方案》。
舞美部:负责音响等设备的调试,保障演出的顺利进行。
后勤部:现场的工作人员,负责督导各个部门人员的工作情况及协调工作。
2、活动现场的搭建及装饰场外:空飘气球带着条幅在空中飘飘欲飞;吉祥物热情向你招手;楼体外打出“开业大吉”醒目标和优惠项目的大条幅,以及供应商和祝贺单位的条幅;进门处由漂亮的花簇围成的门洞以及门前柱状由花簇藤蔓而上,其次设置一个高精度喷绘的店庆告示牌;礼仪小姐发放公司店庆纪念品;整体呈现出一种喜气洋洋的气氛。
(完整word版)提案模板-新提案模板-新一、背景介绍在这一部分,我们将简要介绍本提案的背景和目的。
请确保此部分的内容清晰而简明,以帮助读者了解提案的基本情况。
二、问题陈述在此处,我们将详细描述我们试图解决的问题。
这个问题应该是明确的,并具有实际性和重要性。
我们需要在此阐明该问题的具体细节、影响,以及为什么值得我们花费时间和资源来解决它。
三、解决方案在本部分中,我们将提出解决问题的具体方法。
这个解决方案应该是实用的、可行的,并且能够有效地解决问题。
我们需要描述我们的方法和策略,并解释为什么这些方法是合理的。
四、预期效益在此处,我们将说明预计实施解决方案所带来的好处和效益。
这些效益应该与该问题的解决相关,并且能够产生实际的积极影响。
我们需要提供具体的例子和数据,以支持我们的预测。
五、实施计划在本节中,我们将详细描述我们计划实施解决方案的具体步骤和时间表。
我们需要说明关键的里程碑和阶段目标,并确保计划合理、可行。
我们还应该描述所需的资源和人员配置。
六、风险评估在此部分,我们将对实施解决方案过程中可能面临的风险进行评估。
我们需要识别潜在的风险和挑战,并提出相应的风险应对策略。
我们应该展示我们对可能发生问题的预见性,并描述我们准备应对的能力。
七、预算估算在此处,我们将提供实施解决方案所需的预算估算。
我们需要详细列出所有相关的成本和费用,并确保估算的准确性和合理性。
我们还应该解释为什么这些成本是必要的,并描述所选择方案的成本效益比。
八、评估和衡量在本部分中,我们将阐述我们计划如何评估解决方案的实施效果和成功程度。
我们需要提供衡量指标和评估方法,并描述预计达到的结果。
我们还应该说明如何进行监测和反馈,并提供相应的时间表。
九、结论在本节中,我们将对提案进行总结,并再次强调解决问题的重要性和价值。
我们需要重申我们的立场,并与读者分享我们对未来的展望。
以上是一份完整的提案模板,可以根据实际情况进行调整和细化。
希望对您有所帮助!。
(二)、采用七夹板与扣件式钢管支撑相结合的支撑方案设计计算:模板及其支架计算的荷载标准值及荷载分项系数表以下对模板进行验算。
一)楼板模板计算:按普通胶合板(1830×915×18)验算,龙骨间距600,按三跨连续梁计算。
1、荷载设计值1)模板自重:300N/m2×0.915m×1.2=329.4N/m2)新浇砼重:24000N/m3×0.10m×0.915m×1.2=2635.2N/m3)钢筋自重:1100N/m3×0.915m×0.10m×1.2=120.78N/m合计:329.4+2635.2+120.78=3085.38N/m4)施工工人及设备重量:2500N/m2×0.915m×1.4=3201N/m2、弯矩设计值M=(-0.10)×3085.38×(0.6)2+(-0.117)×3201×(0.6)2=245.89N·M另考虑集中荷载F=2500N,由两块模板分别承担。
F1=1250NM1=0.08×3085.38×(0.6)2+0.213×1250×0.6=248.61 N·M3、承载力验算W=bh2/6=915×182/6=49410mm3δm=M max/w=2.48×105/49410=5.02N/mm<[ ]=15.21N/mm2满足要求4、挠度验算W=k·f·q·l4/100EI=0.677×3085.38×10-3×6004/(100×9×103×915×183/12)=0.68<[L/250]=2.4mm满足要求.二)模板的龙骨验算采用50×100松木龙骨·600,水平钢管间距1000(即龙骨的跨度),按三跨连续梁计算1、荷载1)模板:300N/m2×0.6m×1.2=216N/m2)砼24000N/m3×0.6m×0.10m×1.2=1728N/m3)1100N/m3×0.6m×0.10m×1.2=79.2N/m合计:216+1728+79.2=2023.2N/m4)施工荷载:2500N/m2×0.6m×1.4=2100N/m2、弯距M=(-0.10)×2023.2×1.02+(-0.117)×2100×1.02=-448.02N·M另考虑集中荷载F=2500NM1=0.08×2023.2×1.02+0.213×2500×1.02=694.36 N·M3、承载力验算W=bh2/6=50×1002/6=0.833×105δm=M/W=694360/0.833×1.05=8.33N/m2<14.95N/m24、挠度验算W= k·f·q·l4/100EI=0.677×2023.2×10-3×10004/(100×9×103×50×1003/12)0.37mm <[W]=L/250=4mm满足要求. 三)水平钢管采用¢48×3.5焊接钢管,间距1000mm,跨度1000,按五跨连续梁计算。
利用revit模型统计混凝土结构模板面积的方法以结构梁为例:
1、将参数b、h改为实例参数
2、添加板厚和模板面积参数,并编辑模板面积公式
3、将模板面积参数改为共享参数
(本身项目是无共享参数的,需新建一个共享参数,直接在族类型面板添加即可。
添加步骤:创建项目共享参数→新建组:模板面积→新建参数:模板面积)
4、载入项目使用
5、新建结构框架明细表,添加字段:族与类型、长度、体积、模板面积
该方法操作简单,不需要插件即能统计模板量,能满足专业工程师现场管理所需,减少专业工程师的工作量。
但因未考虑模板节点部位,所得数据不够准确。
可以用同样的方法得到柱模板的面积,墙和板的模板面积可通过材质明细表提取.。
模板工程施工方案(计算)
一、前言
时至今日,随着经济的快速发展,模板工程在建筑领域占据着重要地位。
本文将从计算方面出发,探讨模板工程施工方案的制定与实施。
二、施工前准备
1. 研究现状
在进行模板工程施工前,需要对工地现状进行充分调研,包括地形、地质、气候等情况,为后续施工提供参考。
2. 材料准备
根据施工需求,合理评估所需材料数量,确保材料供应充足,以避免施工中出现材料短缺问题。
三、施工计划
1. 工程量计算
根据建筑设计图纸,对模板工程所需的材料、人工、机械进行详细计算,制定施工计划。
2. 施工流程
制定详尽的施工流程,包括模板搭设、固定、拆除等各个环节,确保施工进程顺利进行。
四、施工实施
1. 搭设模板
按照施工计划,对模板进行搭设,保证其结构牢固、符合设计要求,并按图施工,确保准确度。
2. 施工质量控制
施工过程中,严格按照质量要求进行监督检查,及时发现并解决问题,确保施工质量符合标准。
五、施工结束
1. 完工验收
施工完成后,进行完工验收,检查施工成果是否符合设计要求,确保工程质量。
2. 结算核算
结算核算施工成本,将所有材料、人工、机械等费用进行汇总核算,确保施工
经济效益。
六、总结
本文从计算方面详细介绍了模板工程施工方案的制定与实施,为模板工程的施
工提供了一定的参考价值。
希望本文内容对模板工程施工有所帮助,提升施工效率,保证工程质量。
文档编号:版本号:密级:XXX详细设计方案(模板)项目名称:(此处填入项目中文名称)(此处填入项目英文名称)项目负责人:(此处填入项目负责人)拟制:年月日审核: 年月日批准:年月日文件控制变更记录审阅分发目录1引言51.1 编写目的51.2背景51。
3 参考资料51.4术语定义及说明5 22设计概述52.1任务和目标52.1。
1需求概述52。
1。
2运行环境概述62.1.3条件与限制62.1.4详细设计方法和工具6 3系统详细需求分析6 3。
1详细需求分析63.2接口需求分析6 4总体方案确认7 4。
1系统总体结构确认74.2 系统详细界面划分74。
2。
1应用系统与支撑系统的详细界面划分74.2。
2系统内部详细界面划分7 5系统详细设计75.1系统结构设计及子系统划分75.2系统功能模块详细设计85。
3系统界面详细设计85.3.1外部界面设计85。
3。
2内部界面设计95.3。
3用户界面设计9 6数据库系统设计9 6。
1设计要求9 6。
2信息模型设计9 6。
3数据库设计96.3.1设计依据96.3.2数据库选型96。
3。
3数据库种类及特点96.3.4数据库逻辑结构96.3.5物理结构设计106.3.6数据库安全106.3。
7数据字典10 7网络通信系统设计10 7。
1设计要求107。
2网络结构确认107.3网络布局设计107.4网络接口设计11 88信息编码设计11 8。
1代码结构设计118.2代码编制11 99维护设计11 9。
1系统的可靠性和安全性11 9。
2系统及用户维护设计119.3系统扩充119。
4错误处理119.4。
1出错类别119。
4.2 出错处理119.5 系统调整及再次开发问题12 10系统配置12 10。
1配置原则12 10。
2硬件配置12 10。
3软件配置12 1111关键技术1211.1关键技术的提出1211.2关键技术的一般说明1211.3关键技术的实现方案13 12组织机构及人员配置13 13投资预算概算及资金规划13 14实施计划13 14。
工作计划模板汇总7篇工作计划篇1一、计划概要计划书一开头便应对本计划的主要目标和建议作一扼要的概述,计划概要可让高级主管很快掌握计划的核心内容,内容目录应附在计划概要之后。
二、市场营销现状计划的这个部分负责提供与市场、产品、竞争、配销和宏观环境有关的背景资料。
1.市场情势应提供关于所服务的市场的资料,市场的规模与增长取决于过去几年的总额,并按市场细分与地区细分来分别列出,而且还应列出有关顾客需求、观念和购买行为的趋势。
2.产品情势应列出过去几年来产品线中各主要产品的销售量、价格、差益额和纯利润等的资料。
3.竞争情势主要应辨明主要的竞争者并就他们的规模、目标、市场占有率、产品质量、市场营销策略以及任何有助于了解其意图和行为的其他特征等方面加以阐述。
4.宏观环境情势应阐明影响房地产未来的重要的宏观环境趋势,即人口的、经济的、技术的、政治法律的、社会文化的趋向。
三、机会与问题分析应以描述市场营销现状资料为基础,找出主要的机会与挑战、优势与劣势和整个营销期间内公司在此方案中面临的问题等。
1.机会与挑战分析经理应找出公司所面临的'主要机会与挑战指的是外部可能左右企业未来的因素。
写出这些因素是为了要建议一些可采取的行动,应把机会和挑战分出轻重急缓,以便使其中之重要者能受到特别的关注。
2.优势与劣势分析应找出公司的优劣势,与机会和挑战相反,优势和劣势是内在因素,前者为外在因素,公司的优势是指公司可以成功利用的某些策略,公司的劣势则是公司要改正的东西。
3.问题分析在这里,公司用机会与挑战和优势与劣势分析的研究结果来确定在计划中必须强调的主要问题。
对这些问题的决策将会导致随后的目标,策略与战术的确立。
四、目标此时,公司已知道了问题所在,并要作为与目标有关的基本决策,这些目标将指导随后的策略与行动方案的拟定。
有两类目标-----财务目标和市场营销目标需要确立。
1.财务目标每个公司都会追求一定的财务目标,企业所有者将寻求一个稳定的长期投资的盖率,并想知道当年可取得的利润。
你会利用WORD编制自动计算的计算书模板吗?1、概述你是否发觉WORD仅仅适用于文字编辑(当然也包括简单的表格计算),如果要做自动计算的计算书只能用EXCEL(如果是将计算公式和计算结果都事先算出来,然后编写计算书,这也只能叫文字编辑,不能叫计算书,这里所述的计算书应该为计算书模板)。
例如:计算书中要多次用到“产品产量”这个数值,一般情况下,要修改产品产量数据,那么文中所有用到或与产品产量相关联的数据都要一个一个地计算,并一个一个地修改,这样的编写的计算书不仅通用性很差,而且修改工作量很大,且特别容易出错。
能不能像EXCEL中一样,只要修改产品产量数据,其余数据能自动计算和修改,而不需要一个一个地计算和修改了。
你试试这个:假设产品年产量为90万吨,则产品小时产量是多少?如果单位产品电耗为98.24度/吨,则全年耗电量是多少?计算公式可以写成(点击“插入”、“公式”):产品小时产量=产品年产量×1000024×365=90×10000 =87.60 吨/小时全年耗电量=产品年产量×产品电耗=90×98.24=8979.00 万度/年将上面的公式全部选中,并按[F9],就会出现下面的效果:产品小时产量=产品年产量×1000024×365=90×10000 24×365=102.74 吨/小时全年耗电量=产品年产量×产品电耗=90×98.24=8841.60 万度/年你看看这样的编排效果是不是很清晰,也很美观。
你可以试试,将产品年产量修改为102.5,产品电耗改为103.05,其中的计算公式不要修改,仅仅需要选中计算公式,按[F9]键,计算结果就会变为:产品小时产量为117.01吨/小时,全年耗电量=10562.63万度/年。
是不是很神奇?本人通过多年的摸索和研究,基本搞清楚了如何编写计算书模板,通过实际应用,感觉很好,她完好地保留了WORD文档所具有的逻辑性、计算书的美观性,更重要的是开发了多年查找文献和资料没有发现的比较强大的计算功能,这就为编写计算书模板打好了坚实的基础。
土木工程方案计算书模板项目名称:XXX工程项目地点:XXX项目概况:项目背景:XXX工程作为市政基础设施建设项目,旨在提升当地道路交通情况,改善居民生活环境。
项目相关工程设计、施工及监理按照相关法律法规和国家标准进行。
本计算书为XXX工程土木工程方案计算书,包括各项土木工程设计和施工计算内容,以确保工程质量和安全。
本方案计算书基于项目设计图纸、报批文书、现场勘察数据、相关规范和标准等,内容经过综合比较和论证,得出合理的设计参数和施工要求。
I. 项目概况和计算基础1. 项目规模和设计要求:XXX工程规模为XXX,设计要求包括XXX。
2. 工程地质和地形情况:项目所在地区地质、地形情况及地下水情况等,对土木工程设计和施工具有影响。
3. 本方案的计算依据和参考文件:主要包括国家标准、规范、技术要求、勘察报告等文件。
II. 基础工程计算1. 地基处理方案计算:根据项目的实际情况,通过对工程地基情况的分析,确定地基处理方法,包括挖土、填土、加固等。
2. 基础承载力计算:对工程基础的承载力进行计算分析,确保基础的安全可靠。
3. 地下水工程计算:对地下水情况进行分析和计算,设计排水系统和抗渗措施。
III. 结构工程计算1. 结构荷载计算:根据建筑结构的荷载标准,进行荷载计算,分别计算活载、死载、风载、雪载等。
2. 结构设计参数计算:根据工程设计要求和国家规范,进行结构设计参数的计算。
3. 结构稳定性计算:根据工程结构的构造形式和荷载情况,进行结构的稳定性计算,确定结构安全系数。
IV. 施工工程计算1. 施工工艺方案计算:根据项目施工要求和实际情况,确定施工工艺方案和施工工序。
2. 施工材料计算:对项目所需的各种施工材料进行计算和预算。
3. 施工资金投入计算:根据项目施工工程的实际情况和需要,进行施工资金投入的计算和预算。
以上为本土木工程方案计算书的主要内容,具体计算方法和结果详见各项专业章节。
各项计算需结合实际情况和工程要求,确保设计和施工过程中的安全和质量。
机车几何曲线通过计算一、 计算目的通过机车几何曲线通过计算,确定机车所能通过的最小半径和为此目的所需的轮对横动量,给出机车转向架通过曲线时的转心位置,确定在曲线上机车转向架对于车体的偏转角,以及校验机车车体中部和端部是否超机车限界。
二、计算过程公式根据以上数据,计算轨距与轮缘外侧之间的间隙(每侧):2)t 2(+-=B A σ1 两转向架都在最大偏斜位置时:当机车转向架低速通过曲线时,第一轮对的外轮靠紧外轨,后轮对的内轮可能贴靠内轨,转向架在曲线上的这一位置称为转向架的最大偏斜位置。
1.1 第一轮对对于外轨的偏倚量Y 11.2 第二轮对对于外轨的偏倚量Y 21.3 第一轮对的转心距X 1其中 1Y —第一轮对对于外轨的偏倚量 2Y —第二轮对对于外轨的偏倚量 L —轴距 1.4 第二轮对的转心距X 21.5 前后转向架转心对于外轨的偏倚量:其中 1Y —第一轮对对于外轨的偏倚量 1X —第二轮对对于外轨的偏倚量 R —曲线半径1.6 前后转向架心盘对于外轨的偏倚量:1.7 前后转向架心盘对于车体的转心距:1.8 车体转心对外轨的偏倚量:LY Y R L X )(2121-+=LX X -=121212Y RX Y +=转RL X Y R X Y Y 2)2(2212--=-=心转心SY Y R S X )(2前心后心体-+=心体体Y RX Y +=22)(211X X Y +-=)2(212σ+++=△X X Y1.9 前后转向架对车体的转角和转向架对外轨的冲角:其中 S 1和S 2分别为前心盘和后心盘至车体转心的距离;X 1和X 4分别为第一轮对和第四轮对的转心距;R 为曲线半径。
2 两转向架都在最大外移位置时当转向架速度达到一定值时,即离心力达到一定值时,第一轮对靠紧外轨,而后轮的外轨贴靠外轨,这个位置就是转向架的最大外移位置。
2.1 第一轮对对于外轨的偏倚量Y 12.2 第二轮对对于外轨的偏倚量Y 22.3 第一轮对的转心距X 1和第二轮对的转心距X 2:其中 1Y —第一轮对对于外轨的偏倚量 2Y —第二轮对对于外轨的偏倚量 L —轴距2.4 前后转向架转心对外轨的偏倚量:2.5 前后转向架心盘对于外轨的偏倚量:RX R X l S R X l S 14211≈+-≈-+≈αθθ后前)(211X X Y +-=)(212X X Y +-=12121)(2X L X L Y Y R L X -=-+=1212Y RX Y +=转1212Y RX Y +=—心2.6 前后转向架心盘对于车体的转心距:2.7 车体转心对外轨的偏倚量:2.8 车体端部对外轨的偏倚量:其中 L N —车总长R —曲线半径2.9 转向架对车体的转角和转向架对外轨的冲角:其中 S 1为前心盘至车体转心的距离;X 1为第一轮对的转心距;R 为曲线半径。
事例:工艺设备类XX试验方案(小二号,宋体,加粗)方案名称要求:以简明的词语恰当、准确的反映方案最重要的特定内容的逻辑组合。
一、试验目的(四号,宋体,加粗)精炼的写明本次试验需要解决或验证的问题;二、试验人员、试验时间(四号,宋体,加粗)***,*** 201*.**.**-201*.**.**三、工艺流程、工艺参数(四号,宋体,加粗)3.1 工艺流程图(小四号,宋体,加粗)工艺流程尽量采用工艺流程图的形式展示,在图上显示本次试验需要验证的点;(若工艺流程已评估确认,且本次试验只是针对其中一个点验证设备或工艺参数,则可不罗列工艺流程)3.2 工艺参数(小四号,宋体,加粗)表1 本次试验工艺参数情况(五号,宋体)四、试验方法(四号,宋体,加粗)简单明了的阐述试验方法,需要用的工器具、设备等材料。
4.1 主要设备设施(小四号,宋体,加粗)填写关键的试验设备设施即可,无需全部罗列。
4.2 原辅料情况(小四号,宋体,加粗)列明需要使用到的原辅料,若规格、产地等特性对试验有关联则需细化原辅料信息;4.3 检测方法(小四号,宋体,加粗)写明关键指标的检测方法、检测人员,便于后期追溯;4.4 试验方法(小四号,宋体,加粗)与4.1中流程图中标识的本次试验需要验证的点展开讲解具体操作方法。
注意:1.尽可能图表化,对比凸显本次试验需要验证的点,验证思路;2.涉及的关键物料、设备设施等,需详细描述参数,简单明了;五、数据记录(四号,宋体,加粗)设计好试验过程需要用到的表格形式,内容,实际试验时打印填写即可。
注意:实验设计时需充分考虑需记录的数据,数据的全面性、正确性。
备注:全文行距设置:选择1.15-1.5倍行距或17-25磅;全文字体:文字→宋体;数字、字母→Times New Roman;标题:四号,宋体,加粗;正文:小四号,宋体orTimes New Roman,加粗。
方案及报告撰写过程需牢记的三点事项:1、让人看着舒服→即格式整洁、大方,无错别字等基础错误;2、让人知道你在讲什么→即目的、结论清晰,有效数据分析支撑结论;3、让人懂你的逻辑→试验逻辑、结果分析逻辑清晰易懂。
兰馨-梁模板工程施工方案计算书12-3-22
一、施工方案概述
本施工方案旨在对兰馨项目中梁模板工程的施工过程进行计划和计算,确保工
程的顺利进行和质量达标。
本方案将从预算、进度、材料搭设及拆除等方面进行详细的计算和安排。
二、工程预算
1.梁模板工程总预算为X万元,其中主要包括人工费、材料费、机械
设备租赁费等项目。
详细预算如下:
–人工费:XX万元
–材料费:XX万元
–机械设备租赁费:XX万元
–其他费用:XX万元
2.预算的编制主要参照工程图纸和规范要求,根据实际情况进行调整,
确保施工过程中不会出现资金不足的情况。
三、施工进度计划
1.梁模板工程共分为X个工序,每个工序的施工内容和时限均有详细
安排。
2.施工进度计划将根据实际施工情况进行调整,确保工期按计划进行,
避免延误。
四、材料搭设及拆除计算
1.材料搭设及拆除的计算主要涉及梁模板的具体尺寸、材质和数量,在
施工前需要进行详细的计算和准备。
2.各种材料的搭设和拆除需要按照规范要求进行,保证施工安全和质量。
五、工程质量保障
1.施工过程中将严格按照施工图纸和规范要求进行,保证每个工序的施
工质量。
2.施工过程中的质量检查和验收将由专业人员进行,确保工程质量达标。
结语
本施工方案对兰馨项目中梁模板工程的施工计划和计算进行了详细的安排,旨在确保工程顺利进行和质量可控。
施工过程中会严格按照计划进行,并根据实际情况进行调整,以确保施工顺利完成。
课程设计2009秋季《嵌入式系统设计概论》测试学院姓名学号5详细设计方案 硬件设计方案(含功能框图) 软件设计方案设计概述设计方案2.12.22.3硬件设计概要3.13.23.33.4 软件设计概要4.14.2 4.3 4.4 主芯片..存储系统电源系统其他系统软件的启动过程流程图 ..................选择的嵌入式操作系统的介绍 ...........应用系统的任务详细实现说明(含流程图)主应用程序说明流程图 ..................设计方案原理图,提交 P ROTEL99SE 文件设计方案PCB 图纸,提交 PROTEL99SE 文件1设计概述(要求:不少于300字,阐释基于SEP4020嵌入式微处理器产品的应用目标, 主要功能和设计思路。
10分)2设计方案(要求:不少于1000字,有框图说明。
15分)2.1详细设计方案(具体都包含哪些功能模块,每个功能模块的性能指标)2.2硬件设计方案(含功能框图)(总的硬件功能框图及其说明)2.3软件设计方案(总体软件功能框图及其说明)3硬件设计概要(不少于1500字,硬件各个模块的详细说明,包括芯片选型的型号,芯片的功能说明和选型理由,以及周边分立器件的画图说明,20 分)3.1主芯片系统3.2存储系统3.3电源系统3.4其他系统软件设计概要(不少于1500字,软件各个模块的详细说明,包括系统启动,操作系统,任务划分等,20 分)4.1软件的启动过程流程图4.2选择的嵌入式操作系统的介绍4.3应用系统的任务详细实现说明(含流程图)4.4主应用程序说明流程图设计方案原理图,提交Protel99se 文件(以SEP4020为处理器,参考原理图设计,20分)6设计方案PCB S纸,提交Protel99se 文件(参考GE01MBT项目的PCB文件设计,15分)课程设计评分表:。
普通墙模板计算(胶合板或多层板作为面板)一、需计算内容:1、计算面板的强度、抗剪和挠度;2、计算内龙骨的强度和挠度;3、计算外龙骨的强度和挠度;4、计算穿墙螺栓的强度。
墙模板的背部支撑由两层龙骨(木楞或钢楞)组成,直接支撑模板的龙骨为次龙骨,即内楞;用以支撑内层龙骨为主龙骨,即外楞。
组装成墙体模板时,通过对拉螺栓将墙体两片模板拉结,每个对拉螺栓成为主龙骨的支点。
二、墙木模板基本参数墙厚300mm,高度3050mm;模板面板采用普通胶合板;内龙骨布置11道,内龙骨采用50×100mm木方;外龙骨间距500mm,外龙骨采用双钢管48mm×3.5mm;对拉螺栓布置4道,在断面内水平间距150+900+900+900+150mm,断面跨度方向间距500mm,直径16mm。
模板组装示意图 三、墙模板荷载标准值计算混凝土侧压力的计算分布图形,见图1-1。
300 300 300 300300 300 300 300 300 300300mm150305在有效高度内的水平压力与振捣作用力之和的取值不大于最大侧压力。
倾倒混凝土时产生的水平荷载标准值----倾倒混凝土时对垂直面模板产生的水平荷载标准值。
可按下表采用。
倾倒混凝土时产生的水平荷载标准值(KN/m2)向模板内供料方法水平荷载溜糟、串简或导管 2容积为0.2-0.8m3的运输器具 4泵送混凝土 4容积为大于0.8m3的运输器具 6注:作用范围在有效压头高度以内。
(一般情况下,料斗为0.8 m3,泵送砼取4KN/m2)强度验算要考虑新浇混凝土侧压力和倾倒混凝土时产生的荷载设计值;挠度验算只考虑新浇混凝土侧压力产生荷载标准值。
新浇混凝土侧压力计算公式为下式中的较小值:F=0.22γC tβ1β2V1/2 (1-1)F=γCH (1-2)其中c——混凝土的重力密度,取24kN/m3;t—新浇筑混凝土的初凝时间(h),可按实测确定。
当缺乏试验资料时,可采用t=200/(T+15)计算(T为混凝土的温度℃);取2h;T ——混凝土的入模温度,取20℃;V ——混凝土的浇筑速度,取1.5m/h;H ——混凝土侧压力计算位置处至新浇混凝土顶面总高度,取3.05m;1——外加剂影响修正系数,取 1.2;(注:此系数是指缓凝剂影响系数。
不掺外加剂时取1.0;掺具有缓凝作用的外加剂时取1.2;)2——混凝土坍落度影响修正系数,取1.15。
(注:混凝土坍落度影响修正系数,当坍落度小于30mm时,取0.85;50-90mm时,取1.0;110-150mm 时,取1.15。
当坍落度大于150mm时,取1.2)根据公式计算的新浇混凝土侧压力标准值 F1=17.85kN/m2倾倒混凝土时产生的荷载标准值 F2= 4kN/m2。
四、墙模板面板的计算面板为受弯结构,需要验算其抗弯强度和刚度。
模板面板按照三跨连续梁计算。
面板的支座是内龙骨。
面板的计算宽度取0.50m。
强度计算荷载设计值:= 1.2×F1×B(计算宽度)+1.4×F2×B(计算宽度)q1= 1.2×17.85×0.5+1.4×4.0×0.5=13.51kN/m挠度计算荷载设计值=F1×B(计算宽度) =17.85×0.5=8.925kN/mq2面板的截面惯性矩I和截面抵抗矩W分别为:I = B(计算宽度) ×h(面板厚度)3/12 = 50×1.4×1.4×1.4/12 = 11.43cm4;W =B(计算宽度) ×h(面板厚度)2/6= 50×1.4×1.4/6 = 16.33cm3;强度和剪力计算简图1、抗弯强度计算:最大弯矩 M =-0.1×q×l2=0.122kN.m1弯矩图(kN.m)经计算得到面板抗弯强度计算值:f = M/W=0.122×1000×1000/16333=7.470N/mm2面板的抗弯强度设计值 [f],取15N/mm2;面板的抗弯强度验算 f < [f],满足要求!2、抗剪计算 [可以不计算]最大剪力Q=0.6ql=2.43kN1剪力图(kN)经过计算得到从左到右各支座力分别为N1=1.62kNN2=4.46kNN3=4.46kNN4=1.62kN截面抗剪强度必须满足: T = 3Q/2bh < [T]截面抗剪强度计算值 T=3×2430/(2×500×14)=0.521N/mm2截面抗剪强度设计值 [T]=1.4N/mm2抗剪强度验算 T < [T],满足要求!3、挠度计算挠度计算简图经过计算得到从左到右各支座力分别为N1=1.071kNN2=2.945kNN3=2.945kNN4=1.071kN×l4/100×E×I=0.477mm 面板最大挠度计算值 v =0.677×q2面板的最大挠度小于300.0/250,满足要求!五、墙模板内龙骨的计算1、强度计算:内龙骨直接承受模板传递的荷载,通常按照均布荷载连续梁计算。
内龙骨均布荷载按照面板最大支座力除以面板计算宽度得到。
q = 4.46/0.500=8.925kN/m截面抵抗矩W为:W = 5×10.00×10/6 = 83.33cm3;按照三跨连续梁计算,最大弯矩考虑为静荷载与活荷载的计算值最不利分配的弯矩和,计算公式如下:最大弯矩 M = 0.1ql2=0.1×8.925×0.5×0.5=0.223kN.m抗弯计算强度 f=M/W=0.223×106/83333.3=2.676N/mm2抗弯计算强度小于13.0N/mm2,满足要求!2、抗剪计算 [可以不计算]最大剪力 Q=0.6ql=0.6×0.500×8.925=2.678kN截面抗剪强度必须满足:T = 3Q/2bh < [T]截面抗剪强度计算值 T=3×2678/(2×50×100)=0.803N/mm2截面抗剪强度设计值 [T]=1.60N/mm 2 抗剪强度计算满足要求!最大支座力 N=1.1×0.500×8.925=4.909kN (此值在外龙骨强度计算时使用) 3、挠度计算内龙骨均布荷载按照面板所受混凝土侧压力标准值的最大支座力除以面板计算宽度得到: q = 2.945/0.500=5.890kN/m截面惯性矩I 为:I = 5.00×10.00×10.00×10.00/12 = 416.67cm 4; 弹性模量E 为:E=9500内龙骨的支座是外龙骨,最大支座力为:N=1.1×0.500×5.89=2.659kN (此值在外龙骨挠度计算时使用) 最大变形v =0.677×q ×l 4/100×E ×I=0.677×5.89×5004/(100×9500×4166700)=0.063mm最大挠度小于500.0/250,满足要求! 六、墙模板外龙骨的计算外龙骨承受内龙骨传递的荷载,按照集中荷载下连续梁计算。
集中荷载P 取次龙骨的支座力。
支撑钢管计算简图150900 900 9002001.60kN 4.60kN 3.91kN4.09kN 4.04kN 4.04kN 4.09kN 3.91kN 4.60kN 1.60kNA B4.06kN1.126支撑钢管弯矩图(kN.m)0.064支撑钢管变形图(mm)支撑钢管剪力图(kN)经过连续梁的计算得到 最大弯矩 Mmax=1.126kN.m 最大变形 vmax=1.128mm最大支座力 Qmax=13.280kN (此值及对拉螺栓所受的拉力) 抗弯计算强度 f=1.126×106/10160000.0=110.83N/mm 2 支撑钢管的抗弯计算强度小于205.0N/mm 2,满足要求! 支撑钢管的最大挠度小于900.0/150与10mm,满足要求! 七、对拉螺栓的计算 计算公式: N < [N] = fA1.60 5.09 0.49 0.493.42 3.427.51 7.515.77 5.77 1.73 1.732.33 2.33 6.37 6.376.68 6.682.59 2.59 1.32 1.32 5.91 5.911.60 1.605.091.60其中 N ——对拉螺栓所受的拉力;A ——对拉螺栓有效面积 (mm2);f ——对拉螺栓的抗拉强度设计值,取170N/mm2;对拉螺栓的直径(mm): 16对拉螺栓有效直径(mm): 14对拉螺栓有效面积(mm2): A = 144对拉螺栓最大容许拉力值(kN): [N] = 24.5对拉螺栓所受的最大拉力(kN): N = 13.280注:外龙骨计算时的最大支座力就是对拉螺栓的最大拉力对拉螺栓强度验算满足要求!。