液压油的分类
- 格式:doc
- 大小:30.50 KB
- 文档页数:3
液压油产品标准的发展随着机械设备制造水平的不断提高,对液压油的要求日益苛刻,如要求更高的操作温度;较好的过滤性;延长换油期;油箱尺寸减小,增加了油品的循环次数;要求使用多级液压油,油品具有更好的粘温性能;生物降解和环保问题。
液压油用量最大的是非难燃的液压油,由于难燃型液压油目前无国家标准,世界上无统一的规范,因此本文以介绍非难燃型的液压油规格发展为主。
一、我国液压油的分类及产品标准1.我国液压油的分类1982年ISO提出了液压油的分类,即ISO6743/4 - 1982, 1987年我国等效采用了ISO标准,制定我国的分类标准,即GB7631.2-87,并代替了GB2512-81。
如:GB7631标准的HM-46代替原GB2512标准中YA-N46。
ISO6734-1999增加了HETG、HEPG、HEES、HEPR 四种环境可接受液压油,取消了HFDS、HFDT,两种有害难燃液压油,目前我国正在做等效采用工作。
GB7631. 2 -87关于液压油的产品分类如下:2.我国液压油产品标准1994年制订了液压油产品标准GB11118.1-94,但并没有把GB7631.2-87分类中的全部产品都制订产品标准,GB11118.1-94只包括了HL、HM、HV、HS、HG五个质量等级产品,其中HM、HV、HS三个品种按质量又分为优等品和一等品,HL、HG二个品种只设一等品。
二、液压油的粘度分类1.我国液压油的粘度分类GB/T 3141-94是工业润滑油粘度分类的标准,等效ISO3448-1992,取代了原分类标准GB/T 3141-82。
GB/T 3141 -94是按40℃运动粘度分类的(见表1)。
原GB/T 3141-82粘度分类是按50℃运动粘度分类的。
虽然旧的粘度分类方法已作废多时,但国内不少液压油用户目前只掌握50℃运动粘度分类的情况,现将我国润滑油新旧粘度分类牌号对照(见表2)。
2.液压油产品命名质量级别+粘度级别,比如:HM68表示为40℃运动粘度是68的抗磨液压油。
拖拉机液压油分类及用途拖拉机液压油是一种专用于拖拉机的液压系统的工作介质,它可以传递动力,并承受系统中的压力和负载。
液压油在拖拉机中扮演着至关重要的角色,它需要具备良好的抗磨损、抗氧化、抗泡沫、抗冲击和热稳定性能。
根据其用途和性能要求的不同,拖拉机液压油可以分为多种类型。
下面将就拖拉机液压油的分类和用途进行详细阐述。
一、按照粘度分级:1.0W-20~75W-140低温多粘度液压油:由于热机油的作用温度通常较高,因此低温多粘度液压油在低温环境下具有非常好的使用性能。
拖拉机在寒冷地区使用时,低温多粘度液压油可以更好地保护液压系统的正常工作。
2.15W-40~85W-140高温多粘度液压油:高温多粘度液压油的黏度范围对于高温环境下的拖拉机工作条件非常适合。
在高温情况下,该类型的液压油可以提供更好的润滑性能,降低系统的磨损,并保持系统的正常运行。
二、按照性能要求分级:1.抗氧化液压油:抗氧化性能是拖拉机液压油重要的性能指标之一。
随着液压油在系统内的使用时间的增加,其可能会与空气中的氧气发生反应,产生氧化物,导致液压油的性能降低。
抗氧化液压油在系统中使用期间能够有效抵抗气氧化作用,从而延长液压油的使用寿命。
2.极压液压油:拖拉机在工作时需要承受高载荷和冲击负荷,因此液压油需要具备良好的极压抗磨性能,以减少金属零件之间的磨损。
极压液压油添加了一些特殊的添加剂,可以有效降低系统中的摩擦损失,提高系统的可靠性和工作寿命。
3.防水液压油:拖拉机在农田作业中,常常会遇到水的浸泡和侵入。
防水液压油能够有效防止水分进入液压系统,避免因水分混入造成的油液氧化、腐蚀和泡沫现象,保证系统的正常工作。
4.无磷液压油:磷是一种常用的添加剂,可以提高液压油的抗磨性能。
然而,磷的存在也会导致环境污染,因此发展无磷液压油成为一种趋势。
无磷液压油具有良好的环境适应性和可持续发展性,并广泛应用于拖拉机液压系统中。
三、按照品牌和制造商分类:市场上有许多液压油的制造商,不同的品牌和制造商生产的液压油具有不同的性能和质量保障。
液压介质分类
普通液压油
专用液压油
1、石油基液压油
抗磨液压油
高粘度指数液压油
石油基液压油是以石油地精炼物未基础,加入抗氧化或抗磨剂等混合而成的液压油,不同性能、不同品种、不同精度则加入不同的添加剂。
合成液压油——磷酸酯液压油
2、难燃液压油水——乙二醇液压油
含水液压油油包税乳化液
乳化液
水包油乳化油
1)石油基液压油这种液压油是以石油的精炼物为基础,加入各种为改进性能的添加剂而成。
添加剂有抗氧添加剂、油性添加剂、抗磨添加剂等。
2)磷酸酯液压油是难燃液压油之一。
它的使用范围宽,可达-54~135℃。
抗燃性好,氧化安定性和润滑性都很好。
缺点是与多种密封材料的相容性很差,有一定的毒性。
3)水—乙二醇液压油这种液体由水、乙二醇和添加剂组成,而蒸馏水占35%~55%,因而抗燃性好。
这种液体的凝固点低,达-50℃,粘度指数高(130~170),为牛顿流体。
缺点是能使油漆涂料变软。
但对一般密封材料无影响。
4)乳化液乳化液属抗燃液压油,它由水、基础油和各种添加剂组成。
分水包油乳化液和油包水乳化液,前者含水量达90%~95%,后者含水量大40%。
液压油型号大全在GB/T7631.2一2003分类中的HH、HL、HM、HR、HG、HV、HS液压油均属矿油型液压油,这类油的品种多,使用量约占液压油总量的85%以上,汽车与工程机械液压系统常用的液压油也多属这类。
1、HH类型HH液压油是一种不含任何添加剂的矿物油。
这种油虽己列入分类之中,但在液压系统中己不使用。
因为这种油安定性差、易起泡,在液压设备中使用寿命短。
2、HL类型规格:HL液压油是由精制深度较高的中性基础油,加抗氧和防锈添加剂制成的。
HL液压油按40℃运动粘度可分为15、22、32、46、68、100六个牌号。
用途:HL液压油主要用于对润滑油无特殊要求,环境温度在O℃以上的各类机床的轴承箱、低压循环系统或类似机械设备循环系统的润滑。
它的使用时间比机械油可延长一倍以上。
该产品具有较好的橡胶密封适应性,其最高使用温度为80℃。
质量要求:(1)适宜的粘度和良好的粘温性能。
要求油的粘度受温度变化的影响小,即温度变化不致影响液压系统的正常工作。
(2)具有良好的防锈性、抗氧化安定性。
(3)其有较理想的空气释放值、抗泡性、分水性和橡胶密封适应性。
注意事项(l)使用前要彻底清洗原液压油箱,清除剩油、废油及沉淀物等,避兔与其他油品混用。
(2)本品不适用于工作条件苛刻,润滑要求高的专用机床。
对油品质量要求较高的齿轮传动装置、液压系统及导轨,应选用中、重负荷齿轮油、抗磨液压油或HG液压油。
使用注意事项:(1)使用前要彻底清洗原液压油箱,清除剩油、废油及沉淀物等,避兔与其他油品混用。
(2)本品不适用于工作条件苛刻,润滑要求高的专用机床。
对油品质量要求较高的齿轮传动装置、液压系统及导轨,应选用中、重负荷齿轮油、抗磨液压油或HG液压油。
(3)本油品代替机械油用于通用机床及其他类似机械设备的循环系统的润滑,经济效益显著,能延长换油周期,平均节约润滑油1/3-1/2。
3、HM类型规格抗磨液压油(HM液压油)是从防锈、抗氧液压油基础上发展而来的,它有碱性高锌、碱性低锌、中性高锌型及无灰型等系列产品,它们均按40'C运动粘度分为22、32、46、68四个牌号。
(一)液压油的分类与牌号划分:液压油的种类繁多,分类方法各异,长期以来,习惯以用途进行分类,也有根据油品类型、化学组分或可燃性分类的。
这些分类方法只反映了油品的挣注,但缺乏系统性,也难以了解油品间的相互关系和发展。
1982年ISO提出了《润滑剂、工业润滑油和有关产品---第四部分H组》分类,即ISO 6743/4一1982,该系统分类较全面地反映了液压油间的相互关系及其发展。
GB 7631.2一87等效采用ⅠS0 6743/4的规定。
液压油采用统一的命名方式,其一般形式如下:类—品种数字L Hv 22其中:L--类别(润滑剂及有关产品,GB7631.1)HV--品种(低温抗磨)22--牌号(粘度级,GB3141)液压油的粘度牌号由GB 3141做出了规定,等效采用ISO的粘度分类法,以40'C运动粘度的中心值来划分牌号。
(二)液压油的规格、性能及应用:在GB/T7631.2一87分类中的HH、HL、HM、HR、HⅤ、HG液压油均属矿油型液压油,这类油的品种多,使用量约占液压油总量的85%以上,汽车与工程机械液压系统常用的液压油也多属这类。
以下分别介绍其规格、性能及其应用。
l.HH液压油按GB 7631.2一87分类,HH液压油是一种不含任何添加剂的矿物油。
这种油虽己列入分类之中,但在液压系统中己不使用。
因为这种油安定性差、易起泡,在液压设备中使用寿命短。
2.HL液压油(也称通用型机床工业用润滑油)l)规格HL液压油是由精制深度较高的中性基础油,加抗氧和防锈添加剂制成的。
HL液压油按40C运动粘度可分为15、22、32、46、68、100六个牌号。
2)用途HL液压油主要用于对润滑油无特殊要求,环境温度在O’C以上的各类机床的轴承箱、齿轮箱、低压循环系统或类似机械设备循环系统的润滑。
它的使用时间比机械油可延长一倍以上。
该产品具有较好的橡胶密封适应性,其最高使用温度为8 0’C。
3)质量要求(l)适宜的粘度和良好的粘温性能。
液压油的分类液压油一、液压油的分类与命名液压油的分类方法过去主要有以下几种:按液压油用途分类:航空液压油、舰船液压油、数控机床液压油,特种液压油等。
按使用温度范围分类:普通、高温、低温液压油,宽温范围液压油。
按液压油的组成分类:无添加剂型、防锈抗氧型、抗磨型、高粘度指数液压油型等。
按使用特性分类:易燃、难燃、环保型等。
按使用压力分类:普通、高压液压油等。
按添加剂类型分类:无灰、有灰,锌型、无锌、低锌、高锌液压油等。
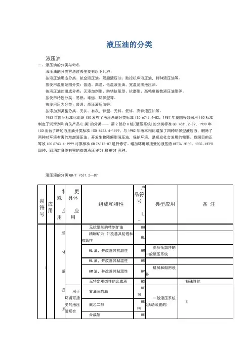
1982年国际标准化组织ISO发布了液压系统分类标准ISO 6743.4-82,1987年我国等效采用ISO标准制定了润滑剂和有关产品(L类)的分类——第2部分H组(液压系统)的分类标准GB 7631.2-87,1999年ISO出台了新的液压油分类标准ISO 6743.4-1999,与1982年版本相比增加了四种环保型液压液,删除了两种对环境有害的难燃液压油。
开发生物降解型液压油,保护环境,是顺应社会发展的需要。
我国目前正等效ISO 6743.4-1999对原标准GB 76312-87进行修订。
增加环境可接受的液压液HETG、HEPG、HEES、HEPR 四种,取消对身体有害的难燃液压HFDS和HFDT两种。
液压液的分类GB/T 7631.2—87注: 1) 每个品种的基础液的最小含量应不少70%;2)这类液体也可以满足HE品种规定的生物降解性和毒性要求。
根据其应用场合分为流体静压系统用油和流体动力系统用油,流体静压系统用油包括四部分:矿油型和合成烃型液压油(HH、HL、HM、HR、HV、HS);环境可接受的液压液(HETG、HEPC、HEES、HEPR);液压导轨系统用油(HG);难燃液压液(HFAE、HFAS、HFB、HFC、HFDR、HFDU)共十七个品种。
流体动力系统用油包括自动传动液(HA)和联轴节和转换器(HN)两部分共两个品种。
目前,在GB 11118.1-94矿物油型和合成烃型液压油产品标准中对液压油产品名称进行了统一的规范化的标记,标记示例:液压油L-HM46(优等品),其中“L”表示润滑剂类别,“HM”表示抗磨液压油,“46”表示粘度等级(按GB 3141-82规定),“优等品”表示产品质量符合GB 11118.1中所规定的质量等级的档次。
液压油的危险品管理制度1. 引言液压油是工业生产过程中经常使用的一种危险品,其具有易燃、易爆、有毒等危险性质。
为了确保液压油的安全使用,保护人员和设备的安全,必须建立完善的危险品管理制度。
本文将介绍液压油的危险品管理制度,包括液压油的分类、储存要求、使用操作规范、事故应急处理等。
2. 液压油的分类根据液压油的不同性质,可以将其分为不同的类别。
一般而言,常见的液压油可分为矿物油、合成油和生物油三大类。
详细的分类如下:矿物油:矿物油是指通过炼油工艺从石油中提取的液态烃类物质,常见的有润滑油、液压油等。
合成油:合成油是通过化学方法合成的液体润滑材料,其性能较好,耐高温、抗磨性能强。
生物油:生物油是利用植物油或动物脂肪为原料加工而成的液态润滑材料,对环境友好,但其使用寿命较短。
了解液压油的分类有助于制定相应的管理措施和隐患防范措施。
3. 液压油的储存要求储存环境:储存液压油的仓库应保持干燥、通风良好的环境,温度应控制在合适的范围内,防止油品氧化。
储存容器:选择合适的储存容器,不得使用不锈钢容器、铅制容器和铜制容器等与液压油发生剧烈反应的材质。
密封性:储存容器应具有良好的密封性能,以防止外界的污染物进入液压油中。
储存液压油时,还应定期对储存环境和储存容器进行检查和维护,确保液压油处于良好的储存状态。
4. 液压油的使用操作规范人员培训:所有使用液压油的操作人员必须接受液压油使用操作的培训,了解液压油的性质、危险性及正确使用方法。
使用设备:选择合适的液压设备,并保持设备的正常运转,定期检查设备的密封性能,及时更换磨损零部件。
操作规程:制定详细的操作规程,明确液压油的启动、使用、停止等环节的操作步骤,遵循先开启液压,后关闭液压的原则。
泄漏处理:及时处理液压油的泄漏问题,采取适当的补救措施,防止泄漏的液压油进入地下水、土壤等环境中。
防火防爆措施:在操作液压设备时,应避免明火、静电的产生,使用防爆电器设备,确保操作环境的防火防爆安全。
一、常用液压油的分类二、液压油主要特性液体传动,是用液体作传动介质,利用液体的压力能或动能来传递能量。
通常将利用液体压力能的液压系统所使用的液压介质称作液压油;利用液体动能的液力传动系统(如变矩器)使用的介质称为液力传动油。
液力传动油又称动力传动液(PTF)或动力换档液。
随着汽车安装了自动变速器,液力传动油的研究与开发很快,在美国装有自动变速器的汽车达90.3%,所使用的液力传动油又称为自动传动液(ATF)。
液压油应具备的主要性质1.粘度和粘温特性液压油泵对粘度的变化最为敏感,泵的允许粘度是确定油品粘度的依据。
最佳粘度取决于机械效率和容积效率之间的平衡。
另外,还要求对于运行温度较宽的机械,要求液压油具有较高的粘度指数(90以上),以免随温度变化而粘度变化太大。
表3-50 几种泵类型对油品粘度的规定抑止在使用过程中由氧化而产生的酸性物质和油泥,是要求液压油具备重要性能。
另外,由于功率增大同时油箱容量缩小,油温已从早期液压系统中的油箱温度为50~60上升到120。
且由于油压增高带来油中所溶黑社会气浓度也随之增加,促使油热氧化而生成油泥乃致发生油路堵塞等现象。
故必须有较好的热氧化安定性。
3.防锈性和防腐蚀性生锈和腐蚀会加速油的氧化和造成意外磨损事故。
液压油应具有良好的防锈和防腐性。
4.抗磨性液压系统朝高压、高速发展,润滑情况较以前苛刻,油中应加入抗磨剂,使之具有良好的抗磨性能。
5.抗乳化性和水解安定性抗乳化性是指油水乳化液分离成油层和水层的能力。
水解安定性指油水混合时,油抗水反应的能力。
混进水的液压油,在液压系统运转中易被乳化或由于水解不安定而引起腐蚀等现象。
因此,液压油应具有抗乳化性和良好的水解安定性。
6.消泡性和放气性消泡性指油不生成泡沫的倾向以及生成泡沫的稳定性能;空气释放性指油不释放分散在其中的空气泡的能力。
油中夹杂气泡等,会造成驱动系统压力不足和传动反应迟缓;严重时产生异常的噪音、气穴、震动等。
液压油基础知识更新时间: 3/17/2010 来源: 点击数: 613用于流体静压(液压传动)系统中的工作介质称为液压油,而用作流体动压(液力传动)系统中的工作介质则称为液力传动油,通常将二者统称为液压油。
液压油与发动机油相比较,液压油除具有发动机油的基本性能外,还具有良好的抗乳化性、抗磨性、水解安定性、可滤性、抗泡性和空气释放性。
一. 液压油的粘度分级液压油粘度新的分级方法是用40 ℃运动粘度的第一中心值为粘度牌号,共分为八个粘度等级,见表18。
表18 粘度牌号粘度级 (新牌号)40℃运动粘度(mm2/s)相当于旧牌号(50℃运动粘度)ISO粘度级10 15 22 32 46 68 100150 9.00~11.013.5~16.519.8~24.228.8~35.241.4~50.661.2~74.890.0~110135~16571015203040(上限接近50号)50,70(下限接近50号,上限接近70号)90VG10VG15VG22VG32VG46VG68VG100VG150二. 液压油的质量分级及应用范围国际标准化组织(ISO)把液压油用字母H来表示,分为易燃烃类油、抗燃烃类油两大类,每一大类又再分为若干类,见表19、表20。
国家标准GB7631.2—87把液压系统用油分为L-HH、L-HL、L-HM等15个品种,把液力系统用油分为L-HA、L-HL 两个品种,见表21。
液压油产品举例和应用范围,见表22。
L-HL液压油原称通用型机床工业润滑油,属抗氧化防锈液压油。
试验表明,其各项性能都优于L-AN全损耗系统用油,寿命比全损耗系统用油高一倍以上。
该系列产品适用于一般机床的主轴箱、液压站和齿轮箱,或类似的机械设备的中、低压液压系统的润滑(2.5 MPa以下为低压,2.5~8.0 MPa为中压)。
表19 易燃的烃类液压油ISO分类用油系统 ISO分类符号组 成 和 特 性 主 要 用 途流体静压系统(液压系统)用油HHHLHMHRHVHGHS不含任何添加剂的矿物润滑油具有防锈、抗氧化性的精制矿物润滑油具有抗磨性的HL型油品,不仅具有HL油的全部特性,而且具有良好的抗磨性能具有更好的粘温特性的HM型油品具有更好的粘温特性的HM型油品具有更好的防粘-滑性(防爬性)的HM型油品以合成烃为基础油,具有较低的倾点和良好的粘温特性用于通用型机床液压箱和齿轮箱,轻负荷机械的润滑用于要求抗磨性能较高的中、高压液压系统用于要求高粘度指数的低、中压液压系统用于要求高粘度指数的中、高压液压系统用于既有液压传动又有滑动面的系统用于特殊环境及高寒区作业流体动压系统(液力系统)用油 HA HN用于自动变速齿轮箱 用于联轴节和变矩器表20 抗燃液压油ISO 分类ISO 分类符号组 成 和 特 性主 要 用 途HFA 水包油乳化液,可分为无抗磨性(HFAL)和有抗磨性(HFAM)两种 用于钢铁厂、矿山及其他要求抗燃性的工业HFB 油包水乳化液,可分为无抗磨性(HFBL)和有抗磨性(HFBM)两种 HFC水-乙二醇(水-聚合物),可分为无抗磨性(HFCL)和有抗磨性(HFCM)两种H(F) DR H(F)DS H(F)DT H(F)DU 不含水的磷酸脂 不含水的卤代烃不含水的卤代烃与磷酸脂混合液 不含水的其他合成液压油L-HM 液压油(抗磨液压油)较HL 液压油有突出的抗磨性,适用于压力大于10 MPa 的高压和超高压的叶片泵、柱塞泵等。
液压油的分类、牌号划分及选用与管理一液压油的分类与牌号划分:液压油的种类繁多,分类方法各异,长期以来,习惯以用途进行分类,也有根据油品类型、化学组分或可燃性分类的。
这些分类方法只反映了油品的挣注,但缺乏系统性,也难以了解油品间的相互关系和发展。
1982年ISO提出了《润滑剂、工业润滑油和有关产品-第四部分H组》分类,即ISO 6743/4一1982,该系统分类较全面地反映了液压油间的相互关系及其发展。
GB 7631.2一87等效采用ISO 6743/4的规定。
液压油采用统一的命名方式,其一般形式如下:类品种数字L HV 22其中:L—类别(润滑剂及有关产品,GB7631.1)HV—品种(低温抗磨)22—牌号(粘度级,GB3141)液压油的粘度牌号由GB 3141-94做出了规定,等效采用ISO的粘度分类方法,以40℃运动粘度的中心值来划分牌号,见下表。
二液压油的规格、性能及应用:在GB/T7631.2一87分类中的HH、HL、HM、HR、HV、HG液压油均属矿油型液压油,这类油的品种多,使用量约占液压油总量的85%以上,汽车与工程机械液压系统常用的液压油也多属这类。
以下分别介绍其规格、性能及其应用。
l、HH液压油按GB 7631.2一87分类,HH液压油是一种不含任何添加剂的矿物油。
这种油虽己列入分类之中,但在液压系统中己不使用。
因为这种油安定性差、易起泡,在液压设备中使用寿命短。
2、HL液压油(也称通用型机床工业用润滑油)l)规格HL液压油是由精制深度较高的中性基础油,加抗氧和防锈添加剂制成的。
HL液压油按40℃运动粘度可分为15、22、32、46、68、100六个牌号。
2)用途HL液压油主要用于对润滑油无特殊要求,环境温度在0℃以上的各类机床的轴承箱、齿轮箱、低压循环系统或类似机械设备循环系统的润滑。
它的使用时间比机械油可延长一倍以上。
该产品具有较好的橡胶密封适应性,其最高使用温度为80℃。
一般的液压油有32号46号68号100号等等46是黏度,一般冬天用稀点的,夏天用稠点的(除机器明确要求)液压油是润滑油但不是哪里都能用液压油除了内燃机油,重负菏齿轮油不能代替(更不能代替特油)我说的是代替一般用油。
其实别的要求不高的机器上都能用,无所谓拉那么多型号对于不懂的人貌似很复杂,其实生产厂家都是用一样的基础油调出来的,加点添加剂就OK拉。
(一)液压油的分类与牌号划分:液压油的种类繁多,分类方法各异,长期以来,习惯以用途进行分类,也有根据油品类型、化学组分或可燃性分类的。
这些分类方法只反映了油品的挣注,但缺乏系统性,也难以了解油品间的相互关系和发展。
1982年ISO提出了《润滑剂、工业润滑油和有关产品---第四部分H组》分类,即ISO 6743/4一1982,该系统分类较全面地反映了液压油间的相互关系及其发展。
GB 7631.2一87等效采用ⅠS0 6743/4的规定。
液压油采用统一的命名方式,其一般形式如下:类—品种数字L Hv 22其中:L--类别(润滑剂及有关产品,GB7631.1)HV--品种(低温抗磨)22--牌号(粘度级,GB3141)液压油的粘度牌号由GB 3141做出了规定,等效采用ISO的粘度分类法,以40'C运动粘度的中心值来划分牌号。
(二)液压油的规格、性能及应用:在GB/T7631.2一87分类中的HH、HL、HM、HR、HⅤ、HG液压油均属矿油型液压油,这类油的品种多,使用量约占液压油总量的85%以上,汽车与工程机械液压系统常用的液压油也多属这类。
以下分别介绍其规格、性能及其应用。
l.HH液压油按GB 7631.2一87分类,HH液压油是一种不含任何添加剂的矿物油。
这种油虽己列入分类之中,但在液压系统中己不使用。
因为这种油安定性差、易起泡,在液压设备中使用寿命短。
2.HL液压油(也称通用型机床工业用润滑油)l)规格HL液压油是由精制深度较高的中性基础油,加抗氧和防锈添加剂制成的。
液压油基础知识液压油是利用液体压力能的液压系统使用的液压介质,在液压系统中起着能量传递、系统润滑、防腐、防锈、冷却等作用1、减摩抗磨,降低摩擦阻力以节约能源,减少磨损以延长机械寿命,提高经济效益;2、冷却,要求随时将摩擦热排出机外;3、密封,要求防泄漏、防尘、防串气;4、抗腐蚀防锈,要求保护摩擦表面不受油变质或外来侵蚀;5、清净冲洗,要求把摩擦面积垢清洗排除;6、应力分散缓冲,分散负荷和缓和冲击及减震;7、动能传递,液压系统和遥控马达及摩擦无级变速等。
一、液压油采用统一的命名方式,其一般形式如下:L Hv 22其中:L--类别(润滑剂及有关产品,GB7631.1)HV--品种(低温抗磨)22--牌号(粘度级,GB3141)二、液压油的性质1.粘度和粘温特性:粘度是液压油的主要指标,对系统的平稳工作有着重要影响。
粘度过小时,润滑表面容易产生磨损,从而使液压元件的内漏和外漏增加,泵容积效率降低,油温上升。
而粘度过大时,泵吸油困难,流动过程能量损失增加,系统的发热增加,油温也升高。
因此,必须具有合适的粘度。
在多数情况下,液压油一般用40℃运动粘度11.0-60.0mm2/s。
由于工程机械一般在露天工作,油温随着气温的变化而变化,所以为了保证液压系统稳定工作,要求油品的粘度指数越大越好。
一般抗磨液压油的粘度指数要求不低于90,低温液压油不低于130。
2.低温性:液压油的低温性包括三个方面:1)低温流动性。
2)低温启动性。
3)低温泵送性。
后两种性能主要与油品低温粘度有关。
因此,各种液压泵的生产厂家对出厂的液压泵规定了所用液压油最低的冷启动粘度。
3.氧化安定性:液压油要求具有良好的氧化安定性,以减少氧化变质形成酸性物质和沉淀物对液压设备产生不良影响,并延长油品换油期。
通常要求酸值达到2mgKOH/g的时间不少于100h。
4.防锈性和防腐性:液压系统在运转过程中,不可避免地要混入一些空气和水分,这些空气和水分会造成金属表面的锈蚀,影响液压元件的精度。
工程机械液压油的使用、检测和污染控制根据有关资料介绍,工程机械有70%的故障是由液压系统引起的。
而液压系统故障中75%以上是由液压油污染引起的。
因此,对液压油的污染及其控制问题必须引起高度的重视。
1 对液压油的分类和要求工程机械液压油分普通液压油、抗磨液压油、低凝液压油、高粘度指数液压油、专用液压油、机械油和气轮机油等品种。
液压油应具有适宜的粘度和良好的粘温特性,粘度指数高;油膜强度高,具有良好的润滑性能;化学稳定性好,抗氧化能力强;良好的防锈和防腐能力,对涂料、密封材料等具有良好的适应性,抗乳化性和消泡性好,闪点高、凝点低,纯净无杂质。
2 各种液压油的使用范围(1)普通液压油分YA-N46、YA-N68、YA-N150、YA-N32G和YA-N68G等牌号。
它适用于环境温度为0~40的各类中高压系统。
(适用工作压力为6.3~21Mpa)(2)抗磨液压油分YB-N32、YB-N46、YB-N68、YB-N80、YB-N100、YB-N150和YB-N46K等牌号。
它适用于环境温度为-10~40的高压系统。
(适用工作压力为>21Mpa)(3)抗凝液压油分等牌号。
它适用于环境温度为-20~40的高压系统。
(适用工作压力达21Mpa)其中YC-N46D可用于-30以上,主要用于矿山、工程机械等液压系统。
(4)机械油分HJ-10、HJ-30、HJ-40、HJ-50、HJ-70、HJ-90等牌号。
可用作液压系统的代用油,适用工作压力小于6.3Mpa的系统,适用的环境温度为0~40。
(5)气轮机油分Hu-20、Hu-30、Hu-40、Hu-50、Hu-55等牌号。
可用作液压系统的代用油,因加入了抗氧化添加剂,其质量优于机械油,适用工作压力小于6.3Mpa的要求较高的液压系统。
(6)高粘度指数液压油分YD-N32、YD-N32H两种,主要用于对油品粘温特性有特殊要求的系统。
3 液压油的选择(1)根据所用液压泵的类型选用合适粘度的液压油表1给出了几种液压泵用油粘度的推荐值。
液压油一、液压油的分类与命名液压油的分类方法过去主要有以下儿种:按用途分类:航空液压油、舰船液压油、数控机床液压油,特种液压油等。
按使用温度范圉分类:普通、高温、低温液压油,宽温范圉液压油。
按组成分类:无添加剂型、防锈抗氧型、抗磨型、高粘度指数液压油型等。
按使用特性分类:易燃、难燃、环保型等。
按使用压力分类:普通、高压液压油等。
按添加剂类型分类:无灰、有灰,锌型、无锌、低锌、高锌液压油等。
1982年国际标准化组织ISO发布了液压系统分类标准ISO, 1987年我国等效采用ISO标准制定了润滑剂和有关产品(L类)的分类一一第2部分H组(液压系统)的分类标准GB, 1999年ISO出台了新的液压油分类标准ISO,与1982年版本相比增加了四种环保型液压液,删除了两种对环境有害的难燃液压油。
开发生物降解型液压油,保护环境,是顺应社会发展的需要。
我国LI前正等效ISO对原标准GB 76312-87进行修订。
增加环境可接受的液压液HETG、HEPG、HEES、HEPR四种,取消对身体有害的难燃压液HFDS和HFDT两种。
新的液圧油分类标准见下表。
液压液的分类GB/T —87量高,这种油品虽列入分类中,但液压系统不宜使用,我国不设此类油品,也无产品标准。
2、L・HL液压油L・HL液压油是山精制深度较高的中性油作为基础油,加入抗氧、防锈和抗泡添加剂制成,适用于机床等设备的低压润滑系统。
HL液压油具有较好的抗氧化性、防锈性、抗乳化性和抗泡性等性能。
使用表明,HL液压油可以减少机床部件的磨损,降低温升,防止锈蚀,延长油品使用寿命,换油期比机械油长达一倍以上。
我国在液压油系统中曾使用的加有抗氧剂的各种牌号机械油现已废除。
口前我国L・HL油品种有15、22、32、46、68、100共六个粘度等级,只设一等品产品。
3、L・HM液压油HM液压油是在防锈、抗氧液压油基础上改善了抗磨性能发展而成的抗磨液丿下•油。
L-HM液丿下•油釆用深度精制和脱蜡的HVIS中性油为基础油,加入抗氧剂、抗磨剂、防锈剂、金属钝化剂、抗泡沫剂等配制而成,可满足中、高压液压系统油泵等部件的抗磨性要求,适用于使用性能要求高的进口大型液爪设备。
液压油的分类
国际标准化组织(ISO)把液压油用H 来表示,共分两大类:即易燃的烃类油和抗燃液压油。
1、易燃的烃类液压油ISO 分类
用油系统 ISO 分类符号
组成与特性 主要用途
流体静力学系统用油
HH 不含任何添加剂的矿物油
HL
具有防锈、抗氧性的精制矿物油
用于通用机床液压箱和齿轮箱等轻载荷机械的润滑
流体静力学系统用油
HM
具有抗磨性的HL 型油品,不仅具有HL 型油品的特性,而且还有良好的,抗磨性 用于要求抗磨性能较高的中、高压液压系统 HR 具有更好的粘温特性的HL 型油品 用于要求高粘度指数的低、中压液压系统 HV 具有更好的粘温特性的HM 型油品 用于要求高粘度指数的中、高压液压系统 HG 具有更好的防粘滑性(防爬性)HM 型油品 用于既有液压传动又有滑动面的系统 HS
以合成烃为基础油,具有较低的倾点和良好的粘温特性 用于高寒地区或特殊环境
流体动力学系统用油
HA 一般用于自动变速齿轮箱
HN
用于联轴节和变矩器
2、抗燃液压油ISO 分类
ISO 分类符号
组成与特性
主要用途
HFA
水包油乳化液,可分为无抗磨性(HFAL)和有抗磨性(HFAM)
主要用于钢铁厂、矿山及其他要求抗燃性的工业
HFB
油包水乳化液,可分为无抗磨性(HFBL)和有抗磨性(HFBM)
HFC
水-乙二醇(水、聚合物)可分为无抗磨性(HFCL)和有抗磨性(HFCM) H(F)DR 不含水的磷酸脂 H(F)DS 不含水的卤代烃 H(F)DT 不含水的卤代烃与磷酸脂 H(F)DU
不含水的其他合成液压油。
常用液压油的分类
答案:
液压油主要分为七种类型,分别是HH、HL、HM、HR、HG、HV和HS液压油。
这些分类主要是根据液压油的使用特性、性能和应用场景来区分的。
HH液压油:这是一种纯净的矿物油,不添加任何添加剂,但由于其稳定性欠佳,易产生泡沫,因此并不适用于液压系统。
HL液压油:主要用于润滑轴承箱和低压循环系统,适用于对润滑油要求不高的机床,且环境温度需在零摄氏度以上。
它具有良好的密封适应性,最高可承受80摄氏度的温度,根据其在40摄氏度时的运动粘度,可分为多个等级。
HM液压油:相比HL,HM液压油的抗磨性能更为优越,适用于低、中、高压液压系统,以及中负荷机械的光滑部位。
它可根据中国大部分地区的气温范围进行选择,根据40摄氏度时的运动粘度,分为多个等级。
HR液压油:适用于环境温度变化较大的中低压液压系统,具备优秀的防锈和抗氧化性能,并通过添加粘度指数改进剂优化了油品的粘度-温度特性。
HG液压油:因其出色的防锈、抗氧化、抗磨和抗粘滑性能,特别适用于机床液压和导轨润滑系统。
HG液压油有多种系列,如碱性高锌、碱性低锌、中性高锌和无灰型等,根据其在40摄氏度时的运动粘度,可分为多个等级。
HV液压油:作为低温抗磨液压油,在HM的基础上进一步提升了粘温性能和低温性能,典型粘度指数通常达到约150。
HS液压油:在HV的基础上,HS液压油进一步提高了粘温性能和低温性能,典型粘度指数通常可达约200,是一种性能更为卓越的低温抗磨液压油。
这些分类反映了液压油的不同特性和应用场景,选择合适的液压油对于确保液压系统的正常运行至关重要。
液压油分类及基本特征1.液压传动液压传动是根据帕斯卡原理,利用液体作为工作介质,并以其压力能来传递动力的一种传递方式。
在这个机构中,液压传动系统接收入电动机或内燃机等回转形式的机械能,通过动力元件液压泵转换成液体的压力能,然后通过管道与控制元件,借助执行元件(液压马达或液压缸),将液体的压力转换为回转或直线运行的机械能,驱动负荷进行工作。
液压系统已经成为生活的一部份,很难找到不用液压系统进行操作的机器设备,液压元件制造厂商向几乎所有工业部门提供液压系统,其中包括农用和建筑机械部门、输送机技术、食品和包装工业、木林加工和工具机、造船、采矿和钢铁工业、航空和航天、医药、环境技术和化学品等。
2.液压油及其发展液压油是液压传动系统的工作介质,是位于内燃机润滑油之后的第二个最重要的润滑油剂类型,约占润滑剂总耗量的15%。
世界各国没有统一的液压油标准,比较广泛采用的油德国DIN标准、美国Denison、Vickers、Cincinnati、Milacron和美国钢铁公司等公司标准。
我国的液压油标准为GB11118.1-1994。
由于生态和环保方面的要求,液压油必须容易处理且不能对周围环境造成污染。
由于液压装置的高速、高压及小型化的发展趋势,液压油将向无灰、长寿命的方向发展,抗燃液压油也将进一步发展。
(1)液压油的作用及性能要求液压油在液压设备中起着许多重要的作用,根据其不同功能可归纳为传递能量、润滑机器、减少机器的摩擦和磨损、方式机器生锈和腐蚀、对液压设备内的一些间隙起密封作用、带走摩擦热,其冷却作用、冲洗作用、分散作用等。
为了起到以上的作用,液压油必须具备:1.良好的润滑性2.良好的抗氧化安定性和热稳定性3.良好的抗剪切性4.良好的防锈、防腐性能5.良好的抗乳化性和水解安定性6.良好的抗泡沫性和空气释放性7.合适的粘度和良好的粘温特性8.良好的清洁性和过滤性9.对密封材料的适应性(二)液压油的品种及分类国际标准化组织把液压油用H来表示,分为易燃的烃油类、抗燃液压油两大类,而我国液压油参照ISO6743/4,把液压油分为矿油型和全烃成型、耐燃型、制动液压航空、航船和液力传动用途。
液压油的分类、牌号划分及规格
(一)液压油的分类与牌号划分:
液压油的种类繁多,分类方法各异,长期以来,习惯以用途进行分类,也有根据油品类型、化学组分或可燃性分类的。
这些分类方法只反映了油品的挣注,但缺乏系统性,也难以了解油品间的相互关系和发展。
1982年ISO提出了《润滑剂、工业润滑油和有关产品---第四部分H组》分类,即ISO 6743/4一1982,该系统分类较全面地反映了液压油间的相互关系及其发展。
GB 7631.2一87等效采用ⅠS0 6743/4的规定。
液压油采用统一的命名方式,其一般形式如下:类—品种数字
L Hv 22
其中:L--类别(润滑剂及有关产品,GB7631.1)
HV--品种(低温抗磨)
22--牌号(粘度级,GB3141)
液压油的粘度牌号由GB 3141做出了规定,等效采用ISO的粘度分类法,以40'C运动粘度的中心值来划分牌号。
(二)液压油的规格、性能及应用:
在GB/T7631.2一87分类中的HH、HL、HM、HR、HⅤ、HG液压油均属矿油型液压油,这类油的品种多,使用量约占液压油总量的85%以上,汽车与工程机械液压系统常用的液压油也多属这类。
以下分别介绍其规格、性能及其应用。
l.HH液压油
按GB 7631.2一87分类,HH液压油是一种不含任何添加剂的矿物油。
这种油虽己列入分类之中,但在液压系统中己不使用。
因为这种油安定性差、易起泡,在液压设备中使用寿命短。
2.HL液压油(也称通用型机床工业用润滑油)
l)规格 HL液压油是由精制深度较高的中性基础油,加抗氧和防锈添加剂制成的。
HL液压油按40C运动粘度可分为15、22、32、46、68、100六个牌号。
2)用途
HL液压油主要用于对润滑油无特殊要求,环境温度在O’C以上的各类机床的轴承箱、齿轮箱、低压循环系统或类似机械设备循环系统的润滑。
它的使用时间比机械油可延长一倍以上。
该产品具有较好的橡胶密封适应性,其最高使用温度为80’C。
3)质量要求
(l)适宜的粘度和良好的粘温性能。
要求油的粘度受温度变化的影响小,即温度变化不致影响液压系统的正常工作。
(2)具有良好的防锈性、抗氧化安定性。
(3)其有较理想的空气释放值、抗泡性、分水性和橡胶密封适应性。
4)使用注意事项
(l)使用前要彻底清洗原液压油箱,清除剩油、废油及沉淀物等,避兔与其他油品混用。
(2)本品不适用于工作条件苛刻,润滑要求高的专用机床。
对油品质量要求较高的齿轮传动装置、液压系统及导轨,应选用中、重负荷齿轮油、抗磨液压油或HG液压油。
(3)本油品代替机械油用于通用机床及其他类似机械设备的循环系统的润滑,经济效益显著,能延长换油周糊,平均节约润滑油1/3-1/2。
3.抗磨液压油(HM液压油)
l)规格,
抗磨液压油(HM液压油)是从防锈、抗氧液压油基础上发展而来的,它有碱性高锌、碱性低锌、中性高锌型及无灰型等系列产品,它们均按40'C运动粘度分为22、32、46、68四个牌号。
2)用途
(l)抗磨液压油主要用于重负荷、中压、高压的叶片泵、柱塞泵和齿轮泵的液压系统J目YB一D25叶片泵、PF15柱塞泵、CBN一E306齿轮泵、YB一E80/40双联泵等液压系统。
(2)用于中压、高压工程机械、引进设备和车辆的液压系统。
如电脑数控机床、隧道掘进机、履带式起重机、液压反铲挖掘机和采煤机等的液压系统。
(3)除适用于各种液压泵的中高压液压系统外,也可用于中等负荷工业齿轮(蜗轮、双曲线齿轮除外)的润滑。
其应用的环境温度为一10'C-40’C。
该产品与丁腈橡胶具有良好的适应性。
3)质量要求
(l)合适的粘度和良好的粘温性能,以保证液压元件在工作压力和工作温度发生变化的条件下得到良好润滑、冷却和密封。
(2)良好的极压抗磨性,以保证油泵、液压马达、控制阀和油缸中的摩擦副在高压、高速苛刻条件下得到正常的润滑,减少磨损。
(3)优良的抗氧化安定性、水解安定性和热稳定性,以抵抗空气、水分和高温、高压等因素的影响或作用,使其不易老化变质,延长使用寿命。
(4)良好的抗泡性和空气释放值,以保证在运转中受到机械剧烈搅拌的条件下产生的泡沫能迅速消失;并能将混入油中的空气在较短时间内释放出来,以实现准确、灵敏、平稳地传递静压。
(5)良好的抗乳化性,能与混入油中的水分迅速分离,以免形成乳化液,引起液压系统的金属材质锈蚀和降低使用性能。
(6)良好的防锈性,以防止金属表面锈蚀。
4)注意事项
(l)要保持液压系统的清洁,及时清除油箱内的油泥和金属屑。
(2)按换油参考指标进行换油,换油时应将设备各部件清洗干净,以免杂质等混入油中,影响使用效果。
(3)储存和使用时,容器和加油工具必须清洁,防止油品被污染。
(4)该油品主要适用于钢-钢摩擦副的液压油泵。
用于其它材质摩擦副的液压油泵时,必须要有油泵制造厂或供油单位推荐本产品所适用的油泵负荷限值。
4.HR、HG液压油
HR液压油是在环境温度变化大的中低压液压系统中使用的液压油。
该油具有良好的防锈、抗氧性能,并在此基础上加入了粘度指数改进剂,使油品具有较好的粘温特性。
该类油由于用量小至今尚未大力开发,在此不作详细介绍。
HG液压油原为普通液压油中的32G和68G,曾用名为液压导轨油,该产品是在HM液压油基础上添加油性剂或减磨剂构成的丶一类液压油。
该油不仅具有优良的防锈、抗氧、抗磨性能,而且具有优良的抗粘滑性。
该产品主要适用于各种机床液压和导轨合用的润滑系统或机床导轨润滑系统及机床液压系统。
在低速惰况下,防爬效果良好。
目前的液压一导轨油属这一类产品。
5.HⅤ、HS液压油(低温液压油)
l)规格
这是两种不同档次的液压油,在GB 7631.2一87中均属宽温度变化范围下使用的液压油。
此二类油都有低的倾点,优良的抗磨性、低温流动性和低温泵送性。
HV、HS液压油按基础油分为矿油型与合成油型两种,按40。
C运动粘度,HⅤ油分为15‘22、32、46、68、100六个牌号 HS油分为15、32、32、46四个牌号。
2)用途
(l)HⅤ低温液压油主要用于寒区或温度变化范围较大和工作条件苛刻的工程机械、引进设备和车辆的中压或高压液压系统。
如数控机床、电缆井泵.以及船舶起重机、挖掘机、大型吊车等液压系统。
使用温度在一30’C以上。
(2)HS低温液压油主要用于严寒地区上述各种设备。
使用温度为一30'C以下。
3)质量要求
(l)适宜的粘度。
(2)良好的极压抗磨性能。
(3)优良的低温性能,倾点较低,能保证工程机械或设备在寒区或严寒区环境下易于启动和正常运转。
(4)优良的粘温性能,粘度指数均在130以上,保证液压设备在温度变化幅度较大的情况下得到良好的润滑、冷却和密封。
(5)良好的抗乳化性和防锈性能。
(6)良好的氧化安定性、水解安定性和热稳定性能。
4)注意事项
(l)低温液压油是一种既具有抗磨又具有高低温性能的高级液压油,应注意合理使用。
(2)低温液压油不能用于有银部件的液压设备。
(3)HV油和HS油由于基础油组成不同,所以不能混装混用八以免影响使用性能。
其它注意事项同HM 液压油。