三元乙丙橡胶(EPDM)简介之欧阳光明创编
- 格式:doc
- 大小:21.51 KB
- 文档页数:12
三元乙丙橡胶三元乙丙橡胶防水卷材(简称EPDM卷材)系以三元乙丙橡胶掺入适量的丁基橡胶、硫化剂、促进剂、软化剂和补强剂等,经密炼、拉片过滤、挤出成型等工序加工而成。
由于三元乙丙橡胶分子结构中的主链上没有双键,因此,当其受到臭氧、紫外线、湿热的作用时,主键上不易发生断裂,所以它有优异的耐气候性,耐老化性,而且抗拉强度高、延伸率大,对基层伸缩或开裂的适应性强,价值,重量轻,使用温度范围宽(在-40~+80℃范围内可以长期使用),是一种高效防水材料。
它还可冷施工,操作简便,减少环境污染,改善工人的劳动条件。
本厂生产A型和B型两种卷材,A型是硫化型,B型是非硫化型。
各种工业、民用建筑物、构筑物的防水、防渗、各种地下工程的防水和非外漏部位的防水工程。
※施工工艺:1.屋面施工基层基本要求:A:基层需用1:2.5的水泥砂浆抺成20-30mm 厚的找平层,应抺平压光、坚实牢固、平整、不起沙,不得有凸凹、松动、鼓包、麻面等现象存在。
其平整度应用2m长直尺检查,找平层与直尺之间的空隙不得超过5mm. B: 找平层表面必须干燥,水泥沙浆应具有足够的强度,其含水率不超过9%。
C:找平层与突出屋面结构(女儿墙、烟囱等)的连接处及墙角处均应做成半径为20mm的圆弧形,落水口周围应做成略低的凹坑以便排水。
D:找平层的坡度及泛水应符合设计及有关规定要求。
2.工艺流程:清理基层附加层处理卷材表面涂胶基层表面涂胶卷材的粘结排气压实卷材末端收及封边处理做保护层3. 操作工艺:A:清扫基层:施工前验收合格的基层重新清殷干净。
B:附加层:阴阳角、管根、落水口等特殊部位必须先做附加层。
可采用聚氨酯涂布或用卷材铺一层。
C:基层及卷材表面涂胶:将卷材铺展在干净的基层上,用长把滚刷蘸(401或404)胶粘剂,在卷材上均匀地涂布,随后在基层上涂布施工,涂刷时不能在同一处多次反复涂刷,以免形成凝胶。
管根、落水口等特殊部位用板刷涂刷。
D:卷材与基层涂胶后,晾至粘结剂基本干燥后,一般以手不粘接,才能进行铺贴。
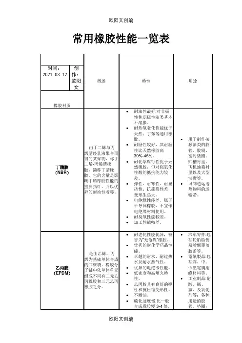
常用橡胶性能一览表由于具有优异的耐老化性能耐冲击性也较好,所以常用做胎侧。
EPDM三元乙丙胶三元乙丙橡胶是一种在乙烯和丙烯共聚物中引入了第三单体的高分子聚合物,产品性能及优点:超高分子量,高乙烯含量,可高度填充填充剂和油,易碎的性能缩短了混炼的时间.分子结构和特性三元乙丙是乙烯、丙烯和非共轭二烯烃的三元共聚物。
二烯烃具有特殊的结构,只有两键之一的才能共聚,不饱和的双键主要是作为交链处。
另一个不饱和的不会成为聚合物主链,只会成为边侧链。
三元乙丙的主要聚合物链是完全饱和的。
这个特性使得三元乙丙可以抵抗热,光,氧气,尤其是臭氧。
三元乙丙本质上是无极性的,对极性溶液和化学物具有抗性,吸水率低,具有良好的绝缘特性。
在三元乙丙生产过程中,通过改变三单体的数量,乙烯丙烯比,分子量及其分布以及硫化的方法可以调整其特性。
热塑性弹性体 (TPE)高刚性耐高温且保有低温的弯曲性,优异的耐化学品性,应用于管材、静音齿轮、电线被覆、发卷、自动收缩管线.TPE热塑性弹性体特性:1、材料有半透、高透明、白色、黑色供选择。
2、已通过ROHS、PAHs、FDA测试,等级测试。
3、材料环保无卤无毒无味,不含塑胶软化剂、磷苯二甲酸盐、重金属等化合物。
4、良好的减震性和防滑耐磨。
5、良好的抗紫外线及耐化学药品性。
6、广阔的硬度范围选择(邵氏0度-110度)。
可根据需求任意调整。
7、在—60度至135度的长期使用温度8、压缩变形及永久变形小9、卓越的抗动态疲劳性能10、极优的耐臭氧及耐候性能11、亮面、雾面均可,光滑的外观和舒适的橡胶柔软质感。
12、材料不含水分,无须干燥可直接使用,节约能源。
13、易于加工,着色。
水口料即边角料可百分百回收再利用,降低产品,且不影响产品物性。
14、它可以通过二次注塑成型,与PP、PE、PS、ABS、PC、PA 等基体材料包覆粘合,也可单独成形。
替代软质PVC部分硅橡胶。
TPE/TPR 之应用领域运动器材:手把类(高尔夫球、各种球拍、脚踏车、滑雪器材、滑水器材等),潜水器材(蛙鞋、蛙镜、呼吸管、手电筒等)、刹车块、运动护垫。
之阳早格格创做三元乙丙橡胶是乙烯、丙烯以及非共轭二烯烃的三元共散物,1963年启初商业化死产.每年齐天下的消耗量是80万吨.EPDM最主要的个性便是其劣良的耐氧化、抗臭氧战抗侵害的本领.由于三元乙丙橡胶属于散烯烃家属,它具备极佳的硫化个性.正在所有橡胶核心,EPDM具备最矮的比沉.它能吸支洪量的挖料战油而效率个性没有大.果此不妨创造成本矮廉的橡胶化合物. 分子结媾战个性三元乙丙是乙烯、丙烯战非共轭二烯烃的三元共散物.二烯烃具备特殊的结构,惟有二键之一的才搞共散,没有鼓战的单键主假如动做接链处.另一个没有鼓战的没有会成为散合物主链,只会成为边侧链.三元乙丙的主要散合物链是真足鼓战的.那个个性使得三元乙丙不妨抵挡热,光,氧气,更加是臭氧.三元乙丙真量上是无极性的,对于极性溶液战化教物具备抗性,吸火率矮,具备良佳的绝缘个性. 正在三元乙丙死产历程中,通过改变三单体的数量,乙烯丙烯比,分子量及其分散以及硫化的要领不妨安排其个性. EPDM第三单体的采用第三二烯烃典型的单体是通过乙烯战丙烯的共散,正在散合物中爆收没有鼓战,以便真止硫化.第三单体的采用必须谦脚以下央供:最多二键:一个可散合,一个可硫化反应类似于二种基础的单体主键随机散合爆收匀称分散脚够的挥收性,便于从散合物中与消最后散合物硫化速度符合二烯烃典型战含量对于散合物个性的效率三元乙丙死产中主假如用ENB战DCPD. 三元乙丙中最广大使用的是ENB,它比DCPD产品硫化要快得多.正在相共的散合条件下,第三单体的真量效率着少链支化,按以下程序递加:EPM<EPDM(ENB)<EPDM(DCPD)三元乙丙其余的受二烯烃第三单体效率的另有:ENB-赶快硫化,下推伸强度,矮永暂形变DCPD-防焦性,矮永暂应变,矮成本随着二烯烃第三单体的减少,将会有下列效率爆收:更快硫化率,更矮的压缩形变,下定伸,促进剂采用的百般性,缩小的防焦性战延展,更下的散合物成本. 乙烯丙烯比乙烯丙烯比不妨正在硫化阶段举止改变,商业的三元乙丙散合物乙烯丙烯比由80/20到50/50.当乙烯丙烯比由50/50变更到80/20时,正里的效率有:更下的压坯强度,更下的推伸强度,更下的结晶化,更矮的玻璃体转移温度,能将本资料散合物转移成丸状,以及更佳的挤出个性.短佳的效率便是短佳的压延混同性,较好的矮温个性,以及短佳的压缩形变.当丙烯比率更下时,佳处便是更佳的加工本能,更佳的矮温个性以及更佳的压缩形变等. 分子量战分子量分散弹性体的分子量通时常使用门僧粘度表示.正在三元乙丙的门僧粘度中,那些值是正在下温下得到的,常常为125℃,那样搞的主要本果是要消去由下乙烯含量所爆收的所有效率(结晶化),由此会掩盖散合物的真真分子量.三元乙丙的门僧粘度范畴正在20到100之间.也有更下分子量的商用三元乙丙也有死产,然而普遍皆充油,以便混炼. 分子量以及正在三元乙丙中的分散不妨正在散合历程中通过以下道路散合:催化剂以及共催化剂的典型战浓度温度改性剂,如氢的浓度三元乙丙的分子量分散不妨通过凝胶渗透色谱法使用二氯苯动做溶剂正在下温下(150℃)丈量而得.分子量分散常常被称为是沉量仄衡分子量与数量仄衡分子量的比率.根据一般战下度支化的结构,那个值正在2到5之间变更.由于有分键,含有DCPD的三元乙丙橡胶更宽的分子量分散.通过减少三元乙丙的分子量,正里效率有:更下的推伸战撕裂强度,正在下温情况下更下的死坯强度,不妨吸支更多的油战挖料(矮成本).随着分子量分散的减少,正里的效率有:减少的混炼战碾磨加工性.然而是,较窄的分子量分散不妨矫正硫化速度,硫化状态以及注塑止为. 硫化典型三元乙丙不妨利用有机过氧化物大概者硫去举止硫化.然而是,相比与硫磺硫化,过氧化物接链的三元乙丙用于电线电缆工业时具备更下的温度抗性,更矮的压缩形变以及矫正的硫化个性.过氧化物硫化的短佳的场合便正在于更下的成本. 正如前里所提到的,三元乙丙的接链速度战硫化时间随着硫化典型战含量而改变.当三元乙丙与丁基,天然橡胶,丁苯橡胶混同时,正在采用符合的三元乙丙产品时,必须要思量到下列果素:当与丁基举止混同时,由于丁基具备较矮的没有鼓战度,为符合丁基的硫化速度,最佳采用相对于较矮含量的DCPD 战ENB含量的三元乙丙. 当与天然橡胶战丁苯橡胶混同时,最佳采用8%到10%ENB含量的三元乙丙,以谦脚其硫化速度.三元乙丙橡胶(ethylene-Propylene terpolymer)是乙烯、丙烯战少量非共轭二烯烃的共散物,是乙丙橡胶的主要品种.它除脆持二元乙丙橡胶劣良的耐臭氧性、耐候性、耐热性等个性中.正在硫化速度、协共战硫化胶本能等圆里又没有真足共于二元乙丙橡胶. 1.基础协共战品量考验要领:三元乙丙橡胶的品量考验,除国际尺度化构造(ISO)战好国资料考查教会(ASTM)造定的三元乙丙橡胶硫化胶本能考验要领中,尔国战其余国家暂时尚无统一的国家级战部级乙丙橡胶品量尺度及考验要领,大普遍死产者均采与其公司大概厂家的企业考验要领战品量统造尺度. ISO战ASTM三元乙丙橡胶硫化胶本能考验要领三元乙丙橡胶100 氧化锌5 硫磺 1.5 硬脂酸 1.0 油炉法冰乌②80 ASTM103号油③50 促进剂TMTD1.0 促进剂M0.5 ① y=正在充油母炼胶中,每100份前提橡胶中油的份数. 如y大于50份,则配圆3没有正在加油. ②现止工业参比冰乌,可用NB378冰乌代替,其截止稍有分歧. ③ ASTM103号油个性:100℃时疏通粘度为16.8±1.2mm2/S,粘度比沉常数为0.889±0.002. ④适用于通用型三元乙丙橡胶. ⑤适用于乙烯含量大于67%的下死胶强度的压出类三元乙丙橡胶. ⑥适用于充油三元乙丙橡胶. 2混炼要领:ISO混炼要领有要领A战要领B二种. 要领A为启搁式混炼要领;要领B为稀炼机混炼,启炼机加硫化体系及下片的要领. ASATM用于考验三元乙丙橡胶的混炼要领有稀炼机法、微型稀炼机要领战启炼机要领三种要领.要领出处 ISO 4097—1980(E) ASTM D3568—81a一、结构个性乙丙橡胶系以乙烯战丙烯为前提单体合成的弹性体合成物.乙丙橡胶依分子链中单体单元组身分歧,有二元乙炳胶合三元乙丙胶之分.前者为乙烯战丙烯二种组分的共散物,后者为乙烯、丙烯战少量的第三单体(非共轭二烯听)的共散物. 乙丙橡胶分子链段的序列组成属散亚甲基型结构.按国际合成橡胶命名法,二元乙丙橡胶战三元乙丙橡胶分别定名为: EPM(ethylene propylene methylene) 战 EPDM ( ethyl-ene propylene diene methylene ) ; 二者统称为乙丙橡胶( ethylene propylene rubber, EPR ).二、品种牌号的区别(1)区别准则乙丙橡胶商品牌号的区别,主假如依据分子结构与物性闭系的基根源基本理.根据那个本理,分子量与分子量分散、组成与组身分散是决断物性的最要害的分子结构参数.汇集态结构也对于物性有要害效率.那些结构果素及其相互效率,使乙丙橡胶具备百般的本量,进而符合多圆里的应用.根据那种结构 - 物性 - 应用闭系,工业上造定出多种百般的商品牌号总计超出 200 种,其中各具个性、没有相沉复的牌号亦有 50 余种. (二)品种牌号的标记及其含意①、按单体单元组身分歧,有二元乙丙橡胶( EPM )战三元乙丙橡胶( EPDM )二大类,比圆, Dutral CO 战 Dutral TER 分属之.②、依第三单体种类分歧,三元乙丙橡胶有乙叉落龙脑烯型、单环戊二烯型 1 , 4- 已二烯型三大类,比圆, Dutral TER 054/E 、三井 EPT1045 战 Nordel 分属之.③、二元乙丙橡胶战三元乙丙橡胶各按分歧门僧粘度区别.比圆, Dutral CO 054 、 Dutral TER 048/ 的门僧粘度( ML 100 ℃ 1+4 )分别为 40 战 80 .④、二元乙丙橡胶战三元乙丙橡胶各按分歧分离丙烯(大概乙烯)含量区别.比圆, Dutral CO 034 战 Dutral TER 235/E2 的分离丙烯含量分别约为 30% 战 40% .⑤、共一典型三元乙丙橡胶按分歧第三单体含量(大概碘值)区别.比圆, Dutral TER054/E 、 Dutral TER/E2 战 Dutral TER 046/ 的第三单体含量分别为尺度值、 2 倍尺度值战 3 倍尺度值.⑥、二元乙丙橡胶战三元乙丙橡胶各有充油与可以及充油时分歧充油量之分.比圆, Dutral CO 054 、 Dutral CO 554P 、 Dutral TER 048/E 、 Dutral TER 535/E 的充油量分别为 0 、 50 、 0 战 50% ;后缀字母 P 表示石蜡系油品.⑦、特殊牌号:下乙烯含量结晶型牌号.比圆, JSR EP 912P 、 JSR EP 01P ,主要用于散烯烃树脂改性,后缀字母 P 表示橡胶为粉终状;组身分散匀称、矮分子量战窄分子量分散牌号.比圆, Dutral CO 043 ,主要用于润滑油改性.以上主要通过对于 Dutral 系列二元战三元乙丙橡胶品种牌号体例准则,证明白分类准则.其余商品牌号系列亦大共小同.由于以上分子结构的个性,正在本量应用中,往往进一步细分为通用型、易加工型、尺度硫化型、赶快硫化型、超赶快硫化型、下弥补型、余二烯烃橡胶并用型战散烯烃改性型等使用品级.。
三元乙丙橡胶材料在众多的橡胶材料中,三元乙丙橡胶(EPDM)以其独特的性能和广泛的应用领域,成为了材料界的一颗璀璨明星。
对于大多数人来说,可能对这种材料并不十分熟悉,但它却在我们的日常生活和众多工业领域中发挥着重要的作用。
三元乙丙橡胶是乙烯、丙烯以及非共轭二烯烃的三元共聚物。
这种独特的化学组成赋予了它一系列优异的性能。
首先,它具有出色的耐老化性能。
无论是暴露在阳光、氧气还是各种恶劣的气候条件下,三元乙丙橡胶都能保持相对稳定的性能,不易出现龟裂、硬化等老化现象。
这使得它在户外用品、汽车零部件等长期暴露于外界环境的应用中表现出色。
在耐热性能方面,三元乙丙橡胶也有着不俗的表现。
它能够在较高的温度下保持良好的弹性和物理性能,这使得它在一些高温环境下的密封件、管道等应用中成为首选材料。
同时,三元乙丙橡胶还具有良好的耐低温性能,在极低的温度下仍能保持一定的柔韧性,不会轻易脆化断裂。
三元乙丙橡胶的电绝缘性能也值得一提。
这使得它在电气领域得到了广泛的应用,如电线电缆的绝缘层等。
其良好的电绝缘性能能够有效地保障电气设备的安全运行。
从物理性能来看,三元乙丙橡胶具有较高的拉伸强度和扯断伸长率,这意味着它在承受外力拉伸时不易断裂,具有较好的柔韧性和弹性回复能力。
同时,它还具有较低的压缩永久变形,这对于需要长期承受压力的密封件等产品来说是非常重要的性能指标。
在耐化学腐蚀性方面,三元乙丙橡胶能够抵抗多种化学物质的侵蚀,如酸、碱、盐等。
这使得它在化工、石油等领域的管道、储罐密封等方面得到了广泛的应用。
由于三元乙丙橡胶的这些优异性能,它在众多领域都有着广泛的应用。
在汽车工业中,三元乙丙橡胶常用于制造汽车门窗密封条、散热器胶管、减震部件等。
其良好的密封性能和耐老化性能能够有效地提高汽车的整体性能和使用寿命。
在建筑领域,三元乙丙橡胶制成的防水卷材被广泛应用于建筑物的屋面和地下室防水工程。
其优异的耐候性和耐水性能够确保建筑物在长期的使用过程中不受雨水侵蚀。
三元乙丙橡胶是乙烯、丙烯以及非共轭二烯烃的三元共聚物,1963年开始商业化生产。
每年全世界的消费量是80万吨。
EPDM最主要的特性就是其优越的耐氧化、抗臭氧和抗侵蚀的能力。
由于三元乙丙橡胶属于聚烯烃家族,它具有极好的硫化特性。
在所有橡胶当中,EPDM具有最低的比重。
它能吸收大量的填料和油而影响特性不大。
因此可以制作成本低廉的橡胶化合物。
分子结构和特性三元乙丙是乙烯、丙烯和非共轭二烯烃的三元共聚物。
二烯烃具有特殊的结构,只有两键之一的才能共聚,不饱和的双键主要是作为交链处。
另一个不饱和的不会成为聚合物主链,只会成为边侧链。
三元乙丙的主要聚合物链是完全饱和的。
这个特性使得三元乙丙可以抵抗热,光,氧气,尤其是臭氧。
三元乙丙本质上是无极性的,对极性溶液和化学物具有抗性,吸水率低,具有良好的绝缘特性。
在三元乙丙生产过程中,通过改变三单体的数量,乙烯丙烯比,分子量及其分布以及硫化的方法可以调整其特性。
EPDM第三单体的选择第三二烯烃类型的单体是通过乙烯和丙烯的共聚,在聚合物中产生不饱和,以便实现硫化。
第三单体的选择必须满足以下要求:最多两键:一个可聚合,一个可硫化反应类似于两种基本的单体主键随机聚合产生均匀分布足够的挥发性,便于从聚合物中除去最终聚合物硫化速度合适二烯烃类型和含量对聚合物特性的影响三元乙丙生产中主要是用ENB和DCPD。
三元乙丙中最广泛使用的是ENB,它比DCPD产品硫化要快得多。
在相同的聚合条件下,第三单体的本质影响着长链支化,按以下顺序递增:EPM<EPDM(ENB)<EPDM( DCPD)三元乙丙其他的受二烯烃第三单体影响的还有:ENB-快速硫化,高拉伸强度,低永久形变DCPD-防焦性,低永久应变,低成本随着二烯烃第三单体的增加,将会有下列影响发生:更快硫化率,更低的压缩形变,高定伸,促进剂选择的多样性,减少的防焦性和延展,更高的聚合物成本。
乙烯丙烯比乙烯丙烯比可以在硫化阶段进行改变,商业的三元乙丙聚合物乙烯丙烯比由80/20到50/50。
三元乙丙橡胶(EPDM)特点,性能参数与加工三元乙丙橡胶(EPDM)特点,性能参数与加工三元乙丙橡胶是乙烯、丙烯以及非共轭二烯烃的三元共聚物,1963年开始商业化生产。
每年全世界的消费量是80万吨。
EPDM最主要的特性就是其优越的耐氧化、抗臭氧和抗侵蚀的能力。
由于三元乙丙橡胶属于聚烯烃家族,它具有极好的硫化特性。
在所有橡胶当中,EPDM具有最低的比重。
它能吸收大量的填料和油而影响特性不大。
因此可以制作成本低廉的橡胶化合物。
(注:EPDM中文名:三元乙丙橡胶)三元乙丙橡胶的性能与优点三元乙丙橡胶主链由化学性稳定的饱和烃组成,仅在侧链中含不饱和双键,故基本上属于种饱和型橡胶。
由于分子结构内无极性取代基,分子间内聚能低,故分子链可在较宽的温度范围内保持柔顺性。
乙丙橡胶的化学结构使其硫化制品具有独特的性能。
1、低密度高填充性:三元乙丙橡胶是一种密度较低的橡胶,其密度为0.87。
加之可大量充油和加入填充剂,因而可降低橡胶制品的成本,弥补了三元乙丙橡胶生胶价格高的缺点,并且对高门尼值的三元乙丙橡胶来说,高填充后物理机械性能降低幅度不大。
2、耐老化性:乙丙橡胶有优异的耐天候、耐臭氧、耐热、耐酸碱、耐水蒸汽、颜色稳定性、电性能、充油性及常温流动性。
三元乙丙橡胶制品在120 ℃下可长期使用,在150~200。
C下可短暂或间歇使用。
加入适宜防老剂可提高其使用温度。
用过氧化物交联的三元乙丙橡胶可在更苛刻的条件下使用。
三元乙丙橡胶在臭氧浓度50×10~,拉伸30%,可达1 50 h以上不龟裂。
3、耐腐蚀性:由于乙丙橡胶缺乏极性,不饱和度低,因而对各种极性化学品如醇、酸、碱、氧化剂、制冷剂、洗涤剂、动植物油、酮和脂等均有较好的抗耐性;但在脂属和芳属溶剂(如汽油、苯等及矿物油中稳定性较差。
在浓酸长期作用下性能也要下降。
在ISO/TR7620中汇集了近400种具有腐蚀性的气态和液态化学品对各种橡胶性能作用的资料。
刘乙丙橡胶作用程度为1级的化学品有80多种,在此不一一列举。
三元乙丙橡胶及EPDM冷缩管简介
三元乙丙橡胶(英文名:Ethylene-Propylene-Diene Monomer,以下简称EPDM)是乙烯、丙烯以及非共轭二烯烃的三元共聚物。
EPDM橡胶具有优异的机械性能、耐刺扎性和高抗撕裂性能,耐天候、耐紫外线、耐臭氧老化、耐酸碱、耐盐雾腐蚀,耐高低温可达-55℃~+150℃。
在所有橡胶当中,EPDM橡胶具有最低的比重。
它能吸收大量的填料和油而影响特性不大。
这些特性使得EPDM成为一种具有多元化应用的橡胶品种,被广泛应用于制造密封条、软管、轮胎侧壁、车顶薄膜、导线和电缆绝缘层、防水材料以及中低压电缆附件等。
沃尔兴EPDM冷缩管采用优质EPDM橡胶原料制成,具有优异的耐天候、耐酸碱性能,可达到同呼吸密封的效果,是通讯电缆、同轴电缆、中低压电力电缆的理想密封产品。
沃尔兴EPDM橡胶冷缩管的特点:
1、强度高,耐刺扎、耐磨性能优良;
2、耐老化性能优异:长期使用不发硬、不发脆,耐天候、耐紫外线、耐臭氧老化性能更优;
3、耐高低温性能优良:使用温度可达-55℃~+150℃;
4、耐油、耐化学溶剂、耐酸碱性能优异;
4、优良的弹性,保障了扩张倍率高,可达3倍甚至以上。
扩张倍率越大,径向收缩力就越大,密封、防水、防潮性能越好;
5、耐水蒸气和过热水性能优异,吸水性小。
三元乙丙橡胶三元乙丙橡胶是乙烯、丙烯和少量的非共轭二烯烃的共聚物,是乙丙橡胶的一种,以EPDM(Ethylene Propylene Diene Monomer)表示,因其主链是由化学稳定的饱和烃组成,只在侧链中含有不饱和双键,故其耐臭氧、耐热、耐候等耐老化性能优异,可广泛用于汽车部件、建筑用防水材料、电线电缆护套、耐热胶管、胶带、汽车密封件等领域。
三元乙丙是乙烯、丙烯和非共轭二烯烃的三元共聚物。
二烯烃具有特殊的结构,只有两键之一的才能共聚,不饱和的双键主要是作为交链处。
另一个不饱和的不会成为聚合物主链,只会成为边侧链。
三元乙丙的主要聚合物链是完全饱和的。
这个特性使得三元乙丙可以抵抗热,光,氧气,尤其是臭氧。
三元乙丙本质上是无极性的,对极性溶液和化学物具有抗性,吸水率低,具有良好的绝缘特性。
在三元乙丙生产过程中,通过改变三单体的数量,乙烯丙烯比,分子量及其分布以及硫化的方法可以调整其特性。
EPDM第三单体的选择:第三二烯烃类型的单体是通过乙烯和丙烯的共聚,在聚合物中产生不饱和,以便实现硫化。
第三单体的选择必须满足以下要求:(1)最多两键,一个可聚合,一个可硫化(2)反应类似于两种基本的单体(3)主键随机聚合产生均匀分布(4)足够的挥发性,便于从聚合物中除去(5)最终聚合物硫化速度合适目前工业化生产三元乙丙橡胶用第三单体只有如下三种:乙叉降冰片烯(ENB)双环戊二烯(DCPD)1,4-己二烯(HD)CH3-CH=CH-CH2-CH=CH2(此种单体目前只有美国Du Pont公司一家使用)二烯烃类型和含量对聚合物特性的影响三元乙丙生产中主要是用ENB和DCPD。
三元乙丙中最广泛使用的是ENB,它比DCPD产品硫化要快得多。
在相同的聚合条件下,第三单体的本质影响着长链支化,按以下顺序递增:EPM<EPDM(ENB)<EPDM(DCPD)。
三元乙丙其他的受二烯烃第三单体影响的还有:ENB-快速硫化,高拉伸强度,低永久形变DCPD-防焦性,低永久应变,低成本随着二烯烃第三单体的增加,将会有下列影响发生:更快硫化率,更低的压缩形变,高定伸,促进剂选择的多样性,减少的防焦性和延展,更高的聚合物成本。
三元乙丙橡胶EPDM简介橡胶是一种具有高弹性的材料,在我们的日常生活和工业生产中都有着广泛的应用。
其中,三元乙丙橡胶(EPDM)作为一种重要的合成橡胶,以其独特的性能和特点,在众多领域发挥着不可或缺的作用。
三元乙丙橡胶是乙烯、丙烯以及非共轭二烯烃的三元共聚物。
这种独特的化学组成赋予了它一系列优异的性能。
首先,从物理性能方面来看,EPDM 具有良好的耐老化性能。
无论是暴露在阳光、氧气、臭氧等环境中,还是在高温、低温等极端条件下,它都能保持相对稳定的性能,不易出现龟裂、硬化等老化现象。
这使得它在长期使用的场合,如户外建筑密封、汽车零部件等领域,具有明显的优势。
其次,EPDM 的耐化学腐蚀性也相当出色。
它能够抵抗酸、碱、盐等多种化学物质的侵蚀,这使得它在化工管道、储罐衬里等需要接触化学介质的场合得到广泛应用。
在机械性能方面,EPDM 具有较高的拉伸强度和扯断伸长率,同时还具备良好的回弹性。
这意味着它在承受外力作用时,不容易断裂,而且在变形后能够迅速恢复原状。
三元乙丙橡胶的电绝缘性能也非常优秀,这使得它在电线电缆的绝缘层等电气领域有着重要的应用。
此外,EPDM 还具有良好的透气性和吸水性低的特点。
透气性好这一特性在某些特定的应用中,如透气薄膜等方面具有优势;而吸水性低则保证了其在潮湿环境下仍能保持良好的性能。
由于三元乙丙橡胶具有上述众多优异的性能,因此它被广泛应用于多个领域。
在汽车工业中,EPDM 常用于制造汽车门窗密封条、散热器胶管、减震部件等。
汽车门窗密封条需要具备良好的密封性能和耐老化性能,以保证车内环境的安静和舒适;散热器胶管则需要能够承受高温和压力,同时具有良好的耐腐蚀性;减震部件则要求材料具有良好的弹性和耐磨性。
在建筑领域,EPDM 被用于制造防水卷材、门窗密封胶条、屋顶防水材料等。
防水卷材和屋顶防水材料需要具备优异的耐候性和防水性能,以保证建筑物的长期防水效果;门窗密封胶条则需要能够有效地阻挡空气和水分的渗透,提高建筑物的节能性能。
三元乙丙橡胶EPDM简介在众多的橡胶材料中,三元乙丙橡胶(EPDM)以其独特的性能和广泛的应用领域,成为了橡胶家族中的一颗璀璨明星。
三元乙丙橡胶是乙烯、丙烯以及非共轭二烯烃的三元共聚物。
这三种单体的结合赋予了 EPDM 许多优异的特性。
首先,从物理性能方面来看,EPDM 具有出色的耐老化性能。
它能够在长时间的使用过程中,抵抗紫外线、氧气、臭氧等因素的侵蚀,保持良好的性能和外观。
这使得它在户外应用中表现出色,比如用于制造汽车的门窗密封条、建筑的防水卷材等,长时间暴露在外界环境中也不易出现龟裂和老化现象。
EPDM 的耐高低温性能也十分突出。
它可以在很宽的温度范围内保持良好的弹性和物理性能。
在低温环境下,EPDM 不会变得脆硬,仍能保持一定的柔韧性;而在高温环境下,也不会轻易软化变形。
这种特性使得它在极端温度条件下的应用成为可能,例如在航空航天领域的密封件、汽车发动机周边的部件等。
在化学性能方面,EPDM 具有良好的耐化学腐蚀性。
它能够抵抗酸、碱、盐等多种化学物质的侵蚀,这使得它在化工行业中得到广泛应用,如制作化工管道的密封件、储罐的衬里等。
EPDM 的电绝缘性能也颇为优秀。
这使得它在电气领域有着用武之地,如电线电缆的绝缘护套等。
从加工性能上来说,EPDM 易于混炼和硫化,能够满足各种复杂的加工工艺要求。
它可以通过挤出、注塑、压延等多种方式进行加工,制成各种形状和尺寸的制品。
在实际应用中,EPDM 被广泛用于汽车工业。
汽车的门窗密封条、雨刮器、散热器胶管等部件常常采用 EPDM 材料,因为它能够提供良好的密封性能和耐久性,保障汽车的正常运行和舒适性。
在建筑领域,EPDM 常用于屋顶防水卷材。
其优异的耐候性和防水性能,能够有效保护建筑物免受雨水的侵蚀,延长建筑物的使用寿命。
在电气行业,EPDM 制成的电线电缆绝缘护套,能够保证电力的安全传输,同时具有良好的耐老化和耐腐蚀性。
在医疗领域,由于 EPDM 具有良好的生物相容性和化学稳定性,也被用于一些医疗器械的制造,如输液管、密封件等。
三元乙丙橡胶(EPDM)特点是什么三元乙丙橡胶(EPDM)特点,性能参数与加工三元乙丙橡胶是乙烯、丙烯以及非共轭二烯烃的三元共聚物,1963年开始商业化生产。
每年全世界的消费量是80万吨。
EPDM最主要的特性就是其优越的耐氧化、抗臭氧和抗侵蚀的能力。
由于三元乙丙橡胶属于聚烯烃家族,它具有极好的硫化特性。
在所有橡胶当中,EPDM具有最低的比重。
它能吸收大量的填料和油而影响特性不大。
因此可以制作成本低廉的橡胶化合物。
(注:EPDM中文名:三元乙丙橡胶)三元乙丙橡胶的性能与优点三元乙丙橡胶主链由化学性稳定的饱和烃组成,仅在侧链中含不饱和双键,故基本上属于种饱和型橡胶。
由于分子结构内无极性取代基,分子间内聚能低,故分子链可在较宽的温度范围内保持柔顺性。
乙丙橡胶的化学结构使其硫化制品具有独特的性能。
1、低密度高填充性:三元乙丙橡胶是一种密度较低的橡胶,其密度为0.87。
加之可大量充油和加入填充剂,因而可降低橡胶制品的成本,弥补了三元乙丙橡胶生胶价格高的缺点,并且对高门尼值的三元乙丙橡胶来说,高填充后物理机械性能降低幅度不大。
2、耐老化性:乙丙橡胶有优异的耐天候、耐臭氧、耐热、耐酸碱、耐水蒸汽、颜色稳定性、电性能、充油性及常温流动性。
三元乙丙橡胶制品在120 ℃下可长期使用,在150~200。
C下可短暂或间歇使用。
加入适宜防老剂可提高其使用温度。
用过氧化物交联的三元乙丙橡胶可在更苛刻的条件下使用。
三元乙丙橡胶在臭氧浓度50×10~,拉伸30%,可达1 50 h以上不龟裂。
3、耐腐蚀性:由于乙丙橡胶缺乏极性,不饱和度低,因而对各种极性化学品如醇、酸、碱、氧化剂、制冷剂、洗涤剂、动植物油、酮和脂等均有较好的抗耐性;但在脂属和芳属溶剂(如汽油、苯等及矿物油中稳定性较差。
在浓酸长期作用下性能也要下降。
在ISO/TR7620中汇集了近400种具有腐蚀性的气态和液态化学品对各种橡胶性能作用的资料。
刘乙丙橡胶作用程度为1级的化学品有80多种,在此不一一列举。
三元乙丙橡胶简介一、引言橡胶是一种重要的工业原料,在各种工业领域中都有广泛的应用。
而三元乙丙橡胶(EPDM)作为一种特殊类型的橡胶,具有出色的性能和广泛的应用领域。
本文将对三元乙丙橡胶进行详细介绍,并分析其性能、制备方法以及应用领域等方面的内容。
二、三元乙丙橡胶的性能1.良好的耐热性:三元乙丙橡胶的耐热性能非常出色,在高温条件下仍然能够保持相对稳定的性能。
它的玻璃化转变温度较高,通常在-50℃至150℃之间。
2.优异的耐候性:三元乙丙橡胶具有出色的耐候性能,可以长时间抵御阳光、氧气和其他自然环境因素的侵蚀。
在户外环境中,它能够保持良好的性能和外观。
3.优良的化学稳定性:三元乙丙橡胶在常规工业化学品的作用下表现出很好的稳定性。
例如,它对酸、碱和不同种类的溶剂都具有较高的耐受性。
4.优秀的电绝缘性能:作为一种电绝缘材料,三元乙丙橡胶能够有效地阻断电流的流动,具有良好的绝缘性能。
三、三元乙丙橡胶的制备方法在制备过程中,需要注意以下关键因素:1.催化剂选择:催化剂的选择对于反应的结果至关重要。
一般采用钽酸盐类、离子催化剂或氧化锌等进行催化,以保证合成反应的高效性和选择性。
2.反应条件控制:反应温度、反应时间以及反应物质的比例等因素对于合成反应的效果具有重要影响。
合理控制这些因素能够使得合成的三元乙丙橡胶具有更好的性能。
3.高分子结构调控:通过控制聚合过程中的反应条件和添加剂等手段,可以调控三元乙丙橡胶分子链的结构,从而改变其物理性能和应用特性。
四、三元乙丙橡胶的应用领域由于其优异的性能,三元乙丙橡胶在各个领域中都有广泛的应用。
1.汽车制造:三元乙丙橡胶被广泛应用于汽车制造行业,例如制作汽车密封件、防水条和隔音材料等。
其耐热、耐候和耐化学品的性能使其成为理想的汽车材料。
2.建筑行业:由于其良好的耐候性和耐化学性,三元乙丙橡胶在建筑行业中用于制作防水层、防水卷材和防水胶等。
3.电力行业:三元乙丙橡胶的优异电绝缘性能使其成为电力行业中重要的绝缘材料。
三元乙丙橡胶性能简介核心提示:三元乙丙橡胶(EPDM)耐臭氧性、耐热性、耐候性、低温柔软性较好,可用于耐臭氧、耐候、耐紫外线场合,但基于自身的结构特点,其阻燃性、耐油性和粘结性较差。
这种橡胶均具有主链饱和结构,可共混,性能上可取长补短。
三元乙丙橡胶(EPDM)耐臭氧性、耐热性、耐候性、低温柔软性较好,可用于耐臭氧、耐候、耐紫外线场合,但基于自身的结构特点,其阻燃性、耐油性和粘结性较差。
这种橡胶均具有主链饱和结构,可共混,性能上可取长补短。
三元乙丙橡胶主链由化学性稳定的饱和烃组成,仅在侧链中含不饱和双键,故基本上属于种饱和型橡胶。
由于分子结构内无极性取代基,分子间内聚能低,故分子链可在较宽的温度范围内保持柔顺性。
乙丙橡胶的化学结构使其硫化制品具有独特的性能。
1 低密度高填充性:三元乙丙橡胶是一种密度较低的橡胶,其密度为0.8 7。
加之可大量充油和加入填充剂,因而可降低橡胶制品的成本,弥补了三元乙丙橡胶生胶价格高的缺点,并且对高门尼值的三元乙丙橡胶来说,高填充后物理机械性能降低幅度不大。
2 耐老化性:乙丙橡胶有优异的耐天候、耐臭氧、耐热、耐酸碱、耐水蒸汽、颜色稳定性、电性能、充油性及常温流动性。
三元乙丙橡胶制品在1 20 ℃下可长期使用,在1 50~200 。
C下可短暂或间歇使用。
加入适宜防老剂可提高其使用温度。
用过氧化物交联的三元乙丙橡胶可在更苛刻的条件下使用。
三元乙丙橡胶在臭氧浓度50×10~,拉伸30% ,可达1 50 h以上不龟裂。
3 耐腐蚀性:由于乙丙橡胶缺乏极性,不饱和度低,因而对各种极性化学品如醇、酸、碱、氧化剂、制冷剂、洗涤剂、动植物油、酮和脂等均有较好的抗耐性;但在脂属和芳属溶剂(如汽油、苯等及矿物油中稳定性较差。
在浓酸长期作用下性能也要下降。
在ISO/TR7620中汇集了近400种具有腐蚀性的气态和液态化学品对各种橡胶性能作用的资料。
刘乙丙橡胶作用程度为1级的化学品有80多种,在此不一~列举。
三元乙丙橡膠(EPDM)簡介三元乙丙橡膠是乙烯、丙烯以及非共軛二烯烴的三元共聚物,1963年開始商業化生產。
每年全世界的消費量是80萬噸。
EPDM最主要的特性就是其優越的耐氧化、抗臭氧和抗侵蝕的能力。
由於三元乙丙橡膠屬於聚烯烴家族,它具有極好的硫化特性。
在所有橡膠當中,EPDM具有最低的比重。
它能吸收大量的填料和油而影響特性不大。
因此可以製作成本低廉的橡膠化合物。
分子結構和特性三元乙丙是乙烯、丙烯和非共軛二烯烴的三元共聚物。
二烯烴具有特殊的結構,只有兩鍵之一的才能共聚,不飽和的雙鍵主要是作為交鏈處。
另一個不飽和的不會成為聚合物主鏈,只會成為邊側鏈。
三元乙丙的主要聚合物鏈是完全飽和的。
這個特性使得三元乙丙可以抵抗熱,光,氧氣,尤其是臭氧。
三元乙丙本質上是無極性的,對極性溶液和化學物具有抗性,吸水率低,具有良好的絕緣特性。
在三元乙丙生產過程中,通過改變三單體的數量,乙烯丙烯比,分子量及其分佈以及硫化的方法可以調整其特性。
EPDM第三單體的選擇第三二烯烴類型的單體是通過乙烯和丙烯的共聚,在聚合物中產生不飽和,以便實現硫化。
第三單體的選擇必須滿足以下要求:最多兩鍵:一個可聚合,一個可硫化反應類似於兩種基本的單體主鍵隨機聚合產生均勻分佈足夠的揮發性,便於從聚合物中除去最終聚合物硫化速度合適二烯烴類型和含量對聚合物特性的影響三元乙丙生產中主要是用ENB和DCPD。
三元乙丙中最廣泛使用的是ENB,它比DCPD產品硫化要快得多。
在相同的聚合條件下,第三單體的本質影響著長鏈支化,按以下順序遞增:EPM<EPDM(ENB)<EPDM(DCPD)三元乙丙其他的受二烯烴第三單體影響的還有:ENB-快速硫化,高拉伸強度,低永久形變DCPD-防焦性,低永久應變,低成本隨著二烯烴第三單體的增加,將會有下列影響發生:更快硫化率,更低的壓縮形變,高定伸,促進劑選擇的多樣性,減少的防焦性和延展,更高的聚合物成本。
乙烯丙烯比乙烯丙烯比可以在硫化階段進行改變,商業的三元乙丙聚合物乙烯丙烯比由80/20到50/50。
EPDM橡胶:学名三元乙丙橡胶三元乙丙橡胶是乙烯、丙烯和少量的非共轭二烯烃的共聚物,是乙丙橡胶的一种,以EPDM(Ethylene Propylene Diene Monomer)表示,因其主链是由化学稳定的饱和烃组成,只在侧链中含有不饱和双键,故其耐臭氧、耐热、耐候等耐老化性能优异,可广泛用于汽车部件、建筑用防水材料、电线电缆护套、耐热胶管、胶带、汽车密封件等领域。
简介三元乙丙橡胶是乙烯、丙烯以及非共轭二烯烃的三元共聚物,1963年开始商业化生产。
每年全世界的消费量是80万吨。
EPDM最主要的特性就是其优越的耐氧化、抗臭氧和抗侵蚀的能力。
由于三元乙丙橡胶属于聚烯烃(PO)家族,它具有极好的硫化特性。
在所有橡胶当中,EPDM具有最低的比重,能吸收大量的填料和油而对特性影响不大,因此可以制作成本低廉的橡胶化合物。
分子结构和特性三元乙丙是乙烯、丙烯和非共轭二烯烃的三元共聚物。
二烯烃具有特殊的结构,只有两键之一的才能共聚,不饱和的双键主要是作为交链处。
另一个不饱和的不会成为聚合物主链,只会成为边侧链。
三元乙丙的主要聚合物链是完全饱和的。
这个特性使得三元乙丙可以抵抗热,光,氧气,尤其是臭氧。
三元乙丙本质上是无极性的,对极性溶液和化学物具有抗性,吸水率低,具有良好的绝缘特性。
在三元乙丙生产过程中,通过改变三单体的数量,乙烯丙烯比,分子量及其分布以及硫化的方法可以调整其特性。
EPDM的功能: EPDM具有卓越的耐环境老化、耐热老化性、耐臭氧性、耐化学介质性、耐水性和耐低温性,并且有良好的电绝缘性和弹性,以及优异的色彩稳定性,制品颜色经久不变。
是由表层EPDM彩色橡胶层与黑色橡胶缓冲层组成,各种颜色可搭配,可随意铺不同的颜色或单种颜色,特别适合于幼儿园,满足幼儿心理特点,还可直接铺在混凝土面层上,与传统的聚胺酯跑道相比可节省大量材料成本。
一、三元乙丙橡胶的介绍:乙丙橡胶(EPM\\EPDM):乙烯和丙烯的共聚体,一般分为二元乙丙橡胶和三元乙丙橡胶。
特点是抗臭氧、耐紫外线、耐天候性和耐老化性优异,居通用橡胶之首。
电绝缘性、耐化学性、冲击弹性很好,耐酸碱,比重小,可进行高填充配合。
耐热可达150℃,耐极性溶剂-酮、酯等,但不耐脂肪烃和芳香烃,其他物理机械性能略次于天然橡胶而优于丁苯橡胶。
缺点是自粘性和互粘性很差,不易粘合。
使用温度范围:约-50℃~+150℃。
主要用作化工设备衬里、电线电缆包皮、蒸汽胶管、耐热运输带、汽车用橡胶制品及其他工业制品。
二、二、三元乙丙橡胶的使用特性:EPDM三元乙丙橡胶高分子发泡材料种类繁多,性能各异,用途及其广泛,现有的发泡材料分为闭孔发泡材料和开孔发泡材料两大类。
闭孔发泡材料内部泡孔与泡孔之间有壁膜隔开,不互相连通,为独立泡孔结构。
并且主要为较小的泡孔状或及其细小的微孔。
开孔发泡材料内部泡孔与泡孔之间相互连通,与外表皮也连通,为非独立泡孔结构,主要为较大的泡孔或粗孔。
根据材料表现出的不同特性,主要归纳为以下几个方面:1)保温特性:由于发泡材料内部含有大量空气或其它气体,并不宜流通,特别是闭孔发泡材料,具有完全隔开的独立泡孔,材料能明显减缓对热的传导,具有极低的导热系数,更结合材料本身的柔软性,和良好的回弹性,可以成为中央空调管道,建筑,化工管道,道路施工等理想的保温材料;2)低吸水性:对于闭孔发泡材料而言,相互隔开的泡孔,再结合所选取橡胶或塑胶材料的疏水特性,发泡材料能防止水气渗透,能成为理想的密封材料.3)缓冲特性:橡胶本身以高弹性而著称,在橡胶被加工成发泡材料后,仍保持适度的加回弹特性,这种材料非常适合用作缓冲材料,或防震材料.4)耐温性:三元乙丙胶(EPDM)本身具有优越的耐温和耐候性,可以在摄氏-60度和+150度的很大温度范围内使用,我们将他加工成发泡材料后,同样具备了这些特性,可以使用在汽车,列车或空调内部作为配套材料.5)耐燃性:有些橡胶,(如氯丁胶CR)具有较强的阻燃性,我们将这些材料加工发泡后,由于2其阻燃性能优越,可以用于防火要求较高的领域,6)吸音性:众所周知,声波是以振动的方式在空气中传播的,当声波遇到多孔材料时,振动向材料内部传递,与复杂的内部泡孔磨擦,受到阻碍,能量被衰减,因此声波会减弱,表现出材料对声波的吸收作用.开孔发泡材料下是由于有此独特功能,而又具备其它材料所不具备柔软性,阻燃性和耐老化性,成为新型的吸音材料.三、我公司简介:上海晶克实业有限公司于2002年在上海开始投资生产,旗下子公司有上海钟田橡塑制品有限公司.本公司拥有先进的机械加工设备和生产设备,凭精湛技术实力开创市场的需求,得到广大客户的信任与支持。
三元乙丙橡胶是乙烯、丙烯以及非共轭二烯烃的三元共聚物,1963年开始商业化生产。
每年全世界的消费量是80万吨。
EPDM最主要的特性就是其优越的耐氧化、抗臭氧和抗侵蚀的能力。
由于三元乙丙橡胶属于聚烯烃家族,它具有极好的硫化特性。
在所有橡胶当中,EPDM具有最低的比重。
它能吸收大量的填料和油而影响特性不大。
因此可以制作成本低廉的橡胶化合物。
分子结构和特性三元乙丙是乙烯、丙烯和非共轭二烯烃的三元共聚物。
二烯烃具有特殊的结构,只有两键之一的才能共聚,不饱和的双键主要是作为交链处。
另一个不饱和的不会成为聚合物主链,只会成为边侧链。
三元乙丙的主要聚合物链是完全饱和的。
这个特性使得三元乙丙可以抵抗热,光,氧气,尤其是臭氧。
三元乙丙本质上是无极性的,对极性溶液和化学物具有抗性,吸水率低,具有良好的绝缘特性。
在三元乙丙生产过程中,通过改变三单体的数量,乙烯丙烯比,分子量及其分布以及硫化的方法可以调整其特性。
EPDM第三单体的选择第三二烯烃类型的单体是通过乙烯和丙烯的共聚,在聚合物中产生不饱和,以便实现硫化。
第三单体的选择必须满足以下要求:最多两键:一个可聚合,一个可硫化反应类似于两种基本的单体主键随机聚合产生均匀分布足够的挥发性,便于从聚合物中除去最终聚合物硫化速度合适二烯烃类型和含量对聚合物特性的影响三元乙丙生产中主要是用ENB和DCPD。
三元乙丙中最广泛使用的是ENB,它比DCPD产品硫化要快得多。
在相同的聚合条件下,第三单体的本质影响着长链支化,按以下顺序递增:EPM<EPDM(ENB)<EPDM(DCPD) 三元乙丙其他的受二烯烃第三单体影响的还有:ENB-快速硫化,高拉伸强度,低永久形变DCPD-防焦性,低永久应变,低成本随着二烯烃第三单体的增加,将会有下列影响发生:更快硫化率,更低的压缩形变,高定伸,促进剂选择的多样性,减少的防焦性和延展,更高的聚合物成本。
乙烯丙烯比乙烯丙烯比可以在硫化阶段进行改变,商业的三元乙丙聚合物乙烯丙烯比由80/20到50/50。
当乙烯丙烯比由50/50变化到80/20时,正面的影响有:更高的压坯强度,更高的拉伸强度,更高的结晶化,更低的玻璃体转化温度,能将原材料聚合物转化成丸状,以及更好的挤出特性。
不好的影响就是不好的压延混合性,较差的低温特性,以及不好的压缩形变。
当丙烯比例更高时,好处就是更好的加工性能,更好的低温特性以及更好的压缩形变等。
分子量和分子量分布弹性体的分子量通常用门尼粘度表示。
在三元乙丙的门尼粘度中,这些值是在高温下得到的,通常为125℃,这样做的主要原因是要消去由高乙烯含量所产生的任何影响(结晶化),由此会掩盖聚合物的真正分子量。
三元乙丙的门尼粘度范围在20到100之间。
也有更高分子量的商用三元乙丙也有生产,但一般都充油,以便混炼。
分子量以及在三元乙丙中的分布可以在聚合过程中通过以下途径聚合:催化剂以及共催化剂的类型和浓度温度改性剂,如氢的浓度三元乙丙的分子量分布可以通过凝胶渗透色谱法使用二氯苯作为溶剂在高温下(150℃)测量而得。
分子量分布通常被称为是重量平均分子量与数量平均分子量的比例。
根据普通和高度支化的结构,这个值在2到5之间变化。
由于有分键,含有DCPD 的三元乙丙橡胶更宽的分子量分布。
通过增加三元乙丙的分子量,正面影响有:更高的拉伸和撕裂强度,在高温情况下更高的生坯强度,能够吸收更多的油和填料(低成本)。
随着分子量分布的增加,正面的影响有:增加的混炼和碾磨加工性。
但是,较窄的分子量分布可以改进硫化速度,硫化状态以及注塑行为。
硫化类型三元乙丙可以利用有机过氧化物或者硫来进行硫化。
但是,相比与硫磺硫化,过氧化物交链的三元乙丙用于电线电缆工业时具有更高的温度抗性,更低的压缩形变以及改进的硫化特性。
过氧化物硫化的不好的地方就在于更高的成本。
正如前面所提到的,三元乙丙的交链速度和硫化时间随着硫化类型和含量而改变。
当三元乙丙与丁基,天然橡胶,丁苯橡胶混合时,在选择合适的三元乙丙产品时,必须要考虑到下列因素:当与丁基进行混合时,由于丁基具有较低的不饱和度,为适应丁基的硫化速度,最好选择相对较低含量的DCPD和ENB含量的三元乙丙。
当与天然橡胶和丁苯橡胶混合时,最好选择8%到10%ENB含量的三元乙丙,以满足其硫化速度。
欧阳光明(2021.03.07)三元乙丙橡胶(ethylene-Propylene terpolymer)是乙烯、丙烯和少量非共轭二烯烃的共聚物,是乙丙橡胶的主要品种。
它除保持二元乙丙橡胶优良的耐臭氧性、耐候性、耐热性等特性外。
在硫化速度、配合和硫化胶性能等方面又不完全同于二元乙丙橡胶。
1.基本配合和质量检验方法:三元乙丙橡胶的质量检验,除国际标准化组织(ISO)和美国材料试验学会(ASTM)制定的三元乙丙橡胶硫化胶性能检验方法外,我国和其它国家目前尚无统一的国家级和部级乙丙橡胶质量标准及检验方法,大多数生产者均采用其公司或厂家的企业检验方法和质量控制标准。
ISO和ASTM三元乙丙橡胶硫化胶性能检验方法三元乙丙橡胶100 氧化锌 5 硫磺 1.5 硬脂酸1.0 油炉法炭黑②80 ASTM103号油③50 促进剂TMTD1.0 促进剂M0.5 ① y=在充油母炼胶中,每100份基础橡胶中油的份数。
如y 大于50份,则配方3不在加油。
②现行工业参比炭黑,可用NB378炭黑代替,其结果稍有不同。
③ ASTM103号油特征:100℃时运动粘度为16.8±1.2mm2/S,粘度比重常数为0.889±0.002。
④适用于通用型三元乙丙橡胶。
⑤适用于乙烯含量大于67%的高生胶强度的压出类三元乙丙橡胶。
⑥适用于充油三元乙丙橡胶。
2混炼方法:ISO混炼方法有方法A和方法B两种。
方法A为开放式混炼方法;方法B为密炼机混炼,开炼机加硫化体系及下片的方法。
ASATM用于检验三元乙丙橡胶的混炼方法有密炼机法、微型密炼机方法和开炼机方法三种方法。
方法出处 ISO 4097—1980(E) ASTM D3568—81a一、结构特征乙丙橡胶系以乙烯和丙烯为基础单体合成的弹性体合成物。
乙丙橡胶依分子链中单体单元组成不同,有二元乙炳胶合三元乙丙胶之分。
前者为乙烯和丙烯两种组分的共聚物,后者为乙烯、丙烯和少量的第三单体(非共轭二烯听)的共聚物。
乙丙橡胶分子链段的序列组成属聚亚甲基型结构。
按国际合成橡胶命名法,二元乙丙橡胶和三元乙丙橡胶分别定名为: EPM(ethylene propylene methylene) 和 EPDM ( ethyl-ene propylene diene methylene ) ; 两者统称为乙丙橡胶( ethylene propylene rubber, EPR )。
二、品种牌号的划分(1)划分原则乙丙橡胶商品牌号的划分,主要是依据分子结构与物性关系的基本原理。
根据这个原理,分子量与分子量分布、组成与组成分布是决定物性的最重要的分子结构参数。
聚集态结构也对物性有重要影响。
这些结构因素及其相互作用,使乙丙橡胶具有多样的性质,从而适应多方面的应用。
根据这种结构 - 物性 - 应用关系,工业上制定出多种多样的商品牌号总计超过 200 种,其中各具特点、不相重复的牌号亦有 50 余种。
(二)品种牌号的标志及其含义①、按单体单元组成不同,有二元乙丙橡胶( EPM )和三元乙丙橡胶( EPDM )两大类,例如, Dutral CO 和 Dutral TER 分属之。
②、依第三单体种类不同,三元乙丙橡胶有乙叉降冰片烯型、双环戊二烯型 1 , 4- 已二烯型三大类,例如, Dutral TER 054/E 、三井 EPT1045 和 Nordel 分属之。
③、二元乙丙橡胶和三元乙丙橡胶各按不同门尼粘度区分。
例如, Dutral CO 054 、 Dutral TER 048/ 的门尼粘度( ML 100 ℃ 1+4 )分别为 40 和 80 。
④、二元乙丙橡胶和三元乙丙橡胶各按不同结合丙烯(或乙烯)含量区分。
例如, Dutral CO 034 和 Dutral TER 235/E2 的结合丙烯含量分别约为 30% 和 40% 。
⑤、同一类型三元乙丙橡胶按不同第三单体含量(或碘值)区分。
例如, Dutral TER054/E 、 Dutral TER/E2 和 Dutral TER 046/ 的第三单体含量分别为标准值、 2 倍标准值和 3 倍标准值。
⑥、二元乙丙橡胶和三元乙丙橡胶各有充油与否以及充油时不同充油量之分。
例如, Dutral CO 054 、 Dutral CO 554P 、 Dutral TER 048/E 、 Dutral TER 535/E 的充油量分别为 0 、 50 、 0 和 50% ;后缀字母 P 表示石蜡系油品。
⑦、特殊牌号:高乙烯含量结晶型牌号。
例如, JSR EP 912P 、 JSR EP 01P ,主要用于聚烯烃树脂改性,后缀字母 P 表示橡胶为粉末状;组成分布均匀、低分子量和窄分子量分布牌号。
例如, Dutral CO 043 ,主要用于润滑油改性。
以上主要通过对 Dutral 系列二元和三元乙丙橡胶品种牌号编制规则,说明了分类原则。
其他商品牌号系列亦大同小异。
由于以上分子结构的特点,在实际应用中,往往进一步细分为通用型、易加工型、标准硫化型、快速硫化型、超快速硫化型、高填充型、余二烯烃橡胶并用型和聚烯烃改性型等使用品级。