活性污泥法参数表
- 格式:docx
- 大小:24.28 KB
- 文档页数:6
目录第一部分启动-污泥的驯化和培养 0第二部分运行-运行工艺指标的控制 (1)第三部分运行中异常问题的处理 (3)第四部分停运参考方案 (12)第一部分启动—污泥的驯化和培养一、调试启动基本流程系统启动主要分3个阶段闷曝培养→连续进水驯化→稳定进水试运行具体操作方案如下:1、投加菌种将曝气池注满有机废水(或用清水混合桔水至COD>300mg/L),按曝气池蓄水量的0。
5%~0。
8%向曝气池中投加脱水活性污泥,尽量在2天内投加完毕。
2、培菌步骤当有菌种进入曝气池时,无论菌种是否投加完毕,必须立即开始培菌步骤.(1)闷曝:所有曝气机的搅拌都开启,各转角的曝气机风机开启,剩余风机暂不开.根据自控仪表显示的溶解氧变化调整曝气机风机的开停数量使溶解氧保持在1。
5~2.5mg/L之间。
在污泥量少,供氧有富余时闷曝3~5小时后进入静沉步骤。
(2)静沉:将所有曝气机停止0.5~1小时.需要注意的是开始静沉前,应将溶解氧提高到2。
5~3mg/L之间。
(3)间歇补充废水:按(1)→(2)→(1)的顺序不断反复上述步骤,当监测到的COD 值较最初降低了50%时,向曝气池补充设计处理量50%的有机废水.以前2次进水时间间隔为基准安排进水时间,并且每天将此间隔缩短1半。
(4)完成培菌:经过5—7天的培养,曝气池污泥浓度(MLSS)达到1500mg/L左右时,可以进入驯化步骤。
3、驯化步骤:按设计处理量的30%左右连续进水,溶解氧控制在1.5-3mg/L之间,在系统正常运行前提下每天按现有处理量的10%递增进水,直到达到设计处理量。
4、试运行:控制方法参看运行管理相关章节二、多系统调试步骤:如果为多曝气池的并联系统则应该先在其中1个池子中进行培菌,当污泥浓度达到1000mg/L以上时将一半污泥放至另一个池培养,如此反复直到所有池子都达到设计浓度时培菌完成。
三、溶解氧控制方法说明闷曝期间的溶解氧控制是较为灵活的。
在污泥浓度较低的调试阶段设备的充氧效率非常高,设备全开可以在短短1小时内将曝气池溶解氧从0提高到4mg/L。
德国是世界上环境保护工作开展较好的国家,在污水处理的脱氮除磷方面积累了很多值得借鉴的经验。
现将德国排水技术协会(ATV)最新制定的城市污水设计规范A131中关于生物脱氮(硝化和反硝化)的曝气池设计方法介绍给大家,以供参考。
一、A131的应用条件:≈2,TKN/BOD5≤0.25;①进水的COD/BOD5②出水达到废水规范VwV的规定。
对于具有硝化和反硝化功能的污水处理过程,其反硝化部分的大小主要取决于:①希望达到的脱氮效果;②曝气池进水中硝酸盐氮NO-N和BOD5的比值;3③曝气池进水中易降解BOD5占的比例;④泥龄ts;⑤曝气池中的悬浮固体浓度X;⑥污水温度。
图1为前置反硝化系统流程。
(无)1、计算NDN/BOD5和VDN/VTNDN------需经反硝化去除的氮VDN------反硝化区体积VT-------总体积NDN表示需经反硝化去除的氮,它与进水的BOD5之比决定了反硝化区体积VDN占总体积VT的大小。
由氮平衡计算NDN/BOD5:NDN=TKNi-Noe-Nme-Ns式中TKNi——进水总凯氏氮,mg/LNoe——出水中有机氮,一般取1~2mg/LNme——出水中无机氮之和,包括氨氮、硝酸盐氮和亚硝酸盐氮,是排放控制值。
按德国标准控制在18mg/L以下,则设计时取0.67×18=12mg/LNs——剩余污泥排出的氮,等于进水BOD5的0.05倍,mg/L由此可计算NDN/BOD5之值,然后从表1查得VDN/VT。
表1晴天和一般情况下反硝化设计参考值VDN/VT 反硝化能力,以kgNDN/kgBOD5计,(t=10℃)2、泥龄泥龄ts是活性污泥在曝气池中的平均停留时间,即ts=曝气池中的活性污泥量/每天从曝气池系统排出的剩余污泥量tS=(X×VT)/(QS×XR+Q×XE)式中tS——泥龄,dX——曝气池中的活性污泥浓度,即MLSS,kg/m3VT——曝气池总体积,m3QS——每天排出的剩余污泥体积,m3/dXR——剩余污泥浓度,kg/m3Q——设计污水流量,m3/dXE——二沉池出水的悬浮固体浓度,kg/m3根据要求达到的处理程度和污水处理厂的规模,从表2选取应保证的最小泥龄。
第四章污水的生物处理(一)——活性污泥法教学要求1)掌握活性污泥法的基本原理及其反应机理;2)理解活性污泥法的重要概念与指标参数:如活性污泥、剩余污泥、MLSS、MLVSS、SV、SVI、θc、容积负荷、污泥产率等;3)理解活性污泥反应动力学基础及其应用;4)掌握活性污泥的工艺技术或运行方式;5)掌握曝气理论;6)熟练掌握活性污泥系统的计算与设计。
第一节活性污泥法的基本原理一、活性污泥处理法的基本概念与流程活性污泥:是由多种好氧微生物、某些兼性或厌氧微生物以及废水中的固体物质、胶体等交织在一起的呈黄褐色絮体。
活性污泥法:是以活性污泥为主体的污水生物处理技术。
实质:人工强化下微生物的新陈代谢(包括分解和合成),活性污泥法的工艺流程:1)预处理设施:包括初次池、调节池和水解酸化池,主要作用是去除SS、调节水质,使有机氮和有机磷变成NH+4或正磷酸盐、大分子变成小分子,同时去除部分有机物。
2)曝气池:工艺主体,其通过充氧、搅拌、混合、传质实现有机物的降解和硝化反应、反硝化反应。
3)二次沉淀池:泥水分离,澄清净化、初步浓缩活性污泥。
生物处理系统:微生物或活性污泥降解有机物,使污水净化,但同时增殖。
为控制反应器微生物总量与活性,需要回流部分活性污泥,排出部分剩余污泥;回流污泥是为了接种,排放剩余污泥是为了维持活性污泥系统的稳定或MLSS 恒定。
二、活性污泥的形态和活性污泥微生物1 活性污泥形态(1)特征1)形态:在显微镜下呈不规则椭圆状,在水中呈“絮状”。
2)颜色:正常呈黄褐色,但会随进水颜色、曝气程度而变(如发黑为曝气不足,发黄为曝气过度)。
3)理化性质:ρ=1.002~1.006,含水率99%,直径大小0.02~0.2mm,表面积20~100cm2/mL,pH值约6.7,有较强的缓冲能力。
其固相组分主要为有机物,约占75~85%。
4)生物特性:具有一定的沉降性能和生物活性。
(理解:自我繁殖、生物吸附与生物氧化)。
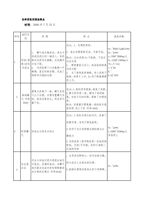
活性污泥法作为有较长历史的活性污泥法生物处理系统,在长期的工程实践过程中,根据水质的变化、微生物代谢活性的特点和运行管理、技术经济及排放要求等方面的情况,又发展成为多种运行方式和池型。
其中按运行方式,可以分为普通曝气法、渐减曝气法、阶段曝气法、吸附再生法(即生物接触稳定法)、高速率曝气法等。
―、推流式活性污泥法推流式活性污泥法,又称为传统活性污泥法。
推流式曝气池表面呈长方形,在曝气和水力条件的推动下,曝气池中的水流均匀地推进流动,废水从池首端进入,从池尾端流出,前段液流与后段液流不发生混合。
其工艺流程图见图2-5-18所示。
在曝气过程中,从池首至池尾,随着环境的变化,生物反应速度是变化的,F/M值也是不断变化的,微生物群的量和质不断地变动,活性污泥的吸附、絮凝、稳定作用不断地变化,其沉降-浓缩性能也不断地变化。
推流式曝气的特点是:①废水浓度自池首至池尾是逐渐下降的,由于在曝气池内存在这种浓度梯度,废水降解反应的推动力较大,效率较高;②推流式曝气池可采用多种运行方式;③对废水的处理方式较灵活。
但推流式曝气也有一定的缺点,由于沿池长均匀供氧,会出现池首曝气不足,池尾供气过量的现象,增加动力费用。
推流式曝气池一般建成廊道型,根据所需长度,可建成单廊道、二鹿道或多廊道(见图2-5-18)。
廊道的长宽比一般不小于5:1,以避免短路。
用于处理工业废水,推流式曝气池的各项设计参数的参考值大体如下:BOD 负荷(Ns) 0.2~0.4kgBOD5/(kgMLSS.d)容积负荷(Nv) 0.3~0.6kgBOD5/(m3.d)污泥龄(生物固体平均停留时间)(θr、ts) 5~15d;混合液悬浮固体浓度(MLSS) 1500~3500mg/L;混合液挥发性悬浮固体浓度(MLVSS)1200~2500mg/L;污泥回流比(R) 25%~50%;曝气时间(t) 4~8h;BOD5去除率 85%~95%。
二、完全混合活性污泥法完全混合式曝气池,是废水进入曝气池后与池中原有的混合液充分混合,因此池内混合液的组成、F/M值、微生物群的量和质是完全均匀一致的。
SBR工艺原理及运行参数SBR是序列间歇式活性污泥法(Sequencing Batch Reactor Activated Sludge Process)的简称,是一种按间歇曝气方式来运行的活性污泥污水处理技术,又称序批式活性污泥法。
与传统污水处理工艺不同,SBR技术采用时间分割的操作方式替代空间分割的操作方式,非稳定生化反应替代稳态生化反应,静置理想沉淀替代传统的动态沉淀。
它的主要特征是在运行上的有序和间歇操作,SBR技术的核心是SBR 反应池,该池集均化、初沉、生物降解、二沉等功能于一池,没有污泥回流系统。
正是SBR工艺这些特殊性使其具有以下优点:1、理想的推流过程使生化反应推动力增大,效率提高,池内厌氧、好氧处于交替状态,净化效果好。
2、运行效果稳定,污水在理想的静止状态下沉淀,需要时间短、效率高,出水水质好。
3、耐冲击负荷,池内有滞留的处理水,对污水有稀释、缓冲作用,有效抵抗水量和有机污物的冲击。
4、工艺过程中的各工序可根据水质、水量进行调整,运行灵活。
5、处理设备少,构造简单,便于操作和维护管理。
6、反应池内存在DO、BOD5浓度梯度,有效控制活性污泥膨胀。
7、SBR法系统本身也适合于组合式构造方法,利于废水处理厂的扩建和改造。
8、脱氮除磷,适当控制运行方式,实现好氧、缺氧、厌氧状态交替,具有良好的脱氮除磷效果。
9、工艺流程简单、造价低。
主体设备只有一个序批式间歇反应器,无二沉池、污泥回流系统,调节池、初沉池也可省略,布置紧凑、占地面积省。
SBR系统的适用范围:1) 中小城镇生活污水和厂矿企业的工业废水,尤其是间歇排放和流量变化较大的地方。
同时也非常适合处理小水量,间歇排放的工业废水与分散点源污染的治理。
2) 需要较高出水水质的地方,如风景游览区、湖泊和港湾等,不但要去除有机物,还要求出水中除磷脱氮,防止河湖富营养化。
3) 水资源紧缺的地方。
SBR系统可在生物处理后进行物化处理,不需要增加设施,便于水的回收利用。
COD:化学需氧量,重铬酸钾法
重铬酸钾法测COD时计算公式:
COD Cr=(V0-V1)×C×8×1000/V 式中
C——硫酸亚铁铵标准溶液的浓度,mol/L
V——水样体积,mL
V0——滴定空白时硫酸亚铁铵标准溶液的用量,mL
V1——滴定水样时硫酸亚铁铵标准溶液的用量,mL
BOD5:五日生化需氧量营养物质比例:BOD5:N:P=100:5:1
温度:控制在20-30℃
pH:仪器(控制在6.5-8.5)
SS:重量法
NH3-N:蒸馏比色法
DO:仪器(初期控制在1-2mg/l,成熟期控制在3-4mg/L)
SVI:污泥体积指数SVI=(1L混合液30min静置沉淀形成的活性污泥体积(ml)/1L混合液中悬浮固体干重)50-120良好
SV:污泥沉降比SV=(1OOml混合液静置30min后沉淀形成的活性污泥体积ml)/混合液体积)
污泥负荷率:Ns=QS/VX 污泥所需量m=XV/(1-ω) ω是含水率
污泥量回流量的大小一般为20%~50%,有时也高达150%,其直接影响曝气池污泥的浓度和二次沉淀池的沉降状况。
计算公式:
R·Q·Xr = (R·Q + Q)·X
式中:Xr——回流污泥的悬浮固体浓度,mg/L。
R——污泥回流比。
X——混合液污泥浓度,mg/L。
Q——流量
根据污泥沉降比确定回流比R=SV/(100—SV)
根据回流污泥浓度和混合液污泥浓度调节回流比,计算公式为:R=MLSS/(RSSS—MLSS)。
序批式活性污泥法从目前的污水好氧生物处理的研究、应用及发展趋势来看,序批式活性污泥法能称得上是一种简易、快速且低耗的污水处理工艺,非常适用于水质水量变化大的中小城镇的生活污水处理,以及易生物降解的工业废水处理。
因此,SBR工艺是一种适合我国国情的处理工艺,具有很大的发展潜力和应用前景。
近年来,计算机辅助设计(CAD)已渗透到水处理专业,并被专业人员接受和使用。
但目前建筑给排水CAD软件应用广泛,污水处理工程设计CAD系统则研究较少。
SBR艺计算机辅助设计系统的开发,不仅能够提高设计效率及设计质量,也是计算机技术同污水处理技术有机结合的积极实践,对促进当前污水处理工程CAD的进一步发展具有积极的意义。
1SBR 工艺设计计算SBR工艺设计计算包括SBR反应池容积的确定以及需氧量、污泥量的计算。
SBR工艺设计方法主要分两大类:经验设计法。
动力学模式设计法[1]。
经验设计法指污泥负荷率法,污泥负荷率是影响曝气反应时间的主要参数,污泥负荷率的大小关系到SBR反应池容积的大小。
这种方法在目前的工程设计中应用较广泛。
动力学模式设计法则是根据进水、出水和SBR系统的各种参数条件,建立数学模型后进行设计。
由于动力学模式设计方法用于工程设计还有待进一步研究、优化,因此本系统在开发过程中针对生活污水的处理仍沿用经验设计法。
1.1参数选取污泥负荷率与SBR反应池内的混合液污泥浓度是SBR设计与运行的重要参数[2]。
①对生活污水,污泥负荷普遍采用BOD污泥负荷,其参数值为:高负荷运行时取0.2-0.4kg[BOD5]/(kg[MLSS]·d),低负荷运行时选用0.03-0.07kg[BOD5]/(kg[MLSS].d)。
②反应池内的污泥浓度(MLSS)可考虑取值3000-5000mg/L。
③SVI值取90-150mL/g。
④每周期运行时间一般tr=4.8-12h。
1.2设计计算步骤①确定一个运行周期内曝气时间所占的比例e,根据BOD污泥负荷N,计算所需污泥量M;N=QS0/e某V(1)M=某V=QS0/eN(2)式中:某——混合液中活性污泥浓度(MLSS),mg/L;Q——平均日污水量,m3/d;S0——进水基质浓度,mg/L;V——反应池总有效容积,m3。
活性活泥法的工艺参数控制(下)任周鸣(中莺石纯上海石漓讫王簸份有限公司玮境保护串心,上海200540)2污泥沉降比《SV30)2。
l理论定义及实际应用上的理瓣Sv3。
是指曝气池混合液在量筒静止沉降30min后污泥所占的西分体积。
它是测定污泥性能最为简便的方法,僵在实际运行中污泥沉降比往往不被重视,相关专业书上对此介绍也很简单。
从污泥沉降比的定义可知,Sv30值越小,污泥沉降性能就越好,反之沉降性能就差。
城市污承处理厂SV30一般在15%~30%,工业废水处理厂的Sv3。
褶对要高。
对同一装置的污泥薅言,正常情况下污泥结构是褶对稳定的,污泥浓度越高SV∞值也越大,所以污泥沉降比的概念中还有污泥浓度的因素。
污泥沉降院兹取样点~敷定在曝气渣出水端。
SV3。
测定方便、快速,在了解工艺运行状态方面有无可替代的作用,除了解污泥的结构和沉降性能外,农污泥沉降性能稳定麴情况下,还霹作为剩余污泥排放的参考依据。
此外,污泥的一些异常现象也可通过沉降试验反映出来。
污泥沉降纥的定义,很容易给人造成误解,似乎测定Sv3。
就是为了解30min后的测定结果。
有的专业书上把sv3。
的测定过程称为污泥沉降试验,因力Sv3。
并不仅仅是测定30min后豹污泥百分体积,在测定过程中还要观察沉降速率、污泥外观、泥水界面是否清晰、上层液是否有悬浮物等情况,这些表戏情况对予了解和判断运行状态很有帮助。
有经验的操作人员不需其他数据,只根据污泥沉降试验就可大致判断整个生化过程的运行状况。
在13常运符中,操作人员在测定SV3。
对墩往往只看测定的污泥沉降比,而没有认真观察和了解沉降过程和下沉污泥的表观情况,这就失去了测定污泥沉降院酶大部分意义,猩运行发生舜常时,也会失去污泥沉降测定过程中所能提示我们的故障信息,而这些信息并不一定能通过其他途径及时获得。
44给水排水V01.33No.122007在进行沉降试验时,也要注意观察沉降初期的沉降情况。
如果两种污泥的SV∞相同,孺初始阶段5min的沉降速度不同,其沉降性能也是不同的。
德国是世界上环境保护工作开展较好的国家,在污水处理的脱氮除磷方面积累了很多值得借鉴的经验。
现将德国排水技术协会(ATV)最新制定的城市污水设计规范A131中关于生物脱氮(硝化和反硝化)的曝气池设计方法介绍给大家,以供参考。
一、A131的应用条件:
≈2,TKN/BOD5≤0.25;
①进水的COD/BOD
5
②出水达到废水规范VwV的规定。
对于具有硝化和反硝化功能的污水处理过程,其反硝化部分的大小主要取决于:
①希望达到的脱氮效果;
②曝气池进水中硝酸盐氮NO
-N和BOD5的比值;
3
③曝气池进水中易降解BOD5占的比例;
④泥龄ts;
⑤曝气池中的悬浮固体浓度X;
⑥污水温度。
图1为前置反硝化系统流程。
(无)
1、计算NDN/BOD5和VDN/VT
NDN------需经反硝化去除的氮
VDN------反硝化区体积
VT-------总体积
NDN表示需经反硝化去除的氮,它与进水的BOD5之比决定了反硝化区体积VDN占总体积VT的大小。
由氮平衡计算NDN/BOD5:
NDN=TKNi-Noe-Nme-Ns
式中TKNi——进水总凯氏氮,mg/L
Noe——出水中有机氮,一般取1~2mg/L
Nme——出水中无机氮之和,包括氨氮、硝酸盐氮和亚硝酸盐氮,是排放控制值。
按德国标准控制在18mg/L以下,则设计时取0.67×18=12mg/L
Ns——剩余污泥排出的氮,等于进水BOD5的0.05倍,mg/L
由此可计算NDN/BOD5之值,然后从表1查得VDN/VT。
表1晴天和一般情况下反硝化设计参考值
VDN/VT 反硝化能力,以kgNDN/kgBOD5计,(t=10℃)
2、泥龄
泥龄ts是活性污泥在曝气池中的平均停留时间,即
ts=曝气池中的活性污泥量/每天从曝气池系统排出的剩余污泥量
tS=(X×VT)/(QS×XR+Q×XE)
式中tS——泥龄,d
X——曝气池中的活性污泥浓度,即MLSS,kg/m3
VT——曝气池总体积,m3
QS——每天排出的剩余污泥体积,m3/d
XR——剩余污泥浓度,kg/m3
Q——设计污水流量,m3/d
XE——二沉池出水的悬浮固体浓度,kg/m3
根据要求达到的处理程度和污水处理厂的规模,从表2选取应保证的最小泥龄。
表2处理程度及处理厂规模和最小泥龄的关系
注12℃时达到稳定硝化需按10℃设计
3、剩余污泥量
污泥比产率:Y=YBOD5+YP
式中Y——污泥产率,kg干固体/kgBOD5
YBOD5——剩余污泥产率,kg干固体/kgBOD5
YP——同步沉淀的化学污泥产率(当未投加化学混凝剂除磷时无此项),kg干固体/kgBOD5
剩余污泥产率YBOD5与泥龄、进水SS和BOD5的比例、温度等有关,约为0.52~1.22 kg干固体/kgBOD5,可从表3中选取。
表3 YBOD5与泥龄、进水SS和BOD5的比例之关系
4、计算曝气池体积
首先计算曝气池的污泥负荷N,即
N=l/(tS×Y)
式中N——曝气池的污泥负荷,kgBOD5/(kg干固体•d)再根据表4选定曝气池中的活性污泥浓度X(kg/m3)。
表4 曝气池中活性污泥浓度的推荐值
应特别注意,必须校验二沉池能否使曝气池中的活性污泥浓度达到所选取的X值。
所以,曝气池的体积为:
VT=(BOD5)i×Q/(N×X)
VT=VDN+VN
5、回流比
内循环回流比R1=QR1/Q
外循环回流比R2=QR2/Q
总回流比R=R1+R2。
在前置反硝化工艺中,硝酸盐氮通过内循环和外循环回流进入反硝化区。
只要回流的硝酸盐氮不超过表1中的反硝化能力,则可能达到的最大反硝化程度取决于回流比R。
因此,可根据反硝化率EDN计算所需的最小回流比。
EDN=NDN/(NDN+Nne)
所需的最小回流比
R=1/(1-EDN)-1
式中EDN——反硝化率
Nne——出水硝酸盐氮,mg/L
一般在前置反硝化工艺中,回流比取2.0。
若希望进一步提高反硝化率,可继续提高回流比。
但必须注意,最大回流比为4.0,且回流比较高时存在着将过多的溶解氧带入反硝化区的危险。
为了减少循环回流中的溶解氧,可在曝气池末
端设置隔离区域,减少该区中的曝气量。
前置反硝化工艺中的反硝化区应采用隔墙与好氧硝化区分开,并在反硝化区中设置搅拌装置。
回流量还可根据连续监测反硝化区Nne值进行调节。
6、供氧量
生物脱氮工艺中,分解碳化合物(BOD5)的需氧率OVC和氧化氮化合物的需氧率OVN必须分开计算。
然后根据饱和溶解氧等的影响,由这两部分之和计算供氧率(氧负荷)OB 。
①分解碳化合物的需氧率OVC可从表5查得。
表5分解碳化合物的需氧率OVc kgO2/kgBOD5
②氧化氮化合物的需氧率OVN可按下式计算:
OVN=(4.6×Nne+1.7×NDN)/BOD5
③选择曝气区的溶解氧浓度CX,根据峰值系数fC和fN计算最大小时供
氧率(氧负荷)OB:
OB=〔Cs/(Cs-Cx)〕/(OVc×fC+OVN×fN)
式中Cs——污水中饱和溶解氧浓度,mg/L
Cx——曝气池中溶解氧浓度,mg/ L
fC——碳负荷峰值系数,即最大小时需氧率与平均小时需氧率之
比
fN——氮负荷峰值系数
推荐的CX值为:在无硝化的装置中取2 mg/L;进行硝化的装置中取2 mg/L;进行硝化同步/反硝化的装置中取0.5mg/L。
如果无法测得峰值系数,可从表6中查取。
由于在污水处理厂最大氮负荷与
最大碳负荷并不同时出现,因此选用最大碳负荷和平均氮负荷或最大氮负荷和平均碳负荷进行计算。
表6峰值系数
注假定24h中出现2h峰值
④根据供氧率(氧负荷)OB和曝气设备的氧利用率计算设计供氧量。
如果曝气设备的氧利用率是在清水中测定的,则计算结果必须除以供氧系数
α(0.5~1.0)。
应特别注意的问题还有,夏季在不具备反硝化功能的污水处理厂进行污水硝化时,OVC值必须增加1/3。
另外,最大小时需氧率是根据峰值系数fC和fN、以及日需氧率的1/24计算的,因此若采用间歇反硝化,供氧量应依据曝气间歇时间相应提高。
在前置反硝化工艺中,可将供氧和搅拌分开。
反硝化区的搅拌强度取决于池容,通常为3~8W/m3。
同时,在反硝化区安装曝气装置有利于加强运行灵活性。
对前置反硝化系统的测试表明,曝气区起始段的耗氧量为平均耗氧量的2倍,故应合理布置曝气装置,保证整个曝气区内的溶解氧都不低于2mg/L。
对于推流式曝气池,应分别在沿池长25%和75%处测量池中的溶解氧。
供氧量也可根据连续监测曝气池出水中的NH4+-N值进行调整。