正红花油的质量标准研究
- 格式:pdf
- 大小:325.80 KB
- 文档页数:3
哈尔滨商业大学生药学大实验(论文)红花质量评价研究学生姓名一个好学长指导教师一个好老师专业药学学院药学院2015年06月8日摘要目的:评价市售红花的质量并且测定市售红花中总黄酮的含量。
方法:通过性状鉴别、理化鉴别和显微鉴别的方法来评价红花的质量。
紫外-可见分光光度法测定红花的总黄酮含量。
结果:在滤纸条显色实验中1号红花的滤纸条上部显浅黄色,下部显红色,2号红花的滤纸条上部显浅黄色下部显淡红色。
经显微鉴定1号和2号红花均可以观察到分泌细胞、花冠顶端表皮细胞、花柱碎片、花粉粒。
1号红花的总黄酮含量为3.12mg/g,2号红花的总黄酮含量为4.25mg/g。
结论:2号红花质量由于1号红花质量。
关键词:红花质量评价总黄酮1绪论1.1 论文主要内容本文先对红花进行概述,概述包括介绍红花的化学成分、药理作用以及现阶段红花的临床应用情况。
在通过选取不同来源的红花,进行性状鉴别、理化鉴别和显微鉴别,综合评价实验选取的市售红花的质量,运用紫外分光光度法对新疆红花中的总黄酮含量进行测定,对比不同来源的红花质量。
1.2 论文研究目的和意义近年来,随着红花价格的不断攀升,因此,在药材市场出现了不同程度的掺伪现象,通过对红花质量的研究,了解红花的性状和显微特征,进一步掌握区分正品红花和伪品的方法。
同时也为丰富红花的质量标准提供实依据。
1.3 红花概述红花,又称草红花。
双子叶植物,菊科,干燥的管状花,菊科植物红花Carthamus tinctorius L.的干燥花。
一年生草本。
茎直立,上部多分枝。
叶长椭圆形,顶端尖,无柄,基部抱茎,边缘羽状齿裂,齿端有尖刺,两面无毛;上部叶较小,成苞片状围绕头状花序。
头状花序上顶生,排列成伞房状;总苞片数层,外层苞片绿色,卵状披针形,边缘具尖刺;内层苞片卵状椭圆形,白色,膜质,中部以下全缘,上部边缘稍有短刺;全部为管状花,初开时黄色,后转橙红色。
瘦果椭圆形或倒卵形,无冠毛,或冠毛鳞片状。
气相色谱法测定正红花油中丁香酚的含量
周国平;张晓华
【期刊名称】《江西中医学院学报》
【年(卷),期】1997(009)003
【摘要】气相色谱法测定正红花油中丁香酚的含量周国平张晓华(江西省药品检验所南昌330046)(江西赣州市药品检验所赣州341000)关键词正红花油丁香酚气相色谱法十六酸甲酯正红花油是由水杨酸甲酯、桂叶油、丁香油、香茅油等中西药配制而成,主要用于止血、消炎、止...
【总页数】1页(P38)
【作者】周国平;张晓华
【作者单位】江西省药品检验所;江西赣州市药品检验所
【正文语种】中文
【中图分类】R286.0
【相关文献】
1.气相色谱法测定肉豆蔻-8散中的丁香酚的含量 [J], 成志平
2.气相色谱法测定红花油中水杨酸甲酯和丁香酚含量 [J], 张伟;吴鹏昌
3.气相色谱法测定瑞克卫瑞消毒液中桂皮醛和丁香酚的含量 [J], 张新新;梁晋如;赵文娜;郝群峰;孙文基;王燕
4.气相色谱法测定通立康膏中樟脑、异龙脑、龙脑、桂皮醛、丁香酚的含量 [J], 张华林;李宗悟;杨学斌;李耿;黄惠琴;苏子仁
5.气相色谱法测定接骨止痛酊中水杨酸甲酯和丁香酚的含量 [J], 武爱玲;赵新杰
因版权原因,仅展示原文概要,查看原文内容请购买。
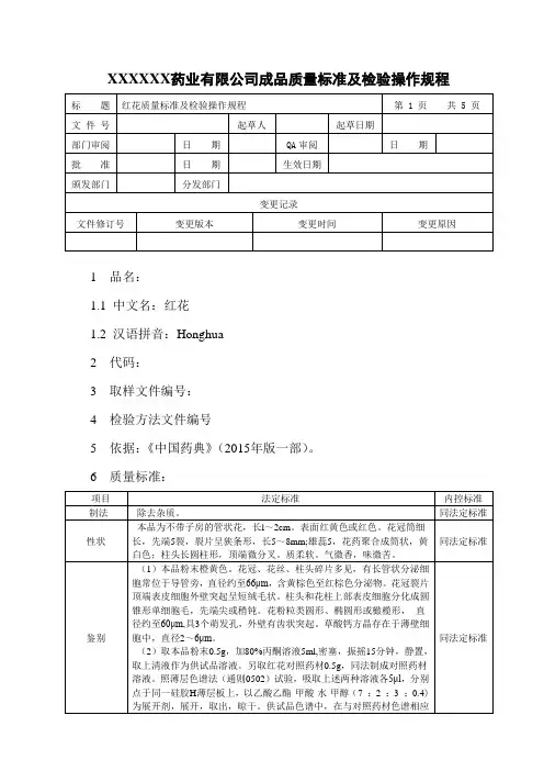
XXXXXX药业有限公司成品质量标准及检验操作规程1 品名:1.1 中文名:红花1.2 汉语拼音:Honghua2 代码:3 取样文件编号:4 检验方法文件编号5 依据:《中国药典》(2015年版一部)。
6 质量标准:7 检验操作规程:7.1 试药与试剂:水、丙酮溶液、乙酸乙酯、甲醇、甲酸、硝酸盐、稀盐酸、80%丙酮溶液、乙腈、0.7%磷酸溶液、0.4%磷酸溶液、甲基红乙醇指示液、氢氧化钠滴定液。
7.2 仪器与用具:电子天平、显微镜、薄层色谱仪烘箱、硅胶H薄层板、水浴锅、分光光度计、蒸发皿、高效液相色谱仪、中药二氧化硫测定仪。
7.3 性状:取本品适量,自然光下目测色泽,嗅闻气味。
7.4 鉴别:7.4.1取本品制片置10×10显微镜下做显微观察。
7.4.2取本品粉末0.5g,加80%丙酮溶液5ml,密塞,振摇15分钟,静置,取上清液作为供试品溶液。
另取红花对照药材0.5g,同法制成对照药材溶液。
照薄层色谱法(附录7)试验,吸取上述两种溶液各5μl,分别点于同一硅胶H 薄层板上,以乙酸乙酯-甲酸-水-甲醇(7 :2 :3 :0.4)为展开剂,展开,取出,晾干。
供试品色谱中,在与对照药材色谱相应的位置上,显相同颜色的斑点。
7.5 检查7.5.1杂质:不得过2% ( 附录12 ) 。
7.5.2水分:不得过13.0 % ( 附录15第二法)7.5.3总灰分:不得过5.0 %(附录19) 。
7.5.4酸不溶性灰分:不得过5.0% ( 附录19 ) 。
7.5.5吸光度:红色素取本品,置硅胶干燥器中干燥24小时,研成细粉,取约0.25g,精密称定,置锥形瓶中,加80%丙酮溶液50ml ,连接冷凝器,置50℃水浴上温浸90分钟,放冷,用3 号垂熔玻璃漏斗滤过,收集滤液于100ml量瓶中,用80%丙酮溶液25ml分次洗涤,洗液并人量瓶中,加80%丙酮溶液至刻度,摇匀,照紫外-可见分光光度法(附录5),在518nm的波长处测定吸光度,不得低于0.20。
绿色食品食用红花籽油Creen food-Edible safflower seed oil中华人民共和国农业行业标准NY/T 430-2000农业部2000-12-22批准2001-04-01实施为判定绿色食品食用红花籽油的质量和安全性,特制定本标准。
本标准由中国绿色食品发展中心提出并归口,本标准起草单位:农业部食品质量监督检验测试中心(石河子)。
本标准主要起草人:谢勇、符书林、韩瑞都、及合、魏向利。
1 范围本标准规定了绿色食品食用红花好油的定义、技术要求、试验方法、检验规则及标志、标签、包装、贮存、运输。
本标准适用于获得A级绿色食品标志的食用红花籽油(高级烹调油)。
2 引用标准下列标准所包含的条文,通过在本标准中引用而构成为本标准的条文。
本标准出版时,所示版本均为有效。
所有标准都会被修订,使用本标准的各方应探讨使用下列标准最新版本的可能性。
GBl91.2000 包装储运图示标志GB/T 5009.3-1985 食品中水分的测定方法GB/T 5009.11-1996 食品中总砷的测定方法GB/T 5009.17-1996 食品中总汞的测定方法GB/T 5009.20-1996 食品中有机磷农药残留量的测定方法GB/T 5009.22-1996 食品中黄曲霉毒素B1的测定方法GB/T 5009.27-l996 食品中苯并(a)芘的测定方法6B/T 5009.37-1996 食用植物油卫生标准的分析方法GB/T 5525-1985 植物油脂检验透明度、色泽、气味、滋味鉴定法GB/T 5526-1985 植物油脂检验比重测定法GB/T 5527-l985 植物油脂检验折光指数测定法GB/T 5528-l995 植物油脂水分及挥发物含量测定法GB/T 5529-1985 植物油脂检验杂质测定法GB/T 5530-1998 动植物油脂酸价和酸度的测定GB/T 5532-1955 植物油碘价测定GB/T 5533-1985 植物油脂检验含皂量测定法GB/T 5534-1998 动植物油脂皂化值的测定GB/T 5351.1-1998 动植物油脂不皂化物测定第1部分:乙醚提取法(第一方法)GB/T 5535.2-1998 动植物油脂不皂化物测定第2部分:已烷提取快速法GB/T 5538-1995 油脂过氧化值测定GB 7718-1994 食品标签通用标准GB/10111-1988 利用随机数子进行随机抽样的方法GB 7653-1997 大豆色拉油(己调整为行业标准) NY/T 391 2000 绿色食品产地环境技术条件 NY/T 393 2000 绿色食品农药使用准则3 定义本标准采用下列定义.3.1 绿色食品 green food见NY/T 391-2000中3.1。
红花在吉林省保健用品中的功效学评价红花,是我国重要的中草药,具有活血通经、祛瘀止痛、降低胆固醇、降血压等功效[1]。
在医药工业上,红花油用作脂肪肝、肝硬化、肝功能障碍的辅助治疗[2]。
在颁布了吉林省地方标准DB22/T396-2004《保健用品毒理学评价程序和检验方法》后,本文对其中标注出红花具体含量的省内各企业生产的保健用品的毒理学试验进行分析。
1 材料与方法1. 1 材料由生产企业送检的10批次保健用品。
其中贴剂类5种,红花的含量分别是1.4、1.5、1.6、2、16 g/100g;液体类5种,红花的含量分别是0.3、0.5、1、2 g/100 ml。
试验动物由长春市亿斯实验动物技术有限责任公司提供。
1. 2 方法1. 2. 1 多次皮肤刺激试验方法普通级健康大耳白家兔40只,试验前24 h 将动物背部脊柱两侧毛剪掉,范围各约3 cm×3 cm。
试验时取受试物0.5 ml(g)涂抹或粘贴在右侧脱毛区,用无刺激性胶布封闭固定1 h,左侧脱毛区为对照,1次/d,连续14/d,1 h后观察皮肤刺激反应结果。
1. 2. 2 皮肤变态反应试验方法普通级健康白色豚鼠100只,试验前24 h 剪毛,诱导接触:取受试物0.2 ml(g)涂抹或粘贴在右侧脱毛区,然后用二层纱布、一层硫酸纸覆盖,再以无刺激性胶布封闭、固定6 h,第7天、第14天同样方法重复一次。
激发接触:末次诱导后14 d,同样取试物涂抹或粘贴在动物左侧脱毛区,然后按同样方法封闭、固定6 h。
激发接触后24 h和48 h观察左侧皮肤反应,并计分。
2 结果2. 1 多次皮肤刺激试验贴剂类保健用品平均分值都在0~0.49范围内,属无刺激性。
液体类保健用品有3种属无刺激性;有两种样品平均分值在0.5~2.99范围内,属轻度刺激性。
见表1。
2. 2 皮肤变态反应试验方法贴剂类保健用品1个样品平均分值在9~28之间,属轻致敏性;其他样品都在在0~8范围内,属弱致敏性;液体类有4种保健用品属弱致敏性,有1种样品属弱致敏性。
红花油相关实验研究草稿(整理)导师让整理个方案朋友们给些意见哈实验思路1、黄酮含量的测定回归方程y=7.33x+0.055 r=0.9982、多酚含量的测定3、甾醇含量的测定硫磷铁法测总甾醇含量采用硫磷铁法检测红花油中总甾醇含量2.5 mol/L KOH乙醇溶液的配制将14.0 g氢氧化钾溶解在10 mL水中冷却至室温后用乙醇稀释至100 mL标准胆固醇对照溶液的配制用乙醇配制成0,75,100,125,150,175 mg/L等6个不同质量浓度的胆固醇溶液磷硫铁显色剂的配制精密称取2.5 g三氯化铁溶于85 %磷酸并用浓磷酸定容至100 mL 储存于棕色瓶中即为铁储存液冷藏可长期储存,取上述铁储存液1.5 mL于棕色瓶中用浓硫酸定容至10 mL 室温下可储存6~8周.分别向上述6个标准胆固醇溶液加入磷硫铁显色剂2 mL 摇匀冷却至室温在480 nm处测定吸光值得标准曲线取4 mL 甾醇样品B于试管加入磷硫铁显色剂2 mL 摇匀冷却至室温在480 nm处测吸光值计算其中甾醇的含量试验进行3次重复.2GC-MS法(1).样品制备:称取0.1g的红花油油于试管中,加入1ml 1M 乙醇-氢氧化钠溶液,密封,摇晃20s,70°C下60min,每10min晃动一下,冷却至室温,然后加入1ml纯水,5ml正己烷,密封,大力摇晃3min,然后分离清液层(正己烷层),水层用5ml正己烷分离3次,收集正己烷溶液,加入1g的无水硫酸钠,旋蒸浓缩,得到样品.(2).GC-MS:180°C 15°C/min 280°C 25min,样品入口温度为250°C,探测器温度为280°C.进样量1μl,氮气流量为1ml/min.离子源:EI源;电子能量:70ev;分子量扫描范围:40-550amu。
红花油处理工艺毛油→预处理→脱胶→脱色→脱酸→脱色→脱臭→成品油沉淀物为粗磷脂油脚毛油→真空抽滤→预热80℃→加水/7%盐水→搅拌(保温)→(保温)离心→上清液即脱胶油可采用活性白土和活性炭进行脱色,脱色后的脱色油以正己烷作参比采用真空蒸汽脱臭法真空蒸汽脱臭法是在脱臭锅内用过热蒸汽(真空条件下)将油内呈味物质除去的工艺过程。
6种红花油,不是每种都有红花,选⽤时需仔细看红花油,当看到瓶内红红的液体,第⼀感觉,肯定是满满的红花提取的油。
可事实还真不是这回事。
尽管称为红花油,可成分中不⼀定含有红花。
⽬前,经国家药监局批准的标注为“红花油”的药品,有6种。
⼀起了解⼀下哪种含有红花。
①红花油
成分:丁⾹罗勒油、姜樟油、⾁桂油、桂⽪醛、柠檬醛、冰⽚、⽔杨酸甲酯。
标注为红花油,⾊泽褐红,却没有红花。
②正红花油
成分:⽔杨酸甲酯、桂叶油、丁⾹油、⾹茅油、⾎竭、红花。
③斧标正红花油
成分:冬青油、桂叶油、⾁桂油、⾹茅油、松节油、辣椒油、⾎竭、⽔杨酸甲酯。
④依马打正红花油
成分:红花、⾎竭、桂叶油、丁⾹油、⾹茅油、⽔杨酸甲酯。
⑤复⽅藏红花油
成分:西红花、姜黄、丁⾹罗勒油、薄荷油、松节油、冰⽚。
⑥复⽅丁⾹罗勒油(红花油)
成分:桂叶油、丁⾹罗勒油、⽔杨酸甲酯、⾎竭、⿊油。
这6种“红花油”外观液体均为褐红或棕红⾊,但含有红花的只有:
正红花油、依马打正红花油、复⽅藏红花油3 种。
尽管6种“红花油”功效基本相同,使⽤时,还是建议选⽤含有红花的。
另外,现在还有⼀种标注为“红花(抑菌)油”的产品,这款不是药品,⽽是消字号的消毒⽤品,
其作⽤是⽪肤抑菌。
选⽤时需注意区分。
红花油、活络油、万花油,跌打损伤该用哪种油?随着年纪的增大,咱们的身体也在慢慢变老,小时候摔摔打打、磕磕碰碰都不觉得疼,现在稍有不慎就会在运动中扭伤拉伤,身体的恢复力也在慢慢降低。
对于一些磕碰伤、扭伤、淤青、肿胀,很多人不会去医院,习惯自己处理:涂点药油,消肿化瘀。
红花油、活络油、万花油等等,似乎对各种跌打损伤都有用的“国名药油”,几乎家家都有储备,以备不时之需。
虽然这些药很常见,但要是细问,到底它们有什么区别?大家可能回答不上来。
(脚踝受伤)它们虽可通用,但功效的侧重点不同。
如果我们针对不同的伤痛,选择对应的最佳药物,那么药效肯定会有加成。
接下来我们就来具体了解一下这几款“国民药油”。
一、红花油相比万花油和活络油,红花油都有这些特点:味道非常特别,有股刺鼻又熟悉的药膏味,而且附着性特别强,沾一点就能保持一两天不散。
由红花、桂叶等提取而成,性平和,活血通经、祛淤止痛、侧重祛风止痛。
用于受凉引起的头痛、关节痛、跌打扭伤、风湿骨痛等的止痛最为适用。
(普通红花油)但是在药店看到红花油时,我们会发现虽然全部都叫红花油,但是成分却不尽相同,价格也在7-40元不等,这就直接导致了功效上的一些差别。
红花油又分为基础款红花油、正红花油和藏红花油。
首先是基础款红花油,蚊虫叮咬、轻微疼痛等都适用。
它以挥发油为主,包括丁香罗勒油、水杨酸甲酯、姜樟油、肉桂油等。
基础款体感清凉,用后几乎无不良反应,最为性平和。
(藏红花油)其次是正红花油整体偏温性,可祛风散寒,对“老寒腿”、风寒导致风湿骨痛最有效。
它是在红花油的基础上,去掉冰片的同时加入血竭或红花,少数品牌为了使其辛辣刺激,还会加入辣椒油。
藏红花油整体偏凉性,对于关节炎症引起的红肿热痛,有明显疗效。
它是在红花油的基础上,加入薄荷油、藏红花、姜黄,增强活血化瘀之效的同时还使其能凉血解毒。
(正红花油)总的来说,红花油对晕车晕船引起的头晕等不适有一定疗效,可用于心腹诸痛、风湿骨痛、跌打损伤、扭伤、刀伤、烫烧伤等。
依马打正红花油有哪些注意事项吗
依马打正红花油规格为每瓶装12毫升;每瓶装25毫升。
为橙红色澄清油状液体,具特殊香气。
依马打正红花油成份有复方制剂,其组分为每、含水杨酸甲酯、桂叶油、桂油、香茅油、松节油、辣椒油、血竭、。
依马打正红花油有哪些注意事项吗?
依马打正红花油用于关节酸痛,扭伤肿胀,跌打损伤,轻微烫伤及蚊虫叮咬。
注意事项:1.本品为外用药,禁止内服。
2.忌食生冷、油腻食物。
3.切勿接触眼睛、口腔等黏膜处。
皮肤破溃处禁用。
有出血倾向者慎用。
4.经期及哺乳期妇女慎用。
5.儿童、年老体弱者应在医师指导下使用。
6.用药后皮肤过敏者应停止使用,症状严重者应去医院就诊。
7.用药3天症状无缓解,或出现局部红肿、疼痛、活动受限等不适症状时应去医院就诊。
8.对本品过敏者禁用,过敏体质者慎用。
9.本品性状发生改变时禁止使用。
10.请将本品放在儿童不能接触的地方。
11.儿童必须在成人监护下使用。
一、红花油华敷红花又名草红花,是一种有广泛用途的作物。
红花花色鲜艳,花期变换多姿,晒干后制成粉掺面食,味美可口,能增进食欲。
红花油取自红花的种子,虽然红花在古时就己知道,然而红花油作为重要的商品植物油的时间则不长。
红花属菊科一年生草本植物,分布在温带,我国多产于西北,尤以新疆、西藏为多,其次是华北和东北地区。
红花的种子含油29%-45%,外形似葵花籽。
含壳量为30%-55%。
红花油油色草黄至金黄,澄清透明。
红花油是已知植物油中含亚油酸最高的油脂,是很好的亚油酸来源,所以在半干性油中它的碘值最大,其营养价值也较高。
以30%红花油与70%米糠油混合食用对降低人体血清中的胆固醇有明显作用,故称这种油为"健康营养油"。
实验证明红花油对某些动物不但能使其血清胆固醇及甘三酯明显下降,还能使动脉粥样硬化病发生明显消退。
我国新疆出产的红花子和西藏生产的藏红花在国内外都享有较高声誉。
红花油的制备是机榨或浸出,油供食用,国外普遍把红花油制成人造奶油、蛋黄酱以及色拉油供人们食用。
红花油的颜色很浅,加热后即可漂白,是制造高级白色涂料'的上好原料。
还可以制油漆和制备不发黄的醇酸树脂。
二、啤酒酵母用于酿造啤酒的酵母。
多为酿酒酵母(Sac-charomyces cerevisiae)的不同品种。
E.C.Hansen(1883)开始分离培养酵母并将它用于酿造啤酒。
丹麦Carlsberg酿造研究所的下面酵母是有名的。
细胞形态与其它培养酵母相同,为近球形的椭圆体,与野生酵母不同。
啤酒酵母是啤酒生产上常用的典型的上面发酵酵母。
菌体维生素、蛋白质含量高,可作食用、药用和饲料酵母,还可以从其中提取细胞色素C、核酸、谷胱甘肽、凝血质、辅酶A和三磷酸腺苷等。
在维生素的微生物测定中,常用啤酒酵母测定生物素、泛酸、硫胺素、吡哆醇和肌醇等。
1、医药应用【别名】干酵母、食母生【简介】真菌类子囊菌纲酵母目内孢霉科啤酒酵母Saccharomyces cerevisiae Hansen,以菌体入药。
气相色谱法测定红花油中水杨酸甲酯和丁香酚含量的方法改进段莲华;冯速捷;李玉丽
【期刊名称】《中国药业》
【年(卷),期】2002(011)007
【摘要】红花油是卫生部药品标准[1]收载的复方中药制剂,主要成分有水杨酸甲酯、丁香罗勒油(主要含丁香酚),对风湿骨痛、跌打损伤、外感头痛、皮肤瘙痒等具有显著疗效.部颁标准中收载的气相色谱法测定水杨酸甲酯和丁香酚含量的方法为:以正
二十四烷为内标,以正辛烷为溶剂,柱温170℃.用该法测含量效果不是很理想,且内标及溶剂价格均较昂贵.如采用以环己酮为内标、以无水乙醇为溶剂的程序升温法,则
含量测定准确,无杂质干扰,重现性好,能可靠地控制成品质量.
【总页数】1页(P54-54)
【作者】段莲华;冯速捷;李玉丽
【作者单位】黑龙江飞峡制药工业有限公司,黑龙江,哈尔滨,150060;黑龙江飞峡制
药工业有限公司,黑龙江,哈尔滨,150060;黑龙江哈尔滨中药三厂,黑龙江,哈尔
滨,150039
【正文语种】中文
【中图分类】R927.2
【相关文献】
1.气相色谱法测定红花油中水杨酸甲酯和丁香酚含量 [J], 张伟;吴鹏昌
2.气相色谱法测定苏红通络酊中丁香酚和水杨酸甲酯的含量 [J], 朱和平;潘金火
3.高效液相色谱法测定依马打红花油中丁香酚及水杨酸甲酯的含量 [J], 张国浩
4.气相色谱法测定红花油中的丁香酚与水杨酸甲酯的含量 [J], 曾洁
5.气相色谱法测定接骨止痛酊中水杨酸甲酯和丁香酚的含量 [J], 武爱玲;赵新杰因版权原因,仅展示原文概要,查看原文内容请购买。
红花油与正红花油的区别【红花油】红花油有两个概念:一种是外用的:红花油又名复方丁香罗勒油,主要成分为丁香罗勒油 564ml,水杨酸甲酯 372ml,姜樟油 10.7ml,肉桂油 21.3ml,桂皮醛 21.3ml,柠檬醛 0.7ml,冰片 2.3g。
中医外用药,红棕色澄清液体,气特异,味辛辣。
属驱风外用药,用于风湿骨痛,跌打扭伤,外感头痛,皮肤瘙痒诸症。
另一种是食用的:红花油是选用新疆盛产的优质红花籽为原料,利用当今先进的工艺和设备,经科学加工精炼而成,保持了原有营养成份,富含天然Ve、耐贮存、不易酸败、多不饱和脂肪酸含量90%以上,其中亚油酸含量高达83%,居世界第一,消化吸收率为99%高于所有食用油,不含胆固醇,不含任何添加剂和防腐剂。
实验证明红花油不但能使血清胆固醇及甘三酯明显下降,还能使动脉粥样硬化病发生明显消退。
从红花籽油,具有抑制血小板非正常凝聚,预防心肌梗塞、脑栓塞、心脏病、肠癌、前列腺癌、乳腺癌等特殊功效。
用于治疗高血脂,血脂下降81.8%,用于治疗慢性气管炎,有效率达89.3%。
红花油有软化血管,降低血脂的攻效呢【正红花油】外用药,该药成分复杂,不同品牌各有不同,一般含有含有白油、白樟油、桂花油、松节油、桂醛、冬青油中的其中几种,有的还含有血竭等。
中医外用药,红棕色澄清液体,有辛辣气味。
主要用于救急止痛,消炎止血。
可治疗心腹诸痛、风湿骨痛、跌打损伤、扭伤、刀伤、烫伤、火伤、蚊叮虫咬等,有的还对晕车晕船、头晕引起的不适有一定疗效。
在外科用药方面,红花油从成分上更侧重活血祛风,擅长治疗风湿骨病,外感头痛,扭伤挫伤等。
而正红花油则侧重于救急止痛,消炎止血。
擅长治疗急性扭伤挫伤,心腹诸痛、风湿骨病等。
依马打正红花油的说明书哪里有?依马打正红花油说明书第一章:产品介绍一、产品概述依马打正红花油是一种由红花等天然中草药提取制成的中药制剂,具有消炎、止痛等功效。
它适用于跌打损伤、扭伤、骨折、关节炎、肌肉疼痛等症状的辅助治疗。
二、产品成分依马打正红花油主要由红花、薄荷油、丁香油、冰片、樟脑等天然中草药提取物组成,用于改善血液循环、促进伤口愈合。
三、产品特点1. 便携:依马打正红花油以小瓶包装,方便携带,随时随地使用。
2. 温和:依马打正红花油温和的配方,适合各个年龄段的人群使用。
3. 快速吸收:依马打正红花油采用先进的科技配方,能够迅速渗透皮肤,发挥功效。
第二章:使用方法一、适应症依马打正红花油适用于跌打损伤、扭伤、骨折、关节炎、肌肉疼痛等症状的辅助治疗。
二、使用方法1. 外用局部涂敷:将适量的依马打正红花油取出涂抹于患处,轻轻按摩至吸收为止。
每日2-3次,连续使用3-5天。
2. 温热敷贴:将适量的依马打正红花油涂抹于患处,用温毛巾覆盖患处,进行温热敷贴。
每日1-2次,连续使用3-5天。
3. 按摩:将适量的依马打正红花油倒入手掌,轻轻按摩患处,每日1-2次,连续使用3-5天。
第三章:注意事项一、禁忌症1. 个别人群对依马打正红花油过敏者禁用。
2. 有开放性伤口、溃烂破损皮肤的部位禁用。
二、不良反应1. 在使用依马打正红花油过程中,如出现过敏症状,请立即停用,并咨询医生。
2. 如有皮肤刺激或其他不适,应停止使用依马打正红花油。
三、注意事项1. 本产品仅供外用,切勿内服。
2. 使用过程中禁止接触眼睛、口腔和粘膜等部位。
3. 请将本品放在儿童无法触及的地方。
4. 手术前后禁止使用依马打正红花油。
第四章:贮藏与保质期一、贮藏条件请将依马打正红花油放置在阴凉、通风、干燥的地方,避免阳光直射。
二、保质期依马打正红花油的保质期为两年。
第五章:其他注意事项1. 请勿超过推荐剂量使用本产品。
2. 请勿使用过期或破损包装的产品。