2020总值班工作记录表
- 格式:xls
- 大小:35.00 KB
- 文档页数:2
物业公司春节值班记录表标题:寒夜里的守望者春节期间,物业公司的员工们都纷纷返回家乡与家人共度节日,但为了确保小区居民的安全与舒适,我们组织了一支值班小组,他们是那些寒夜里的守望者。
一、值班人员及时间安排为了确保值班期间的工作能够有序进行,我们精心安排了一支值班小组。
其中,小组组长是经验丰富的老员工王先生,他将带领其他员工共同守护小区。
值班时间为春节除夕至正月初五,每天从晚上6点到次日早上6点。
二、值班工作内容1.保安值守值班人员将全天候巡逻小区,确保小区的安全。
他们会定时巡视小区的各个角落,特别是停车场、楼道和公共区域,以防止不法分子的入侵和各类突发事件的发生。
2.应急处理值班人员将及时响应小区居民的求助,处理各类应急情况。
无论是电梯故障、水管破裂还是停水停电,他们都会迅速行动,解决问题,并保证小区居民的生活正常运转。
3.节日活动支持春节期间,小区居民举办各类庆祝活动,值班人员将积极支持和协助。
他们会提前与居民沟通,了解他们的需求,并提供必要的帮助,以确保节日活动的顺利进行。
三、值班人员心情与感受春节期间,值班人员虽然无法与家人团聚,但他们都将工作视为一种责任和使命。
他们用自己的行动诠释了对小区居民的关心与爱护。
尽管夜晚寒冷,但他们心中的温暖和对居民安宁的渴望驱使着他们坚守岗位。
值班人员在执勤期间相互支持和鼓励,尽管工作辛苦,但他们始终保持着微笑和积极的态度。
他们用自己的行动传递出对小区居民的关怀和温暖,让居民感到他们始终都在身边。
四、值班工作总结通过这次春节值班工作,我们进一步提高了服务意识和应急处置能力。
感谢这支寒夜里的守望者,他们的付出为小区居民的安全和幸福保驾护航。
希望在未来的工作中,我们能够更加顺利地应对各类突发情况,为小区居民提供更优质的服务。
同时也希望居民们能够理解和支持我们的工作,共同营造一个安全、温馨的小区环境。
值班人员们,你们辛苦了!让我们一起为他们点赞,感谢他们在春节期间的守护与付出!。
护士长值班记录本2020年月日------- 月日
护士长总值班工作职责
1、护士长值班由护理部负责进行排班,值班人员按时到岗。
如有特殊情况不能值班者必须提前请假,无故不值班者或迟到早退者按照护士长工作质量考评标准扣分。
2、值班时间: 8:00-次日8:00时。
每天21时左右手机打卡签到。
3、每日至少对全院护理单元巡查一次,记录。
巡查的内容包括:
1)护士到岗情况,护士礼仪规范;
2)病区环境、秩序、卫生、安全及作息制度执行情况;
3)病区危重(至少检查一位)、大手术等病人病情掌握情况及护理措施落实情况;
4)、检查督导值班护士服务态度及护理核心制度落实情况;。
4、协助解决法定工作日白班以外护理工作中疑难复杂问题,危重病人抢救、护理应急人员的调配工作。
5、值班期间遇到突发事件/重大问题及时向院总值班和护理部主任报告;
6、值班护士长要坚持实事求是的原则,如实反映节假日、夜间各病区护理工作状况。
对于表现突出、管理规范的病区给予表扬和鼓励,对违反操作规程及劳动纪律者应当时指出并及时反馈给病区护士长;
7、值班护士长应认真填写总值班报告,并于次日8:00做好交接班。
8、值班记录本每月一本(空白本放置在护士长值班室),每月最后一天值班的护士长负责送值班本至护理部。
护士长值班记录表
备注:A(护士仪表规范);B(护士仪表不规范);A(病房整洁,安静);B(病房乱吵)。
朔神高速总监办节假日值班表
朔神高速第二合同段现场监理人员值班表
注:
1、值班人员按值班表上名单按时到岗值班。
2、如当天值班人员有事,需与领导沟通进行调节,如因特殊情况需要增加值班人员或改变值班时间,另行通知。
3、值班当天做好值班记录,第二天做好交接记录。
4、值班人员值班当天须保证通讯畅通,遇到紧急情况能够及时取得联系。
5、值班期间如有材料、设备等进场,需积极配合各方,保证材料顺利进场。
6、项目经理、生产经理、技术总工不定时查岗。
重庆铭雨酒店管理公司 云阳三峡风大酒店夜间、节假日值班记录表夜间值班的岗位职责
负责酒店的夜间管理工作。
检查各部门的安全消防工作;检查各部门管理人员及员工的劳动纪律;
检查各部门服务质量、服务程序、礼节礼貌、仪容仪表、清洁卫生等;处理客人投诉和突发事件;
注意遵守保密性原则
执行总经理检查小结:
注:夜间总值班经理必须保证通讯畅通,对处理不了的事情及时请示执行总经理,原则上执行总经理每月必须2次督查夜间经理值班时的工作情况,并作好记录。
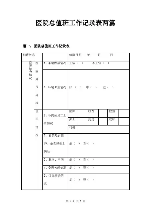
医院总值班工作记录表两篇
篇一:医院总值班工作记录表
值班姓名值班日期年月日
巡视检查情况医
院
外
围
环
境
1、车辆停放情况正常()不正常()
2、环境卫生情况好()中()差()
值
班
情
况
1、各岗位员工上
班情况
医师收费检验
护士药房放射
司机
2、着装是否整
齐、是否佩戴上
岗证
是()否()
3、脱岗、串岗是()否()
4、空调关闭情况是()否()
5、灯光开关情
况
是()否()
6、是否存在长流
是()否()
水
7、楼道卫生情况是()否()
8、电器设备是否
是()否()
关闭
9、门窗是否关好是()否()
病人投诉
应急事物
其他
备注
说明:工作人员上班情况正常打“√”、不正常打“×”并在备注栏注明清楚。
医院总值班记录表(通用6篇)山西省眼科医院总值班制度为了处理医院非办公时间的行政、医疗和临时性、突发性事宜,协调好各方面的工作,医院实行行政总值班制。
(节假日24小时值班)行政总值班在非正常工作时间内代表院长行使全院行政指挥权,以保证医院正常运行而设的一种管理制度。
为规范总值班纪律,保障医院正常的医疗管理工作,特制定本制度。
1、医院行政总值班由各职能科室有关人员参加,行政职能科室人员均有参加总值班的权利和义务。
2、负责处理非办公时间的医务、行政和临时事宜,及时传达、处理上级指示和紧急通知,签收机密文件,承接未办事宜。
负责传达上级的重要指示和通知精神,并负责处理有关事宜。
来访接待,来电记录、回复及与医院业务、行政管理有关的咨询工作。
3、组织、协调全院性的重大抢救,紧急的院内外会诊等突发性重大紧急医疗工作。
4、处理临床、医技科室的请示报告,解决紧迫的后勤保障问题。
5、检查各科工作人员午间、夜间工作情况,以及全院水、电、治安等工作。
6、对于在值班时间的重大工伤、交通事故或特定传染病、紧急伤病情况等,在组织处理的同时立即报告带班院领导;对紧急的重大手术、医疗事故以及高级干部、外宾(包括港、澳、台同胞)入院等应及时报告院长并通知有关部门做出相应安排。
7、重大事故救护车救护车及值班司机的调度工作。
8、行政总值班要做好值班记录,院办将定期审阅总值班记录,了解全院非办公时间的各种情况。
对值班期间发生的任何事情搜要及时处理,并做好值班记录;对于临床科室要求亲临现场处理的事物,总值班人员必须赶到现场处理事务,不得以任何理由推诿,若因总值班不到场或延误到场的一切后果,由总值班负责,并且按照有关规定对其他进行相应的行政和经济处罚。
8、行政总值班人员必须认真履行职责,按制度办事,做好值班记录和交接班工作,凡本班未处理的重要事情,应对下一班明确交待,并及时报告院长责成有关部门处理或由下一班负责组织处理。
8、做好本班内行政总值班室的清洁卫生,对室内重要物品或使用工具应做好移交工作。