安全生产责任制与责任目标考核记录反馈(全套)
- 格式:docx
- 大小:58.91 KB
- 文档页数:22
项目经理安全生产责任制及安全生产目标考核记录单位名称:工程名称:
姓名:年月日
项目副经理安全生产责任制及安全生产目标考核记录单位名称:工程名称:
姓名:年月日
项目技术人员安全生产责任制及安全生产目标考核记录单位名称:工程名称:
姓名:年月日
项目安全员安全生产责任制及安全生产目标考核记录单位名称:工程名称:
姓名:年月日
项目质检员安全生产责任制及安全生产目标考核记录单位名称:工程名称:
姓名:年月日
项目材料员安全生产责任制及安全生产目标考核记录
单位名称: 工程名称: 姓 名: 年 月
日
项目机械管理员安全生产责任制及安全生产目标考核记录
单位名称: 工程名称: 姓 名:
年 月 日
项目班组长安全生产责任制及安全生产目标考核记录单位名称:工程名称:
姓名:年月日。
安全生产责任制及考核记录随着社会的发展,工业化、城镇化进程加快,工业质量、生产效率得到了很大的提高,却也伴随着种种安全隐患。
在这个背景下,坚持安全生产,增强企业安全意识显得尤为重要。
本文将会介绍安全生产责任制及考核记录,为大家提供更多的安全方面的知识。
一、安全生产责任制安全生产责任制是指依靠法律、制度、政策等方式,对企业安全生产领域考核责任人责任的一种体制安排。
责任制的执行是一个“先行赔付,后续责任追究”的过程。
根据《安全生产法》等法律法规,企业必须建立健全安全生产责任制,明确安全生产职责与权利,并将企业部门、岗位、人员安全部署明晰,对其进行安全目标责任考核,从而形成安全生产管理体系,保障员工及企业资产安全。
1.1 安全生产责任主体安全生产责任主体是指企业从其业务范围和安全生产角度所涉及的各个岗位、部门以及相关人员。
在企业中,安全生产责任主体包括企业负责人、安全生产管理机构、各级管理人员、作业人员等。
他们构成了企业安全生产体系领导层,并负责对安全生产的策划、组织、执行和检查工作。
责任主体应根据安全生产领域考核责任人是否履行职责,对其进行分级管理和考核,形成责任倒追的效应。
同时对于员工来说,这些责任主体还应对其进行安全教育、培训,有效提高员工的安全意识和安全素养。
1.2 安全生产责任制的特点•责任明晰:安全生产责任制中,企业负责人、安全生产管理机构、各级管理人员、作业人员等安全生产责任主体的职责、权利、义务都是明确的,达到了责任分工,各司其职的目的。
•考核逐级:安全生产责任制对于岗位、部门、人员的安全责任考核,应逐级实施。
从单位、部门、班组到个人,逐一审核、核算各个安全责任主体的安全管理水平,发现问题、强化问题解决和整改,使企业安全管理工作得到不断的提升。
•责任倒追:安全隐患的发现、解决和整改已经逐渐成为安全生产工作中的核心要素。
一个安全生产责任制体系中,将责任人和责任事宜一一列出,并进行考核,有助于形成责任追究机制,实行“问责到人”的责任倒追机制。
4安全生产责任制落实情况考核记录为了确保企业安全生产责任制的有效落实,提高员工安全意识和安全文化建设,我公司决定对安全生产责任制的落实情况进行考核记录。
以下是本次考核记录的详细内容:一、考核目的通过对安全生产责任制的落实情况进行考核,旨在发现和解决存在的安全隐患和问题,改进安全管理措施,确保安全生产的顺利进行,减少事故发生的概率,提高员工的安全意识和安全工作水平。
二、考核范围本次考核范围包括各岗位员工、设备设施管理、安全培训和教育等方面。
三、考核内容1.岗位员工表现考核核心内容是对岗位员工的安全操作情况进行评估。
我们将从员工的个人安全防护用品佩戴、操作规程和流程是否符合要求、安全意识等方面进行评估。
2.设备设施管理我们将对设备设施的完好状况进行考核,并对设备的维护保养情况及时记录。
同时,我们会对设施运行的各项指标进行考核,确保设施能够正常运行。
3.安全培训和教育我们将对企业的安全培训和教育情况进行评估,包括培训的内容、培训的时长和培训的参与率等。
我们将根据培训的效果评估企业的安全文化建设情况。
四、考核结果与问题发现根据对各个方面的考核情况进行评估后,我们发现了一些问题:1.岗位员工在个人安全防护用品佩戴方面存在不规范现象,如未戴安全帽、未佩戴防护眼镜等。
2.设备设施管理方面存在未及时维修保养的情况,造成设施运行不稳定的现象。
3.安全培训和教育方面,培训内容和培训方法有待改进,要加强针对性培训,提高培训的实效性。
五、改进措施针对以上问题,我们制定了下列改进措施:1.对员工进行安全意识培训,强调安全防护用品的佩戴重要性,并明确要求佩戴。
2.增加设备设施维护保养人员的数量,加强对设施的定期检查和维护保养工作。
3.安排专门的培训人员,制定具体的培训方案,加强安全培训的针对性和实效性。
六、改进计划根据以上改进措施,我们制定了以下改进计划:1.设立安全督查小组,定期对员工的安全操作情况进行检查,并及时纠正不规范行为。
项目经理(现场负责人)安全生产职责1、项目经理应对本工程项目的安全生产和环保工作负全面责任。
认真贯彻执行国家有关法律、法规、安全生产方针和公司的各项规章制度。
落实各工种岗位安全技术操作规程,设立相应的安全生产领导机构和配备专职安全生产管理人员。
2、制定和执行项目部安全生产和环保管理办法。
严格执行公司及项目部安全考核指标和安全生产奖罚制度。
3、主持召开项目部安全生产和环保会议,研究并落实安全隐患整改措施,及时消除生产安全事故隐患。
4、严把劳动用工关,对进入项目作业的劳务人员必须持有合法有效的劳务合同,并严格执行5678并双方9111215现场,积极协助事故调查工作,事故调查处理期间不得擅离职守。
16、应当加强安全文化建设,建立完善安全生产绩效考核奖惩制度,促进从业人员遵章守纪。
17、应当组织从业人员每月至少开展一次安全生产知识方面的宣传教育活动,培养从业人员安全生产意识、习惯和技能。
安全生产活动情况应当记录备查。
18、应当每周至少召开一次安全会议,分析安全生产情况;监督班组每日召开班前会,并对所辖作业区域至少进行一次安全巡查,查明作业场所和工作岗位可能存在的重大危险和事故隐患,提出防范和整改措施。
项目部安全巡查情况应当记录备查。
项目经理(现场负责人)安全生产责任制考核记录考核日期:年月日项目技术负责人安全生产职责1、项目技术负责人对项目生产中的安全技术(含环境保护)全面负责。
2、主持编制项目施工组织设计(专项施工方案)和施工现场生产安全事故应急救援预案。
3、对施工中采用的新工艺、新技术、新材料、新设备,负责组织编制针对性较强的安全技术措施和安全技术操作规程,报批后组织实施。
4、编制项目部所有分部分项工程安全技术交底书,并会同项目部有关人员对施工队长、班组长及作业人员进行安全技术交底,并履行签字手续。
5、负责制定生产岗位有毒有害等物质的治理方案,使之达到国家标准;组织编制重大事故隐患的整改方案。
6、定期组织对工程项目专项施工方案实施情况的跟踪检查(含施工组织设计)。
安全生产责任制与责任目标考核记录(全套) 责任制概述安全生产责任制是指企业法定代表人、安全生产管理人员、安全生产生产经营管理人员、专业技术人员、安全生产管理人员、职工代表等在企业安全生产工作中履行安全生产责任的权利和义务的制度。
全面有效的安全生产责任制能够确保企业的生产安全,保障职工的生命财产安全。
构建完善的安全生产责任制需要从以下几个方面入手:1.领导责任2.组织责任3.安全管理责任4.作业责任5.监督管理责任责任目标考核每个企业都需要建立起一套完整的责任目标考核制度,从而能够保证企业“安全生产责任制”能够得到全面有效的落实。
责任目标考核主要包含以下三个方面:责任目标制定企业内部的安全生产责任目标,明确职责和任务分工,制定能够衡量目标的考核指标。
责任人确定每个职责目标的实际负责人,让他们能够清楚自己的职责和任务,并协调做好企业的安全生产工作。
责任考核按照既定的安全生产责任目标,对各个职责部门进行有效的安全生产责任考核。
责任目标考核记录企业每年需要对安全生产责任制的执行情况进行和分析,形成责任目标考核记录。
考核记录主要包含以下几个方面:总体考核情况对整个企业的安全生产责任目标考核情况进行,并对达成的职责目标进行肯定。
责任部门考核情况对各个负责责任目标的部门进行考核,对职责目标的达成情况进行评价和。
责任人考核情况对每个职责目标的责任人进行考核,评价责任人对职责目标的具体实施情况。
安全生产业绩考核情况根据安全生产责任目标考核指标,分析企业的安全生产业绩,并从考核结果中提出改进和优化的建议。
改进措施记录针对安全生产责任制的落实过程中存在的问题,制定相关的改进措施,并记录在责任目标考核记录中。
对于需要跟踪的改进措施,要在该记录中做出具体安排,并对改进措施的执行情况进行反馈。
企业的安全生产责任制应该是完整的,完善的,从而能够保证企业员工的生命和财产安全。
而责任目标考核是保证这种完整性和完善性的有效手段。
企业通过落实和执行责任目标考核,不仅可以体现出企业对于安全生产的高度重视,也能够更好的防范控制各类企业安全生产事故的发生,降低企业安全生产风险。
安全生产责任制考核记录安全生产责任制是指企业建立并执行的一种安全生产管理制度,通过明确责任、分清岗位、明确权责、压实责任等方式,推动企业安全生产工作的顺利进行。
考核记录是对企业安全生产责任制执行情况进行定期评估和总结的记录,旨在发现问题、改进措施、提高管理水平。
下面是一份关于安全生产责任制考核记录的模板,供参考:```考核日期:考核部门:考核对象:一、责任分工情况1.车间班组责任清晰明确,岗位责任制度是否健全?2.生产环节是否配备安全生产专岗和安全生产监察员,其职责是否明确?二、安全生产管理制度落实情况1.安全生产责任制度、操作规程是否定期更新,并向员工进行宣传和培训?2.生产设备、设施的日常维护保养和安全保障措施是否落实?3.企业内部是否有包括消防、应急救援等安全管理制度?三、安全生产教育培训情况1.员工安全教育培训制度是否健全?2.安全培训的形式、内容、周期是否合理?3.安全教育培训记录是否完整保存?四、事故隐患排查治理情况1.是否建立了健全的隐患排查治理制度?2.隐患排查治理工作是否得到有效执行?3.发现的安全隐患是否及时报告和整改?五、安全生产风险评估和应急预案1.是否建立安全生产风险评估制度,对人、物、环境等方面进行评估?2.是否编制了应急预案、事故应急救援预案等,并进行定期演练和更新?六、安全生产责任追究情况1.是否建立了安全生产责任追究制度?2.是否对责任人员进行过安全生产责任追究?3.追究的结果是否得到及时执行和落实?七、安全生产与绩效考核情况1.是否将安全生产纳入企业绩效考核体系?2.安全生产绩效考核的指标、评分标准是否合理?3.企业安全生产绩效考核的结果如何?八、问题与建议1.在考核过程中发现的问题及整改措施是什么?2.对企业安全生产管理提出的改进建议是什么?备注:考核人签名:```以上就是一份安全生产责任制考核记录的示例,根据实际情况可以进行适当的修改和完善。
考核记录的目的是为了全面评估企业安全生产责任制的执行情况,从而发现问题、改进措施、提高管理水平。
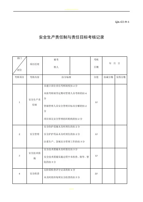
LJA-C2-9-1 安全生产责任制与责任目标考核记录("以上"含本数,"以下"不含本数。
)2、考核项目根据实际自行设定。
3、考核单位与被考核部门(人)各一份。
LJA-C2-9-1安全生产责任制与责任目标考核记录("以上"含本数,"以下"不含本数。
)2、考核项目根据实际自行设定。
3、考核单位与被考核部门(人)各一份。
LJA-C2-9-1安全生产责任制与责任目标考核记录("以上"含本数,"以下"不含本数。
)2、考核项目根据实际自行设定。
3、考核单位与被考核部门(人)各一份。
LJA-C2-9-1安全生产责任制与责任目标考核记录("以上"含本数,"以下"不含本数。
)2、考核项目根据实际自行设定。
3、考核单位与被考核部门(人)各一份。
LJA-C2-9-1安全生产责任制与责任目标考核记录("以上"含本数,"以下"不含本数。
)2、考核项目根据实际自行设定。
3、考核单位与被考核部门(人)各一份。
LJA-C2-9-1安全生产责任制与责任目标考核记录("以上"含本数,"以下"不含本数。
)2、考核项目根据实际自行设定。
3、考核单位与被考核部门(人)各一份。
LJA-C2-9-1安全生产责任制与责任目标考核记录("以上"含本数,"以下"不含本数。
)2、考核项目根据实际自行设定。
3、考核单位与被考核部门(人)各一份。
LJA-C2-9-1安全生产责任制与责任目标考核记录("以上"含本数,"以下"不含本数。
)2、考核项目根据实际自行设定。
3、考核单位与被考核部门(人)各一份。
LJA-C2-9-1安全生产责任制与责任目标考核记录("以上"含本数,"以下"不含本数。
第一条为认真贯彻“安全第一,预防为主〞的方针,加强“谁主管,谁负责〞的原则,激发员工安全生产的自觉性,操纵和减少各类生产事故,实行逐级签订和落实年度《安全生产责任书》制度,结合公司实际制定本方法。
其次条公司安全生产委员会负责安全生产责任目标考核与奖惩工作。
并将安全生产年度目标考核结果与其年度工作岗位业绩考核挂钩。
第三条公司从年终奖金总额中预留2%(特别状况下酌情预留2%~5%),作为安全生产专用奖金,由公司安全生产委员会直接操纵使用。
第四条安全生产实行明确的奖励制度。
对认真履行安全生产职责并在安全生产工作中取得优异成绩的部门、班组和个人年终给予一次性表彰和奖励;对在应急救援或突发事件中做出特别贡献者,随时给予特别奖励。
第五条安全生产实行严格的教训制度,贯彻“以责论处〞的原则。
对不认真履行安全生产职责,失职、渎职、违反规章制度或造成事故的责任人给予批评和绩效,甚至追究其行政责任或法律责任。
第六条本方法适用于公司对所属各职能部门、物业分部及全体从业人员(含新员工)。
第七条公司安全生产委员会依据逐级签订的年度《安全生产责任书》的条款,对年度内安全生产责任目标的实际完成状况进行考核与评定。
第八条安全生产考评采取班组、部门自评打分与公司考评打分相结合的方式进行。
以事故操纵指标、基础管理与生产现场检查为主,重在落实。
第九条安全生产考核工作每季度进行一次,每半年小结一次,年终进行总考核与评定。
可与工作岗位考核同步进行。
第十条考核与评定方式:1.公司总经理、安全生产负责人的考核,由公司安全生产委员会成员根据《主要负责人安全生产考核与奖惩评定表》进行打分(见附件一)。
2.部门/班组负责人及以上级管理人员的考核,由公司安全生产委员会分别进行打分(见附件二、附件三、附件四)。
3.员工的考核,由部门安全生产小组进行打分(见附件五),然后报公司安全生产委员会评定。
4.部门或班组的考核,由公司安全生产委员会打分评定(见附件六)。
安全生产责任制与责任目标考核记录全套安全生产责任制是指明确企业中相关责任人的安全生产职责与权限,并建立一套完整的考核与记录机制,以确保各级责任人履行安全生产职责的有效性和可追溯性。
这种制度可以有效地促进企业安全生产工作的开展,提高安全生产管理水平,保障员工的生命财产安全。
责任目标考核记录全套的内容包括以下几个方面:1.责任目标的确定:企业应根据自身的特点和安全生产的风险状况,制定合理的责任目标。
责任目标应具体、可量化,并与企业的经济效益相结合,在员工、业务和区域等不同层面上确定。
2.责任人的明确:企业应明确各级责任人的安全生产职责与权限,包括企业法定代表人、安全生产各级负责人、班组长、一线员工等。
不同的责任人在安全生产工作中应承担不同的角色和责任。
3.考核标准的制定:根据责任目标的确定,企业应制定相应的考核标准。
考核标准应包括合法合规、风险防控、事故处理、应急救援、安全培训等方面的要求,以确保考核的全面性和客观性。
4.考核周期的确定:企业应根据实际情况确定考核周期,一般为年度考核。
考核周期的确定应充分考虑到不同季节、不同业务周期和不同岗位的特点,在不影响正常生产经营的前提下,确保考核的及时性和有效性。
5.考核方式的选择:企业可以采取定期抽查、日常检查、安全生产巡查和专项检查等方式进行考核。
考核方式应与责任人的实际工作情况相匹配,既要确保考核的公正性和客观性,又要减轻责任人的负担。
6.考核记录的保存:企业应建立完善的考核记录系统,将考核结果记录在册,并按照一定的时限保存,以备查证和追溯。
考核记录应包括责任人的基本信息、考核标准、考核结果、考核意见和改进措施等内容。
7.考核结果的分析和反馈:企业应根据考核结果,进行分析和总结,发现问题和不足之处,并及时提出改进意见和措施。
同时,责任人也应得到相应的奖惩措施,以促使各级责任人更加重视和履行安全生产责任。
总之,安全生产责任制与责任目标考核记录全套是企业安全生产工作的一项重要措施。
XXXX安全生产责任制及安全生产目标考核记录(月)被考核部门/岗位:财会管理部注:1、考核得分在90分以上为优秀;考核得分在80-89分的为良好;考核得分在80-75分为合格。
考核得分在75分以下为不合格。
2、本考核每季进行一次。
3、考核结果将于年底汇总统计集中进行考核。
以下为不合格。
2、本考核每季进行一次。
3、考核结果将于年底汇总统计集中进行考核。
注:1、考核得分在90分以上为优秀;考核得分在80-89分的为良好;考核得分在80-75分为合格。
考核得分在75分以下为不合格。
2、本考核每季进行一次。
3、考核结果将于年底汇总统计集中进行考核。
注:1、考核得分在90分以上为优秀;考核得分在80-89分的为良好;考核得分在80-75分为合格。
考核得分在75分以下为不合格。
2、本考核每季进行一次。
3、考核结果将于年底汇总统计集中进行考核。
XXXX安全生产责任制及安全生产目标考核记录(月)以下为不合格。
2、本考核每季进行一次。
3、考核结果将于年底汇总统计集中进行考核。
XXXX安全生产责任制及安全生产目标考核记录(月)被考核部门:节能环保部注:1、考核得分在90分以上为优秀;考核得分在80-89分的为良好;考核得分在80-75分为合格。
考核得分在75分以下为不合格。
2、本考核每季进行一次。
3、考核结果将于年底汇总统计集中进行考核。
XXXX安全生产责任制及安全生产目标考核记录(月)被考核部门:人力资源部以下为不合格。
2、本考核每季进行一次。
3、考核结果将于年底汇总统计集中进行考核。
xxxxx化工股份有限公司XXXX安全生产责任制及安全生产目标考核记录(月)被考核部门:企业管理部注:1、考核得分在90分以上为优秀;考核得分在80-89分的为良好;考核得分在80-75分为合格。
考核得分在75分以下为不合格。
2、本考核每季进行一次。
3、考核结果将于年底汇总统计集中进行考核。
XXXX安全生产责任制及安全生产目标考核记录(月)被考核部门/岗位:审计部XXX公司注:1、考核得分在90分以上为优秀;考核得分在80-89分的为良好;考核得分在80-75分为合格。
项目经理安全生产责任制与责任目标考核记录考核日期:年月日不合格。
("以上"含本数,"以下"不含本数。
)2、考核项目根据实际自行设定。
3、考核单位与被考核部门(人)各一份。
项目副经理安全生产责任制与责任目标考核记录考核日期:年月日不合格。
("以上"含本数,"以下"不含本数。
)2、考核项目根据实际自行设定。
3、考核单位与被考核部门(人)各一份。
项目生产经理安全生产责任制与责任目标考核记录考核日期:年月日以下为不合格。
("以上"含本数,"以下"不含本数。
)2、考核项目根据实际自行设定。
3、考核单位与被考核部门(人)各一份。
施工员安全生产责任制与责任目标考核记录考核日期:年月日备注:1、90分以上为优秀,80分以上90分以下为良好,70分以上80分以下为合格,70分以下为不合格。
("以上"含本数,"以下"不含本数。
)2、考核项目根据实际自行设定。
3、考核单位与被考核部门(人)各一份。
安全员安全生产责任制与责任目标考核记录考核日期:年月日不合格。
("以上"含本数,"以下"不含本数。
)2、考核项目根据实际自行设定。
3、考核单位与被考核部门(人)各一份。
技术负责人安全生产责任制与责任目标考核记录考核日期:年月日备注:1、90分以上为优秀,80分以上90分以下为良好,70分以上80分以下为合格,70分以下为不合格。
("以上"含本数,"以下"不含本数。
)2、考核项目根据实际自行设定。
3、考核单位与被考核部门(人)各一份。
技术人员安全生产责任制与责任目标考核记录考核日期:年月日备注:1、90分以上为优秀,80分以上90分以下为良好,70分以上80分以下为合格,70分以下为不合格。
安全生产责任制执行情况及考核记录[5篇范例]第一篇:安全生产责任制执行情况及考核记录安全生产责任制执行情况及考核记录2013年6月各部门均认真落实了安全生产责任制,尽力做好了安全生产工作,现场文明施工良好,秩序井然,安全隐患及时发现并进行了整改,安全管理工作做得较好。
2013年7月各部门均认真落实了安全生产责任制,尽力做好了安全生产工作,现场文明施工良好,秩序井然,安全隐患及时发现并进行了整改,安全管理工作做得较好。
2013年8月各部门均认真落实了安全生产责任制,尽力做好了安全生产工作,现场文明施工良好,秩序井然,安全隐患及时发现并进行了整改,安全管理工作做得较好。
2013年9月各部门均认真落实了安全生产责任制,尽力做好了安全生产工作,现场文明施工良好,秩序井然,安全隐患及时发现并进行了整改,安全管理工作做得较好。
2013年10月各部门均认真落实了安全生产责任制,尽力做好了安全生产工作,现场文明施工良好,秩序井然,安全隐患及时发现并进行了整改,安全管理工作做得较好。
2013年11月各部门均认真落实了安全生产责任制,尽力做好了安全生产工作,现场文明施工良好,秩序井然,安全隐患及时发现并进行了整改,安全管理工作做得较好。
2013年12月各部门均认真落实了安全生产责任制,尽力做好了安全生产工作,现场文明施工良好,秩序井然,安全隐患及时发现并进行了整改,安全管理工作做得较好。
2014年1月各部门均认真落实了安全生产责任制,尽力做好了安全生产工作,现场文明施工良好,秩序井然,安全隐患及时发现并进行了整改,安全管理工作做得较好。
2014年2月各部门均认真落实了安全生产责任制,尽力做好了安全生产工作,现场文明施工良好,秩序井然,安全隐患及时发现并进行了整改,安全管理工作做得较好。
2014年3月各部门均认真落实了安全生产责任制,尽力做好了安全生产工作,现场文明施工良好,秩序井然,安全隐患及时发现并进行了整改,安全管理工作做得较好。
安全生产责任目标及安全生产责任制考核记录范本安全生产责任目标及安全生产责任制考核记录范本一、安全生产责任目标1. 提高员工安全意识:通过开展安全教育培训、安全演练等活动,提高员工对安全生产的重要性的认识,增强员工的安全责任意识。
2. 完善安全管理体系:建立健全安全管理制度、标准和规程,确保各项安全工作符合国家法律法规和标准要求。
3. 预防事故发生:加强事故隐患排查和整改工作,完善事故预警机制,提前预防事故的发生。
4. 提高应急处置能力:加强应急演练和应急预案的制定与落实,提高员工应急处置能力,确保在事故发生时能够及时有效地进行处置。
5. 加强安全监管工作:建立健全安全监管机制,加大对各部门、岗位的安全生产管理和监督力度,确保安全责任到位。
二、安全生产责任制考核记录范本序号考核内容考核标准考核结果1 安全管理制度是否建立健全了安全管理制度是/否2 安全教育培训是否开展了定期的安全教育培训是/否3 安全演练是否进行了定期的安全演练是/否4 隐患排查整改是否及时发现和整改安全隐患是/否5 应急预案是否制定了科学合理的应急预案是/否6 应急演练是否进行了定期的应急演练是/否7 安全监管工作是否加强了对各部门的安全监管是/否考核结果评价:优秀/良好/一般/较差/差备注:- 本考核记录范本可根据不同企业的实际情况进行相应的调整和完善。
- 考核结果评价可根据企业的具体情况进行适当的修改和补充。
- 考核记录应事实准确,真实反映企业的安全生产责任制执行情况。
- 需要建立专门的考核记录档案,定期对安全生产责任制进行评估和改进。
以上就是一份安全生产责任目标及安全生产责任制考核记录范本,希望对您有所帮助。
当然,为了更好地满足您特定的需求,建议您进行进一步的调整和定制。
安全生产是企业经营管理的重要组成部分,也是保障员工生命财产安全、推动企业可持续发展的基础。
为了确保安全生产责任落实到位,需建立健全安全生产责任目标和责任制,以便监督和评估各项安全措施的执行情况。
安全生产责任制考核记录
《安全生产责任制考核记录》
根据国家相关法律法规,企业需要建立健全安全生产责任制,以确保员工的安全生产环境和防止安全事故的发生。
而安全生产责任制考核记录则是评估企业在安全生产方面的执行情况和成效的重要工具。
考核记录通常包括以下内容:企业安全生产责任制的建立和落实情况、安全生产责任人的履职情况、安全生产目标的实现情况、安全生产措施的执行情况、安全生产投入和管理情况等。
考核记录将这些内容以具体的数据和事实记录下来,用以评估企业在安全生产方面的表现和问题存在的地方。
安全生产责任制考核记录的建立和保存对于企业的安全生产管理至关重要。
首先,它可以帮助企业全面了解自己在安全生产方面的不足和漏洞,及时进行改进和提高。
其次,考核记录作为一种官方文件,具有一定的法律效应,能够对员工的安全生产意识和责任落实起到一定的监督和激励作用。
最后,通过对考核记录的分析和总结,企业可以有效地调整和完善安全生产责任制,提高整体安全生产水平。
因此,建立健全安全生产责任制考核记录,并且定期进行评估和调整是每个企业在安全生产管理上应该重视的事项。
只有这样,才能真正确保员工的安全和企业的稳定发展。
安全生产责任制考核制度1 安全生产考核制度一、目的为了贯彻公司安全生产责任制,将安全生产责任落到实处,做到职责明确,奖惩分明,形成安全生产工作事事有人管、件件有人抓的管理机制,实现安全生产(工作)目标,特制定本制度。
二、适用范围适用于对公司各部门、各级人员及项目部的安全生产责任进行考核。
三、职责3.1考核部门负责各部门安全生产责任及目标考核的归口管理。
3.2公司人力资源部负责对各职能部门及其负责人的安全生产责任制的落实情况以及安全生产工作(或目标)完成情况进行考核。
3.3考核部门对项目部的安全生产责任制的落实情况以及安全生产工作(或目标)完成情况进行考核。
3.4考核部门对项目部的安全生产责任制的落实情况以及安全生产工作(或目标)完成情况进行考核。
3.5安全生产责任制和目标的考核情况将作为工作绩效考核的主要内容之一纳入绩效考评范畴,并根据公司相关考核办法执行。
四、考核方式4.1项目部实行每月度考核。
4.2公司实行年度考核,进行每年安全评价的考核办法。
五、考核内容按照公司制定的《安全生产责任制》及《安全生产目标责任书》中规定的安全职责及目标进行考核。
2 安全生产责任制考核制度安全生产责任制是根据我国的安全生产方针“安全第一,预防为主,综合治理”和安全生产法规建立的各级领导、职能部门、工程技术人员、岗位操作人员在劳动生产过程中对安全生产层层负责的制度。
是企业安全生产各项规章制度的核心,严格考核是执行安全生产责任制的关键。
为了确保安全生产责任制落实到实处,特制定项目安全生产责任制考核制度。
一、考核目的考核各级各部门管理人员安全生产责任制的执行情况。
督促安全生产责任制的贯彻落实,激励安全管理机制的正常运行。
二、考核对象各级各部门管理人员、安全管理人员及项目经理、技术负责人、施工员、安全员、材料员、资料员、造价员、机械员、班组长、工程(劳务)分包现场经理或负责人等人员。
三、考核办法1、采用评定表打分办法,应得分为100分,依据考核的完成情况和评分标准打分(详见考核评分表),分为优秀、优良、合格、不合格四个等级。
项目经理安全生产责任制与责任目标考核记录
考核日期:年月日
"以上"含本数,"以下"不含本数。
)
2、考核项目根据实际自行设定。
3、考核单位与被考核部门(人)各一份。
项目副经理安全生产责任制与责任目标考核记录
考核日期:年月日
"以上"含本数,"以下"不含本数。
)
2、考核项目根据实际自行设定。
3、考核单位与被考核部门(人)各一份。
项目生产经理安全生产责任制与责任目标考核记录
考核日期:年月日
合格。
("以上"含本数,"以下"不含本数。
)
2、考核项目根据实际自行设定。
3、考核单位与被考核部门(人)各一份。
施工员安全生产责任制与责任目标考核记录
考核日期:年月日
备注:1、90分以上为优秀,80分以上90分以下为良好,70分以上80分以下为合格,70分以下为不合格。
("以上"含本数,"以下"不含本数。
)
2、考核项目根据实际自行设定。
3、考核单位与被考核部门(人)各一份。
安全员安全生产责任制与责任目标考核记录
考核日期:年月日
"以上"含本数,"以下"不含本数。
)
2、考核项目根据实际自行设定。
3、考核单位与被考核部门(人)各一份。
技术负责人安全生产责任制与责任目标考核记录
考核日期:年月日
备注:1、90分以上为优秀,80分以上90分以下为良好,70分以上80分以下为合格,70分以下为不合格。
("以上"含本数,"以下"不含本数。
)
2、考核项目根据实际自行设定。
3、考核单位与被考核部门(人)各一份。
技术人员安全生产责任制与责任目标考核记录
考核日期:年月日
备注:1、90分以上为优秀,80分以上90分以下为良好,70分以上80分以下为合格,70分以下为不合格。
("以上"含本数,"以下"不含本数。
)
2、考核项目根据实际自行设定。
3、考核单位与被考核部门(人)各一份。
材料员安全生产责任制与责任目标考核记录
考核日期:年月日
备注:1、90分以上为优秀,80分以上90分以下为良好,70分以上80分以下为合格,70分以下为不合格。
("以上"含本数,"以下"不含本数。
)
2、考核项目根据实际自行设定。
3、考核单位与被考核部门(人)各一份。
质检员安全生产责任制与责任目标考核记录
考核日期:年月日
备注:1、90分以上为优秀,80分以上90分以下为良好,70分以上80分以下为合格,70分以下为不合格。
("以上"含本数,"以下"不含本数。
)
2、考核项目根据实际自行设定。
3、考核单位与被考核部门(人)各一份。
劳务员安全生产责任制与责任目标考核记录
考核日期:年月日
备注:1、90分以上为优秀,80分以上90分以下为良好,70分以上80分以下为合格,70分以下为不合格。
("以上"含本数,"以下"不含本数。
)
2、考核项目根据实际自行设定。
3、考核单位与被考核部门(人)各一份。
瓦工班组长安全生产责任制与责任目标考核记录
考核日期:年月日
备注:1、90分以上为优秀,80分以上90分以下为良好,70分以上80分以下为合格,70分以下为不合格。
("以上"含本数,"以下"不含本数。
)
2、考核项目根据实际自行设定。
3、考核单位与被考核部门(人)各一份。
木工班组长安全生产责任制与责任目标考核记录
考核日期:年月日
备注:1、90分以上为优秀,80分以上90分以下为良好,70分以上80分以下为合格,70分以下为不合格。
("以上"含本数,"以下"不含本数。
)
2、考核项目根据实际自行设定。
3、考核单位与被考核部门(人)各一份。
钢筋工班组长安全生产责任制与责任目标考核记录
考核日期:年月日
备注:1、90分以上为优秀,80分以上90分以下为良好,70分以上80分以下为合格,70分以下为不合格。
("以上"含本数,"以下"不含本数。
)
2、考核项目根据实际自行设定。
3、考核单位与被考核部门(人)各一份。
架子工班组长安全生产责任制与责任目标考核记录
考核日期:年月日
备注:1、90分以上为优秀,80分以上90分以下为良好,70分以上80分以下为合格,70分以下为不合格。
("以上"含本数,"以下"不含本数。
)
2、考核项目根据实际自行设定。
3、考核单位与被考核部门(人)各一份。
电工班长安全生产责任制与责任目标考核记录
考核日期:年月日
备注:1、90分以上为优秀,80分以上90分以下为良好,70分以上80分以下为合格,70分以下为不合格。
("以上"含本数,"以下"不含本数。
)
2、考核项目根据实际自行设定。
3、考核单位与被考核部门(人)各一份。
电焊工班长安全生产责任制与责任目标考核记录
考核日期:年月日
备注:1、90分以上为优秀,80分以上90分以下为良好,70分以上80分以下为合格,70分以下为不合格。
("以上"含本数,"以下"不含本数。
)
2、考核项目根据实际自行设定。
3、考核单位与被考核部门(人)各一份。