麻醉呼吸管路介绍
- 格式:ppt
- 大小:13.19 MB
- 文档页数:4
1. 性能指标2.1设计呼吸管路(不论是波纹状结构或其他结构)应具有平滑端(柱形或锥形)和(或)能与符合YY/T 1040.1-2015 规定的22mm 或15mm 圆锥接头相配合的装配端。
2.2长度2.2.1呼吸管路的长度应以在水平平面上静止(不受拉力)条件下测量的公称全长标记,以米为单位。
具体长度要求见表1。
表 12.2.2与Y 形件连为一体的呼吸管路标记的长度,应包括Y 形件和任何装配端。
2.2.3实际长度应为标记长度±标记长度的10%。
2.3气流阻力2.3.1制造厂应确定需要标示的额定流量。
成人型的额定流量为30L/min,儿童型的额定流量为15L/min。
2.3.2按YY 0461-2003 附录A 所给的方法试验时,以标称的额定流量对备用的呼吸管路试验时,压力增量不应超过0.2kPa。
2.4连接方式2.4.1管路的平滑端2.41平滑端中间是鼓起的呼吸管路(见图1),对于预期与YY/T 1040.1-2015 规定的22mm 外圆锥接头锁接的平滑端,轴向长度(l2)应不小于26.5mm。
图 1 呼吸管路平滑端的轴长2.41按YY0461-2003 附录B 所给的方法试验时,在小于40N 力值下,呼吸管路的平滑端不应与相应的外圆锥接头分离。
2.4.2转换接头转换接头不用来与呼吸管路连接的一端,应有一个符合YY/T 1040.1-2015 规定的22mm 或15mm 圆锥接头。
2.4.3装配端按YY 0461-2003 附录C 所给的方法试验时,在小于45N 的力值下,转换接头不应与管路分离。
注:本试验把与呼吸管路连为一体的Y 形件视为是转换接头。
2.4.4连有一个Y 形件的呼吸管路如果成对供应的呼吸管是与Y 形件连为一体的,Y 形件的病人连接口应符合YY/T 1040.1-2015 的22mm 外/15mm 内同轴圆锥或15 mm 内圆锥的接头。
2.5泄漏按YY0461-2003 附录D 所给的方法试验时,成对供应并与一个非回转Y 形件连为一体的管路的泄漏速率应不超过50mL/min。
麻醉科中的气道管理与通气技术麻醉科作为临床医学中重要的分支学科,致力于通过药物和技术手段使患者在手术过程中达到痛觉、意识和运动的完全或部分丧失,以确保手术的安全和成功进行。
在麻醉操作中,气道管理和通气技术是至关重要的环节,旨在保持患者的通气道畅通,确保氧气供应和二氧化碳排出的正常进行。
本文将重点探讨麻醉科中的气道管理与通气技术。
一、气道管理气道管理是指在麻醉全过程中对患者的口腔、喉部和气管进行有效控制,以确保患者的通气道畅通,并减少误吸、肺部感染等并发症的发生。
气道管理通常包括以下几种方法和技术。
1. 插管气道管理插管气道管理是麻醉科中最常用的方法之一,它通过将人工气道插入患者的气管,建立一个可靠的通气通道。
一般来说,插管分为经口插管和经鼻插管两种方式。
经口插管适用于一般手术患者,而经鼻插管则适用于鼻咽部手术或口腔颌面外科手术患者。
2. 气管插管气管插管是一种常规的气道管理方法,通过插入气管插管将气道与呼吸系统连接起来。
这种方法具有操作简单、通气效果好、对患者刺激小等优点。
但是,在气管插管过程中需要注意插管的深度、角度和抬头等细节,以避免气管插管相关的并发症。
3. 支气管插管支气管插管是一种特殊的气道管理方法,适用于需要进行单肺通气或双肺通气和支气管造影等操作的患者。
相比于气管插管,支气管插管需要更高的技术要求和专业知识,操作过程更加复杂。
因此,在进行支气管插管时,医生需要严格掌握操作技巧,以确保操作的成功和安全。
二、通气技术通气技术是指通过各种手段和设备维持患者的通气功能,以保证患者的氧气供应和二氧化碳排出的正常进行。
通气技术在麻醉科中是非常重要的,一方面可以帮助医生进行有效的气道管理,另一方面也可以改善患者的通气状态。
1. 机械通气机械通气是一种常见的通气技术,通过呼吸机等设备将气体送入患者的肺部,以代替或辅助患者自主呼吸。
机械通气可以根据患者的需要调整吸气压力、呼气压力、呼吸频率等参数,以达到最佳的通气效果。
麻醉机和呼吸机用呼吸管路适用范围:与麻醉机和呼吸机配套使用,为病人建立一个呼吸连接通道。
1.1 本公司生产的呼吸管路分为婴儿型、儿童型、成人型。
1.2 产品型号划分说明:标记示例:SL-HG-Y01:北京神鹿腾飞医疗科技有限公司呼吸管路婴儿型规格01。
1.3结构组成:1-病人端转换接头;2-Y型三通;3-集水瓶;4-机器端转换接头;5-硅胶管路图1麻醉机和呼吸机用呼吸管路由硅胶管路、集水瓶、Y型三通、管接头组成。
其中集水瓶、Y形三通、管接头为外购件。
呼吸管路材质由硅橡胶制成;外购件由聚碳酸酯或聚乙烯、聚丙烯材料制成。
1.4规格型号:婴儿型、儿童型、成人型呼吸管路应分别符合表1、表2、表3的规定:表1 婴儿型呼吸管路规格单位:m表2 儿童型呼吸管路规格单位:m表3 成人型呼吸管路规格单位:m2.1呼吸管路的规格尺寸规格尺寸应符合1.2中表1至表3的要求。
2.2外观2.2.1 呼吸管路均为透明或半透明硅橡胶制品,如需变更颜色,可在生产前由双方协商决定。
2.2.2 呼吸管路的外观应圆整、光滑和无机械损伤。
2.3 呼吸管路的物理机械性能应符合YYT 0031-2008、GB/T 531.1-2008、GB/T 529-2008、GB/T 528-2009的要求,见表4。
表4 物理机械性能2.4 呼吸管路化学性能应符合YYT 0031-2008的要求,见表5。
表5 化学性能2.5结构本公司生产的呼吸管路应具有符合YY 0461-2003/ISO5367:2000标准的平滑端(柱型或锥形)和能与符合YY 1040.1-2003规定的22mm或15mm圆锥接头相配合的装配端。
2.6气流阻力按附录A以标称的额定流量对备用的呼吸管路试验时,压力增量不超过0.2KPa。
2.7连接方式2.7.1 管路的平滑端2.7.1.1 呼吸管路[见图2],对于预期与22mm外圆锥接头锁接的呼吸管路,其)应不小于21mm;对于预期与15mm外圆锥接头锁接的呼平滑端的轴向长度(ι1吸管路,其平滑端的轴向长度不小于14mm。
麻醉科手术中的气道管理技巧麻醉科手术中,气道管理是至关重要的环节之一。
正确高效的气道管理技巧可以确保患者的呼吸通畅,提供良好的手术条件,减少患者的痛苦,降低手术风险。
本文将介绍麻醉科手术中常用的气道管理技巧,并探讨其应用和注意事项。
一、预防性气道管理预防性气道管理是麻醉科手术中最基本的气道管理手段之一,其目的是在患者丧失自主呼吸功能之前,通过气道管理手段维持呼吸道通畅。
常用的预防性气道管理技巧有喉罩、喉镜和气管导管等。
1. 喉罩喉罩是一种无气囊、无气囊腔、单向阀的设备,可以提供较好的通气效果。
其优点是操作简单、易于放置,适用于意识清醒的患者。
然而,对于气道异常(如食道异物)或患有硬脑膜外血肿等病情的患者,使用喉罩可能存在较大风险,应慎重使用。
2. 喉镜喉镜是一种通过视觉辅助气道管理的工具,适用于需要插管的患者。
操作时应先将喉镜置于患者的口腔内,然后将气管导管插入气道。
喉镜操作需要一定的经验和技巧,操作者应熟练掌握相关技术。
3. 气管导管气管导管是气道管理的主要手段之一,适用于各种手术。
在插管前,应首先评估患者的颌下间隙、牙颌关系、咽喉和口腔结构等因素,确定适合插管的气管导管尺寸。
插管时应注意力量控制,避免对气道和软组织造成伤害。
二、紧急情况下的气道管理紧急情况下的气道管理技巧是指在无法维持患者自主呼吸功能,且需要迅速建立有效气道通畅的情况下的处理措施。
常见的紧急气道管理技巧有人工气道、胸腔穿刺和快速气管切开等。
1. 人工气道人工气道是一种通过插入或切开气道以建立通气通道的方法。
对于需要进行紧急气道管理的患者,常见的人工气道方式为经口气管插管和经鼻气管插管。
此外,对于无法口鼻插管的情况,还可以采用切开气管的方法。
2. 胸腔穿刺胸腔穿刺是一种用于缓解张力性气胸困扰的紧急气道管理技巧。
在胸腔穿刺时,需选择合适的穿刺点和方法,避免穿刺到重要血管、神经等结构。
3. 快速气管切开快速气管切开是一种应对紧急情况下气道阻塞的操作方法,旨在迅速恢复患者的呼吸功能。
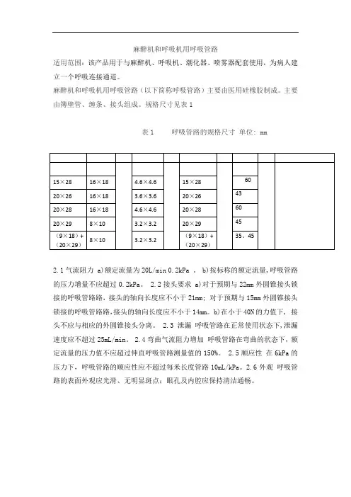
麻醉机和呼吸机用呼吸管路
适用范围:该产品用于与麻醉机、呼吸机、潮化器、喷雾器配套使用,为病人建立一个呼吸连接通道。
麻醉机和呼吸机用呼吸管路(以下简称呼吸管路)主要由医用硅橡胶制成。
主要由簿壁管、缠条、接头组成。
规格尺寸见表1
表1 呼吸管路的规格尺寸单位: mm
2.1气流阻力 a)额定流量为20L/min 0.2kPa 。
b)按标称的额定流量,呼吸管路的压力增量不应超过0.2kPa。
2.2接头要求 a)对于预期与22mm外圆锥接头锁接的呼吸管路路,接头的轴向长度应不小于21mm; 对于预期与15mm外圆锥接头锁接的呼吸管路路,接头的轴向长度应不小于14mm。
b)在小于40N的力值下, 接头不应与相应的外圆锥接头分离。
2.3泄漏呼吸管路在正常使用状态下,泄漏速度应不超过25mL/min。
2.4弯曲气流阻力增加呼吸管路在弯曲的状态下,额定流量的压力值不应超过伸直呼吸管路测量值的150%。
2.5顺应性在6kPa的压力下,呼吸管路的顺应性应不超过每米长度管路10mL/kPa。
2.6外观呼吸管路的表面外观应光滑、无明显斑点;眼孔及内腔应保持清洁通畅。
麻醉呼吸机用呼吸管路及连接件产品技术要求结构组成:麻醉机和呼吸机用呼吸管路及连接件是连接麻醉机或呼吸机气体管路的装置,其连接件包括转换接头、Y形件、双旋接口、90度弯头接口、呼吸皮囊。
预期用途:本产品与麻醉呼吸机或呼吸机配套使用,作为麻醉气体、氧气等医用气体进入病人体内的通道。
麻醉机和呼吸机用呼吸管路及连接件是连接麻醉机或呼吸机气体管路的装置,其连接件包括转换接头、Y形件、双旋接口、90度弯头接口、呼吸皮囊。
麻醉呼吸机用呼吸管路及连接件的划分说明按图1规定的方法,图2为产品结构示意图。
一次性使用呼吸管路用材为聚氯乙烯(PVC)。
图 1麻醉呼吸机用呼吸管路及连接件的划分说明图2 麻醉呼吸机用呼吸管路及连接件示意图性能指标2.1 外观麻醉呼吸机用呼吸管路及连接件外表面应光洁、无毛刺,无明显的气泡、杂质、裂痕等缺陷。
2.2 长度麻醉呼吸机用呼吸管路及连接件的尺寸应符合表1的规定,公差在10%以内。
2.3 连接接口2.3.1 麻醉呼吸机用呼吸管路及连接件的平滑端应符合YY0461.1-2003标准的要求。
2.3.2 麻醉呼吸机用呼吸管路及连接件一端对外转换接头应符合YY 1040.1-2015标准规定的22mm或15mm非金属材料圆锥接头。
2.3.3 麻醉呼吸机用呼吸管路及连接件配置连接件的连接接头应符合YY 1040.1-2015标准规定的22mm或15mm非金属材料圆锥接头,Y型件的病人连接口应是一22㎜外/15㎜内同轴圆锥或15㎜内圆锥接头。
2.3.4 当连接件与呼吸管路一体供应时,在小于40N力值下,连接件不应与管路分离。
2.4 气体泄漏与Y型件连接成对供应或者与转换接头成对供应的管路泄漏率应不超过50mL/min。
2.5 气体阻力麻醉呼吸机用呼吸管路及连接件在100L/min的气体流量下,气流阻力不应超过0.2kPa。
2.6 弯曲气流阻力增加悬放在金属柱上的呼吸管路在100L/min的气体流量下的压力应不超过伸直管路测量值的150%。
呼吸机管路呼吸机管路是医院内用于进行呼吸机治疗的重要装置,它起到将氧气和医用气体输送到患者气道的作用。
呼吸机管路通常由多个组件组成,包括气体输送管、密封接头、湿化器和呼吸机接口等。
本文将对呼吸机管路的组成和使用进行详细介绍。
一、气体输送管气体输送管是呼吸机管路的主要组成部分之一,其作用是将氧气和其他医用气体输送到患者的气道。
气体输送管通常由软质材料制成,比如硅胶或聚亚胺等,以保证其柔韧性和舒适性。
同时,气体输送管要具有一定的耐腐蚀性和抗菌性能,以保证患者使用时的安全性。
在气体输送管的设计中,需要考虑气体流动的平稳性和阻力。
为了减少气体流动时的阻力,气体输送管通常采用较宽的内径和光滑的内壁设计。
这样不仅可以降低对患者呼吸的干扰,还可以提高气流的传递效率。
二、密封接头密封接头用于连接气体输送管和其他呼吸机管路组件,以保证气体的顺利输送。
密封接头通常采用特殊的设计,以确保气体不会泄漏,同时又能够方便地进行连接和拆卸。
一般情况下,密封接头采用了气密性较好的材料制成,比如硅胶或橡胶等,以防止气体的泄漏。
在使用密封接头时,需要注意其连接的紧固程度。
过松的连接可能导致气体泄漏,而过紧的连接则可能损坏管路或影响气体的输送效果。
因此,在操作过程中,需要适当调整密封接头的紧固程度,以确保其达到最佳的连接状态。
三、湿化器湿化器是呼吸机管路中的一个重要组件,其作用是增加呼吸道的湿度,防止干燥和痰液黏稠化。
湿化器通常由透明的容器和湿化介质组成,其中湿化介质可以是水或药物溶液。
在使用湿化器前,需要将湿化介质注入容器中,并通过开启湿化器的控制开关,将气体经过湿化介质进行湿化。
湿化器的湿化效果可以通过调节湿化器的流量和温度来实现,以适应患者的需要。
四、呼吸机接口呼吸机接口是连接呼吸机管路和患者气道的部件。
呼吸机接口有多种形式,包括面罩、鼻罩和气管插管等。
不同的接口形式适用于不同的患者情况。
面罩适用于自主呼吸能力较强的患者,鼻罩适用于需要辅助呼吸的患者,气管插管则适用于无法自主呼吸的患者。
呼吸管路国标
呼吸管路国标是指依据我国国家标准局制定的《医用呼吸管路》(GB/T 14747-2016)标准。
该标准规定了医用呼吸管路的材料、结构、性能、试验方法、标志、包装及运输等要求。
医用呼吸管路主要用于医疗设备,如呼吸机、麻醉机等,为患者提供气源和气体交换的通道。
其性能和质量直接关系到患者的生命安全和治疗效果。
根据《医用呼吸管路》国家标准,呼吸管路应符合以下要求:
1. 材料:呼吸管路应使用无毒、无害、无污染的医用级材料制成。
2. 结构:呼吸管路应包括吸气支路、呼气支路、转换接头、Y型接头、湿化器、细菌过滤器等组件。
3. 性能:呼吸管路应具有良好的气密性、耐压性、耐热性、耐寒性、耐酸碱性等性能。
4. 试验方法:呼吸管路应进行气密性、耐压性、耐热性、耐寒性、耐酸碱性等性能的试验。
5. 标志:呼吸管路应标明生产厂家、产品名称、规格型号、生产日期、有效期等信息。
6. 包装及运输:呼吸管路应进行合理的包装,确保在运输过程中不发生损坏。
总之,呼吸管路国标为医用呼吸管路的生产、使用和监管提供了依据,确保了呼吸管路的质量和安全。